千斤顶张拉油表读数通知单
- 格式:xlsx
- 大小:14.06 KB
- 文档页数:2
千斤顶型号
YCW450-200千斤顶编号104油压表编号8615标定时间钢绞线束类型(根)9张拉控制力(KN) 2414KN 1810.4KN
张拉力与千斤顶油压表读数对应表
2006年11月14日 1、钢绞线张拉锚下设计控制应力σk=0.75 Ryb。
在实际施工操作确定千斤顶张拉力时,还应考虑锚环孔口的预应力损
失,此损失为锚垫板外侧钢绞线非直线通过锚环孔口、夹片及限位板时增加的摩擦损失,此值一般为控制张拉应力的3%。
2、根据设计的锚下控制应力,再加上3%的张拉控制力,得到预应力结构体外最终施加张拉力值,用此值在张拉力与压力表之间的关系曲线中用内差法选取其对应的张拉压力表的数值,以此值作为张拉施工时的油表控制读数。
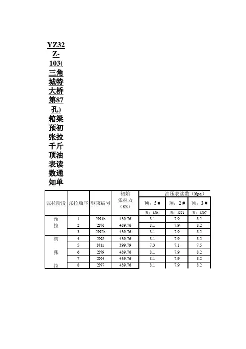
城特大桥第87孔) 箱梁预初张拉千斤顶油表读数通知单初始张拉力(KN)顶:5 #顶:2 #顶:3 #表:4504表:4551表:4507预12N1b439.768.17.98.2拉22N6439.768.17.98.232N2b439.768.17.98.2初42N8439.768.17.98.25N1a399.797.37.17.5张62N9439.768.17.98.272N4439.768.17.98.2拉82N7439.768.17.98.2角城特大桥第72孔) 箱梁终张千斤顶油表读数通知单初始张拉力(KN)顶:5#顶:2#顶:3#表:4545表:4493表:4540终12N2b1425.325.725.525.822N10399.797.37.17.5张3N1a1295.723.423.223.542N2a439.768.17.98.2拉52N5439.768.17.98.262N1b1425.325.725.525.872N3439.768.17.98.282N61425.325.725.525.892N91425.325.725.525.8102N41425.325.725.525.8112N71425.325.725.525.8122N2c439.768.17.98.2132N81425.325.725.525.8特大桥第101孔) 箱梁预初张拉千斤顶油表读数通知单初始张拉力(KN)顶:5 #顶:2 #顶:3 #表:4504表:4551表:4507预12N1b439.768.07.98.0拉22N6439.768.07.98.032N2b439.768.07.98.0初42N8439.768.07.98.0张拉阶段张拉顺序钢束编号油压表读数(Mpa)张拉阶段张拉顺序钢束编号油压表读数(Mpa)张拉阶段张拉顺序钢束编号油压表读数(Mpa)5N1a 399.797.37.27.3张62N9439.768.07.98.072N4439.768.07.98.0拉82N7439.768.07.98.0角城特大桥第87孔) 箱梁终张千斤顶油表读数通知单初始张拉力(KN )顶:5#顶:2#顶:3#表:4504表:4551表:4507终12N2b 1425.325.725.525.622N10399.797.37.27.3张3N1a 1295.723.423.223.342N2a 439.768.07.98.0拉52N5439.768.07.98.062N1b 1425.325.725.525.672N3439.768.07.98.082N61425.325.725.525.692N91425.325.725.525.6102N41425.325.725.525.6112N71425.325.725.525.6122N2c 439.768.07.98.0132N81425.325.725.525.6亮营特大桥第27孔) 箱梁终张千斤顶油表读数通知单初始张拉力(KN )顶:5#顶:2#顶:3#表:4545表:4493表:4540终1N1a 1172.421.221.021.3张22N4355.76 6.6 6.4 6.732N2b 255.74 4.8 4.6 4.9拉42N8355.76 6.6 6.4 6.752N1b 911.916.516.316.662N6276.71 5.1 4.9 5.372N51172.421.221.021.382N71172.421.221.021.392N2a 911.916.516.316.6102N31172.421.221.021.3角城特大桥第99孔) 箱梁终张千斤顶油表读数通知单初始张拉力(KN )顶:5#顶:2#顶:3#表:4504表:4551表:4507张拉阶段张拉顺序钢束 编号油压表读数(Mpa )张拉阶段张拉顺序钢束 编号油压表读数(Mpa )张拉阶段张拉顺序钢束 编号油压表读数(Mpa )终12N2b1425.325.725.625.622N10399.797.47.37.3张3N1a1295.723.423.323.342N2a439.768.18.18.0拉52N5439.768.18.18.062N1b1425.325.725.625.672N3439.768.18.18.082N61425.325.725.625.692N91425.325.725.625.6102N41425.325.725.625.6112N71425.325.725.625.6122N2c439.768.18.18.0132N81425.325.725.625.6特大桥第111孔) 箱梁预初张拉千斤顶油表读数通知单初始张拉力(KN)顶:5 #顶:2 #顶:3 #表:4504表:4551表:4507预12N1b439.768.18.18.0拉22N6439.768.18.18.032N2b439.768.18.18.0初42N8439.768.18.18.05N1a399.797.47.37.3张62N9439.768.18.18.072N4439.768.18.18.0拉82N7439.768.18.18.0营特大桥第43孔) 箱梁预初张拉千斤顶油表读数通知单初始张拉力(KN)顶:5 #顶:2 #顶:3 #表:4504表:4551表:4507预12N1b439.768.18.08.0拉22N6439.768.18.08.032N2b439.768.18.08.0初42N8439.768.18.08.05N1a399.797.47.37.3张62N9439.768.18.08.072N4439.768.18.08.0拉82N7439.768.18.08.0角城特大桥第111孔) 箱梁终张千斤顶油表读数通知单张拉阶段张拉顺序钢束编号油压表读数(Mpa)张拉阶段张拉顺序钢束编号油压表读数(Mpa)初始张拉力(KN)顶:5#顶:2#顶:3#表:4504表:4551表:4507终12N2b1425.325.925.625.722N10399.797.47.37.3张3N1a1295.723.523.323.442N2a439.768.18.08.0拉52N5439.768.18.08.062N1b1425.325.925.625.772N3439.768.18.08.082N61425.325.925.625.792N91425.325.925.625.7102N41425.325.925.625.7112N71425.325.925.625.7122N2c439.768.18.08.0132N81425.325.925.625.7儿沟大桥第5孔) 箱梁预初张拉千斤顶油表读数通知单初始张拉力(KN)顶:5 #顶:2 #顶:3 #表:4504表:4551表:4507预1N1a328.8 5.9 5.9 6.122N5355.8 6.4 6.4 6.632N2a255.7 4.6 4.6 4.8初42N7355.8 6.4 6.4 6.652N1b255.7 4.6 4.6 4.8拉62N3355.8 6.4 6.4 6.6张拉阶段张拉顺序钢束编号油压表读数(Mpa)张拉阶段张拉顺序钢束编号油压表读数(Mpa)顶:4 #顶:5#顶:2 #顶:3 #顶:4 #表:4510表:4504表:4551表:4507表:45108.11425.325.725.525.825.8140.89直8.11425.325.725.525.825.8141.75无8.11425.325.725.525.825.8143.078.11425.325.725.525.825.8134.48声7.41295.723.423.223.523.4140.898.11425.325.725.525.825.8135.9屏8.11425.325.725.525.825.8138.798.11425.325.725.525.825.8133.05障顶:4#顶:5#顶:2#顶:3#顶:4#表:4509表:4545表:4493表:4540表:450925.82198.8239.539.439.539.6218.47直7.41998.9335.935.836.036.0210.7523.41998.9335.935.836.036.0215.15线8.12198.8239.539.439.539.6218.478.12198.8239.539.439.539.6214.2无25.82198.8239.539.439.539.6215.158.12198.8239.539.439.539.6209.67声25.82198.8239.539.439.539.6216.4625.82198.8239.539.439.539.6208.58屏25.82198.8239.539.439.539.6211.9425.82198.8239.539.439.539.6203.18障8.12198.8239.539.439.539.6218.4725.82198.8239.539.439.539.6205.35顶:4 #顶:5#顶:2 #顶:3 #顶:4 #表:4510表:4504表:4551表:4507表:45108.01425.325.725.525.625.7140.89直8.01425.325.725.525.625.7141.75无8.01425.325.725.525.625.7143.078.01425.325.725.525.625.7134.48声理论伸长值(mm)备注备注Mpa )控制张拉力(KN )油压表读数(Mpa )理论伸 长值(mm ))控制张拉力(KN)油压表读数(Mpa)控制张拉力(KN)油压表读数(Mpa)理论伸长值(mm)备注)7.31295.723.423.223.323.4140.898.01425.325.725.525.625.7135.9屏8.01425.325.725.525.625.7138.798.01425.325.725.525.625.7133.05障顶:4#顶:5#顶:2#顶:3#顶:4#表:4510表:4504表:4551表:4507表:451025.72198.8239.539.339.439.6218.47直7.31998.9336.035.735.936.0210.7523.41998.9336.035.735.936.0215.15线8.02198.8239.539.339.439.6218.478.02198.8239.539.339.439.6214.2无25.72198.8239.539.339.439.6215.158.02198.8239.539.339.439.6209.67声25.72198.8239.539.339.439.6216.4625.72198.8239.539.339.439.6208.58屏25.72198.8239.539.339.439.6211.9425.72198.8239.539.339.439.6203.18障8.02198.8239.539.339.439.6218.4725.72198.8239.539.339.439.6205.35顶:4#顶:5#顶:2#顶:3#顶:4#表:4509表:4545表:4493表:4540表:450921.21644.0629.629.529.729.7149.35直6.61778.8232.031.932.132.1161.63线4.81278.7223.122.923.223.1152.386.61778.8232.031.932.132.1159.29无16.61278.7223.122.923.223.1149.355.21383.5324.924.825.025.0155.02声21.21778.8232.031.932.132.1163.8621.21778.8232.031.932.132.1157.16屏16.61278.7223.122.923.223.1152.3821.21778.8232.031.932.132.1159.39障顶:4#顶:5#顶:2#顶:3#顶:4#表:4510表:4504表:4551表:4507表:4510理论伸 长值(mm )备注Mpa )控制张拉力(KN )油压表读数(Mpa )理论伸 长值(mm )备注Mpa )控制张拉力(KN )油压表读数(Mpa )控制张拉力(KN )油压表读数(Mpa )理论伸 长值(mm )备注Mpa )25.72198.8239.539.439.539.5218.47直7.41998.9335.935.935.936.0210.7523.41998.9335.935.935.936.0215.15线8.12198.8239.539.439.539.5218.478.12198.8239.539.439.539.5214.2无25.72198.8239.539.439.539.5215.158.12198.8239.539.439.539.5209.67声25.72198.8239.539.439.539.5216.4625.72198.8239.539.439.539.5208.58屏25.72198.8239.539.439.539.5211.9425.72198.8239.539.439.539.5203.18障8.12198.8239.539.439.539.5218.4725.72198.8239.539.439.539.5205.35顶:4 #顶:5#顶:2 #顶:3 #顶:4 #表:4510表:4504表:4551表:4507表:45108.11425.325.725.625.625.7140.89直8.11425.325.725.625.625.7141.75无8.11425.325.725.625.625.7143.078.11425.325.725.625.625.7134.48声7.41295.723.423.323.323.4140.898.11425.325.725.625.625.7135.9屏8.11425.325.725.625.625.7138.798.11425.325.725.625.625.7133.05障顶:4 #顶:5#顶:2 #顶:3 #顶:4 #表:4510表:4504表:4551表:4507表:45108.01425.325.925.625.725.7140.89直8.01425.325.925.625.725.7141.75无8.01425.325.925.625.725.7143.078.01425.325.925.625.725.7134.48声7.31295.723.523.323.423.4140.898.01425.325.925.625.725.7135.9屏8.01425.325.925.625.725.7138.798.01425.325.925.625.725.7133.05障理论伸长值(mm)备注)控制张拉力(KN)油压表读数(Mpa)控制张拉力(KN)油压表读数(Mpa)理论伸长值(mm)备注)顶:4#顶:5#顶:2#顶:3#顶:4#表:4510表:4504表:4551表:4507表:451025.72198.8239.839.539.639.6218.47直7.31998.9336.235.936.136.0210.7523.41998.9336.235.936.136.0215.15线8.02198.8239.839.539.639.6218.478.02198.8239.839.539.639.6214.2无25.72198.8239.839.539.639.6215.158.02198.8239.839.539.639.6209.67声25.72198.8239.839.539.639.6216.4625.72198.8239.839.539.639.6208.58屏25.72198.8239.839.539.639.6211.9425.72198.8239.839.539.639.6203.18障8.02198.8239.839.539.639.6218.4725.72198.8239.839.539.639.6205.35顶:4 #顶:5 #顶:2 #顶:3 #顶:4 #表:4510表:4504表:4551表:4507表:45106.01172.421.021.021.121.1108.55直6.41172.421.021.021.121.1109.66声4.6911.916.316.316.516.4110.346.41172.421.021.021.121.1105.18屏4.6911.916.316.316.516.4108.146.41172.421.021.021.121.1106.67Mpa )控制张拉力(KN )油压表读数(Mpa )理论伸 长值(mm )备注控制张拉力(KN)油压表读数(Mpa)理论伸长值(mm)备注)。
%
备
%
备
备
% Array备
%
备
需超张拉
%
备
%
阻损失和夹片回缩需超张拉
%
备
阻损失和夹片回缩需超张拉
备
%
阻损失和%
备
备
%
%
备
备
%
%
%
%
备
%操作: 记录: 质检负责人: 技术负责人: 监理员:
需超张拉
%
阻损失和夹片回缩需超张拉
%
阻损失和
阻损失和夹片回缩需超张拉
操作: 记录: 质检负责人: 技术负责人: 监理员:
需超张拉
%
阻损失和夹片回缩需超张拉
%
阻损失和
阻损失和夹片回缩需超张拉
需超张拉
%
阻损失和
阻损失和夹片回缩需超张拉
11 11
操作: 记录: 质检负责人: 技术负责人: 9
9
操作: 记录: 质检负责人: 技术负责人:
4
4
监理员:
监理员:。
张拉通知单
施工班组:
接实验室通知,于 年 月 日生产的上跨湖织铁路桥 # 梁,其强度已满足张拉要求,请安排相关人员进行张拉,钢绞线直径15.24mm,其张拉顺序为:N1-N3-N2-N4,张拉力、油表读数见下
4跟按30m箱梁预应力张拉理论伸长值计算
(19)Pp平均
0.72f*140*4(0.72*1860*140*5)=937400
937400/1000=937.4 为100%
0.72f*140*5 5根
937400/10000=93.74 为10%(0.72*1860*140*4)=749952749952/1000=749.952 为100%749952/10000=74.9952 为100%
52
张拉通知单
施工班组:
接实验室通知,于 年 月 日生产的上跨湖织铁路桥 # 梁,其强度已满足张拉要求,请安排相关人员进行张拉,钢绞线直径15.24mm,其张拉顺序为:N1-N3-N2-N4,张拉力、油表读数见下
张拉通知单
施工班组:
接实验室通知,于 年 月 日生产的上跨湖织铁路桥 # 梁,其强度已满足张拉要求,请安排相关人员进行张拉,钢绞线直径15.24mm,其张拉顺序为:N1-N3-N2-N4,张拉力、油表读数见下。