标高抄测记录
- 格式:doc
- 大小:447.50 KB
- 文档页数:2
楼层标高抄测记录
楼层标高抄测记录
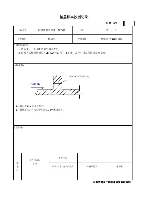
鲁JJ—021 工程名称商山湖四季华城万盛组团12#住宅楼日期2016年月日抄测部位筏板基础抄测容筏板基础顶标高
抄测依据及容:
1.基础模板图;
2.依据《工程测量规》GB50026-2007,高程中允许偏差为4mm。
抄测说明:
1.测定基础标高;
2.测量工具:水准仪、50m钢尺。
检查意见:
签
字
栏
建设(监理)
单位
施工单位华南建筑安装工程
项目(专业)技术负责人专业质检员施测人
省建设工程质量监督总站监制
省建设工程质量监督总站监制
省建设工程质量监督总站监制
楼层标高抄测记录
省建设工程质量监督总站监制
楼层标高抄测记录
省建设工程质量监督总站监制
楼层标高抄测记录
省建设工程质量监督总站监制
楼层标高抄测记录
省建设工程质量监督总站监制
楼层标高抄测记录
省建设工程质量监督总站监制
楼层标高抄测记录
省建设工程质量监督总站监制
楼层标高抄测记录
省建设工程质量监督总站监制
楼层标高抄测记录
省建设工程质量监督总站监制
楼层标高抄测记录
省建设工程质量监督总站监制
楼层标高抄测记录
省建设工程质量监督总站监制
楼层标高抄测记录
省建设工程质量监督总站监制
楼层标高抄测记录
省建设工程质量监督总站监制。
楼层标高抄测记录(填写范例-横版)
精品资料
仅供学习与交流,如有侵权请联系网站删除谢谢2 楼层标高抄测记录编号:BG-2012-
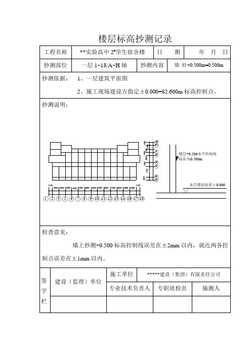
工程名称日期年月日
抄测部位抄测内容墙、柱+0.500m建
= m
抄测内容及依据:
1、层+0.500m建= m,水平控制线;
2、层建筑平面图JZ- 4、建筑工程施工测量规程;
抄测说明(或附图):
检查结果:1)经核对:楼层设计标高与抄测标高数值无误;2)经查验:墙柱上抄测层+0.500m建= m,水平控制线,标高误差在±2mm以内;符合设计施工图标高及建筑工程施工测量规程精度要求。
签字栏监理(建设)单位
施工单位:广西建工集团第四建筑工程有限责任公司
专业技术负责人专业质检员施测人。
抄测说明及简图(或附图):一层地面标高为±0.000m(绝对标高1688.72m),建筑0.5m控制线标高为0.5m,相当于绝对标高1689.22m,所有标高抄测在结构墙体上用墨线标识。
抄测说明及简图(或附图):一层地面标高为±0.000m(绝对标高1688.8m),建筑0.5m控制线标高为0.5m,相当于绝对标高1689.30m,所有标高抄测在结构墙体上用墨线标识。
抄测说明及简图(或附图):一层地面标高为±0.000m(绝对标高1691.10m),建筑0.5m控制线标高为0.5m,相当于绝对标高1691.60m,所有标高抄测在结构墙体上用墨线标识。
抄测说明及简图(或附图):一层地面标高为±0.000m(绝对标高1691.10m),建筑0.5m控制线标高为0.5m,相当于绝对标高1691.60m,所有标高抄测在结构墙体上用墨线标识。
抄测说明及简图(或附图):负一层地面标高为-6.000m(绝对标高1680.40m),建筑0.5m控制线标高为-5.50m,相当于绝对标高1680.90m,所有标高抄测在结构墙体上用墨线标识。
抄测说明及简图(或附图):一层地面标高为±0.000m(绝对标高1686.40m),建筑0.5m控制线标高为0.5m,相当于绝对标高1686.90m,所有标高抄测在结构墙体上用墨线标识。
抄测说明及简图(或附图):一层地面标高为±0.000m(绝对标高1682.00m),建筑0.5m控制线标高为0.5m,相当于绝对标高1682.50m,所有标高抄测在结构墙体上用墨线标识。
抄测说明及简图(或附图):一层地面标高为±0.000m(绝对标高1680.00m),建筑0.5m控制线标高为0.5m,相当于绝对标高1680.50m,所有标高抄测在结构墙体上用墨线标识。
抄测说明及简图(或附图):一层地面标高为±0.000m(绝对标高1682.00m),建筑0.5m控制线标高为0.5m,相当于绝对标高1682.50m,所有标高抄测在结构墙体上用墨线标识。