六线制多动道岔控制电路图(头单末双)
- 格式:vsd
- 大小:420.51 KB
- 文档页数:1
道岔启动电路及表示电路说明1、道岔表示电路的技术条件1.只能用继电器的吸起状态与道岔的正确位置相对应,分别设置道岔定位表示继电器DBJ和道岔反位继电器FBJ。
2.当室外联系线路发生混线或混入其他电源时,必须保证不致使DBJ或FBJ错误吸起。
3.当道岔在转换或发生挤岔事故、停电或断线等故障时,必须保证DBJ或FBJ失磁落下,因此必须使用安全型继电器。
2、四线制道岔控制电路(一)道岔启动电路现行的道岔控制电路采用四线制控制电路,通过三级电路完成对道岔转换的控制,如图四线制道岔控制电路图第一级控制电路是lDQJ3_4(道岔第一启动继电器)线圈励磁电路,检查联锁条件,确定能否接收控制命令。
人工操纵道岔[选路时DCJ(定位操纵继电器)↑或FCJ(反位操纵继电器)↑,单操时KF-ZDJ有电、AJ(按钮继电器)↑或KF-ZFJ有电、AJ↑]时,lDQJ3_4线圈检查了没有办理人工锁闭[CA(道岔按钮)在定位],没有进行区段锁闭和进路锁闭[SJ(锁闭继电器)↑],又经2DQJ(道岔第二启动继电器)检查道岔需要转换后,励磁吸起。
第二级控制电路是2DQJ的转极电路,确定道岔的转换方向(向定位转还是向反位转)。
1DQJ↑后使2DQJ转极。
第三级控制电路是1DQJ1一2线圈自闭电路。
接通并随时检查电动机动作电路是否正常。
1DQJ↑、2DQJ转极接通道岔动作电路:1DQJ检查电动机正常工作而自闭,道岔转换到底后由电动转辙机的自动开闭器的动作接点切断动作电路,使动作电路复原。
(二)道岔表示电路电路中使用了两个安全型偏极继电器,作为道岔表示继电器,使用了独立的表示变压器,并在电路的末端设置整流元件,检查电路完整后向发送端送回直流电源,为了防止半波整流造成表示继电器抖动,在表示继电器两端并联了4μF电容器起滤波作用。
3、六线制直流双电动转辙机控制电路当轨道线路采用12号60 kg/m AT道岔时,一台转辙机已经适应不了转换力和牵引力的要求。
六线制道岔图《精品下载》本帖隐藏的内容需要回复才可以浏览第一章 ZD6型电动转辙机ZD-6型电动转辙机在丹东车间管内分单机牵引道岔河双机牵引道岔两种方式,电路动作分为单动、双动、三动。
本次培训旨在让大家对电转辙机电路有比较简单的认识和初步分析能力,所以选择了单机、单动电路作为模版,希望能起到举一反三的作用。
我把ZD6型电动转辙机按其工作性质及故障判断方式分为三个部分,这和教科书里说得有些异样,但就我个人而言这样更有利于对这个电路进行分析和对故障的判断。
第一讲开关控制电路开关控制电路既室内控制部分,如图所示;该电路电源为KZ、KF和条件电源。
选排进路进路时,由DCJ 或FCJ 经选路电路提供KF电源,这里就不一一赘述。
单操道岔时受控制台ZDA(J)、ZFA(J)控制,提供KF-ZDJ、KF-ZFJ 电源。
整个电路器材为两台继电器:1DQJ、2DQJ。
受控条件:1、该道岔区段SJ(强制条件);##道岔按钮在定位(未拔出)。
2、选路时:DCJ 或FCJ ;3、单操时:AJ 、ZDJ /ZFJ 。
1、1 开关控制电路的器材运用1DQJ:JWJXC-125/0.44 双线圈单独使用;线圈:3--4 、 125Ω,ф0.2mm;电压控制24V。
缓放时间0.35s—0.4s.线圈:1---2、在该电路不起作用。
2DQJ:JYJXC-135/220 双线圈单独使用;残圈:1.2 、 135Ω,ф0.23mm;残圈:3.4 、 220Ω,ф0.21mm。
2、3为KZ电源、1、4为KF电源。
极性保持型,即通电时动作后,停电时保持状态,另一线圈不通电将一直保持在该位置,不得同时供电。
当3、4线圈供电道岔在定位时,继电器在吸合状态(检修所称为反位)。
当1、2线圈供电道岔在反位时,继电器在落下状态(检修所称为定位)。
1DQJ在整个电路中起开关作用;1、为2DQJ提供动作电源KZ。
2、控制电机启动电源DZ/DF220V。
记住,只管启动,不管断电。
六线制道岔图《精品下载》本帖隐藏的内容需要回复才可以浏览第一章 ZD6型电动转辙机ZD-6型电动转辙机在丹东车间管内分单机牵引道岔河双机牵引道岔两种方式,电路动作分为单动、双动、三动。
本次培训旨在让大家对电转辙机电路有比较简单的认识和初步分析能力,所以选择了单机、单动电路作为模版,希望能起到举一反三的作用。
我把ZD6型电动转辙机按其工作性质及故障判断方式分为三个部分,这和教科书里说得有些异样,但就我个人而言这样更有利于对这个电路进行分析和对故障的判断。
第一讲开关控制电路开关控制电路既室内控制部分,如图所示;该电路电源为KZ、KF和条件电源。
选排进路进路时,由DCJ 或FCJ 经选路电路提供KF电源,这里就不一一赘述。
单操道岔时受控制台ZDA(J)、ZFA(J)控制,提供KF-ZDJ、KF-ZFJ 电源。
整个电路器材为两台继电器:1DQJ、2DQJ。
受控条件:1、该道岔区段SJ(强制条件);##道岔按钮在定位(未拔出)。
2、选路时:DCJ 或FCJ ;3、单操时:AJ 、ZDJ /ZFJ 。
1、1 开关控制电路的器材运用1DQJ:JWJXC-125/0.44 双线圈单独使用;线圈:3--4 、 125Ω,ф0.2mm;电压控制24V。
缓放时间0.35s—0.4s.线圈:1---2、在该电路不起作用。
2DQJ:JYJXC-135/220 双线圈单独使用;残圈:1.2 、 135Ω,ф0.23mm;残圈:3.4 、 220Ω,ф0.21mm。
2、3为KZ电源、1、4为KF电源。
极性保持型,即通电时动作后,停电时保持状态,另一线圈不通电将一直保持在该位置,不得同时供电。
当3、4线圈供电道岔在定位时,继电器在吸合状态(检修所称为反位)。
当1、2线圈供电道岔在反位时,继电器在落下状态(检修所称为定位)。
1DQJ在整个电路中起开关作用;1、为2DQJ提供动作电源KZ。
2、控制电机启动电源DZ/DF220V。
记住,只管启动,不管断电。
道岔启动电路及表示电路说明Pleasure Group Office【T985AB-B866SYT-B182C-BS682T-STT18】道岔启动电路及表示电路说明1、道岔表示电路的技术条件1.只能用继电器的吸起状态与道岔的正确位置相对应,分别设置道岔定位表示继电器DBJ和道岔反位继电器FBJ。
2.当室外联系线路发生混线或混入其他电源时,必须保证不致使DBJ或FBJ错误吸起。
3.当道岔在转换或发生挤岔事故、停电或断线等故障时,必须保证DBJ或FBJ失磁落下,因此必须使用安全型继电器。
2、四线制道岔控制电路(一)道岔启动电路现行的道岔控制电路采用四线制控制电路,通过三级电路完成对道岔转换的控制,如图四线制道岔控制电路图第一级控制电路是lDQJ3_4(道岔第一启动继电器)线圈励磁电路,检查联锁条件,确定能否接收控制命令。
人工操纵道岔[选路时DCJ(定位操纵继电器)↑或FCJ(反位操纵继电器)↑,单操时KF-ZDJ有电、AJ(按钮继电器)↑或KF-ZFJ有电、AJ↑]时,lDQJ3_4线圈检查了没有办理人工锁闭[CA(道岔按钮)在定位],没有进行区段锁闭和进路锁闭[SJ(锁闭继电器)↑],又经2DQJ(道岔第二启动继电器)检查道岔需要转换后,励磁吸起。
第二级控制电路是2DQJ的转极电路,确定道岔的转换方向(向定位转还是向反位转)。
1DQJ↑后使2DQJ转极。
第三级控制电路是1DQJ1一2线圈自闭电路。
接通并随时检查电动机动作电路是否正常。
1DQJ↑、2DQJ转极接通道岔动作电路:1DQJ检查电动机正常工作而自闭,道岔转换到底后由电动转辙机的自动开闭器的动作接点切断动作电路,使动作电路复原。
(二)道岔表示电路电路中使用了两个安全型偏极继电器,作为道岔表示继电器,使用了独立的表示变压器,并在电路的末端设置整流元件,检查电路完整后向发送端送回直流电源,为了防止半波整流造成表示继电器抖动,在表示继电器两端并联了4μF电容器起滤波作用。
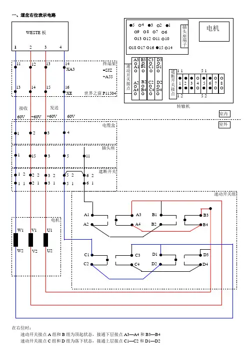
在右位时:速动开关接点A组和B组为顶起状态,接通下层接点A3—A4和B3—B4 速动开关接点C组和D组为落下状态,接通上层接点C1—C2和D1—D2道岔电路原理图(西门子资料提供)道岔右位表示电路简图二、道岔—从右位转到左位启动初始:WESTE板接收到道岔转换命令后,将从表示电路切换到动作电路。
从WESTE板1、2、3、4端子输出交流380V电源,其中4为N端,1、2、3分别对应L1,L2,L3三相,此时2、3之间为380V,1、4之间为220V,室外电路没有变化,电机开始转动。
转换道岔:(上图)电机转动带动传动装置,使速动开关C 组和D 组接点顶起,速动开关状态为: 速动开关接点A 组和B 组为顶起状态,接通下层接点A3—A4和B3—B4 速动开关接点C 组和D 组为顶起状态,接通下层接点C3—C4和D3—D4此时电机为Y 型连接,1、2、3之间分别为交流380V ,电机转动,道岔动作。
转换结束:道岔动作完毕后,速动开关A 组和B 组接点落下,速动开关状态为: 速动开关接点A 组和B 组为落下状态,接点接通上面接点A1—A2和B1—B2 速动开关接点C 组和D 组为顶起状态,接点接通下面接点C3—C4和D3—D4同时,室内WESTE 板中的切换电路动作,切断交流380V 动作电源,接通直流60V 表示电源, 给出道岔左位表示,道岔转换完毕。
道岔转换图(西门子资料提供)-----从右位到左位三、道岔左位表示电路Reference Current SourcePoint position Ind. 1 A/D converterPoint position Ind. 2 A/D converterReference Current SourcePoint position Ind. 1 A/D converterPoint position Ind. 2 A/D converterReference Current Source Point position Ind. 1 A/D converterPoint position Ind. 2 A/D converter Reference Current SourcePoint position Ind. 1 A/D converterPoint position Ind. 2 A/D converter在左位时:速动开关接点A组和B组为落下状态,接通上层接点A1—A2和B1—B2 速动开关接点C组和D组为顶起状态,接通下层接点C3—C4和D3—D4道岔左位表示电路简图四、转换道岔--------从左位转到右位启动初始:室外部分跟左位表示电路完全相同转换道岔:跟右位转到左位完全相同转换结束:道岔转换完毕后,速动开关动作接通右位表示。