基础施工图识读 很详细
- 格式:ppt
- 大小:4.83 MB
- 文档页数:2
最全建筑施工图识读基础知识建筑施工图识读建筑施工图识读:首页、总平面图、平面图、立面图、剖面图、详图房屋建筑施工图是由多种专业设计人员分别将建筑物的内外形状和大小布置以及各部分的结构、构造、装修、设备等内容,遵照“国标”的有关规定;用正投影的图示方法;详细准确绘制出来的图样,并按照一定编排规律组成的一套图纸。
一套建筑施工图由于专业设计分工的不同,主要分为建筑施工图(建施)、结构施工图(结施)和设备施工图(设施)三大部分。
工程图纸应按专业顺序编排,一般应为图纸目录、总图、建筑图、结构图、给水排水图、暖通空调图、电气图等。
各专业图纸应按图纸内容的主次关系、逻辑关系有序排列。
识读方法:1)看图纸目录和设计技术说明通过图纸目录看各专业施工图纸有多少张,图纸是否齐全;看设计技术说明,对工程在设计和施工要求方面有一概括了解。
2)依照图纸顺序通读一遍对整套图纸按先后顺序通读一遍,对整个工程在头脑中形成概念。
如工程的建设地点和关键部位情况,做到心中有数。
3)按专业阅读,按照专业顺序深入细致地阅读。
先看基础图,再看详图。
看图纸时,需要将相关图纸联系起来,进行比较,从而了解它们之间的关系,建立完整准确的工程概念。
然后将专业图纸(如建筑施工图、结构施工图)进行链接对比,看图形、尺寸是否衔接,结构要求是否一致。
发现问题时,做好读图记录,以便与设计单位共同提出修改意见。
1.1 建筑施工图识读建筑施工图(简称施工)主要表示建筑的总平面布置、外部造型、内部布局、细部构造、装修及施工要求。
基础图纸包括总平面图、建筑平面图、立面图和剖面图等。
详图包括墙体、楼梯、门窗、卫生间、檐口以及各种装饰、构造的细部做法。
1.1.1 建筑总平面图的识读总平面图是新房总体布局和周围相关原有建筑及相关自然条件的水平投影,能反映房屋的形状、位置、朝向、占地面积、绿化、立面以及与周围建筑、地形、道路的关系。
因此,总平面图是新建建筑施工定位、土方工程和施工现场布置的主要依据,也是规划设计水、暖、电等其他专业工程总平面图和各种管线敷设的依据。
建筑工程施工图快速识读技巧建筑工程施工图是指将设计图通过说明符号、规格尺寸、注记等方式,将设计方案转换为实施方案的图纸。
施工图分为建筑结构、给排水、电气、供暖、通风、空调等多个专业,而每个专业图纸都有其特定的符号、尺寸、注记等。
为了快速识读施工图,需要掌握以下技巧。
技巧一:理解基本图形建筑施工图常使用的基本图形包括直线、曲线、圆、矩形、三角形等。
了解这些基本图形的特点和应用场景,可以快速理解施工图中的结构和布局。
技巧二:熟悉符号注记施工图中的符号和注记是指示实施方案的关键。
例如给排水管路的符号、电气线路的符号等,都需要能够快速识别。
熟悉这些符号注记,可以在浏览施工图时准确定位到关键细节。
技巧三:掌握尺寸定位施工图中的尺寸是指示元素尺寸或位置的数字。
掌握尺寸的定位和测量技巧,可以帮助我们快速确定施工设计的数据,例如墙体厚度、管道走向等。
技巧四:了解专业差异不同专业的施工图有其独特的符号和注记。
例如,给排水图中的H、C、W等符号分别代表着热水、冷水、污水管道,而电气图中的L、N、E分别代表着线路的相、零、地。
了解这些专业差异,可以更准确地理解施工图中的内容。
技巧五:注意比例尺施工图中的比例尺是图形之间尺寸比例的体现。
通常,施工图中的比例尺为1:50、1:100等。
在读取施工图时,需要注意比例尺的大小,以便正确地理解图形尺寸和位置。
技巧六:结合平面图平面图是建筑施工图中的一种,它以建筑物上部的平面形象为基础,呈现出建筑物的布局和结构。
阅读施工图时,可以结合平面图来更好地掌握建筑物的整体形态。
以上就是建筑工程施工图快速识读技巧。
熟练掌握这些技巧,可以帮助工程师更快速、准确地阅读和理解施工图,从而提高施工效率和质量。
老师傅教你看懂施工图纸,受用一生,从此不再有求于人施工图纸是工程的核心,在我们查看施工图纸的时候,是不是全完不知道从哪里看最合适?这些都是有技巧的,老师教你如何看懂施工图纸,让你受用一生。
一、牢记识图口诀1、从上往下看、从左往右看,由外向内看、由大向小看、由粗向细看。
2、图样说明对照看、建施结施结合看、设备图纸参照看。
3、先看全局性基本图、后看局部性详图。
二、学会使用看图工具查看施工图纸必然用到看图工具,使用一款得心应手的看图工具,可以在看图时省下很多事。
小编搜遍全网,发现完全不收费的,好用的看图工具,非迅捷CAD看图软件莫属了。
实用功能:1、首先它是免费的,浏览器上搜索后进入到网站中,找到后就能直接下载了;2、进入软件中,查看图纸时放大缩小、测量等工具都有,还有能切换三维视角;3、新增了小树苗功能,管理你的文件,分别为“正在做的项目”、“文档资料”、“其他”。
三、理清看图顺序当我们拿到一份图纸的时候,应该先看什么图,后看什么图,都是有顺序的:1、先要仔细的看设计说明2、然后看平面图3、随后看立面图4、接着看剖面图5、最后看结构图6、需要详细阅读的图纸是大样图或节点图四、查看图纸详情1、仔细阅读设计说明了解建筑物的概况、位置、标高、材料要求、质量标准、施工注意事项以及一些特殊的技术要求,在思想上形成一个初步印象。
2、看平面图了解房屋的平面形状、开间、进深、柱网尺寸,各种房间的安排和交通布置,以及门窗位置,对建筑物形成一个平面概念,为看立面图、剖面图打好基础。
3、看立面图以了解建筑物的朝向、层数和层高的变化,以及门窗、外装饰的要求等。
4、看剖面图以大体了解剖面部分的各部位标高变化和室内情况。
5、看结构图以了解平面图、立面图、剖面图等建筑图与结构图之间的关系,加深对整个工程的理解。
6、详细阅读对照还必须根据平面图、立面图、剖面图等中的索引符号,详细阅读所指的大样图或节点图,做到粗细结合,大小交圈。
五、总结大家只有循序渐进,才能理解设计意图,看懂设计图纸,得出事半功倍的效果,一般应做到:先看说明后看图,顺序最好为平、立、剖,查对节点和大样,建筑结构对照读。
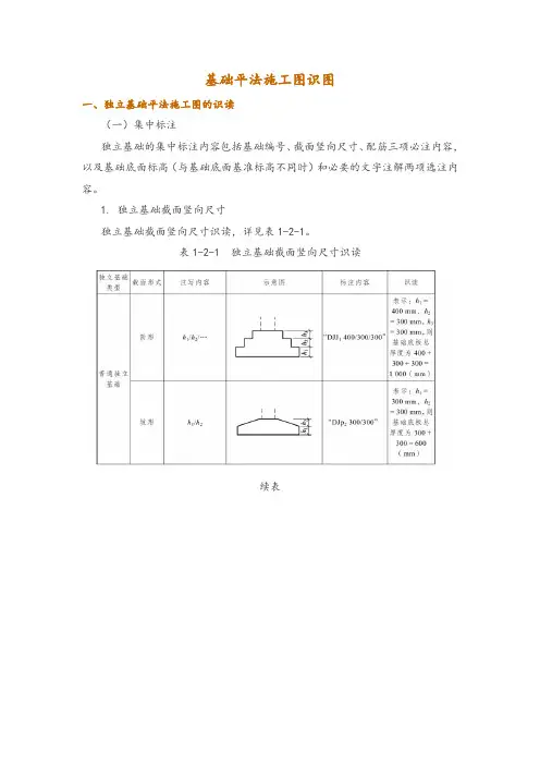
基础平法施工图识图一、独立基础平法施工图的识读(一)集中标注独立基础的集中标注内容包括基础编号、截面竖向尺寸、配筋三项必注内容,以及基础底面标高(与基础底面基准标高不同时)和必要的文字注解两项选注内容。
1. 独立基础截面竖向尺寸独立基础截面竖向尺寸识读,详见表1-2-1。
表1-2-1 独立基础截面竖向尺寸识读续表2. 独立基础配筋图独立基础配筋图识读,详见表1-2-2。
表1-2-2 独立基础配筋图识读续表(二)原位标注独立基础原位标注的具体内容及识读,详见表1-2-3。
表1-2-3 独立基础原位标注续表(三)多柱独立基础(双柱或四柱)独立基础通常为单柱独立基础,也可为多柱独立基础(双柱或四柱等)。
多柱独立基础的编号、几何尺寸和配筋的标注方法与单柱独立基础相同。
多柱独立基础顶部配筋和基础梁的注写识读,详见表1-2-4。
表1-2-4 多柱独立基础顶部配筋和基础梁的注写识读图1-2-1 为独立基础平面施工图。
图1-2-1 独立基础平法施工图(单位:mm)二、条形基础平法施工图的识读条形基础可以分为梁板式条形基础和板式条形基础。
前者平法施工图表达基础梁和条形基础底板,后者仅表达条形基础底板。
基础梁的平面注写方式如下。
(一)集中标注基础梁的集中标注内容包括基础梁编号、截面尺寸、配筋这三项必注内容,以及基础梁底面标高(与基础底面基准标高不同时)和必要的文字注解这两项选注内容。
条形基础梁集中标注识读,详见表1-2-5。
表1-2-5 条形基础梁集中标注识读(二)条形基础底板的平面注写方式条形基础底板的集中标注内容包括底板编号、截面竖向尺寸、配筋这三项必注内容,以及条形基础底板底面标高(与基础底面基准标高不同时)、必要的文字注解两项选注内容。
条形基础底板底部及顶部配筋图的识读,详见表1-2-6。
表1-2-6 条形基础底板底部及顶部配筋图的识读三、桩基础平法施工图的识读(一)列表注写方式列表注写方式,系在灌注桩平面布置图上,分别标注定位尺寸;在桩表中注写桩编号、桩尺寸、纵筋、螺旋箍筋、桩顶标高、单桩竖向承载力特征值,如图1-2-2 所示。