员工岗位素质矩阵表样板
- 格式:xls
- 大小:225.00 KB
- 文档页数:1
部门工序日期
岗位编制
能力姓名
1初某某162张某某163姗某某154张某某115韩某某116张某某117张某某118王某某
1
5
91011121314151613
目标
现任岗位胜
任
岗
位数人事经理
人才经理
薪酬主管
行政主管
行政司机
人事专员
人事主管
现状目标现状目标现状目标现状目标现状目标1
1
序号现状
目标现状11
1
2
1
岗位能力矩阵表
岗位1
岗位2
岗位3
岗位4
岗位5
岗位6
岗位7
说明:
未经培训或无要求
识知阶段
基本掌握本能力
熟练掌握本能力
能够向其他人传授知识
2.多功能人员:胜任岗位数≥2 多功能人员比例≥60%(低于60%需要针对薄弱项进行培训,培养多功能人。
要求制表审核李韧2015年9月年月姓名岗位实施项目/部长素质标准√现状评定√√培训计划√√√√/人事专员素质标准√ 现状评定√培训计划√√√√ 项目综合部人员素质矩阵图劳动合同法安全环境法心理学文字处理TS/16949掌握信息处理与档案管理团队合作企业产品知识企业文化6S 知识人事制度管理分析判断沟通协调组织能力行政管理消防安全法办公软件管理软件招聘面试职位分析大专本科研究生英语其
他
语
言每年评审
一次李韧罗依桐部长人事专员中专/高
中素质教育专业技能
基本知识其他技能学历外语电脑
绩效管理薪酬福利管
理培训开发。
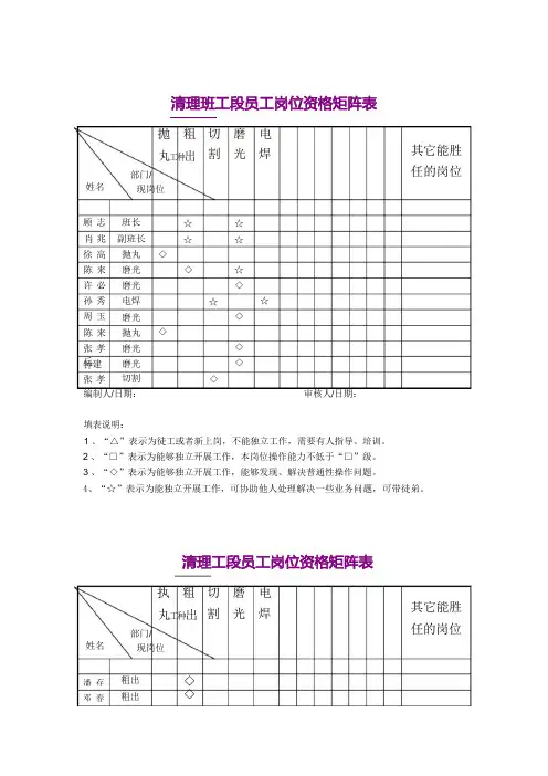
编制人/日期:审核人/日期:填表说明:1 、“△”表示为徒工或者新上岗,不能独立工作,需要有人指导、培训。
2 、“□”表示为能够独立开展工作,本岗位操作能力不低于“□”级。
3 、“◇”表示为能够独立开展工作,能够发现、解决普通性操作问题。
4、“☆”表示为能独立开展工作,可协助他人处理解决一些业务问题,可带徒弟。
执粗丸工种出部门/现岗位◇◇其它能胜任的岗位现岗位顾志肖兆徐高陈来许必孙秀周玉陈来张孝建张孝☆☆☆◇☆◇◇◇◇班长副班长抛丸磨光磨光电焊磨光抛丸磨光磨光切割抛粗丸工种出☆☆◇切割电焊磨光部门/姓名☆◇◇其它能胜任的岗位潘存邓春粗出粗出切割电焊磨光姓名编制人/日期:审核人/日期:填表说明:1 、“△”表示为徒工或者新上岗,不能独立工作,需要有人指导、培训。
2 、“□”表示为能够独立开展工作,本岗位操作能力不低于“□”级。
3 、“◇”表示为能够独立开展工作,能够发现、解决普通性操作问题。
4、“☆”表示为能独立开展工作,可协助他人处理解决一些业务问题,可带徒弟。
编制人/日期: 审核人/日期:执 粗 丸工种出 部门/现岗位磨光 磨光 切割 磨光 磨光 磨光 磨光 磨光 磨光 磨光姓名杨 泽 肖 兆 冯 德 黄波 刘华 闵 远 叶 世 俞 为 钟 进 叶 世◇ ◇◇ ◇ ◇ □ □ □ □其它能胜 任的岗位切 割电焊磨 光◇汪 晓 磨光◇张 孝 邓 春 粗出 粗出 ◇△邓超 磨光 ◇ 高 玉 磨光 ◇ 赖 发磨光 ◇ 朱 长磨光◇填表说明:1 、“△”表示为徒工或者新上岗,不能独立工作,需要有人指导、培训。
2 、“□”表示为能够独立开展工作,本岗位操作能力不低于“□”级。
3 、“◇”表示为能够独立开展工作,能够发现、解决普通性操作问题。
4、“☆”表示为能独立开展工作,可协助他人处理解决一些业务问题,可带徒弟。
编制人/日期: 审核人/日期:填表说明:1 、“△”表示为徒工或者新上岗,不能独立工作,需要有人指导、培训。
员工培训矩阵图(总6页)-CAL-FENGHAI.-(YICAI)-Company Onel-CAL-本页仅作为文档封面,使用请直接删除加工一车间班工段员工岗位资格矩阵表//填表说明:1、“△”表示为徒工或新上岗,不能独立工作,需要有人指导、培训。
2、“口”表示为能够独立开展工作,本岗位操作能力不低于“口”级。
3、“◊”表示为能够独立开展工作,能够发现、解决一般性操作问题。
4、“☆”表示为能独立开展工作,可协助他人处理解决一些业务问题,可带徒弟。
编制人/日期:审核人/日期:本表有效期一年填表说明:加工二车间班工段员工岗位资格矩阵表1、“△”表示为徒工或新上岗,不能独立工作,需要有人指导、培训。
2、“口”表示为能够独立开展工作,本岗位操作能力不低于“口”级。
3、“◊”表示为能够独立开展工作,能够发现、解决一般性操作问题。
4、“☆”表示为能独立开展工作,可协助他人处理解决一些业务问题,可带徒弟。
编制人/日期:审核人/日期:本表有效期一年填表说明:加工三车间班工段员工培训资格矩阵表1、“△”表示为徒工或新上岗,不能独立工作,需要有人指导、培训。
2、“口”表示为能够独立开展工作,本岗位操作能力不低于“口”级。
3、“◊”表示为能够独立开展工作,能够发现、解决一般性操作问题。
4、“☆”表示为能独立开展工作,可协助他人处理解决一些业务问题,可带徒弟。
编制人/日期:审核人/日期:本表有效期一年填表说明:加工五车间班工段员工岗位资格矩阵表1、“△”表示为徒工或新上岗,不能独立工作,需要有人指导、培训。
2、“口”表示为能够独立开展工作,本岗位操作能力不低于“口”级。
3、“◊”表示为能够独立开展工作,能够发现、解决一般性操作问题。
4、“☆”表示为能独立开展工作,可协助他人处理解决一些业务问题,可带徒弟。
管理岗位技能矩阵图注:★主要职责☆具备能力管理岗位技能矩阵图注:★主要职责☆具备能力。