关键岗位人员能力矩阵图与顶岗计划
- 格式:xls
- 大小:351.00 KB
- 文档页数:1
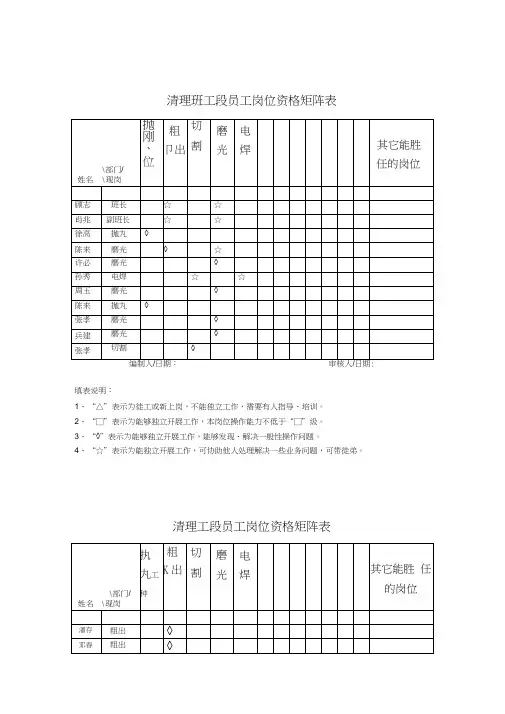
清理班工段员工岗位资格矩阵表填表说明:1、“△”表示为徒工或新上岗,不能独立工作,需要有人指导、培训。
2、“□”表示为能够独立开展工作,本岗位操作能力不低于“□”级。
3、“◊”表示为能够独立开展工作,能够发现、解决一般性操作问题。
4、“☆”表示为能独立开展工作,可协助他人处理解决一些业务问题,可带徒弟。
清理工段员工岗位资格矩阵表填表说明:1、“△”表示为徒工或新上岗,不能独立工作,需要有人指导、培训。
2、“□”表示为能够独立开展工作,本岗位操作能力不低于“□”级。
3、“◊”表示为能够独立开展工作,能够发现、解决一般性操作问题。
4、“☆”表示为能独立开展工作,可协助他人处理解决一些业务问题,可带徒弟。
清理工段员工岗位资格矩阵表填表说明:1、“△”表示为徒工或新上岗,不能独立工作,需要有人指导、培训。
2、“□”表示为能够独立开展工作,本岗位操作能力不低于“□”级。
3、“◊”表示为能够独立开展工作,能够发现、解决一般性操作问题。
4、“☆”表示为能独立开展工作,可协助他人处理解决一些业务问题,可带徒弟。
生产准备工段员工岗位资格矩阵表填表说明:1、“△”表示为徒工或新上岗,不能独立工作,需要有人指导、培训。
2、“□”表示为能够独立开展工作,本岗位操作能力不低于“□”级。
3、“◊”表示为能够独立开展工作,能够发现、解决一般性操作问题。
4、“☆”表示为能独立开展工作,可协助他人处理解决一些业务问题,可带徒弟。
生产准备工段员工岗位资格矩阵表填表说明:1、“△”表示为徒工或新上岗,不能独立工作,需要有人指导、培训。
2、“□”表示为能够独立开展工作,本岗位操作能力不低于“□”级。
3、“◊”表示为能够独立开展工作,能够发现、解决一般性操作问题。
4、“☆”表示为能独立开展工作,可协助他人处理解决一些业务问题,可带徒弟。
熔炼工段员工岗位资格矩阵表编制人/班长: 审核人/日期:填表说明:1、“△”表示为徒工或新上岗,不能独立工作,需要有人指导、培训。
人员顶岗计划人员顶岗计划是一种组织管理中常用的人力资源管理工具,旨在合理安排和调配公司员工的工作岗位,以最大程度地发挥员工的潜力和能力,提高工作效率和绩效。
一、背景介绍人员顶岗计划是根据公司的战略目标和业务需求,结合员工的能力和特长,制定的一种人力资源管理方案。
通过合理的人员顶岗安排,可以使员工在工作中发挥出最佳水平,提高工作效率和绩效。
二、目标和目的人员顶岗计划的目标是合理安排和调配员工的工作岗位,以最大程度地发挥员工的潜力和能力,提高工作效率和绩效。
其主要目的包括:1. 优化人力资源配置,实现人员的最佳利用;2. 提高员工的工作满意度和工作动力;3. 促进员工的个人发展和职业成长;4. 实现公司战略目标和业务需求。
三、制定步骤人员顶岗计划的制定通常包括以下步骤:1. 采集信息:了解公司的战略目标和业务需求,以及员工的能力和特长。
2. 分析需求:根据公司的战略目标和业务需求,分析所需岗位的人员需求和能力要求。
3. 评估员工能力:评估员工的能力和特长,确定其适合的岗位和职责。
4. 制定计划:根据分析和评估的结果,制定人员顶岗计划,包括岗位调整、人员培训等内容。
5. 实施计划:根据制定的计划,进行人员的调配和培训等工作。
6. 监督和评估:对人员顶岗计划的实施效果进行监督和评估,及时调整和改进。
四、注意事项在制定和实施人员顶岗计划时,需要注意以下事项:1. 公平公正:在人员调配过程中,要坚持公平公正原则,不偏袒个别员工,确保公平竞争机会。
2. 沟通与协调:在制定和实施人员顶岗计划时,要与员工进行充分沟通和协调,尊重员工的意愿和选择。
3. 培训与发展:在人员顶岗计划中,要注重员工的培训和发展,提供必要的培训和学习机会,提高员工的能力和素质。
4. 监督与评估:在实施人员顶岗计划后,要及时进行监督和评估,了解计划的实施效果,及时调整和改进。
五、案例分析以某公司为例,该公司制定了人员顶岗计划,旨在优化人力资源配置,提高工作效率和绩效。
(岗位职责)岗位人员矩阵图编制人/日期:审核人/日期:本表有效期壹年填表说明:1、“△”表示为徒工或新上岗,不能独立工作,需要有人指导、培训。
2、“□”表示为能够独立开展工作,本岗位操作能力不低于“□”级。
3、“◇”表示为能够独立开展工作,能够发现、解决壹般性操作问题。
4、“☆”表示为能独立开展工作,可协助他人处理解决壹些业务问题,可带徒弟。
编制人/日期:审核人/日期:本表有效期壹年填表说明:1、“△”表示为徒工或新上岗,不能独立工作,需要有人指导、培训。
2、“□”表示为能够独立开展工作,本岗位操作能力不低于“□”级。
3、“◇”表示为能够独立开展工作,能够发现、解决壹般性操作问题。
4、“☆”表示为能独立开展工作,可协助他人处理解决壹些业务问题,可带徒弟。
清理工段员工岗位资格矩阵表填表说明:1、“△”表示为徒工或新上岗,不能独立工作,需要有人指导、培训。
2、“□”表示为能够独立开展工作,本岗位操作能力不低于“□”级。
3、“◇”表示为能够独立开展工作,能够发现、解决壹般性操作问题。
4、“☆”表示为能独立开展工作,可协助他人处理解决壹些业务问题,可带徒弟。
生产准备工段员工岗位资格矩阵表填表说明:1、“△”表示为徒工或新上岗,不能独立工作,需要有人指导、培训。
2、“□”表示为能够独立开展工作,本岗位操作能力不低于“□”级。
3、“◇”表示为能够独立开展工作,能够发现、解决壹般性操作问题。
4、“☆”表示为能独立开展工作,可协助他人处理解决壹些业务问题,可带徒弟。
编制人/日期:审核人/日期:本表有效期壹年填表说明:1、“△”表示为徒工或新上岗,不能独立工作,需要有人指导、培训。
2、“□”表示为能够独立开展工作,本岗位操作能力不低于“□”级。
3、“◇”表示为能够独立开展工作,能够发现、解决壹般性操作问题。
4、“☆”表示为能独立开展工作,可协助他人处理解决壹些业务问题,可带徒弟。
熔炼工段员工岗位资格矩阵表填表说明:1、“△”表示为徒工或新上岗,不能独立工作,需要有人指导、培训。
富 力 达 员 工焊接技工☆◇◇☆◇☆◇☆★◇★★焊接普工◇◇◇◇◇☆☆☆★◇打磨技工☆◇◇◇◇◇◇拉丝普工☆◇◇◇◇◇◇包装普工◇◇◇◇◇◇◇物料员◇◇◇◇◇◇◇◇★★表处车间主管★☆☆☆★☆★☆☆★☆☆◇◇☆☆☆表处技师丝印技工喷油技工喷粉技工打磨普工保护普工☆☆◇◇◇☆◇☆机柜技师☆压铆技工☆压铆普工★散件技工组装普工机柜技工◇◇☆◇☆◇☆★★☆☆机加车间主管模具技师★☆☆☆★☆★☆☆★★☆◇◇☆☆◇模具技工★★★C NC三轴编程员C NC五轴编程员C NC三轴操作员C NC四轴操作员C NC五轴操作员★★★电子车间主管电子技术员装配技师电子普工机修组长钣金表处车间电子车间机加车间电子检验员电工工程经理项目工程师工艺工程师◇◇◇★◇★★★★电子工程师◇◇◇☆◇★★★☆机加工程师结构工程师模具设计工程师夹具治具工程师焊接技术工程师包装规范工程师样品工程师技术员◇◇◇☆◇★☆★☆I T经理◇◇◇★◇★★★★硬件工程师◇◇◇☆◇★★★☆软件工程师◇◇◇☆◇★☆★☆IE经理设备工程师自动化工程师★★★★I E工程师品质经理★☆☆☆☆I QC工程师S QE工程师I QC检验员Q E工程师样品检验员测量员品质标准工程师QC工程师IPQC OQC工程部企划处品质部批准员 工 技 能 矩 阵 图☆◇★◇◇★★☆◇◇★◇◇★★★◇◇★☆◇◇☆◇☆☆◇★◇◇☆◇★★★★☆◇★☆☆☆☆☆☆☆☆☆◇☆★★◇★★★★★☆☆☆☆☆☆☆☆批准:审核:编制:。
变速器分公司员工岗位技能矩阵图
标识注明:在此图
各岗位需要具备的知识和技能是为了满足履行岗位基本职能的需求,所需熟练、掌握和了解的知识和技能。
各岗位需要熟练、掌握和了解的知识和技能根据岗位的不同侧重点不同,如:综合计划管理员需要了解的成本管理知识,重点了解生产成本的构成和测算方法即可;生产管理知识,要根据各分公司的实际情况,要熟练掌握各分公司的生产组织模式、各种自制件产品投入产出周期、瓶颈工序和设备、各品种自制件的工艺流程和各工序生产能力等与生产有关的实际情况。
能根据市场变化及时有序的协调各分公司的产品转换和生产节拍,保障市场需求;法律知识,重点。
岗位素质要求与顶岗计划1.专业技能:针对其中一特定职业岗位,应具备相应的专业知识和技能,能够胜任该岗位的工作内容。
比如,一个金融分析师需要具备深厚的财务分析和风险控制能力,而一个软件工程师需要具备扎实的编程和软件开发能力。
2.技术应用能力:随着科技的发展,岗位职责和要求也在不断变化。
除了具备专业技能,还需要熟练掌握相关的技术工具和软件,能够灵活运用技术手段解决实际问题。
3.沟通能力:在现代社会中,工作往往需要与他人进行沟通和合作。
具备良好的沟通能力,包括口头和书面的表达能力,能够与团队成员、上级、客户等建立良好的工作关系。
4.团队合作能力:许多岗位都需要与他人进行合作完成任务。
具备团队合作能力,包括倾听他人意见、有效分工协作、解决冲突等,能够融入团队并与他人互助共享。
5.自学能力和学习能力:在这个信息大爆炸的时代,变化的速度越来越快。
具备自学能力和学习能力,能够主动获取新知识和新技能,不断提高自己的综合素质。
6.创新意识和解决问题能力:面对各种复杂的问题和挑战,具备创新意识和解决问题能力,能够灵活思考,提出新的解决方案,并能够快速实施。
顶岗计划顶岗计划是指在学生大学专业学习期间,由企事业单位面向大学生提供的与所学专业相关的实习机会。
通过顶岗计划,学生可以在实践中提高专业技能和综合素质,为将来的就业做好准备。
下面是一个典型的顶岗计划的实施过程:1.招募宣传:企事业单位通过校园招聘会、专场招聘会、宣讲会等方式向学生宣传顶岗计划,并发布相关岗位的招聘信息。
2.报名申请:对感兴趣的岗位,学生可以准备个人简历和证明材料,通过官方网站或企事业单位的招聘渠道进行申请。
3.笔试面试:企事业单位会对报名学生进行笔试和面试,以了解学生的基本素质和适应能力。
4.岗前培训:被录取的学生会接受一定的岗前培训,了解公司业务和相关工作流程。
5.实习工作:学生按照实习计划和要求,在企事业单位进行实习工作,熟悉相关岗位的职责和业务流程,并与团队成员进行协作。