3.端面锪钻 端面锪钻用来锪凸台的平面,其构造如图7-8所示。
图7-8 端面锪钻 1—刀杆 2—刀片 3—紧定螺钉
二、锪孔工作要点
锪孔时,由于刀具的振动,锪出的端面或锥面经常出现振痕。
第三节 铰 孔
一、铰刀的种类和特点
铰刀的种类很多,按其使用方法可分为机用铰刀和手用铰刀; 按其材料可分为高速工具钢铰刀和硬质合金铰刀;按其形状
1.铰削用量
铰削用量包括铰削余量、切削速度和进给量。
表7-1 铰削余量的范围(单位:mm)
2.铰孔时的冷却与润滑 铰孔时,因为铰刀与孔壁摩擦很严重,所以需要润滑以减少摩擦。
表7-2 铰孔时用的切削液的选择
3.铰孔的方法 (1)手铰圆柱孔的方法(图7-16)
图7-16 铰圆柱孔的方法
图7-17 万向浮动铰刀夹头
图7-11 硬质合金机用铰刀
图7-12 可调节手用铰刀
3.螺旋槽手用铰刀
螺旋槽手用铰刀如图7-13所示,因为切削刃沿螺旋槽分布,所以铰 孔时切削平稳,铰出的孔壁光滑。
4.锥铰刀
图7-13 螺旋槽手用铰刀
锥铰刀用来铰削圆锥孔,常用的锥铰刀有以下四种:
图7-14 钻阶梯形孔
图7-15 锥铰刀
二、铰孔方法
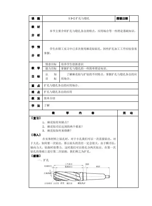
第七章 扩孔、锪孔和铰孔 第一节 扩 孔
扩孔是指把工件上已有的孔用扩孔钻进行扩大, 扩孔钻的吃刀量a= ,如图7-1所示。如图7-2所 示,扩孔钻的形状与麻花钻相似,所不同的是:
图7-1 扩孔
图7-2 扩孔钻
第二节 锪 孔
在孔口处用锪钻加工出一定形状的孔的过程称 为锪孔。例如,锪圆柱形埋头孔、锪用于安放垫 圈用的凸台平面等,如图7-3所示。
பைடு நூலகம்
一、锪钻的种类和主要特点