两线制、三线制、四线制的原理及其区别复习进程
- 格式:doc
- 大小:77.00 KB
- 文档页数:7
两线制、三线制、四线制的原理及其区别所谓的两线制、三线制、四线制,是指各种输出为模拟直流电流信号的变送器,其工作原理和结构上的区别,而并非只指变送器的接线形式。
几线制的称谓,是在两线制变送器诞生后才有的。
这是电子放大器在仪表中广泛应用的结果,放大的本质就是一种能量转换过程,这就离不开供电。
因此最先出现的是四线制的变送器;即两根线负责电源的供应,另外两根线负责输出被转换放大的信号(如电压、电流、等)。
ddz-ⅱ型电动单元组合仪表的出现,供电为220v.ac,输出信号为0--10ma.dc的四线制变送器得到了广泛的应用,目前在有些工厂还可见到它的身影。
七十年代我国开始生产ddz-ⅲ型电动单元组合仪表,并采用国际电工委员会(iec)的:过程控制系统用模拟信号标准。
即仪表传输信号采用4-20ma.dc,联络信号采用1-5v.dc,即采用电流传输、电压接收的信号系统。
采用4-20ma.dc信号,现场仪表就可实现两线制。
但限于条件,当时两线制仅在压力、差压变送器上采用,温度变送器等仍采用四线制。
现在国内两线制变送器的产品范围也大大扩展了,应用领域也越来越多。
同时从国外进来的变送器也是两线制的居多。
因为要实现两线制变送器必须同时满足以下条件:1.v≤emin-imaxrlmax变送器的输出端电压v等于规定的最低电源电压减去电流在负载电阻和传输导线电阻上的压降。
2. i≤imin变送器的正常工作电流i必须小于或等于变送器的输出电流。
3. p<imin(emin-iminrlmax)变送器的最小消耗功率p不能超过上式,通常<90mw。
式中:emin=最低电源电压,对多数仪表而言emin=24(1-5%)=22.8v,5%为24v电源允许的负向变化量;imax=20ma;imin=4ma;rlmax=250ω+传输导线电阻。
如果变送器在设计上满足了上述的三个条件,就可实现两线制传输。
所谓两线制即电源、负载串联在一起,有一公共点,而现场变送器与控制室仪表之间的信号联络及供电仅用两根电线,这两根电线既是电源线又是信号线。
今天仪控君与大家讨论的两线制、三线制、四线制,就是指各种输出为模拟直流电流信号的变送器,其工作原理与结构上的区别,而并非只指变送器的接线形式。
首先,我们先瞧一下它们的定义两线制:两根线及传输电源又传输信号,也就就是传感器输出的负载与电源就是串联在一起的,电源就是从外部引入的,与负载串联在一起来驱动负载。
三线制:三线制传感器就就是电源正端与信号输出的正端分离,但它们共用一个COM端。
四线制:电源两根线,信号两根线。
电源与信号就是分开工作的。
几线制的称谓,就是在两线制变送器诞生后才有的。
这就是电子放大器在仪表中广泛应用的结果,放大的本质就就是一种能量转换过程,这就离不开供电。
因此最先出现的就是四线制的变送器;即两根线负责电源的供应,另外两根线负责输出被转换放大的信号(如电压、电流、等)。
但目前,很多变送器采用二线制。
下面,我们就来具体瞧瞧不同线制变送器的差异有哪些?不同线制变送器的差异一、两线制要实现两线制变送器,必须要同时满足以下条件:1、V≤Emin-ImaxRLmax变送器的输出端电压V等于规定的最低电源电压减去电流在负载电阻与传输导线电阻上的压降。
2、I≤Imin变送器的正常工作电流I必须小于或等于变送器的输出电流。
3、P<Imin(Emin-IminRLmax)变送器的最小消耗功率P不能超过上式,通常<90mW。
式中:Emin=最低电源电压,对多数仪表而言Emin=24(1-5%)=22、8V,5%为24V电源允许的负向变化量;Imax=20mA;Imin=4mA;RLmax=250Ω+传输导线电阻。
如果变送器在设计上满足了上述的三个条件,就可实现两线制传输。
所谓两线制即电源、负载串联在一起,有一公共点,而现场变送器与控制室仪表之间的信号联络及供电仅用两根电线,这两根电线既就是电源线又就是信号线。
两线制变送器由于信号起点电流为4mA DC,为变送器提供了静态工作电流,同时仪表电气零点为4mA DC,不与机械零点重合,这种“活零点”有利于识别断电与断线等故障。
2线、3线、4线热电阻测温原理有何区别作者:不详来源:网上收集更新日期:2009-6-10 阅读次数: 306与热电阻连接的检测设备(温控表、PLC输入等)都有四个接线端子。
I+、I-、V+、V-。
其中,I+、I-端是为了给热电阻提供恒定的电流,V+、V-是用来监测热电阻的电压变化,依次检测温度变化。
4线就是从热电阻两端引出4线,和4个端子连接。
3线就是引出3线,这需要检测设备方的I-\V-短接。
2线就使引出2线,这需要检测设备方的I-\V-、I+/V+短接。
测温原理都一样,只是接线区别测温原理都一样,只是接线区别。
应该说,电流回路和电压测量回路是否分开接线的问题。
2线,电流回路和电压测量回路合二为1,精度差。
3线,电流回路的参考位和电压测量回路的参考位为一条线。
精度稍好。
4线,电路回路和电压测量回路独立分开,精度高,但费线。
热电阻目录[隐藏]热电阻的信号连接方式热电阻的结构热电阻测温系统的组成热电偶和热电阻的区别热电阻简介热电阻是中低温区最常用的一种温度检测器。
它的主要特点是测量精度高,性能稳定。
其中铂热电阻的测量精确度是最高的,它不仅广泛应用于工业测温,而且被制成标准的基准仪。
金属热电阻的感温元件有石英套管十字骨架结构,麻花骨架结构得杆式结构等。
金属热电阻常用的感温材料种类较多,最常用的是铂丝。
工业测量用金属热电阻材料除铂丝外,还有铜、镍、铁、铁—镍、钨、银等。
薄膜热电阻是利用电子阴极溅射的方法制造,可实现工业化大批量生产。
其中骨架用陶瓷,引线采用铂钯合金。
热电阻材料热电阻测温是基于金属导体的电阻值随温度的增加而增加这一特性来进行温度测量的。
热电阻大都由纯金属材料制成,目前应用最多的是铂和铜,此外,现在已开始采用镍、锰和铑等材料制造热电阻。
热电阻种类1)普通型热电阻从热电阻的测温原理可知,被测温度的变化是直接通过热电阻阻值的变化来测量的,因此,热电阻体的引出线等各种导线电阻的变化会给温度测量带来影响。
传感器的结构:两线制:传感器电阻变化值与连接导线电阻值共同构成传感器的输出值,由于导线电阻带来的附加误差使实际测量值偏高,用于测量精度要求不高的场合,并且导线的长度不宜过长。
三线制:要求引出的三根导线截面积和长度均相同,测量铂电阻的电路一般是不平衡电桥,铂电阻作为电桥的一个桥臂电阻,将导线一根接到电桥的电源端,其余两根分别接到铂电阻所在的桥臂及与其相邻的桥臂上,当桥路平衡时,导线电阻的变化对测量结果没有任何影响,这样就消除了导线线路电阻带来的测量误差,但是必须为全等臂电桥,否则不可能完全消除导线电阻的影响。
采用三线制会大大减小导线电阻带来的附加误差,工业上一般都采用三线制接法。
四线制:当测量电阻数值很小时,测试线的电阻可能引入明显误差,四线测量用两条附加测试线提供恒定电流,另两条测试线测量未知电阻的电压降,在电压表输入阻抗足够高的条件下,电流几乎不流过电压表,这样就可以精确测量未知电阻上的压降,计算得出电阻值几线制是指的信号采用几根线来定义的.电流输出型变送器将物理量转换成4~20mA电流输出,必然要有外电源为其供电。
最典型的是变送器需要两根电源线,加上两根电流输出线,总共要接4根线,称之为四线制变送器。
当然,电流输出可以与电源公用一根线(公用VCC或者GND),可节省一根线,称之为三线制变送器。
其实大家可能注意到,4-20mA电流本身就可以为变送器供电,如图1所示。
变送器在电路中相当于一个特殊的负载,特殊之处在于变送器的耗电电流在4~20mA之间根据传感器输出而变化。
显示仪表只需要串在电路中即可。
这种变送器只需外接2根线,因而被称为两线制变送器。
工业电流环标准下限为4mA,因此只要在量程范围内,变送器至少有4mA供电。
这使得两线制传感器的设计成为可能。
在工业应用中,测量点一般在现场,而显示设备或者控制设备一般都在控制室或控制柜上。
两者之间距离可能数十至数百米。
按一百米距离计算,省去2根信号传输导线意味着成本降低近百元!另外四线制变送器和三线制变送器因导线内电流不对称必须使用昂贵的屏蔽线,而两线制变送器可使用非常便宜的的双绞线导线,因此在应用中两线制变送器必然是首选。
两线制三线制四线制的原理及其区别1.两线制(又称为单线制或半双工制):两线制中,只有两根导线进行数据传输,通常是一根用于传输数据,另一根用于接收数据。
发送和接收数据必须交替进行,无法同时进行。
两线制通常使用的是RS-232C标准。
两线制的传输原理:数据通过不同的电压表示不同的二进制数,例如正电压表示“1”,负电压表示“0”。
发送端将二进制码转换为相应的电压信号,经过传输线传输到接收端,接收端将电压信号转换为二进制码。
两线制的局限性:由于只有两根导线,发送和接收数据需要交替进行,并且不能同时进行,因此传输速度较慢。
另外,两线制对于传输距离较长的情况下易受到环境电磁干扰的影响。
2.三线制:三线制是通过增加一根导线来实现双向通信的,发送端和接收端分别连接了一根数据线和一根共享的地线。
三线制通常使用的是RS-485标准。
三线制的传输原理:与两线制类似,数据通过不同的电压表示不同的二进制数。
发送端将二进制码转换为不同电压信号,这些信号通过数据线传输到接收端,接收端将信号转换为二进制码。
共享的地线用于提供信号的参考电平。
三线制的优势:相较于两线制,三线制可以实现双向通信,发送和接收数据可以同时进行,传输速度更快。
此外,三线制还具有抗干扰能力强的优势,适用于传输距离较长且环境电磁干扰较大的场景。
3.四线制:四线制是通过增加一根导线来实现全双工通信的,发送端和接收端分别连接了一根数据线和一根时钟线,另外还有两根引脚用于传输地线和电源线。
四线制通常使用的是USB(通用串行总线)标准。
四线制的传输原理:发送端将数据和时钟信号发送到接收端,接收端根据时钟信号来解析数据。
引脚用于提供地线和电源线,电源线用于为接收端供电。
四线制的优势:相较于三线制,四线制可以实现全双工通信,即发送和接收数据可以同时进行。
此外,四线制还具有传输速度更快、可扩展性强的优势,适用于高速数据传输和连接多个设备的场景。
总结:两线制、三线制和四线制都是串行通信接口标准,它们之间的区别主要在于导线的数量和通信方式。
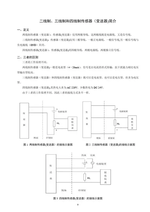
二线制、三线制和四线制传感器(变送器)简介一、定义两线制传感器(变送器):传感器(变送器)仅用两根导线,这两根线既是电源线,又是信号线。
三线制传感器(变送器):传感器(变送器)仅用三根导线,一根正电源线,一根信号线,另一根信号线与负电源线(GND)共用。
四线制传感器(变送器):传感器(变送器)用四根导线,两根电源线,两根独立信号线。
二、三者的区别三者的工作原理不同。
两线制传感器(变送器)一般是电流型(4-20mA),信号是以电流的形式传输,抗干扰能力相比电压型输出型较高。
三线制传感器(变送器)和四线制传感器(变送器)既可以是电流型,也可以是电压型,但多为电压型。
四线制传感器(变送器),其供电大多为AC 220V,少数供电为DC 24V。
由于三者的工作原理不同,因此三者的接线方式各不一样。
图1 两线制传感器(变送器)的接线示意图图2 三线制传感器(变送器)的接线示意图图3 四线制传感器(变送器)的接线示意图三、总结1.电压型传感器(变送器)输出信号是电压信号,电压信号容易受电磁干扰。
特别是传输的距离较远时,信号失真度较大。
2.电流型传感器(变送器)输出信号是电流信号,而电流信号抗干扰能力较电压信号强。
3.两线制电流变送器具有低失调电压(<30μV)、低电压漂移(<0.7μV/C°)、超低非线性度(<0.01%)的特点。
测量信号和电源在双绞线上同时传送,既省去了昂贵的传输电缆,而且信号是以电流的形式传输。
4.两线制4-20mA电流输出型传感器(变送器)的信号线断线时,用万用表的电压档测量电压为DC 24V。
其负载为250Ω时:被测量为最小值时,电压为DC 23V;被测量为最大值时,电压为DC 19V。
5.三线制4-20mA电流输出型传感器(变送器)的信号线断线时,用万用表的电压档测量电压为DC 24V。
其负载为250Ω时:被测量为最小值时,电压为DC 1V;被测量为最大值时,电压为DC 5V。
二线制、三线制和四线制传感器(变送器)简介一、定义两线制传感器(变送器):传感器(变送器)仅用两根导线,这两根线既是电源线,又是信号线。
三线制传感器(变送器):传感器(变送器)仅用三根导线,一根正电源线,一根信号线,另一根信号线与负电源线(GND)共用。
四线制传感器(变送器):传感器(变送器)用四根导线,两根电源线,两根独立信号线。
二、三者的区别三者的工作原理不同。
两线制传感器(变送器)一般是电流型(4—20mA),信号是以电流的形式传输,抗干扰能力相比电压型输出型较高。
三线制传感器(变送器)和四线制传感器(变送器)既可以是电流型,也可以是电压型,但多为电压型。
四线制传感器(变送器),其供电大多为AC 220V,少数供电为DC 24V。
由于三者的工作原理不同,因此三者的接线方式各不一样。
图1 两线制传感器(变送器)的接线示意图图2 三线制传感器(变送器)的接线示意图图3 四线制传感器(变送器)的接线示意图三、总结1.电压型传感器(变送器)输出信号是电压信号,电压信号容易受电磁干扰。
特别是传输的距离较远时,信号失真度较大。
2.电流型传感器(变送器)输出信号是电流信号,而电流信号抗干扰能力较电压信号强.3.两线制电流变送器具有低失调电压(〈30μV)、低电压漂移(<0。
7μV/C°)、超低非线性度(<0.01%)的特点。
测量信号和电源在双绞线上同时传送,既省去了昂贵的传输电缆,而且信号是以电流的形式传输。
4.两线制4—20mA电流输出型传感器(变送器)的信号线断线时,用万用表的电压档测量电压为DC 24V.其负载为250Ω时:被测量为最小值时,电压为DC 23V;被测量为最大值时,电压为DC 19V。
5.三线制4—20mA电流输出型传感器(变送器)的信号线断线时,用万用表的电压档测量电压为DC 24V.其负载为250Ω时:被测量为最小值时,电压为DC 1V;被测量为最大值时,电压为DC 5V.6.四线制4—20mA电流输出型传感器(变送器)的信号线断线时,用万用表的电压档测量电压为DC 24V。
两线制、三线制、四线制的原理及其区别所谓的两线制、三线制、四线制,是指各种输出为模拟直流电流信号的变送器,其工作原理和结构上的区别,而并非只指变送器的接线形式。
几线制的称谓,是在两线制变送器诞生后才有的。
这是电子放大器在仪表中广泛应用的结果,放大的本质就是一种能量转换过程,这就离不开供电。
因此最先出现的是四线制的变送器;即两根线负责电源的供应,另外两根线负责输出被转换放大的信号(如电压、电流、等)。
ddz-ⅱ型电动单元组合仪表的出现,供电为220v.AC,输出信号为0—10Ma.DC的四线制变送器得到了广泛的应用,目前在有些工厂还可见到它的身影。
七十年代我国开始生产ddz-ⅲ型电动单元组合仪表,并采用国际电工委员会(iec)的:过程控制系统用模拟信号标准。
即仪表传输信号采用4-20ma.dc,联络信号采用1-5v.dc,即采用电流传输、电压接收的信号系统。
采用4-20ma.dc信号,现场仪表就可实现两线制。
但限于条件,当时两线制仅在压力、差压变送器上采用,温度变送器等仍采用四线制。
现在国内两线制变送器的产品范围也大大扩展了,应用领域也越来越多。
同时从国外进来的变送器也是两线制的居多。
因为要实现两线制变送器必须同时满足以下条件:1.V≤Emin-ImaxRLmax变送器的输出端电压v等于规定的最低电源电压减去电流在负载电阻和传输导线电阻上的压降。
2. I≤Imin变送器的正常工作电流i必须小于或等于变送器的输出电流。
3. P<Imin(Emin-IminRLmax)变送器的最小消耗功率P不能超过上式,通常<90mW。
式中:Emin=最低电源电压,对多数仪表而言Emin=24(1-5%)=22.8V,5%为24V电源允许的负向变化量;Imax=20mA;Imin=4mA;RLmax=250Ω+传输导线电阻。
如果变送器在设计上满足了上述的三个条件,就可实现两线制传输。
所谓两线制即电源、负载串联在一起,有一公共点,而现场变送器与控制室仪表之间的信号联络及供电仅用两根电线,这两根电线既是电源线又是信号线。
“线制”是指仪表供电和标准信号传输采用的导线数。
几线制的称谓,是在两线制变送器诞生后才有的。
这是电子放大器在仪表中广泛应用的结果,放大的本质就是一种能量转换过程,这就离不开供电。
因此最先出现的是四线制的变送器,即两根线负责电源的供应,另外两根线负责输出被转换放大的信号(如电压、电流、等)。
220VAC供电的仪表一定是四线制。
四线制信号的仪表是指:供电回路和信号回路各自独立,采用隔离电路分开,用于隔离的4~20mA标准信号。
所以信号一定是隔离的,通常不接地。
电源可以是24VDC,也可以是220VAC。
当用两线制提供的功率不足以给仪表供电时,采用三线制方式,信号为4~20mA标准信号。
三线制的三根线是:一根为电源线(通常为24VDC+),一根为信号线,一根为电源与信号的公共线,用于电压参考点和电流回路。
非4~20mA标准信号不称为两线制。
二线制是两根导线供电的同时传输4~20mA标准信号。
非此标准信号不称为两线制。
两线制最少供电能力为:4mA×24V-接收仪表功耗-线路损耗。
那么在实际现场操作中,四线制,三线制,二线制主要供电方式是?四线制供电大多为220V.AC,也有供电为24V.DC的。
四线制变送器如下图所示,其供电大多为220V.AC,也有供电为24V.DC的。
输出信号有4-20mA.DC,负载电阻为250Ω,或者0-10mA.DC,负载电阻为0-1.5KΩ;有的还有mA和mV 信号,但负载电阻或输入电阻,因输出电路形式不同而数值有所不同。
三线制供电大多为24V.DC。
三线制变送器如下图所示,所谓三线制就是电源正端用一根线,信号输出正端用一根线,电源负端和信号负端共用一根线。
其供电大多为24V.DC,输出信号有4-20mA.DC,负载电阻为250Ω或者0-10mA.DC,负载电阻为0-1.5KΩ;有的还有mA和mV信号,但负载电阻或输入电阻,因输出电路形式不同而数值有所不同。
二线制供电为24V.DC。
仪表二线制、三线制、四线制的区别【文章导读】两线制、三线制、四线制,是指各种输出为模拟直流电流信号的变送器,其工作原理和结构上的区别,而并非只指变送器的接线形式。
_ 1 _今天和大家讨论的两线制、三线制、四线制,是指各种输出为模拟直流电流信号的变送器,其工作原理和结构上的区别,而并非只指变送器的接线形式。
_ 2 _首先,我们先看一下它们的定义两线制:两根线及传输电源又传输信号,也就是传感器输出的负载和电源是串联在一起的,电源是从外部引入的,和负载串联在一起来驱动负载。
三线制:三线制传感器就是电源正端和信号输出的正端分离,但它们共用一个COM端。
四线制:电源两根线,信号两根线。
电源和信号是分开工作的。
▲二线制、三线制、四线制工作原理几线制的称谓,是在两线制变送器诞生后才有的。
这是电子放大器在仪表中广泛应用的结果,放大的本质就是一种能量转换过程,这就离不开供电。
因此最先出现的是四线制的变送器;即两根线负责电源的供应,另外两根线负责输出被转换放大的信号(如电压、电流、等)。
但目前,很多变送器采用二线制。
_ 3 _下面,我们就来具体看看不同线制变送器的差异有哪些?不同线制变送器的差异一、两线制要实现两线制变送器,必须要同时满足以下条件:1. V≤Emin-ImaxRLmax变送器的输出端电压V等于规定的最低电源电压减去电流在负载电阻和传输导线电阻上的压降。
2. I≤Imin变送器的正常工作电流I必须小于或等于变送器的输出电流。
3. P<Imin(Emin-IminRLmax)变送器的最小消耗功率P不能超过上式,通常<90mW。
式中:Emin=最低电源电压,对多数仪表而言Emin=24(1-5%)=22.8V,5%为24V电源允许的负向变化量;Imax=20mA;Imin=4mA;RLmax=250Ω+传输导线电阻。
如果变送器在设计上满足了上述的三个条件,就可实现两线制传输。
所谓两线制即电源、负载串联在一起,有一公共点,而现场变送器与控制室仪表之间的信号联络及供电仅用两根电线,这两根电线既是电源线又是信号线。
两线制三线制四线制的原理及其区别Modified by JEEP on December 26th, 2020.两线制、三线制、四线制的原理及其区别所谓的两线制、三线制、四线制,是指各种输出为模拟直流电流信号的变送器,其工作原理和结构上的区别,而并非只指变送器的接线形式。
几线制的称谓,是在两线制变送器诞生后才有的。
这是电子放大器在仪表中广泛应用的结果,放大的本质就是一种能量转换过程,这就离不开供电。
因此最先出现的是四线制的变送器;即两根线负责电源的供应,另外两根线负责输出被转换放大的信号(如电压、电流、等)。
ddz-ⅱ型电动单元组合仪表的出现,供电为,输出信号为0—的四线制变送器得到了广泛的应用,目前在有些工厂还可见到它的身影。
七十年代我国开始生产ddz-ⅲ型电动单元组合仪表,并采用国际电工委员会(iec)的:过程控制系统用模拟信号标准。
即仪表传输信号采用,联络信号采用,即采用电流传输、电压接收的信号系统。
采用信号,现场仪表就可实现两线制。
但限于条件,当时两线制仅在压力、差压变送器上采用,温度变送器等仍采用四线制。
现在国内两线制变送器的产品范围也大大扩展了,应用领域也越来越多。
同时从国外进来的变送器也是两线制的居多。
因为要实现两线制变送器必须同时满足以下条件:1.V≤Emin-ImaxRLmax变送器的输出端电压v等于规定的最低电源电压减去电流在负载电阻和传输导线电阻上的压降。
2. I≤Imin变送器的正常工作电流i必须小于或等于变送器的输出电流。
3. P<Imin(Emin-IminRLmax)变送器的最小消耗功率P不能超过上式,通常<90mW。
式中:Emin=最低电源电压,对多数仪表而言Emin=24(1-5%)=,5%为24V电源允许的负向变化量;Imax=20mA;Imin=4mA;RLmax=250Ω+传输导线电阻。
如果变送器在设计上满足了上述的三个条件,就可实现两线制传输。
所谓两线制即电源、负载串联在一起,有一公共点,而现场变送器与控制室仪表之间的信号联络及供电仅用两根电线,这两根电线既是电源线又是信号线。
两线制、三线制及四线制接法详解前面两期内容主要介绍了模拟量的输入及输出数据处理,对于变送器和执行器件如何与模拟量模块接线这一块内容没有深入讲解,故本期内容重点介绍它们之间的接法,还是以西门子模拟量模块EM235为例。
一、两线制、三线制及四线制差异要完成两线制变送器需要一起满意以下条件:1.规定的最低电源电压减去电流在负载电阻和传输导线电阻压降要等于变送器的输出电压。
2.变送器的正常作业电流有必要小于或等于变送器的输出电流。
3.变送器的最小耗费功率P一般<90mW。
如果变送器在设计时满足上述的条件,即可完成两线制传输。
a.两线制二线制信号是指仪表等设备本身只有两根外接线,设备的工作电源由信号线提供,即其中一根线接电源,另一根线是信号输出。
一些非电动单元组合的仪表,如机械量、电量、在线剖析等仪表,因为其电路功耗大、变换复杂,难于完全满足上文提到的三个条件,故无法用两线制实现,需要采用四线制变送器,外接电源的方式输出为电流信号。
b.四线制四线制信号是指仪表等设备本身外接供电电源(大多为交流220V,也有供电为直流24V的),同时有信号+、信号-两根信号线输出。
为了减小变送器的重量和体积,同时为了提高抗干扰能力、优化接线等因素,把变送器的交流220V供电改为直流供电24,因此供电就为负线共用,这样也就有了三线制的变送器的由来。
c.三线制变送器本身外接一根正电源线(V+)。
输出两根信号线(OUT和0V),其中一根信号线与电源线通常情况是共负端的。
几线制的选择往往是根据测量精度进行选择的,通常来说,接线越多,其测量精度越高,但对于用户来讲,变送器选型需根据本单位的实际情况考虑,如防爆需求、出资预算、信号制的一致和接纳设备的需求等疑问来挑选。
为了更好的理解上文所提到的各线制的原理图接线方法,下面引入西门子模拟量模块EM235来讲解。
二、EM235硬件接线从上图可得知:1.直接接线方式a.当输入的模拟量为电压信号;b.模拟量的输出(电压,电流)。
热电阻四线制、三线制、两线制的区别热电阻(thermal resistor)是中低温区最常用的一种温度检测器。
热电阻测温是基于金属导体的电阻值随温度的增加而增加这一特性来进行温度测量的。
它的主要特点是测量精度高,性能稳定。
其中铂热电阻的测量精确度是最高的,它不仅广泛应用于工业测温,而且被制成标准的基准仪。
热电阻大都由纯金属材料制成,目前应用最多的是铂和铜,此外,现在已开始采用镍、锰和铑等材料制造热电阻。
金属热电阻常用的感温材料种类较多,最常用的是铂丝。
工业测量用金属热电阻材料除铂丝外,还有铜、镍、铁、铁—镍等。
热电阻的测温原理是基于导体或半导体的电阻值随温度变化而变化这一特性来测量温度及与温度有关的参数。
热电阻大都由纯金属材料制成,目前应用最多的是铂和铜,现在已开始采用镍、锰和铑等材料制造热电阻。
热电阻通常需要把电阻信号通过引线传递到计算机控制装置或者其它二次仪表上。
热电阻四线制、三线制、两线制的区别对比分析传感器的结构:两线制:传感器电阻变化值与连接导线电阻值共同构成传感器的输出值,由于导线电阻带来的附加误差使实际测量值偏高,用于测量精度要求不高的场合,并且导线的长度不宜过长。
三线制:要求引出的三根导线截面积和长度均相同,测量铂电阻的电路一般是不平衡电桥,铂电阻作为电桥的一个桥臂电阻,将导线一根接到电桥的电源端,其余两根分别接到铂电阻所在的桥臂及与其相邻的桥臂上,当桥路平衡时,导线电阻的变化对测量结果没有任何影响,这样就消除了导线线路电阻带来的测量误差,但是必须为全等臂电桥,否则不可能完全消除导线电阻的影响。
采用三线制会大大减小导线电阻带来的附加误差,工业上一般都采用三线制接法。
四线制:当测量电阻数值很小时,测试线的电阻可能引入明显误差,四线测量用两条附加测试线提供恒定电流,另两条测试线测量未知电阻的电压降,在电压表输入阻抗足够高的条件下,电流几乎不流过电压表,这样就可以精确测量未知电阻上的压降,计算得出电阻值几线制是指的信号采用几根线来定义的。
2线、3线、4线热电阻测温原理有何区别作者:不详来源:网上收集更新日期:2009-6-10 阅读次数: 306与热电阻连接的检测设备(温控表、PLC输入等)都有四个接线端子。
I+、I-、V+、V-。
其中,I+、I-端是为了给热电阻提供恒定的电流,V+、V-是用来监测热电阻的电压变化,依次检测温度变化。
4线就是从热电阻两端引出4线,和4个端子连接。
3线就是引出3线,这需要检测设备方的I-\V-短接。
2线就使引出2线,这需要检测设备方的I-\V-、I+/V+短接。
测温原理都一样,只是接线区别测温原理都一样,只是接线区别。
应该说,电流回路和电压测量回路是否分开接线的问题。
2线,电流回路和电压测量回路合二为1,精度差。
3线,电流回路的参考位和电压测量回路的参考位为一条线。
精度稍好。
4线,电路回路和电压测量回路独立分开,精度高,但费线。
热电阻目录[隐藏]热电阻的信号连接方式热电阻的结构热电阻测温系统的组成热电偶和热电阻的区别热电阻简介热电阻是中低温区最常用的一种温度检测器。
它的主要特点是测量精度高,性能稳定。
其中铂热电阻的测量精确度是最高的,它不仅广泛应用于工业测温,而且被制成标准的基准仪。
金属热电阻的感温元件有石英套管十字骨架结构,麻花骨架结构得杆式结构等。
金属热电阻常用的感温材料种类较多,最常用的是铂丝。
工业测量用金属热电阻材料除铂丝外,还有铜、镍、铁、铁—镍、钨、银等。
薄膜热电阻是利用电子阴极溅射的方法制造,可实现工业化大批量生产。
其中骨架用陶瓷,引线采用铂钯合金。
热电阻材料热电阻测温是基于金属导体的电阻值随温度的增加而增加这一特性来进行温度测量的。
热电阻大都由纯金属材料制成,目前应用最多的是铂和铜,此外,现在已开始采用镍、锰和铑等材料制造热电阻。
热电阻种类1)普通型热电阻从热电阻的测温原理可知,被测温度的变化是直接通过热电阻阻值的变化来测量的,因此,热电阻体的引出线等各种导线电阻的变化会给温度测量带来影响。
两线制、三线制、四线制的原理及其区别所谓的两线制、三线制、四线制,是指各种输出为模拟直流电流信号的变送器,其工作原理和结构上的区别,而并非只指变送器的接线形式。
几线制的称谓,是在两线制变送器诞生后才有的。
这是电子放大器在仪表中广泛应用的结果,放大的本质就是一种能量转换过程,这就离不开供电。
因此最先出现的是四线制的变送器;即两根线负责电源的供应,另外两根线负责输出被转换放大的信号(如电压、电流、等)。
ddz-ⅱ型电动单元组合仪表的出现,供电为220v.AC,输出信号为0—10Ma.DC的四线制变送器得到了广泛的应用,目前在有些工厂还可见到它的身影。
七十年代我国开始生产ddz-ⅲ型电动单元组合仪表,并采用国际电工委员会(iec)的:过程控制系统用模拟信号标准。
即仪表传输信号采用4-20ma.dc,联络信号采用1-5v.dc,即采用电流传输、电压接收的信号系统。
采用4-20ma.dc信号,现场仪表就可实现两线制。
但限于条件,当时两线制仅在压力、差压变送器上采用,温度变送器等仍采用四线制。
现在国内两线制变送器的产品范围也大大扩展了,应用领域也越来越多。
同时从国外进来的变送器也是两线制的居多。
因为要实现两线制变送器必须同时满足以下条件:1.V≤Emin-ImaxRLmax变送器的输出端电压v等于规定的最低电源电压减去电流在负载电阻和传输导线电阻上的压降。
2. I≤Imin变送器的正常工作电流i必须小于或等于变送器的输出电流。
3. P<Imin(Emin-IminRLmax)变送器的最小消耗功率P不能超过上式,通常<90mW。
式中:Emin=最低电源电压,对多数仪表而言Emin=24(1-5%)=22.8V,5%为24V电源允许的负向变化量;Imax=20mA;Imin=4mA;RLmax=250Ω+传输导线电阻。
如果变送器在设计上满足了上述的三个条件,就可实现两线制传输。
所谓两线制即电源、负载串联在一起,有一公共点,而现场变送器与控制室仪表之间的信号联络及供电仅用两根电线,这两根电线既是电源线又是信号线。
两线制三线制四线制的原理及其区别两线制、三线制和四线制是指一种用于传输电力和信号的电缆配线系统。
这些系统在不同的应用中具有不同的原理和区别。
一、两线制原理及区别:两线制是最简单的传输系统,只包含两条导线。
它通常用于传输直流电力或低频信号。
两线制的原理是利用导线的电阻和电压降来进行信号传输。
具体而言,信号的传输通过在载波信号上调制数据信号,并将其从发送端传输到接收端。
两线制的主要特点如下:1.优点:结构简单、成本低、安装方便。
2.缺点:由于电阻和电压降,传输距离较短;容易受到电磁干扰,信号质量不稳定。
二、三线制原理及区别:三线制是指传输系统中包含三条导线。
它通常用于传输交流电力或高频信号。
三线制的原理是利用导线之间的相对电位差来进行信号传输。
具体而言,三线制采用“相”、“中”、“地”三条导线,其中“相”线传输电力或信号,另外两条线则用于平衡电压和提供接地。
三线制的主要特点如下:1.优点:能够传输较大功率的电力或信号;抗干扰能力较强。
2.缺点:需要额外的导线;相较于两线制增加了一定的复杂度和成本。
三、四线制原理及区别:四线制是指传输系统中包含四条导线。
它通常用于传输高功率或高频信号,并具有更高的抗干扰能力。
四线制的原理是利用两对相互独立的导线来进行信号传输。
具体而言,其中一对导线传输信号,另一对导线用于平衡电压,以减少电磁干扰。
四线制的主要特点如下:1.优点:能够传输更大功率的电力或信号;抗干扰能力最强。
2.缺点:需要额外的导线;相较于两线制和三线制增加了更高的复杂度和成本。
三种配线系统相互之间的主要区别在于传输的电力/信号类型和抗干扰能力不同。
两线制适用于低功率直流电力或低频信号传输,适用于简单的应用场景;三线制适用于较大功率交流电力或高频信号传输,具有较强的抗干扰能力;四线制适用于更高功率或高频信号传输,具有最高的抗干扰能力。
综上所述,两线制、三线制和四线制是用于传输电力和信号的不同配线系统。
根据不同的要求和应用领域,选择不同的配线系统可以满足不同的需求。
两线制、三线制、四线制的原理及其区别
两线制、三线制、四线制的原理及其区别所谓的两线制、三线制、四线制,是指各种输出为模拟直流电流信号的变送器,其工作原理和结构上的区别,而并非只指变送器的接线形式。
几线制的称谓,是在两线制变送器诞生后才有的。
这是电子放大器在仪表中广泛应用的结果,放大的本质就是一种能量转换过程,这就离不开供电。
因此最先出现的是四线制的变送器;即两根线负责电源的供应,另外两根线负责输出被转换放大的信号(如电压、电流、等)。
ddz-ⅱ型电动单元组合仪表的出现,供电为220v.AC,输出信号为0—10Ma.DC的四线制变送器得到了广泛的应用,目前在有些工厂还可见到它的身影。
七十年代我国开始生产ddz-ⅲ型电动单元组合仪表,并采用国际电工委员会(iec)的:过程控制系统用模拟信号标准。
即仪表传输信号采用4-20ma.dc,联络信号采用1-5v.dc,即采用电流传输、电压接收的信号系统。
采用4-20ma.dc
信号,现场仪表就可实现两线制。
但限于条件,当时两线制仅在压力、差压变送器上采用,温度变送器等仍采用四线制。
现在国内两线制变送器的产品范围也大大扩展了,应用领域也越来越多。
同时从国外进来的变送器也是两线制的居多。
因为要实现两线制变送器必须同时满足以下条件:
1.V≤Emin-ImaxRLmax
变送器的输出端电压v等于规定的最低电源电压减去电流在负载电阻和传输导线电阻上的压降。
2. I≤Imin
变送器的正常工作电流i必须小于或等于变送器的输出电流。
3. P<Imin(Emin-IminRLmax)
变送器的最小消耗功率P不能超过上式,通常<90mW。
式中:Emin=最低电源电压,对多数仪表而言Emin=24(1-5%)=22.8V,5%为24V电源允许的负向变化量;
Imax=20mA;
Imin=4mA;
RLmax=250Ω+传输导线电阻。
如果变送器在设计上满足了上述的三个条件,就可实现两线制传输。
所谓两线制即电源、负载串联在一起,有一公共点,而现场变送器与控制室仪表之间的信号联络及供电仅用两根电线,这两根电线既是电源线又是信号线。
两线制变送器由于信号起点电流为4ma.dc,为变送器提供了静态工作电流,同时仪表电气零点为4ma.dc,不与机械零点重合,这种“活零点”有利于识别断电和断线等故障。
而且两线制还便于使用安全栅,利于安全防爆。
两线制变送器如图一所示,其供电为24v.dc,输出信号为4-20ma.dc,负载电阻为250ω,24v电源的负线电位最低,它就是信号公共线,对于智能变送器还可在4-20ma.dc信号上加载hart协议的fsk键控信号。
由于4-20ma.dc(1-5v.dc)信号制的普及和应用,在控制系统应用中为了便于连接,就要求信号制的统一,为此要求一些非电动单元组合的仪表,如在线分析、机械量、电量等仪表,能采用输出为4-20ma.dc信号制,但是由于其转换电路复杂、功耗大等原因,难于全部满足上述的三个条件,而无法做到两线制,就只能采用外接电源的方法来做输出为4-20ma.dc的四线制变送器了。
四线制变送器如图二所示,其供电大多为220v.ac,也有供电为24v.dc 的。
输出信号有4-20ma.dc,负载电阻为250ω,或者0-10ma.dc,负载电阻为0-1.5kω;有的还有ma和mv信号,但负载电阻或输入电阻,因输出电路形式不同而数值有所不同。
有的仪表厂为了减小变送器的体积和重量、并提高抗干扰性能、减化接线,而把变送器的供电由220v.ac改为低压直流供电,如电源从24v.dc电源箱取用,由于低压供电就为负线共用创造了条件,这样就有了三线制的变送器产品。
三线制变送器如图三所示,所谓三线制就是电源正端用一根线,信号输出正端用一根线,电源负端和信号负端共用一根线。
其供电大多为24v.dc,输出信号有4-20ma.dc,负载电阻为250ω或者0-10ma.dc,负载电阻为0-1.5kω;有的还有ma和mv信号,但负载电阻或输入电阻,因输出电路形式不同而数值有所不同。
以上三个图中,输入接收仪表的是电流信号,如将电阻rl并联接入时,则接收的就是电压信号了。
从上面叙述可看出,由于各种变送器的工作原理和结构不同,从而出现了不同的产品,也就决定了变送器的两线制、三线制、四线制接线形式。
对于用户而言,选型时应根据本单位的实际情况,如信号制的统一、防爆要求、接收设备的要求、投资等问题来综合考虑选择。
要指出的是三线制和四线制变送器输出的4-20ma.dc信号,由于其输出电路原理及结构与两线制的是不一样的,因此在应用中其输出负端能否和24v电源的负线相接?能否共地?这是要注意的,必要时可采取隔离措施,如用配电器、安全栅等,以便和其它仪表共电、共地及避免附加干扰的产生。
最后谈谈两线制改四线制、四线制改两线制的问题。
从上述可知各种线制变送器都能存在,那总是有存在的理由,否则就不会有那么多的线制了,由用户来改动线制是很困难的,再者实际意义也不大。
如果要把传输信号为0-10ma.dc的四线制变送器改为两线制,首先遇到的问题,就是其起始电流为零,在电流为零状态下,变送器的电子放大器是无法建立工作点的,因此将难于正常工作。
如果用直流电源,并保证仪表原来的恒流特性,当变送器在负载电阻为0-1.5kω时,与其串联的反馈动圈电阻2kω左右,当输出为10ma时,这两部分的电压降将大于24v,也就是说用24v.dc供电,负载为0-1.5kω时,要保证恒流特性是不可能的,也就谈不上用两线制传输了。
70年代曾有仪表厂做过把0-10ma.dc的四线制变送器改为两线制变送器的工作,具体做法是:对原来的变送器电路进行改进,并将供电电压提高至
48v.dc,但变送器的起始电流仍不能为零,为此采用负向电流来抵消负载电阻上的起始输出4ma的电流。
但这样的产品也没有能得到推广和应用。