(建筑电气工程)接触器控制的双速电动机电气原理图精编
- 格式:doc
- 大小:973.54 KB
- 文档页数:7
接触器控制双速电动机控制电路图接触器控制双速电动机控制电路图用按钮和接触器控制双速电动机的电路如图21-5所示。
其中SB1、KM1控制电动机低速运转;SB2、KM2、KM3控制电动机高速运转。
图21-5接触器控制双速电动机的电路图线路工作原理如下:先合上电源开关QS。
△ 形低速启动运转:控制原理停转时,按下SB3即可实现。
3)时间继电器控制双速电动机的控制线路用按钮和时间继电器控制双速电动机低速启动高速运转的电路图如图21-6所示。
时间继电器KT控制电动机△启动时间和△一YY的自动换接运转。
图21-6按钮和时间继电器控制双速电动机自动控制电路图线路工作原理如下:先合上电源开关Qs。
△ 形低速启动运转:控制原理停止时,按下SB3即可。
若电动机只需高速运转时,可直接按下SB2,则电动机△形低速启动后,自动变成YY形高速运。
1.交流异步电动机的双速控制原理由三相异步电动机的转速公式n=(1–S)60f1/p可知,改变异步电动机磁极对数P,可实现电动机调速。
(1)变极调速在电源频率f1不变的条件下,改变电动机的极对数p,电动机的同步转速n1,就会变化,极对数增加一倍,同步转速就降低一半,电动机的转速也几乎下降一半,从而实现转速的调节。
要改变电动机的极数,当然可以在定子铁心槽内嵌放两套不同极数的三相绕组,从制造的角度看,这种方法很不经济。
通常是利用改变定子绕组接法来改变极数,这种电机称为多速电机。
1)变极原理下面以4极变2极为例,说明定子绕组的变极原理。
图21-1画出了4极电机U相绕组的两个线圈,每个线圈代表U相绕组的一半,称为半相绕组。
两个半相绕组顺向串联(头尾相接)时,根据线圈中的电流方向,可以看出定子绕组产生4极磁场,即2p=4,磁场方向如图21-1(a)中的虚线或图3.1(b)中的×、⊙所示。
图21-2绕组变极原理图(2p=2)。
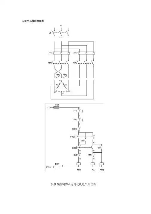
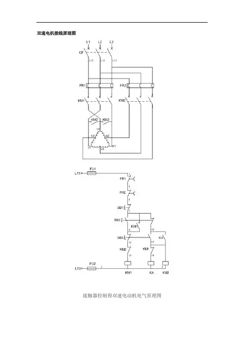
双速电动机控制电路接触器控制的双速电动机电气原理图一、双速电动机简介双速电动机属于异步电动机变极调速,是通过改变定子绕组的连接方法达到改变定子旋转磁场磁极对数,从而改变电动机的转速。
根据公式;n1=60f/p可知异步电动机的同步转速与磁极对数成反比,磁极对数增加一倍,同步转速n 1下降至原转速的一半,电动机额定转速n也将下降近似一半,所以改变磁极对数可以达到改变电动机转速的目的。
这种调速方法是有级的,不能平滑调速,而且只适用于鼠笼式电动机。
此图介绍的是最常见的单绕组双速电动机,转速比等于磁极倍数比,如2极/4极、4级/8极,从定子绕组△接法变为YY接法,磁极对数从p=2变为p=1。
∴转速比=2/1=2二、控制电路分析1、合上空气开关QF引入三相电源2、按下起动按钮SB2,交流接触器KM1线圈回路通电并自锁,KM1主触头闭合,为电动机引进三相电源,L1接U1、L2接V1、L3接W1;U2、V2、W2悬空。
电动机在△接法下运行,此时电动机p=2、n1=1500转/分。
3、若想转为高速运转,则按SB3按钮,SB3的常闭触点断开使接触器KM1线圈断电,KM1主触头断开使U1、V1、W1与三相电源L1、L2、L3脱离。
其辅助常闭触头恢复为闭合,为KM2线圈回路通电准备。
同时接触器KM2线圈回路通电并自锁,其常开触点闭合,将定子绕组三个首端U1、V1、W1连在一起,并把三相电源L1、L2、L3引入接U2、V2、W2,此时电动机在YY接法下运行,这时电动机p=1,n1=3000转/分。
KM2的辅助常开触点断开,防KM1误动。
4、FR1、FR2分别为电动机△运行和YY运行的过载保护元件。
5、此控制回路中SB2的常开触点与KM1线圈串联,SB2的常闭触点与KM2线圈串联,同样SB3按钮的常闭触点与KM1线圈串联,SB3的常开于KM2线圈串联,这种控制就是按钮的互锁控制,保证△与YY两种接法不可能同时出现,同时KM2辅助常闭触点接入KM1线圈回路,KM1辅助常闭触点接入KM2线圈回路,也形成互锁控制。
一、
如图1所示为接触器控制双速电动机电路,即用按钮和接触器来控制电动机高速、低速
控制线路,其中SB1、 KM1控制电动机低速运行;SB2、 KM2、KM3控制电动机高速运
行。
图1 接触器控制双速电动机电路
二、分析
1.△形低速起动运行:
SB1
常闭触头先分断对KM2、KM3联锁
按下 KM1自锁触头
闭合自锁 SB1常开触头后闭合 KM1KM1主触头闭合
KM1联锁触头分
断对KM2、KM3
联锁
电动机M 接成△形低速起动运行
2.YY形高速起动运行:
KM1自锁触头分断,
解除自锁
SB2常闭触头先分断KM1KM1主触头分断
按下KM1
SB2常开触头后闭合
KM2、KM3M接成YY形KM2、KM3线圈KM2、KM3主触头闭合高速起动运行
同时得电KM2、KM3联锁触头分断对KM1联锁
在控制电路中,按钮SB1、SB2、SB3、热继电器辅助触点属于控制信号,应作为PLC 的输入量分配接线端子;而接触器线圈属于被控对象,应作为PLC的输出量分配接线端子。
现对其进行PLC改造。
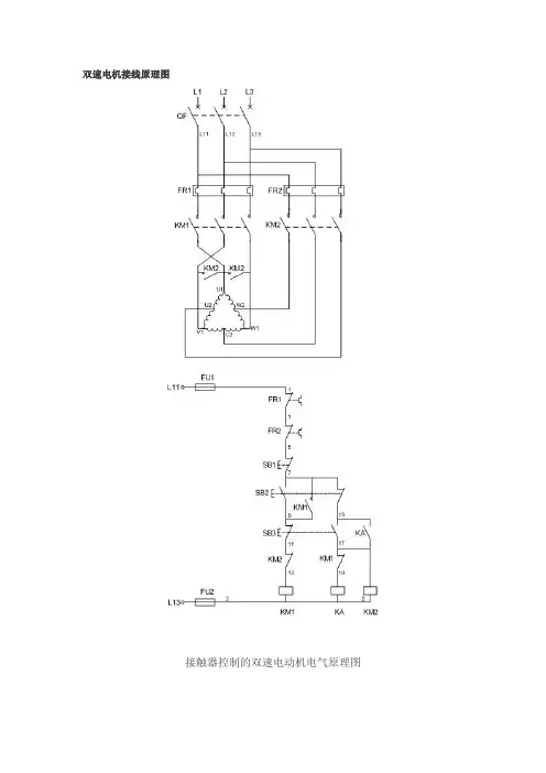
双速电机接线原理图之马矢奏春创作接触器控制的双速电动机电气原理图一、双速电动机简介双速电动机属于异步电动机变极调速,是通过改变定子绕组的连接方法达到改变定子旋转磁场磁极对数,从而改变电动机的转速。
根据公式;n1=60f/p可知异步电动机的同步转速与磁极对数成反比,磁极对数增加一倍,同步转速n1下降至原转速的一半,电动机额定转速n也将下降近似一半,所以改变磁极对数可以达到改变电动机转速的目的。
这种调速方法是有级的,不克不及平滑调速,而且只适用于鼠笼式电动机。
此图介绍的是最罕见的单绕组双速电动机,转速比等于磁极倍数比,如2极/4极、4级/8极,从定子绕组△接法变成YY 接法,磁极对数从p=2变成p=1。
∴转速比=2/1=2二、控制电路分析1、合上空气开关QF引入三相电源2、按下起动按钮SB2,交流接触器KM1线圈回路通电并自锁,KM1主触头闭合,为电动机引进三相电源,L1接U1、L2接V1、L3接W1;U2、V2、W2悬空。
电动机在△接法下运行,此时电动机p=2、n1=1500转/分。
3、若想转为高速运转,则按SB3按钮,SB3的常闭触点断开使接触器KM1线圈断电,KM1主触头断开使U1、V1、W1与三相电源L1、L2、L3脱离。
其辅助常闭触头恢复为闭合,为KM2线圈回路通电准备。
同时接触器KM2线圈回路通电并自锁,其常开触点闭合,将定子绕组三个首端U1、V1、W1连在一起,并把三相电源L1、L2、L3引入接U2、V2、W2,此时电动机在YY接法下运行,这时电动机p=1,n1=3000转/分。
KM2的辅助常开触点断开,防KM1误动。
4、FR1、FR2分别为电动机△运行和YY运行的过载呵护元件。
5、此控制回路中SB2的常开触点与KM1线圈串联,SB2的常闭触点与KM2线圈串联,同样SB3按钮的常闭触点与KM1线圈串联,SB3的常开于KM2线圈串联,这种控制就是按钮的互锁控制,包管△与YY两种接法不成能同时出现,同时KM2辅助常闭触点接入KM1线圈回路,KM1辅助常闭触点接入KM2线圈回路,也形成互锁控制。
双速电动机控制电路接触器控制的双速电动机电气原理图一、双速电动机简介双速电动机属于异步电动机变极调速,是通过改变定子绕组的连接方法达到改变定子旋转磁场磁极对数,从而改变电动机的转速。
根据公式;n1=60f/p可知异步电动机的同步转速与磁极对数成反比,磁极对数增加一倍,同步转速n1下降至原转速的一半,电动机额定转速n也将下降近似一半,所以改变磁极对数可以达到改变电动机转速的目的。
这种调速方法是有级的,不能平滑调速,而且只适用于鼠笼式电动机。
此图介绍的是最常见的单绕组双速电动机,转速比等于磁极倍数比,如2极/4极、4级/8极,从定子绕组△接法变为YY接法,磁极对数从p=2变为p=1。
∴转速比=2/1=2二、控制电路分析1、合上空气开关QF引入三相电源2、按下起动按钮SB2,交流接触器KM1线圈回路通电并自锁,KM1主触头闭合,为电动机引进三相电源,L1接U1、L2接V1、L3接W1;U2、V2、W2悬空。
电动机在△接法下运行,此时电动机p=2、n1=1500转/分。
3、若想转为高速运转,则按SB3按钮,SB3的常闭触点断开使接触器KM1线圈断电,KM1主触头断开使U1、V1、W1与三相电源L1、L2、L3脱离。
其辅助常闭触头恢复为闭合,为KM2线圈回路通电准备。
同时接触器KM2线圈回路通电并自锁,其常开触点闭合,将定子绕组三个首端U1、V1、W1连在一起,并把三相电源L1、L2、L3引入接U2、V2、W2,此时电动机在YY接法下运行,这时电动机p=1,n1=3000转/分。
KM2的辅助常开触点断开,防KM1误动。
4、FR1、FR2分别为电动机△运行和YY运行的过载保护元件。
5、此控制回路中SB2的常开触点与KM1线圈串联,SB2的常闭触点与KM2线圈串联,同样SB3按钮的常闭触点与KM1线圈串联,SB3的常开于KM2线圈串联,这种控制就是按钮的互锁控制,保证△与YY两种接法不可能同时出现,同时KM2辅助常闭触点接入KM1线圈回路,KM1辅助常闭触点接入KM2线圈回路,也形成互锁控制。
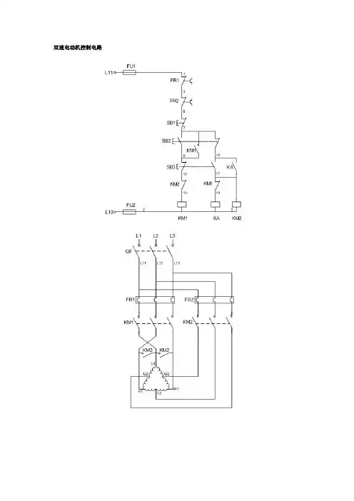
双速电动机利用接触器控制的电气原理图一、双速电动机简介双速电动机属于异步电动机变极调速,是通过改变定子绕组的连接方法达到改变定子旋转磁场磁极对数,从而改变电动机的转速。
根据公式;n1=60f/p可知异步电动机的同步转速与磁极对数成反比,磁极对数增加一倍,同步转速n1下降至原转速的一半,电动机额定转速n也将下降近似一半,所以改变磁极对数可以达到改变电动机转速的目的。
这种调速方法是有级的,不能平滑调速,而且只适用于鼠笼式电动机。
此图介绍的是最常见的单绕组双速电动机,转速比等于磁极倍数比,如2极/4极、4级/8极,从定子绕组△接法变为YY接法,磁极对数从p=2变为p=1。
∴转速比=2/1=2接触器控制的双速电动机电气原理图二、控制电路分析1、合上空气开关QF引入三相电源2、按下起动按钮SB2,交流接触器KM1线圈回路通电并自锁,KM1主触头闭合,为电动机引进三相电源,L1接U1、L2接V1、L3接W1;U2、V2、W2悬空。
电动机在△接法下运行,此时电动机p=2、n1=1500转/分。
3、若想转为高速运转,则按SB3按钮,SB3的常闭触点断开使接触器KM1线圈断电,KM1主触头断开使U1、V1、W1与三相电源L1、L2、L3脱离。
其辅助常闭触头恢复为闭合,为KM2线圈回路通电准备。
同时接触器KM2线圈回路通电并自锁,其常开触点闭合,将定子绕组三个首端U1、V1、W1连在一起,并把三相电源L1、L2、L3引入接U2、V2、W2,此时电动机在YY接法下运行,这时电动机p=1,n1=3000转/分。
KM2的辅助常开触点断开,防KM1误动。
4、FR1、FR2分别为电动机△运行和YY运行的过载保护元件。
5、此控制回路中SB2的常开触点与KM1线圈串联,SB2的常闭触点与KM2线圈串联,同样SB3按钮的常闭触点与KM1线圈串联,SB3的常开于KM2线圈串联,这种控制就是按钮的互锁控制,保证△与YY两种接法不可能同时出现,同时KM2辅助常闭触点接入KM1线圈回路,KM1辅助常闭触点接入KM2线圈回路,也形成互锁控制。
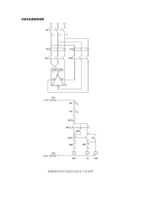
双速电机接线原理图之宇文皓月创作接触器控制的双速电动机电气原理图一、双速电动机简介双速电动机属于异步电动机变极调速,是通过改变定子绕组的连接方法达到改变定子旋转磁场磁极对数,从而改变电动机的转速。
根据公式;n1=60f/p可知异步电动机的同步转速与磁极对数成反比,磁极对数增加一倍,同步转速n1下降至原转速的一半,电动机额定转速n也将下降近似一半,所以改变磁极对数可以达到改变电动机转速的目的。
这种调速方法是有级的,不克不及平滑调速,而且只适用于鼠笼式电动机。
此图介绍的是最罕见的单绕组双速电动机,转速比等于磁极倍数比,如2极/4极、4级/8极,从定子绕组△接法变成YY接法,磁极对数从p=2变成p=1。
∴转速比=2/1=2二、控制电路分析1、合上空气开关QF引入三相电源2、按下起动按钮SB2,交流接触器KM1线圈回路通电并自锁,KM1主触头闭合,为电动机引进三相电源,L1接U1、L2接V1、L3接W1;U2、V2、W2悬空。
电动机在△接法下运行,此时电动机p=2、n1=1500转/分。
3、若想转为高速运转,则按SB3按钮,SB3的常闭触点断开使接触器KM1线圈断电,KM1主触头断开使U1、V1、W1与三相电源L1、L2、L3脱离。
其辅助常闭触头恢复为闭合,为KM2线圈回路通电准备。
同时接触器KM2线圈回路通电并自锁,其常开触点闭合,将定子绕组三个首端U1、V1、W1连在一起,并把三相电源L1、L2、L3引入接U2、V2、W2,此时电动机在YY接法下运行,这时电动机p=1,n1=3000转/分。
KM2的辅助常开触点断开,防KM1误动。
4、FR1、FR2分别为电动机△运行和YY运行的过载呵护元件。
5、此控制回路中SB2的常开触点与KM1线圈串联,SB2的常闭触点与KM2线圈串联,同样SB3按钮的常闭触点与KM1线圈串联,SB3的常开于KM2线圈串联,这种控制就是按钮的互锁控制,包管△与YY两种接法不成能同时出现,同时KM2辅助常闭触点接入KM1线圈回路,KM1辅助常闭触点接入KM2线圈回路,也形成互锁控制。
双速电机接线原理图L2111 LT7 L13接触器控制的双速电动机电气原理图、双速电动机简介双速电动机属于异步电动机变极调速,是通过改变定子绕组的连接方法达到改变定子旋转磁场磁极对数,从而改变电动机的转速。
根据公式;n1=60f/p 可知异步电动机的同步转速与磁极对数成反比,磁极对数增加一倍,同步转速n1 下降至原转速的一半,电动机额定转速n 也将下降近似一半,所以改变磁极对数可以达到改变电动机转速的目的。
这种调速方法是有级的,不能平滑调速,而且只适用于鼠笼式电动机。
此图介绍的是最常见的单绕组双速电动机,转速比等于磁极倍数比,如2极/ 4极、4级/ 8极,从定子绕组△接法变为丫丫接法,磁极对数从p = 2变为p=1。
•••转速比=2/1= 2二、控制电路分析1 、合上空气开关QF 引入三相电源2、按下起动按钮SB2,交流接触器KM1线圈回路通电并自锁,KM1主触头闭合,为电动机引进三相电源,L1接U1、L2接VI、L3接W1;U2 V2、W2悬空。
电动机在△接法下运行,此时电动机p=2、n1 = 1500转/分。
3、若想转为高速运转,则按SB3按钮,SB3的常闭触点断开使接触器KM1 线圈断电,KM1主触头断开使U1、VI、W1与三相电源L1、L2、L3脱离。
其辅助常闭触头恢复为闭合,为KM2线圈回路通电准备。
同时接触器KM2线圈回路通电并自锁,其常开触点闭合,将定子绕组三个首端U1、VI、W1连在一起,并把三相电源L1、L2、L3引入接U2 V2、W2此时电动机在丫丫接法下运行,这时电动机p=1,n1 = 3000转/分。
KM2的辅助常开触点断开,防KM1误动。
4、FR1、FR2分别为电动机△运行和丫丫运行的过载保护元件。
5、此控制回路中SB2的常开触点与KM1线圈串联,SB2的常闭触点与KM2线圈串联,同样SB3按钮的常闭触点与KM1线圈串联,SB3的常开于KM2线圈串联,这种控制就是按钮的互锁控制,保证△与丫丫两种接法不可能同时出现,同时KM2i助常闭触点接入KM1线圈回路,KM11助常闭触点接入KM2线圈回路, 也形成互锁控制。
双速电机接线原理图接触器控制得双速电动机电气原理图一、双速电动机简介双速电动机属于异步电动机变极调速,就是通过改变定子绕组得连接方法达到改变定子旋转磁场磁极对数,从而改变电动机得转速。
根据公式;n1=60f/p可知异步电动机得同步转速与磁极对数成反比,磁极对数增加一倍,同步转速n1下降至原转速得一半,电动机额定转速n也将下降近似一半,所以改变磁极对数可以达到改变电动机转速得目得。
这种调速方法就是有级得,不能平滑调速,而且只适用于鼠笼式电动机。
此图介绍得就是最常见得单绕组双速电动机,转速比等于磁极倍数比,如2极/4极、4级/8极,从定子绕组△接法变为YY接法,磁极对数从p=2变为p=1。
∴转速比=2/1=2二、控制电路分析1、合上空气开关QF引入三相电源2、按下起动按钮SB2,交流接触器KM1线圈回路通电并自锁,KM1主触头闭合,为电动机引进三相电源,L1接U1、L2接V1、L3接W1;U2、V2、W2悬空。
电动机在△接法下运行,此时电动机p=2、n1=1500转/分。
3、若想转为高速运转,则按SB3按钮,SB3得常闭触点断开使接触器KM1线圈断电,KM1主触头断开使U1、V1、W1与三相电源L1、L2、L3脱离。
其辅助常闭触头恢复为闭合,为KM2线圈回路通电准备。
同时接触器KM2线圈回路通电并自锁,其常开触点闭合,将定子绕组三个首端U1、V1、W1连在一起,并把三相电源L1、L2、L3引入接U2、V2、W2,此时电动机在YY接法下运行,这时电动机p=1,n1=3000转/分。
KM2得辅助常开触点断开,防KM1误动。
4、FR1、FR2分别为电动机△运行与YY运行得过载保护元件。
5、此控制回路中SB2得常开触点与KM1线圈串联,SB2得常闭触点与KM 2线圈串联,同样SB3按钮得常闭触点与KM1线圈串联,SB3得常开于KM2线圈串联,这种控制就就是按钮得互锁控制,保证△与YY两种接法不可能同时出现,同时KM2辅助常闭触点接入KM1线圈回路,KM1辅助常闭触点接入KM2线圈回路,也形成互锁控制。
双速电机接线原理图接触器控制的双速电动机电气原理图一、双速电动机简介双速电动机属于异步电动机变极调速,是通过改变定子绕组的连接方法达到改变定子旋转磁场磁极对数,从而改变电动机的转速。
根据公式;n1=60f/p可知异步电动机的同步转速与磁极对数成反比,磁极对数增加一倍,同步转速n1下降至原转速的一半,电动机额定转速n也将下降近似一半,所以改变磁极对数可以达到改变电动机转速的目的。
这种调速方法是有级的,不能平滑调速,而且只适用于鼠笼式电动机。
此图介绍的是最常见的单绕组双速电动机,转速比等于磁极倍数比,如2极/4极、4级/8极,从定子绕组△接法变为YY接法,磁极对数从p=2变为p=1。
∴转速比=2/1=2二、控制电路分析1、合上空气开关QF引入三相电源2、按下起动按钮SB2,交流接触器KM1线圈回路通电并自锁,KM1主触头闭合,为电动机引进三相电源,L1接U1、L2接V1、L3接W1;U2、V2、W2悬空。
电动机在△接法下运行,此时电动机p=2、n1=1500转/分。
3、若想转为高速运转,则按SB3按钮,SB3的常闭触点断开使接触器KM1线圈断电,KM1主触头断开使U1、V1、W1与三相电源L1、L2、L3脱离。
其辅助常闭触头恢复为闭合,为KM2线圈回路通电准备。
同时接触器KM2线圈回路通电并自锁,其常开触点闭合,将定子绕组三个首端U1、V1、W1连在一起,并把三相电源L1、L2、L3引入接U2、V2、W2,此时电动机在YY接法下运行,这时电动机p=1,n1=3000转/分。
KM2的辅助常开触点断开,防KM1误动。
4、FR1、FR2分别为电动机△运行和YY运行的过载保护元件。
5、此控制回路中SB2的常开触点与KM1线圈串联,SB2的常闭触点与KM2线圈串联,同样SB3按钮的常闭触点与KM1线圈串联,SB3的常开于KM2线圈串联,这种控制就是按钮的互锁控制,保证△与YY两种接法不可能同时出现,同时KM2辅助常闭触点接入KM1线圈回路,KM1辅助常闭触点接入KM2线圈回路,也形成互锁控制。
双速电机接线原理图接触器控制的双速电动机电气原理图一、双速电动机简介双速电动机属于异步电动机变极调速,是通过改变定子绕组的连接方法达到改变定子旋转磁场磁极对数,从而改变电动机的转速。
根据公式;n1=60f/p可知异步电动机的同步转速与磁极对数成反比,磁极对数增加一倍,同步转速n1下降至原转速的一半,电动机额定转速n也将下降近似一半,所以改变磁极对数可以达到改变电动机转速的目的。
这种调速方法是有级的,不能平滑调速,而且只适用于鼠笼式电动机。
此图介绍的是最常见的单绕组双速电动机,转速比等于磁极倍数比,如2极/4极、4级/8极,从定子绕组△接法变为YY接法,磁极对数从p=2变为p=1。
∴转速比=2/1=2二、控制电路分析1、合上空气开关QF引入三相电源2、按下起动按钮SB2,交流接触器KM1线圈回路通电并自锁,KM1主触头闭合,为电动机引进三相电源,L1接U1、L2接V1、L3接W1;U2、V2、W2悬空。
电动机在△接法下运行,此时电动机p=2、n1=1500转/分。
3、若想转为高速运转,则按SB3按钮,SB3的常闭触点断开使接触器KM1线圈断电,KM1主触头断开使U1、V1、W1与三相电源L1、L2、L3脱离。
其辅助常闭触头恢复为闭合,为KM2线圈回路通电准备。
同时接触器KM2线圈回路通电并自锁,其常开触点闭合,将定子绕组三个首端U1、V1、W1连在一起,并把三相电源L1、L2、L3引入接U2、V2、W2,此时电动机在YY接法下运行,这时电动机p=1,n1=3000转/分。
KM2的辅助常开触点断开,防KM1误动。
4、FR1、FR2分别为电动机△运行和YY运行的过载保护元件。
5、此控制回路中SB2的常开触点与KM1线圈串联,SB2的常闭触点与KM2线圈串联,同样SB3按钮的常闭触点与KM1线圈串联,SB3的常开于KM2线圈串联,这种控制就是按钮的互锁控制,保证△与YY两种接法不可能同时出现,同时KM2辅助常闭触点接入KM1线圈回路,KM1辅助常闭触点接入KM2线圈回路,也形成互锁控制。
双速电机接线原理图????接触器控制的双速电动机电气原理图?一、双速电动机简介??? 双速电动机属于异步电动机变极调速,是通过改变定子绕组的连接方法达到改变定子旋转磁场磁极对数,从而改变电动机的转速。
??? 根据公式;n1=60f/p可知异步电动机的同步转速与磁极对数成反比,磁极对数增加一倍,同步转速n1下降至原转速的一半,电动机额定转速n也将下降近似一半,所以改变磁极对数可以达到改变电动机转速的目的。
这种调速方法是有级的,不能平滑调速,而且只适用于鼠笼式电动机。
??? 此图介绍的是最常见的单绕组双速电动机,转速比等于磁极倍数比,如2极/4极、4级/8极,从定子绕组△接法变为YY接法,磁极对数从p=2变为p=1。
∴转速比=2/1=2二、控制电路分析??? 1、合上空气开关QF引入三相电源??? 2、按下起动按钮SB2,交流接触器KM1线圈回路通电并自锁,KM1主触头闭合,为电动机引进三相电源,L1接U1、L2接V1、L3接W1;U2、V2、W2悬空。
电动机在△接法下运行,此时电动机p=2、n1=1500转/分。
??? 3、若想转为高速运转,则按SB3按钮,SB3的常闭触点断开使接触器KM1线圈断电,KM1主触头断开使U1、V1、W1与三相电源L1、L2、L3脱离。
其辅助常闭触头恢复为闭合,为KM2线圈回路通电准备。
同时接触器KM2线圈回路通电并自锁,其常开触点闭合,将定子绕组三个首端U1、V1、W1连在一起,并把三相电源L1、L2、L3引入接U2、V2、W2,此时电动机在YY接法下运行,这时电动机p=1,n1=3000转/分。
KM2的辅助常开触点断开,防KM1误动。
??? 4、FR1、FR2分别为电动机△运行和YY运行的过载保护元件。
??? 5、此控制回路中SB2的常开触点与KM1线圈串联,SB2的常闭触点与KM2线圈串联,同样SB3按钮的常闭触点与KM1线圈串联,SB3的常开于KM2线圈串联,这种控制就是按钮的互锁控制,保证△与YY两种接法不可能同时出现,同时KM2辅助常闭触点接入KM1线圈回路,KM1辅助常闭触点接入KM2线圈回路,也形成互锁控制。
双速电机接线原理图接触器控制的双速电动机电气原理图一、双速电动机简介双速电动机属于异步电动机变极调速,是通过改变定子绕组的连接方法达到改变定子旋转磁场磁极对数,从而改变电动机的转速。
根据公式;n1=60f/p可知异步电动机的同步转速与磁极对数成反比,磁极对数增加一倍,同步转速n1下降至原转速的一半,电动机额定转速n也将下降近似一半,所以改变磁极对数可以达到改变电动机转速的目的。
这种调速方法是有级的,不能平滑调速,而且只适用于鼠笼式电动机。
此图介绍的是最常见的单绕组双速电动机,转速比等于磁极倍数比,如2极/4极、4级/8极,从定子绕组△接法变为YY接法,磁极对数从p=2变为p=1。
∴转速比=2/1=2二、控制电路分析1、合上空气开关QF引入三相电源2、按下起动按钮SB2,交流接触器KM1线圈回路通电并自锁,KM1主触头闭合,为电动机引进三相电源,L1接U1、L2接V1、L3接W1;U2、V2、W2悬空。
电动机在△接法下运行,此时电动机p=2、n1=1500转/分。
3、若想转为高速运转,则按SB3按钮,SB3的常闭触点断开使接触器KM1线圈断电,KM1主触头断开使U1、V1、W1与三相电源L1、L2、L3脱离。
其辅助常闭触头恢复为闭合,为KM2线圈回路通电准备。
同时接触器KM2线圈回路通电并自锁,其常开触点闭合,将定子绕组三个首端U1、V1、W1连在一起,并把三相电源L1、L2、L3引入接U2、V2、W2,此时电动机在YY接法下运行,这时电动机p=1,n1=3000转/分。
KM2的辅助常开触点断开,防KM1误动。
4、FR1、FR2分别为电动机△运行和YY运行的过载保护元件。
5、此控制回路中SB2的常开触点与KM1线圈串联,SB2的常闭触点与KM2线圈串联,同样SB3按钮的常闭触点与KM1线圈串联,SB3的常开于KM2线圈串联,这种控制就是按钮的互锁控制,保证△与YY两种接法不可能同时出现,同时KM2辅助常闭触点接入KM1线圈回路,KM1辅助常闭触点接入KM2线圈回路,也形成互锁控制。
双速电机接线原理图接触器控制的双速电动机电气原理图一、双速电动机简介??? 双速电动机属于异步电动机变极调速,是通过改变定子绕组的连接方法达到改变定子旋转磁场磁极对数,从而改变电动机的转速。
??? 根据公式;n1=60f/p可知异步电动机的同步转速与磁极对数成反比,磁极对数增加一倍,同步转速n1下降至原转速的一半,电动机额定转速n也将下降近似一半,所以改变磁极对数可以达到改变电动机转速的目的。
这种调速方法是有级的,不能平滑调速,而且只适用于鼠笼式电动机。
??? 此图介绍的是最常见的单绕组双速电动机,转速比等于磁极倍数比,如2极/4极、4级/8极,从定子绕组△接法变为YY接法,磁极对数从p=2变为p=1。
∴转速比=2/1=2二、控制电路分析??? 1、合上空气开关QF引入三相电源??? 2、按下起动按钮SB2,交流接触器KM1线圈回路通电并自锁,KM1主触头闭合,为电动机引进三相电源,L1接U1、L2接V1、L3接W1;U2、V2、W2悬空。
电动机在△接法下运行,此时电动机p=2、n1=1500转/分。
??? 3、若想转为高速运转,则按SB3按钮,SB3的常闭触点断开使接触器KM1线圈断电,KM1主触头断开使U1、V1、W1与三相电源L1、L2、L3脱离。
其辅助常闭触头恢复为闭合,为KM2线圈回路通电准备。
同时接触器KM2线圈回路通电并自锁,其常开触点闭合,将定子绕组三个首端U1、V1、W1连在一起,并把三相电源L1、L2、L3引入接U2、V2、W2,此时电动机在YY接法下运行,这时电动机p=1,n1=3000转/分。
KM2的辅助常开触点断开,防KM1误动。
??? 4、FR1、FR2分别为电动机△运行和YY运行的过载保护元件。
??? 5、此控制回路中SB2的常开触点与KM1线圈串联,SB2的常闭触点与KM2线圈串联,同样SB3按钮的常闭触点与KM1线圈串联,SB3的常开于KM2线圈串联,这种控制就是按钮的互锁控制,保证△与YY两种接法不可能同时出现,同时KM2辅助常闭触点接入KM1线圈回路,KM1辅助常闭触点接入KM2线圈回路,也形成互锁控制。
双速电机接线原理图接触器控制的双速电动机电气原理图一、双速电动机简介双速电动机属于异步电动机变极调速,是通过改变定子绕组的连接方法达到改变定子旋转磁场磁极对数,从而改变电动机的转速。
根据公式;n1=60f/p可知异步电动机的同步转速与磁极对数成反比,磁极对数增加一倍,同步转速n1下降至原转速的一半,电动机额定转速n也将下降近似一半,所以改变磁极对数可以达到改变电动机转速的目的。
这种调速方法是有级的,不能平滑调速,而且只适用于鼠笼式电动机。
此图介绍的是最常见的单绕组双速电动机,转速比等于磁极倍数比,如2极/4极、4级/8极,从定子绕组△接法变为YY接法,磁极对数从p=2变为p=1。
∴转速比=2/1=2二、控制电路分析1、合上空气开关QF引入三相电源2、按下起动按钮SB2,交流接触器KM1线圈回路通电并自锁,KM1主触头闭合,为电动机引进三相电源,L1接U1、L2接V1、L3接W1;U2、V2、W2悬空。
电动机在△接法下运行,此时电动机p=2、n1=1500转/分。
3、若想转为高速运转,则按SB3按钮,SB3的常闭触点断开使接触器KM1线圈断电,KM1主触头断开使U1、V1、W1与三相电源L1、L2、L3脱离。
其辅助常闭触头恢复为闭合,为KM2线圈回路通电准备。
同时接触器KM2线圈回路通电并自锁,其常开触点闭合,将定子绕组三个首端U1、V1、W1连在一起,并把三相电源L1、L2、L3引入接U2、V2、W2,此时电动机在YY接法下运行,这时电动机p=1,n1=3000转/分。
KM2的辅助常开触点断开,防KM1误动。
4、FR1、FR2分别为电动机△运行和YY运行的过载保护元件。
5、此控制回路中SB2的常开触点与KM1线圈串联,SB2的常闭触点与KM2线圈串联,同样SB3按钮的常闭触点与KM1线圈串联,SB3的常开于KM2线圈串联,这种控制就是按钮的互锁控制,保证△与YY两种接法不可能同时出现,同时KM2辅助常闭触点接入KM1线圈回路,KM1辅助常闭触点接入KM2线圈回路,也形成互锁控制。
(建筑电气工程)接触器控制的双速电动机电气原理
图
自制各种PLC编程电缆
前言
随着可编程序控制器(PLC)在工业控制领域的广泛应用,PLC编程成了电气工程技术人员必须掌握的专业技能。
可编程序控制器的品牌众多,欧、美、日、韩及台湾的PLC 纷纷抢滩大陆,在给使用者提供了多种选择的同时,也给使用者带来了小小麻烦。
由于不同品牌PLC的编程电缆互不通用,买壹根原装电缆往往上千元。
对于以学习为主要目的以及经常碰到不同品牌PLC的技术人员来说,如果能够有办法花较低的代价自制壹根编程电缆,无疑为他们提供了方便。
PLC虽然品牌众多,但各种品牌的PLC其编程接口不外乎几种型式,在PLC随机提供的技术手册里壹般也都会提供编程口的引脚定义,这就为自制编程线提供了可能。
下面我就PLC编程口的几种串行通信接口标准和物理结构,详细说明如何DIY壹根适用的编程电缆。
二.PLC编程口的型式
编程电缆壹端和PC的COM口相连,另壹端和PLC的编程口相连,PC端的COM 口均为RS232C接口,DB-9针形插头。
而PLC的编程口按接口标准壹般可分为三种,即RS232、RS485、RS422。
按物理结构可分为五种,即八针圆口(DIN-8),九针D形口(DB-9),二十五针D形口(DB-25),RJ11口以及专用接口,其中以前俩种居多,各接口引脚排列如图壹所示。
图壹
为了做好编程电缆,首先要大概了解壹下这三种串行通信接口标准。
RS-232、RS-422和RS-485是三种串行数据接口标准,接口标准只对接口的电气特性做出规定,而不涉及接插件、电缆或协议,所以同样壹种接口标准能够有不同的物理结构,如DB-9、DB-25等。
RS-232是PC机和通信工业中应用最广泛的壹种串行接口,RS-232C总线标准设有25条信号线,包括壹个主通道和壹个辅助通道。
多数情况下只使用主通道,常用九条信号线(九针D形口),各引脚定义如表壹所示。
对于壹般双工通信,仅需几条信号线就可实现,如发送数据线TXD和接收数据线RXD以及逻辑地线GND,RS232C只能点对点通讯,传输距离短,共模抑制能力差。
RS-485采用平衡发送和差分接收,因此具有抑制共模干扰的能力。
它使用壹对双绞线,将其中壹根定义为A(TXD-/RXD-),另壹根定义为B(TXD+/RXD+),不需要数字地线。
速率在100kbps及以下时通信距离达1200米之上。
RS-485能够联网构成分布式系统,其允许最多且联32台驱动器和32台接收器。
RS-485只能实现半双工通信。
RS-232接口引脚定义
25针9针缩写描述
23TXD发送数据
32RXD接收数据
47RTS请求发送
58CTS允许发送
66DSR通讯设备准备好
75GND信号地
81CD载波检测
204DTR数据终端准备好
229RI响铃指示器
表壹
RS-422接口标准主要是为克服RS-232接口标准的通讯距离短和传输速率慢而建立的。
RS-422标准是壹种以平衡方式传输的标准,使用二对双绞线,每个信号以俩根信号线来传输,即发送数据TXD+、TXD-,接收数据RXD+、RXD-,逻辑电平是由俩条传输线之间的电位差来决定的,由于采用了双线传输,大大增强了抗共模干扰的能力,因此最大数据速率可达10MbPs(传送15m时)。
若传输速率降到90kbPs时,则最大距离可达1200m,可实现全双工通信。
三.编程电缆的制作
各厂家的编程电缆的作用就是将PLC端的RS485、RS422格式的数据转换为PC端的RS232C格式的数据,PLC端如果是RS232则只要按规则直接连接即可。
因此要自制PLC 编程电缆,就必须将PLC端的RS485、RS422转换为PC机能够识别的RS232C,PC才能和PLC通信,完成下载、上传、监控等工作,这就涉及到壹个接口标准转换的问题。
实现接口转换有几种方法:壹是用简易的电平转换电路,但壹种电路只能针对壹种PLC,且功能不全,性能也不太可靠,甚至可能会损坏PC机的串口;二是用专用的接口转换IC,但业余实
现起来比较复杂,不适合自制。
这里我们使用壹种成品通讯接口转换器,能够实现
RS232/RS485/RS422的转换,由于是专用的通讯接口转换器,使用起来很方便且性能可靠,价格也比较低。
该类产品市场上比较多,以四川德阳四星电子的产品SC-485C接口转换器为例,该转换器用于RS232到RS485/RS422的通讯转换,体积小巧,只有俩个DB-9插头大小,采用串口窃电技术,不需外接电源。
SC-485C的结构及引脚定义如图二所示。
RS232端为DB-9的孔座,能够直接插在PC机的COM口上,RS485/RS422端为DB-9的针座,RS485时使用3脚和8脚,RS422时用3脚、8脚、1脚和7脚。
利用该接口转换器制作编程电缆如图三所示。
左侧为SC-485C接口转换器,右侧从上而下分别为DIN-8、RJ11、DB-9和DB25插头的编程电缆,电缆靠近接口转换器壹边的插头均为DB-9孔型插头,另壹头均为针插头,分别对应不同物理结构的PLC编程口。
图二
图三
接线时根据PLC端是RS485仍是RS422选择对应的引脚,按照“发送接接收,接收接发送,正接正,负接负”的规律连接,SC-485C接口转换器和PLCRS485、RS422接口接线图和PC和PLCRS232接口接线见图四。
图四
做好壹根编程电缆,除了要进行RS232/RS485/RS422之间的接口转换外,仍必须了解PLC编程口各引脚的定义,因为即使是采用同壹种接口标准,不同厂家的PLC其引脚分布也是不相同的。
表二提供了几种主流PLC的引脚定义,供自制时参考。
未列举的PLC能够查找随机的技术手册,也能够到网上找壹个通用型人机界面(HMI)的说明书,在HMI和各厂家PLC联机的连线说明中能够找到市场上绝大多数PLC的引脚定义。
部份PLC编程口引脚定义
PLC型号接口标准接口外形引脚定义
S7-200RS485DB-93B/8A
TIWDO/NEZARS485DIN-81A/2B
LGMASTERK系列RS232DB-92RXD/3TXD/5GND
FX2N/FX0NRS422DIN-81RXD-/2RXD+/4TXD-/7TXD+
OMRONCH200HSRS232DB-92TXD/3RXD/7GND/4RTS/5CTSABBCOMLI (SLAVEMODE)RS2326TXD/7RXD/5GND
KOYODIRECTDLRS232RJ114TXD/3RXD/1GND
表二
四、结束语
壹种原装电缆只能在壹种PLC上使用,而壹只接口转换器配上不同接插件能够组合成壹套编程电缆,几乎能够在任何品牌的PLC上使用。
接口转换器和接插件在通信市场都能买到,而且价格便宜,总成本仅需原装电缆价格的十分之壹左右,制作也非常简便。
自制的编程电缆能够在PC和PLC之间能够完成程序上传、下载、在线监控等功能,在功能和可靠性上比
起原装电缆来能够说是毫不逊色。
上世纪九十年代走向实用化的现场总线控制系统,正以迅猛的势头快速发展,是目前世界上最新型的控制系统。
现场总线控制系统是目前自动化技术中的壹个热点,正受到国内外自动化设备制造商和用户越来越强烈的关注。
现场总线控制系统的出现,将给自动化领域带来又壹次革命,其深度和广度将超过历史的任何壹次,从而开创自动化的新纪元。
在有些行业,FCS是由PLC发展而来的;而在另壹些行业,FCS又是由DCS发展而来的,所以FCS和PLC及DCS之间有着千丝万缕的联系,又存在着本质的差异。
本文试就PLC、DCS、FCS三大控制系统的特点和差异作壹分析,指出它们之间的渊源及发展方向。