厂房的防火间距
- 格式:wps
- 大小:104.00 KB
- 文档页数:11
车间、厂房、储罐安全间距
1、甲类车间之间的防火距离不应小于12米,甲类车间离主干道之间
的防火距离不应小于10米,离次干道之间的防火距离不应小于5米
乙类车间之间之间的防火距离不应小于10米甲类与乙类车间之间之间的防火距离不应小于12米
2、厂区围墙与厂内建筑之间的间距不宜小于5.0m,且围墙两侧的建筑之间还应满足相应的防火间距要求
3、甲类厂房与重要公共建筑之间的防火间距不应小于50.0m,与明
火或散发火花地点之间的防火间距不应小于30.0 m,与甲、乙、丙类液体储罐,可燃、助燃气体储罐,液化石油气储罐,可燃材料堆场的防火间距,储罐防火堤外侧基脚线至建筑物的距离不应小于10 ;乙
类仓库,与民用建筑之间的防火间距不宜小于25.0m,与重要公共
建筑之间的防火间距不宜小于30.0m,
4、散发可燃气体、可燃蒸气的甲类厂房与道路等的防火间距不应小于表2.1的规定,但甲类厂房所属厂内铁路装卸线当有安全措施时,其间距可不受表2.1规定的限制。
表2.1 甲类厂房与铁路、道路等的防火间距(m)
注:厂房与道路路边的防火间距按建筑距道路最近一侧路边的最小距离计算。
5、高层厂房与甲、乙、丙类液体储罐,可燃、助燃气体储罐,液
化石油气储罐,可燃材料堆场(煤和焦炭场除外)的防火间距不应小
于13.0m。
6、两排卧式储罐之间的防火间距不应小于3米,防火堤内侧基脚线至立式储罐外壁的水平距离不应小于罐壁高度的一半,防火堤内侧基脚线至卧式储罐外壁的水平距离不应小于3米。
厂房、仓库、储罐、加油站安全间距1.厂房、仓库等建筑物的防火间距(表1 — 1)(GB50016-2006)表1 — 1 厂房、仓库等建筑物的防火间距2.液体储罐的防火间距(表1-2)(GB50016-2006)表1-2 液体储罐的防火间距(m)3.加油站内、外建筑(设施)之间的防火距离(表2 — 1、表2 — 2)(GB50156-2002 (2006 年版))表2—1 加油站内设施之间的防火距离表2-2 加油站与站外建筑物之间的防火距离一级加油站总容积大于120立方米,小于或等于180立方米,单罐容积小于或等于50立方米。
二级加油站总容积大于60立方米,小于或等于120立方米,单罐容积小于或等于50立方米。
三级加油站总容积小于或等于60立方米,单罐容积小于或等于30立方米。
柴油罐容积可折半计入油罐总容积。
, 建规(GB50016-2006)中常涉及的部分安全规定1.厂房、仓库1.建筑面积小于等于300m2的独立甲、乙类单层厂房,可采用三级耐火等级的建筑。
(3.3.5)2.厂房内设置甲、乙类中间仓库时,其储量不宜超过一昼夜的需要量。
(3.3.9)3.仓库内严禁设置员工宿舍。
(3.3.15)4.甲、乙类仓库内严禁设置办公室、休息室等,并不应贴邻建造。
(3.3.15)5.有爆炸危险的甲、乙类厂房宜独立设置,并宜采用敞开或半敞开式。
其承重结构宜采用钢筋混凝土或钢框架、排架结构。
(3.6.1)6.有爆炸危险的甲、乙类厂房的总控制室应独立设置。
(3.6.8)7.甲、乙、丙类液体仓库应设置防止液体流散的设施。
遇湿会发生燃烧爆炸的物品仓库应设置防止水浸渍的措施。
(3.6.11)2.安全出口8.厂房的安全出口应分散布置。
每个防火分区、一个防火分区的每个楼层,其相邻2个安全出口最近边缘之间的水平距离不应小于5.0m。
(3.7.1)9.厂房的每个防火分区其安全出口的数量应经计算确定,且不应少于2 个,当符合下列条件时,可设置1个安全出口:(3.7.2)1甲类厂房,每层建筑面积小于等于100m2,且同一时间的生产人数不超过5人;2乙类厂房,每层建筑面积小于等于150m2,且同一时间的生产人数不超过10人;3丙类厂房,每层建筑面积小于等于250m2,且同一时间的生产人数不超过20人10.每座仓库的安全出口不应少于2个,当一座仓库的占地面积小于等于300m2时,可设置1个安全出口。
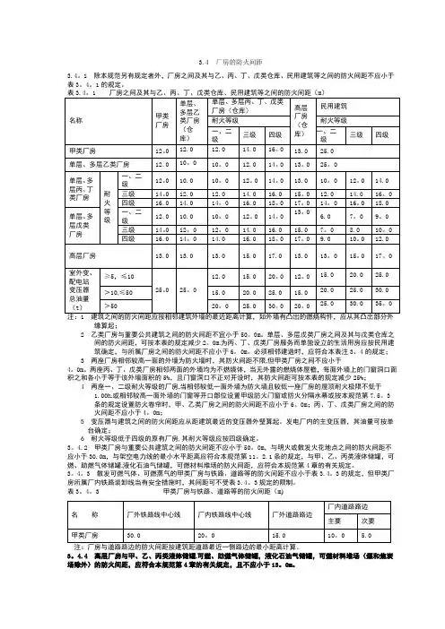
建筑设计防火规范(2018 年版)3 .4 厂房的防火间距3.4 .1 除本规范另有规定外,厂房之间及与乙、丙、丁、戊类仓库、民用建筑等的防火间距不应小于表3.4 .1 的规定,与甲类仓库的防火间距应符合本规范第3.5.1 条的规定。
表 3. 4.1 厂房之间及与乙、丙、丁、戊类仓库、民用建筑等的防火间距 注:1 乙类厂房与重要公共建筑的防火间距不宜小于 50m ;与明火或散发火花地点, 不 宜小于 30m 。
单、多层戊类厂房之间及与戊类仓库的防火间距可按本表的规定减少 2m , 与民用建筑的防火间距可将戊类厂房等同民用建筑按本规范第 5.2. 2 条的规定执行。
为 丙、丁、 戊类厂房服务而单独设置的生活用房应按民用建筑确定, 与所属厂房的防火间距不 应小于 6m 。
确需相邻布置时,应符合本表注 2、 3 的规定。
2 两座厂房相邻较高一面外墙为防火墙, 或相邻两座高度相同的一、 二级耐火等级建 筑中相邻任一侧外墙为防火墙且屋顶的耐火极限不低于 1 .00h 时,其防火间距不限,但甲 类厂房之间不应小于 4m 。
两座丙、丁、戊类厂房相邻两面外墙均为不燃性墙体,当无外露 的可燃性屋檐,每面外墙上的门、窗、洞口面积之和各不大于外墙面积的 5 %,且门、窗、 洞口不正对开设时,其防火间距可按本表的规定减少 25 %。
甲、乙类厂房 (仓库)不应与本 规范第 3. 3.5 条规定外的其他建筑贴邻。
3 两座一、 二级耐火等级的厂房, 当相邻较低一面外墙为防火墙且较低一座厂房的屋 顶无天窗,屋顶的耐火极限不低于 1. 00h ,或相邻较高一面外墙的门、窗等开口部位设置 甲级防火门、窗或防火分隔水幕或按本规范第 6. 5.3 条的规定设置防火卷帘时,甲、乙 类厂房之间的防火间距不应小于 6m ;丙、丁、戊类厂房之间的防火间距不应小于 4m 。
4 发电厂内的主变压器,其油量可按单台确定。
5 耐火等级低于四级的既有厂房,其耐火等级可按四级确定。
丙类厂房消防间距(最新版)目录1.丙类厂房的定义和分类2.丙类厂房的防火间距要求3.丙类厂房的消防设施要求4.丙类厂房与其他建筑的防火间距要求5.结论正文丙类厂房是指生产、储存、使用和加工各类丙类物品的场所,根据其建筑结构和耐火等级的不同,可分为砼框架厂房和钢结构厂房。
在消防安全方面,丙类厂房与其他建筑的防火间距要求较为严格。
一、丙类厂房的定义和分类丙类厂房是指生产、储存、使用和加工各类丙类物品的场所。
根据其建筑结构和耐火等级的不同,可分为砼框架厂房和钢结构厂房。
二、丙类厂房的防火间距要求根据《建筑设计防火规范》(GB50016-2014) 的规定,丙类厂房与其他建筑的防火间距要求如下:1.多层丙类厂房与其他建筑的最小防火间距为 12 米;2.高层丙类厂房与其他建筑的最小防火间距为 13 米;3.丙类厂房与其他建筑的耐火等级均为一二级时,其最小防火间距为10 米。
三、丙类厂房的消防设施要求为了保障丙类厂房的消防安全,需按照相关规定设置消防设施。
主要包括:1.周围安装消火栓,室内安装消火栓系统,并配备消防水枪;2.设置自动喷水灭火系统,喷水强度每分钟达到 80 升以上;3.设置排烟设施,及时排除烟雾;4.设置应急照明和疏散指示标志;5.配备灭火器,每个车间都要设置灭火器。
四、丙类厂房与其他建筑的防火间距要求根据《建筑设计防火规范》(GB50016-2014) 的规定,丙类厂房与其他建筑的防火间距要求如下:1.与单、多层甲类厂房或仓库的最小间距为 12 米;2.与单、多层乙类厂房或仓库的最小间距为 10 米;3.与高层乙类厂房或仓库的最小间距为 13 米;4.与单、多层丙丁戊类厂房或仓库的最小间距为 10 米;5.与高层丙丁戊类厂房或仓库的最小间距为 13 米。
五、结论综上所述,丙类厂房在防火间距和消防设施方面有严格的要求,以保障厂房内的生产安全。
3.4 厂房的防火间距时间:2007-05-28 来源:作者:本规范第3.4和3.5节中规定的有关防火间距均为建筑间的最小间距要求。
从防火角度和保障人员安全、减少财产损失来看,在有条件时,设计者应尽可能采用较大间距。
防火间距的确定主要综合考虑满足扑救火灾需要,防止火势向邻近建筑蔓延扩大以及节约用地等因素。
影响防火间距的因素较多、条件各异,从火灾蔓延角度看,主要有“飞火”、“热对流”和“热辐射”等。
1 “飞火”与风力、火焰高度有关。
在大风情况下,从火场飞出的“火团”可达数十米至数百米。
显然,如以飞火为主要危险源,要求距离太大,难以做到。
2 “热对流”,主要考虑热气流喷出窗口后会向上升腾,对相邻建筑的火灾蔓延影响较“热辐射”小,可以不考虑。
3 “热辐射”,火灾时建筑物可能产生的热辐射强度是确定防火间距应考虑的主要因素。
热辐射强度与消防扑救力量、火灾延续时间、可燃物的性质和数量、相对外墙开口面积的大小、建筑物的长度和高度以及气象条件等有关。
国外虽有按热辐射强度理论计算防火间距的公式,但没有把影响热辐射的一些主要因素(如发现和扑救火灾早晚、火灾持续时间)考虑进去,计算数据往往偏大,目前国内还缺乏这方面的研究成果。
因此,本条规定防火间距主要是根据当前消防扑救力量,结合火灾实例和消防灭火的实际经验确定的。
据调查,一、二级耐火等级建筑之间,在初期火灾时有10m左右的间距,三、四级耐火等级建筑有14~18m的距离,一般能满足扑救需要和控制火势蔓延。
火灾蔓延与很多条件有关,本条规定的基本数据,只是考虑一般情况,基本能防止初期火灾的蔓延。
3.4.1 本条规定了厂房之间及厂房与乙、丙、丁、戊类仓库之间以及与其他建筑物之间的防火间距。
1 规范中表3.4.1是指厂房防火间距的基本要求。
由于厂房生产类别、高度不同,具体执行应有所区别,因此,根据厂房生产的火灾危险性类别不同分别作出了不同的规定。
对于现有厂房改、扩建时,如执行防火间距的规定有困难,当采取了防火措施后可以减少间距。
建筑设计防火规范(2018年版)3.4 厂房的防火间距3.4.1 除本规范另有规定外,厂房之间及与乙、丙、丁、戊类仓库、民用建筑等的防火间距不应小于表3.4.1的规定,与甲类仓库的防火间距应符合本规范第3.5.1条的规定。
表3.4.1 厂房之间及与乙、丙、丁、戊类仓库、民用建筑等的防火间距(m)注:1 乙类厂房与重要公共建筑的防火间距不宜小于50m;与明火或散发火花地点,不宜小于30m。
单、多层戊类厂房之间及与戊类仓库的防火间距可按本表的规定减少2m,与民用建筑的防火间距可将戊类厂房等同民用建筑按本规范第5.2.2条的规定执行。
为丙、丁、戊类厂房服务而单独设置的生活用房应按民用建筑确定,与所属厂房的防火间距不应小于6m。
确需相邻布置时,应符合本表注2、3的规定。
2 两座厂房相邻较高一面外墙为防火墙,或相邻两座高度相同的一、二级耐火等级建筑中相邻任一侧外墙为防火墙且屋顶的耐火极限不低于1.00h时,其防火间距不限,但甲类厂房之间不应小于4m。
两座丙、丁、戊类厂房相邻两面外墙均为不燃性墙体,当无外露的可燃性屋檐,每面外墙上的门、窗、洞口面积之和各不大于外墙面积的5%,且门、窗、洞口不正对开设时,其防火间距可按本表的规定减少25%。
甲、乙类厂房(仓库)不应与本规范第3.3.5条规定外的其他建筑贴邻。
3 两座一、二级耐火等级的厂房,当相邻较低一面外墙为防火墙且较低一座厂房的屋顶无天窗,屋顶的耐火极限不低于1.00h,或相邻较高一面外墙的门、窗等开口部位设置甲级防火门、窗或防火分隔水幕或按本规范第6.5.3条的规定设置防火卷帘时,甲、乙类厂房之间的防火间距不应小于6m;丙、丁、戊类厂房之间的防火间距不应小于4m。
4 发电厂内的主变压器,其油量可按单台确定。
5 耐火等级低于四级的既有厂房,其耐火等级可按四级确定。
6 当丙、丁、戊类厂房与丙、丁、戊类仓库相邻时,应符合本表注2、3的规定。
3.4.2 甲类厂房与重要公共建筑的防火间距不应小于50m,与明火或散发火花地点的防火间距不应小于30m。
厂房防火间距记忆口诀在我们工厂里,防火间距可真是个大问题,别小看这个,关系到大家的安全,关系到财产,甚至关系到我们能不能愉快地继续工作。
说到这个,我脑海里总是闪过一句老话:远水救不了近火。
没错,火灾这种事,真是说来就来,没个预兆,等你反应过来,火已经烧得不可开交了。
为了让大家对防火间距有个直观的理解,我给大家编了一些小口诀,这可比书本上的那些枯燥得多,轻松记,随口说,绝对不成问题。
首先说说间距,咱们的厂房与厂房之间,要留出一定的距离,像两个人一样,不能挤得太近,彼此的空间得留着。
听说厂房之间的间距得有六米,这个数字可真是太关键了,简直就是防火的黄金法则。
想想吧,万一其中一个地方着了火,火势很快就能蔓延,若是没有这六米的隔离,就像一根火柴点燃了一整片干草,那可就热闹了!再说了,六米这个距离,就像隔着一条小河,咱们只要不往河里扔火种,就能安然无恙。
咱们再聊聊堆放的东西。
厂房里总有些杂七杂八的材料,像一堆干草堆在一起,火一来,可就成了火山爆发。
听说,堆放易燃物品的时候,得离建筑物一米开外,乖乖,这可不是小事,心里得有数。
记住了,就像开车时保持安全车距,别等到刹车时才发现前面那辆车离得太近,撞了可就得不偿失。
咱们平时多注意一点,火灾自然就远离了我们。
咱们工厂还有个重要的设施,就是消防通道。
哎,谁都不想用到它,但总得备着嘛。
消防通道可得保持畅通无阻,像一条宽阔的大路,绝对不能被杂物堵住。
工人们忙起来,觉得“哎呀,放点东西也没事”,可如果真出事,消防车可进不来,那就麻烦了。
这就像你家门口堵了车,想出门也出不去,那可真是叫天天不应,叫地地不灵。
咱们厂房里装的那些设备,得记得和墙壁保持一米的距离。
你说这又是为什么呢?别小看这个距离,设备之间留点空儿,能防止热量聚集,没准儿哪天就能防止一场大火。
这就好比一个人,别总盯着手机,适当放松一下眼睛,保护好自己的视力,才能看得更远,做得更好。
除了这些,大家还得多关注消防器材的放置。
3.4 厂房的防火间距3.4。
1 除本规范另有规定者外,厂房之间及其与乙、丙、丁、戊类仓库、民用建筑等之间的防火间距不应小于表3。
4。
1的规定。
缘算起;2 乙类厂房与重要公共建筑之间的防火间距不宜小于50。
0m。
单层、多层戊类厂房之间及其与戊类仓库之间的防火间距,可按本表的规定减少2。
0m.为丙、丁、戊类厂房服务而单独设立的生活用房应按民用建筑确定,与所属厂房之间的防火间距不应小于6。
0m。
必须相邻建造时,应符合本表注3、4的规定;3 两座厂房相邻较高一面的外墙为防火墙时,其防火间距不限,但甲类厂房之间不应小于4。
0m。
两座丙、丁、戊类厂房相邻两面的外墙均为不燃烧体,当无外露的燃烧体屋檐,每面外墙上的门窗洞口面积之和各小于等于该外墙面积的5%,且门窗洞口不正对开设时,其防火间距可按本表的规定减少25%;4 两座一、二级耐火等级的厂房,当相邻较低一面外墙为防火墙且较低一座厂房的屋顶耐火极限不低于1.00h,或相邻较高一面外墙的门窗等开口部位设置甲级防火门窗或防火分隔水幕或按本规范第7.5。
3条的规定设置防火卷帘时,甲、乙类厂房之间的防火间距不应小于6。
0m;丙、丁、戊类厂房之间的防火间距不应小于4。
0m;5 变压器与建筑之间的防火间距应从距建筑最近的变压器外壁算起。
发电厂内的主变压器,其油量可按单台确定;6 耐火等级低于四级的原有厂房,其耐火等级应按四级确定。
3。
4.2 甲类厂房与重要公共建筑之间的防火间距不应小于50。
0m,与明火或散发火花地点之间的防火间距不应小于30.0m,与架空电力线的最小水平距离应符合本规范第11。
2.1条的规定,与甲、乙、丙类液体储罐,可燃、助燃气体储罐,液化石油气储罐,可燃材料堆场的防火间距,应符合本规范第4章的有关规定。
3。
4。
3 散发可燃气体、可燃蒸气的甲类厂房与铁路、道路等的防火间距不应小于表3.4。
3的规定,但甲类厂房所属厂内铁路装卸线当有安全措施时,其间距可不受表3.4。
3.4 厂房的防火间距3。
4。
1 除本规范另有规定者外,厂房之间及其与乙、丙、丁、戊类仓库、民用建筑等之间的防火间距不应小于表3。
4.1的规定。
算起;2 乙类厂房与重要公共建筑之间的防火间距不宜小于50。
0m.单层、多层戊类厂房之间及其与戊类仓库之间的防火间距,可按本表的规定减少2.0m。
为丙、丁、戊类厂房服务而单独设立的生活用房应按民用建筑确定,与所属厂房之间的防火间距不应小于6。
0m.必须相邻建造时,应符合本表注3、4的规定;3 两座厂房相邻较高一面的外墙为防火墙时,其防火间距不限,但甲类厂房之间不应小于4。
0m.两座丙、丁、戊类厂房相邻两面的外墙均为不燃烧体,当无外露的燃烧体屋檐,每面外墙上的门窗洞口面积之和各小于等于该外墙面积的5%,且门窗洞口不正对开设时,其防火间距可按本表的规定减少25%;4 两座一、二级耐火等级的厂房,当相邻较低一面外墙为防火墙且较低一座厂房的屋顶耐火极限不低于1。
00h,或相邻较高一面外墙的门窗等开口部位设置甲级防火门窗或防火分隔水幕或按本规范第7.5.3条的规定设置防火卷帘时,甲、乙类厂房之间的防火间距不应小于6.0m;丙、丁、戊类厂房之间的防火间距不应小于4.0m;5 变压器与建筑之间的防火间距应从距建筑最近的变压器外壁算起.发电厂内的主变压器,其油量可按单台确定;6 耐火等级低于四级的原有厂房,其耐火等级应按四级确定。
3.4.2 甲类厂房与重要公共建筑之间的防火间距不应小于50.0m,与明火或散发火花地点之间的防火间距不应小于30.0m,与架空电力线的最小水平距离应符合本规范第11。
2.1条的规定,与甲、乙、丙类液体储罐,可燃、助燃气体储罐,液化石油气储罐,可燃材料堆场的防火间距,应符合本规范第4章的有关规定。
3.4。
3 散发可燃气体、可燃蒸气的甲类厂房与铁路、道路等的防火间距不应小于表3。
4。
3的规定,但甲类厂房所属厂内铁路装卸线当有安全措施时,其间距可不受表3。
厂房、仓库、储罐、加油站安全间距1.厂房、仓库等建筑物的防火间距(表1-1) (GB50016-2006)表1-1 厂房、仓库等建筑物的防火间距2.液体储罐的防火间距(表1-2)(GB50016-2006)表1-2 液体储罐的防火间距(m)3. 加油站内、外建筑(设施)之间的防火距离(表2-1、表2-2)(GB50156-2002(2006年版))表2-1 加油站内设施之间的防火距离表2-2 加油站与站外建筑物之间的防火距离等于50立方米。
二级加油站总容积大于60立方米,小于或等于120立方米,单罐容积小于或等于50立方米。
三级加油站总容积小于或等于60立方米,单罐容积小于或等于30立方米。
柴油罐容积可折半计入油罐总容积。
. 建规(GB50016-2006)中常涉及的部分安全规定1.厂房、仓库1. 建筑面积小于等于300m2的独立甲、乙类单层厂房,可采用三级耐火等级的建筑。
(3.3.5)2. 厂房内设置甲、乙类中间仓库时,其储量不宜超过一昼夜的需要量。
(3.3.9)3. 仓库内严禁设置员工宿舍。
(3.3.15)4. 甲、乙类仓库内严禁设置办公室、休息室等,并不应贴邻建造。
(3.3.15)5. 有爆炸危险的甲、乙类厂房宜独立设置,并宜采用敞开或半敞开式。
其承重结构宜采用钢筋混凝土或钢框架、排架结构。
(3.6.1)6. 有爆炸危险的甲、乙类厂房的总控制室应独立设置。
(3.6.8)7.甲、乙、丙类液体仓库应设置防止液体流散的设施。
遇湿会发生燃烧爆炸的物品仓库应设置防止水浸渍的措施。
(3.6.11)2.安全出口8. 厂房的安全出口应分散布置。
每个防火分区、一个防火分区的每个楼层,其相邻2个安全出口最近边缘之间的水平距离不应小于5.0m。
(3.7.1)9. 厂房的每个防火分区其安全出口的数量应经计算确定,且不应少于2个,当符合下列条件时,可设置1个安全出口:(3.7.2)1 甲类厂房,每层建筑面积小于等于100m2,且同一时间的生产人数不超过5人;2 乙类厂房,每层建筑面积小于等于150m2,且同一时间的生产人数不超过10 人;3 丙类厂房,每层建筑面积小于等于250m2,且同一时间的生产人数不超过20 人10. 每座仓库的安全出口不应少于2个,当一座仓库的占地面积小于等于300m2时,可设置1 个安全出口。
第三节厂房的防火间距第3.3.1条厂房之间的防火间距不应小于表3.3.1的规定(本规范另有规定者除外)。
注:①防火间距应按相邻建筑物外墙的最近距离计算,如外墙有凸出的燃烧构件,则应从其凸出部分外缘算起(以后有关条文均同此规定)。
②甲类厂房之间及其与其他厂房之间的防火间距,应按本表增加2m,戊类厂房之间的防火间距,可按本表减小2m。
③高层厂房之间及其与其他厂房之间的防火间距,应按本表增加3m。
④两座厂房相邻较高一面的外墙为防火墙时,其防火间距不限,但甲类厂房之间不应小于4m。
⑤两座一、二级耐火等级厂房,当相邻较低一面外墙为防火墙且较低一座厂房的屋盖耐火极限不低于1h时,其防火间距可适当减少,但甲、乙类厂房不应小于6m;丙、丁、戊类厂房不应小于4m。
⑥两座一、二级耐火等级厂房,当相邻较高一面外墙的门窗等开口部位设有防火门窗或防火卷帘和水幕时,其防火间距可适当减少,但甲、乙类厂房不应小于6m;丙、丁、戊类厂房不应小于4m。
⑦两座丙、丁、戊类厂房相邻两面的外墙均为非燃烧体,如无外露的燃烧体屋檐,当每面外墙上的门墙洞口面积之和各不超过该外墙面积的5%,且门窗洞口不正对开设时,其防火间距可按本表减少25%。
⑧耐火等级低于四级的原有厂房,其防火间距可按四级确定。
第3.3.2条一座凵形、Ш形厂房,其两翼之间的防火间距不宜小于本规范表3.3.1规定。
如该厂房的占地面积不超过本规范第3.2.1条规定的防火分区最大允许占地面积(面积不限者,不应超过10000m2),其两翼之间的间距可为6m。
第3.3.3条厂房附设有化学易燃物品的室外设备时,其室外设备外壁与相邻厂房室外附设设备外壁之间的距离,不应小于10m。
与相邻厂房外墙之间的防火间距,不应小于本规范第3.3.1条的规定(非燃烧体的室外设备按一、二级耐火等级建筑确定)。
第3.3.4条数座厂房(高层厂房和甲类厂房除外)的占地面积总和不超过本规范第3.2.1条的规定的防火分区最大允许占地面积时,可成组布置,但允许占地面积应综合考虑组内各个厂房的耐火等级、层数和生产类别,按其中允许占地面积较小的一座确定(面积不限者,不应超过10000m2).组内厂房之间的间距:当厂房高度不超过7m时,不应小于4m;超过7m时,不应小于6m。
(1).厂房之间的防火间距不应小于下表2.3.1的规定(本规范另有规定者除外)建筑物构件的燃烧性能和耐火极限表2.3.1注:①防火间距应按相邻建筑物外墙的最近距离计算,如外墙有凸出的燃烧构件,则应从其凸出部分外缘算起(以后有关条文均同此规定)②甲类厂房之间及其与其他厂房之间的防火间距,应按本表增加2m,戊类厂房之间的防火间距,可按本表减少2m。
③高层厂房之间及其与其他厂房之间的防火间距,应按本表增加3m。
④两座厂房相邻较高一面的外墙为防火墙时,其防火间距不限,但甲类厂房之间不应小于4m。
⑤两座一、二级耐火等级厂房,当相邻较低一面外墙(来自:)为防火墙且较低一座厂房的屋盖耐火极限不低于1h时,其防火间距可适当减少,但甲、乙类厂房不应小于6m;丙、丁、戊类厂房不应小于4m。
⑥两座一、二级耐火等级厂房,当相邻较高一面外墙的门窗等开口部位设有防火门窗或防火卷帘和水幕时,其防火间距可适当减少,但甲、乙类厂房不应小于6m; 丙、丁、戊类厂房不应小于4m。
⑦两座丙、丁、戊类厂房相邻两面的外墙均为非燃烧体,如无外露的燃烧体屋檐,当每面外墙上的门窗洞口面积之和各不超过该外墙面积的5%,且门窗洞口不正对开设时,其防火间距可按本表减少25%。
⑧耐火等级低于四级的原有厂房,其防火间距可按四级确定。
(2).一座凵、山形厂房,其两翼之间的防火间距不宜小于本规范表规定。
如该厂房的占地面积不超过本规范规定的防火分区最大允许占地面积(面积不限者,不应超过10000m2),其两翼之间的间距可为6m。
(3).厂房附设有化学易燃物品的室外设备时,其室外设备外壁与相邻厂房室外附设设备外壁之间的距离,不应小于10m。
与相邻厂房外墙之间的防火间距,不应小于本规范的规定(非燃烧体的室外设备按一、二级耐火等级建筑确定)。
(4).数座厂房(高层厂房和甲类厂房除外)的占地面积总和不超过本规范的规定的防火分区最大允许占地面积时,可成组布置,但允许占地面积应综合考虑组内各个厂房的耐火等级、层数和生产类别,按其中允许占地面积较小的一座确定(面积不限者,不应超过10000m2)。
厂房之间的消防间距
1.两座厂房相邻较高一面外墙为防火墙,或相邻两座高度相同的
一、二级耐火等级建筑中相邻任一侧外墙为防火墙且屋顶的耐火极限不低于1.00h时,其防火间距不限,但甲类厂房之间不应小于4m。
2.两座一、二级耐火等级的厂房,当相邻较低一面外墙为防火墙且较低一座厂房的屋顶无天窗,屋顶的耐火极限不低于1.00h,或相邻较高一面外墙的门、窗等开口部位设置甲级防火门、窗或防火分隔水幕或按相应的规定设置防火卷帘时,甲、乙类厂房之间的防火间距不应小于6m;丙、丁、戊类厂房之间的防火间距不应小于4m。
3.两座丙、丁、戊类厂房相邻两面外墙均为不燃性墙体,当无外露的可燃性屋檐,每面外墙上的门、窗、洞口面积之和各不大于外墙面积的5%,且门、窗、洞口不正对开设时,其防火间距可按本表的规定减少25%。
甲、乙类厂房(仓库)不应与规范规定外的其他建筑贴邻。
4.单、多层戊类厂房之间及与戊类仓库的防火间距可按本表的规定减少2m,与民用建筑的防火间距可将戊类厂房等同民用建筑的规定执行。
为丙、丁、戊类厂房服务而单独设置的生活用房应按民用建筑确定,与所属厂房的防火间距不应小于6m。
5.发电厂内的主变压器,其油量可按单台确定。
6.耐火等级低于四级的既有厂房,其耐火等级可按四级确定
7.当丙、丁、戊类厂房与丙、丁、戊类仓库相邻时,应符合相应的规定。
8.甲类厂房与人员密集场所的防火间距不应小于50m,与明火或散发火花地点,不应小于30m。
9.乙类厂房与重要公共建筑的防火间距不宜小于50m,与明火或散发火花地点,不宜小于30m。
3.4 厂房的防火间距时间:2007-05-28 来源:作者:本规范第3.4和3.5节中规定的有关防火间距均为建筑间的最小间距要求。
从防火角度和保障人员安全、减少财产损失来看,在有条件时,设计者应尽可能采用较大间距。
防火间距的确定主要综合考虑满足扑救火灾需要,防止火势向邻近建筑蔓延扩大以及节约用地等因素。
影响防火间距的因素较多、条件各异,从火灾蔓延角度看,主要有“飞火”、“热对流”和“热辐射”等。
1 “飞火”与风力、火焰高度有关。
在大风情况下,从火场飞出的“火团”可达数十米至数百米。
显然,如以飞火为主要危险源,要求距离太大,难以做到。
2 “热对流”,主要考虑热气流喷出窗口后会向上升腾,对相邻建筑的火灾蔓延影响较“热辐射”小,可以不考虑。
3 “热辐射”,火灾时建筑物可能产生的热辐射强度是确定防火间距应考虑的主要因素。
热辐射强度与消防扑救力量、火灾延续时间、可燃物的性质和数量、相对外墙开口面积的大小、建筑物的长度和高度以及气象条件等有关。
国外虽有按热辐射强度理论计算防火间距的公式,但没有把影响热辐射的一些主要因素(如发现和扑救火灾早晚、火灾持续时间)考虑进去,计算数据往往偏大,目前国内还缺乏这方面的研究成果。
因此,本条规定防火间距主要是根据当前消防扑救力量,结合火灾实例和消防灭火的实际经验确定的。
据调查,一、二级耐火等级建筑之间,在初期火灾时有10m左右的间距,三、四级耐火等级建筑有14~18m的距离,一般能满足扑救需要和控制火势蔓延。
火灾蔓延与很多条件有关,本条规定的基本数据,只是考虑一般情况,基本能防止初期火灾的蔓延。
3.4.1 本条规定了厂房之间及厂房与乙、丙、丁、戊类仓库之间以及与其他建筑物之间的防火间距。
1 规范中表3.4.1是指厂房防火间距的基本要求。
由于厂房生产类别、高度不同,具体执行应有所区别,因此,根据厂房生产的火灾危险性类别不同分别作出了不同的规定。
对于现有厂房改、扩建时,如执行防火间距的规定有困难,当采取了防火措施后可以减少间距。
有关防火间距的确定因素参见前述说明。
2 本规范第3.4.1条及其注2中所指“民用建筑”也包括设在厂区内独立的公共建筑(如办公楼、研究所、食堂、浴室等)。
为厂房服务而专设的生活用房,有的与厂房合并组成一座建筑,有的为满足通风采光需要,将生活用房与厂房分开布置。
为方便生产工作联系和节约用地,丁、戊类厂房与其所属的生活用房的防火间距可减小为6m。
生活用房是指车间办公室、工人更衣休息室、浴室(不包括锅炉房)、就餐室(不包括厨房)等。
注2考虑到戊类厂房的火灾危险性较小,为节约用地而对戊类厂房之间及与戊类仓库之间的防火间距作了调整。
戊类厂房是常温下使用或加工不燃烧物质的生产,火灾危险性较小。
戊类厂房或与戊类仓库之间的防火间距可比表3.4.1所列数据减小2m,但戊类厂房与其他生产类别的厂房或储存仓库防火间距仍应执行本规范第3.4.1、3.5.1、3.5.2条的规定。
3 本条注3和注4针对按照上述规定设计确有困难时所规定的一些允许减小防火间距的措施。
不同措施有所区别。
两座厂房相邻较高一面的外墙为防火墙,防火间距不限,但甲类厂房与甲类厂房之间还应有限制,至少要保持4m的间距。
3.4.2、3.4.3 规定了甲类厂房与各类建筑物,以及甲类厂房与重要的公共建筑等及架空电力线和铁路、道路之间的防火间距。
1 甲类厂房易燃、易爆,对其防火间距要求高。
对于甲、乙类厂房,涉及行业较多,本规范的规定应视为基本要求,凡有专门规范规定的间距大于本规定的,尚需要考虑按该专门规范的规定执行。
如乙炔站、氧气站和氢氧站等的间距还应符合现行国家标准《氧气站设计规范》GB 50030、《乙炔站设计规范》GB 50031和《氢氧站设计规范》GB 50177等规范的有关规定。
2 民用建筑内往往人员比较密集,厂房与民用建筑的防火间距,不应比厂房之间的间距小,特别是重要的公共建筑。
本条对甲类厂房与民用建筑和公共建筑的间距作出了较严格的要求。
散发可燃气体、可燃蒸气的甲类厂房附近如有明火或散发火花地点,或厂房距离铁路和道路过近时,容易引起燃烧或爆炸事故,因此,二者要保持一定的距离。
锅炉房烟囱飞火引起火灾的案例是不少的。
据调查资料和国外的一些资料,锅炉房烟囱飞火距离一般在30m左右,如烟囱高度超过30m 或设有除尘器时,距离可小些,综合各类明火或散发火花地点的火源情况,与散发可燃气体、可燃蒸气的甲类厂房防火间距不小于30m。
3 与铁路的间距,一是考虑机车飞火对厂房的影响,二是考虑发生火灾爆炸事故时,对机车正常运行的影响。
据日本对蒸汽机车做的火星飞火试验资料,距铁路中心20m处飞火的影响较少,故将距厂内铁路线的距离定为20m。
厂外铁路线机车来往多,影响大,定为30m。
汽车排气管喷出的火星距离比机车飞火距离小些,远者一般为8~10m,近者为3~4m,故对厂内外道路分别作出不同的规定。
内燃机车当燃油雾化不好时,排气管仍会喷火星,因此应与蒸汽机车一样要求,不减少其间距。
4 其他:1)当厂外铁路与国家铁路干线相邻时,其防火间距除执行本条规定外,尚应符合铁道部和有关专业规范的规定;2)厂外道路如道路已成型不会再扩宽,则从现有路的最近路边算起;如有扩宽计划,则应从规划路路边算起;3)专为某一甲类厂房运送物料而设计的铁路装卸线,当有安全措施时,此装卸线与厂房的间距可不受20m间距的限制。
如机车进入装卸线时,关闭机车灰箱,设阻火罩,车厢顶进并与装甲类物品的车辆之间设隔离车辆等阻止机车火星散发,防止影响厂房安全的措施可认为是安全措施;4)厂房之间的防火间距一般应按照相邻建筑物外墙的最近距离计算,如外墙有凸出的可燃构件或结构,则应从该凸出部分外缘算起。
对于室外变配电站与建筑物等之间的间距,应从距建筑物、堆场、储罐等最近的变压器外壁算起。
3.4.4 本条规定了高层厂房与民用建筑、各类储罐、堆场之间的防火间距。
高层厂房与甲、乙、丙类液体储罐的间距按第4.2.1条规定执行;与甲、乙、丙类液体装卸鹤管间距按第4.2.8条规定执行;与湿式可燃气体储罐或罐区的间距按本规范表4.3.1的规定执行;与湿式氧气储罐或罐区的间距按本规范表4.3.3的规定执行;与液化石油气储罐的间距按本规范表4.4.1的规定执行;与可燃材料堆场的间距按本规范表4.5.1的规定执行。
高层厂房、仓库与上述储罐、堆场的间距,凡小于13m者,应按13m执行;与煤、焦炭堆场的间距按本规范表4.5.1规定执行。
3.4.5 本条规定了厂房与公共建筑物之间防火间距的调整要求。
有关距离是比照前述因素和多层厂房的防火间距,考虑建筑火灾及其扑救情况确定的。
本条参照了现行国家标准《高层民用建筑设计防火规范》GB 50045的有关规定以及厂房与其他厂房、仓库的间距,并考虑了实际灭火需要。
3.4.6 本条主要规定了厂房外设有化学易燃物品的设备时,与相邻厂房、设备之间的防火间距确定方法,如图1。
图1 有室外设备时的防火间距装有化学易燃物品的室外设备,其设备本身是不燃材料,设备本身可按相当于一、二级耐火等级建筑考虑。
室外设备外壁与相邻厂房室外设备之间的距离,不应小于10m;与相邻厂房外墙之间的防火间距,不应小于本规范第3.4.1~3.4.4条的规定,即室外设备内装有甲类物品时,与相邻厂房的间距需要12m;装有乙类物品时,与相邻厂房的间距需要10m。
如厂房附设不燃物品的室外设备,则两相对厂房之间的防火间距可按本规范第3.4.1条的规定执行。
至于化学易燃物品的室外设备与所属厂房的间距,主要按工艺要求确定,本条不作具体规定。
小型可燃液体中间罐常放在厂房外墙附近,为安全起见,对外墙作了限制要求,同时对小型储罐提倡直接埋地设置。
条文“面向储罐一面4.Om范围内的外墙为防火墙”中的“4.0m范围”的具体含义是指储罐两端和上下部各4.0m范围,见图2。
图2 油罐4.0m范围外墙设防火墙示意图3.4.7 对于山形、┕┚形厂房如图3,其两翼相当于两座厂房。
为便于扑救火灾、控制火势蔓延,两翼之间防火间距L应按本规范第3.4.1条的规定执行。
但整个厂房占地面积不超过本规范第3.3.1条规定的防火分区允许最大面积时,其两翼之间的防火间距L值可以减小到6m。
图3 山形厂房3.4.8 本条规定了厂房成组布置的要求。
1 改建、扩建厂房有时受已有场地限制或因建设用地紧张,当数座厂房占地面积之和不超过第3.3.1条规定的防火分区最大允许建筑面积时,可以成组布置;面积不限者,按超过10000m2考虑。
举例如图4所示:假设有3座二级耐火等级的单层丙、丁、戊类厂房,其中丙类火灾危险性最高,单层丙类二级耐火等级多层建筑的防火分区最大允许建筑面积为8000m2,则3座厂房面积之和应控制在8000m2以内。
若丁类厂房高度超过7m,则丁类厂房与丙、戊类厂房间距不应小于6m。
若丙、戊类厂房高度均不超过7m,则丙、戊类厂房间距不应小于4m。
图4 成组厂房布置示意图2 组与组或组与相邻厂房之间的防火间距则应符合本规范第3.4.1条的有关规定。
3 高层厂房扑救困难,甲类厂房危险性大,不允许成组布置。
4 组内厂房之间最小间距4m主要考虑消防车通行需要,也是考虑扑救火灾的需要。
当厂房高度为7m时,假定消防队员手提水枪往上成60°角,就需要4m的水平间距才能喷射到7m的高度,故以高度7m 为划分的界线,当超过7m时,则应至少需要6m的水平间距。
3.4.9、3.4.10 有关汽车加油加气站的防火间距规定。
1 建设部行业标准《汽车用燃气加气站技术规范》CJJ 84中的有关防火规定,与有关部门经过了充分的协商,已经试行。
原国家标准《小型石油库及汽车加油站设计规范》在修订时增补了有关汽车加油加气站的内容,并更名为《汽车加油加气站设计与施工规范》GB 50156。
在上述两项标准中对加气站、加油站及其附属建筑物之间和与其他建筑物之间的防火间距,均作了明确详细的规定。
但考虑到规范本身的体系和方便执行,为避免重复和矛盾,本规范作了这两条规定。
2 汽油、液化石油气和天然气均属甲类物品,火灾或爆炸危险性较大,而城市建成区建筑物和人员均较密集。
为保证安全,减少损失,规范对在城市建成区建设的加油站和加气站的规模分别作了必要的限制。
3.4.11 本条规定了室外变、配电站与建筑物的防火间距。
1 室外变、配电站是各类企业、工厂的动力中心,电气设备在运行中可能产生电火花,存在燃烧或爆裂的可能。
万一发生燃烧事故,不但本身遭到破坏,而且会使一个企业或由其供电的所有企业、工厂的生产停顿。
为保护保证生产的重点设施,室外变、配电站与其他建筑、堆场、储罐的防火间距要求比一般厂房严些。
2 在表3.4.1中按变压器总油量分为三档。
35kV铝线电力变压器,每台额定容量为5 MV·A的,其油量为2.52t,则2台的总油量为5.04t;每台额定容量为10 MV·A的,其油量为4.3t,则2台的总油量为8.6t,110kV双卷铝线电力变压器,每台额定容量为10 MV·A的,其油量为5.05t,则2台的总油量为10.1t。