厂房防火间距的规定
- 格式:docx
- 大小:31.30 KB
- 文档页数:2
车间、厂房、储罐安全间距
1、甲类车间之间的防火距离不应小于12米,甲类车间离主干道之间
的防火距离不应小于10米,离次干道之间的防火距离不应小于5米
乙类车间之间之间的防火距离不应小于10米甲类与乙类车间之间之间的防火距离不应小于12米
2、厂区围墙与厂内建筑之间的间距不宜小于5.0m,且围墙两侧的建筑之间还应满足相应的防火间距要求
3、甲类厂房与重要公共建筑之间的防火间距不应小于50.0m,与明
火或散发火花地点之间的防火间距不应小于30.0 m,与甲、乙、丙类液体储罐,可燃、助燃气体储罐,液化石油气储罐,可燃材料堆场的防火间距,储罐防火堤外侧基脚线至建筑物的距离不应小于10 ;乙
类仓库,与民用建筑之间的防火间距不宜小于25.0m,与重要公共
建筑之间的防火间距不宜小于30.0m,
4、散发可燃气体、可燃蒸气的甲类厂房与道路等的防火间距不应小于表2.1的规定,但甲类厂房所属厂内铁路装卸线当有安全措施时,其间距可不受表2.1规定的限制。
表2.1 甲类厂房与铁路、道路等的防火间距(m)
注:厂房与道路路边的防火间距按建筑距道路最近一侧路边的最小距离计算。
5、高层厂房与甲、乙、丙类液体储罐,可燃、助燃气体储罐,液
化石油气储罐,可燃材料堆场(煤和焦炭场除外)的防火间距不应小
于13.0m。
6、两排卧式储罐之间的防火间距不应小于3米,防火堤内侧基脚线至立式储罐外壁的水平距离不应小于罐壁高度的一半,防火堤内侧基脚线至卧式储罐外壁的水平距离不应小于3米。
石化行业是国民经济的重要支柱产业之一,其生产过程中涉及到大量的化学物质和高温设备,防火安全一直是石化企业最重要的生产安全工作之一。
而在石化企业的厂房建设中,甲类厂房与办公楼的防火间距是一项非常重要的规定。
在这篇文章中,我们将详细讨论石化企业甲类厂房与办公楼的防火间距规定。
一、甲类厂房与办公楼的定义1. 甲类厂房:是指在石油、化工、医药、轻工等行业中,生产、储存易燃易爆物品或者其他危险物品的生产场所。
甲类厂房通常具有较高的火灾危险性,因此在建设和使用中需要特别注意防火安全。
2. 办公楼:是指用于企业办公、管理和服务的建筑物,通常不涉及生产、储存易燃易爆物品或危险物品。
二、甲类厂房与办公楼的防火间距规定根据《石化企业建设工程防火规程》中的相关规定,甲类厂房与办公楼的防火间距需要符合以下规定:1. 高度要求:甲类厂房与办公楼的防火间距,一般来说需要满足建筑设计规范中的相关要求。
建筑设计规范对建筑物的高度、楼面高度、建筑结构、建筑密度等方面都有详细的规定,甲类厂房与办公楼的防火间距需要在设计阶段就按照这些规定来确定。
2. 火灾隔离距离:甲类厂房与办公楼的防火间距规定中,还包括了火灾隔离距离的要求。
根据规程的要求,甲类厂房和办公楼之间需要保持一定的距禿,以防火灾发生时的火势蔓延。
这个距离一般是根据建筑物的高度、立面形式、建筑物的用途等因素来确定的。
3. 安全设施要求:在甲类厂房与办公楼的防火间距规定中,同时也包括了相关的安全设施要求。
需要在建筑物之间设置防火隔离墙、建筑物外立面耐火涂料等防火措施,以提高火灾发生时的防范和控制能力。
三、甲类厂房与办公楼的防火间距规定的实施1. 设计阶段:在甲类厂房与办公楼的设计阶段,建筑师和设计人员要严格遵守相关的规程和标准,对防火间距进行合理的规划和设计。
需要充分考虑建筑物的高度、用途、周边环境等因素,确保防火间距符合规定,提高建筑物的防火安全性。
2. 施工阶段:在甲类厂房与办公楼的施工阶段,施工单位要严格按照设计图纸和规程的要求进行施工,确保建筑物的结构、材料等符合相关的防火要求,保证防火间距的实施。
仓库防火安全距离是多少仓库防火安全距离是指在防火规定中,仓库与其他建筑物、设备、草木等的间距限制。
这些间距的限制是为了保证发生火灾时,不会对周围的建筑物、设备、和人员造成威胁。
相关法律法规在中国,关于仓库的防火安全距离,有《城市规划法》和《消防法》规定。
根据《城市规划法》,每个城市应该对建筑物进行规划,包括防火安全距离。
具体来说,防火安全距离是建筑物的间距,以及在建筑物与道路、河流等设施之间的距离。
《消防法》中规定,建筑物之间的防火间距一般应该按照以下标准进行规定:•独立的厂房,其间距应该为厂房高度的1/2或防火墙高度的1/3。
•非独立的厂房(即分隔墙高度小于完全封闭墙高度的墙体),其间距应该为厂房高度的1/2或者防火墙高度的1/6。
•分隔墙高度足够高的建筑,防火间距可为防火墙高度的1/2。
为什么要关注防火安全距离?防火安全距离的设定是为了防止火灾的蔓延,同时保护人们的生命和财产安全。
如果仓库的防火安全距离不符合标准,当周围发生火灾时,火势可能会蔓延到仓库内部,并且向周围建筑延伸,这样就会造成人员伤亡和财产损失。
此外,如果仓库的防火安全距离距离相邻建筑物过近,也可能会造成堵塞路面和消防车的无法通行,导致救援不及时。
如何保障仓库的防火安全距离?保障仓库的防火安全距离具体应当从以下几个方面着手:合理规划在设计建筑物之后,需要对其所在区域的规划进行设计和安排,要求设置良好的消防通道和安全距离。
根据不同的建筑类型和地理位置,合理安排建筑物之间的间距,以确保防火安全距离的效果。
安装火灾报警在仓库内设置多个火灾报警设备,以确保在发生火灾时能够及时触发报警,通知警报系统并启动灭火措施,保障安全距离。
定期检查对仓库的消防系统和报警设备定期进行检查和维护,保证其工作状态良好,保障防火安全距离。
结论仓库防火安全距离的设定非常重要,涉及到人员和物资的安全。
需要根据相关标准进行规划和实施,并定期检查和维护。
只有这样,才能够最大程度地保障人员和财产的安全,避免火灾的发生和蔓延。
建/构筑物防火间距一般规定条文厂房——厂房甲类厂房——甲类厂房: 12米;甲类厂房——乙、丙、丁、戊类厂房(库房): 12米;乙类厂房——乙、丙、丁、戊类厂房(库房): 10米;丙、丁类厂房——乙、丙、丁、戊类厂房(库房):10米;厂房——普通民用建筑、明火点甲、乙类厂房——民用建筑: 25米;丙、丁类厂房——民用建筑: 10米;戊类厂房——民用建筑: 6米;高层厂房(檐口高度≥24米)——民用建筑: 13米;甲类厂房——明火点或室外散发火花点: 30米;★注:①明火点包括室内、外的,而散发火花点仅指室外的。
②锅炉的炉膛或炉门属明火点,但不应把整栋锅炉房建筑看作明火点。
锅炉房的火灾危险性类别:锅炉房为丁类;③甲类生产场所不得建高层厂房。
★注:①使用室内干式变压器的变配电房可视为一、二级耐火等级的丙类厂房。
厂房——道路(车行道路路边)甲类厂房——厂外道路: 15米;甲类厂房——厂内主要道路: 10米;甲类厂房——厂内次要道路: 5米;其它厂房——道路:无规定;库房——厂房(库房)甲类库房——甲类库房: 20米;甲类库房(储量≤10吨)——甲类等其它厂房(库房): 12米;甲类库房(储量>10吨)——甲类等其它厂房(库房): 15米;甲类库房——高层库房: 13米;其它类别库房——其它类别类厂房(库房): 10米;高层库房——高层库房: 13米;库房——普通民用建筑、明火点甲类库房(储量≤10吨)——民用建筑: 25米;甲类库房(储量>10吨)——民用建筑: 30米;甲类库房(储量≤10吨)——明火或室外散发火花点:25米;甲类库房(储量>10吨)——明火或室外散发火花点:30米;乙类库房——民用建筑: 25米;丙、丁类库房——民用建筑: 10米;戊类库房——民用建筑: 6米;库房——道路(车行道路路边)甲类库房——厂外道路: 20米;甲类库房——厂内主要道路: 10米;甲类库房——厂内次要道路: 5米;其它类别库房——道路:无规定;甲、乙、丙类液体储罐区(罐体外壁)——建/构筑物它们与建构筑物的最小防火间距如下表(m):注:甲、乙、丙类液体的固定顶储罐区,半露天堆场和乙,丙类液体桶装堆场与甲类厂房(仓库)、民用建筑的防火间距,应按本表的规定增加25%,且甲、乙类液体储罐区,半露天堆场,乙、丙类液体桶装堆场与甲类厂房(仓库)、民用建筑的防火间距不应小于25m,与明火或散发火花地点的防火间距,应按本表四级耐火等级建筑的规定增加25%;②直埋地下的甲、乙、丙类液体卧式罐,当单罐容积小于等于50m3,总容积小于等于200 m3时,其罐外壁与建构筑物之间的防火间距可按本表规定减少50%。
1、甲类厂房对厂房和仓库(不包括高层):
一二级对一二级12;一二级对三级14,一二级对四级为16,甲类厂房对厂房和仓库(仅高层)为13。
2、厂房对厂房和仓库(不包括甲类和高层):
一二级对一二级10,一二级对三级12;一二级对4级为14。
三级对三级为14,三级对四级16,四级对四级为18。
3、丙丁戊厂房(除高层)对民用建筑(除高层):
一二级对一二级10,一二级对三级12,一二级对四级14,三级对三级14,三级对四级16,四级对四级18
4、乙高层厂房对厂房、仓库,
高层一二级对一二级13,高层一二级对三级15,高层一二级对四级17。
5、厂房高层(除乙)对厂房、仓库和民用建筑(除高层):
高层一二级对一二级13,高层一二对三级15,高层一二级对四级17。
6、甲乙厂房与民用建筑高层为50,与民用建筑多层及裙房为25。
7、丙类厂房一二级(单多高)与民用高层一二类分别为20和15;丁戊类厂房一二级(单多高)与民用高层一二类分别为15和13。
8、丙类厂房的三四级与民用高层一二类分别为25和20,丁戊类厂房的三四级与民用高层一二类分别为18和15。
9、单多戊类厂房之间与戊类仓库的防火间距可按上表的规定减少2m。
简述厂房和库房的防火间距一、前言在现代工业生产中,厂房和库房是必不可少的建筑物。
然而,由于生产过程中使用的设备和物品都具有易燃性,因此这些建筑物必须考虑防火安全问题。
其中一个重要的防火安全措施就是设置防火间距。
本文将详细介绍厂房和库房的防火间距。
二、什么是防火间距防火间距指的是建筑物之间或同一建筑物内不同区域之间应保持的最小距离,以确保在发生火灾时能够有效地控制火势扩散。
根据国家标准《建筑设计防火规范》(GB 50016-2014),对于不同类型的建筑物和不同用途的区域,其要求的防火间距也有所不同。
三、厂房的防火间距1. 厂房与厂房之间对于相邻两个厂房之间的防火间距,国家标准规定为不小于20米。
如果两个相邻厂房之间有公共道路或广场,则可以适当缩小到15米。
2. 厂房内部对于厂房内部不同区域之间的防火间距,也需要根据具体情况进行设置。
一般来说,应根据生产工艺流程和物品存放情况确定不同区域之间的防火隔离要求。
例如,易燃液体储存区与其他区域之间的防火间距应不小于10米;易燃气体储存区与其他区域之间的防火间距应不小于15米。
3. 厂房与库房之间厂房与库房之间的防火间距也需要根据具体情况进行设置。
一般来说,如果库房内储存的物品易燃或有毒性,则其与厂房之间的防火隔离要求更高。
例如,如果库房内储存的是易燃液体,则其与厂房之间的防火隔离距离应不小于20米。
四、库房的防火间距1. 库房与库房之间对于相邻两个库房之间的防火间距,国家标准规定为不小于20米。
如果两个相邻库房之间有公共道路或广场,则可以适当缩小到15米。
2. 库房内部对于库房内部不同区域之间的防火间距,也需要根据具体情况进行设置。
一般来说,应根据物品存放情况和储存方式确定不同区域之间的防火隔离要求。
例如,易燃液体储存区与其他区域之间的防火间距应不小于10米;易燃气体储存区与其他区域之间的防火间距应不小于15米。
3. 库房与厂房之间库房与厂房之间的防火隔离要求与厂房与库房之间的要求类似。
厂房之间的消防间距
1.两座厂房相邻较高一面外墙为防火墙,或相邻两座高度相同的
一、二级耐火等级建筑中相邻任一侧外墙为防火墙且屋顶的耐火极限不低于1.00h时,其防火间距不限,但甲类厂房之间不应小于4m。
2.两座一、二级耐火等级的厂房,当相邻较低一面外墙为防火墙且较低一座厂房的屋顶无天窗,屋顶的耐火极限不低于1.00h,或相邻较高一面外墙的门、窗等开口部位设置甲级防火门、窗或防火分隔水幕或按相应的规定设置防火卷帘时,甲、乙类厂房之间的防火间距不应小于6m;丙、丁、戊类厂房之间的防火间距不应小于4m。
3.两座丙、丁、戊类厂房相邻两面外墙均为不燃性墙体,当无外露的可燃性屋檐,每面外墙上的门、窗、洞口面积之和各不大于外墙面积的5%,且门、窗、洞口不正对开设时,其防火间距可按本表的规定减少25%。
甲、乙类厂房(仓库)不应与规范规定外的其他建筑贴邻。
4.单、多层戊类厂房之间及与戊类仓库的防火间距可按本表的规定减少2m,与民用建筑的防火间距可将戊类厂房等同民用建筑的规定执行。
为丙、丁、戊类厂房服务而单独设置的生活用房应按民用建筑确定,与所属厂房的防火间距不应小于6m。
5.发电厂内的主变压器,其油量可按单台确定。
6.耐火等级低于四级的既有厂房,其耐火等级可按四级确定
7.当丙、丁、戊类厂房与丙、丁、戊类仓库相邻时,应符合相应的规定。
8.甲类厂房与人员密集场所的防火间距不应小于50m,与明火或散发火花地点,不应小于30m。
9.乙类厂房与重要公共建筑的防火间距不宜小于50m,与明火或散发火花地点,不宜小于30m。
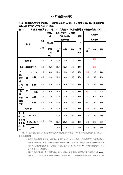
建筑设计防火规范(2018 年版)3 .4 厂房的防火间距3.4 .1 除本规范另有规定外,厂房之间及与乙、丙、丁、戊类仓库、民用建筑等的防火间距不应小于表3.4 .1 的规定,与甲类仓库的防火间距应符合本规范第3.5.1 条的规定。
表 3. 4.1 厂房之间及与乙、丙、丁、戊类仓库、民用建筑等的防火间距 注:1 乙类厂房与重要公共建筑的防火间距不宜小于 50m ;与明火或散发火花地点, 不 宜小于 30m 。
单、多层戊类厂房之间及与戊类仓库的防火间距可按本表的规定减少 2m , 与民用建筑的防火间距可将戊类厂房等同民用建筑按本规范第 5.2. 2 条的规定执行。
为 丙、丁、 戊类厂房服务而单独设置的生活用房应按民用建筑确定, 与所属厂房的防火间距不 应小于 6m 。
确需相邻布置时,应符合本表注 2、 3 的规定。
2 两座厂房相邻较高一面外墙为防火墙, 或相邻两座高度相同的一、 二级耐火等级建 筑中相邻任一侧外墙为防火墙且屋顶的耐火极限不低于 1 .00h 时,其防火间距不限,但甲 类厂房之间不应小于 4m 。
两座丙、丁、戊类厂房相邻两面外墙均为不燃性墙体,当无外露 的可燃性屋檐,每面外墙上的门、窗、洞口面积之和各不大于外墙面积的 5 %,且门、窗、 洞口不正对开设时,其防火间距可按本表的规定减少 25 %。
甲、乙类厂房 (仓库)不应与本 规范第 3. 3.5 条规定外的其他建筑贴邻。
3 两座一、 二级耐火等级的厂房, 当相邻较低一面外墙为防火墙且较低一座厂房的屋 顶无天窗,屋顶的耐火极限不低于 1. 00h ,或相邻较高一面外墙的门、窗等开口部位设置 甲级防火门、窗或防火分隔水幕或按本规范第 6. 5.3 条的规定设置防火卷帘时,甲、乙 类厂房之间的防火间距不应小于 6m ;丙、丁、戊类厂房之间的防火间距不应小于 4m 。
4 发电厂内的主变压器,其油量可按单台确定。
5 耐火等级低于四级的既有厂房,其耐火等级可按四级确定。
丙类厂房消防间距(最新版)目录1.丙类厂房的定义和分类2.丙类厂房的防火间距要求3.丙类厂房的消防设施要求4.丙类厂房与其他建筑的防火间距要求5.结论正文丙类厂房是指生产、储存、使用和加工各类丙类物品的场所,根据其建筑结构和耐火等级的不同,可分为砼框架厂房和钢结构厂房。
在消防安全方面,丙类厂房与其他建筑的防火间距要求较为严格。
一、丙类厂房的定义和分类丙类厂房是指生产、储存、使用和加工各类丙类物品的场所。
根据其建筑结构和耐火等级的不同,可分为砼框架厂房和钢结构厂房。
二、丙类厂房的防火间距要求根据《建筑设计防火规范》(GB50016-2014) 的规定,丙类厂房与其他建筑的防火间距要求如下:1.多层丙类厂房与其他建筑的最小防火间距为 12 米;2.高层丙类厂房与其他建筑的最小防火间距为 13 米;3.丙类厂房与其他建筑的耐火等级均为一二级时,其最小防火间距为10 米。
三、丙类厂房的消防设施要求为了保障丙类厂房的消防安全,需按照相关规定设置消防设施。
主要包括:1.周围安装消火栓,室内安装消火栓系统,并配备消防水枪;2.设置自动喷水灭火系统,喷水强度每分钟达到 80 升以上;3.设置排烟设施,及时排除烟雾;4.设置应急照明和疏散指示标志;5.配备灭火器,每个车间都要设置灭火器。
四、丙类厂房与其他建筑的防火间距要求根据《建筑设计防火规范》(GB50016-2014) 的规定,丙类厂房与其他建筑的防火间距要求如下:1.与单、多层甲类厂房或仓库的最小间距为 12 米;2.与单、多层乙类厂房或仓库的最小间距为 10 米;3.与高层乙类厂房或仓库的最小间距为 13 米;4.与单、多层丙丁戊类厂房或仓库的最小间距为 10 米;5.与高层丙丁戊类厂房或仓库的最小间距为 13 米。
五、结论综上所述,丙类厂房在防火间距和消防设施方面有严格的要求,以保障厂房内的生产安全。
3.4 厂房的防火间距3.4.1 除本规范另有规定者外,厂房之间及其与乙、丙、丁、戊类仓库、民用建筑等之间的防火间距不应小于表3.4.1 的规定。
表3.4.1 厂房之间及其与乙、丙、丁、戊类仓库、民用建筑等之间的防火间距(m)名称甲类厂房单层、多层乙类厂房(仓库)单层、多层丙-丁、戊类厂房(仓库)高层厂房(仓库)民用建筑耐火等级耐火等级一、二级三级四级一、二级三级四级甲类厂房12.0 12.0 12.0 14.0 16.0 13.025.0 单层、多层乙类厂房12.0 10.0 10.0 12.0 14.0 13.0 25.0 单层、多层丙、丁类厂房耐火等级一、二级12.0 10.0 10.0 12.0 14.0 13.0 10.0 12.0 14.0三级14.0 12.0 12.0 14.0 16.0 15.0 12.0 14.0 16.0 四级16.0 14.0 14.0 16.0 18.0 17.0 14.0 16.0 18.0单层、多层戊类厂房一、二级12.0 10.0 10.0 12.0 14.0 13.0 6.0 7.0 9.0三级14.0 12.0 12.0 14.0 16.0 15.0 7.0 8.0 10.0 四级16.0 14.0 14.0 16.0 18.0 17.0 9.0 10.0 12.0 高层厂房13.0 13.0 13.0 15.0 17.0 13.0 13.0 15.0 17.0室外变、配电站变压器总油量(t)≥5,≤1025.0 25.012.0 15.0 20.0 12.0 15.0 20.0 25.0 >10,≤5015.0 20.0 12.0 15.0 20.0 25.0 30.0 >5020.0 12.0 15.0 20.0 25.0 30.0 35.0注:1 建筑之间的防火间距应按相邻建筑外墙的最近距离计算,如外墙有凸出的燃烧构件,应从其凸出部分外缘算起;2 乙类厂房与重要公共建筑之间的防火间距不宜小于50.0m。
标准厂房安全防护距离的具体标准可能会因各种因素而异,例如工厂的类型、生产过程、排放物种类和浓度、地形地貌等。
但一般来说,厂房与民用建筑之间的防火间距不应小于本规范第331条的规定,但甲、乙类厂房与民用建筑之间的防火间距不应小于25m。
距重要的公共建筑不宜小于50m。
此外,厂房的耐火等级也会影响安全防护距离。
例如,一、二级耐火等级的民用建筑与一、二级耐火等级的厂房之间的防火间距不应小于6米,与三、四级耐火等级的厂房之间的防火间距分别为7米和9米。
请注意,上述规定只是基础的安全防护距离,实际情况可能会根据特定要求进行相应的调整。
在设计和规划厂房时,应咨询专业的建筑师或工程师,以确保满足所有安全和法规要求。
建筑设计防火规范(2018年版)3.4 厂房的防火间距3.4.1 除本规范另有规定外,厂房之间及与乙、丙、丁、戊类仓库、民用建筑等的防火间距不应小于表3.4.1的规定,与甲类仓库的防火间距应符合本规范第3.5.1条的规定。
表3.4.1 厂房之间及与乙、丙、丁、戊类仓库、民用建筑等的防火间距(m)注:1 乙类厂房与重要公共建筑的防火间距不宜小于50m;与明火或散发火花地点,不宜小于30m。
单、多层戊类厂房之间及与戊类仓库的防火间距可按本表的规定减少2m,与民用建筑的防火间距可将戊类厂房等同民用建筑按本规范第5.2.2条的规定执行。
为丙、丁、戊类厂房服务而单独设置的生活用房应按民用建筑确定,与所属厂房的防火间距不应小于6m。
确需相邻布置时,应符合本表注2、3的规定。
2 两座厂房相邻较高一面外墙为防火墙,或相邻两座高度相同的一、二级耐火等级建筑中相邻任一侧外墙为防火墙且屋顶的耐火极限不低于1.00h时,其防火间距不限,但甲类厂房之间不应小于4m。
两座丙、丁、戊类厂房相邻两面外墙均为不燃性墙体,当无外露的可燃性屋檐,每面外墙上的门、窗、洞口面积之和各不大于外墙面积的5%,且门、窗、洞口不正对开设时,其防火间距可按本表的规定减少25%。
甲、乙类厂房(仓库)不应与本规范第3.3.5条规定外的其他建筑贴邻。
3 两座一、二级耐火等级的厂房,当相邻较低一面外墙为防火墙且较低一座厂房的屋顶无天窗,屋顶的耐火极限不低于1.00h,或相邻较高一面外墙的门、窗等开口部位设置甲级防火门、窗或防火分隔水幕或按本规范第6.5.3条的规定设置防火卷帘时,甲、乙类厂房之间的防火间距不应小于6m;丙、丁、戊类厂房之间的防火间距不应小于4m。
4 发电厂内的主变压器,其油量可按单台确定。
5 耐火等级低于四级的既有厂房,其耐火等级可按四级确定。
6 当丙、丁、戊类厂房与丙、丁、戊类仓库相邻时,应符合本表注2、3的规定。
3.4.2 甲类厂房与重要公共建筑的防火间距不应小于50m,与明火或散发火花地点的防火间距不应小于30m。
甲级厂房防火间距
甲级厂房的防火间距规定如下:
1. 甲类厂房与重要公共建筑的防火间距不应小于50m。
这是因为甲类厂房由于其特殊的性质,如可能涉及易燃易爆物质,因此需要与重要的公共建筑保持一定的安全距离,以防止火灾蔓延至公共建筑或引发更大的灾难。
2. 甲类厂房与明火或散发火花地点的防火间距不应小于30m。
这是为了确保在甲类厂房内部或附近出现的任何明火或火花不会迅速蔓延到厂房,从而降低火灾的风险。
3. 对于散发可燃气体或可燃蒸气的甲类厂房,其与铁路、道路等的防火间距也有所规定。
具体的距离应参照相关表格来确定,但如果甲类厂房所属的厂内铁路装卸线有适当的安全措施,那么其防火间距可以不受限制。
4. 有爆炸危险的甲、乙类厂房最好独立设置,并采用敞开或半敞开式结构,这样可以进一步确保周围环境的安全。
丁类厂房防火间距要求
1. 嘿,你知道吗,丁类厂房之间的防火间距可太重要啦!就像两个好朋友,得保持一定距离才安全啊。
比如两个丁类厂房,一个生产金属制品,一个生产塑料制品,要是距离太近,一旦发生火灾可就危险啦!
2. 丁类厂房的防火间距要求可不能小瞧啊!这就好像战士在战场上排兵布阵,间距合理才能更好作战。
想想看,如果丁类厂房布局混乱,火灾来了不就乱套了吗?
3. 哎呀呀,丁类厂房防火间距要求真的要牢记在心呀!如同下棋,每一步都得考虑清楚。
像那种随意搭建的丁类厂房,间距不符合要求,那不就是给自己埋下大隐患吗?
4. 丁类厂房的防火间距是必须重视的呀!这就好比建房子要打牢根基一样重要。
要是丁类厂房不按要求留间距,不就跟建房子根基不稳一样危险吗?
5. 丁类厂房防火间距的规定可得严格遵守哟!这就好像赛车在赛道上,要有规定的路线。
如果丁类厂房防火间距乱来,那跟赛车乱开有啥区别,多危险啊!
6. 大伙可别小看丁类厂房防火间距要求啊!这就跟一个团队合作一样,每个人都要有合适的位置。
丁类厂房不讲防火间距,那不就跟混乱的团队一样没效率还容易出问题吗?
7. 丁类厂房防火间距真的至关重要哇!就像人要呼吸新鲜空气一样必要。
那些不重视丁类厂房防火间距的,不就是在自找麻烦嘛!
我的观点结论就是:丁类厂房的防火间距要求绝对不是小事,一定要认真对待,严格遵守,这样才能保障安全啊!。
厂房、仓库、储罐、加油站安全间距1.厂房、仓库等建筑物的防火间距(表1-1) (GB50016-2006)表1-1 厂房、仓库等建筑物的防火间距2.液体储罐的防火间距(表1-2)(GB50016-2006)表1-2 液体储罐的防火间距(m)3. 加油站内、外建筑(设施)之间的防火距离(表2-1、表2-2)(GB50156-2002(2006年版))表2-1 加油站内设施之间的防火距离表2-2 加油站与站外建筑物之间的防火距离等于50立方米。
二级加油站总容积大于60立方米,小于或等于120立方米,单罐容积小于或等于50立方米。
三级加油站总容积小于或等于60立方米,单罐容积小于或等于30立方米。
柴油罐容积可折半计入油罐总容积。
. 建规(GB50016-2006)中常涉及的部分安全规定1.厂房、仓库1. 建筑面积小于等于300m2的独立甲、乙类单层厂房,可采用三级耐火等级的建筑。
(3.3.5)2. 厂房内设置甲、乙类中间仓库时,其储量不宜超过一昼夜的需要量。
(3.3.9)3. 仓库内严禁设置员工宿舍。
(3.3.15)4. 甲、乙类仓库内严禁设置办公室、休息室等,并不应贴邻建造。
(3.3.15)5. 有爆炸危险的甲、乙类厂房宜独立设置,并宜采用敞开或半敞开式。
其承重结构宜采用钢筋混凝土或钢框架、排架结构。
(3.6.1)6. 有爆炸危险的甲、乙类厂房的总控制室应独立设置。
(3.6.8)7.甲、乙、丙类液体仓库应设置防止液体流散的设施。
遇湿会发生燃烧爆炸的物品仓库应设置防止水浸渍的措施。
(3.6.11)2.安全出口8. 厂房的安全出口应分散布置。
每个防火分区、一个防火分区的每个楼层,其相邻2个安全出口最近边缘之间的水平距离不应小于5.0m。
(3.7.1)9. 厂房的每个防火分区其安全出口的数量应经计算确定,且不应少于2个,当符合下列条件时,可设置1个安全出口:(3.7.2)1 甲类厂房,每层建筑面积小于等于100m2,且同一时间的生产人数不超过5人;2 乙类厂房,每层建筑面积小于等于150m2,且同一时间的生产人数不超过10 人;3 丙类厂房,每层建筑面积小于等于250m2,且同一时间的生产人数不超过20 人10. 每座仓库的安全出口不应少于2个,当一座仓库的占地面积小于等于300m2时,可设置1 个安全出口。
(1).厂房之间的防火间距不应小于下表2.3.1的规定(本规范另有规定者除外)建筑物构件的燃烧性能和耐火极限表2.3.1注:①防火间距应按相邻建筑物外墙的最近距离计算,如外墙有凸出的燃烧构件,则应从其凸出部分外缘算起(以后有关条文均同此规定)②甲类厂房之间及其与其他厂房之间的防火间距,应按本表增加2m,戊类厂房之间的防火间距,可按本表减少2m。
③高层厂房之间及其与其他厂房之间的防火间距,应按本表增加3m。
④两座厂房相邻较高一面的外墙为防火墙时,其防火间距不限,但甲类厂房之间不应小于4m。
⑤两座一、二级耐火等级厂房,当相邻较低一面外墙(来自:)为防火墙且较低一座厂房的屋盖耐火极限不低于1h时,其防火间距可适当减少,但甲、乙类厂房不应小于6m;丙、丁、戊类厂房不应小于4m。
⑥两座一、二级耐火等级厂房,当相邻较高一面外墙的门窗等开口部位设有防火门窗或防火卷帘和水幕时,其防火间距可适当减少,但甲、乙类厂房不应小于6m; 丙、丁、戊类厂房不应小于4m。
⑦两座丙、丁、戊类厂房相邻两面的外墙均为非燃烧体,如无外露的燃烧体屋檐,当每面外墙上的门窗洞口面积之和各不超过该外墙面积的5%,且门窗洞口不正对开设时,其防火间距可按本表减少25%。
⑧耐火等级低于四级的原有厂房,其防火间距可按四级确定。
(2).一座凵、山形厂房,其两翼之间的防火间距不宜小于本规范表规定。
如该厂房的占地面积不超过本规范规定的防火分区最大允许占地面积(面积不限者,不应超过10000m2),其两翼之间的间距可为6m。
(3).厂房附设有化学易燃物品的室外设备时,其室外设备外壁与相邻厂房室外附设设备外壁之间的距离,不应小于10m。
与相邻厂房外墙之间的防火间距,不应小于本规范的规定(非燃烧体的室外设备按一、二级耐火等级建筑确定)。
(4).数座厂房(高层厂房和甲类厂房除外)的占地面积总和不超过本规范的规定的防火分区最大允许占地面积时,可成组布置,但允许占地面积应综合考虑组内各个厂房的耐火等级、层数和生产类别,按其中允许占地面积较小的一座确定(面积不限者,不应超过10000m2)。
厂房防火间距的规定
1、乙类厂房与重要公共建筑之间的防火间距不宜小于50m,与明火或散发火花地点不宜小于30m。
2、单层或多层戊类厂房之间及其与戊类仓库之间的防火间距,可按本表的规定减少2m。
单层多层戊类厂房与民用建筑之间的防火间距可按本规范第5.2.2条的规定执行。
3、为丙、丁、戊类厂房服务而单独设立的生活用房应按民用建筑确定,与所属厂房之间的防火间距不应小于6m。
必须相邻建造时,应符合本表注2、3的规定。
4、两座厂房相邻较高一面的外墙为防火墙时,其防火间距不限,但甲类厂房之间不应小于4m。
5、两座丙、丁、戊类厂房相邻两面的外墙均为不燃烧体,当无外露的燃烧体屋檐,每面外墙上的门窗洞口面积之和各不大于该外墙面积的5%,且门窗洞口不正对开设时,其防火间距可按本表的规定减少25%。
6、甲、乙类厂房(仓库)不应与本规范第3.3.8条规定外的其他建筑贴邻建造。
7、两座一、二级耐火等级的厂房,当相邻较低一面外墙为防火墙且较低一座厂房的屋顶耐火极限不低于1.00h,或相邻较高一面外墙的门窗等开口部位设置甲级防火门窗或防火分隔水幕或按本规范第6.5.2条的规定设置防火卷帘时,甲、乙类厂房之间的防火间距不应小于6m;丙、丁、戊类厂房之间的防火间距不应小于4m。
8、发电厂内的主变压器,其油量可按单台确定。
9、耐火等级低于四级的原有厂房,其耐火等级可按四级确定。
10、当丙、丁、戊类厂房与丙、丁、戊类仓库相邻时,应符合本表注2、3的规定。
11、当丙、丁、戊类厂房与民用建筑的耐火等级均为一、二级时,其防火间距可按下列规定执行:
(1)当较高一面外墙为不开设门窗洞口的防火墙,或比相邻较低一座建筑屋面高15m及以下范围内的外墙为不开设门窗洞口的防火墙时,其防火间距可不限;
(2)相邻较低一面外墙为防火墙,且屋顶不设天窗、屋顶耐火极限不低于1.00h,或相邻较高一面外墙为防火墙,且墙上开口部位采取了防火保护措施,其防火间距可适当减小,但不应小于4m。