投资项目代建管理流程图一-1-1项目代建类型框图
- 格式:xls
- 大小:21.50 KB
- 文档页数:2
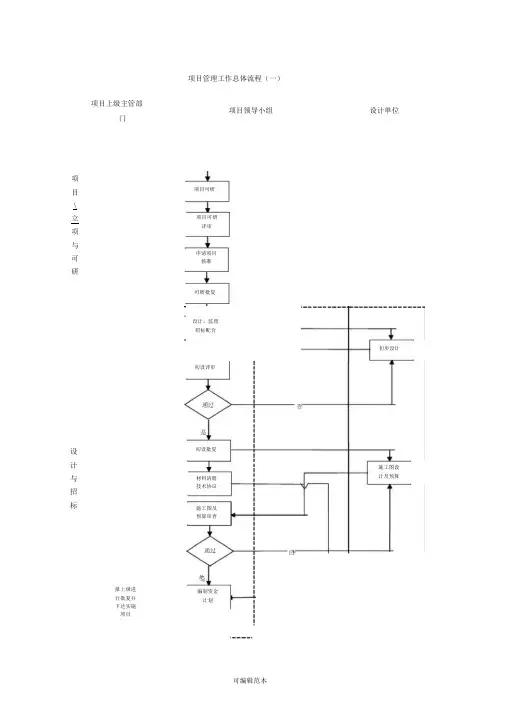
项目管理工作总体流程(一)项目上级主管部门项目领导小组设计单位项目\立项与可研项目可研申请项目核准项目可研评审可研批复设计与招标报上级进行批复并下达实施项目初设批复施工图及预算审查材料清册技术协议设计、监理招标配合初步设计施工图设计及预算编制资金计划口是初设评审项目管理工作总体流程(二)项目上级王项目领导小组监理单位施工单位管部门批复并下达项目建设资金建设施工合同管理进度管理安全管理质量管理土建(基础施工)造价管理技术管理档案管理安装(杆塔组立)调试(架线附件)安监员项目领导小组参建单位监督检查工程安全管理体的建立和运行项目刖期及施工准备阶段开始监理项目部否否I+I编制安全监理工作方案,建立安全管理台账建立安全管理制度和安全管理台账审批参建单位的安全文明施工策划开工前,召开第一次安全会议督促、检查参建单位编制安全管理制度、台账及危险点预控措施符合要求达到安全开工条件条件建立安全管理网络文明施工施工项目部编制安全文明施工实施细则方案及危险点预控措施,建立安全管理台账修改完善1 ‘施工项目部监理项目部开工前,落实安全文明措施,落实安全会议精神和风险、应急、分包等管理措施■审核安措费使用情况,对现场安全文明施工条件及措施落实情况进行把关整改完善安监员项目领导小组参建单位检查指导项目安全管理定期召开安全会议组织开展安全管理活动项冃施工及竣工阶段总结并制定安全管理改进计4 戈U 监督改进落实情况并提出预防措施组织月度和随机安全检查监督指导项目问题整改定期开展危险点预控管理分包管理评价,总结上报落实季度及专 f项安全大检查监理项目部监督检查项目施工现场安全文明状况,对重要工序、危险点、特殊作业实施旁站,协调交叉作业和工序交接中安全文明施工问题施工项目部每月开展安全教育,开展安全检查活动,落实安全会议决定和安评、危险点、应急和分包管理制度和措施,实行隐患整改闭环管理,保持安全文明施工环境对检查和评价中存> 在的隐患进行整改闭环否----------- ►继续整顿持续动态改进保持良好按文明施工环境上级主管部门加强设备采购质量管理和监造工作项目质量管理工作总体流程(一)工程实施阶段项目造价管理工作总体流程(一)可编辑范本上级主管部 项目领导小组 监理单位 参建单位 刖 期 阶 段 V 初 步 设 计 阶 段 组织可研 估算工作 组织初步 设计评审 批复初步 设计 设计单位编制 初步设计概算 设计单位配合 初步设计评审 -施工图设计阶段 组织施 及预算 参与施工图 及预算评审 芷编制 预算 编制底标,组织 施工单位招标 批复施工 图预算 审查批准支付审批重大设 计变更预算。
项目建设项目前期工作流程图一、项目前期准备阶段1. 项目立项阶段在项目立项阶段,需要进行以下工作:- 进行项目可行性研究,包括市场调研、技术可行性分析、经济效益评估等,以确定项目的可行性。
- 编制项目建议书,详细说明项目的目标、范围、预算、时间计划等。
- 提交项目建议书给相关部门进行审批,获得项目立项批复。
2. 项目规划阶段在项目规划阶段,需要进行以下工作:- 成立项目团队,确定项目经理和相关成员。
- 进行项目风险评估,识别项目可能面临的风险,并制定相应的应对措施。
- 制定项目计划,包括项目目标、工作分解结构、时间计划、资源需求等。
- 确定项目的组织结构和沟通渠道,明确团队成员的角色和责任。
3. 资源准备阶段在资源准备阶段,需要进行以下工作:- 确定项目所需的人力资源,包括项目经理、专业人员、技术支持等。
- 确定项目所需的物资资源,包括设备、原材料等。
- 确定项目所需的财务资源,包括预算、资金来源等。
二、项目实施阶段1. 项目启动阶段在项目启动阶段,需要进行以下工作:- 召开项目启动会议,明确项目目标、范围、时间计划等。
- 分配任务和责任,确定工作分解结构和里程碑。
- 确定项目的沟通和协调机制,确保项目各方之间的有效沟通。
2. 项目执行阶段在项目执行阶段,需要进行以下工作:- 实施项目计划,按照时间计划完成各项任务。
- 监控项目进度,及时发现和解决项目中的问题。
- 管理项目风险,采取相应的风险控制措施。
- 管理项目资源,确保资源的有效利用。
3. 项目收尾阶段在项目收尾阶段,需要进行以下工作:- 完成项目交付物,包括项目成果、文档等。
- 进行项目验收,确保项目达到预期的质量要求。
- 撰写项目总结报告,总结项目的经验教训和成果。
- 进行项目评估,评估项目的绩效和效益。
三、项目关闭阶段在项目关闭阶段,需要进行以下工作:- 完成项目结算,包括财务结算和合同结算等。
- 进行项目归档,保存项目相关文件和资料。
式工程项目管理模Gongcheng xiangmu guanlimoshi工程总承包是指从事工程总承包的企业(以下简称工程总承包企业)受业主委托,按照合同约定对工程项目的勘察、设计、采购、施工、试运行(竣工验收)等实行全过程或若干阶段的承包。
工程总承包主要有如下方式:1.设计—采购—施工(Engineering Procurement Construction,简称EPC)/交钥匙总承包(Lump Sum Key,简称LSTK)设计—采购—施工总承包是指工程总承包企业按照合同约定,承担工程项目的设计、采购、施工、试运行服务等工作,并对承包工程的质量、安全、工期、成本全面负责。
交钥匙总承包是设计采购施工总承包业务和责任的延伸,最终是向业主提交一个满足使用功能、具备使用条件的工程项目。
2.设计—施工总承包(Design-Build,简称D-B)设计—施工总承包是指工程总承包企业按照合同约定,承担工程项目设计和施工,并对承包工程的质量、安全、工期、成本全面负责。
根据工程项目的不同规模、类型和业主要求,工程总承包还可采用设计—采购总承包(Engineering-Procurement,简称E-P)、采购—施工总承包(Procurement-Construction,简称P-C)等方式。
工程项目管理是指从事工程项目管理的企业(以下简称工程项目管理企业)受业主委托,按照合同规定,代表业主对工程项目的组织实施进行全过程或若干阶段的管理和服务。
工程项目管理主要有如下方式:1.项目管理承包(Project Management Contractor,简称PMC)项目管理承包是指工程项目管理企业对工程项目建设提供全过程服务。
即在工程项目决策阶段,为业主进行规划咨询、项目策划、融资、编制项目建议书和可行性研究报告、进行可行性分析;在工程项目准备阶段,为业主编制招标文件、编制和审查标底、对投标单位资格进行预审、起草合同文本、协助业主与中标单位签订合同等;在工程项目实施阶段,为业主提供工程设计、采购管理、施工管理、初步设计和概预算审查等服务;在工程项目竣工阶段,为业主提供财务决算审核、质量鉴定、试运行、竣工验收和后评价等服务;代表业主对工程项目的质量、安全、工期、成本、合同、信息等进行管理和控制。
项目代建制操作手册1目录目录 ..................................................................... .............. - 1 -一、前言 ..................................................................... .......... - 2 -二、项目代建制的形式 ....................................................... - 2 -(一)项目全程代建制 .................................................. - 2 -(二)阶段项目代建制 .................................................. - 4 - 三、项目代建单位的选择 ................................................... - 5 -(一)代建单位的选择形式 .......................................... -5 -(二)代建单位的要求 .................................................. - 5 - 四、代建单位的主要职责和工作内容 ................................ - 6 -(一)代建项目管理的主要职责 .................................. - 6 -(二)代建单位工作内容 ..............................................- 8 - 五、项目业主的工作内容 ................................................. - 13 - 六、代建项目管理模式及资源配置 .................................. - 14 -(一)代建项目管理模式 ............................................ -14 - 七、代建单位的价款及其支付 ......................................... - 23 -(一)代建单位合同价款的确定 ................................ - 23 -(二)代建单位合同价款的支付 ................................ - 23 -- 1 -项目代建制操作手册一、前言工程项目代建制度是国际上通常采用的一种工程项目管理模式~是由项目出资人委托有相应资质,通常为监理咨询企业,,同下,的项目代建人对项目的可行性研究、勘察、设计、监理、施工等全过程进行管理~并按照建设项目工期和设计要求完成建设任务~直至项目竣工验收后交付使用人的项目建设管理模式~其特点是由过去工程自管型的小生产管理方式向项目专业化管理转变~项目的工程技术及管理手段也趋于现代化。
目录第一章项目代建工作概述 (2)一、项目代建范围 (2)二、项目代建内容 (2)三、代建管理工作框图 (4)四、代建组织机构 (4)第二章代建管理实务 (6)一、代建单位对监理、施工单位的管理要点 (6)二、有效的代建手段和方法 (6)三、理顺代建、监理、承包单位之间关系的措施 (8)四、建设单位职责 (11)五、公司对项目代建部的管理措施 (12)六、对工程项目招标标段划分的规划 (15)第三章代建工作制度 (17)一、代建工作联系单制度 (17)二、代建月报制度 (17)三、代建周报制度 (17)四、代建通知单制度 (1716)五、代建日志制度 (17)六、施工现场巡视制度 (18)七、代建报告制度 (18)八、收发文制度 (18)九、工地例会制度 (18)十、往来资料处理的时效制度 (18)十一、保密工作制度 (18)十二、设计交底与图纸会审制度 (19)十三、危险性较大的分部分项工程施工方案审批制度 (19)十四、材料、构配件及设备报验审查制度 (19)十五、设计变更、洽商的管理制度 (19)十六、隐蔽工程检查制度 (19)十七、样板先行制度 (20)十八、工程质量事故处理制度 (20)十九、工程竣工验收制度 (20)二十、年度代建工作总结制度 (20)第四章代建工作制度实例资料 (21)一、代建工作联系单 (21)二、代建月报 (22)三、代建周报 (26)四、代建专题报告 (31)五、资金使用计划 (32)六、考察报告 (35)七、年度工作总结 (41)八、招标材料、设备品牌推荐工作制度 (47)第一章项目代建工作概述一、项目代建范围工程项目代建,是指代建单位受工程项目业主委托,按照合同约定,代表业主对工程项目的组织实施进行全过程或者分阶段管理。
(一)全过程代建方式,即由代建单位对代建项目从项目建议书批复后直至竣工验收实行全过程管理;具体工作范围为:项目建议书批复后,由代建单位负责从项目可行性研究报告报批,经勘察、方案设计、初步设计及概算、施工图设计及预算、各项建设审批手续办理、招标、施工管理、竣工验收、资产移交等,直至质量缺陷责任期结束的项目建设全过程管理。
工程项目管理流程有人问我,爱情是什么?我不知道,也无从回答,我只知道,为了遇到那个人,我等待了很多年,甚至快要忘了自己到底寻找的是什么?是心灵的寄托还是真实的感受,我不知道,也不在乎,我执着于这份寻觅,我也不怕世事沧桑,更不怕容颜老去,哪怕还有一丝微弱的光,我都会朝着光芒勇敢的追逐。
爱情的世界里,究竟是什么样子?我曾经问了自己无数遍,我想象着,却给不出任何答案。
我只知道:我要遇见你,我渴望见到你,我要把全部的爱给予你!我为什么如此渴望爱情?因为我相信我们的爱情早已命中注定。
都说,住在爱情世界里的人会变傻,她的欢喜和忧愁都会牵动着你的心,她哭了,你会心疼不已;她高兴,你会开心一整天。
你会无时无刻的关注她的喜怒哀乐,第一时间回复她的消息,只要有时间,你的脑海里都是她的影子,为了让她开心快乐,做什么都是值得的。
从此,你的世界里最重要的人就变成了她。
有时候,你们也会吵架,可你从来不生气,因为你爱她,换作别人你会置之不理,而她的一句玩笑话你都会深思半天,到底是自己哪里做的不够好。
因为你怕她生气,怕她伤身,怕她不够幸福,你只想把全世界的爱都给她,这样的吵架让你更心疼、更深爱她。
而他也和你一样,小心翼翼的呵护你们的爱情,都愿意为对方付出,都愿意对方是那个被爱多一点的人。
爱情的世界里,没有对与错,只有爱与被爱,两个人都想多爱对方一点点,都想做那个爱的最深的人,她会把你放在心底,让你聆听她想你时的心跳,让你感受连呼吸的空气都有你的味道。
有人说,爱情有保鲜期,哪怕两个深爱的人,也逃不了魔咒。
还有人说,男人比女人更容易动情,也更容易放弃爱情,甚至移情别恋,而我却笃定爱情的世界里只有你和我 .还记得吗?你曾经无数次问我,什么时候去看你,而我何尝不想时刻在你身边!或许我们的爱情就是适合天南海北各居一方,也许这才是我们爱情保鲜的秘籍,静静的欣赏,悄悄的守望,深深的爱着 .最美的爱情莫过于,一起漫步夕阳西下,看岁月写满人世繁华,一起欣赏落日余晖,听时光吟唱岁月静好。
建设单位(业主方)工程项目管理工作流程图项目管理工作总体流程(一)工程指挥部建设部工程部图1-1 项目管理工作总体流程(一)物资公司设计单位项目\立项与可研可研批复设计与招标制定物资采购计划设计、监理招标配合物资采购施工图及预算审查通过是编制资金计划否初步设计施工图设计及预算图1-2 项目管理工作总体流程图1-3 施工协调管理流程图1-4 工程建设月报上报流程图1-5 档案信息管理流程安全监察部监督检查工程安全管理体的建立和运行项目安全管理工作总体流程(工程指挥部参建单位建设部工程部项目刖期及施工11建立安全1 *1‘管理网络1111111建立安全管理1制度和安全管111理台账1111f11督促、检查参11建单位编制安全管理制度、111台账及危险点111 [预控措施监理项目部1 r施工项目部编制安全监理工作方案,建立安全管理台账修改完善达到安全文明施工开工条件 ,条件-- +:编制安全文明施工实施细则方案及危险点预控措施,建立安全管理台账r施工项目部监理项目部开工前,落实审核安措费使安全文明措用情况,对现施,落实安全 4 场安全文明施会议精神和风工条件及措施险、应急、分落实情况进行包等管理措施把关整改完善安全监察部全过程安全管理监督检查指导组织开展各类安全检查项目安全管理工作总体流程(二)工程指挥部建设部工程部检查指导项目安全管理参建单位项冃施工及竣工阶段落实季度及专项安全大检查总结并制定安全管理改进计戈y监督改进落实*-情况并提出预防措施定期召开安全会议组织开展安全管理活动监督指导项目问题整改组织实施全过程安全管理定期开展危险点预控管理分包管理评价,总结上报■ 组织月度和随机安全检查持续动态改进保持良好按文明施工环境图3-2 项目质量管理工作总体流程(二)领导小组工程指挥部建设部工程部监理单位参建单位刖期阶段初步设计阶段V 施工图设计阶段■■开始组织可研估算工作组织初步设计评审批复初步设计组织施工图及预算会审批复施工图预算参与施工图及预算评审编制底标,组织施工单位招标设计单位编制初步设计概算设计单位配合初步设计评审设计单位编制施工图预算审查批准支付审批重大设计变更预算施工单位提出工程变更图4-1 项目造价管理工作总体流程(一)V领导小组工程指挥部建设部工程部监理单位参建单位竣工验收阶段签署审查意见图4-2 项目造价管理工作总体流程(二)图4-3工程进度款管理工作流程图4-4 工程变更管理工作流程图4-5成本控制管理工作流程图5-1 项目进度管理工作总体流程图5-2 项目设备、材料供应计划管理流程图5-3 材料进货检验(设备开箱)流程图6-1 项目技术管理工作总体流程。
四、项目前期管理(一)项目前期管理工作的目标1、项目前期各项工作做到有计划、有效率,严格按照总进度计划完成各项工作,确保整个项目的进度。
2、做好与项目参建单位和政府相关职能部门之间的协调工作,与时掌控项目前期可能出现的各种影响工程实施的因素,做到早发现、早处理。
(二)项目前期管理工作的容1、组织编写制定本工程的工程项目管理实施方案与其各项规章制度,经委托人审核批准后负责组织实施。
2、负责组织实施完成委托人决定的有关本工程项目管理的各项任务,按照工程标准与其工程项目管理控制目标。
3、审核施工单位的编制的施工组织设计,提出合理化建议,上报委托人审定并负责指导组织落实,工程正式开工前检查施工单位的各项施工准备工作。
4、负责完善本工程项目现场的“三通一平”(即水通、电通、路通、场地平整)以与外部配套工程的技术施工管理工作。
5、应协助委托人与招标代理机构完成工程施工、材料设备等的招投标工作。
6、负责办理项目建设有关的批文、证照与相关手续,主要包括市政、煤气、排水、排污、交通、消防、供水、供电、环保等。
7、调查和考察工程的地质、水文与气象等现场条件和周围环境、材料堆放地围、进入现场方法以与可能需要的设施等方面的情况,根据这些因素对工程的影响和可能产生的风险、意外事故、不可预见损失以与其他情况进行充分的评估并做好积极的防措施以确保工程的顺利进行。
8、负责向有关部门办理工程报建、开工申请手续。
五、项目监理、勘查、设计管理(一)勘查单位的选定勘探和设计单位选定:本项目地处红谷滩中心区,从以往项目地勘成果来看,本区地质构造较为稳定。
地勘设计单位由委托方和受托方共同考察实力较强并在红谷滩有业绩的单位后,择优选定。
本项目属公共建筑,又处核心地段,设计单位最好选择省外有实力的单位,通过方案竞赛,请市艺术委员会和有关专家评定后确定。
(二)监理单位的确定负责项目建筑工程质量的监理单位,由委托方选择确定,并于项目开工建设前,由监理单位与委托方和受委托方共同签订建筑工程监理合同,由受委托方对监理方工作进行全程管理。
项目建设前期工作实施程序二、工程项目建设前期管理程序(见下图)三、项目代建管理中的各项工作程序1、制定项目建设管理工作计划程序1)做好编制项目的可行性研究报告的资料准备工作;2)在本合同签订后一个月内,向招标人、使用方提交正式详细的、由项目指挥部组织编写的《项目代建管理方案》;3)根据批准的《项目代建管理方案》开展工作。
2、初步设计文件的编制、报批报审工作程序1)按招投标制度、合同管理制度的规定,与中标的勘察、测量、方案设计单位签订工程地质勘察、地形测量、初步设计合同。
招标地质勘察、工程测量单位进行勘察、测量工作、招标设计单位进行初步设计文件的编制。
2)初步设计不得超过已批准的建设规模、标准和内容,并详列各单项工程或单位工程的规模与标准、征地规模、主要材料和设备选型等。
3)跟进勘察、测量、设计工作、审核勘察、测量成果报告,审核初步设计文件及项目总概算。
4)将初步设计文件报建设主管部门和计划主管部门进行审批。
计划主管部门负责审核建筑项目的总投资、建设规模和主要内容,建设主管部门根据计划主管部门批准的项目建设规模和总投资审查初步设计和施工图设计。
5)将项目总概算报招标人、使用方有关部门组织审核,审查后的投资总额不得超过已批准的总投资,若超过,需要修改初步设计。
6)跟进落实初步设计文件审查批复意见。
3、项目年度资金计划编制工作程序1)新开工项目的初步设计已经批准,项目总概算已经核定,项目资金已经落实,方可编制项目投资年度计划和项目投资年度计划。
2)在建项目需结转下一年度的,在每年第三季度未编制下半年项目资金计划。
3)项目投资计划,报招标人、使用方审批并下达。
4、施工图设计文件编制、审查工作程序1)按工程招标投标制度、合同管理制的规定,招标设计单位进行施工图设计并编制项目预算;2)根据设计单位要求,按工程招标投标制度,合同管理制度的规定,招标地质勘察单位进行地质详勘,招标工程测量单位进行满足设计精度要求的工程测量。
基建文件可按下列流程形成:立项决策文件包括:项目建议书(代可行性研究报告)及其批复、有关立项的会议纪要及相关批示、项目评估研究资料及专家建议等。
根据项目大小、投资主体的不同,项目建议书的批复文件分别由国家、行业或北京市相关政府管理部门审批。
建设用地文件包括:征占用地的批准文件、国有土地使用证、国有土地使用权出让交易文件、规划意见书、建设用地规划许可证等。
建设用地文件分别由国有土地管理部门和规划部门审批形成。
勘查设计文件包括:工程地质勘察报告、土壤氡浓度检测报告、建筑用地钉桩通知单、验线合格文件、设计审查意见、设计图纸及设计计算书、施工图设计文件审查通知书等。
建筑用地钉桩通知单、验线合格文件、审定设计方案通知书由规划部门审批形成。
招投标及合同文件包括:工程建设招标文件、投标文件、中标通知书及相关合同文件。
开工文件包括:建设工程规划许可证、建设工程施工许可证等。
工程开工文件分别由规划部门和建设行政管理部门审批形成。
商务文件包括:工程投资估算、工程设计概算、施工图预算、施工预算、工程结算等。
其他文件包括:工程未开工前的原貌及竣工新貌照片、工程开工、施工、竣工的音像资料、工程竣工测量资料和建设工程概况表等。
(一)立项决策文件包括:项目建议书(代可行性研究报告)及其批复、有关立项的会议纪要及相关批示、项目评估研究资料及专家建议等。
根据项目大小、投资主体的不同,项目建议书的批复文件分别由国家、行业或北京市相关政府管理部门审批。
(二)建设用地文件包括:征占用地的批准文件、国有土地使用证、国有土地使用权出让交易文件、规划意见书、建设用地规划许可证等。
建设用地文件分别由国有土地管理部门和规划部门审批形成。
(三)勘查设计文件包括:工程地质勘察报告、土壤氡浓度检测报告、建筑用地钉桩通知单、验线合格文件、设计审查意见、设计图纸及设计计算书、施工图设计文件审查通知书等。
建筑用地钉桩通知单、验线合格文件、审定设计方案通知书由规划部门审批形成。
投资项目代建管理流程投资项目代建管理流程是指投资方委托专业的代建公司或团队来负责投资项目的建设管理工作,以确保项目的顺利实施和高质量完成。
在实际的项目建设过程中,代建公司将承担项目管理、施工监理、质量控制、进度管控、成本控制等工作,以帮助投资方降低风险、提高效率,实现项目的成功落地。
一、前期准备阶段。
1. 项目立项阶段。
在项目立项阶段,代建公司需要与投资方进行充分沟通,了解项目的背景、目标、需求和预期效果,同时对项目的可行性进行评估,包括市场分析、技术可行性、资源调查等,为后续的项目管理工作提供依据。
2. 策划阶段。
在项目策划阶段,代建公司将制定项目管理计划,包括项目组织架构、工作分工、进度计划、质量管理计划、安全生产计划、成本控制计划等,以确保项目的顺利进行和高质量完成。
3. 合同签订阶段。
在合同签订阶段,代建公司与投资方签订代建合同,明确双方的权利和义务,包括项目管理范围、服务内容、工作标准、费用结算方式等,以确保双方利益得到保障。
二、项目实施阶段。
1. 项目组建阶段。
代建公司将根据项目管理计划组建项目团队,包括项目经理、工程师、技术人员、质量监督员、安全员等,确保项目管理工作的专业化和高效性。
2. 施工管理阶段。
代建公司将负责项目的施工管理工作,包括施工进度管控、工程质量控制、安全生产管理、现场协调等,以确保项目的施工进度和质量符合要求。
代建公司将建立质量管理体系,包括质量检查、质量验收、质量整改等工作,以确保项目的质量达到设计要求和标准。
4. 成本控制阶段。
代建公司将负责项目的成本控制工作,包括预算编制、费用核算、成本分析、节约措施等,以确保项目的成本控制在合理范围内。
5. 进度管控阶段。
代建公司将负责项目的进度管控工作,包括制定施工进度计划、跟踪施工进度、协调项目各方进度等,以确保项目的按时完成。
6. 安全生产阶段。
代建公司将建立安全生产管理体系,包括安全教育培训、安全检查、事故预防等工作,以确保项目的安全生产。