ANSYS悬臂梁的自由端受力的有限元计算[1]
- 格式:doc
- 大小:209.50 KB
- 文档页数:5
1 研究目的与问题阐述1.1 基本研究目的(1) 掌握ANSYS软件的基本几何形体构造、网格划分、边界条件施加等方法。
(2) 熟悉有限元建模、求解及结果分析步骤和方法。
(3) 利用ANSYS软件对梁结构进行有限元计算。
(4) 研究不同泊松比对同一位置应力的影响。
1.2 基本问题提出图1.1 模型示意图如图1.1所示,当EX=3.01e6,F=5000N,悬臂梁杆一端固定,另一端为自由端。
当悬臂梁的泊松比u为:0.2、0.25、0.3、0.35、0.4时,确定同一位置的应力分布,得出分布云图。
采用二维模型,3*0.09m。
2 软件知识学习2.1 软件的使用与介绍软件介绍:ANSYS软件是融结构、流体、电场、磁场、声场分析于一体的大型通用有限元分析软件。
由世界上最大的有限元分析软件公司之一的美国ANSYS开发,它能与多数CAD软件接口,实现数据的共享和交换,如Pro/Engineer, NASTRAN, Alogor, I-DEAS, AutoCAD等,是现代产品设计中的高级CAE工具之一。
ANSYS有限元软件包是一个多用途的有限元法计算机设计程序,可以用来求解结构、流体、电力、电磁场及碰撞等问题。
因此它可应用于以下工业领域:航空航天、汽车工业、生物医学、桥梁、建筑、电子产品、重型机械、微机电系统、运动器械等。
软件主要包括三个部分:前处理模块,分析计算模块和后处理模块。
前处理模块提供了一个强大的实体建模及网格划分工具,用户可以方便地构造有限元模型;分析计算模块包括结构分析(可进行线性分析、非线性分析和高度非线性分析)、流体动力学分析、电磁场分析、声场分析、压电分析以及多物理场的耦合分析,可模拟多种物理介质的相互作用,具有灵敏度分析及优化分析能力;后处理模块可将计算结果以彩色等值线显示、梯度显示、矢量显示、粒子流迹显示、立体切片显示、透明及半透明显示(可看到结构内部)等图形方式显示出来,也可将计算结果以图表、曲线形式显示或输出。
ansys 分布载荷作用下的悬臂梁应力计算分析模型如图1-1 所示, 梁的横截面为矩形 宽х高 = 1х 2 m 2. 受到分布载荷作用。
材料的弹性模量200GPa, 泊松比0.3。
习题文件名: Cantilever beam 。
注意:用实体单元离散,长度单位m, 力的单位 N ,对应应力单位 Pa ,按照平面应力处理。
1.1 进入ANSYS 程序 →ANSYSED 10.0 → input Initial jobname: Cantilever beam →OK1.2设置计算类型Main Menu: Preferences →select Structural → OK1.3选择单元类型Main Menu: Preprocessor →Element Type→Add/Edit/Delete →Add →select Solid Quad 4node 182 →OK (back to Element Types window) → Options →select K 1: Reduced integration → K3: Plane Stress →OK→Close (the Element Type window)1.4定义材料参数Main Menu: Preprocessor →Material Props →Material Models →Structural →Linear →Elastic →Isotropic →input EX:200e9,PRXY:0.3→ OK1.5生成几何模型生成特征点Main Menu: Preprocessor →Modeling →Create →Key points →In Active CS →依次输入四个点的坐标(每次输入后按Apply,最后按OK):input:1(0,0,0), 2(10,0,0), 3(10,2,0), 4(0,2,0) →OK生成面Main Menu: Preprocessor → Modeling → Create→ Areas → Arbitrary → Through KPS →依次连接四个特征点,1 → 2 → 3 → 4 → OK注意:上面两步也可简化为:Main Menu: Preprocessor → Modeling → Create→Areas → Rectangle → By two corners → WPX, WP Y 均输入0, Width 输入10, Height 输入2 → OK1.6 网格划分=0Main Menu: Preprocessor →Meshing →Mesh Tool→(Size Controls) lines: Set →拾取长边: OK→input NDIV: 50→Apply→拾取短边: →input NDIV: 10 →OK →(back to the mesh tool window)Mesh: Areas, Shape: Quad, Mapped →Mesh →Pick All (in Picking Menu) → Close( the Mesh Tool window)1.7 模型施加约束给左边施加固定约束Main Menu: Solution →Define Loads →Apply →Structural→Displacement → On lines →选左边线→OK →select 第一行: ALL DOF →第四行 VALUE 选 0: → OK给梁的上边施加线性分布载荷ANSYS 命令菜单栏: Parameters →Functions →Define/Edit→1) 在下方的下拉列表框(第三行)内选择X作为设置的变量;2) 在Result窗口中出现{X},写入所施加的载荷函数(力的单位:N):10000-1000*{X};3) File → Save 输入my_q(文件扩展名:func) →返回:Parameters →Functions →Read from file:将需要的my_q.func文件打开,任给一个参数名qq, Local coordinatesystem id for (x,y,z) 栏选0→OKUtility menu → plotctrls → Symbols → Show pres andconvect as 表框内的Face outline下拉改为 arrowsMain Menu: Solution →Define Loads →Apply →Structural →Pressure →On Lines →拾取梁的上层线→OK →在下拉列表框中选择:Existing table →Apply →选择需要的载荷参数名qq→OKsolution→load step opts→write LSFile输入文件名(注意:显示的载荷箭头应当沿着长度有长短不同)1.8 分析计算Main Menu: Solution →Solve →Current LS →OK(to close the solve Current Load Step window) →OK1.9 结果显示Main Menu: General Postproc →Plot Results →Deformed Shape… → select Def + Undeformed →OK (back to Plot Results window)→Contour Plot →Nodal Solu…→select: Stress → X Component of stress → OK1.10 退出系统ANSYS Utility Menu: File →Exit→ Save Everything→ OK。
有限元分析及应用报告题目:利用ANSY软件分析带孔悬臂梁姓名:xxx学号:xxx班级:机械xxx学院: 机械学院指导老师:xxx二零一五年一月问题概述图示为一隧道断面,其内受均布水压力q,外受土壤均布压力p;试采用不同单元计算断面内的位移及应力,并分别分析q=0或p=0时的位移和应力分布情况。
(材料为钢,隧道几何尺寸和压力大小自行确定)本例假定内圆半径为1m,外圆半径为2m,外受均布压力p=10000pa ,内受均布压力为q=20000pa 。
问题分析由题目可知,隧道的的长度尺寸远远大于截面尺寸,并且压力在长度方向上均匀分布,因此本问题可以看作为平面应变问题。
由于在一个截面内,压力沿截面四周均匀分布,且截面是对称的圆环,所以可以只取截面1/4进行有限元建模分析,这样不仅简化了建模分析过程,也能保证得到精确的结果。
由以上分析,可以选取单元类型plane42进行有限元分析,在option中选择K3 为plane strain。
三.有限元建模1.设置计算类型由问题分析可知本问题属于平面静应力问题,所以选择preferences 为structure 。
2.单元类型选定选取平面四节点常应变单元plane42,来计算分析隧道截面的位移和应力。
由于此问题为平面应变问题,在设置element type的K3时将其设置为plane strain。
3.材料参数隧道的材料为钢,则其材料参数:弹性模量E=2.1e11,泊松比(T =0.34.几何建模按照题目所给尺寸利用ansys的modeling依次建立keypoint :1(0,0),2(1,0),3(2,0),4(0,2),5(0,1) , create LINES 依次连接keypoint 2、3和4、5即可创建两条直线,使用create article 的By cent & radius 创建两条圆弧。
create AREAS依次选择四条线即建立了所需的1/4截面。
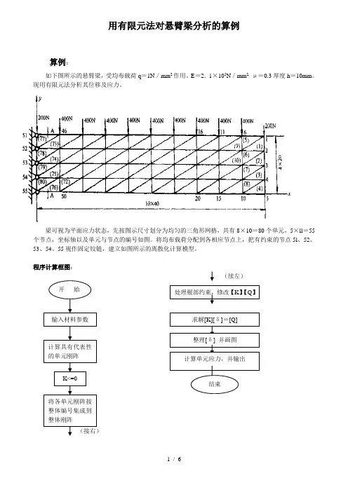
用有限元法对悬臂梁分析的算例算例:如下图所示的悬臂梁,受均布载荷q =1N /mm 2作用。
E =2.1×105N /mm 2, μ=0.3厚度h =10mm 。
现用有限元法分析其位移及应力。
梁可视为平面应力状态,先按图示尺寸划分为均匀的三角形网格,共有8×10=80个单元,5×ll =55个节点,坐标轴以及单元与节点的编号如图。
将均布载荷分配到各相应节点上,把有约束的节点5l 、52、53、54、55视作固定铰链,建立如图所示的离散化计算模型。
程序计算框图:(续左)(接右)开 始 输入材料参数 计算具有代表性的单元刚阵 K<=0 将各单元刚阵按整体编号集成到整体刚阵 处理根部约束,修改【K 】【Q 】 求解[K][δ]=[Q] 整理[δ] 并画图计算单元应力,并输出结束程序中的函数功能介绍及源代码1. LinearTriangleElementStiffness(E,NU,t,xi,yi,xj,yj,xm,ym)――该函数用于计算平面应力情况下弹性模量为E、泊松比为NU、厚度为t、第一个节点坐标为(xi,yi)、第二个节点坐标为(xj,yj)、第三个节点坐标为(xm,ym)时的线性三角形元的单元刚度矩阵.该函数返回6×6的单位刚度矩阵k.2. LinearTriangleAssemble(K,k,i,j,m)――该函数将连接节点i,j,m的线性三角形元的单元刚度矩阵k集成到整体刚度矩阵K。
每集成一个单元,该函数都将返回2N×2N的整体刚度矩阵K.3. LinearTriangleElementStresses(E,NU,t,xi,yi,xj,yj,xm,ym,u)-- 该函数计算在平面应力情况下弹性模量为E、泊松比为NU、厚度为t、第一个节点坐标为(xi,yi)第二个节点坐标为(xj,yj)、第三个节点坐标为(xm,ym)以及单元位移矢量为u时的单元应力。
问题描述:悬臂梁承载示意图如图所示,q=1N/mm2,厚度t=1mm,E=2.1E5N/mm2,u=0.3。
受均布载荷作用的悬臂梁有限元分析求解过程:1.定义工作文件名和工作标题1)选择Utility Menu︱File︱Change Jobname命令,出现Change Jobname对话框,在[/FILNAM]Enter new jobname文本框中输入工作文件名plate,并将New log and error files 设置为Yes,单击OK 按钮关闭该对话框。
2)选择Utility Menu︱File︱Change Title命令,出现Change Title对话框,在[/TITLE]Enter new title文本框中输入plate,单击OK按钮关闭该对话框。
2.定义单元类型1)选择Main Menu︱Preprocessor︱Element Type︱Add/Edit/Delete命令,出现Element Types对话框,单击Add按钮,出现Library of Element Types对话框。
在Library of Element Types列表框中选择Solid,4node 42,在Element type reference number文本框中输入1,如图所示,单击OK按钮关闭该对话框。
定义板厚:单机Options...|select K3:Plane Strs w/thk|OK,如图所示。
3.定义材料性能参数1)选择Main Menu︱Preprocessor︱Material Props︱Material Models命令,出现Define Material Model Behavior对话框。
2)在Material Models Available一栏中依次单击Structural、Linear、Elastic、Isotropic选项(如图3.5所示),出现Linear Isotropic Properties for Material Number 1对话框,在EX文本框中输入2.1E5,在PRXY文本框中输入0.3,如图所示,单击OK按钮关闭该对话框。
Ansys Workbench是一款广泛应用于工程领域的有限元分析软件,可以用于解决各种结构力学、流体动力学、电磁场等问题。
本文将以Ansys Workbench为例,介绍一个结构力学的例题,并详细讲解解题过程。
1. 问题描述假设有一个悬臂梁,在梁的自由端施加一个集中力,要求计算梁的应力分布和挠度。
2. 建模打开Ansys Workbench软件,新建一个静力学分析项目。
在几何模型中,画出悬臂梁的截面,并确定梁的长度、宽度和厚度。
在材料属性中,选择梁的材料,并输入对应的弹性模量和泊松比。
在约束条件中,将梁的支座固定,模拟悬臂梁的真实工况。
在外部荷载中,施加一个与梁垂直的集中力,确定力的大小和作用位置。
3. 网格划分在建模结束后,需要对悬臂梁进行网格划分。
在Ansys Workbench 中,可以选择合适的网格划分方式和密度,以保证计算结果的准确性和计算效率。
通常情况下,悬臂梁的截面可以采用正交结构网格划分,梁的长度方向可以采用梁单元网格划分。
4. 设置分析类型在网格划分完成后,需要设置分析类型为结构静力学。
在分析类型中,可以选择加载和约束条件,在求解器中,可以选择计算所需的结果类型,如应力、应变、位移等。
5. 求解和结果分析完成以上步骤后,可以提交计算任务进行求解。
Ansys Workbench软件会自动进行计算,并在计算完成后给出计算结果。
在结果分析中,可以查看悬臂梁的应力分布图和挠度图,进一步分析梁的受力情况和变形情况。
6. 参数化分析除了单一工况下的分析,Ansys Workbench还可以进行参数化分析。
用户可以改变材料属性、外部加载、几何尺寸等参数,快速地进行批量计算和结果对比分析,以得到最优的设计方案。
7. 结论通过Ansys Workbench对悬臂梁的结构分析,可以得到悬臂梁在外部加载下的应力分布和挠度情况,为工程设计和优化提供重要参考。
Ansys Workbench还具有丰富的后处理功能,可以绘制出直观的分析结果图,帮助工程师和研究人员更好地理解和使用分析结果。
悬臂梁的受力分析实验目的:学会使用有限元软件做简单的力学分析,加深对材料力学相关内容的理解,了解如何将理论与实践相结合。
实验原理:运用材料力学有关悬臂梁的的理论知识,求出在自由端部受力时,其挠度的大小,并与有限元软件计算相同模型的结果比较 实验步骤: 1,理论分析如下图所示悬臂梁,其端部的抗弯刚度为33EIl ,在其端部施加力F ,可得到其端部挠度为:33Fl EI ,设其是半径为0.05米,长为1米,弹性模量11210E =⨯圆截面钢梁,则其可求出理论挠度值3443Fl ERωπ=,先分别给F 赋值为100kN ,200kN ,300kN ,400kN ,500kN .计算结果如下表:F 100000 200000 300000 400000 500000 ω(m )0. 033950. 0679060. 1018590. 13581230. 16976542有限元软件(ansys )计算: (1)有限元模型如下图:模型说明,本模型采用beam188单元,共用11个节点分为10个单元,在最有段施加力为F计算得到端部的挠度如下表所示,F 100000 200000 300000 400000 500000S(端部位移)-0.34079E-01-0.680158E-01-1.020237E-01-1.360136E-01-1.700395E-01得到梁端部在收到力为100kN时Y方向的位移云图:将理论计算结果与ansys分析结果比较如下表:力F(N)100000 200000 300000 400000 500000 理论值0. 03395 0. 067906 0. 101859 0. 1358123 0. 1697654 实验值-0.34079E-01-0.680158E-01-1.020237E-01-1.360136E-01-1.700395E-01相对误差0.37% 0.16% 0.16% 0.15% 0.16%通过比较可得,理论值与软件模拟结果非常接近,在力学的学习中只要能熟练的掌握理论知识,在软件模拟过程中便可做到心中有数,在本实验中理论值是通过材料力学中得一些假设得到的一个解析解,而实验也是用了相同的假设,并将梁离散为十个单元,得到数值解,因此和理论值的误差是不可避免的,通过增加离散单元的个数可以有效的减少误差,但是增大了计算量,因此在实践中,只要选取合适的离散单元数,能够满足实践要求即可,这就需要有更加扎实有限元知识作为指导。
工程地质数值模拟成绩考核——昆明理工大学本科生课程*****学院:国土资源工程学院科系:地科系专业:勘查111学号:************2014年11 月8 日悬臂梁的有限元分析1.问题概述。
悬臂梁为矩形截面的钢梁,长10m宽1m、高2m,不计梁的自重,弹性模量为220GPa,泊松比为0.2,在悬臂端作用一集中荷载P=1200kN。
试分析该悬臂梁的内力和变形情况。
2.启动ANSYS程序。
(1)在【开始】菜单中依次选取【所有程序】/【ANSYS8.0】/【ConfigureANSYSProducts】选项,打开【ANSYS8.0Launcher】对话框。
(2)选中【FileManagement】选项卡,输入目录名:“D:\ANSYSFX\zhang1\Exam01\ANSYSjs”,输入项目名:“Z101Beam”。
(3)单击按钮运行程序,进入ANSYS使用界面。
3.定义材料、实常数和单元类型。
(1)在【ANSYSMainMenu】菜单中依次选取【Preprocessor】(前处理)/【ElementType】/【Add/Edit/Delete】选项,打开单元类型对话框。
单击按钮,打开单元类型库对话框,在右侧两个列表框中分别选取【Beam】选项和【2Delastic3】选项(简称为Beam3单元,以后叙述中记为【Beam】-【2Delastic3】单元,类似的情况记法相同),如图1-16所示。
单击按钮,再单击【ElementType】对话框中的按钮。
图1-16【LibraryofElementTypes】对话框(2)在【ANSYSMainMenu】菜单中依次选取【Preprocessor】/【RealConstants】/【Add/Edit/Delete】选项,打开实常数对话框,如图1-17所示。
单击按钮,打开Beam3实常数对话框,按照提示输入相应的面积、惯性矩和梁高参数,如图1-18所示。
悬臂梁的有限元分析I. 内容综述悬臂梁的有限元分析是结构工程领域中的一个重要课题,它是一种数值计算方法,通过将连续的结构分解成许多小单元,然后对每个单元进行分析,最终得到整个结构的性能指标。
这种方法可以有效地模拟结构的变形和应力分布情况,为设计和优化提供可靠的依据。
在实际应用中,悬臂梁的有限元分析需要考虑多种因素,如材料属性、几何形状、载荷条件等。
因此在进行分析时,需要选择合适的模型和网格尺寸,并对边界条件进行合理设定。
此外由于悬臂梁的结构特点,其在不同位置的受力情况也有所不同,因此需要对各个部位进行分别分析。
悬臂梁的有限元分析是一项复杂而重要的工作,只有通过合理的建模和分析方法,才能得到准确的结果,并为实际工程提供有效的指导。
A. 研究背景和意义悬臂梁作为一种常见的结构形式,广泛应用于建筑、桥梁、机械等领域。
然而在实际应用过程中,由于各种因素的影响,悬臂梁的结构性能可能会发生退化,导致结构的安全性受到威胁。
因此对悬臂梁的有限元分析具有重要的研究意义。
有限元分析是一种基于数学模型的工程分析方法,通过将复杂的结构分解为若干个简单的单元,利用计算机模拟这些单元在受力作用下的变形和应力分布,从而预测结构的响应。
近年来随着计算机技术和数学方法的不断发展,有限元分析在工程领域中的应用越来越广泛,已经成为工程设计和施工的重要工具。
对于悬臂梁这种特殊结构,有限元分析不仅可以帮助我们了解其在不同工况下的性能表现,还可以为优化结构设计、提高结构强度和刚度提供理论依据。
此外通过对悬臂梁的有限元分析,我们还可以更好地了解其在使用过程中可能出现的缺陷和损伤,从而为预防事故、保障人员安全提供技术支持。
悬臂梁的有限元分析研究具有很高的实用价值和理论意义,对于推动工程技术的发展、提高人类生活质量具有重要作用。
B. 研究目的和方法本研究旨在通过有限元分析方法,对悬臂梁进行分析,以探究其在不同荷载下的应力分布情况。
我们将采用ANSYS软件进行模拟计算,并通过对计算结果的分析,得出悬臂梁的最大应力、最小应力以及平均应力等关键指标。
悬臂梁ansys有限元分析求最大挠度(一) 悬臂梁ansys 有限元分析求最大挠度问题:悬臂梁长1000mm ,宽50mm ,高10mm ,左端固定,求其在自重作用下的最大挠度?解:弯矩方程:221)()(x l q x M --=微分方程: 221'')(x l q y EI z-=积分求解:DCx qx qlx x ql y EI Cqx qlx x ql y EI z z +++-=++-=4322322'2416125.0615.05.0由边界条件:0;0,0''====A A A y y x θ 得:C=0,D=0I=1/12*h^3*b,h 为梁截面的高,b 为梁截面的宽。
q=ρ*g*a*h*l材料力学公式求:Y=EI85gahl^ρ=5.733mmq EILANSYS 模拟求:Y=5.5392mm,详细见下步骤ANSYS 软件设置及其具体过程如下:步骤1:建立一个模型,在model下creat一个长1,宽0.05,高0.01的长方体实体。
(单位默认为m)步骤3:划分网格。
设置网格单元为structure solid brick 8node 185,mesh tool中设置网格大小为0.002,HEX下点击mesh。
步骤4:施加载荷;在preprocessor中inertia中设置重力加速度Y方向为9.8。
在左面施加固定约束(三个方向固定)步骤5::求解。
在solve下solve current LS。
步骤6:后处理查看。
在result中plot result,查看nodes displacement。
List查看文本,观察nodes的最大位移点。
ANSYS APDL命令流悬臂梁分析教程本文通过分析悬臂梁介绍了ANSYS APDL相关命令流方法。
考虑悬臂梁如图2-2,求x=L变形量。
已知条件:杨氏系数E=200E9;截面参数:t=0.01m, w=0.03m, A=3E-4,I=2.5E-9;几何参数:L=4m, a=2m, b=2m;边界外力F=2N,q=0.05N/m.使用ANSYS解决该问题的命令如下:/FILNAM,EX2-1? ! 定义文件名/TITLE,CANTILEVER BEAM DEFLECTION? !定义分析的标题/UNITS,SI !定义单位制(注意观察输出窗口的单位)/PREP7 !进入前置处理ET,1,3? !定义元素类型为beam3MP,EX,1,200E9 ! 定义杨氏模量R,1,3E-4,2.5E-9,0.01 !定义实常数(要严格根据该元素类型的说明文档所给出的实常数格式)N,1,0,0!定义第1号节点X坐标为0,Y坐标为0N,2,1,0!定义第2号节点X坐标为1,Y坐标为0N,3,2,0 !定义第3号节点X坐标为2,Y坐标为0N,4,3,0 !定义第4号节点X坐标为3,Y坐标为0N,5,4,0!定义第5号节点X坐标为4,Y坐标为0E,1,2!把1、2号节点相连构成单元,系统将自定义为1号单元E,2,3!把2、3号节点相连构成单元,系统将自定义为2号单元E,3,4!把3、4号节点相连构成单元,系统将自定义为3号单元E,4,5!把4、5号节点相连构成单元,系统将自定义为4号单元FINISH? !退出该处理层/SOLU!进入求解处理器D,1,ALL,0 !对1节点施加约束使它X,Y向位移都为0F,3,FY,-2 !在3节点加集中外力向下2NSFBEAM,3,1,PRES,0.05 !在3 号元素的第1个面上施加压力(beam3有四个面可通过命令help,beam3查看,任何一个命令都可以通过help,命令查看帮助文档)SFBEAM,4,1,PRES,0.05 !同上在4号元素的第1个面加压力SOLVE !计算求解FINISH !完成该处理层/POST1!进入后处理SET,1,1!查看子步1,在有限元中复杂的载荷可以看做简单的载荷相互叠加,在ANSYS中每施加一类载荷都可以进行一次求解,可以查看它对结构的影响,称为子步。
悬臂梁自由端受力的有限元计算一、计算目的1、掌握ANSYS软件的基本几何形体构造、网格划分、边界条件施加等方法。
2、熟悉有限元建模、求解及结果分析步骤和方法。
3、利用ANSYS软件对梁结构进行有限元计算。
4、梁的变形、挠曲线等情况的分析。
5、一维梁单元,二维壳单元,三维实体单元对计算结果的影响。
6、载荷施加在不同的节点上对结果的影响。
二、计算设备PC,ANSYS软件(版本为11.0)三、计算内容悬臂梁受力模型如上图所示,一段长100[mm]的梁,一端固定,另一段受到平行于梁截面的集中力F的作用,F=100[N]。
梁的截面为正方形,边长为10[mm]。
梁所用的材料:弹性模量E=2.0 105[MPa],泊松比0.3。
四、计算步骤(以梁单元为例)1、分析问题。
分析该物理模型可知,截面边长/梁长度=0.1是一个较小的值,我们可以用梁单元来分析这样的模型。
当然,建立合适的壳单元模型和实体单元模型也是可以的。
故拟采用这三种不同的方式建立模型。
以下主要阐述采用梁单元的模型的计算步骤。
2、建立有限元模型。
a)创建工作文件夹并添加标题;在个人的工作目录下创建一个文件夹,命名为beam,用于保存分析过程中生成的各种文件。
启动ANSYS后,使用菜单“File”——“Change Directory…”将工作目录指向beam 文件夹;使用/FILNAME,BEAM命令将文件名改为BEAM,这样分析过程中生成的文件均以BEAM为前缀。
偏好设定为结构分析,操作如下:GUI: Main Menu > Preferences > Structuralb)选择单元;进入单元类型库,操作如下:GUI: Main Menu > Preprocessor > Element Type > Add/Edit/Delete > Add…对话框左侧选择Beam选项,在右侧列表中选择2D elastic 3选项,然后单击OK按钮。
ANSYS有限元分析实例1.悬臂梁的结构分析悬臂梁是一种常见的结构,其呈直线形式,一端固定于支撑点,另一端自由悬挂。
在这个分析中,我们将使用ANSYS来确定悬臂梁的最大弯曲应力和挠度。
首先,我们需要创建悬臂梁的几何模型,并给出其材料属性和加载条件。
然后,在ANSYS中创建有限元模型,并进行网格划分。
接下来,进行力学分析,求解材料在给定加载下的应力和位移。
最后,通过对结果的后处理,得出最大弯曲应力和挠度。
2.螺旋桨的流体力学分析螺旋桨是一种能够产生推力的旋转装置,广泛应用于船舶、飞机等交通工具中。
螺旋桨的流体力学分析可以帮助我们确定其叶片的受力情况和推力性能。
在这个分析中,我们需要建立螺旋桨的几何模型,并给出流体的流速和压力条件。
然后,我们在ANSYS中创建螺旋桨的有限元模型,并进行网格划分。
通过求解流体场方程,计算叶片上的压力分布和受力情况。
最后,通过对结果的后处理,得出叶片的受力情况和推力性能。
3.散热片的热传导分析散热片是一种用于散热的装置,广泛应用于电子设备、电脑等领域。
散热片的热传导分析可以帮助我们确定散热片在给定热源条件下的温度分布和散热性能。
在这个分析中,我们需要建立散热片的几何模型,并给出材料的热导率和热源条件。
然后,我们在ANSYS中创建散热片的有限元模型,并进行网格划分。
通过求解热传导方程,计算散热片上各点的温度分布。
最后,通过对结果的后处理,得出散热片的温度分布和散热性能。
以上是三个ANSYS有限元分析的实例,分别涉及结构分析、流体力学分析和热传导分析。
通过这些实例,我们可以充分展示ANSYS在不同领域的应用,并帮助工程师和科研人员解决工程问题,提高设计效率和产品性能。
基于ANSYS的悬臂梁剪力与弯矩图分析1、问题简介已知某外伸悬臂梁,受力情况如下所示,已知材料的容许正应力为80MPa。
梁截面为直径200mm的圆。
材料弹性模量为2.1e11,泊松比为0.3。
利用材料力学知识,画出结构的剪力和弯矩图,并进行强度校核,同时再采用有限元方法进行分析,与理论计算进行对比分析。
图1 结构及受力情况2、理论分析方案首先建立平衡方程:∑=0y∑A M=设A处支反力为RA,B处支反力为RB,假设初始方向为竖直向上,则:10*2-RA+20-RB=010*2*1-20*3+RB*4=0得到RA=30KN,RB=10KN。
假设梁的最左端为X轴0点,则OA段的剪力求解如下:q*x-Fx=0得到Fx=10*x,其中0<x<2,且方向向上在AC段,则2<x<5,剪力求解方程如下:10*2-RA+Fx=0得到:Fx=10KN,且方向向下。
在CB段,其中5<x<6,剪力求解方程如下:10*2-RA+20-FX=0得到FX=10KN,其中方向向上。
由上述计算可得剪力图如下所示,其中正好表示方向向上。
图2 剪力图假设梁的最左端为X轴0点,则弯矩图的求解过程如下所示:OA段:10*x*x/2-Mx=0得到Mx=5*x^2,其中方向为顺时针。
AC 段:10*2*(1+x)-RA*x-Mx=0得到:Mx==20-10xCB段:Mx=RB*(6-x)得到MX=60-10x由上述计算可知弯矩图如下所示,图3 弯矩图由图3可知,梁的最大正弯矩为Mc=10KN*m最大负弯矩为Ma=20KN*m 。
其中弯曲应力计算公式如下所示:3max max max max max 32d M W M I y M Z πσ=== 所以如上所示梁结构的最大弯曲应力发生在截面A 处,按照如上公式计算,知最大应力为25.478MPa ,材料许用正应力为80MPa ,此时安全系数为3.14,材料满足强度要求。
悬臂梁自由端受力的有限元计算
任柳杰10110290005
一、计算目的
1、掌握ANSYS软件的基本几何形体构造、网格划分、边界条件施加等方法。
2、熟悉有限元建模、求解及结果分析步骤和方法。
3、利用ANSYS软件对梁结构进行有限元计算。
4、梁的变形、挠曲线等情况的分析。
5、一维梁单元,二维壳单元,三维实体单元对计算结果的影响。
6、载荷施加在不同的节点上对结果的影响。
二、计算设备
PC,ANSYS软件(版本为11.0)
三、计算内容
悬臂梁受力模型
如上图所示,一段长100[mm]的梁,一端固定,另一段受到平行于梁截面的集中力F的作用,F=100[N]。
梁的截面为正方形,边长为10[mm]。
梁所用的材料:弹性模量E=2.0 105[MPa],泊松比0.3。
四、计算步骤(以梁单元为例)
1、分析问题。
分析该物理模型可知,截面边长/梁长度=0.1是一个较小的值,我们可以用梁单元来分析这样的模型。
当然,建立合适的壳单元模型和实体单元模型也是可以的。
故拟采用这三种不同的
方式建立模型。
以下主要阐述采用梁单元的模型的计算步骤。
2、建立有限元模型。
a)创建工作文件夹并添加标题;
在个人的工作目录下创建一个文件夹,命名为beam,用于保存分析过程中生成的各种文件。
启动ANSYS后,使用菜单“File”——“Change Directory…”将工作目录指向beam 文件夹;使用/FILNAME,BEAM命令将文件名改为BEAM,这样分析过程中生成的文件均
以BEAM为前缀。
偏好设定为结构分析,操作如下:
GUI: Main Menu > Preferences > Structural
b)选择单元;
进入单元类型库,操作如下:
GUI: Main Menu > Preprocessor > Element Type > Add/Edit/Delete > Add…
对话框左侧选择Beam选项,在右侧列表中选择2D elastic 3选项,然后单击OK按钮。
本步骤也可以用以下命令行形式代替:
/PREP7 ! 进入前处理器
/ET,1,BEAM3 ! 定义BEAM3单元
c)定义实常数;
根据单元类型定义实常数,操作如下:
GUI: Main Menu > Preprocessor > Real Constants > Add/Edit/Delet e > Add…
本例中主要定义梁的截面性质,在AREA对应的文本框中输入梁的截面积100。
在IZZ对应的文本框中数据截面惯性矩10000/12。
(注:截面惯性矩公式为I z=BH3/12其中
B为矩形截面的宽,H为高。
)在HEIGHT对应的文本框中输入截面的高度10。
d)定义材料属性;
定义材料属性(弹性模量和泊松比)的操作如下:
GUI: Main Menu > Preprocessor > Material Props > Material Models > Structural > Linear > Elastic > Isotropic
在弹出的对话框中输入材料参数:杨氏模量(EX): 2.0e5
泊松比(PRXY): 0.3
该步骤也可以使用以下命令实现:
MP,EX,1,2.0E5
MP,PRXY,1,0.3
e)创建实体模型;
合理规划模型的坐标可以减少一定的工作量,在本例中,将坐标原点取在梁的固定端,将梁的方向置放为x方向。
1.创建点:
GUI: Main Menu > Preprocessor > Modeling > Create > Keypoints > In Active CS
在NPT对应的文本框中输入点的编号为1,在X,Y,Z对应的文本框中分别输入点的坐标0,0,0。
同样方式输入编号为2的另一点,坐标为100,0,0。
以上步骤可以用命令实现:
K,1,0,0,0
K,2,100,0,0
2.连接线:
将上面的两个点连接成线,操作如下:
GUI: Main Menu > Preprocessor > Modeling > Create > Lines > Straight Line
依次拾取上面的两个点,即形成两者之间的连线。
该步骤可以用命令实现:
L,1,2
f)划分网格;
首先进入Mesh Tools对话框,操作如下:
GUI: Main Menu > Preprocessor > Meshing > Mesh Tool
在出现的对话框中选择line标签旁边的Set按钮,拾取直线,在出现的对话框中NDIV 对应的文本框中填入20,设置在线上将网格划分为20份。
在Mesh标签对应的下拉菜单中选择Lines,点击Mesh按钮,拾取直线。
点击OK。
在标题菜单上对应路径“PlotCtrls”——“Style”——“Size and Shape”,在出现的对话框中将On前面的选框勾选。
这样可以展示梁的三维形体。
3、施加载荷并求解。
a)定义约束;
梁在左侧的端点具有约束,利用以下操作定义约束:
GUI: Main Menu > Preprocessor > Loads > Define Loads > Apply > Structural > Displacement > On Keypoints
选择左边的端点,在出现的对话框右边的选框中选择ALL DOF约束所有自由度,点击OK 按钮确定。
b)施加载荷;
GUI: Main Menu > Preprocessor > Loads > Define Loads > Apply > Structural > Force/Moment > On Keypoints
选择右边的端点,在出现的对话框Lab对应的下拉菜单中选择FY定义Y方向的集中力,在V alue对应的文本框中输入力的值为-100,负号代表Y的负方向。
c)求解
4、利用壳单元和实体单元建立类似模型并求解。
a)壳单元;
壳单元模型选择单元类型为SHELLl63,实常数为梁的“厚度”,值为10,材料特性保持不变;建立的实体为一个长为100,宽为10的矩形;对该面进行适当的网格划分;在左端的线上定义约束,右端的各点上施加载荷。
b)实体单元;
实体单元模型选择单元类型为SOLID65,无需定义实常数,材料特性保持不变;建立的实体为一个长为100,宽和高为10的长方形;对该体进行适当的网格划分;在左端的面上定义约束,右端的各点上施加载荷。
五、结果分析
1、网格划分效果图(依次为梁单元,壳单元,实体单元)
如图所示,梁单元只能在一个方向上划分网格,壳单元可以在一个平面上划分,而实体单元则可以在整个体的范围内划分网格。
2、梁的变形
首先考虑将集中力都加载在端点中心处的情况,以便比对。
下面是位移云图,顺序保持和以上一致。
单元类型与最大位移(取绝对值)对应表
3、 加载不同的节点上的情况。
a) 壳体模型
可以尝试将集中力加载到壳体模型非中心的节点上。
观察结果如下图所示:
其中在右上角的点施加了Z 方向的集中力,图中可以见到,该角的位移相比偏大。
这
符合物理规律。
b) 实体模型
将集中力加载在柱状实体的一个角上(图中为右上角),位移图像如下。
具有和壳体模型一样的规律。
4、实体模型的上拉下压情况。