期(塔基)机房隐蔽工程签证记录
- 格式:doc
- 大小:40.50 KB
- 文档页数:1
建筑工程隐蔽工程签证及验收记录1. 引言本文档旨在记录建筑工程隐蔽工程的签证及验收过程,以确保工程质量及安全。
2. 签证记录2.1 隐蔽工程的签证应由具备相应资质的工程师进行。
签证前,应对隐蔽工程的施工情况进行全面检查和评估,确保符合相关法规和标准。
2.2 签证过程中,应对施工人员的证书和施工质量进行核查。
必要时,可以要求施工人员提供材料和证据来支持施工质量的合规性。
2.3 对于不符合要求的隐蔽工程,签证人员应立即与相关责任人进行沟通,并要求采取纠正措施,直至符合要求为止。
3. 验收记录3.1 隐蔽工程的验收应由签证人员及相关质量管理人员共同进行。
验收前,应根据相关规定对隐蔽工程进行检查和测试,包括但不限于结构、水电、通风等方面。
3.2 验收过程中,应对隐蔽工程的安全性、合规性进行确认。
必要时,可以要求相关施工人员提供相关的文件和数据来支持验收结果的准确性。
3.3 对于不合格的隐蔽工程,应立即通知相关责任人,并要求采取相应纠正措施。
验收合格的隐蔽工程应及时提供验收报告,并提交给相关部门备案。
4. 总结建筑工程隐蔽工程的签证及验收过程是确保工程质量和安全的重要环节。
签证人员应对施工情况进行全面检查和评估,验收人员应对隐蔽工程进行严格的检查和测试,确保符合相关标准和规定。
若发现不合格的情况,应及时采取纠正措施,以确保工程的质量和安全性。
以上为建筑工程隐蔽工程签证及验收记录的内容总结,供参考。
参考资料- 相关法规和标准- 施工人员证书和证明文件。
电力工程隐蔽工程签证及验收记录1. 背景介绍这份文档旨在记录电力工程中的隐蔽工程签证和验收情况。
隐蔽工程是指在施工过程中埋没或隐藏在构筑物内部的工程,如电缆敷设、管道铺设等。
签证是确认隐蔽工程的质量、合规性和符合设计要求的工作步骤,验收是确认隐蔽工程的完工质量和性能的程序。
2. 签证记录2.1 工程名称:在此处填写电力工程的具体名称。
2.2 施工单位:填写负责该电力工程施工的单位名称。
2.3 施工地点:填写电力工程所在的具体地点。
2.4 签证日期:填写每次进行隐蔽工程签证的日期。
2.5 签证人员:记录每次进行隐蔽工程签证的人员姓名。
2.6 签证内容:详细记录每次进行隐蔽工程签证的工程部位、施工步骤、质量要求等内容。
3. 验收记录3.1 工程名称:在此处填写电力工程的具体名称。
3.2 施工单位:填写负责该电力工程施工的单位名称。
3.3 施工地点:填写电力工程所在的具体地点。
3.4 验收日期:填写每次进行隐蔽工程验收的日期。
3.5 验收人员:记录每次进行隐蔽工程验收的人员姓名。
3.6 验收内容:详细记录每次进行隐蔽工程验收的工程部位、完工质量、性能等内容。
4. 签证及验收结果根据隐蔽工程签证和验收的记录,填写每次签证和验收的结果,包括合格、不合格或待整改等。
5. 备注在此处记录任何与隐蔽工程签证和验收相关的额外信息。
以上为《电力工程隐蔽工程签证及验收记录》的内容,请妥善保存和管理,以备查阅和审查。
机房隐蔽工程验收记录1. 引言说到机房隐蔽工程验收,这可不是一件轻松的活儿。
想象一下,大家都在忙得不可开交,像热锅上的蚂蚁,心里想着“这工程到底能不能过?”工程隐蔽的地方,往往就是那些让人心里没底的角落,嘿,谁能想到它们背后藏着多少秘密呢!所以,今天就来聊聊这个验收的过程,别担心,咱们轻松愉快地聊,不会让你觉得无聊。
2. 工程概述2.1 隐蔽工程的意义首先,隐蔽工程其实就像是家里的水管电线,明面上看着没啥,但一旦出了问题,哎呀,真的是麻烦得不得了。
机房里的电缆、管道,这些看不见的东西,都是支撑整个系统运行的基础。
为了确保它们安全可靠,我们得进行仔细的验收,别小看了这一步,关乎到整个机房的稳定性,真是“细节决定成败”啊。
2.2 验收准备在验收之前,我们得做足功课。
首先,得把施工单位的图纸、材料清单都拿出来,仔细比对,看看有没有差错。
就像做一道数学题,步骤不能少,结果才不会错。
然后,还要准备好验收的工具,测量仪器、相机啥的,一个也不能少。
人手也得齐整,不然就成了“一锅端”,可不想这样!3. 验收过程3.1 现场勘查到了现场,真是一场“千军万马过独木桥”的大战。
首先,得把所有的电缆、管道都一一检查,看看它们是不是规规矩矩地走在预定的轨道上。
好比给孩子们上课,得耐心引导,不能漏掉任何一个角落。
有的地方,电缆可能藏得特别深,像是个“鬼精灵”,需要小心翼翼地掀开盖板,真是不能马虎。
3.2 数据记录每检查到一个地方,都会认真记录,绝不能让数据“跑了”,就像在考试时把答案写错了一样,那可真是心里拔凉拔凉的。
我们还得拍照留存,万一以后有问题,也能追溯到源头。
说到拍照,有时候摄影师的技术也很关键,角度不到位,照片就像“照妖镜”,效果大打折扣。
验收结束后,大家围在一起,讨论每个细节,简直像是在进行一场“脑力激荡”的辩论赛。
4. 验收结果4.1 通过与否经过一番“刀枪交错”的检查,终于可以坐下来评估结果了。
通常来说,验收的标准很严格,要确保所有的电缆、管道都符合规定,不然就要“重修”了。
随工验收隐蔽工程检查签证记录
工程名称:2015年中国联通贵州贵阳金钟镇、广信四季家园等5个小区(志天成4小区)宽带接入整改工程
建设地点:贵阳市
施工单位:贵州志天成通信建设工程有限公司
建设单位:中国联合网络通信有限公司贵阳市分公司
随工检查记录
工程名称:2015年中国联通贵州贵阳金钟镇、广信四季家园等5个小区(志天成4小区)宽带接入整改工程
工程编号:NET15EA0B01109.5201
司
贵阳市分公司
施工地区:贵阳市检查日期:2015年月日
随工验收隐蔽工程检查签证记录
工程名称:2015年中国联通贵州贵阳观山湖区睿力上城等15小区(志天成4小区)宽带接入新建工程
建设地点:贵阳市
施工单位:贵州志天成通信建设工程有限公司
随工检查记录
工程名称:2015年中国联通贵州贵阳观山湖区睿力上城等15小区(志天成4小区)宽带接入新建工程
工程编号:NET15EA0B01033.5201
司
贵阳市分公司
施工地区:贵阳市检查日期:2015年月日。
隐蔽工程签证验收记录
工程名称凤塘供电所10kV西溪线#52杆-深坑支线#13杆
改造工程(抗风加固专项)
实施部门凤塘供电所
建设单位潮州潮安供电局设计单位潮州电力设计室施工单位潮州市日成工程安装有限公司
隐蔽工程内容
分部分项工程名称计量单位工程数量说明
10kV联饶线宅畔支线(铁塔#7、#17,基础型800-300)座 2 1、按设计图号GPDB-KFJG-003-05施工
2、基础型:#7、#17为800-300,#.........
3、地型土质:#7为山坡、#17为水田........
验收
单位
名称
及
意见
施工单位负责人(签名、意见、章):监理单位代表:(签名、意见、章):建设单位实施部门代表(签名、意见、章):注:此表由施工单位填写,一式三份,建设单位、施工单位、监理单位(实施部门)各一份。
工程无委托监理时,由项目实施部门会同生技部共同确认。
“建设单位代表”由签订合同的项目实施部门代表。
320隐蔽工程现场签证验收记录隐蔽工程现场签证验收记录第 1 页仅供学习与交流,如有侵权请联系网站删除谢谢2建设单位代表:监理单位代表:施工单位负责人:(单位盖章)(单位盖章)(单位盖章)隐蔽工程现场签证验收记录第 2 页仅供学习与交流,如有侵权请联系网站删除谢谢3建设单位代表:监理单位代表:施工单位负责人:(单位盖章)(单位盖章)(单位盖章)隐蔽工程现场签证验收记录第 3 页仅供学习与交流,如有侵权请联系网站删除谢谢4建设单位代表:监理单位代表:施工单位负责人:(单位盖章)(单位盖章)(单位盖章)隐蔽工程现场签证验收记录第 4 页仅供学习与交流,如有侵权请联系网站删除谢谢5建设单位代表:监理单位代表:施工单位负责人:(单位盖章)(单位盖章)(单位盖章)隐蔽工程现场签证验收记录第 5 页仅供学习与交流,如有侵权请联系网站删除谢谢建设单位代表:监理单位代表:施工单位负责人:(单位盖章)(单位盖章)(单位盖章)隐蔽工程现场签证验收记录第 6 页仅供学习与交流,如有侵权请联系网站删除谢谢7建设单位代表:监理单位代表:施工单位负责人:(单位盖章)(单位盖章)(单位盖章)隐蔽工程现场签证验收记录仅供学习与交流,如有侵权请联系网站删除谢谢8第 7 页建设单位代表:监理单位代表:施工单位负责人:(单位盖章)(单位盖章)(单位盖章)仅供学习与交流,如有侵权请联系网站删除谢谢9隐蔽工程现场签证验收记录第 8 页建设单位代表:监理单位代表:施工单位负责人:(单位盖章)(单位盖章)(单位盖章)仅供学习与交流,如有侵权请联系网站删除谢谢10隐蔽工程现场签证验收记录第 9 页建设单位代表:监理单位代表:施工单位负责人:(单位盖章)(单位盖章)(单位盖章)11隐蔽工程现场签证验收记录第 10 页建设单位代表:监理单位代表:施工单位负责人:(单位盖章)(单位盖章)(单位盖章)12隐蔽工程现场签证验收记录第 11 页13建设单位代表:监理单位代表:施工单位负责人:(单位盖章)(单位盖章)(单位盖章)隐蔽工程现场签证验收记录第 12 页14建设单位代表:监理单位代表:施工单位负责人:(单位盖章)(单位盖章)(单位盖章)隐蔽工程现场签证验收记录第 13 页15建设单位代表:监理单位代表:施工单位负责人:(单位盖章)(单位盖章)(单位盖章)隐蔽工程现场签证验收记录第 14 页16建设单位代表:监理单位代表:施工单位负责人:(单位盖章)(单位盖章)(单位盖章)17。
第1篇工程名称: [填写工程名称]工程地点: [填写工程地点]签证编号: [填写签证编号]签证日期: [填写签证日期]一、签证背景根据《中华人民共和国建筑法》及相关法律法规,为确保工程质量和施工安全,现将本工程中涉及的隐蔽工程进行签证,具体内容如下:二、签证内容1. 隐蔽工程概述- 工程部位:[填写具体工程部位]- 施工内容:[填写具体施工内容,如管道铺设、电线布设、防水处理等]- 设计要求:[填写设计要求,如材料规格、施工工艺等]2. 签证原因- 由于[填写具体原因,如地质条件变化、设计变更、材料规格调整等],导致原设计图纸中[填写具体部位或项目]的施工方案需要调整。
3. 签证变更内容- 材料调整:[填写原设计材料及调整后的材料,如原设计为PVC管,现调整为PE管]- 施工工艺调整:[填写原设计施工工艺及调整后的施工工艺,如原设计为干铺法,现调整为湿铺法]- 施工时间调整:[填写原设计施工时间及调整后的施工时间,如原设计为3天,现调整为5天]4. 签证变更后的施工方案- 材料选用:[填写变更后的材料规格、品牌、型号等]- 施工工艺:[填写变更后的施工步骤、操作要点等]- 质量控制:[填写变更后的质量控制标准、检验方法等]三、签证审批1. 施工单位:[填写施工单位名称及盖章]- 负责人:[填写负责人姓名及签字]- 施工员:[填写施工员姓名及签字]2. 监理单位:[填写监理单位名称及盖章]- 监理工程师:[填写监理工程师姓名及签字]3. 设计单位:[填写设计单位名称及盖章]- 设计师:[填写设计师姓名及签字]4. 业主单位:[填写业主单位名称及盖章]- 业主代表:[填写业主代表姓名及签字]四、签证执行1. 施工单位根据签证内容,严格按照变更后的施工方案进行施工。
2. 监理单位对施工过程进行全程监督,确保工程质量符合要求。
3. 设计单位对施工过程中的设计变更进行审核,确保设计变更的合理性和可行性。
五、签证归档本签证单经各方签字盖章后,由施工单位归档保存,作为工程档案的一部分。
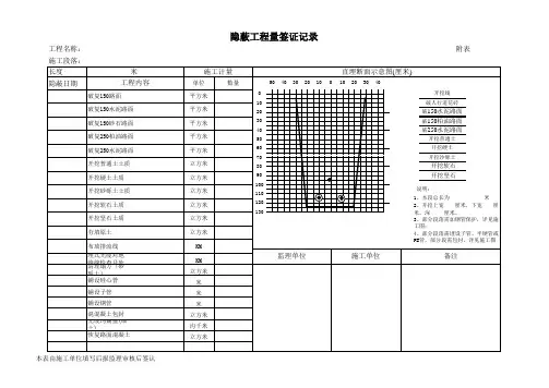
隐蔽工程签证记录表及说明
隐蔽工程〔基础浇前、支模〕签证记载表
隐蔽工程〔基础浇前、支模〕签证记载表
隐蔽工程〔基础浇前、支模〕签证记载表
工程称号:翼城南梁110kV输电线路工程
隐蔽工程〔基础浇前、支模〕签证记载表工程称号:翼城南梁110kV输电线路工程
工程称号:翼城南梁110kV输电线路工程
隐蔽工程〔基础浇前、支模〕签证记载表工程称号:翼城南梁110kV输电线路工程
隐蔽工程〔基础浇前、支模〕签证记载表
隐蔽工程〔基础浇前、支模〕签证记载表
工程称号:翼城南梁110kV输电线路工程
隐蔽工程〔基础浇前、支模〕签证记载表
隐蔽工程〔基础浇前、支模〕签证记载表
隐蔽工程〔基础浇前、支模〕签证记载表工程称号:翼城南梁110kV输电线路工程
隐蔽工程〔基础浇前、支模〕签证记载表
隐蔽工程〔基础浇前、支模〕签证记载表
隐蔽工程〔基础浇前、支模〕签证记载表
隐蔽工程〔基础浇前、支模〕签证记载表
隐蔽工程〔基础浇前、支模〕签证记载表
隐蔽工程〔基础浇前、支模〕签证记载表
隐蔽工程〔基础浇前、支模〕签证记载表。
输电线路隐蔽工程签证记录表模板一、隐蔽工程签证目的隐蔽工程施工质量管理,是工程建设质量管理的一个重要环节,工序施工质量控制是保证整个工程建设质量的重要环节,隐蔽工程质量签证是监理质量控制的重要依据和手段。
鉴于110kV ~750kV 输电线路工程施工及验收规范中,没有对输电线路施工过程中隐蔽工程签证表格做出具体规定,借鉴以往工程管理经验,现对输电线路工程隐蔽工程签证记录表进行统一规范。
在对隐蔽工程签证时,要求施工项目部填写一式两份,及时由各方签证人员签字完善,并交一份监理项目部留存,作为监理对隐蔽工程质量管理的依据。
二、隐蔽工程签证清单输电线路隐蔽工程签证记录表共计26份,具体如下:1、各种基础型式地基验槽9份(普通基础;承台基础;岩石嵌固、掏挖基础;人工挖孔基础;单腿多孔基础;钢管杆基础;锚杆基础;灌注桩成孔;挡土墙)。
2、各种基础浇前、支模6份(板式基础;锚杆基础;钢管杆基础;岩石掏挖基础;人工挖孔基础;承台、连梁基础)。
3、各种基础浇制6份(板式基础;钢管杆基础;岩石掏挖基础;人工挖孔基础;单腿多孔;灌注桩基础)。
4、各种基础拆模1份。
5、各种接地装置埋设2份(水平接地埋设;垂直接地埋设)。
6、各种压接管压接2份(接续管压接、耐张管压接)。
1.隐蔽工程(普通基础地基验槽)签证记录表填写说明1.工程名称应与建设单位要求的工程名称一致。
2.监理项目部应写全称并与公章对应。
3.施工桩号应与杆塔明细表中杆塔桩号一致;如:G1、T1等。
4.基础型式若同一基四个腿基础相同,则填写统一的基础型号,反之,如四个腿基础不一样,应按照设计分别填写A、B、C、D腿基础型式;如:A:DB3645 B:DB3242 C:DB4257 D:DB3645。
5.设计变更如有应填写设计变更图号;没有则填“无”。
6.日期应填写完整;如xxxx年xx月xx日。
7.坑底地质栏:检查结果栏分别填写设计地质和实际地质。
8. 地基承载力栏:如设计图纸要求,应在检查结果栏分别填写设计值和试验值;如设计图纸未要求填写“/”。