随工验收、隐蔽工程检查签证记录
- 格式:doc
- 大小:35.50 KB
- 文档页数:1
04隐蔽工程质量检验记录隐蔽工程是指在施工过程中被覆盖或隐藏的工程部位,其质量直接影响着整体工程的安全性和稳定性。
因此,对隐蔽工程的质量进行严格的检验是必不可少的。
以下是对隐蔽工程进行质量检验记录的详细内容:1.工程概况项目名称:XXX工程工程地点:XXX地区工程内容:隐蔽工程质量检验2.检验时间检验时间:XXXX年XX月XX日检验人员:XXX(检验员)、XXX(工程负责人)3.检验内容(1)基础工程:检查基础的厚度、坚实度和平整度,确保其符合设计要求。
(2)结构工程:检查结构的承重能力和连接件的牢固性,确保结构稳定。
(3)管道工程:检查管道的安装位置和连接处,确保管道无渗漏和变形。
(4)电气工程:检查电线的敷设和连接,确保电气设备正常运行。
4.检验过程(1)基础工程:检验员对基础进行了测量和观察,发现基础均匀、密实,符合设计要求。
(2)结构工程:检验员对结构进行了静载试验和视觉检查,未发现结构存在明显缺陷。
(3)管道工程:检验员对管道进行了水压试验和温度检测,确认管道无渗漏和变形。
(4)电气工程:检验员对电气设备进行了电阻测试和接地检查,确保电气设备正常运行。
5.检验结果本次隐蔽工程质量检验结果良好,未发现重大质量问题,符合设计要求和施工标准。
6.整改措施针对本次检验中发现的一些细微问题,工程负责人将及时组织施工人员进行整改,确保隐蔽工程质量达到最优水平。
7.检验结论本次隐蔽工程质量检验记录完整、详实,工程质量良好,工程负责人和施工人员的配合也得到了检验员的认可,在今后的施工过程中,将继续严格按照设计要求和施工标准进行操作,确保工程质量的稳定性和安全性。
以上就是本次隐蔽工程质量检验记录的详细内容,希望对工程质量的检验和控制有所帮助,也希望工程能够顺利完成,取得良好的效果。
隐蔽工程的随工验收隐蔽工程是建筑工程中的一个重要环节,它指的是在建筑物内部,比如墙壁、地板、天花板等结构完成之前进行的一系列施工工作。
随工验收作为隐蔽工程的重要环节,是确保建筑物质量及安全的关键步骤之一。
随工验收是指在隐蔽工程施工过程中,对施工质量进行检查、评定和验收的过程。
通过随工验收,可以及时发现和排除施工过程中存在的质量问题,确保建筑物的结构稳固、安全可靠。
随工验收的内容涉及多个方面,包括材料的选择与使用、施工工艺的操作、施工人员的素质等。
首先,需要对材料进行验收,确保所使用的材料符合相关标准和要求。
例如,混凝土的强度、砖块的质量等都需要进行检测。
其次,需要对施工工艺进行检查,确保施工过程中的操作规范、细致。
比如,混凝土浇筑的均匀性、砖砌的垂直度等都需要进行验收。
另外,施工人员的素质也是随工验收的重要内容之一。
施工人员需要具备一定的技术能力和职业素养,能够按照要求进行施工操作。
随工验收的方法主要包括目测检查、取样检测、实地测试等。
目测检查是最常用的一种方法,通过肉眼观察施工过程中的问题,如材料是否齐全、施工是否规范等。
取样检测是通过取样分析材料的性能和质量,如混凝土的抗压强度、砖块的抗压强度等。
实地测试是通过现场测试设备对施工工艺进行验证,如混凝土的坍落度测试、砖砌的垂直度测试等。
随工验收的结果通常分为合格和不合格两种情况。
如果验收结果为合格,表示施工质量符合要求,可以继续进行下一步工作。
如果验收结果为不合格,需要及时整改,直至满足相关要求为止。
隐蔽工程的质量问题如果没有及时发现和整改,可能会对建筑物的使用安全造成严重的影响,因此随工验收的重要性不可忽视。
随工验收是隐蔽工程中的重要环节,通过对施工质量进行检查、评定和验收,可以确保建筑物的结构稳固、安全可靠。
随工验收的内容包括材料的选择与使用、施工工艺的操作、施工人员的素质等,方法包括目测检查、取样检测、实地测试等。
随工验收的结果分为合格和不合格两种情况,不合格需要及时整改。
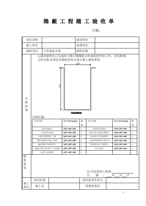
隐蔽工程随工检查签证单
工程项目名称: 平潭西楼基站—下厝场基站—东美边际站光缆接入工程第1页
序号隐蔽工程项目名称单位数量备注
1 更换7/2.6单股拉线(砂砾土) 条16 P01#、P22#、P25#、P26#、P29#、P30#、P31#、P34#、P37#、P39#
2 更换7/2.2单股拉线(砂砾土) 条 4 P09#、P13#
3 更换9米以下水泥杆根 2 P15#、P16#
4 扶正电杆根 1 P20#
5 更换7/2.2吊线千米 1.917 P58#杆至P39#杆钢绞线被腐蚀坏,把原有钢绞线拆除重新更换。
把原有24芯光缆拆除,重新附挂到新做7/2.2钢绞线上。
6 拆、挂架空24芯光缆千米 1.917
7 开挖土方(硬土)立方42.255 P10#杆至P18#杆原有钢绞线和光缆掉在地上被埋(469.5*0.3*0.3)
8 电杆转运根 2 22公里(敖东至西楼)200元
9 装设7/2.2单股拉线(砂砾土) 条 2 P017#
10 装设7/2.6单股拉线(砂砾土) 条8 P001#、P26#、P29#、P31#、P34#、P37#、P39#
11
12
13
14
建设单位代表:监理单位代表:施工单位代表:。
随工验收隐蔽工程检查签证记录
工程名称:2015年中国联通贵州贵阳金钟镇、广信四季家园等5个小区(志天成4小区)宽带接入整改工程
建设地点:贵阳市
施工单位:贵州志天成通信建设工程有限公司
建设单位:中国联合网络通信有限公司贵阳市分公司
随工检查记录
工程名称:2015年中国联通贵州贵阳金钟镇、广信四季家园等5个小区(志天成4小区)宽带接入整改工程
工程编号:NET15EA0B01109.5201
司
贵阳市分公司
施工地区:贵阳市检查日期:2015年月日
随工验收隐蔽工程检查签证记录
工程名称:2015年中国联通贵州贵阳观山湖区睿力上城等15小区(志天成4小区)宽带接入新建工程
建设地点:贵阳市
施工单位:贵州志天成通信建设工程有限公司
随工检查记录
工程名称:2015年中国联通贵州贵阳观山湖区睿力上城等15小区(志天成4小区)宽带接入新建工程
工程编号:NET15EA0B01033.5201
司
贵阳市分公司
施工地区:贵阳市检查日期:2015年月日。
在建设工程监理过程中,针对工程特点及实施情况,可采取的控制手段多种多样,而旁站、巡视、平行检验作为工程监理的质量控制手段,在工程质量控制过程中向来起着十分有效和重要的作用,它们有各自的工作范围和目的,具有各自不同的作用。
1、目测法:及凭借感官进行检查,也可以叫做感觉性检奁。
2、量测法:就是利用最测工具或者计量仪表,通过实际量测结果与规定的质量标准或者规范要求相对照,从而判断质量是含符合要求。
3、试验法:通过现场或者试验室试验等理化试验手段,取得数据,分析判断质量清况等。
1、旁站监理概念旁站监理是指监理人员在工程施工阶段监理中,对关键部位、关键工序的施工质量实施全过程现场跟班的监督活动。
旁站监理是控制工程施工质量的重要手段之一,也是确认工程质量的重要依据。
但在目前的监理实践中,由于建设行为不规范、监理人员不足等现象的存在,越来越多的业主、政府监督管理部门,愈来愈强调旁站在质量控制中的作用,几乎是事事要求进行旁站监理、自始自终都要求全过程进行旁站监理,他们在巡视或者检查工地时,一见不到监理的影子,就说监理人员不到位,监理工作不到位。
旁站监督是技术性要求很强的工作,因此要求旁站监理人员具备一定的专业理论知识和丰富的建设工程现场实践经验,对所监督的施工过程所采用的方法和过程有透彻的了解,对可能浮现的问题心中有数,能做到预控管理。
2、旁站监理人员职责。
旁站监理人员在现场监理过程中,主要包括以下工作内容和职责:( 1 )检查施工企业现场质检人员到岗、特殊工种人员持证上岗以及施工机械、建造材料准备情况。
(2)在现场跟班监督关键部位、关键工序的施工执行施工方案以及工程建设强制性标准情况。
( 3 ) 检查进场建造材料、建造构配件、设备和商品混凝土的质量检验报告等,并可在现场监督施工企业进行检验或者委托具有资格的第三方进行复验。
(4)做好旁站监理记录和监理日记,保存旁站监理原始资料。
3、旁站监理的误区。
( 1 ) 监理力量投入过大,监理主次不分。
隐蔽工程验收记录1. 项目名称:XXX工程项目2. 项目位置:XXX市XXX区3. 施工单位:XXX建筑工程有限公司4. 监理单位:XXX监理工程有限公司5. 验收日期:XXXX年XX月XX日一、验收项目1. 地基基础验收:a. 地基平整度符合设计要求,无开裂、渗水等现象;b. 基础混凝土浇筑均匀牢固,符合设计要求。
2. 结构验收:a. 结构构件尺寸、强度符合设计要求;b. 结构材料质量合格,无开裂、脱落等情况;c. 钢筋安装符合规范要求,节点处理合理。
3. 防水隔热验收:a. 防水层、隔热层材料选用符合规范,施工工艺合格;b. 防水隔热层无渗漏现象,有效保护建筑结构。
4. 供排水系统验收:a. 供水管道安装符合要求,无漏水、渗水等问题;b. 排水系统通畅有效,排水口设置合理。
5. 电气设备验收:a. 电气线路敷设工整,接地符合标准;b. 电气设备接线正确,运行稳定可靠。
6. 室内装饰验收:a. 室内装饰材料环保无害,符合设计要求;b. 装饰工艺精细,无开裂、脱落等情况。
二、隐蔽工程验收记录在进行各项验收过程中,需对隐蔽工程进行记录,包括但不限于以下内容:1. 隐蔽工程验收人员、时间、地点;2. 隐蔽工程验收项目、验收标准;3. 隐蔽工程验收结果、存在问题及整改措施;4. 隐蔽工程验收意见及签字确认。
三、验收结论经过对以上各项验收内容的全面检查,XXX工程项目各项隐蔽工程符合设计要求、施工规范,达到验收标准,现确认通过验收并顺利交付使用。
四、附录1. 工程验收照片;2. 隐蔽工程验收记录表;3. 其他附加资料。
五、备注隐蔽工程验收记录为工程质量的重要依据,必须客观真实记录各项验收内容,确保工程质量稳定可靠。
以上为本次隐蔽工程验收记录内容,如有不符合或遗漏之处,请指正补充。
编号:01 工程名称XXXX 分部工程名称地基与基础分部分项工程名称土方开挖分项隐蔽部位桩基桩孔施工单位XXXX 项目经理XX施工图名称及图号结施XX序号检查验收内容施工单位自检记录1 桩的直径经检查,桩的直径符合设计要求2 桩底进入持力层的深度经检查,桩底进入持力层的深度符合设计要求3 桩底扩大头的尺寸经检查,桩底扩大头的尺寸符合设计要求4 护壁混凝土的厚度经检查,护壁混凝土的厚度符合设计要求(此项有护壁做)5 桩底土性经检查,桩底土性为 XXXX,达到设计要求图示或说明:照片施工单位检查意见项目专职质量检查员:XXX 符合设计要求及规范规定项目技术负责人:XXXXXXX 年XX 月XX 日监理(建设)单位验收意见经检查、隐蔽工程各项内容符合设计要求及规范规定,同意隐蔽。
监理工程师:XXX(建设单位技术负责人):编号:02工程名称分项工程名称施工单位施工图名称及图号序号检查验收内容1 土方开挖的标高2 基底的清理3 基底尺寸4 基底土性分部工程名称隐蔽部位项目经理结施XX施工单位自检记录经检查,土方开挖的标高符合设计要求基底清理到位,浮土、松土全部清除,无砖块,石头杂物经检查基底尺寸符合设计要求经检查基底土性为XXXX,符合设计要求图示或说明:照片施工单位检查意见项目专职质量检查员:XXX 符合设计要求及规范规定项目技术负责人:XXXXXXX 年XX 月XX 日监理(建设) 单位验收意见经检查、隐蔽工程各项内容符合设计要求及规范规定,同意隐蔽。
监理工程师:XXX(建设单位技术负责人):地基与基础分部地梁基槽XXXXXX土方开挖分项XXXX编号:03 工程名称XXXX 分部工程名称地基与基础分部分项工程名称土方回填分项隐蔽部位地梁基槽施工单位XXXX 项目经理XX施工图名称及图号结施XX序号检查验收内容施工单位自检记录1 基层清理干净,无杂质2 回填土的标高回填土的标高符合设计要求3 回填土质XX 土,符合设计要求4 分层厚度及压实指标分XX 层压实,每层厚度为XXcm,设计要求压实度为XX5 回填土的表面平整度回填土的表面平整度符合规范要求图示或说明:照片施工单位检查意见项目专职质量检查员:XXX 符合设计要求及规范规定项目技术负责人:XXXXXXX 年XX 月XX 日监理(建设) 单位验收意见经检查、隐蔽工程各项内容符合设计要求及规范规定,同意隐蔽。
建设工程质量控制方法在建设工程监理过程中,针对工程特点及实施情况,可采取的控制手段多种多样,而旁站、巡视、平行检验作为工程监理的质量控制手段,在工程质量控制过程中一直起着十分有效和重要的作用,它们有各自的工作范围和目的,具有各自不同的作用。
一、质量检测方法1、目测法:及凭借感官进行检查,也可以叫做感觉性检奁。
2、量测法:就是利用最测工具或计量仪表,通过实际量测结果与规定的质量标准或规范要求相对照,从而判断质量是含符合要求。
3、试验法:通过现场或试验室试验等理化试验手段,取得数据,分析判断质量清况等。
二、质量控制方法(一)、旁站监理1、旁站监理概念旁站监理是指监理人员在工程施工阶段监理中,对关键部位、关键工序的施工质量实施全过程现场跟班的监督活动。
旁站监理是控制工程施工质量的重要手段之一,也是确认工程质量的重要依据。
但在目前的监理实践中,由于建设行为不规范、监理人员不足等现象的存在,越来越多的业主、政府监督管理部门,愈来愈强调旁站在质量控制中的作用,几乎是事事要求进行旁站监理、自始自终都要求全过程进行旁站监理,他们在巡视或检查工地时,一见不到监理的影子,就说监理人员不到位,监理工作不到位。
旁站监督是技术性要求很强的工作,因此要求旁站监理人员具备一定的专业理论知识和丰富的建设工程现场实践经验,对所监督的施工过程所采用的方法和过程有透彻的了解,对可能出现的问题心中有数,能做到预控管理。
2、旁站监理人员职责。
旁站监理人员在现场监理过程中,主要包括以下工作内容和职责:(1)检查施工企业现场质检人员到岗、特殊工种人员持证上岗以及施工机械、建筑材料准备情况。
(2)在现场跟班监督关键部位、关键工序的施工执行施工方案以及工程建设强制性标准情况。
(3)检查进场建筑材料、建筑构配件、设备和商品混凝土的质量检验报告等,并可在现场监督施工企业进行检验或委托具有资格的第三方进行复验。
(4)做好旁站监理记录和监理日记,保存旁站监理原始资料。
隐蔽工程检查验收记录文稿一、项目基本信息:工程名称:地点:建设单位:施工单位:监理单位:检查验收日期:二、隐蔽工程检查情况:1.基坑开挖:(1)依据设计要求,基坑开挖尺寸符合要求,并考虑到基坑边坡稳定和临时支撑结构的安全性。
(2)基坑开挖过程中是否有遇水、塌方等情况,在发生问题时是否及时采取相应的措施进行处理。
(3)基坑底部与周边环境的接口处理情况,例如地下管线的保护、地基处理等。
2.主体结构施工:(1)结构材料的质量和规格是否符合设计要求。
(2)结构施工的过程中是否按照设计图纸进行,是否存在误差或变形。
(3)结构施工中是否采用了适当的脚手架和安全防护措施。
3.建筑给排水施工:(1)给排水管道的规格和材质是否符合设计要求。
(2)给排水管道的施工质量是否符合标准,例如管道的坡度是否适当,管道的连接是否紧密等。
(3)给排水系统的检验是否符合规范要求,例如进行洗管试验、压力试验等。
4.暖通施工:(1)暖通设备的安装位置和高度是否符合设计要求。
(2)暖通设备的管道连接是否严密,是否存在漏水、漏风等情况。
(3)暖通系统的检验是否符合规范要求,例如进行泄漏试验、冷凝水排放等。
5.电气施工:(1)电气线路的布线是否符合设计要求,是否存在交叉、并严格按照电压等级进行分段。
(2)电气设备的安装质量是否良好,设备接地是否符合标准。
(3)电气线路的检测是否符合规范要求,例如进行单项短路试验、绝缘电阻试验等。
6.室内装饰工程:(1)室内装饰材料的质量和环保性是否符合国家相关标准。
(2)室内装饰工程中是否存在破损、渗漏等质量问题。
(3)室内装饰工程是否按照设计要求进行。
三、隐蔽工程验收情况:1.检查过程中发现的问题及处理情况:(1)问题描述:例如材料质量不符合要求、施工不符合图纸等。
(2)处理措施:例如责令施工单位整改、更换材料等。
2.隐蔽工程的验收标准是否符合规范要求。
3.隐蔽工程的验收结果是否合格。
四、其他事项:1.监理单位对隐蔽工程的评价及建议。
工程隐蔽工程验收记录项目名称:XXXX工程验收单位:XXXX公司验收时间:XXXX年XX月XX日一、隐蔽工程基本信息1.工程名称:XXXX工程2.工程地点:XXXX3.总包单位:XXXX公司4.分包单位:XXXX公司5.隐蔽工程内容:XXXXX二、验收依据1.相关建设法律法规2.项目设计文件3.施工方案及施工图纸4.监理部门的监理意见5.相关验收标准和规范三、验收过程1.验收人员:由总包单位、分包单位、监理单位及工程所有者代表组成的验收组2.验收时间:在工程完成一定部分后进行隐蔽验收3.验收程序:3.1验收组按照工程进度计划,逐一对各隐蔽工程进行验收;3.2验收组对隐蔽工程是否符合相关设计要求、施工方案及施工图纸进行检查;3.3验收组进行实际测量,对各测量项目进行比对;3.4验收组进行记录,对存在的问题进行整理;3.5验收组根据整理的问题,提出相应的整改措施和要求;3.6验收组与总包单位、分包单位进行磋商,达成对问题的整改意见;3.7验收组进行最终验收,对整改情况进行评定。
四、验收结果1.验收合格的隐蔽工程项目:(1)项目1:XXXX(2)项目2:XXXX(3)...2.验收不合格的隐蔽工程项目:(1)项目1:存在XXXX问题,要求总包单位立即整改;(2)项目2:存在XXXX问题,要求分包单位立即整改;(3)...3.相关整改措施:(1)针对验收不合格的隐蔽工程项目,总包单位和分包单位需立即采取整改措施;(2)根据相关问题,总包单位和分包单位需提交整改方案,并按照验收组要求进行整改;(3)监理单位将对整改措施进行监督,确保整改达到要求。
五、其他事项1.工程所有者代表对整个验收过程表示满意,并对总包单位和分包单位的努力予以表扬;2.总包单位和分包单位表达了对整个工程的自豪感,并答应按时按质完成后续工程的施工。
六、验收结论经过详细的检查和整改,所有的隐蔽工程项目最终达到了相关验收标准和规范要求。
整个工程符合设计文件要求,施工质量良好,验收合格。
建筑工程隐蔽检验记录1. 检验目的建筑工程的隐蔽工程是指在装修、建设、安装等阶段被墙壁、地板、天花板等永久性装修或消防系统、给排水系统等设备覆盖后不易被观察到的工程。
该记录旨在记录隐蔽工程的检验过程,确保工程质量和安全。
2. 检验时间和地点隐蔽工程的检验应在施工过程中的合适时期进行,并确保在贴砖、装修、安装设备等前进行检验。
具体的检验时间和地点应按照实际工程情况予以确定。
3. 检验内容(1)隐蔽工程的防水层:检验防水层的施工工艺是否符合设计要求,防水层的厚度是否达标,无渗漏情况。
(2)隐蔽工程的结构:检验结构的尺寸、平整度、垂直度等是否符合设计要求,有无开裂、变形、渗漏等情况。
(3)给排水系统:检验给排水管道的铺设、连接是否牢固,无漏水现象;检查设备的安装是否符合标准,如水箱、水泵等。
(4)电气系统:检验电缆、电线的走向、敷设是否合理,无绝缘损坏、短路等安全隐患。
(5)消防系统:检验喷淋管道、水泵、灭火器等设备的安装是否符合要求,无渗漏等问题。
(6)空调系统:检验通风管道、冷却管道、空调机组等设备的安装质量和功能是否正常。
4. 检验方法(1)目测检查:通过直接观察,检验工程质量和装置是否符合标准和要求。
(2)抽样检测:从隐蔽工程中抽取样本进行实验室检测,如对防水层进行渗透性测试,电缆进行绝缘测试等。
5. 检验结果记录建立隐蔽工程检验结果记录表,记录每个项目的检验日期、检验项目、检验结果、存在的问题等信息。
对于合格的项目,需要进行签字确认,并在表格中注明。
6. 隐蔽工程问题整改对于检验中发现的问题,应进行及时整改,并在记录表中注明整改日期和整改情况。
确保工程质量和安全。
7. 相关部门验收完成隐蔽工程的检验和整改后,应通知相关监管部门或业主进行验收,确保工程达到验收标准。
8. 记录保存隐蔽工程检验记录应妥善保存,并在相关报告中予以呈现,以备后续审查和参考。
结论:建筑工程的隐蔽工程是确保工程质量和安全的重要环节。