隐蔽工程(接地线埋设)签证记录表
- 格式:doc
- 大小:28.00 KB
- 文档页数:2
隐蔽工程施工签证单模板工程名称:______________工程地点:______________施工单位:______________项目负责人:______________联系电话:______________建设单位:______________项目经理:______________联系电话:______________施工单位自施工开始之日起至竣工验收结束前,本公司将负责本工程内全部规模实体验收等质量验收任务的实施和完成,并在合约规定期限内对施工过程中发现的任何质量缺陷进行整改,以保证工程完成后交付使用之后,实体验收合格。
现因工程需要开展隐蔽验收工作,需征求建设单位的同意。
根据《建筑工程隐蔽验收规程》,命以"工程验收单"书面形式办理,现提出施工签证单如下:一、隐蔽验收范围:(1)验收项目:1. 结构隐蔽验收:______________2. 土建隐蔽验收:______________3. 给排水隐蔽验收:______________4. 电气隐蔽验收:______________5. 通风空调隐蔽验收:______________6. 防火隐蔽验收:______________(2)验收时间:1. 结构隐蔽验收时间:______________2. 土建隐蔽验收时间:______________3. 给排水隐蔽验收时间:______________4. 电气隐蔽验收时间:______________5. 通风空调隐蔽验收时间:______________6. 防火隐蔽验收时间:______________二、隐蔽验收依据:《建筑工程隐蔽验收规程》GB50203-2002三、签证要求:(1)施工单位应在隐蔽验收开始前至少3个工作日向建设单位申请隐蔽验收。
(2)施工单位应将隐蔽验收工作方案、验收计划和相关材料提交给建设单位。
(3)施工单位应配合建设单位及验收人员进行隐蔽验收工作,如发现问题应及时整改并重新验收。
隐蔽工程(基坑验槽)签证记录表工程名称:遂宁城市生活垃圾环保发电项目110kV送出工程隐蔽工程(基坑验槽)签证记录隐蔽工程(基础浇前、支模)签证记录表填写说明:1、签证记录表中填写的桩号应与杆塔明细表中的杆塔桩号一致。
例如:T1、N12等。
2、“基础型”若同一基基础四个腿基础型相同,则填写统一的基础型,反之,如四个腿基础型不一样,应按照设计分别填写A、B、C、D基础型。
如:A:Xk-Z1200L12 B: Xk-Z1200L07 C:Xk-Z1200L02 D: Xk-Z1200L07。
3、日期应填写完整。
例如:2009年4月19日4、“坑深尺寸”栏:标准栏、检查结果栏分别填写不含垫层的基础埋深设计值、实测值。
5、“钢筋保护层厚度”栏:检查结果栏填写偏差值,如:-2,+3等,保留正、负号。
6、“模板支撑质量”栏:检查结果栏填写牢固可靠。
7、“坑口、坑底清理”栏:检查结果栏填写符合要求。
8、“坑中心根开、对角线尺寸”栏:对于平腿基础:设计值栏,填写设计根开值,如:AB: 10244 BC: 10244。
检查结果栏填写实测值。
对于高低腿基础:设计值栏,填写两水平半根开值,如:AB:5006+6005 BC: 6005+5006。
检查结果按照设计值栏填写实测值。
9、监理意见栏:必须手签,填写“合格,同意浇制”。
记录表签字栏,签字人必须亲笔签名,不可用私章代替。
隐蔽工程(基础浇制)签证记录表填写说明:1、签证记录表中填写的桩号应与杆塔明细表中的杆塔桩号一致。
例如:T1、N12等。
2、“基础型号”若同一基基础四个腿基础型相同,则填写统一的基础型,反之,如四个腿基础型不一样,应按照设计分别填写A、B、C、D基础型。
如:A:Xk-Z1200L12 B: Xk-Z1200L07 C:Xk-Z1200L02D: Xk-Z1200L07。
3、日期应填写完整。
例如:2007年6月19日4、“砼配合比”栏:标准栏、检查结果栏分别填写水泥、砂、石、水配合比值、实测值。
电力工程隐蔽工程签证及验收记录1. 背景介绍这份文档旨在记录电力工程中的隐蔽工程签证和验收情况。
隐蔽工程是指在施工过程中埋没或隐藏在构筑物内部的工程,如电缆敷设、管道铺设等。
签证是确认隐蔽工程的质量、合规性和符合设计要求的工作步骤,验收是确认隐蔽工程的完工质量和性能的程序。
2. 签证记录2.1 工程名称:在此处填写电力工程的具体名称。
2.2 施工单位:填写负责该电力工程施工的单位名称。
2.3 施工地点:填写电力工程所在的具体地点。
2.4 签证日期:填写每次进行隐蔽工程签证的日期。
2.5 签证人员:记录每次进行隐蔽工程签证的人员姓名。
2.6 签证内容:详细记录每次进行隐蔽工程签证的工程部位、施工步骤、质量要求等内容。
3. 验收记录3.1 工程名称:在此处填写电力工程的具体名称。
3.2 施工单位:填写负责该电力工程施工的单位名称。
3.3 施工地点:填写电力工程所在的具体地点。
3.4 验收日期:填写每次进行隐蔽工程验收的日期。
3.5 验收人员:记录每次进行隐蔽工程验收的人员姓名。
3.6 验收内容:详细记录每次进行隐蔽工程验收的工程部位、完工质量、性能等内容。
4. 签证及验收结果根据隐蔽工程签证和验收的记录,填写每次签证和验收的结果,包括合格、不合格或待整改等。
5. 备注在此处记录任何与隐蔽工程签证和验收相关的额外信息。
以上为《电力工程隐蔽工程签证及验收记录》的内容,请妥善保存和管理,以备查阅和审查。
隐蔽工程(导地线液压)签证记录表
填写说明
1.工程名称:工程全称,与设计文件一致;
2.监理部:与监理部公章一致;
3.桩号:直线管填写所在两端铁塔的设计图纸桩号;耐张塔填写耐张塔设计桩号并注明送点侧或受电侧;
4.项目部专职质检员、施工队质检员、日期:手签;
5.表格内容及数据由项目部质检员填写,应手签;
6.钢管、铝管压接前后数据均为实测值;
7.压接管清洗:填写“清洗干净”;
8.外观检查:填写“无缺陷”;
9.导电脂:填写“涂抹均匀”;
10.压后钢管防腐:填写“已按规定进行防腐处理”;
11.导地线表面氧化膜清除:以清除干净;
12.压后数据:填写“符合规范要求”;
13.钢印号、压接人签名:压接工钢印代号和压接工姓名。
14.监理意见栏:必须手签,填写“压接质量符合设计和规范要求”或填写不符合项目内容。
记录表签字栏,签字人必须亲笔签名,不可用私章代替。
直埋电缆(隐蔽前)检查签证
工程名称:编号:电缆编号电缆命名
电缆型号规格电缆根数
电缆起止点
检查项目检查结果备注电缆沟深度 m
电缆沟宽度 m
沟内有无石块、建筑垃圾
电缆上、下铺沙或软土深度m
电缆与其余管道、建筑物最小距离
m
电缆上部采纳何保护举措
电缆接头处有未设标记桩
回填土能否经分层夯实
电缆沟回填后哪处设有标记桩
隐蔽前检查结论 :
经检查,该部分直埋电缆施工隐蔽前、后质量切合规范要求。
质检机构验收意见签名
班组年月日施
工
工地年月日单
位
质检部门年月日监理单位年月日。
输电线路隐蔽工程签证记录表模板一、隐蔽工程签证目的隐蔽工程施工质量管理,是工程建设质量管理的一个重要环节,工序施工质量控制是保证整个工程建设质量的重要环节,隐蔽工程质量签证是监理质量控制的重要依据和手段。
鉴于110kV ~750kV 输电线路工程施工及验收规范中,没有对输电线路施工过程中隐蔽工程签证表格做出具体规定,借鉴以往工程管理经验,现对输电线路工程隐蔽工程签证记录表进行统一规范。
在对隐蔽工程签证时,要求施工项目部填写一式两份,及时由各方签证人员签字完善,并交一份监理项目部留存,作为监理对隐蔽工程质量管理的依据。
二、隐蔽工程签证清单输电线路隐蔽工程签证记录表共计26份,具体如下:1、各种基础型式地基验槽9份(普通基础;承台基础;岩石嵌固、掏挖基础;人工挖孔基础;单腿多孔基础;钢管杆基础;锚杆基础;灌注桩成孔;挡土墙)。
2、各种基础浇前、支模6份(板式基础;锚杆基础;钢管杆基础;岩石掏挖基础;人工挖孔基础;承台、连梁基础)。
3、各种基础浇制6份(板式基础;钢管杆基础;岩石掏挖基础;人工挖孔基础;单腿多孔;灌注桩基础)。
4、各种基础拆模1份。
5、各种接地装置埋设2份(水平接地埋设;垂直接地埋设)。
6、各种压接管压接2份(接续管压接、耐张管压接)。
1.隐蔽工程(普通基础地基验槽)签证记录表填写说明1.工程名称应与建设单位要求的工程名称一致。
2.监理项目部应写全称并与公章对应。
3.施工桩号应与杆塔明细表中杆塔桩号一致;如:G1、T1等。
4.基础型式若同一基四个腿基础相同,则填写统一的基础型号,反之,如四个腿基础不一样,应按照设计分别填写A、B、C、D腿基础型式;如:A:DB3645 B:DB3242 C:DB4257 D:DB3645。
5.设计变更如有应填写设计变更图号;没有则填“无”。
6.日期应填写完整;如xxxx年xx月xx日。
7.坑底地质栏:检查结果栏分别填写设计地质和实际地质。
8. 地基承载力栏:如设计图纸要求,应在检查结果栏分别填写设计值和试验值;如设计图纸未要求填写“/”。
隐蔽工程签证记录表(doc 43页)隐蔽工程(接地线埋设)签证记录表工程名称:山东华电高唐15MWp集约化生态农业光伏并网发电项目隐蔽工程(接地线埋设)签证记录表发电项目隐蔽工程(接地线埋设)签证记录表发电项目隐蔽工程(接地线埋设)签证记录表发电项目隐蔽工程(接地线埋设)签证记录表发电项目隐蔽工程(接地线埋设)签证记录表发电项目隐蔽工程(接地线埋设)签证记录表发电项目隐蔽工程(接地线埋设)签证记录表发电项目隐蔽工程(接地线埋设)签证记录表发电项目隐蔽工程(接地线埋设)签证记录表发电项目隐蔽工程(接地线埋设)签证记录表发电项目隐蔽工程(接地线埋设)签证记录表发电项目隐蔽工程(接地线埋设)签证记录表发电项目隐蔽工程(接地线埋设)签证记录表发电项目隐蔽工程(接地线埋设)签证记录表发电项目隐蔽工程(接地线埋设)签证记录表发电项目隐蔽工程(接地线埋设)签证记录表发电项目隐蔽工程(接地线埋设)签证记录表发电项目隐蔽工程(接地线埋设)签证记录表发电项目隐蔽工程(接地线埋设)签证记录表发电项目隐蔽工程(接地线埋设)签证记录表发电项目隐蔽工程(接地线埋设)签证记录表发电项目隐蔽工程(接地线埋设)签证记录表发电项目隐蔽工程(接地线埋设)签证记录表发电项目隐蔽工程(接地线埋设)签证记录表发电项目隐蔽工程(接地线埋设)签证记录表发电项目隐蔽工程(接地线埋设)签证记录表发电项目隐蔽工程(接地线埋设)签证记录表发电项目隐蔽工程(接地线埋设)签证记录表发电项目隐蔽工程(接地线埋设)签证记录表发电项目隐蔽工程(接地线埋设)签证记录表发电项目隐蔽工程(接地线埋设)签证记录表发电项目隐蔽工程(接地线埋设)签证记录表发电项目隐蔽工程(接地线埋设)签证记录表发电项目隐蔽工程(接地线埋设)签证记录表发电项目隐蔽工程(接地线埋设)签证记录表发电项目隐蔽工程(接地线埋设)签证记录表发电项目隐蔽工程(接地线埋设)签证记录表发电项目隐蔽工程(接地线埋设)签证记录表发电项目隐蔽工程(接地线埋设)签证记录表发电项目隐蔽工程(接地线埋设)签证记录表发电项目隐蔽工程(接地线埋设)签证记录表发电项目。
输电线路隐蔽工程签证记录表模板一、隐蔽工程签证目的隐蔽工程施工质量管理,是工程建设质量管理的一个重要环节,工序施工质量控制是保证整个工程建设质量的重要环节,隐蔽工程质量签证是监理质量控制的重要依据和手段。
鉴于110kV ~750kV 输电线路工程施工及验收规范中,没有对输电线路施工过程中隐蔽工程签证表格做出具体规定,借鉴以往工程管理经验,现对输电线路工程隐蔽工程签证记录表进行统一规范。
在对隐蔽工程签证时,要求施工项目部填写一式两份,及时由各方签证人员签字完善,并交一份监理项目部留存,作为监理对隐蔽工程质量管理的依据。
二、隐蔽工程签证清单输电线路隐蔽工程签证记录表共计26份,具体如下:1、各种基础型式地基验槽9份(普通基础;承台基础;岩石嵌固、掏挖基础;人工挖孔基础;单腿多孔基础;钢管杆基础;锚杆基础;灌注桩成孔;挡土墙)。
2、各种基础浇前、支模6份(板式基础;锚杆基础;钢管杆基础;岩石掏挖基础;人工挖孔基础;承台、连梁基础)。
3、各种基础浇制6份(板式基础;钢管杆基础;岩石掏挖基础;人工挖孔基础;单腿多孔;灌注桩基础)。
4、各种基础拆模1份。
5、各种接地装置埋设2份(水平接地埋设;垂直接地埋设)。
6、各种压接管压接2份(接续管压接、耐张管压接)。
1.隐蔽工程(普通基础地基验槽)签证记录表填写说明1.工程名称应与建设单位要求的工程名称一致。
2.监理项目部应写全称并与公章对应。
3.施工桩号应与杆塔明细表中杆塔桩号一致;如: G1、T1等。
4.基础型式若同一基四个腿基础相同,则填写统一的基础型号,反之,如四个腿基础不一样,应按照设计分别填写A、B、C、D腿基础型式;如:A:DB3645 B:DB3242 C:DB4257 D:DB3645。
5.设计变更如有应填写设计变更图号;没有则填“无”。
6.日期应填写完整;如xxxx年xx月xx日。
7.坑底地质栏:检查结果栏分别填写设计地质和实际地质。
8. 地基承载力栏:如设计图纸要求,应在检查结果栏分别填写设计值和试验值;如设计图纸未要求填写“/”。
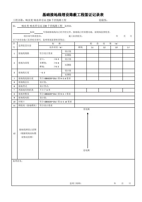
隐蔽工程(接地线埋设)签证记录表工程名称: (第标段)
填写说明
1.工程名称:工程全称,与设计文件一致;
2.监理部:与监理部公章一致;
3.桩号:与设计图纸桩号一致;
4.项目部专职质检员、施工队质检员、日期:手签;
5.表格内容及数据由项目部质检员填写,应手签;
6.检查结果栏内实测数据应真实有效。
7.接地简图应与现场情况相对应;部分接地型式有可能不尽符合本简图,应根据设计情况进行填写,如只有框线没有放射线的接地只标注各边框线长,放射线长均标注为 0;必要时可对简图进行适当修改。
8.质检员签名及监理意见必须手签。
9.季节系数×实测值=实测电阻
10.监理意见栏:必须手签,填写“符合设计和规范要求,同意回填”或填写不符合回填的项目内容。
记录表签字栏,签字人必须亲笔签名,不可用私章代替。