有线电视分支分配器参数指标
- 格式:doc
- 大小:2.34 MB
- 文档页数:8
有线电视分支分配器有线电视分配器作用及原理介绍有线电视分配器作用及原理介绍在我们的生活中,我们大家应该都看过电视吧,最初的是黑白电视,随着科技的发展,发明了彩色电视,现在几乎每个家庭都有电视,电视机本身是没有节目的,只要我们给电视机装上有线天线,这样我们就可以看到很多的电视频道,通过看电视可以很好的放松我们自己,我们要知道,有线电视的配备设备中有分配器,下面就来给大家介绍一下它的作用。
有线电视的分配器是用来分配有线电视信号的器材。
每个用户的信号都是从分配器分配进入我们每家每户的。
例如:一分二有两种,一种是一分支器(IN,OUT,BR)还有就是二分配器(IN,OUT,OUT)信号进线接IN,两个OUT分别接用户电视。
原理:有线电线分配器原理就是通过一些电阻电容电感的阻抗变换匹配电路合理分配信号,使各路输出端的信号互相不受影响,并且也不会影响到输入端的信号,但是分配器是有一定衰减作用的。
作用一:1.有线电视的分配器可以用于分配信号,譬如三分配器就是用于将一路信号平均分配成为三路,但在分配信号的同时也会带来分配损失,以三分配器为例,它的分配损失就是6dB,也就是说它的每一路信号都比原来的信号强度要减少6dB。
按照有线电视线路的标准,一般用户连接一个四分配器是不需要再加放大器的。
有线电视分配器对信号功率的分配分量大小用db(分贝)表示,这是一个相对量,类似我们日常所熟悉的倍数。
例如:我们把一个信号按1/2平均分配,每个信号即为0.5。
换算成分贝表示即:lg0.5(取0.5的对数)X 10 -3db,因此,在理论上,把一个信号一分为二,这个信号即减小了-3db。
但在实际运用中,这些器件都不是理想化的。
所以,实际衰减要稍大于理论值。
作用二:有线电视分配器不但具有功率信号的分配功能,更重要的是它在分配信号的同时,对端口的是设备起到阻抗匹配的作用,这在高频宽带电路中是非常重要的。
关于有线电视的分配器作用已经告诉了大家,其实分配器的作用在我们的生活中是很重要的,因为很多家庭都有电视,所以就可能会接触到分配器,分配器是和信号有关系的,而我们看电视又离不开信号,所以说感兴趣的朋友可以对这方面的知识多加了解,我们会发现,生活中有很多需要我们学习和了解的知识,希望我们大家都可以从生活中不断的学习。
有线电视,分配器,分支器的参数和选择
分配器:普通家庭有多台电视,可以用这种。
它可以将一路入户的有线信号分成多路信号输出到电视,输出信号相互隔离,不会发生串扰的现象。
各路输出的信号对比输入信号会有一定的衰减,衰减也都相同。
分支器:TAP口又叫BR口,意思为分支,如果有将分支设备串联需要的时候,就要用到分支器。
它的形式与分配器类似。
但它的输出只有一个OUT口其余为若干个BR口,OUT口的衰减很小,为分支器与分支器之间的连接接口。
BR口的信号衰减较大,不可再作为分支器串联的干路连接,一般直接连接到终端。
放大器:如果入户信号不强,分配给多个电视后,由于分配器会产生对信号衰减的副作用,电视画面会出现较大的雪花。
这时可以在分配器前加一个放大器,增强信号增益,减少画质劣化。
即使不使用分配器,也可以使用放大器放大信号。
城市有线电视网络通到每个用户家里的信号,一般可以保证达到一个终端的收看标准,当您家中有多台电视机时,就要加装分配器,以保证多台电视机的收看。
分配器是有衰减的,但是它的衰减也是平均的,以三分配器为例,它的三个分配端口的衰减量都是一样的6dB,而您现在使用的是分支器,它的各输出端的衰减是不一样的,OUT端是主输出端,它的衰减叫插入损耗,仅仅只有1-2dB,而BR(branch)端是分支端,它的衰减量叫分支衰减量,依型号不同在6-24dB,这也就是您接OUT清楚而接BR不行的原因。
所以您只要将分支器换成分配器就可以了,只要您家信号强度比较好,接入分配器也是看不出什么衰减的。
你需要分四路,就选择四分配器。
不要留富余,因为分配数量与衰减量是成正比的。
下面图片是正常接法:。
有线电视分支器有线电视分支器实际是一种定向信号传输器件(内装定向藕合器)。
一分支、二分支、四分支、八分支等多种类型,分支器是把一部分信号能量定向传送到分支端口(TAB),而余下的信号经输出端口(OUT)送往下一个分支器或分配器。
分支器有更好的相互隔离性能和反向隔离性能,而且分支能量控制(称之为藕合量)。
每种类型又有多种规格。
从4DB到场30DB的藕合量能满足工程上的需要,在家庭装潢中常采用4DB、6DB的一分支代替二分配器,8DB或12DB的二分支器代三分配器。
当分配路数更多时,或发生变化需求增加路数时,采用分支器加分配器的方式更合理。
电视分配器:电视分配器是通过利用内部结构的电容,小磁性线圈,把通过分配器的电平信号适当微弱,增加稳定,使每个输出端口达到一定的损耗标准。
二分配一般3.5DB,三分配一般5.7DB,四分配7DB,使每个输出接口保持在75欧姆电阻,使输出端口保持正常的电平接收信号。
总之分配路数越多,电缆越长,分到的信号就越小。
以电视显像管出现雪花为准,应加装一个家用双向放大器。
分配器的每个端口阻抗应该是75欧姆,以保证与电缆、电视机的阻抗相匹配。
如不匹配,会造成信号反射,传输效果降低,引起图象干扰等。
表明匹配好坏的量纲用反射损耗(DB)表示。
此值越大越好,优秀的产品做到18DB以上,分路损耗用分配损耗(DB)表示。
信号经分配输入(IN)到输出端口(OUT)要减少,理论值二分配为3DB、四分配为6DB。
常见的产品为4DB和8DB,优秀的产品为3.5DB和7DB以下,相互隔离(DB)输出口之间要求不能互通,避免电视机之间相互干扰。
优秀的产品大于30DB,用分支器得到的效果比分配器更好。
传感器可利用热释电红外传感器或振动传感器。
热释电红外传感器通过检测人或动物发射的红外线而输出电信号,作用角度为110°。
可使用BISS001型红外成品组件,作用距离通过菲聂尔透镜调节。
振动传感器可采用ND-l型高灵敏振动位移传感器。
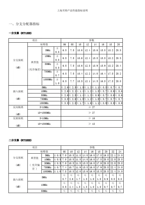
上海贝特产品性能指标说明一、分支分配器指标一分支器 (BTT1XXE)二分支器 (BTT2XXE)三分支器 (BTT3XXE)四分支器 (BTT 4XXE)五分支器 (BTT5XXE)六分支器 (BTT6XXE)八分支器 (BTT8XXE)二分配器 (BTS204E)三分配器 (BTS306E)四分配器 (BTS408E)四分配器 (BTS408EA)四分配器 (BTS408EB)五分配器 (BTS509E)六分配器 (BTS610E)频率范围( MHz )分配损耗( dB )隔离( dB )反射损耗( dB )5-10 ≤ 8.9≥ 27≥ 1610-50 ≤ 8.8 ≥ 28≥ 1850-750 ≤ 9.9≥ 28≥ 18750-1000 ≤ 10.5≥ 28≥ 18八分配器 (BTS812E)频率范围( MHz )分配损耗( dB )隔离( dB )反射损耗( dB )5-10 ≤ 10.8≥ 27≥ 1610-50 ≤ 10.8≥ 28≥ 1850-750 ≤ 11.5≥ 28≥ 18750-1000 ≤ 12.5≥ 28≥ 18二、射频传输放大设备BTIA4000系列放大器技术指标特点:1,BTIA4000系列放大器是吸收了国外最新同类产品的长处,为有线电视系统研制的放大设备。
2,采用进口BGY系列推挽集成电路模块作放大电路,输出电平高。
3,采用铝合金压铸全密封防水型外壳,屏蔽性能佳,防水性能好,能适用于野外各种环境。
4,性能可靠,安装方便。
参数单位指标型号4021D 4026D 4033D 4021G 4026G 4032G 4021H 4026H 4032H 带宽MHz 47-550 47-750 47-862注 : ① 59 个频道安排在 550MHz 以下,在系统最高频道处测得。
② 59 个频道,采用同步视频方波调制,在系统低端测得。
SGF4100系列自动增益控制及斜率补偿放大器特点:1功率倍增输出有利于系统的扩展和延伸。
有线电视分支分配器各位读友大家好,此文档由网络收集而来,欢迎您下载,谢谢有线电视分配器作用及原理介绍有线电视分配器作用及原理介绍在我们的生活中,我们大家应该都看过电视吧,最初的是黑白电视,随着科技的发展,发明了彩色电视,现在几乎每个家庭都有电视,电视机本身是没有节目的,只要我们给电视机装上有线天线,这样我们就可以看到很多的电视频道,通过看电视可以很好的放松我们自己,我们要知道,有线电视的配备设备中有分配器,下面就来给大家介绍一下它的作用。
有线电视的分配器是用来分配有线电视信号的器材。
每个用户的信号都是从分配器分配进入我们每家每户的。
例如:一分二有两种,一种是一分支器(IN,OUT,BR)还有就是二分配器(IN,OUT,OUT)信号进线接IN,两个OUT分别接用户电视。
原理:有线电线分配器原理就是通过一些电阻电容电感的阻抗变换匹配电路合理分配信号,使各路输出端的信号互相不受影响,并且也不会影响到输入端的信号,但是分配器是有一定衰减作用的。
作用一:1.有线电视的分配器可以用于分配信号,譬如三分配器就是用于将一路信号平均分配成为三路,但在分配信号的同时也会带来分配损失,以三分配器为例,它的分配损失就是6dB,也就是说它的每一路信号都比原来的信号强度要减少6dB。
按照有线电视线路的标准,一般用户连接一个四分配器是不需要再加放大器的。
有线电视分配器对信号功率的分配分量大小用db(分贝)表示,这是一个相对量,类似我们日常所熟悉的倍数。
例如:我们把一个信号按1/2平均分配,每个信号即为。
换算成分贝表示即:(取的对数)X 10 -3db,因此,在理论上,把一个信号一分为二,这个信号即减小了-3db。
但在实际运用中,这些器件都不是理想化的。
所以,实际衰减要稍大于理论值。
作用二:有线电视分配器不但具有功率信号的分配功能,更重要的是它在分配信号的同时,对端口的是设备起到阻抗匹配的作用,这在高频宽带电路中是非常重要的。
有线电视分支分配器1. 介绍有线电视分支分配器是一种被广泛用于有线电视信号分配系统的设备。
它的主要功能是将来自主干电缆的信号分支到不同的用户终端,从而实现有线电视信号的分发和扩展。
在有线电视网络中,一般会有一根主干电缆负责传输信号。
而有线电视分支分配器的作用就是将主干电缆的信号分配到各个分支电缆上,然后再通过分支电缆将信号传送到用户家庭。
这样,一个有线电视分支分配器可以为多个用户提供有线电视信号,大大降低了网络建设和运营成本。
2. 工作原理有线电视分支分配器是通过使用一组高频分配器和连接器来实现信号的分配。
主干电缆上的信号首先通过一个输入端口进入到有线电视分支分配器,然后通过内部电路被分配到不同的输出端口。
有线电视分支分配器的内部电路通常采用分频技术,可以将信号按照一定的频率范围分配到不同的输出端口上。
这样,用户可以根据自己的需求选择合适的输出端口连接到自己的有线电视机顶盒或电视机上。
3. 特点和优势3.1 灵活性和扩展性有线电视分支分配器可以根据用户的需求和网络规模的变化进行灵活调整。
当新用户加入时,只需要在分支分配器上再添加一个分支电缆即可,无需对整个网络进行改造。
同时,用户可以根据自己的需求选择合适的输出端口,方便实现不同用户终端的布局。
3.2 信号质量保证有线电视分支分配器在设计和制造过程中会严格按照有线电视系统的标准进行,确保输出信号的质量达到要求。
分支分配器会尽量减少信号衰减和失真,保证用户在接收信号时能够得到清晰的画面和稳定的声音。
3.3 节省成本有线电视分支分配器可以将一个主干电缆的信号分配给多个用户终端,从而大大节省了网络建设和运营成本。
而且,通过合理布局分支电缆,可以进一步减少线缆的使用长度和数量,降低材料和维护成本。
3.4 安装和维护简单有线电视分支分配器的安装和维护非常简单。
只需要将主干电缆的信号连接到输入端口,然后将各个分支电缆与用户终端连接到输出端口即可。
当需要维护或更换时,只需要替换分支电缆或调整分配器的设置即可。
分支分配器基本常识分支/分配器是一种高频宽带信号功率分配的无源器件。
它的带宽目前已达到5—1000MHz,其结构简单,价格低廉,工作不需要电源,广泛用于HFC有线电视领域。
器件分为室内型和野外型两种结构,以适应不同环境的需要。
野外型器件除具有防水功能外,通常还具有过流功能,以适应需要通过电缆供电的网络。
分支器:从主路上取出少部分信号送到分支口的功率电平分配器件称为分支器。
主路的输出/输入口分别用OUT和IN表示,支路的分支口用BR/TAP表示。
分配器:输入信号等分到输出口的功率电平分配器件称为分配器。
输出/输入口分别用OUT和IN表示。
分支/分配器对信号功率的分配分量大小用db(分贝)表示,这是一个相对量,类似我们日常所熟悉的倍数。
例如:我们把一个信号按1/2平均分配,每个信号即为0.5。
换算成分贝表示即:lg0.5(取0.5的对数)X 10 = -3db,因此,在理论上,把一个信号一分为二,这个信号即减小了-3db。
但在实际运用中,这些器件都不是理想化的。
所以,实际衰减要稍大于理论值。
分支/分配器的命名通常由生产产家而定,但也有一定规律所可循。
它们一般是由分支口数量和衰减量来决定名称的主要部分。
如:一分支器,支路衰减8dB的,就称为108;支路衰减14dB的二分支器,即可称为214......,四分配器,输出衰减8dB,称为408。
对于理想的分支/分配器,希望它们的输出口(OUT)之间,以及分支口(BR)与输出口(OUT)之间的隔离度越大越好,以免各信号口之间产生相互影响。
我们把OUT口之间的隔离称为相互隔离;把BR口与OUT口之间的隔离称为反向隔离;输入口(IN)与OUT之间的信号衰减称为插入损耗;IN和BR之间的信号衰减称为分支衰减。
分支/分配器不但具有功率信号的分配功能,更重要的是它在分配信号的同时,对端口的是设备起到阻抗匹配的作用。
这在高频宽带电路中是非常重要的。
有线电视三大技术指标是什么?有线电视三大技术指标: 一个有线电视网络系统性能的好坏,我们通常都用载噪比(C/N)、组合三次差拍比(CTB)、组合二次差拍比(CSO)进行衡量。
国家广电行业标准(GY/7 106-1999)规定:有线电视系统的载噪比≥43db、组合三次差拍比≥54db、组合二次差拍比≥54db。
那末这三大指标的含义是什么?在这里向大家逐一介绍。
一、载噪比定义:在系统的指定点,图象或伴音载波电平与噪波电平之比(用db表示)。
噪声是一切干扰信号的泛指,它的存在影响着有用信号的清晰度。
在有线电视系统中的噪声主要是热噪声。
在日常,我们打开电视机,不输入任何信号,我们会看到屏幕上布满了无规则的黑白点,即所谓的“雪花”点,这些“雪花”点就是噪声在电视屏幕上的反映。
有线电视的噪声主要是由热噪声和散粒噪声所组成。
热噪声主要是由导电体内部的自由电子无规则的热运动所产生的,噪声功率的大少和工作频率、工作带宽、工作温度有关,我国电视制式的视频带宽是5.75MHZ,在常温下所产生的噪声功率是2.4dbμV。
散粒噪声则是由放大器等有源器件内的半导体所产生的。
这些噪声不论有无信号,它总是存在并具有起伏特性。
在图象上表现为“雪花”干扰,是难以抑制的。
图象的清晰度将随着噪声电平的增加而下降,为了衡量CATV系统的接收质量,所以用载噪比来定量描述它。
它的数学表达式是:C/N=10*lg(载波功率/噪声功率),单位是db。
在CATV系统中,用户端的功率是前端的热噪声加网络中所有串接的放大器自身所产生的噪声之和,放大器是一个有源器件,其内部是由晶体管、电阻等电子器件组成,所以每个放大器自身也必会产生噪声,放大器在对信号进行放大的同时也将噪声叠加到输出端,这样,输出端的信号载噪比必然比输入端的信号载噪比低。
为此,我们就用输入载噪比和输出载噪比的比值来衡量放大器的噪声指标,定义为噪声系数,用F来表示,这个系数通常都由生产厂家提供。
有线电视三大技术指标第一篇:有线电视三大技术指标有线电视三大技术指标一个有线电视网络系统性能的好坏,我们通常都用载噪比(C/N)、组合三次差拍比(CTB)、组合二次差拍比(CSO)进行衡量。
国家广电行业标准(GY/7 106-1999)规定:有线电视系统的载噪比≥43db、组合三次差拍比≥54db、组合二次差拍比≥54db。
那末这三大指标的含义是什么?在这里向大家逐一介绍。
一、载噪比定义:在系统的指定点,图象或伴音载波电平与噪波电平之比(用db表示)。
噪声是一切干扰信号的泛指,它的存在影响着有用信号的清晰度。
在有线电视系统中的噪声主要是热噪声。
在日常,我们打开电视机,不输入任何信号,我们会看到屏幕上布满了无规则的黑白点,即所谓的“雪花”点,这些“雪花”点就是噪声在电视屏幕上的反映。
有线电视的噪声主要是由热噪声和散粒噪声所组成。
热噪声主要是由导电体内部的自由电子无规则的热运动所产生的,噪声功率的大少和工作频率、工作带宽、工作温度有关,我国电视制式的视频带宽是5.75MHZ,在常温下所产生的噪声功率是2.4dbμV。
散粒噪声则是由放大器等有源器件内的半导体所产生的。
这些噪声不论有无信号,它总是存在并具有起伏特性。
在图象上表现为“雪花”干扰,是难以抑制的。
图象的清晰度将随着噪声电平的增加而下降,为了衡量CATV 系统的接收质量,所以用载噪比来定量描述它。
它的数学表达式是:C/N=10*lg(载波功率/噪声功率),单位是db。
在CATV系统中,用户端的功率是前端的热噪声加网络中所有串接的放大器自身所产生的噪声之和,放大器是一个有源器件,其内部是由晶体管、电阻等电子器件组成,所以每个放大器自身也必会产生噪声,放大器在对信号进行放大的同时也将噪声叠加到输出端,这样,输出端的信号载噪比必然比输入端的信号载噪比低。
为此,我们就用输入载噪比和输出载噪比的比值来衡量放大器的噪声指标,定义为噪声系数,用F来表示,这个系数通常都由生产厂家提供。
有线电视分支分配器参数指标有线电视分支分配器技术指标二~八分配器技术指标:型号2xx 3xx 4xx 6xx 8xx插入损耗IN-OUT(dB)4-40 MHz 40-550 MHz 550-750 MHz 750-1000 MHz相互隔离度OUT-OUT(dB)5-40 MHz 30 25 27 25 25 40-550 MHz 30 28 30 25 25 550-750 MHz 28 25 30 25 25 750-1000 MHz 28 23 25 25 25 反射损耗IN/OUT(dB)5-40 MHz 22 22 20 20 20 40-550 MHz 20 20 20 20 20 550-750 MHz 20 18 18 18 18 750-1000 MHz 18 18 17 17 17 尺寸mm 53*49*17 74*50*17 74*50*17 118*60*17 118*60*17重量g 40 55 60 110 115一分支器技术指标分支损耗(dB) 6 8 10 12 14 16 18 20 22 24 26 28 30 32分支损耗偏差dB ±插入损耗4-470 MHzIN-OUT470-750 MHz(dB)750-1000 MHz反向隔离度4-470 MHz 25 30 25 30 30 35 35 35 38 40 42 42 42 45 TAP-OUT470-750 MHz 24 25 25 28 28 30 32 32 35 35 38 38 38 42(dB)750-1000 MHz 22 24 25 26 26 28 28 30 32 35 36 36 37 38反射损耗4-470 MHz 20 20 20 20 20 20 20 20 20 20 20 20 20 20 IN/OUT/TAP470-750 MHz 20 20 20 20 20 20 20 20 20 20 20 20 20 20750-1000 MHz 17 17 17 17 17 17 17 17 17 17 17 17 17 17尺寸mm 53*49*17重量g 40二分支器技术指标:分支损耗(dB)8 10 12 14 16 18 20 22 24 27 30 32分支损耗偏差dB ±插入损耗4-470 MHzIN-OUT470-750 MHz(dB)750-1000 MHz反向隔离度4-470 MHz 28 25 28 28 28 28 35 35 40 40 42 42 TAP-OUT470-750 MHz 26 23 25 25 25 26 30 33 35 35 38 38 (dB)MHz 25 22 25 25 25 26 30 30 30 30 35 35相互隔离度MHz 28 30 30 30 30 30 30 30 30 30 30 30 TAP-TAP470-750 MHz 28 25 25 25 25 25 25 25 25 25 25 25(dB)MHz 25 25 25 25 25 25 25 25 25 25 25 25反射损耗MHz 20 20 20 20 20 20 20 20 20 20 20 20 IN/OUT/TAP MHz 20 20 20 20 20 20 20 20 20 20 20 20(dB)750-1000 MHz 18 16 18 18 18 18 18 18 18 18 18 18尺寸mm 74*49*17重量g 55三分支器技术指标:分支损耗(dB)10 12 14 16 18 20 22 24 27 30 32分支损耗偏差±插入损耗4-470 MHzIN-OUT470-750 MHz750-1000 MHz反向隔离度4-470 MHz 28 27 27 32 35 32 35 40 38 40 40 TAP-OUT470-750 MHz 30 25 28 30 35 30 32 35 35 38 38(dB)750-1000 MHz 25 23 25 30 32 30 30 35 32 35 35相互隔离度4-470 MHz 28 25 26 25 26 27 27 27 27 27 27 TAP-TAP470-750 28 25 25 25 25 25 25 25 25 25 25(dB)750-1000 MHz 25 25 25 25 25 25 26 25 25 25 25反射损耗4-470 MHz 20 20 20 20 20 20 20 20 20 20 20 IN/OUT/TAP470-750 MHz 20 20 20 20 20 20 20 20 20 20 20(dB)750-1000 MHz 16 17 17 17 17 17 17 17 17 17 17尺寸mm 74*50*17重量g 55四分支器技术指标:分支损耗(dB)10 12 14 16 18 20 22 24 27 30 32dB ±插入损耗MHzIN-OUT MHz(dB)MHz反向隔离度MHz 28 26 26 30 30 32 40 32 40 40 40 TAP-OUT MHz 25 25 25 28 28 30 32 32 38 38 38(dB)750-1000 MHz 25 22 23 25 27 27 28 30 32 32 32相互隔离度4-470 MHz 27 28 28 28 28 28 28 28 28 27 27 TAP-TAP470-750 MHz 27 25 25 25 25 25 25 25 25 25 25(dB)750-1000 MHz 25 25 25 25 25 25 25 25 25 25 25反射损耗4-470 MHz 20 20 20 20 20 20 20 20 20 20 20 IN/OUT/TAP470-750 MHz 18 18 18 18 18 18 18 18 18 18 18(dB)MHz 17 17 17 17 18 17 17 17 17 17 17尺寸mm 74*60*17重量g 70六分支器技术指标:分支损耗(dB)12 14 16 18 20 22 24 26 27 30 32分支损耗偏差±插入损耗4-550 MHzIN-OUT550-750 MHz(dB)750-1000 MHz反向隔离度4-550 MHz 25 28 25 25 30 32 32 32 35 35 35 TAP-OUT550-750 MHz 22 25 25 25 28 30 30 30 30 30 30(dB)750-1000 MHz 22 22 23 24 28 28 28 28 30 30 30相互隔离度4-550 MHz 23 24 24 24 24 24 24 24 24 24 24 TAP-TAP550-750 22 22 22 22 23 23 23 23 23 23 23(dB)750-1000 MHz 22 22 22 22 22 22 22 22 22 22 22反射损耗4-550 MHz 20 20 20 20 20 20 20 20 20 20 20 IN/OUT/TAP550-750 MHz 17 17 18 18 18 18 18 18 18 18 18(dB)750-1000 MHz 16 16 17 17 17 17 17 17 17 17 17尺寸mm 118*60*17重量g 110八分支器技术指标:分支损耗(dB)12 14 16 18 20 22 24 26 27 30 32分支损耗偏差dB ±插入损耗4-550 MHz -IN-OUT550-750 -(dB)750-1000 -反向隔离度4-550 - 27 27 27 30 32 35 32 30 35 35 TAP-OUT550-750 - 25 25 25 25 30 30 30 30 30 30(dB)750-1000 MHz - 24 24 24 25 28 28 28 28 30 30相互隔离度4-550 MHz 25 25 25 25 25 25 25 25 25 25 25 TAP-TAP550-750 25 24 24 24 24 25 25 25 25 25 25(dB)750-1000 MHz 24 23 23 23 23 24 24 24 24 24 24反射损耗4-550 MHz 19 20 20 20 20 20 20 20 20 20 20 IN/OUT/TAP550-750 MHz 18 18 18 18 18 18 18 18 18 18 18(dB)750-1000 MHz 17 17 16 17 17 17 17 17 17 17 17尺寸118*60*17重量115本技术资料由弱电之家网整理。
分支器和分配器根柢常识分支器和分配器是一种高频宽带信号功率分配的无源器材。
它的带宽如今已抵达5一;十00MHz,其构造简略,报价贱价,作业不需求电源,广泛用于HFC有线电视范畴。
器材分为室内型和野外型两种构造,以习气纷歧样环境的需求。
野外型器材除具有防水功用外,通常还具有过流功用,以习气需求经过电缆供电的网络。
分支器和分配器对信号功率的分配重量巨细用db(分贝)标明,这是一个相对量,相似咱们往常所了解的倍数。
例如:咱们把一个信号按1/2均匀分配,每个信号即为0.5。
换算成分贝标明即:lg0.5(取0.5的对数)X十=-3db,因而,有理论上,把一个信号一分为二,这个信号即减小了-3db。
但在实习运用中,这些器材都不是志趣化的。
所以,实习衰减要稍大于理论值。
分支/分配器的命名通常由出产产家而定,但有必定规矩所寻。
它们通常是由分支口数量和衰减量来挑选称谓的首要有些。
如:一分支器,支路衰减8db的,就称为十8;支路衰减24db的二分支器,即可称为224......等。
对于志趣的分支/分配器,期望它们的输出口(OUT)之间,以及分支口(BR)与输出口(OUT)之间的阻隔度越大越好,防止各信号口之间发生互相影响。
咱们把OUT口之间的阻隔称为互相阻
隔;把BR口与OUT口之间的阻隔称为反向阻隔;输进口(IN)与OUT之间的信号衰减称为刺进损耗;IN和BR之间的信号衰减称为分支衰减。
分支/分配器不光具有功率信号的分配功用,更首要的是它在分配信号的一起,对端口的是设备起到阻抗匹配的效果。
这在高频宽带电路中对错常首要的.。
分支器、分配器介绍(福建金钱猫公司)分支/分配器是一种高频宽带信号功率分配的无源器件。
它的带宽目前已达到5—1000MHz,其结构简单,价格低廉,工作不需要电源,广泛用于HFC有线电视领域。
器件分为室内型和野外型两种结构,以适应不同环境的需要。
野外型器件除具有防水功能外,通常还具有过流功能,以适应需要通过电缆供电的网络。
分配器能将卫星天线上高频头接收到的信号,经同轴电缆均等地分成多路的电子电路,我们称它为分配器,或叫功率分配器。
常见的有两种:一种是有源的,其供电取自于卫星接收机向天线高频头的供电,有源分配器多见于六分配器、八分配器和少数四分配器。
另一种是无源分配器,它是通过电感、电阻和电容进行无源分配的。
分配器是CATV网络前端设备中一个重要组成部件(后端常用分支器)。
分支器分支器是在一个主输出信号顺利通过的情况下,能分出一部分低于主输出信号电平的一个或几个相等信号的电子电路,它也具有很好的隔离性。
只要在主输出口接有标准阻抗的同轴电缆线或终端匹配电阻,分支口开路或短路对输入口阻抗和网络传输影响不大。
有线电视网络运用这个特性来连接各用户终端主输入口。
但要求每条线路终端主输出口必须接75Ω标准负载,既不能开路也不能短路,也不允许接用。
分支分配器区别1、分配器的端口标识为:IN、OUT、OUT这是一分二的分配器。
分支器的端口标识为:IN、OUT、TAP、TAP这是一分二的分支器。
2、分配器出来的信号都一样的比如说306分配器就是说有一个进口(IN)三个出口(OUT) 每个出口衰减的DB数是6DB。
分支器可以连级接,而分配器则不能连级接,因为分配器连级接衰减大。
放大器后接一个分配器到电视,两个以上才能到电视的,中间请用分支器。
3、分支器与分配器最大的区别就在于输出到电视的输出口不同,分支器输出到电视的是BR输出口,而分配器是OUT输出口。
4、分配器对信号进行同等的分配,在有线电视经常用到。
分支器从主路上取出少部分信号送到分支口的功率电平分配器件称为分支器。
1、分配器的端口标识为:IN、OUT、OUT这是一分二的分配器2、分支器的端口标识为:IN、OUT、TAP、TAP这是一分二的分支器3、分配器出来的信号都一样的比如说306分配器就是说有一个进口(IN)三个出口(OUT) 每个出口衰减的DB数是6DB。
4、分支器可以连级接,而分配器则不能连级接,因为分配器连级接衰减大。
放大器后接一个分配器到电视,两个以上才能到电视的,中间请用分支器。
5、分支器与分配器最大的区别就在于输出到电视的输出口不同,分支器输出到电视的是BR输出口,而分配器是OUT 输出口。
6、分配器对信号进行同等的分配,在有线电视经常用到,2 3 4 6 8分配器或更大。
7、分支器从主路上取出少部分信号送到分支口的功率电平分配器件称为分支器。
8、分支器不一样,比如说410分支器是一个进口(IN) 5个出口其中只有一个(OUT)口其余4个是BR(分支)口BR 口衰减是10DB OUT口衰减是2DB 也就是我们常说的插入损耗。
在安装时,分配器的每个输出口子,绝对不可以空载,否则会由于阻抗不匹配的原因造成重影,一般都要求加上阻抗匹配器。
而对于某几级的分支器的分支输出口,则关系不大。
9、分支/配器区别:分支器输出、输入的电平不相等,分配器输出、输入的电平完全相等。
10、分支器的OUT输出口是输出给下路需要接分支分配器用的输出口,因为分支器的OUT输出口的衰减很小,所以作为干路的分支设备,使后面串联线路中的电视信号衰减减小,配合干路放大器使整个线路中的信号均衡。
分支器是在一个主输出信号顺利通过的情况下,能分出一部分低于主输出信号电平的一个或几个相等信号的电子电路,它也具有很好的隔离性,只要在主输出口接有标准阻抗的同轴电缆或终端匹配电阻,分支口开路或短路对输入口的网络的影响不大,有线电视网络运用这个特性来连接用户终端主输入口。
分支器:从主路上取出少部分信号送到分支口的功率电平分配器件称为分支器。
主路的输出/输入口分别用OUT和IN 表示,支路的分支口用BR表示。