【CN210132809U】一种瓦楞纸印刷开槽机【专利】
- 格式:pdf
- 大小:391.82 KB
- 文档页数:7
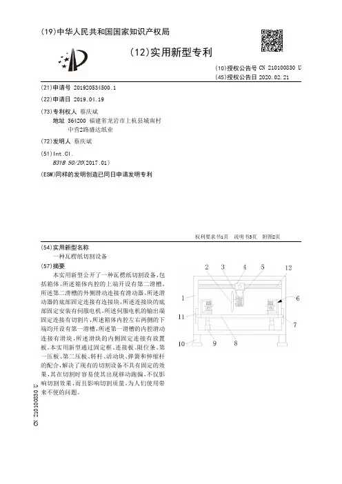
(19)中华人民共和国国家知识产权局(12)实用新型专利(10)授权公告号 (45)授权公告日 (21)申请号 201920534500.1(22)申请日 2019.04.19(73)专利权人 蔡庆斌地址 364200 福建省龙岩市上杭县城南村中营2路盛达纸业(72)发明人 蔡庆斌 (51)Int.Cl.B31B 50/20(2017.01)(ESM)同样的发明创造已同日申请发明专利(54)实用新型名称一种瓦楞纸切割设备(57)摘要本实用新型公开了一种瓦楞纸切割设备,包括箱体,所述箱体内腔的上端开设有第二滑槽,所述第二滑槽的外侧滑动连接有滑动器,所述滑动器的底部固定连接有连接块,所述连接块的底部固定安装有伺服电机,所述伺服电机的输出端固定连接有切割片,所述箱体内腔左右两侧的下端均开设有第一滑槽,所述第一滑槽的内腔滑动连接有滑块,所述滑块的内侧固定连接有放置板。
本实用新型通过固定框、连接板、限位条、第一压板、第二压板、转杆、活动块、弹簧和伸缩杆的配合,解决了现有的切割设备不具有固定的效果,其在切割时容易使其出现移动跑偏,不仅影响切割效果,而且影响切割质量,为人们使用带来不便的问题。
权利要求书1页 说明书3页 附图2页CN 210100830 U 2020.02.21C N 210100830U权 利 要 求 书1/1页CN 210100830 U1.一种瓦楞纸切割设备,包括箱体(1),其特征在于:所述箱体(1)内腔的上端开设有第二滑槽(12),所述第二滑槽(12)的外侧滑动连接有滑动器(4),所述滑动器(4)的底部固定连接有连接块(5),所述连接块(5)的底部固定安装有伺服电机(3),所述伺服电机(3)的输出端固定连接有切割片(2),所述箱体(1)内腔左右两侧的下端均开设有第一滑槽(11),所述第一滑槽(11)的内腔滑动连接有滑块(7),所述滑块(7)的内侧固定连接有放置板(8),所述放置板(8)顶部的左右两端均设置有固定机构(6),所述箱体(1)内腔底部的左右两端均固定安装有电动推杆(9),所述电动推杆(9)的顶部与放置板(8)的底部固定连接。
专利名称:一种瓦楞纸板印刷分压切角开槽机专利类型:实用新型专利
发明人:王云峰
申请号:CN201820818349.X
申请日:20180530
公开号:CN208232416U
公开日:
20181214
专利内容由知识产权出版社提供
摘要:本实用新型公开了一种瓦楞纸板印刷分压切角开槽机,包括两个对称设置的支撑板,两个支撑板之间固定设有印刷分压切角开槽器,两个支撑板之间固定设有位于印刷分压切角开槽器下方的传送带,传送带上固定连接有均匀设置的挡块,两个支撑板之间固定连接有装料箱,装料箱内装有瓦楞纸板,两个支撑板之间固定连接有位于装料箱下方的放置板,两个支撑板之间固定连接有安装板,安装板左侧的侧壁开设有第一通孔,且通孔内活动套接有移动杆,两个支撑板的侧壁对称开设有两个第二通孔,两个第二通孔内通过轴承转动连接有同一根转杆。
本实用新型能够实现自动上料,降低了劳动强度,还能够避免瓦楞纸板上的粉尘影响印刷质量。
申请人:天津市三高利泰包装印刷有限公司
地址:300405 天津市北辰区大张庄镇万发工业园
国籍:CN
代理机构:天津协众信创知识产权代理事务所(普通合伙)
代理人:王力强
更多信息请下载全文后查看。
专利名称:一种高效的印刷开槽机专利类型:实用新型专利
发明人:张传山
申请号:CN201921894270.6申请日:20191106
公开号:CN211138286U
公开日:
20200731
专利内容由知识产权出版社提供
摘要:本实用新型公开了一种高效的印刷开槽机,属于开槽机领域,包括底座,底座的上端面中部两侧均固定安装有支板,支板的侧面中部上端固定安装有开槽辊,开槽辊的侧面中部开设有弧形凹槽,弧形凹槽的内部滑动连接有开槽刀,弧形凹槽的侧面均匀开设有通孔,通孔的内部滑动连接有定位杆,定位杆的一端侧面滑动连接于开槽刀侧面开设的定位孔的内部,定位杆的端部滑动连接于弧形凹槽另一侧面开设的定位槽的内部,定位杆的另一端侧面滑动套接有第一弹簧,第一弹簧的一端固定安装于开槽辊的侧面。
该高效的印刷开槽机,通过定位杆、定位孔和定位槽之间的配合关系,可将开槽刀固定在弧形凹槽的内部,安装较为简单,更换较为方便。
申请人:山东龙特文化发展有限公司
地址:276800 山东省日照市高新技术产业开发区高新七路与艳阳路交汇处东150米
国籍:CN
更多信息请下载全文后查看。
专利名称:一种新型瓦楞纸打孔器专利类型:实用新型专利
发明人:吴洪亮
申请号:CN201721775344.5申请日:20171218
公开号:CN207724444U
公开日:
20180814
专利内容由知识产权出版社提供
摘要:本实用新型公开了一种新型瓦楞纸打孔器,属于瓦楞纸领域。
该装置包括C形的底座、设置在所述底座的侧壁上并相向向内延伸的支撑板、设置在所述支撑板上的导向柱、弹簧、设置在所述底座上的安装板、导向板、打孔针、紧固螺栓、铰接在所述安装板上的压杆、固定连接在所述压杆上的连接杆和可转动地连接在所述连接杆远离所述压杆一端的滚轮,本实用新型结构简单,连接在连接杆上的滚轮和导向板之间为滚动摩擦,降低了打孔时的负载,调节槽可以使打孔针方便地调节打孔距离。
申请人:江苏上善纸业有限公司
地址:223600 江苏省宿迁市沭阳县杭州东路南侧,玉环路西侧
国籍:CN
代理机构:常州佰业腾飞专利代理事务所(普通合伙)
代理人:常莹莹
更多信息请下载全文后查看。
(19)中华人民共和国国家知识产权局
(12)实用新型专利
(10)授权公告号 (45)授权公告日 (21)申请号 201920461357.8
(22)申请日 2019.04.04
(73)专利权人 盐城君雅实业有限公司
地址 224000 江苏省盐城市盐城经济技术
开发区湘江路16号
(72)发明人 崔恒凤
(74)专利代理机构 南京常青藤知识产权代理有
限公司 32286
代理人 毛洪梅
(51)Int.Cl.
B31B 50/22(2017.01)
(54)实用新型名称
一种瓦楞纸印刷开槽机
(57)摘要
本实用新型提供一种瓦楞纸印刷开槽机,包
括机架,机架内安装有由伺服电机驱动的转轴,
转轴的左右两侧分别过盈配合地安装有开槽辊,
开槽辊可随转轴一起转动;开槽辊的圆周壁上沿
着径向开有一嵌刀槽,刀片插入嵌刀槽内,刀片
的刀刃部伸出嵌刀槽,刀片的厚度与嵌刀槽的宽
度匹配,刀片到嵌刀槽的前后壁和底壁之间均留
有调整间隙;开槽辊内沿着开槽辊的轴向安装有
调整螺栓,调整螺栓的尾端键连接一偏心轮,刀
片上设有与偏心轮匹配的调整孔,偏心轮安装于
调整孔内,转动调整螺栓可调整刀刃部伸出嵌刀
槽的高度。
本实用新型的刀片安装深度可微调,
可适用于多种厚度的瓦楞纸开槽,操作灵活,设
备成本低。
权利要求书1页 说明书3页 附图2页CN 210132809 U 2020.03.10
C N 210132809
U
权 利 要 求 书1/1页CN 210132809 U
1.一种瓦楞纸印刷开槽机,其特征在于,包括机架,所述机架内安装有由伺服电机驱动的转轴,所述转轴的左右两侧分别过盈配合地安装有开槽辊,所述开槽辊可随所述转轴一起转动;所述开槽辊的圆周壁上沿着径向开有一嵌刀槽,所述嵌刀槽内插入一刀片,所述刀片的刀刃部伸出所述嵌刀槽,所述刀片的厚度与所述嵌刀槽的宽度匹配,所述刀片到所述嵌刀槽的前后壁和底壁之间均留有调整间隙;所述开槽辊内沿着所述开槽辊的轴向安装有调整螺栓,所述调整螺栓的尾端键连接一偏心轮,所述刀片上设有与所述偏心轮匹配的调整孔,所述偏心轮安装于所述调整孔内,转动所述调整螺栓可调整所述刀刃部伸出所述嵌刀槽的高度。
2.根据权利要求1所述的一种瓦楞纸印刷开槽机,其特征在于,所述开槽辊的圆周壁上中心对称地安装有至少两个所述刀片。
3.根据权利要求2所述的一种瓦楞纸印刷开槽机,其特征在于,所述转轴上还安装有两个压边辊,两个所述压边辊分别位于两个所述开槽辊的外侧,所述压边辊也过盈配合地安装于所述转轴上。
4.根据权利要求3所述的一种瓦楞纸印刷开槽机,其特征在于,所述机架上安装有输送带,所述输送带位于所述开槽辊的下方,所述输送带与所述开槽辊之间留有走料间隙,所述输送带于所述刀片的正下方位置开有排废孔。
5.根据权利要求4所述的一种瓦楞纸印刷开槽机,其特征在于,所述机架内于两个所述开槽辊的正下方分别设有集废箱。
6.根据权利要求5所述的一种瓦楞纸印刷开槽机,其特征在于,所述集废箱的侧壁通过管道连接抽风机。
2。