输电线路隐蔽工程签证记录表模板
- 格式:doc
- 大小:878.60 KB
- 文档页数:68
(工程建筑套表)隐蔽工程签证记录表(接地线埋设)隐蔽工程(接地线埋设)签证记录表致山东华电高唐15MWp集约化生态农业光伏且网发电项目监理项目部:山东华电高唐15MWp集约化生态农业光伏且网发电项目工程1 号基础接地线沟已经开挖完毕,接地线已经敷设,请检查。
项目部专职质检员:施工队质检员:年月日以下内容由项目部质检员填写,监理工程师现场检查签证:序号监理检查内容标准检查结果(m)允许误差(m) 框线L1 L2 L3 L41 接地线埋设前接地线规格符合设计要求设计值φ12 φ12 φ12 φ12 φ12 实测值φ12φ12 φ12 φ12 φ12接地沟深度岩石:≥0.3m非耕地:≥0.6m耕地:≥0.8m设计值≥0.8 ≥0.8 ≥0.8 ≥0.8 ≥0.8实测值0.83 0.85 0.85 0.86 0.81接地线长度不小于设计值设计值8 2 2 2 2 实测值8 2.1 2.2 2 2.1接地线连接长度符合GB50233-2005第8.0.5要求符合GB50233-2005第8.0.5要求接地线总长设计值:42m 42m接地型式设计型式:方框接地方框接地俩接地线间平行距离不小于5米 5.1米接地线方向尽量按等高线埋设基本按等高线埋设接地线埋设示意图(根据现场实际敷设情况绘图)22 接地线埋设降阻剂使用情况3 接地线电阻设计值:5欧姆0.96欧姆4 回填土符合GB50233-2005第4.0.1要求符合符合符合符合符合B受电侧82.1监理意见:监理工程师:年月日工程名称:山东华电高唐15MWp集约化生态农业光伏且网发电项目隐蔽工程(接地线埋设)签证记录表工程名称:山东华电高唐15MWp集约化生态农业光伏且网发电项目致山东华电高唐15MWp集约化生态农业光伏且网发电项目监理项目部:山东华电高唐15MWp集约化生态农业光伏且网发电项目工程2 号基础接地线沟已经开挖完毕,接地线已经敷设,请检查。
项目部专职质检员:施工队质检员:年月日以下内容由项目部质检员填写,监理工程师现场检查签证:序号监理检查内容标准检查结果(m)允许误差(m) 框线L1 L2 L3 L41 接地线埋设前接地线规格符合设计要求设计值φ12 φ12 φ12 φ12 φ12 实测值φ12φ12 φ12 φ12 φ12接地沟深度岩石:≥0.3m非耕地:≥0.6m耕地:≥0.8m设计值≥0.8 ≥0.8 ≥0.8 ≥0.8 ≥0.8实测值0.83 0.85 0.85 0.86 0.81接地线长度不小于设计值设计值8 2 2 2 2 实测值8 2 2 2 2接地线连接长度符合GB50233-2005第8.0.5要求符合GB50233-2005第8.0.5要求接地线总长设计值:42m 42m接地型式设计型式:方框接地方框接地俩接地线间平行距离不小于5米 5.1米接地线方向尽量按等高线埋设基本按等高线埋设接地线埋设示意图(根据现场实际敷设情况绘图)22 接地线埋设降阻剂使用情况3 接地线电阻设计值:5欧姆0.96欧姆4 回填土符合GB50233-2005第4.0.1要求符合符合符合符合符合监理意见:监理工程师:年月日D82隐蔽工程(接地线埋设)签证记录表致山东华电高唐15MWp集约化生态农业光伏且网发电项目监理项目部:山东华电高唐15MWp集约化生态农业光伏且网发电项目工程3号基础接地线沟已经开挖完毕,接地线已经敷设,请检查。
隐蔽工程(基坑验槽)签证记录表工程名称:遂宁城市生活垃圾环保发电项目110kV送出工程隐蔽工程(基坑验槽)签证记录隐蔽工程(基础浇前、支模)签证记录表填写说明:1、签证记录表中填写的桩号应与杆塔明细表中的杆塔桩号一致。
例如:T1、N12等。
2、“基础型”若同一基基础四个腿基础型相同,则填写统一的基础型,反之,如四个腿基础型不一样,应按照设计分别填写A、B、C、D基础型。
如:A:Xk-Z1200L12 B: Xk-Z1200L07 C:Xk-Z1200L02 D: Xk-Z1200L07。
3、日期应填写完整。
例如:2009年4月19日4、“坑深尺寸”栏:标准栏、检查结果栏分别填写不含垫层的基础埋深设计值、实测值。
5、“钢筋保护层厚度”栏:检查结果栏填写偏差值,如:-2,+3等,保留正、负号。
6、“模板支撑质量”栏:检查结果栏填写牢固可靠。
7、“坑口、坑底清理”栏:检查结果栏填写符合要求。
8、“坑中心根开、对角线尺寸”栏:对于平腿基础:设计值栏,填写设计根开值,如:AB: 10244 BC: 10244。
检查结果栏填写实测值。
对于高低腿基础:设计值栏,填写两水平半根开值,如:AB:5006+6005 BC: 6005+5006。
检查结果按照设计值栏填写实测值。
9、监理意见栏:必须手签,填写“合格,同意浇制”。
记录表签字栏,签字人必须亲笔签名,不可用私章代替。
隐蔽工程(基础浇制)签证记录表填写说明:1、签证记录表中填写的桩号应与杆塔明细表中的杆塔桩号一致。
例如:T1、N12等。
2、“基础型号”若同一基基础四个腿基础型相同,则填写统一的基础型,反之,如四个腿基础型不一样,应按照设计分别填写A、B、C、D基础型。
如:A:Xk-Z1200L12 B: Xk-Z1200L07 C:Xk-Z1200L02D: Xk-Z1200L07。
3、日期应填写完整。
例如:2007年6月19日4、“砼配合比”栏:标准栏、检查结果栏分别填写水泥、砂、石、水配合比值、实测值。
隐蔽工程基础浇前、支模签证记录表(doc 50页)隐蔽工程(基础浇前、支模)签证记录表致:山西锦通工程项目管理咨询有限公司临汾工程监理项目部:G1 号基础,基础形式(台阶式),降基面(0m),基础钢筋数量、规格、绑扎、支模各种尺寸均符合设计数据,砂、石、水泥、水和施工工器具均已准备齐全,具备浇制条件,请检查。
A腿项目部专职质检员:刘双阳施工队质检员: 邢建业 2013年 9 月 28 日B腿项目部专职质检员: 刘双阳施工队质检员: 邢建业 2013年 9 月 28 日C腿项目部专职质检员: 刘双阳施工队质检员: 邢建业 2013年 9 月 28 日D腿项目部专职质检员: 刘双阳施工队质检员: 邢建业 2013年 9月 28日以下内容由项目部质检员填写,监理工程师现场检查签证序号监理检查内容标准检查结果允许误差(mm) A B C D1 土质、岩石性能符合设计要求土质土质土质土质2 坑深尺寸(mm)+100、-30 设计值:3200 3200 3200 3200 实测值:3235 3230 3235 32403 立柱、底板断面尺寸(mm)立柱:-0.8%设计值:1000×1000 1000×1000 1000×1000 1000×1000实测值:1003×1003 1003×1002 1002×1003 1002×1002 底板-0.8%设计值:3800×3800 3800×3800 3800×3800 3800×3800实测值:3802×3802 3803×3803 3803×3803 3803×38024 砂、石含泥量砂5%、石1.5%、泥块0.7% 符合要求符合要求符合要求符合要求5 地脚螺栓或插入角钢、主筋规格、数量、长度(mm)地脚螺栓或插入角钢设计值:M42×4 M42×4 M42×4 M42×4实测值:M42×4 M42×4 M42×4 M42×4主筋±10设计值:∮22(3290)×4∮22(2800)×16∮25(3290)×4∮22(2800)×16∮22(3290)×4∮22(2800)×16∮25(3290)×4∮22(2800)×16实测值:∮22(3292)×4∮22(2801)×24∮22(3294)×4∮22(2803)×24∮22(3295)×4∮22(2804)×24∮22(3295)×4∮22(2804)×24箍筋±10设计值:∮8(3881)×11∮8(3127)×10∮8(3881)×11∮8(3127)×10∮8(3881)×11∮8(3127)×10∮8(3881)×11∮8(3127)×10实测值:∮8(3881)×11∮8(3127)×10∮8(3881)×11∮8(3127)×10∮8(3881)×11∮8(3127)×10∮8(3881)×11∮8(3127)×10地栓箍筋±10设计值:∮12(1509)×5∮12(670)×5∮12(1509)×5∮12(670)×5∮12(1509)×5∮12(670)×5∮12(1509)×5∮12(670)×5实测值:∮12(1509)×5∮12(1509)×5∮12(1509)×5∮12(1509)×5∮12(670)×5 ∮12(670)×5∮12(670)×5∮12(670)×56 地脚螺栓及钢筋绑扎(mm)主筋:±5箍筋:±10+2+2+3-5+1+4+4+27 地脚螺栓露出顶面高度(mm)+8、-4设计值:150 150150150实测值:151 153 152 1528 钢筋保护层厚度(mm)-5设计值:70 70 70 70实测值:71 69 68 709 地脚螺栓小根开(mm)±2设计值:260 260 260 260实测值:261 260 262 2611模板支撑质量牢固可靠牢固可靠牢固可靠牢固可靠牢固可靠1钢筋表面质量干净、平直干净、平直干净、平直干净、平直干净、平直1 2 坑口、坑底清理坑口边0.5m内无积土坑底无杂土杂物基坑清理干净基坑清理干净基坑清理干净基坑清理干净1焊接钢筋位置避开受力最大处,错开布置符合要求符合要求符合要求符合要求1 4 坑中心根开、对角线尺寸(mm)螺栓式±1.6‰设计值:AB BC CD DA AC BD 插入式±0.8‰584058405840584082598259高塔±0.6‰实测值:584258415842584082608259A腿监理意见:监理工程师:年月日B腿监理意见:监理工程师:年月日C腿监理意见:监理工程师:年月日D腿监理意见:监理工程师:年月日隐蔽工程(基础浇前、支模)签证记录表致:山西锦通工程项目管理咨询有限公司临汾工程监理项目部:N18号基础,基础形式(台阶式),降基面(0m),基础钢筋数量、规格、绑扎、支模各种尺寸均符合设计数据,砂、石、水泥、水和施工工器具均已准备齐全,具备浇制条件,请检查。
输变电线路隐蔽工程签证单隐蔽工程(导线液压)签证记录表工程名称: 220kV蓬朗变浏花线双开环线路工程监隐签致江苏省兴源电力建设监理有限公司浏花线双开环线项目监理部: 标段,耐张段杆号至,压接管型号,压接准备工作就绪,请现场监督检查。
项目部专职质检员: 施工队质检员: 年月日以下内容由施工队质检员填写,监理现场监督检查签证:压接管位置相别线别最大外径压最小前内径值铝长度管最大压对边距后最小值长度最大外径压最小前内径值钢长度管最大压对边距后最小值长度压接管清洗是否干净外观检查是否涂导电层是否清除表面氧化膜铝管压后是否符合规程公式值钢管压接人钢印号压接人签名备注:1、外观检查包括弯曲、扭曲、砂眼、裂纹、伤痕等;2、压后尺寸应符合SDJ226-87《架空送电线路导线及避雷线液压施工工艺规程》(试行)规程中的有关规定,计算公式为:S,0.866×0.993D+0.2(mm)。
监理意见:监理工程师: 年月日隐蔽工程(地线液压)签证记录表工程名称:220kV浏家港至前进线开环昆太变线路工程监隐签致江苏省兴源电力建设监理有限公司浏花线双开环线项目监理部:标段,耐张段杆号至,压接管型号,压接准备工作就绪,请现场监督检查。
项目部专职质检员: 施工队质检员: 年月日以下内容由施工队质检员填写,监理现场监督检查签证:压接管位置相别线别最大外径压最小前内径钢值长度管最大压对边距后最小值长度压接管清洗是否干净外观检查是否涂导电层是否清除表面氧化膜压后值是否符合钢管规程公式值压接人钢印号压接人签名备注:1、外观检查包括弯曲、扭曲、砂眼、裂纹、伤痕等;2、压后尺寸应符合SDJ226-87《架空送电线路导线及避雷线液压施工工艺规程》(试行)规程中的有关规定,计算公式为:S,0.866×0.993D+0.2(mm)。
监理意见:监理工程师: 年月日灌注桩(挖孔桩)基础隐蔽工程签证单工程名称:500kV石牌-车坊开断环入苏州东输电线路工程监隐签: 致: 江苏省宏源电力建设监理有限公司500kV石车线开断环入苏州东项目监理部:标段号铁塔基础施工准备工作已完成,原材料经自检合格,请现场监督检查。
接地线埋设隐蔽工程签证记录表
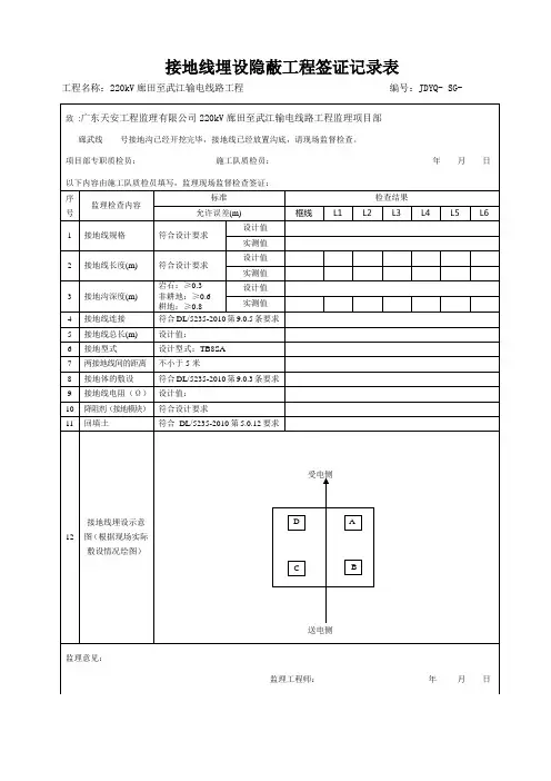
工程名称:220kV廊田至武江输电线路工程编号:JDYQ- SG-
填写说明:
1、工程名称:220kV廊田至武江输电线路工程
2、表格编号:详见《隐蔽工程编号统一说明》;
3、监理部:需填写监理项目部全称(如:广东天安工程监理有限公司220kV
廊田至武江输电线路工程监理项目部
4、日期:上面栏填写施工单位申请检查日期,下面栏填写监理同意隐蔽日期;
5、装订线要求保证左边30mm;右边没有明确要求;个别栏内如字节过多,
允许调整字体大小、栏目大小及行宽;
6、表头字体为小二号宋体加粗;表格内容字体为仿宋体;字体大小根据表格
调整;
7、不填的空白栏打/;
8、接地草图根据现场实际埋设情况画,建议电脑画图。
9、监理意见栏:符合要求,同意隐蔽(手写)。
10、要求本隐签记录最终形成手写原始版记录1套,由施工单位保存备查,
打印版记录根据归档需要做若干套。
隐蔽工程(基础浇前、支模)签证记录表填写说明1、签证记录表中填写的桩号应与杆塔明细表中的杆塔桩号一致。
例如:T1、N12等。
2、“基础型”若同一基基础四个腿基础型相同,则填写统一的基础型,反之,如四个腿基础型不一样,应按照设计分别填写A、B、C、D基础型。
如:A:Xk-Z1200L12 B: Xk-Z1200L07 C:Xk-Z1200L02 D: Xk-Z1200L07。
3、日期应填写完整。
例如:2007年6月19日4、“坑深尺寸”栏:标准栏、检查结果栏分别填写不含垫层的基础埋深设计值、实测值。
5、“钢筋保护层厚度”栏:检查结果栏填写偏差值,如:-2,+3等,保留正、负号。
6、“模板支撑质量”栏:检查结果栏填写牢固可靠。
7、“坑口、坑底清理”栏:检查结果栏填写符合要求。
8、“坑中心根开、对角线尺寸”栏:对于平腿基础:设计值栏,填写设计根开值,如:AB: 10244 BC: 10244。
检查结果栏填写实测值。
对于高低腿基础:设计值栏,填写两水平半根开值,如:AB:5006+6005 BC: 6005+5006。
检查结果按照设计值栏填写实测值。
9、监理意见栏:必须手签,填写“合格,同意浇制”。
记录表签字栏,签字人必须亲笔签名,不可用私章代替。
隐蔽工程(基础浇制)签证记录表填写说明1、签证记录表中填写的桩号应与杆塔明细表中的杆塔桩号一致。
例如:T1、N12等。
2、“基础型号”若同一基基础四个腿基础型相同,则填写统一的基础型,反之,如四个腿基础型不一样,应按照设计分别填写A、B、C、D基础型。
如:A:Xk-Z1200L12 B: Xk-Z1200L07 C:Xk-Z1200L02D: Xk-Z1200L07。
3、日期应填写完整。
例如:2007年6月19日4、“砼配合比”栏:标准栏、检查结果栏分别填写水泥、砂、石、水配合比值、实测值。
5、“坍落度”栏:标准栏、检查结果栏分别填写配合比值、实测值。
6、“搅拌、振捣方式”栏:检查结果栏填写机拌、机捣。
隐蔽工程签证记录表(doc 43页)隐蔽工程(接地线埋设)签证记录表工程名称:山东华电高唐15MWp集约化生态农业光伏并网发电项目隐蔽工程(接地线埋设)签证记录表发电项目隐蔽工程(接地线埋设)签证记录表发电项目隐蔽工程(接地线埋设)签证记录表发电项目隐蔽工程(接地线埋设)签证记录表发电项目隐蔽工程(接地线埋设)签证记录表发电项目隐蔽工程(接地线埋设)签证记录表发电项目隐蔽工程(接地线埋设)签证记录表发电项目隐蔽工程(接地线埋设)签证记录表发电项目隐蔽工程(接地线埋设)签证记录表发电项目隐蔽工程(接地线埋设)签证记录表发电项目隐蔽工程(接地线埋设)签证记录表发电项目隐蔽工程(接地线埋设)签证记录表发电项目隐蔽工程(接地线埋设)签证记录表发电项目隐蔽工程(接地线埋设)签证记录表发电项目隐蔽工程(接地线埋设)签证记录表发电项目隐蔽工程(接地线埋设)签证记录表发电项目隐蔽工程(接地线埋设)签证记录表发电项目隐蔽工程(接地线埋设)签证记录表发电项目隐蔽工程(接地线埋设)签证记录表发电项目隐蔽工程(接地线埋设)签证记录表发电项目隐蔽工程(接地线埋设)签证记录表发电项目隐蔽工程(接地线埋设)签证记录表发电项目隐蔽工程(接地线埋设)签证记录表发电项目隐蔽工程(接地线埋设)签证记录表发电项目隐蔽工程(接地线埋设)签证记录表发电项目隐蔽工程(接地线埋设)签证记录表发电项目隐蔽工程(接地线埋设)签证记录表发电项目隐蔽工程(接地线埋设)签证记录表发电项目隐蔽工程(接地线埋设)签证记录表发电项目隐蔽工程(接地线埋设)签证记录表发电项目隐蔽工程(接地线埋设)签证记录表发电项目隐蔽工程(接地线埋设)签证记录表发电项目隐蔽工程(接地线埋设)签证记录表发电项目隐蔽工程(接地线埋设)签证记录表发电项目隐蔽工程(接地线埋设)签证记录表发电项目隐蔽工程(接地线埋设)签证记录表发电项目隐蔽工程(接地线埋设)签证记录表发电项目隐蔽工程(接地线埋设)签证记录表发电项目隐蔽工程(接地线埋设)签证记录表发电项目隐蔽工程(接地线埋设)签证记录表发电项目隐蔽工程(接地线埋设)签证记录表发电项目。
隐蔽工程(导线液压)签证记录表工程名称:浮山高村—文昌110kV双回送电线路工程1下40.1440.1040014.1814.149034.4234.3841912.2612.24103无弯曲裂纹杨北拽02合格注1:d1、d2分别为压前钢管和铝管外径;注2:外观检查包括管弯曲、裂纹等项目;注3:压后管推荐值:钢管为12.52mm;铝管为34.59mm。
隐蔽工程(导线液压)签证记录表工程名称:浮山高村—文昌110kV双回送电线路工程耐张段桩号6号至8号耐张段塔号6号至8号导地线规格JL/G1A-300/25施工日期2013年6月6日桩号送侧或受侧相别线别压前铝管mm压前钢管mm压后铝管mm压后钢管mm外观检查压接人钢印代号评级外径d2需压长度外径d1需压长度对边距压接长度对边距压接长度最大最小最大最小最大最小最大最小23注1:d1、d2分别为压前钢管和铝管外径;注2:外观检查包括管弯曲、裂纹等项目;注3:压后管推荐值:钢管为12.52mm;铝管为34.59mm。
隐蔽工程(导线液压)签证记录表工程名称:浮山高村—文昌110kV双回送电线路工程耐张段桩号2号至6号耐张段塔号2号至6号导地线规格JL/G1A-300/25施工日期2013年7月8日桩号送侧或受侧相别线别压前铝管mm压前钢管mm压后铝管mm压后钢管mm外观检查压接人钢印代号评级外径d2需压长度外径d1需压长度对边距压接长度对边距压接长度最大最小最大最小最大最小最大最小2#送侧左上40.1240.1040014.1414.129034.4834.3642212.2412.22103无弯曲裂纹杨北拽02合格4中40.1240.1040014.1214.109034.4634.4441912.2212.20104无弯曲裂纹杨北拽02合格下40.1440.1240014.1414.129034.4834.4642112.2812.26102无弯曲裂纹杨北拽02合格右上40.1440.1240014.1614.149034.4434.3242312.2612.24105无弯曲裂纹杨北拽02合格中40.1240.1040014.1414.129034.4234.3642412.2412.22103无弯曲裂纹杨北拽02合格下40.1240.0840014.1214.109034.4434.4042612.2612.24103无弯曲裂纹杨北拽02合格6#受侧左上40.1440.1240014.1414.129034.4834.3642212.2412.22102无弯曲裂纹杨北拽02合格中40.1240.1040014.1214.109034.4634.4441912.2212.20105无弯曲裂纹杨北拽02合格下40.1440.1240014.1414.129034.4834.4642112.2812.26102无弯曲裂纹杨北拽02合格右上40.1440.1240014.1614.149034.4434.3242312.2612.24105无弯曲裂纹杨北拽02合格中40.1440.1240014.1414.129034.4234.3642412.2412.22103无弯曲裂纹杨北拽02合格下40.1040.0840014.1214.109034.4434.4042612.2612.24103无弯曲裂纹杨北拽02合格注1:d1、d2分别为压前钢管和铝管外径;注2:外观检查包括管弯曲、裂纹等项目;注3:压后管推荐值:钢管为12.52mm;铝管为34.59mm。
隐蔽工程接地线埋设签证记录表工程名称:永南永丰110kV线路改造工程
隐蔽工程接地线埋设签证记录表工程名称:永南永丰110kV线路改造工程
隐蔽工程接地线埋设签证记录表工程名称:永南永丰110kV线路改造工程
隐蔽工程接地线埋设签证记录表工程名称:永南永丰110kV线路改造工程
隐蔽工程接地线埋设签证记录表工程名称:永南永丰110kV线路改造工程
隐蔽工程接地线埋设签证记录表工程名称:永南永丰110kV线路改造工程
隐蔽工程接地线埋设签证记录表工程名称:永南永丰110kV线路改造工程
隐蔽工程接地线埋设签证记录表工程名称:永南永丰110kV线路改造工程
隐蔽工程接地线埋设签证记录表工程名称:永南永丰110kV线路改造工程
隐蔽工程接地线埋设签证记录表工程名称:永南永丰110kV线路改造工程
隐蔽工程接地线埋设签证记录表工程名称:永南永丰110kV线路改造工程
隐蔽工程接地线埋设签证记录表工程名称:永南永丰110kV线路改造工程
隐蔽工程接地线埋设签证记录表工程名称:永南永丰110kV线路改造工程
隐蔽工程接地线埋设签证记录表工程名称:永南永丰110kV线路改造工程。
隐蔽工程(地线耐张液压)签证记录表
工程名称:健康谷220kV谭寿一二线,谭五三线3条输电线路迁改工程
四川电力工程建设监理有限责任公司健康谷220kV谭寿一、二线,谭五三线3条输电线路迁改工程监理部:
第标段,耐张段桩号,塔号,压接管型号NY-120BG-40,压接准备工作就绪,请现场监督检查。
项目部专职质检员:施工队质检员:年月日
以下内容由项目部质检员填写,监理工程师现场检查签证:
送/受侧送侧受侧
相别左右
线别 1 2 1 2
钢管压前值
外径
最大
最小
内径
长度
压后值
对边距
最大
最小
长度
铝管
压前值
外径
最大
最小
内径
长度
压后值
对边距
长度压接管清洗是否干净
外观检查
是否涂导电脂
是否清除表面氧化膜
压后值是否符合
规程公式值
铝管
钢管
钢印号
压接人签名
备注:1、外观检查包括弯曲、扭曲、砂眼、裂纹、伤痕等;
2、压后尺寸应符合DL/T5285-2013《输变电工程架空导线及地线液压压接工艺规程》中的有关规定,计算公式为:S=0.866×0.993D+0.2(mm)。
监理意见:
监理工程师:年月日。
基础钢筋焊接隐蔽签证单(一)桩号塔型基础型式基础图号:A: B:C: D:检查日期A: B:C: D:序号检查项目设计值检查结果A B C D A B C D1 立柱主筋3 立柱内箍筋4 立柱外箍筋5 架力筋6 底板上层主筋7 底板下层主筋线路方向B面A面C面现场实际使用焊接头的数量及位置:A腿焊接头数量:编号为:以简图叙述或文字叙述B腿焊接头数量:编号为:以简图叙述或文字叙述C腿焊接头数量:编号为:以简图叙述或文字叙述起点D面钢筋排列图(按顺时针方向依次为1、2…n)D腿焊接头数量:编号为:以简图叙述或文字叙述质量检查员:年月日A腿监理意见:监理工程师:年月日B腿监理意见:监理工程师:年月日C腿监理意见:监理工程师:年月日D腿监理意见:监理工程师:年月日此表施工项目部填写,现场监理检查确认。
基础钢筋焊接隐蔽签证单(二)桩号塔型基础型式基础图号:A:B:C: D:检查日期A:B:C: D:序号检查项目设计值检查结果A B C D A B C D1 主筋2 内箍筋3 外箍筋线路方向起点(1)钢筋排列图(按顺时针方向依次为1、2…n) 现场实际使用焊接头的数量及位置:A腿焊接头数量:编号为:以简图叙述或文字叙述B腿焊接头数量:编号为:以简图叙述或文字叙述C腿焊接头数量:编号为:以简图叙述或文字叙述D腿焊接头数量:编号为:以简图叙述或文字叙述质量检查员:年月日B C A D此表施工项目部填写,现场监理检查确认。
隐蔽工程(基础浇前、支模)签证记录表工程名称:110kV洛塘变电站送电线路工程此表施工项目部填写,现场监理检查确认。
隐蔽工程(基础浇制)签证记录表此表施工项目部填写,现场监理检查确认。
掏挖式铁塔基础检查记录工程名称:110kV洛塘变电站送电线路工程专业监理工程师:监理员:灌注桩基础检查记录专业监理工程师:监理员:隐蔽工程(基础拆模)签证记录表基础防腐施工记录此表施工项目部填写,现场监理检查确认。
输电线路基础隐蔽工程签证单工程名称:东鸣220kV 站至35kV 岚水站35kV 输电线路工程施工桩号: J1 7734-12检查结果检查项目A B C D地基情况符合设计要求( √)基础坑深或3600mm成孔尺寸检查时间地脚螺栓规M42 16*1410M42 16*1410M42 16*1410M42 16*1410格数量主筋规格数Φ 25Φ25Φ25Φ 25量钢筋绑扎符合设计要求( √ )符合设计要求(√ )符合设计要求(√ )符合设计要求( √ )保护层厚度45mm45mm45mm45mm砼配合比符合设计要求(√)符合设计要( √ )符合设计要求( √ )符合设计要( √ )底座断面尺3600*36003600*36003600*36003600*3600寸混凝土浇筑符合设计要求( √ )符合设计要求( √ )符合设计要求( √ )符合设计要求( √ )质量检查时间拆模符合设计要求( √ )符合设计要求( √ )符合设计要求(√ )符合设计要求( √)回填符合设计要求( √)符合设计要求( √ )符合设计要求( √ )符合设计要求( √ )检查时间施工负责人: 项目部质检员: 监理签认: 注: 基础坑深、地脚螺栓或主角钢规格数量、保护层厚度、底座断面尺寸应填写实测值,混凝土浇筑质量包括下料、振捣,拆模包括基础表面质量等检查内容,其余各检查项目若符合要求在( )内划√,错则划×。
输电线路基础隐蔽工程签证单工程名称:东鸣220kV 站至35kV 岚水站35kV 输电线路工程施工桩号: J11 774-18检查结果检查项目A B C D地基情况符合设计要求( √)基础坑深或2200成孔尺寸检查时间地脚螺栓规M30 4*1200M30 4*1200M30 4*1200M30 4*1200格数量主筋规格数Φ 18Φ18Φ18Φ 18量钢筋绑扎符合设计要求( √ )符合设计要求(√ )符合设计要求(√ )符合设计要求( √ )保护层厚度45mm45mm45mm45mm砼配合比符合设计要求(√)符合设计要( √ )符合设计要求( √ )符合设计要( √ )底座断面尺寸2200*22002200*22002200*22002200*2200混凝土浇筑符合设计要求( √ )符合设计要求( √ )符合设计要求( √ )符合设计要求( √ )质量检查时间拆模符合设计要求( √ )符合设计要求( √ )符合设计要求(√ )符合设计要求( √)回填符合设计要求( √)符合设计要求( √ )符合设计要求( √ )符合设计要求( √ )检查时间施工负责人: 项目部质检员: 监理签认: 注: 基础坑深、地脚螺栓或主角钢规格数量、保护层厚度、底座断面尺寸应填写实测值,混凝土浇筑质量包括下料、振要求在( )内划√,错则划×。
输电线路隐蔽工程签证记录表模板一、隐蔽工程签证目的隐蔽工程施工质量管理,是工程建设质量管理的一个重要环节,工序施工质量控制是保证整个工程建设质量的重要环节,隐蔽工程质量签证是监理质量控制的重要依据和手段。
鉴于110kV ~750kV 输电线路工程施工及验收规范中,没有对输电线路施工过程中隐蔽工程签证表格做出具体规定,借鉴以往工程管理经验,现对输电线路工程隐蔽工程签证记录表进行统一规范。
在对隐蔽工程签证时,要求施工项目部填写一式两份,及时由各方签证人员签字完善,并交一份监理项目部留存,作为监理对隐蔽工程质量管理的依据。
二、隐蔽工程签证清单输电线路隐蔽工程签证记录表共计26份,具体如下:1、各种基础型式地基验槽9份(普通基础;承台基础;岩石嵌固、掏挖基础;人工挖孔基础;单腿多孔基础;钢管杆基础;锚杆基础;灌注桩成孔;挡土墙)。
2、各种基础浇前、支模6份(板式基础;锚杆基础;钢管杆基础;岩石掏挖基础;人工挖孔基础;承台、连梁基础)。
3、各种基础浇制6份(板式基础;钢管杆基础;岩石掏挖基础;人工挖孔基础;单腿多孔;灌注桩基础)。
4、各种基础拆模1份。
5、各种接地装置埋设2份(水平接地埋设;垂直接地埋设)。
6、各种压接管压接2份(接续管压接、耐张管压接)。
1.隐蔽工程(普通基础地基验槽)签证记录表填写说明1.工程名称应与建设单位要求的工程名称一致。
2.监理项目部应写全称并与公章对应。
3.施工桩号应与杆塔明细表中杆塔桩号一致;如:G1、T1等。
4.基础型式若同一基四个腿基础相同,则填写统一的基础型号,反之,如四个腿基础不一样,应按照设计分别填写A、B、C、D腿基础型式;如:A:DB3645 B:DB3242 C:DB4257 D:DB3645。
5.设计变更如有应填写设计变更图号;没有则填“无”。
6.日期应填写完整;如xxxx年xx月xx日。
7.坑底地质栏:检查结果栏分别填写设计地质和实际地质。
8. 地基承载力栏:如设计图纸要求,应在检查结果栏分别填写设计值和试验值;如设计图纸未要求填写“/”。
输电线路隐蔽工程签证记录表模板一、隐蔽工程签证目的隐蔽工程施工质量管理,是工程建设质量管理的一个重要环节,工序施工质量控制是保证整个工程建设质量的重要环节,隐蔽工程质量签证是监理质量控制的重要依据和手段。
鉴于110kV ~750kV 输电线路工程施工及验收规范中,没有对输电线路施工过程中隐蔽工程签证表格做出具体规定,借鉴以往工程管理经验,现对输电线路工程隐蔽工程签证记录表进行统一规范。
在对隐蔽工程签证时,要求施工项目部填写一式两份,及时由各方签证人员签字完善,并交一份监理项目部留存,作为监理对隐蔽工程质量管理的依据。
二、隐蔽工程签证清单输电线路隐蔽工程签证记录表共计26份,具体如下:1、各种基础型式地基验槽9份(普通基础;承台基础;岩石嵌固、掏挖基础;人工挖孔基础;单腿多孔基础;钢管杆基础;锚杆基础;灌注桩成孔;挡土墙)。
2、各种基础浇前、支模6份(板式基础;锚杆基础;钢管杆基础;岩石掏挖基础;人工挖孔基础;承台、连梁基础)。
3、各种基础浇制6份(板式基础;钢管杆基础;岩石掏挖基础;人工挖孔基础;单腿多孔;灌注桩基础)。
4、各种基础拆模1份。
5、各种接地装置埋设2份(水平接地埋设;垂直接地埋设)。
6、各种压接管压接2份(接续管压接、耐张管压接)。
1.隐蔽工程(普通基础地基验槽)签证记录表填写说明1.工程名称应与建设单位要求的工程名称一致。
2.监理项目部应写全称并与公章对应。
3.施工桩号应与杆塔明细表中杆塔桩号一致;如: G1、T1等。
4.基础型式若同一基四个腿基础相同,则填写统一的基础型号,反之,如四个腿基础不一样,应按照设计分别填写A、B、C、D腿基础型式;如:A:DB3645 B:DB3242 C:DB4257 D:DB3645。
5.设计变更如有应填写设计变更图号;没有则填“无”。
6.日期应填写完整;如xxxx年xx月xx日。
7.坑底地质栏:检查结果栏分别填写设计地质和实际地质。
8. 地基承载力栏:如设计图纸要求,应在检查结果栏分别填写设计值和试验值;如设计图纸未要求填写“/”。
9.基础坑深栏:检查结果栏分别填写设计值和实测值。
10.坑口尺寸栏:根据设计图纸要求,确定放坡系数;在检查结果栏分别填写设计值和实测值。
如6500×650011.坑底板尺寸栏:在检查结果栏分别填写设计值和实测值。
如3500×350012.设计单位意见栏:填写“现场地质或地基承载力符合设计图纸要求”。
13.监理意见栏:填写“符合设计图纸及规范要求,同意进入下道工序”。
14.运行单位意见栏:填写“符合设计图纸要求”。
15.记录表签字栏,签字人必须亲笔签名(字迹正楷),不可用私章代替。
16.施工、设计、监理按单腿检查时间填写。
2.隐蔽工程(承台地基验槽)签证记录表填写说明1.工程名称应与建设单位要求的工程名称一致。
2.监理项目部应写全称并与公章对应。
3.施工桩号应与杆塔明细表中杆塔桩号一致;如: G1、T1等。
4.基础型式与设计图纸一致。
5.设计变更如有应填写设计变更图号;没有则填“无”。
6.日期应填写完整;如xxxx年xx月xx日。
7.坑底地质栏:检查结果栏分别填写设计地质和实际地质。
8.基础坑深栏:检查结果栏分别填写设计值和实测值。
9.坑口尺寸栏:根据设计图纸要求,确定放坡系数;在检查结果栏分别填写设计值和实测值。
如6500×650010.坑底板尺寸栏:在检查结果栏分别填写设计值和实测值。
如3500×350011.设计单位意见栏:填写“现场地质符合设计图纸要求”。
12.监理意见栏:填写“符合设计图纸及规范要求,同意进入下道工序”。
13.运行单位意见栏:填写“符合设计图纸要求”。
14.记录表签字栏,签字人必须亲笔签名(字迹正楷),不可用私章代替。
15.施工、设计、监理按单腿检查时间填写。
3.隐蔽工程(岩石嵌固、掏挖基础地基验槽)签证记录表填写说明1.工程名称应与建设单位要求的工程名称一致。
2.监理项目部应写全称并与公章对应。
3.施工桩号应与杆塔明细表中杆塔桩号一致;如: G1、T1等。
4.基础型式若同一基四个腿基础相同,则填写统一的基础型号,反之,如四个腿基础不一样,应按照设计分别填写A、B、C、D腿基础型式;如:A:TW3262 B:TW2860 C:TW2660 D:TW3265。
5.设计变更如有应填写设计变更图号;没有则填“无”。
6.日期应填写完整;如xxxx年xx月xx日。
7.土质、岩石性能栏:检查结果栏分别填写设计地质和实际地质。
8.基础埋深栏:检查结果栏分别填写设计值和实测值(注最小埋深起算点)。
9.坑口直径栏:在检查结果栏分别填写设计值和实测值。
如ф140010.扩孔直径×扩孔高度栏:在检查结果栏分别填写设计值和实测值。
如ф2000×1200×30011.平基栏:在检查结果栏中设计值填写“/”,实测值填写“长度×宽度×高度”。
如3000×3000×90012.护壁栏:在检查结果栏中设计值填写“/”,实测值填写“厚度×高度”。
如◎150×300013.设计单位意见栏:填写“现场地质或嵌岩深度符合设计图纸要求”。
14.监理意见栏:填写“符合设计图纸及规范要求,同意进入下道工序”。
15.运行单位意见栏:填写“符合设计图纸要求”。
16.记录表签字栏,签字人必须亲笔签名(字迹正楷),不可用私章代替。
17.施工、监理按单腿检查时间填写。
4.隐蔽工程(人工挖孔基础地基验槽)签证记录表填写说明1.工程名称应与建设单位要求的工程名称一致。
2.监理项目部应写全称并与公章对应。
3.施工桩号应与杆塔明细表中杆塔桩号一致;如: G1、T1等。
4.基础型式若同一基四个腿基础相同,则填写统一的基础型号,反之,如四个腿基础不一样,应按照设计分别填写A、B、C、D腿基础型式;如:A:WKZ16110 B:WKZ14100 C:WKZ16105 D:WKZ1290。
5.设计变更如有应填写设计变更图号;没有则填“无”。
6.日期应填写完整;如xxxx年xx月xx日。
7.土质、岩石性能栏:检查结果栏分别按分层填写设计地质和实际地质。
如0-0.5米黏土,0.5-3米强风化泥岩,3米以下中风化泥岩。
8.基础埋深栏:检查结果栏分别填写设计值和实测值(注最小埋深起算点)。
9.坑口直径栏:在检查结果栏分别填写设计值和实测值。
如ф140010.坑底直径×扩孔高度栏:在检查结果栏分别填写设计值和实测值(如ф2000×1200);如无扩孔则填桩径。
11.平基栏:在检查结果栏中设计值填写“/”,实测值填写“长度×宽度×高度”。
如3000×3000×90012.护壁栏:在检查结果栏中设计值填写“/”,实测值填写“厚度×高度”。
如◎150×300013.设计单位意见栏:填写“现场地质或嵌岩深度符合设计图纸要求”。
14.监理意见栏:填写“符合设计图纸及规范要求,同意进入下道工序”。
15.运行单位意见栏:填写“符合设计图纸要求”。
16.记录表签字栏,签字人必须亲笔签名(字迹正楷),不可用私章代替。
17.施工、监理按单腿检查时间填写。
5.隐蔽工程(单腿多孔基础地基验槽)签证记录表填写说明1.工程名称应与建设单位要求的工程名称一致。
2.监理项目部应写全称并与公章对应。
3.施工桩号应与杆塔明细表中杆塔桩号一致;如: G1、T1等。
4.基础型式为验收基础腿基础型式。
5.设计变更如有应填写设计变更图号;没有则填“无”。
6.日期应填写完整;如xxxx年xx月xx日。
7.土质、岩石性能栏:检查结果栏分别按分层填写设计地质和实际地质。
如0-0.5米黏土,0.5-3米强风化泥岩,3米以下中风化泥岩。
8.基础埋深栏:检查结果栏分别填写设计值和实测值。
9.坑口直径栏:在检查结果栏分别填写设计值和实测值。
如ф140010.坑底直径栏:在检查结果栏分别填写设计值和实测值。
如ф200011.护壁栏:在检查结果栏中设计值填写“/”,实测值填写“厚度×高度”。
如◎150×300012.设计单位意见栏:填写“现场地质符合设计图纸要求”。
13.监理意见栏:填写“符合设计图纸及规范要求,同意进入下道工序”。
14.运行单位意见栏:填写“符合设计图纸要求”。
15.记录表签字栏,签字人必须亲笔签名(字迹正楷),不可用私章代替。
16.施工、监理按单孔检查时间填写。
6.隐蔽工程(钢管杆基础地基验槽)签证记录表填写说明1.工程名称应与建设单位要求的工程名称一致。
2.监理项目部应写全称并与公章对应。
3.施工桩号应与杆塔明细表中杆塔桩号一致;如: G1、T1等。
4.基础型式按与设计图纸一致。
5.设计变更如有应填写设计变更图号;没有则填“无”。
6.日期应填写完整;如xxxx年xx月xx日。
7.土质、岩石性能栏:检查结果栏分别按分层填写设计地质和实际地质。
如0-0.5米黏土,0.5-3米强风化泥岩,3米以下中风化泥岩。
8.基础埋深栏:检查结果栏分别填写设计值和实测值(注最小埋深起算点)。
9.坑口直径栏:在检查结果栏分别填写设计值和实测值。
如ф140010.坑底直径×扩孔高度栏:在检查结果栏分别填写设计值和实测值(如ф2000×1200);如无扩孔则填桩径。
11.平基栏:在检查结果栏中设计值填写“/”,实测值填写“长度×宽度×高度”。
如3000×3000×90012.护壁栏:在检查结果栏中设计值填写“/”,实测值填写“厚度×高度”。
如◎150×300013.设计单位意见栏:填写“现场地质符合设计图纸要求”。
14.监理意见栏:填写“符合设计图纸及规范要求,同意进入下道工序”。
15.运行单位意见栏:填写“符合设计图纸要求”。
16.记录表签字栏,签字人必须亲笔签名(字迹正楷),不可用私章代替。
7.隐蔽工程(锚杆基础地基验槽)签证记录表填写说明1.工程名称应与建设单位要求的工程名称一致。
2.监理项目部应写全称并与公章对应。
3.施工桩号应与杆塔明细表中杆塔桩号一致;如: G1、T1等。
4.基础型式分别按单腿填写;如:A:MG3542。
5.设计变更如有应填写设计变更图号;没有则填“无”。
6.日期应填写完整;如xxxx年xx月xx日。
7.腿别栏:按现场实际基础腿填写。
8.岩石性能栏:检查结果栏分别按分层填写设计地质和实际地质。
如2米强风化泥岩,2米以下中风化泥岩。
(注:要求钻孔时取出的岩石按顺序摆放在现场,分别标记单孔号)9.锚孔深度以现场检查最短孔为准按实填写。
如6000mm10.锚孔数量按实填写。