两台电动机顺序控制的PLC系统 精品
- 格式:doc
- 大小:164.22 KB
- 文档页数:12
拓展训练项目3 两台电动机顺起同停系统设计班级:姓名:
一、训练时间:120分钟
二、拓展训练任务:两台电动机顺序起动,同时停止系统设计
系统控制要求如下:
(1)按下起动按钮SB1,电动机M1起动,20s后,电动机M2起动。
(2)按下停止按钮SB2,两台电动机均停止运转。
(3)具有必要的短路和过载保护。
三、训练要求
(1)电路设计:根据任务,设计主电路和控制电路电路图,列出PLC控制I/O口(输入/输出)元件地址分配表;根据加工工艺,设计梯形图及PLC控制I/O口(输入/输出)按线图;根据梯形图,列出指令表。
(2)安装与接线:
①将熔断器、低压断路器、模拟板、按钮开关、接线端子排等元件装在配线板上。
②按PLC控制I/O口(输入/输出)按线图在模拟配线板上正确安装,元件在配线上布置要合
理,安装要准确、牢固。
(3)PLC键盘操作:将程序输入PLC可编程序控制器(或在计算机上进行动态仿真)。
(4)模拟调试,要达到设计要求。
(5)注意要正确使用工具和设备。
(6)写出安装调试(总结)报告
四、否定项说明:
违反安全、文明生产规定一项从总分中扣2分,发生重大事故者取消考核资格。
五、分配I/O点请根据输入/输出设,分配I/O点。
输入/输出设备及I/O点分配表
班级:姓名:六、系统电路图请设计出系统电路图。
七、系统梯形图请设计出系统梯形图。
八、质量评价表。
《两台电动机的PLC顺序启动控制》信息化教学设计作者:雷红华来源:《教育教学论坛》2017年第37期摘要:基于信息化教学设计的教学可以激发学生的学习热情,活跃课堂氛围,有利于提高学生信息化素养,有助于培养学生分析问题和解决问题的能力。
同时,也提升了教师现代教育技术应用能力和信息化教学水平,促进信息技术与职业教育课程教学深度融合。
关键词:信息化;顺序启动;PLC控制;教学设计中图分类号:G642.0 文献标志码:A 文章编号:1674-9324(2017)37-0219-02一、前言教育部2014年5月再次强调要提高职业教育信息化水平,教育信息化已经成为我国职业教育改革发展的新起点、新要求,是当前高职院校现代化教学的重要组成部分[1]。
信息化教学设计中经常因资源匮乏、信息化基础设施不完备、时间仓促等客观因素,影响着教师的教学设计和实施[2],导致部分教师拘泥于传统模式,而忽略了学生学习的主体地位。
多年教学应用证明,基于信息化教学设计的教学可以激发学生的学习热情,活跃课堂氛围,有利于提高学生信息化素养,有助于培养学生分析问题和解决问题的能力[3]。
同时,也提升了教师现代教育技术应用能力和信息化教学水平,促进信息技术与职业教育课程教学深度融合。
二、PLC控制内容选取根据《PLC工业控制课程标准》选取“项目一电动机控制的分拣传送控制系统”中的“任务4 电动机的顺序启动控制”,前三个任务(电动机的直接启动控制、正反转控制、两地控制)利用基本逻辑指令完成了控制编程,本次任务4使用定时器指令完成。
三、任务实施思路由手动按钮控制电动机顺序启动,引导到定时器延时自动控制电动机顺序启动;由讲授练习(两台电机顺序启动,同时停止)到举一反三(两台电机顺序启动,逆序停止),最后拓展训练(三台电机顺序启动,逆序停止),整个过程由易到难,逐步深入,增强难度,达到逐步提升的效果。
学生借助于手机APP、教材、实训指导手册、教学活动设计、课件、多媒体动画等多种手段完成本课题任务,教师全程参与并做相关的示范,引导启发学生尽可能独立自主地完成该任务。
目录摘要 (3)第一章绪论 (4)第二章课程设计的原理及选用器材的介绍 (5)2。
1电动机的顺序启动/停止控制电路 (5)2。
2电动机的选型 (6)2。
3两台电动机顺序控制PLC方案的选择 (7)2。
4熔断器的原理 (7)2。
5继电器 (8)2.6常开常闭开关器的选择 (10)第三章工作原理 (11)3。
1两台电动机的顺序启动/停止控制电路如下: (11)3.2工作过程: (12)3.3PLC控制两台电动机的顺序启动/停止 (13)第四章软件仿真 (14)基于GX-DEVELOPER和GX S IMULATOR6—C的仿真图 (15)课程设计的体会 (16)参考文献 (18)摘要本文介绍了基于电力拖动的2台电动机的顺序启动停止的设计方案。
我们运用其原理的思路是:用两套异步电机M1和M2,顺序启动、停止控制电路是在一个设备启动之后另一个设备才能启动运行的一种控制方法,常用于主、辅设备之间的控制,我们使用了时间继电器,当按下SB1时,电动机M1会立即启动,而M2会延迟几秒启动.当按下SB2时。
电动机M1会停止,而M2会延迟几秒钟停止。
同时我们还采用PLC进行控制。
本设计两台电动机的顺序启动/停止可以运用到生活的各个方面这也充分体现了PLC在当今社会对生活的重要之处.本设计在顺序控制的基础上采用PLC对电动机的控制通过合理的选择和设计提高了电动机的控制水平使电动机达到了较为理想的控制效果。
根据顺序功能图的设计法联系到现实做出了本设计两台电动机顺序启动/停止控制的PLC系统设计。
关键词:继电器、PLC控制第一章绪论与单相异步电动机相比,三相异步电动机运行性能好,并可节省各种材料。
按转子结构的不同,三相异步电动机可分为笼式和绕线式两种。
笼式转子的异步电动机结构简单、运行可靠、重量轻、价格便宜,得到了广泛的应用,其主要缺点是调速困难。
绕线式三相异步电动机的转子和定子一样也设置了三相绕组并通过滑环、电刷与外部变阻器连接。
毕业论文(设计)2010-2011学年度机电工程系系机电一体化专业班级班学号课题名称两台电动机顺序控制的PLC系统学生姓名指导教师20010年12月2日目录课题、摘要、关键词---------------------------------------- 3 1. 电动机的选择、维护及常见故障---------------------------------- 3 1.1电动机的选型------------------------------------------------- 3 1.2电动机的维护------------------------------------------------ 41.3 电动机常见故障---------------------------------------------- 42.PL C特点------------------------------------------------------- 43. 两台电动机顺序控制PLC方案的选择-------------------------------- 64. 两台电动机顺序控制的运行原理、参考程序及梯形图指令表-------------- 7 4.1两台电动机顺序控制的运行原理------------------------------- 7 4.2两台电动机顺序控制的电路图----------------------------------- 74.3两台电动机顺序控制的梯形图-------------------------------- 7 4.4两台电动机顺序控制的梯形图指令表程序------------------------- 84.5两台电动机顺序控制的梯形图指令表---------------------------- 9 4.6两台电动机顺序控制的参考------------------------------------9 小结----------------------------------------------------------10 参考文献-------------------------------------------------------10 致谢----------------------------------------------------------12两台电动机顺序控制的PLC系统作者:【摘要】本设计是根据顺序控制设计法对电动机进行顺序循环控制。
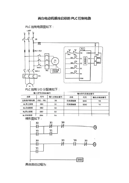
两台电动机顺序启停的PLC控制电路PLC控制电路图如下:
PLC控制l/O分配表如下:
梯形图如下:
具体启动过程为:
当按下电动机M1启动按钮sB2时,其将pLc内的×2置1,即该触点接通,使得输出继电器Y0得电,控制pLc外接交流接触器线圈KM1得电。
Y0得电,其常开触Y0(KM1-1)闭合自锁,控制Y1线路的常开触点Y0(KM1-3)接通,
为Y1得电,即KM2得电,为电动机M2启动做好准备,也用于防止接触器KM2线圈先得电,使
电动机M2先运转,起顺序启动的作用。
KM1线圈得电,主电路中的主触点KM1-2闭合,接通电动机M1电源,电动机M1启动运转。
当按下电动机M2启动按钮sB4时,其将pLc内的×4置1,即该触点接通,使得Y1得电,控制PLC外接交流接触器线圈KM2得电。
Y1得电,其常开触点Y1(KM2-1)闭合自锁,Y0线路上的常开触点Y1(KM2-3)闭合,
锁定×1,即锁定停机按SB1,用于防止当启动电动机M2时,按下电动机M1的停止按钮SB1,
而关断电动机M1,起反顺序停机的作用。
KM2线圈得电,主电路中的常开主触点KM2-2闭合,接通电动机M2电源,电动机M2启动运转。
停止过程如下:
当按下电动机M2停止按钮SB3时,其将PLC内的×3置0,即该触点断开,使得Y1失电,PLC外接交流接触器线圈KM2失电,主电路中的常开主触点KM1-2复位断开,切断电动机
M2电源,电动机M2停止运转。
当电动机M2停止运转后,按下电动机M1停止按钮SB1时,其将pLc内的×1置0,即该触点断开,Y0失电,实现电动机M1的停转。
目录摘要 (3)第一章绪论 (4)第二章课程设计的原理及选用器材的介绍 (5)2.1电动机的顺序启动/停止控制电路 (5)2.2电动机的选型 (6)2.3两台电动机顺序控制PLC方案的选择 (7)2.4熔断器的原理 (7)2.5继电器 (8)2.6常开常闭开关器的选择 (10)第三章工作原理 (12)3.1两台电动机的顺序启动/停止控制电路如下: (12)3.2工作过程: (12)3.3PLC控制两台电动机的顺序启动/停止 (13)第四章软件仿真 (15)基于GX-DEVELOPER和GX S IMULATOR6-C的仿真图 (15)课程设计的体会 (17)参考文献 (18)摘要本文介绍了基于电力拖动的2台电动机的顺序启动停止的设计方案。
我们运用其原理的思路是:用两套异步电机M1和M2,顺序启动、停止控制电路是在一个设备启动之后另一个设备才能启动运行的一种控制方法,常用于主、辅设备之间的控制,我们使用了时间继电器,当按下SB1时,电动机M1会立即启动,而M2会延迟几秒启动。
当按下SB2时。
电动机M1会停止,而M2会延迟几秒钟停止。
同时我们还采用PLC进行控制。
本设计两台电动机的顺序启动/停止可以运用到生活的各个方面这也充分体现了PLC在当今社会对生活的重要之处。
本设计在顺序控制的基础上采用PLC对电动机的控制通过合理的选择和设计提高了电动机的控制水平使电动机达到了较为理想的控制效果。
根据顺序功能图的设计法联系到现实做出了本设计两台电动机顺序启动/停止控制的PLC系统设计。
关键词:继电器、PLC控制第一章绪论与单相异步电动机相比,三相异步电动机运行性能好,并可节省各种材料。
按转子结构的不同,三相异步电动机可分为笼式和绕线式两种。
笼式转子的异步电动机结构简单、运行可靠、重量轻、价格便宜,得到了广泛的应用,其主要缺点是调速困难。
绕线式三相异步电动机的转子和定子一样也设置了三相绕组并通过滑环、电刷与外部变阻器连接。
基于PLC的两台电动机顺序启动顺序停止控制设计1.引言在工业控制系统中,电动机的顺序启动和顺序停止非常重要。
控制两台电动机的顺序启动和顺序停止可以减少电网的冲击和电动机的损坏,提高电动机系统的可靠性和稳定性。
本文基于PLC(可编程逻辑控制器)设计了一种简单且可靠的两台电动机顺序启动顺序停止控制方案。
2.设计原理2.1电动机的顺序启动电动机的顺序启动是指先启动一个电动机,等待其达到稳定工作状态后再启动另一个电动机。
这是为了避免两个电动机同时启动导致电网电压下降和电动机的旋转矩过大。
常用的顺序启动方法是使用时间继电器或PLC控制两个电动机。
2.2电动机的顺序停止电动机的顺序停止是指先停止一个电动机,等待其停止后再停止另一个电动机。
这是为了防止电动机停止后反向旋转导致设备损坏。
通常使用接触器或PLC实现电动机的顺序停止。
3.方案设计3.1硬件设计本方案使用PLC作为核心控制器,使用接触器作为电动机的主控开关。
具体系统硬件设计如下:-PLC:选择一款适合的PLC,具备足够的输入输出口和对时间的控制功能。
-电动机:选用两台功率相同的电动机,安装适当的行业标准的电气保护装置。
-接触器:使用两个接触器,分别控制两个电动机的启动和停止。
3.2软件设计PLC编程软件常用的有Ladder Diagram(梯形图)和SFC(顺序功能图)等。
本方案使用Ladder Diagram进行编程,具体步骤如下:3.2.1顺序启动-声明两个变量M1和M2,分别代表电动机1和电动机2- 设置一个启动按钮START,当按下启动按钮时,M1置true,电动机1启动。
- 设置一个延时定时器T1,当M1为true时开始计时。
- 当定时器T1达到设定时间后,M2置true,电动机2启动。
-监测电动机1和电动机2的运行状态,当两台电动机均达到稳定状态时,顺序启动完成。
3.2.2顺序停止- 设置一个停止按钮STOP,当按下停止按钮时,M2置false,电动机2停止。
电气工程系毕业设计论文题目:两台电动机顺序起停的PLC控制专业名称:机电设备维修与管理学生姓名:窦兴鹏指导教师:杨聚庆毕业时间: 2011年6月摘要自动化电镀生产线是指按一定电镀工艺要求将有关镀槽、镀件升降装置、镀件传送装置、电气控制装置、检测装置、过滤设备、加热与冷却设备等组合为一体的多功能自动控制装置。
通过电镀,可以在机械制品上获得装饰保护性和各种功能性的表面层,还可以修复磨损和加工失误的工件。
镀层大多是单一金属或合金,如锌、镉、金或黄铜等,也有弥散层和复合层。
电镀生产线采用了直线悬臂式行车,行车架上装有可升降的吊钩,行车和吊钩各用一台电动机控制,同时用变频器对电机平滑调速。
当行车平移时,先快速,接近工件时转为慢速,当吊钩吊起工件时,先慢后快,下降时,先快后慢,提高了定位的准确性和安全性。
在定位轨上依照工件位置安装行程开关,行车的进退和吊钩的升降由行程开关来检测。
其主要原理是应用两台电机顺序启停实现的。
关键词:两台电机顺序启停,可编程控制器,简化结构,降低成本目录1 系统概况................................................................................................................ (4)1.1 可编程序控制器的主要功能及特点 (6)2 西门子S7-200的简介 (15)2.1 S7-200系列PLC概述 (15)2.2 扩展模块 (15)2.3 S7-200的编程元件 (16)2.4 S7-200的数据长度和编址方式 (18)2.5 编程注意事项 (19)2.6 编程技巧 (19)2.7 梯形图设计方法 (21)3 总体设计方案 (25)3.1 控制流程 (25)3.2 系统硬件设计 (25)3.3 PLC的选型 (28)3.4 I/0分配图 (29)3.5 自动操作流程图 (30)3.6 系统软件设计 (30)3.7 梯形图 (31)3.8 工作原理 (32)4 心得体会 (33)5、参考资料 (34)参考文献 (36)第一章系统概况自动化电镀生产线是指按一定电镀工艺要求将有关镀槽、镀件升降装置、镀件传送装置、电气控制装置、检测装置、过滤设备、加热与冷却设备等组合为一体的多功能自动控制装置。
两台电动机顺序控制的PLC系统————————————————————————————————作者:————————————————————————————————日期:毕业论文(设计)2010-2011学年度机电工程系系机电一体化专业班级班学号课题名称两台电动机顺序控制的PLC系统学生姓名指导教师20010年12月2日目录课题、摘要、关键词 ---------------------------------------- 3 1. 电动机的选择、维护及常见故障 ---------------------------------- 3 1.1电动机的选型 ------------------------------------------------- 3 1.2 电动机的维护 ------------------------------------------------ 41.3 电动机常见故障 ---------------------------------------------- 42.PLC特点 ------------------------------------------------------- 43. 两台电动机顺序控制PLC方案的选择 -------------------------------- 64. 两台电动机顺序控制的运行原理、参考程序及梯形图指令表 -------------- 7 4.1两台电动机顺序控制的运行原理 ------------------------------- 7 4.2两台电动机顺序控制的电路图 ----------------------------------- 7 4.3两台电动机顺序控制的梯形图 -------------------------------- 7 4.4两台电动机顺序控制的梯形图指令表程序 ------------------------- 8 4.5两台电动机顺序控制的梯形图指令表 ---------------------------- 9 4.6两台电动机顺序控制的参考 ------------------------------------ 9 小结 ---------------------------------------------------------- 10 参考文献 ------------------------------------------------------- 10 致谢 ---------------------------------------------------------- 12两台电动机顺序控制的PLC系统作者:【摘要】本设计是根据顺序控制设计法对电动机进行顺序循环控制。
PLC课程设计双电机循环控制学校:安庆师范学院院系:物理与电气工程学院专业班级姓名学号:(080311152)指导教师:陈世军实验日期:2014/01/03摘要使用PLC可编程控制器实现对三相异步电机的驱动,可使可靠性高,同时,由于实现了模块化结构,是系统结构十分灵活,而且编程语言简短易学,便于掌握,可以进行在线修改,柔性好,体积小,维修方便。
本设计是利用PLC做两台异步电机循环的控制核心,用按钮开关的通断来实现对两台电机的启停,使两台电机依次循环,当第一台电机启动时,第二台电机停止,经过一定的时间,第一台电机停止,第二台电机启动,依次循环。
直到启动总停止开关,两台电机均停止。
充分发挥PLC的功能,最大限度地满足被控对象的控制要求,是设计PLC控制系统的首要前提,这也是设计最重要的一条原则。
关键词:欧姆龙PLC,三相异步电机,循环控制目录摘要 (2)目录 (3)一、引言 (4)1.1设计背景 (4)1.11三相异步电机的工作原理 (4)1.12PLC简介 (5)1.2设计要求 (7)二、方案论证 (8)2.1方案的选择 (8)2.2方案的论证与分析 (8)三、硬件电路设计 (9)3.1电气主回路图 (9)3.2控制回路图 (10)3.3工作原理 (10)3.4PLC外接线图 (11)四、软件设计 (11)4.1I/O地址分配表 (11)4.2梯形图 (12)4.3指令表 (12)五、总结 (14)六、参考文献 (14)一、引言1.1设计背景1.11三相异步电机的工作原理实现电能与机械能相互转换的电工设备总称为电机。
电机是利用电磁感应原理实现电能与机械能的相互转换。
把机械能转换成电能的设备称为发电机,而把电能转换成机械能的设备叫做电动机。
在生产上主要用的是交流电动机,特别三相异步电动机,因为它具有结构简单、坚固耐用、运行可靠、价格低廉、维护方便等优点。
它被广泛地用来驱动各种金属切削机床、起重机、锻压机、传送带、铸造机械、功率不大的通风机及水泵等。
西门子200SMART控制两台电动机,顺启逆停
有两台电机的顺序启动,逆序停止;具体控制要求如下:
(1)按下启动按钮先启动电机1 ,电机1启动后按下电机2 的启动按钮才能运行电机2
(2)停止时,必须先停电机2 后再按电机1 的停止按钮才能停电机1
(3)两台电机均可点动控制,点动时不能顺序启动
(4)当电机1 故障后立即停止运行,2S后停止电机2
(5)当电机2 故障后,两台电机均要停止
根据控制要求我们针对需要用到的变量进行IO分配
符号名称绝对地址
电机1启动I0.2
电机2启动I0.3
电机1 停止I0.4
电机2 停止I0.5
电机1手动I0.6
电机2手动I0.7
电机1故障I1.0
电机2故障I1.1
电机1运行Q0.1
电机2 运行Q0.3
接下来我们开始编写程序
1、在电机没有故障没有停止的情况下,按下电机1 的启动按钮,电机1运行
2、电机1 启动后,此时按下电机2的启动按钮,电机2 输出运行;
3、如需停止电机1 ,必须先停止电机2 之后,电机1才能停止
4、手动和顺序启动需要互锁,顺序启停没有输出时,可点动对应的电机试机运行
5、当电机1故障后,延时2S停电机2
程序到此编写完成,可根据控制要求下载至实际的PLC进行调试看是否能满足要求。
来源:PLC发烧友,作者:技成-眭相建。
转载请注明出处!留言处大家可以补充文章解释不对或欠缺的部分,这样下一个看到的人会学到更多,你知道的正是大家需要的。
毕业论文(设计)2010-2011学年度机电工程系系机电一体化专业班级班学号课题名称两台电动机顺序控制的PLC系统学生姓名指导教师20010年12月2日目录课题、摘要、关键词 ---------------------------------------- 3 1. 电动机的选择、维护及常见故障 ---------------------------------- 3 1.1电动机的选型 ------------------------------------------------- 3 1.2 电动机的维护 ------------------------------------------------ 41.3 电动机常见故障 ---------------------------------------------- 42.PLC特点 ------------------------------------------------------- 43. 两台电动机顺序控制PLC方案的选择 -------------------------------- 64. 两台电动机顺序控制的运行原理、参考程序及梯形图指令表 -------------- 7 4.1两台电动机顺序控制的运行原理 ------------------------------- 7 4.2两台电动机顺序控制的电路图 ----------------------------------- 7 4.3两台电动机顺序控制的梯形图 -------------------------------- 7 4.4两台电动机顺序控制的梯形图指令表程序 ------------------------- 8 4.5两台电动机顺序控制的梯形图指令表 ---------------------------- 9 4.6两台电动机顺序控制的参考 ------------------------------------ 9 小结 ---------------------------------------------------------- 10 参考文献 ------------------------------------------------------- 10 致谢 ---------------------------------------------------------- 12两台电动机顺序控制的PLC系统作者:【摘要】本设计是根据顺序控制设计法对电动机进行顺序循环控制。
运用三菱FX2N编程软件进行绘图,在第一章介绍了本设计的PLC方案的选择,也对PLC的基本结构做了文字解说和图示。
在第二章,本设计进入正文集中介绍了两台电动机顺序控制的工作原理,并坐出了参考指令和应对后面本设计涉及到的梯形图的指令表。
本设计两台电动机的顺序启动可以运用到生活的各个方面,这也充分体现了PLC在当今社会对生活的重要之处。
本设计在顺序控制的基础上采用PLC对电动机的控制,通过合理的选择和设计,提高了电动机的控制水平,使电动机达到了较为理想的控制效果。
根据顺序功能图的设计法,联系到现实做出了本设计两台电动机顺序控制的PLC系统设计。
本设计两台电动机相互协调运转,M1运转10S停止5S,M2要求与M1相反,M1停止M2运行,M1运行M2停止,如此反复动作3次,M1和M2均停止。
【关键词】顺序控制 FX2N 梯形图1. 电动机的选择、维护及常见故障在工农业生产中,各种生产机械都广泛应用电动机来驱动,正确地选用与机械负载配套的电动机,可以使电动机在最经济、最合理的方式下运行,从而达到降低能耗、提高效率的目的。
1.1电动机的选型电动机的选用,首先要了解电动机的机械负载特性,根据机械负载的类型和特性来选择电动机的额定容量、额定转速、额定电压以及型式。
要为某一生产机械选配一台电动机,首先要合理选择电动机的功率。
通常根据生产机械负载的需要来选择电动机的功率,同时,还要考虑负载的工作制问题,也就是说,所选的电动机应适应机械负载的连续、短时或间断周期工作性质。
功率选用时不能太大,也不能太小。
选小了,保证不了电动机和生产机械的正常工作;选大了,虽然能保证正常运行,但是不经济,电动机容量不能被充分利用,而且电动机经常不能满载运行,使得效率和功率因数不高。
其次,根据电源电压条件,要求所选用的电动机的额定电压与频率同供电电源电压与频率相符合。
电动机的转速一定要按生产机械铭牌上的要求选择,否则可能改变生产机械的性能。
此外,电动机的结构、防护、冷却和安装形式,应适应使用环境条件的要求,并且要力求安装、调试、检修方便,以保证电机能安全可靠的运行。
1.2 电动机的维护电动机启动前,首先应检查电动机的装配是否灵活,绕组绝缘电阻是否符合要求,转动部分有无卡阻,还要检查电动机的启动和保护设备是否合乎要求,比如电动机接地装置是否完好,所选的低压断路器、接触器、熔断器配置是否正确等等。
电动机启动时,启动次数不能太多,否则电动机可能过热烧坏。
电动机运行中,要密切监视其电压、电流和温度,电动机运行电压应严格控制在变化范围内,否则可能引起电机过热,同样,电流也不能过高或过低,因为电压一定时,运行电流则反映了电动机所拖动负载的情况,机械负载过重,电动机长期过负荷运行,电流会升高,使电动机严重过热,如果电机负载过轻,形成“大马拉小车”,电动机容量就不能够充分利用。
在日常的维护中,还应密切监听电动机有无异常杂音或振动,检查螺丝是否脱落或松动,要定期对电动机进行检修和保养,及时清除外部灰尘,定期更换润滑油。
1.3 电动机常见故障电动机的常见故障主要有转子扫膛、振动,绕组匝间或层间短路,绕组接地,定子绕组缺相运行,定子绕组首尾反接,三相电流不平衡,铁芯硅钢片绝缘损坏等。
电动机振动时会产生噪声和附加负荷,可能是传动装置不良造成,也可能是电动机本身引起的,比如转子动平衡不好,转轴弯曲,安装不到位,紧固件松动等等。
电动机缺相运行的原因主要是线路熔断器熔体熔断,开关接触器触点烧损接触不良引起的。
如果运行时间过长,将会烧坏电动机。
电源三相电压不平衡或绕组匝间短路会引起三相电流不平衡,定子绕组首尾反接会引起电机温度升高,绕组接地或短路都会造成电流过大,铁芯硅钢片绝缘损坏会引起电动机过热等。
总之,在实际运行中,要正确分析电机故障原因,加强巡视和维护,尽可能地及时发现和消除电动机的故障,确保电动机的安全运行。
2. PLC特点自1969年第一台PLC(可编程序控制器)问世以来,经历了近40年的发展,PLC 的种类在不断地更新,应用领域也在不断地扩大。
目前,PLC的应用已经成为现代化设备的象征,并且PLC已经成为工业控制的主要手段和重要的基础控制设备之一。
国际电工委员会(IEC)对PLC作了规定:“可编程序控制器是一种数字运算操作的电子系统,专为在工业环境下应用而设计。
它采用可编程序的存储器,用来在其内部存储执行逻辑运算、顺序控制、定时、计数和算术运算等操作的指令,并通过数字式、模拟式的输入和输出,控制各种类型的机械或生产过程。
可编程序控制器及其有关设备都应按易于与工业控制系统形成一个整体、易于扩充其功能的原则设计。
”这段话道出了PLC的特点和应用领域。
PLC之所以被广泛使用,是和它的突出特点以及优越的性能分不开的。
归纳起来,PLC主要具有以下特点。
(1)可靠性高为了满足工业生产对控制设备安全性和可靠性的要求,PLC采用了微电子技术,大量的开关动作由无触点的半导体电路来完成。
PLC选用的电子器件一般是工业级的,有的甚至是军用级的,平均无故障时间很长。
例如,三菱F系列PLC平均无故障时间可以达到30万小时(约34年)。
可以毫不夸张地说,到目前为止,没有任何一种工业控制设备可以有PLC这样高的可靠性。
随着器件水平的提高,PLC的可靠性还在继续提高,尤其是近来开发出的多机冗余系统和表决系统更进一步提高了PLC的可靠性。
PLC完善的自诊断功能,保证了PLC控制系统工作的安全性。
由于PLC是用存储在其内部的程序来实现控制的,其控制程序设计本身就从各个方面考虑了PLC工作的可靠性、安全性和稳定性,这又进一步提高了可编程序控制器的可靠性。
(2)环境适应性强PLC具有良好的环境适应性,可应用于十分恶劣的工业现场。
在电源瞬间断电的情况下,仍可正常工作;具有很强的抗空间电磁干扰能力,可以抗峰值1000V,脉宽10µs 的矩形波空间电磁干扰;具有良好的抗振能力和抗冲击能力。
一般对环境温度要求不高,在环境温度为-20℃~65℃,相对湿度为35%~85%的情况下可正常工作。
(3)灵活通用在完成一个控制任务时,PLC具有很高的灵活性。
首先,PLC产品已经系列化,结构形式多种多样,在机型上有很大的选择余地;其次,同一机型的PLC的硬件构成具有很大的灵活性,用户可以根据不同任务的要求,选择不同类型的输入和输出模块或特殊功能模块组成不同硬件结构的控制装置;最后,PLC是利用应用程序实现控制的,在应用程序编制上有较大的灵活性。
在实现不同的控制任务时,PLC具有良好的通用性,相同硬件构成的PLC用不同的软件可以完或不同的控制任务。
在被控对象的控制逻辑需要改变时,利用PLC可以很方便地实现新的控制要求,这在一般继电器控制中是很难做到的。
(4)使用方便、维护简单PLC控制的输入模块、输出模块和特殊功能模块都具有即插即用功能,连接十分容易。
对于逻辑信号,输入和输出采用开关方式,不需要进行电平转换和驱动放大;对于模拟信号,输入和输出采用传感器、仪表和驱动设备的标准信号。
各个输入和输出模块与外部设备的连接十分简单。
PLC的用户界面十分友好,给使用者带来很大的方便。
PLC提供标准通信接口,可以方便地构成PLC-PLC网络或计算机-PLC网络。
PLC应用程序的编制和调试非常方便。
PLC的基本编程语言有3种,其中梯形图语言与继电器控制线路图相似,即使没有计算机基础的人也很容易掌握。
PLC具有监控功能,利用编程器或监视器可以对PLC的运行状态和内部数据进行监视或修改。
PLC控制系统的维护非常简单,利用PLC的诊断功能和监控功能,可以迅速查找到故障点,对大多数故障都可以及时予以排除。
当然,PLC由于其工作方式是扫描方式,因此,扫描周期的长短决定了PLC的工作速度。
一般来说,PLC的速度与单片机等计算机相比相对比较低,其计算能力一般都比微机要差。
PLC的这些缺点随着科学技术的发展正在逐渐地被克服。
3.两台电动机顺序控制PLC方案的选择可编程序控制器实施控制,其实质就是按一定算法进行输入输出变换,并将这个变换与以物理实现。