前风窗视野分析报告--总布置解读
- 格式:doc
- 大小:361.50 KB
- 文档页数:8
汽车驾驶员前方视野检测中的主要环节分析摘要:随着我国经济的快速发展和人们生活水平的不断提高,汽车出行已经成为人们生活中必不可少的部分,我国的汽车拥有量已经居于世界前几名。
但是随着汽车使用数量的增加交通压力和交通安全成为了世界性难题,如何确保汽车行车安全和提高驾驶人的驾驶安全性不仅是交通部门的责任同时与汽车的设计也息息相关。
本文就汽车驾驶员前方视野检测中的主要环节进行详细的分析和讨论,希望为提高汽车驾驶员前方视野检测的操作提供一些借鉴和参考。
关键词:汽车驾驶员前方视野检测;环节分析1 汽车驾驶员前方视野检测的重要性所谓的汽车驾驶员前方的视野主要指的是驾驶员前方180°的范围内不需要借助任何工具或者设施就能直接观察到的整个区域,是汽车设计中安全技术的重要组成部分,是直接关系到日后驾驶员行驶过程中前方视野状况和行车安全以及预防交通事故的重要保障措施。
通过驾驶员在行车过程中对于视野范围内相关信息的收集和判断,可以提高驾驶员预测危险行为和应对突发事件的能力,对于汽车乘务人员和行人以及驾驶员都有着很重要的保护作用。
2 汽车驾驶员前方视野检测中的H点检测环节汽车驾驶员前方视野检测中的H点检测主要指的是汽车座椅的靠背角同乘坐人位置点(H)的确定。
汽车驾驶员座椅位置的调整是视野检测环节的第一步,其位置调整的最终结果直接关系到前方视野检测的性能。
本文中我们采用SAE三维H点装置构成的靠背角同设计的H 点坐标位置来进行汽车驾驶员座椅位置的实验以便进行前方视野的检测工作。
装置设计及检测应用见图1。
图1 SAE 三维H点装置视野检测应用示意图2.1 驾驶员座椅靠背角的设计检测通常情况下座椅的靠背角是指座椅靠背同铅垂线之间的夹角。
采用SAE三维H点装置实验检测可以先将其座板放到座椅上,再通过装置内置的量角器进行座椅实际靠背角的测量,一般来讲,其测量准确度是可以达到设计最初的标准的,检测中需要注意的是,其测量角度同设计靠背角的偏差值应在5°之内。
仪表板视野校核
1 组合仪表视野校核
1.1 组合仪表视距与视角校核
(1)仪表盘中心和眼椭圆中心连线与水平面的夹角应小于30°(2)仪表盘面中心到眼椭圆中心的距离应在650mm-760mm之间(3)仪表盘中心和眼椭圆中心连线与仪表盘平面夹角为90°±10°某车型校核如下图:
1.2 组合仪表视野盲区校核
组合仪表所有显示信息处于可视区域内
注:一般用UG校核
某车型校核如下图:
1.3 组合仪表夜间成像校核
(1)组合仪表在侧风窗的成像不得进入驾驶员观看外后视镜所需的透明区域内。
(2)组合仪表在前风窗成像不得进入B区。
注:前风窗玻璃B区见GB 11555-2009 《汽车风窗玻璃除霜和除雾系统的性能和试验方法》
1.4 组合仪表面罩成虚像校核
组合仪表玻璃面罩上不能出现影响驾驶安全的倒立虚像。
1.5 组合仪表白天眩目校核
所有外界射入的光线经组合仪表玻璃面罩反射后不能进入眼椭圆,以免对驾驶员造成眩目。
2 中控显示屏视野校核
2.1 中控显示屏障碍物校核
驾驶员在正常驾驶位置时观测中控显示屏时无障碍物(方向盘、换挡手柄等)遮挡。
2.2 中控显示屏夜间成像校核
(1)中控显示屏在侧风窗的成像不得进入驾驶员观看外后视镜所需的透明区域内。
(2)中控显示屏在前风窗成像不得进入B区。
2.3 中控显示屏白天眩目校核
所有外界射入的光线经组合仪表玻璃面罩反射后不能进入眼椭圆,以免对驾驶员造成眩目。
建筑设计中的立面开窗与视野在建筑设计中,立面开窗的位置和数量对于建筑物的整体外观和室内视野有着重要的影响。
合理的立面开窗设计不仅可以为建筑物增加美感,还能从内部提供良好的视野和自然采光。
本文将讨论立面开窗与视野之间的关系,并探讨如何在建筑设计中合理地利用开窗设计来优化视野。
1. 立面开窗的重要性立面是建筑物最重要的外部表现形式之一,决定了建筑物的整体外观和风格。
而立面开窗作为立面表面的一部分,既具有装饰的功能,也具有实用的作用。
开窗可以为建筑物增加立面的立体感,并提供自然光线和空气流通,使室内更加舒适和宜居。
2. 立面开窗与视野的关系立面开窗的位置和尺寸直接影响室内的视野。
合理的开窗设计可以将自然景观引入室内空间,拉近自然与建筑之间的距离。
同时,通过开窗可以实现建筑物与周围环境的互动,增加建筑的视觉层次感和丰富度。
3. 开窗设计的原则(1)考虑周围环境:开窗的位置和形状应与周围环境相协调,使建筑物与周边景观相融合,形成统一的整体效果。
(2)注重视线引导:合理的开窗设计应注重引导视线,将重要的景观或空间焦点引入室内,增加视觉吸引力。
(3)充分利用阳光:根据建筑物所在地的日照条件,选择合适的开窗形式和朝向,以最大程度地利用阳光,提供充足的自然采光。
(4)平衡开窗与保护隐私的关系:开窗设计应平衡室内外的互动与隐私保护的需求,既提供良好的视野,又保护室内居民的隐私。
4. 开窗设计的具体应用(1)大面积开窗:适用于景观优美或采光充足的区域,可以将室内外环境融为一体,提供壮观的视野和自然光线。
(2)小窗设计:在特定的房间或位置设置小窗,用于保护隐私或限制视野,同时增加立面的丰富性和变化。
(3)纵向开窗:适用于高层建筑或狭长空间,可以引导视线向上或向下延伸,塑造不同的室内景观。
(4)横向开窗:适用于宽敞的室内空间或需要横向视野的区域,可以提供广阔的视野和连绵的景观。
总结:建筑设计中的立面开窗设计对于建筑物的外观和室内视野具有重要影响。
整车视野校核1 GB 11562-2014《汽车驾驶员前方视野要求及测量方法》1.1 适用范围本标准适用于M1类汽车。
1.2 术语及定义1.2.1 V点1.2.2 风窗玻璃基准点1.2.3 P点1.2.4 Pm点1.2.5 E点1.2.6 驾驶员侧A柱的双目障碍角1.2.7 乘客侧A柱的双目障碍角1.2.8 “S”区域1.3 技术要求1.3.11.3.21.3.3 每台车辆不得多于两根A柱。
1.3.4 除1.3.4.1和1.3.4.2之外,在驾驶员前视野180°范围内,在通过V1的水平面下方和通过V2的三个平面(三个平面都和水平面向下成4°夹角,其中一个平面垂直于Y基准平面,另两个平面垂直于X基准平面)上方的范围内,除了A柱、固定或活动的排气通风口、三角窗分隔条、车外无线电天线,后视镜和风窗玻璃刮水器等造成的障碍外,不得有其他障碍。
见下图。
但是以下情况除外:1.3.4.11.3.4.21.4 测量条件1.4.1 V点位置1.4.2 P点位置1.4.3 设计座椅靠背角非25°时的修正1.4.4 E点位置1.4.4.1 E1和E2距P1各为104mm,E1距E2为65mm。
1.4.4.2 E3和E4距P2各为104mm,E3距E4为65mm。
1.4.5 A区的确定A区的确定应按照GB 11555-2009中的要求进行。
1.5 A柱障碍角测定方法1.5.1 通过三维坐标系表示的R点和座椅状态进行修正后来确定V点(V1、V2)的位置。
1.5.2 用三维坐标系表示的R点和座椅状态进行修正后来确定P点(P1、P2)的位置;25°以外的设计靠背角的修正值见表4。
1.5.3 在A柱上做两个水平界面,即:1.5.41.5.52 GB 15084-2013《机动车辆 间接视野装置的性能和安装要求》 2.1 适用范围本标准适用与M 和N 类及至少驾驶室被部分封闭的L 类机动车辆的间接视野装置安装。
技术文件密级:机密前风窗视野分析报告制定:日期:审核:日期:批准:日期:客户确认:日期:技术文件目录1. 概述 (2)2. 汽车驾驶员视野基本要求 (2)3. 电动汽车驾驶员前方视野校核 (2)3.1 引用标准 (2)3.2 汽车前方视野技术要求 (2)3.3 电动汽车视野校核状态的确定 (3)3.4 电动汽车前方视野校核 (5)4. 总结 (6)技术文件1.概述在电动汽车设计中,驾驶员视野直接影响汽车的使用和安全等,在进行布置设计时必须考虑视野是否符合法规要求,是否能够满足使用要求。
下面以相关标准和法规为基础,对驾驶员前视野进行校核。
2.电动汽车驾驶员视野基本要求根据相关国家标准,对汽车驾驶员前视野的基本要求如下:1.风窗玻璃透明区2.驾驶员前方180º范围内直接视野3.A柱障碍角3.电动汽车驾驶员前方视野校核3.1引用标准GB 11562-1994 汽车驾驶员前方视野要求及测量方法GB 15085-1994 汽车风窗玻璃刮水器、洗涤器的性能要求及试验方法GB 11556-1994 汽车风窗玻璃除霜系统的性能要求及试验方法SAE J941-2002 Motor Vehicle Drivers' Eye LocationsSAE J1050-2003 驾驶员视野的定义和测量3.2电动汽车前方视野技术要求电动汽车前方视野必须符合标准GB11562-1994中的规定。
(1)风窗玻璃透明区至少应包括风窗玻璃基准点联线所包围的面积。
这些基准点是:a)基准点a,V1点水平向前偏左17°;b)基准点b,V1点向前沿铅垂面偏上7°;c)基准点c,V2点向前沿铅垂面偏下5°;d)辅助基准点a`、b`、c`与a、b、c点关于汽车纵向对称平面对称。
(2)按GB11562-1994的规定进行测量,每根A柱双目障碍角不得超过6°。
若两柱相对汽车纵向铅垂面是对称的,则右柱不需要再测量。
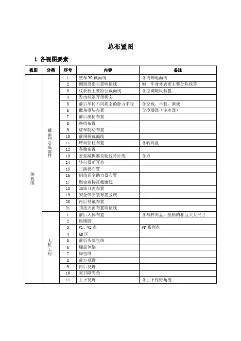
总布置图1 各视图要素
2 尺寸标注
3 设计硬点
4 设计说明
5 一般规范
1)整车总布置二维图一般绘制在大小为A0的图纸上,视图绘制的比例一般为1:10,也可根据整车尺寸按绘图标准尺寸选取。
2)线型:
●整车可见轮廓线和棱线——粗实线
●内部零部件的轮廓线和棱线——细实线
●不可见轮廓线和棱线——虚线
●剖切平面迹线——细点划线
●轴线和对称中心线——细点划线
●假想轮廓线和运动轮廓线——双点划线
●尺寸界线和分界线——细实线
3)文字:
●视图的名称:7mm;
●尺寸标注:4mm;
●标题栏中的字体,如无特别规定,优先选择以下字高值(必要时可选用适当的字高):
文件名:7mm
文件代号:5mm
材料代号:5mm
其他:3.5mm
●数字和字母的宽高比(Aspect Ratio):0.68
●字符间距(Space factor):0.50。
视野校核的方法整车总布置王辉视野的检查在汽车造型设计时起着很重要的作用,直接影响着一些车身设计,良好的人车视野性能可以指导设计,在驾驶员视野内产生最少的视野盲区。
视野的检查方法和设计标准在国标、欧标、美标中都有要求,但是其中重叠部分多,其中包括试验部分,一些概念比较难理解,这些原因都直接影响着总布置设计者正确操作和工作效率,并且每个人对法规的内容理解程度不同,造成工作结果的差异,也造成了部门内结果对外输出的不一致,为了避免这些问题,将视野校核做一总结,作为此部分工作指南。
●视野的概念:指人眼所能观察到的空间范围汽车设计常用的视野校核有直接视野校核、间接视野校核、刮刷视野校核、仪表视野校核、除霜除雾视野校核。
视野校核的基础是眼点与眼椭圆的确定,如何确定眼点与眼椭圆以及怎么应用它们,下面做一下详细的介绍。
1 常用视野检查工具的介绍1.1 眼点的确定1.1.1 视觉的适应性:指视觉的“暗适应性”和“明适应性”。
一般以眼睛的视线为轴心,30°的角度范围内为眩目区,此区域内应避免强烈光线射入。
1.1.2 视点分类1.1.2.1 V点的确定V 点定义: V 点是表征驾驶员眼睛位置的点,它与通过驾驶员乘坐位置中心线的纵向铅垂平面、R 点及设计座椅靠背角有关。
此点用于检查汽车视野是否符合要求。
通常用V1,V2两点表示V点的不同位置。
V点基于前H点的相对坐标位置(座椅靠背角为25°)靠背角不是25°时,V点坐标修正见附表11.1.2.2P点的确定P点定义:指驾驶员眼睛高度上的头部中心点,通常以P1,P2两点表示驾驶员水平观察物体时P 点的不同位置。
Pm点指通过R 点的纵向铅垂面与P1、P2连线的交点。
P点基于前H点的相对坐标位置(座椅靠背角25°)P点X Y ZP1点35mm -20mm 627mmP2点63mm 47mm 627mmPm点43.36mm 0 627.mm1.1.2.3 P点与E点的关系(用于A柱干涉角的检查)E1、E2分别距P点104mm,E1与E2点之间距离为65mm.如图1-1所示图1-1靠背角不是25°时,P点坐标修正见附表21.1.2.4 眼点N1、N2N1、N2点位置的确定方法⑴Z 轴:在H 点向上635mm⑵635mm水平面与通过H点的竖直直线相交⑶在中心点两侧各32.5mm处做两个点,既为N 1、N2点。
窗户设计优化案例分析报告引言窗户作为建筑设计中的重要组成部分,具有提供自然光线、通风以及视野开阔等功能。
在现代建筑设计中,窗户的设计除了满足基本功能需求外,还需要考虑节能、采光、隔音等因素。
本报告旨在通过分析一个窗户设计优化的案例,探讨如何通过创新设计来提升窗户的性能。
优化目标在窗户设计中,为了满足建筑的节能和舒适性需求,我们需要达到以下目标:1. 提高窗户的绝热性能,减小能量损失;2. 增加窗户的采光性能,提供更多的自然光线;3. 优化窗户的隔音性能,减少噪音;4. 考虑窗户的开启方式,增加通风性能;5. 设计美观,符合整体建筑风格。
设计优化方案1. 优化窗框材料传统窗框材料如木材在绝热性能上较差,我们可以考虑采用塑钢窗框或铝合金窗框等新型材料。
这些材料具有良好的保温性能,能有效减少能量损失。
2. 选用双层或三层玻璃传统的单层玻璃在保温和隔音性能上存在局限性。
双层或三层中空玻璃能够提供更好的绝热和隔音效果,同时也能减少室内与室外的热交换。
3. 使用低辐射玻璃低辐射玻璃在透明度的基础上,有效阻挡室内外热能的传导,减少能量损失。
此外,它还可以阻挡紫外线的入侵,保护家具和室内装饰的色彩。
4. 添加优化的窗帘和百叶窗帘和百叶的设计可以在保证窗户采光性能的同时,提供隐私和遮光效果。
优化的窗帘和百叶材料可以在收起时提供更好的隔音效果,同时又不妨碍通风。
5. 设计推拉窗或顶置窗传统的推拉窗具有便于开启和关闭的优点,顶置窗可以在不占据墙面空间的情况下实现自然通风。
这些设计可以提供更好的通风性能,并且便于清洁和维护。
6. 与整体建筑风格协调优化窗户设计时,要与整体建筑风格相协调。
不同建筑风格可能适合不同类型的窗户,例如现代风格适合大面积落地窗,而古典风格适合拱形窗户。
保持窗户与整体建筑的和谐性,可以增加建筑的美观度。
结论通过对窗户设计进行优化,可以提升窗户的性能,满足建筑的节能和舒适性需求。
所选用的窗框材料、玻璃类型、窗帘和百叶设计以及开启方式等等都是影响窗户性能的重要因素。
城轨车辆的前端挡风玻璃设计原则探析
城轨车辆的前端挡风玻璃设计是一项关键性的工作,直接关系到城轨车辆的安全性和舒适性。
在城轨车辆的前端挡风玻璃设计过程中,需要考虑到以下一些原则:
一、前方视野宽广
城轨车辆的挡风玻璃的设计,需要注意到前方视野的宽广,以便驾驶员能够清晰地观察到前方的道路情况。
一般来说,前方视野的范围应该能够包括到车辆行驶路径两侧的情况,同时还需要注意到车辆底部的情况,以便驾驶员对路面的情况有充分的了解。
二、隔音、隔热
城轨车辆挡风玻璃的设计,还需要考虑到隔音和隔热的效果。
由于城轨车辆会在高速运行时产生巨大的风噪声和热量,因此挡风玻璃需要具备隔音和隔热的效果,以便驾驶员和乘客能够在舒适的环境中出行。
三、不影响前方照明效果
城轨车辆的前端挡风玻璃的设计,还需要考虑到其对前方照明效果是否有影响。
在夜间行驶时,前方照明效果的好坏直接影响到驾驶的安全性,因此挡风玻璃的设计需要充分考虑到这个因素。
四、防护性能
城轨车辆的挡风玻璃需要具备一定的防护性能。
一般来说,挡风玻璃需要能够承受一定程度的撞击、碾压等外界因素的影响,以保证车内人员的安全。
五、易于清洁、维护
最后,城轨车辆的挡风玻璃需要具备易于清洁、易于维护的特点。
在日常使用中,挡风玻璃将会受到光线、灰尘、雨水等因素的污染,因此需要定期进行清洗和维护,以保证其外观和性能的稳定性。
总之,城轨车辆的前端挡风玻璃设计原则需要从多个方面进行考虑,以保证车辆的安全性和舒适性。
在实现这些设计原则的过程中,需要充分结合车辆的实际情况和乘客的需求,以确保设计的实用性和可行性。
城轨车辆的前端挡风玻璃设计原则探析在城市轨道交通系统当中,城轨车辆是不可或缺的一部分。
而城轨车辆的前端挡风玻璃设计对于乘客的安全以及车辆的性能有着非常重要的影响。
在这篇文章中,我们将探讨城轨车辆前端挡风玻璃设计的原则和要点,并深入分析其中的技术和工程问题。
一、功能设计原则城轨车辆的前端挡风玻璃首先要满足基本的功能需求。
这包括提供充分的视野、抵御风雨和撞击的能力、以及便于清洁和维护等。
视野是最为关键的功能之一,城轨车辆驾驶员需要在行车过程中能够清晰地观察前方的情况,以确保行车的安全和顺利。
前端挡风玻璃的设计要求必须优先考虑视野的宽广和清晰度。
挡风玻璃还要能够经受风雨等恶劣气候的考验,保证在极端天气下也能保持良好的透视性。
挡风玻璃的材料和结构也需要考虑到在发生碰撞时能够保护车辆内的乘客和驾驶员免受伤害。
二、材料选用原则城轨车辆的前端挡风玻璃通常采用钢化玻璃或夹层玻璃。
钢化玻璃因其硬度高、抗压强度大、耐热性好以及碎裂时不会形成尖锐的碎片而受到广泛应用。
与此夹层玻璃由于其在玻璃间夹层中加入PVB薄膜,使得玻璃碎裂时PVB薄膜能够有效地将碎片粘合在一起,不易造成伤害。
在城轨车辆前端挡风玻璃的设计中,需要根据实际情况和需求选择合适的玻璃材料。
除了玻璃材料外,还需要考虑到玻璃边框的材料和连接方式,以确保整个挡风玻璃能够牢固地安装在车辆前端,并且能够在发生碰撞时起到一定的保护作用。
城轨车辆的前端挡风玻璃通常采用双层结构设计。
这种设计能够在一定程度上提高挡风玻璃的抗冲击性能,并且可以减少内部凹陷的可能性。
双层结构的挡风玻璃可以通过内层和外层的材料和厚度设计,实现在保证视野质量的前提下提高玻璃的整体性能。
在城轨车辆的前端挡风玻璃结构设计中,还需要考虑到玻璃的尺寸和形状,以及与车体的连接方式等。
这些因素都需要根据实际情况和需求进行综合考虑和优化设计,以确保挡风玻璃能够具有良好的抗冲击性能和视野质量,并且能够顺利地安装在车辆前端。
技术文件目录1. 概述 (2)2. 汽车驾驶员仪表盘视野基本要求 (2)3. 电动汽车驾驶员仪表盘视野校核 (2)4. 总结 (7)1.概述在电动汽车设计中,驾驶员视野直接影响汽车的使用和安全等,在进行布置设计时必须考虑视野是否符合法规要求,是否能够满足使用要求。
下面以相关标准和法规为基础,对EV66仪表盘视野进行校核。
2.电动汽车驾驶员仪表盘视野基本要求根据相关国家标准,对汽车驾驶员视野的基本要求如下:○1.仪表板是汽车操纵控制与显示的集中部位,是汽车的操纵中心和信息传递中心。
○2.仪表板设计必须满足视野性、操纵性和空间布置的要求。
○3.设计得好的仪表板会使驾驶员感到方便而舒适,反之则可能影响行车的安全。
○4.仪表板高度不仅受高个驾驶员腿部空间要求的制约,还受矮小驾驶员前方下视野要求的制约,设计时要综合考虑。
3.电动汽车驾驶员前方视野校核3.1引用标准SAE J1050 THE DRIVER'S FIELD OF VIEWSAE J002 EYE LOCATIONSSAE J941-2002 Motor Vehicle Drivers' Eye Locations3.2电动汽车视野校核状态的确定○1. 眼椭圆的定位椭圆中心的三个坐标分量Xc 、Yc(分别以Ycl和Ycr代表左、右眼椭圆中心的Y坐标)和Zc分别以PRP, y零平面和过AHP的水平面为定位基准,(见图1)其计算公式为由此计算出:Xc=1142.06, Yc=-296, Zc=1004β=21︒图1 眼椭圆定位图○2.H点坐标分析分析H点坐标采用SAE百分位标准人体,以95%百分位标准人体进行设计。
分析过程中踵点取在搁脚垫的平面上,定义座椅靠背角为20deg,分析可求得在人体舒适性角度内的H点坐标,如表1。
表1 95%百分位人体H点坐标及踵点H点95%百分位人体踵点坐标X 1185.3 454Y -305 -145Z 344.4 -393.3 方向盘轮缘盲区的求作(1)计算特征盲区图2(2) 计算最严重障碍点在特征盲区中,最不容易被眼睛看到(考虑头部转动等因素)的点,称为最严重障碍点(C点),它是由左右眼点连线中点出发向方向盘轮缘上的中心点所作射线与仪表板工作平面的交点。
总布置--外后视镜视野CATIA校核目录1、目的 (1)2、适用范围 (1)3、引用标准 (1)4、术语定义 (1)5、校核步骤 (2)5.1、输入数据 (2)5.2、技术要求 (2)5.3、校核步骤 (4)5.4、法规符合性验证 (27)6、注意事项 (27)7、输出 (27)8、结束语 (27)1、目的在汽车设计中,驾驶员视野直接影响汽车的使用和安全,在进行布置设计时必须考虑视野是否符合法规要求,是否能够满足使用要求。
2、适用范围适用于M1、N1类车型。
3、引用标准GB 15084-2013 机动车辆间接视野装置性能和安装要求SAE J 941 汽车驾驶员眼睛位置ECE46 汽车后视镜及安装后视镜的汽车认证的统一规定4、术语定义R点:即座椅参考点,一个指定的座椅位置上的臀点,对于每一个座椅只有唯一的一个座椅参考点。
5、校核步骤5.1、输入数据驾驶员R点坐标、8202-外后视镜数模、5401-侧围外板、6101-前车门外板、6201-后车门外板,2804-后保险杠,6105-前车门外把手、6205-后车门外把手,空载地面、满载地面,后视镜镜片旋转中心,镜壳旋转轴。
5.2、技术要求5.2.1后视镜校核(1)后视镜应固定牢靠,避免改变已调节好的视野。
(2)装在M1和N1类汽车上的外后视镜为Ⅲ类或Ⅱ类后视镜。
(3)M和N类型汽车必须在其左、右两侧各安装一个外后视镜,M1和N1类型汽车上必须安装一个内后视镜。
(4)在驾驶员一侧的外后视镜应能允许驾驶员在车门关闭,而车窗开启时进行调节。
能在车内调节的外后视镜除外。
(5)内后视镜应能允许驾驶员在其驾驶位置上调节。
(6)外后视镜应能从汽车侧窗或前风窗玻璃刮水器刮刷到的区域中看到。
5.2.2外后视野校核(1)外后视镜尺寸校核外后视镜反射面尺寸必须满足一下要求:a)能在反射面上绘出以a为底边,高为40mm的矩形;b)与矩形高平行的线段,其长度为b。
a、b尺寸的计算方法如下表所示:(2)外后视镜视野校核a)国标外后视野校核标准①汽车驾驶员一侧的外后视镜必须安装在后视镜中心至驾驶员两眼点(两眼点之间的距离为65mm)中心连线的铅垂面与纵向基准平面的夹角不大于55°的范围内。
总布置-人机工程-视野尺寸关联设计规范1适用范围本规范规定了前档玻璃造型、仪表台布置、后视镜及雨刮器、除霜装置和除雾装置结构设计与设计数据的关系。
本规范可作为其他M1类车前档视野设计参考。
本适用于菱形车车型的开发。
2规范性引用文件下列文件中的条款通过本标准的引用而成为本标准的条款。
凡是注日期的引用文件,其随后所有的修改单(不包括勘误的内容)或修订版均不适用于本标准,然而,鼓励使用本标准的单位研究是否可使用这些文件的最新版本。
凡是不注日期的引用文件,其最新版本适用于本标准。
GB 11562汽车驾驶员前方视野要求及测量方法GB/T 11563汽车H点确定程序GB/T 11559汽车室内尺寸测量用三维H点装置GB 11555汽车风窗玻璃除霜系统的性能要求及试验方法GB 11556汽车风窗玻璃除雾系统的性能要求及试验方法GB 11565—89轿车风窗玻璃刮水器刮刷面积GB 15084—94 汽车后视镜的性能和安装要求3 术语和定义下列术语和定义适用于本规范。
3.1三维坐标系指汽车制造厂在最初设计阶段确定的由三个正交的基准平面组成的坐标系统这三个基准平面是:X基准平面——垂直于Y基准平面的铅垂平面,通常规定通过左右前轮中心;Y基准平面——汽车纵向对称平面;Z基准平面——垂直于Y和X基准平面的水平面。
三维坐标系用来决定图样上设计点的位置和实车上这些点位置之间的尺寸关系。
3.2主要基准标记指车体上的孔、表面上的标记符号。
所使用的基准标记在三维坐标系的X、Y、Z坐标和相对设计地平面的位置,由汽车制造厂规定。
这些基准标记可以用作车身总成的控制点。
3.3汽车测量状态指由各标记点在三维坐标系中的坐标所决定的汽车位置。
3.4座椅靠背角指座椅靠背与铅垂线的夹角。
3.4.1设计座椅靠背角指通过R点的铅垂线与由汽车制造厂规定的靠背位置上的三维H点装置躯干线之间的夹角。
3.4.2实际座椅靠背角指座椅处于最低和最后位置时,通过H点的铅垂线与三维H点装置躯干线之间形成的夹角。
V:xu365200964 3¥/篇风窗玻璃透明区绘制方法一、概述:在汽车设计中,驾驶员视野直接影响汽车的使用和安全等方面,在进行布置设计时必须考虑视野是否符合法规要求,是否能够满足使用要求。
本方法采用UG软件总布置模块绘制风窗透明区。
采用Catia软件手工绘制此区域时,可以参考此规范。
二、引用文件:下列文件中的条款通过本标准的引用而成为本标准的条款。
凡是注日期的引用文件,其随后所有的修改单(不包括勘误的内容)或修订版均不适用于本标准,然而,鼓励根据本标准达成协议的各方研究是否可使用这些文件的最新版本。
凡是不注日期的引用文件,其最新版本适用于本标准。
GB 11562-1994 汽车驾驶员前方视野要求及测量方法GB/T 11563-1995 汽车H点确定程序GB/T 11559-1989 汽车室内尺寸测量用三维H点装置77/649/EEC 就成员国有关机动车驾驶员视野方面法规的大致规定三、定义三维坐标系是指由垂直纵向平面X-Z、水平面X-Y和垂直横向平面Y-Z所形成的坐标系;主要基准标记指车身上的孔、表面、标记和识别标志。
所使用的基准标记类型以及每个标记相对于三维坐标系X、Y、Z坐标和相对设计地平面的位置应由车辆制造厂规定。
这些标记可以用作车身总成的控制点;V点:是指在乘客舱中确定的位置,通过前排座椅上最外设计乘坐位置中心的纵向铅垂平面并相对于R点及设计座椅靠背角。
此点用于检查车辆视野是否符合要求。
R 点或乘坐基准点制造厂规定的H点,每个乘座位置的最后面的正常驾驶和乘座位置。
H点指三维H点确定装置的躯干与大腿的铰接中心,他位于此装置的两侧H点标记钮间的中心线上;挡风玻璃基准点指从V点向前的射线与挡风玻璃外表面的交点;透明区指车辆挡风玻璃或其它透明表面的透光率(当光线与表面成直角测量时)不小于70%的区域。
四、设计要求风窗玻璃透明区的要求参考标准:GB11562-1994和77/649/EEC中的规定,具体如下:风窗玻璃透明区至少应包括风窗玻璃基准点连线所包围的面积。
组合仪表视野及眩目校核目录1、目的 (1)2、适用范围 (1)3、引用标准 (1)4、术语定义 (1)5、校核步骤 (2)5.1、输入数据 (2)5.2、标准和经验要求 (2)5.3、视距和视角(以S-B设计车为例) (2)5.4、方向盘盲区 (4)5.5、组合仪表眩目(以S-B设计车为例) (5)6、注意事项 (14)7 、输出 (14)8 、结束语 (14)1、目的分析组合仪表视野及校核组合仪表是否眩目。
2、适用范围适用于轿车、SUV、MPV、皮卡及其变型车。
3、引用标准Henrry Dreffns标准SAE J1050-2003 驾驶员视野的描述和测量SAE J903-1999 乘用车前风窗刮水系统SAE J941-2002 汽车驾驶员眼睛位置GB 15084-2006 机动车辆后视镜的性能和安装要求4、术语定义♦SAEJ903 C区:在侧视图上,区域的上下边界有两个平面同风窗玻璃外表面的相交线来确定,这两个平面表示为眼椭圆上下边的切线。
这两个平面通过YY线上偏5度,下偏1度。
在俯视图上,区域的左右边界由同眼椭圆相切的两个垂直平面同风窗玻璃外表面的交线来确定。
这两个平面通过XX线左偏10度,右偏15度。
♦驾驶员眼点:通过确定的驾驶员设计乘坐位置中心,作一平行于汽车纵向基准面的平面。
驾驶员座椅R点向上635mm,作垂直于该平面的一条直线段。
在直线段与该平面交点的两侧各32.5mm处(总距离65mm)作两个点,即为驾驶员眼点。
♦视距:左右眼椭圆中心点连线的中心与组合仪表发光面中心的距离。
5、校核步骤5.1、输入数据硬点:驾驶员R点、踵点、BOF基准点、方向盘中心点数模:前风挡玻璃、前侧风挡玻璃、后侧风挡玻璃、后风挡玻璃满足视野要求的后视镜位置数模、仪表板、组合仪表、方向盘5.2、标准和经验要求5.2.1视距视距范围为650-760mm,最佳视距为710mm。
(组合仪表在驾驶员侧)5.2.2视角刻度盘平面与中心视线角度范围90±10°5.2.3方向盘盲区可以看到整个组合仪表的主要指示器和信号装置(方向盘处于某一位置)。
技术文件
密级:机密
前风窗视野分析报告
制定:日期:
审核:日期:
批准:日期:
客户确认:日期:
技术文件
目录
1. 概述 (2)
2. 汽车驾驶员视野基本要求 (2)
3. 电动汽车驾驶员前方视野校核 (2)
3.1 引用标准 (2)
3.2 汽车前方视野技术要求 (2)
3.3 电动汽车视野校核状态的确定 (3)
3.4 电动汽车前方视野校核 (5)
4. 总结 (6)
技术文件
1.概述
在电动汽车设计中,驾驶员视野直接影响汽车的使用和安全等,在进行布置设计时必须考虑视野是否符合法规要求,是否能够满足使用要求。
下面以相关标准和法规为基础,对驾驶员前视野进行校核。
2.电动汽车驾驶员视野基本要求
根据相关国家标准,对汽车驾驶员前视野的基本要求如下:
1.风窗玻璃透明区
2.驾驶员前方180º范围内直接视野
3.A柱障碍角
3.电动汽车驾驶员前方视野校核
3.1引用标准
GB 11562-1994 汽车驾驶员前方视野要求及测量方法
GB 15085-1994 汽车风窗玻璃刮水器、洗涤器的性能要求及试验方法
GB 11556-1994 汽车风窗玻璃除霜系统的性能要求及试验方法
SAE J941-2002 Motor Vehicle Drivers' Eye Locations
SAE J1050-2003 驾驶员视野的定义和测量
3.2电动汽车前方视野技术要求
电动汽车前方视野必须符合标准GB11562-1994中的规定。
(1)风窗玻璃透明区至少应包括风窗玻璃基准点联线所包围的面积。
这些基准点是:
a)基准点a,V
1
点水平向前偏左17°;
b)基准点b,V
1
点向前沿铅垂面偏上7°;
c)基准点c,V
2
点向前沿铅垂面偏下5°;
d)辅助基准点a`、b`、c`与a、b、c点关于汽车纵向对称平面对称。
(2)按GB11562-1994的规定进行测量,每根A柱双目障碍角不得超过6°。
若两柱相对汽车纵向铅垂面是对称的,则右柱不需要再测量。
(3)汽车不得有两根以上A柱。
(4)在驾驶员前视野180°范围内,在通过V
1的水平面下方和通过V
2
的三个平面(三
个平面都和水平面向下成4°夹角,其中一个平面垂直于Y基准平面,另两个
平面垂直于X基准平面)上方的范围内,除了A柱、三角窗分隔条、车外无线电天线、后视镜和风窗玻璃刮水器等造成的障碍外,不得有其它障碍。
但以下情况除外:
a)直径小于0.5mm的嵌入式天线,或小于1.0mm的印刷式天线,不认为是视野障碍;
b)无线电天线的导线一般不得进入A区,但是导线直径小于0.5mm时,可允许三根导线进入,此种情况不认为是视野障碍;
c)最大直径为0.03mm,导线是竖直的,最小间距1.25mm,或导线是水平的,最小间距2.0mm的除霜及除雾导线,不认为是视野障碍。
垂直于Y基准平面且与转向盘上边缘相切的平面,如该平面相对水平面(5)通过V
2
至少后下倾斜1°时,则转向盘上边缘及其以下的仪表板所构成的障碍是允许的。
3.3电动汽车视野校核状态的确定
(1)R点位置
前排座椅靠背角20°。
R点相对车身位置,由三维坐标系的X、Y、Z坐标确定,如表1所示。
表1 R点相对坐标系的位置
R点X Y Z
R 1185.3 -305 344.4
(2)V点位置
根据GB11562-1994,算得V1和V2点的坐标为
表2 V点相对坐标系位置
V点X Y Z
V1 1209.3 -310 1020.4
V2 1209.3-310 944.4
(3)P点位置
根据GB11562-1994,算得P1、P2、Pm点的坐标为
表3 P点相对坐标系位置
P点X Y Z
P1 1128.3 -325 982.4
P2 1156.3 -258 982.4
Pm 1136.7 -305 982.4
(4)E点位置
根据标准描述:E点和P点在同一水平面内,E1点和E2点距离P1点各为104mm,E1点距离E2点为65mm。
E3点和E4点距离P2点各为104mm,E3点距离E4点为65mm。
图1 E点与P点位置关系
3.4 前方视野校核
(1)风窗玻璃透明区
在图2上可以看出从V点向前的射线与风窗玻璃外表面的六个交点a、b、c、a’、b’、c’连线所包围的面积完全在风窗玻璃透明区域内。
图2 风窗玻璃外表面的交点连线所包围的面积
(2)双目障碍角校核
根据法规要求在A 柱上做两个水平截面S 1、S 2。
将S 1、S 2截面投影在P 点所在的水平面内,双目障碍角在该平面内测量校核,如图3所示。
E 1和E 2的连接线绕P 1旋转,使E 1至左A 柱的S 2截面外侧的切线与E 1,E 2连接成直角,从E 1向左A 柱的S 2截面外侧作切线和从E 2向左A 柱S 1截面内侧作切线,从E 2点作前一切线平行线,与后一切线所成的平面视野角度即为驾驶员(左)侧的A 柱双目障碍角。
E 3和E 4的连接线绕P 2旋转,使E 4至右A 柱S 2截面外侧的切线与E 3、E 4连接成直角,从E 3向右A 柱S 1截面内侧做切线和从E 4向右A 柱S 2截面外侧作切线,从E 3点作后一切线平行线,与前一切线所成的平面视野角度即为乘客(右)侧的双目障碍角。
驾驶员侧的A 柱双目障碍角5.528 º,乘员侧的A 柱跟驾驶员侧对称,不需要测量,因此,驾驶员A 柱双目障碍角满足法规要求。
图3 双目障碍角在P 点水平面内的校核-俯视图
(3)驾驶员前方180º内视野校核
从图4上可以看出在驾驶员前方视野180°范围内(除技术要求规定外)没有其它障碍,满足法规要求。
a
c
a ’
b
c ’
b
图4 驾驶员前方180°内视野4.总结
电动汽车前方视野满足GB11562的要求。
读书的好处
1、行万里路,读万卷书。
2、书山有路勤为径,学海无涯苦作舟。
3、读书破万卷,下笔如有神。
4、我所学到的任何有价值的知识都是由自学中得来的。
——达尔文
5、少壮不努力,老大徒悲伤。
6、黑发不知勤学早,白首方悔读书迟。
——颜真卿
7、宝剑锋从磨砺出,梅花香自苦寒来。
8、读书要三到:心到、眼到、口到
9、玉不琢、不成器,人不学、不知义。
10、一日无书,百事荒废。
——陈寿
11、书是人类进步的阶梯。
12、一日不读口生,一日不写手生。
13、我扑在书上,就像饥饿的人扑在面包上。
——高尔基
14、书到用时方恨少、事非经过不知难。
——陆游
15、读一本好书,就如同和一个高尚的人在交谈——歌德
16、读一切好书,就是和许多高尚的人谈话。
——笛卡儿
17、学习永远不晚。
——高尔基
18、少而好学,如日出之阳;壮而好学,如日中之光;志而好学,如炳烛之光。
——刘向
19、学而不思则惘,思而不学则殆。
——孔子
20、读书给人以快乐、给人以光彩、给人以才干。
——培根
机密第1 页。