高压加热器检修工艺规范
- 格式:doc
- 大小:58.85 KB
- 文档页数:9
高压加热器设备检修工艺规程1.1概述菏泽电厂300MW机组给水系统串联布置了三台高压加热器,该加热器是由上海电站辅机厂引用美国F、W(福斯特惠特)动力公司的设计制造技术并制造的,卧式、基本上为全焊装置,水室为半球型封头、小开口自密封式人孔,主要设计特点采用了内置三段结构,即过热蒸汽冷却段、凝结段、疏水冷却段,有效地提高了回热系统的热经济性。
加热器主要有壳体、水室组件,传热管、隔板和支撑板、防冲板、包壳板等组成,支撑为三支撑结构,固定支撑在水室端,壳体设二组滑动支撑,由四组滚轮支撑,其中中间两组滚轮是作为检修抽壳时移动壳体之用,运行时为二支撑,三台加热器,水、汽两侧均装有安全阀,作为运行超压保护装置。
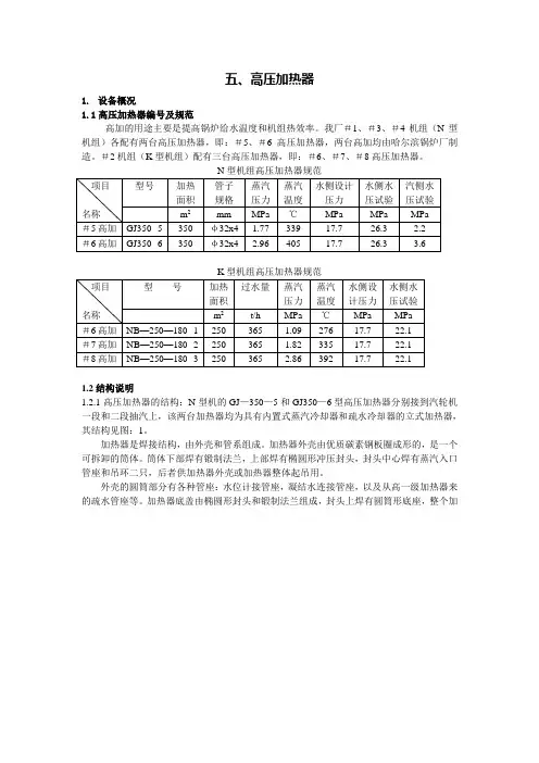
1.2技术规范序号名称单位#1高加#2高加#3高加1 型号/ JG-1025-1-3JG-1110-1-2JG-885-1-12 加热面积m2 1025 1110 8853 管侧设计压力MPa 27.5 27.5 27.54 管侧设计温度°C 295 265 2155 壳侧设计压力MPa 7.58 4.81 1.076 壳侧设计温度°C 420/295 360/265 470/21567 凝结段面积m2801.8 811.8 5868 疏水冷却面积m2114.9 209.9 227.19 U型管总数根1314 1229 116310 管子外径×壁厚M/mφ16×1.11φ16×1.11φ16×1.1111 管子与管板连接方式焊接后爆胀12 给水流量kg/h976000 97600013 给水入口温度°C 246.2 204.3 174.414 给水进口温度°C 278.9 246.2 204.315 蒸汽压力MPa 5.77 3.5 1.5616 加热蒸汽温度°C 383.5 318 43517 加热管材质/ SA556GRC-2SA556GRC-2SA556GRC-218 管板材质/ 20M n M o20M n M o20M n M o19 水室材质19Mn6 19Mn6 19Mn620 壳体材质SA516GR7SA516GR7SA516GR721 管侧设计压力MPa 27.5 27.5 27.522 汽侧设计压力MPa 7.58 4.81 1.0723 加热器净重kg 42100 40000 3080024 人孔盖重量kg 120 120 12025 可拆壳体重量kg 11600 9499 560026 加热器外径mm φ1500 φ1464 φ144027 加热器长度mm 9580 11310 9950 1.3 检修工艺及标准1.3.1水密封面的维修1.3.1.1准备工作1.3.1.1.1准备好所需的工具、材料、备件。
高压设备检修安全操作规范
1、严格执行工作票制度,要求工作票上要注明设备名称、工作内容、工作人员、工作时间,禁止一票多项,检修完毕后,要及时办理退票手续。
2、进入检修现场,必须佩戴安全帽及劳动保护用品。
3、高压设备及线路检修时,须确定检修设备已断电,高压断路器小车不在工作位置,并挂牌。
须现场验电、放电、挂接地线后,方可工作,工作完毕后,要及时清理现场,拆除接地线,确认现场无人工作后,方可退票、送电。
4、高压开关柜检修时,须将断路器小车退出工作位置或拆除动力电缆。
禁止将小车推进到工作位置进行及检修或调试等工作。
5、电力变压器检修时,禁止抓握变压器瓷瓶、母线、温度计、防爆阀进行攀爬,变压器加油后,要排尽气体继电器内的气体。
6、电动机更换碳刷,要拧紧螺栓,检查碳刷在刷握里的松紧度,要整理碳刷引线,防止相间短接或接地。
7、电动机加油前,要注意油脂的型号规格,加油过程中要保持清洁及控制加油量。
8、电收尘检修时,要将整流变压器与电场断开,并且将电场可靠接地。
9进入电场检查或检修时,要求现场放电,禁止相邻电场在运行状态时,进入电场。
10、在检修工作中,要避免交叉作业,要时刻警惕周围环境,防止高空坠物。
11、高空作业时,要系好安全带,在使用安全带时,要检查安全带的安全可靠性。
12、挂有安全警示将及安全绳的危险地带,禁止进入。
13、禁止流动吸烟,在有易燃、易爆品的场所要注意防火。
高加检修工艺规程系统概述1.1.1.1 简介华豫电厂每台机组配置三台上海电站辅机厂引用美国FW (福斯特·惠勒)动力公司技术设计制造生产的参数不同的高加。
这三台高压加热器基本上是全焊接式装置,并配置一个使用压力密封盖的锅炉式人孔,通过人孔可进入水室。
内压密封盖上,使用可调换汽包式人孔门垫片可以保证水室不发生泄漏,这种简单的半球形封头能适应各种压力,既能适用低压又能适用高压。
加热器分为过热蒸汽冷却段、凝结段和疏水冷却段三部分:过热蒸汽冷却段是利用从汽轮机中抽出的过热蒸汽的部分显热来提高给水温度的,它位于给水出口流程侧,由包壳板、套管和遮热板密闭。
采用这种密闭方式可以使该段与加热器主要壳体部分形成内部隔离,可以降低温差和相应的热应力,有利于保护管板和壳体结构。
采用过热蒸汽冷却段可提高离开加热器的给水温度,使其接近或略超过该抽汽压力点下的饱和温度。
凝结段是利用蒸汽凝结时的汽化潜热来加热给水的。
一组隔板使蒸汽沿着加热器长度方向均匀的分布,位于壳体一端的排气管可排除非冷凝气体,冷凝的液体以及通过疏水进口管座进入的附加疏水或者从上一级加热器来的逐级疏水都积聚在壳体的最低部位,这些冷凝水通过疏水冷却段。
疏水冷却段是把离开凝结段的疏水的热量传给进入加热器的给水,使疏水温度降到饱和温度以下。
该段位于给水进口流程侧,由包壳体密闭,包壳体在内部使其与加热壳侧的总体部分隔开,从端板和在吸入口或进口端准确的保证一定的水位,使该段密封。
1.1.1.2 技术规范见表25表1 高加技术规范序号名称单位#1高加#2高加#3高加1 型号JG-1025-1-3 JG-1110-1-2JG-885-1-12 加热总面积m21025 1110 8853 凝结段面积m2801.8 812.8 5864 疏水冷却段面积m2114.9 209.9 227.15 过热蒸汽冷却段面积m2108.3 87.3 71.9序号名称单位#1高加#2高加#3高加6 U形管总数根1314 1229 11637 管子外径×壁厚mm Φ16×2.118 给水流程数 29 给水流量t/h 97610 给水出口温度℃278.9 246.2 204.311 给水进口温度℃246.2 204.3 174.412 蒸汽压力MPa 6.16 3.73 1.7013 饱和蒸汽温度℃277.4 246.2 204.314 进口蒸汽温度℃388 318 43715 蒸汽热焓kJ/kg 3152.8 3032.4 3335.916 进入蒸汽量t/h 73.880 79.030 41.22017 进入疏水量t/h /73.880 152.9218 进入疏水温度℃/251.8 209.819 出口疏水量t/h 73880 152920 19413020 出口疏水温度℃251.8 209.8 18021 壳侧设计压力MPa 7.58 4.81 2.07℃420 360 47022 壳侧设计温度(壳体/短节)23 管侧设计压力MPa 27.524 管侧设计温度℃295 265 21525 壳侧试验压力MPa 11.37 7.22 3.1126 管侧试验压力MPa 41.227 壳侧试验温度℃1528 管侧试验温度℃1529 管侧压力降MPa 0.064 0.079 0.07130 壳侧压力降MPa 0.026 0.038 0.05231 总长mm 9580 11310 995032 管材SA556GRC233 加热器净重t 42100 40000 3080034 水室人孔盖重量t 120t 11600 9499 5600 35 可拆部分壳体重量mm 6000 7750 6500 36 拆卸壳体所需间距37 加热器编号66617Y-0-0 66618Y-0-0 66619Y-0-0 38 生产厂家上海电站辅机厂高加检修1.1.1.3 结构概述见图60。
高压加热器检修工艺及质量标准一、概述高压加热器是汽轮发电机组锅炉给水回热系统中的主要设备之一,它是利用汽轮机抽汽来加热由给水泵来的高压给水,使锅炉给水温度达到所需要的温度,减少了向凝汽器的排汽量,改善了汽轮机的通流特性和机组的热量损失,降低煤耗,提高机组的循环热效率。
高压加热器内设置有过热蒸汽冷却段、凝结段和疏水冷却段。
过热蒸汽冷却段是利用汽轮机抽出的过热蒸汽的一部分显热来提高给水温度的;它位于给水出口的流程侧,并由包壳板密封,过热蒸汽冷却段可提高离开加热器的给水温度使它接近或略超过该抽汽点压力下的饱和温度。
用包壳板、套管和遮热板将该段密封,这不仅使该段与加热器主要壳侧部分形成内部隔离,而且通过降低温度差和相应的热应力,有利于保护管板和壳体结构。
从进口接管进入的过热蒸汽在一组隔板的导向下,以适当的线速度和质量速度,均匀地流过管子,并使蒸汽保留有足够的过热度以保证蒸汽离开该段时呈干燥状态,这样,当蒸汽进入凝结段时,可防止湿蒸汽冲蚀和水蚀的损害。
凝结段是利用蒸汽冷凝时的潜热加热给水的,一组隔板使蒸汽沿着加热器长度方向均匀的分布,进入该段的蒸汽在隔板的向导下,流向加热器的尾部。
位于壳体一端的排气接管可排除非冷凝气体,排气管口置于管束外部最低压力处以及壳体内容易积聚非冷凝气体的端部,非冷凝气体的集聚减少了有效热面,因而降低效率并造成腐蚀。
冷凝水以及通过疏水进口管座进入的附加疏水或上一级加热器来的逐级疏水都积聚在壳体的最低部位,这些疏水(冷凝水)通向疏水冷却段。
疏水冷却段是把离开凝结段的疏水的热量传给进入加热器的给水,而使疏水温度降至饱和温度以下,疏水冷却段位于给水进口的流程侧,并由包壳板密闭,温度降低后,当疏水流向下一个压力较低的加热器时减弱,在管道内发生汽化的趋势,包壳体在内部使该段与加热器壳侧的总体部分隔开,从端板和在吸入口或进口端准确地保持一定疏水水位,使该段密闭,疏水从加热器壳体的较低处进入该段,由一组隔板引导向上流动,通过该段,从位于该段顶部在壳体侧面的疏水出口管座流出加热器。
高压电气设备检修规范与操作标准(总5页)--本页仅作为文档封面,使用时请直接删除即可----内页可以根据需求调整合适字体及大小--高压电气设备检修规范与操作标准为规范我矿高压电气设备的检修与操作,提高供电系统安全性、可靠性,现对高压电设备的检修内容、检修周期以及操作标准作如下要求:第一部分:高压电气设备的检修规范一、高压配电开关、高压磁力起动器(一)日检1、检查高压开关的防爆外壳,观察设备的运行温度以及声音。
2、查看显示屏显示情况、分合闸指示。
3、通过观察孔查看动静触头咬合情况。
4、检查高压开关的接地装置。
(二)周检1、对高压开关的漏电、过载、短路保护进行试验。
2、校对整定值以及各类保护投入使用情况。
3、检查试验菜单功能键完好状况。
(三)月检1、真空断路器的检修(1)清扫断路器绝缘子和真空室,用酒精擦拭干净。
(2)检查真空管有无裂纹、破损、变色,绝缘情况。
(3)传动轴转动灵活,各零部件应正常完好,各固定螺钉、开口销等应齐全牢靠。
(4)上下引线铜板固定,无过热、氧化现象。
2、电压互感器的检修(1)清理表面卫生,查看互感器表面,应无裂纹和烧焦以及绝缘击穿现象。
(2)对所有接线进行紧固,并检查有无破损及烧焦的痕迹。
3、电流互感器的检修(1)清理表面卫生,查看互感器表面,应无裂纹和烧焦以及绝缘击穿现象。
(2)接线牢固检查,用扳手或螺丝刀对所有接线进行紧固,并检查有无破损及烧焦的痕迹。
4、压敏电阻的检修(1)用再生布、酒精对压敏电阻表面进行擦拭清理,检查压敏电阻表面,应无裂纹和烧焦以及绝缘击穿现象。
(2)采用2500V兆欧表绝缘电阻测量。
5、二次控制回路检修(1)对二次接线清扫、检查、紧固,对保护器、永磁控制器、航空插头等插接情况进行检查。
(2)对继电器线圈、触点进行检查。
(3)对各操作、试验按钮进行检查,紧固按钮接线。
6、操作机构检修(1)推拉隔离小车,观察隔离小车移动情况。
(2)查看齿轮咬合情况以及隔离小车限位装置是否齐全可靠;检查操动机构应灵活可靠,检查隔离小车到位情况与闭锁跳闸按钮弹出是否保持一致。
高压加热器1、设备概况及参数1.1 设备概况:我公司7#、8#机组采用的高压加热器是由上海动力设备有限公司设计和制造的,规格和型号为:#1高加JG-2490-2-3;#2高加JG-2460-2-2;#3高加JG-1520-2-1型式为卧式表面凝结型换热器。
设计留有10%的流量裕量,即当有10%堵管时,仍能保证高压给水加热器的性能满足汽轮机组各工况给水加热的要求以及各工况下加热器疏水端差和给水端差的要求。
高压给水加热器壳体为全焊接结构,并按全真空与抽汽压力加强,能承受现有管道的推力和力矩。
高压给水加热器汽侧装设泄压阀,用于管子破损时保护壳体不受损。
高压给水加热器的管束与管板的连接均采用先焊接、后胀压的工艺。
高压给水加热器装有自密封型的人孔盖。
为避免高温蒸汽对管板及筒壳的热冲击,过热蒸汽冷却段需用包壳板、套管和遮热板将该段密封。
所有疏水与蒸汽入口处,均装设冲击板,以保护管束。
冲击板、护罩和其它用于防止可能发生的冲蚀的内部零件,其材料为不锈钢。
在不要求更换管束和其它主要部件的条件下,能安全、经济运行30年。
设备使用寿命为30年。
1.2 设备参数:#2高加结构特性表#3号高加技术规范#3高加结构特性3、检修项目3.1 A级检修标准项目3.1.1高加管侧找漏并消除.3.1.2壳体检查,尤其是焊缝的裂纹检查3.1.3安全门的解体检查并进行打压试验.3.1.4. 高加汽侧放空气门解体检查3.1.5高加汽侧水位计检查3.1.6高加管侧的打压试验3.1.7水室人孔门自密封垫更换3.1.8高加上其他所有附件检查。
3.2 C修标准项目。
3.2.1高加就地磁翻板液位计上部隔离门检查、检修3.1.2高加就地磁翻板液位计下部隔离门检查、检修3.1.3就地磁翻板液位计检查。
五、高压加热器1.设备概况1.1高压加热器编号及规范高加的用途主要是提高锅炉给水温度和机组热效率。
我厂#1、#3、#4机组(N型机组)各配有两台高压加热器,即:#5、#6高压加热器,两台高加均由哈尔滨锅炉厂制造。
#2机组(K型机组)配有三台高压加热器,即:#6、#7、#8高压加热器。
1.2结构说明1.2.1高压加热器的结构:N型机的GJ—350—5和GJ350—6型高压加热器分别接到汽轮机一段和二段抽汽上,该两台加热器均为具有内置式蒸汽冷却器和疏水冷却器的立式加热器,其结构见图:1。
加热器是焊接结构,由外壳和管系组成。
加热器外壳由优质碳素钢板圈成形的,是一个可拆卸的筒体。
筒体下部焊有锻制法兰,上部焊有椭圆形冲压封头,封头中心焊有蒸汽入口管座和吊环二只,后者供加热器外壳或加热器整体起吊用。
外壳的圆筒部分有各种管座:水位计接管座,凝结水连接管座,以及从高一级加热器来的疏水管座等。
加热器底盖由椭圆形封头和锻制法兰组成,封头上焊有圆筒形底座,整个加图:1热器的重量均由固定于基础上的底座来承担。
在底部封头上焊有联箱管头和冲压成的弯头,为了使管系固定牢靠,在联箱管和配水管的两侧用钢板焊接起来。
加热器的管系是由两个配水管、两个联箱管和四个连接管以及中心引出管、隔板和盘香管等焊接组合而成。
联箱管、配水管和中心管在上部弯头处同联接管焊接在一起,见图:2所示为其间连接情况;以及水流回路。
在管系的全长内均焊有隔板,构成管系的骨架。
配水管内焊有孔板,孔板上有φ4毫米疏水孔,分配管被孔板分隔为两段,孔板的位置即为水在管系中一个流程的分界。
配水管的下部与焊在底盖上的进水联箱相连,在上部通过弯头和联结管、中心引出管连接在一起,连接管内焊有孔板。
联箱管内也焊有孔板,借孔板把水分隔为几个流程,孔板位置即为下一个流程的分界。
联箱管下端焊于底盖,顶端则通过弯头和连接管与中心管相连接。
联箱管与配水管相互交错布置呈180°角。
600MW机组检修文件包FDII-QJ-O19-O1600MW机组高压加热器检修作业指导书生产副总经理批准:副总工程师审定:设备管理部审核:专业室初审:编写人:彭师贤2010年11月16日版次:第1版修前准备卡页码:5/23□设备基本参数检修前交底(设备运行状况、历次主要检修经验和教训、检修前主要缺陷、)1.设备运行情况、结构特点与运行中存在的缺陷;2.上次大修记录或新机组安装记录与注意事项;3.本次大修要处理的问题。
版次:第1版三检修工序卡页码:/1.准备工作:1.1脚手架搭设完毕,验收合格1.2轴流风机已加装完毕2.高加木体焊缝检查根据探伤要求,对焊缝周围用角向砂轮打磨,然后由金属试验人员进行探伤。
3.水宗清理,挡板检查,钢管检漏3. 1.水室人孔拆卸3.1.1用规定的螺栓将拆装架固定在人孔座上,将人孔盖的拆装装置配在托架上,并和可拆卸式人孔的中心连接,用合适的手动葫芦支吊拆装装置和人孔盖。
3.1.2拆除固定人孔盖的双头螺栓和压板。
在拆除双头螺栓和压板前,要将拆卸丄具与人孔盖相连,防止人孔盖掉进水室。
3.1.3松开人孔盖,将其推入水室;不要旋转拆装装置的螺杆松开人孔盖,在装上拆装装置后,要加力使人孔盖松开,然麻必须采取适当的保护措施,以免损坏人孔盖,沿逆时针方向旋转拆装装置螺杆, 将其退出,一直旋转下去,直到人孔盖与拆装装置紧贴。
3.1.4手伸到水室内,将人孔盖沿着任何方向旋转90度,帘出空隙以便从椭圆孔中取出人孔盖。
小心地用手动葫芦将人孔盖从人孔中拉出,并从拆装装置上拆下人孔盖。
3. 2水室隔板管板检查检杳水室隔板无裂纹和破损,管板无变形,与钢管焊口无开焊。
如隔板有裂缝或破裂,可按下述方式修复:3.2.1川打幣、碳弧气刨或批铲法除去受影响区域的材料,切割或打僭出一个V型坡口。
3. 2. 2从该区域清除所有界物。
3. 2. 3使用直径为3毫米的结506焊条进行电弧焊修复,使用电压为20〜24伏特,电流为100〜130安培的交流电或反极直流电,使用干燥的焊条保持短弧,以免焊接中出现气孔。
高压加热器检修工艺规程
第二节高压加热器概述
高压加热器是用汽轮机的抽汽来加热锅炉给水,以提高机组的热效率。
高压加热器为卧式结构,U形换热管、双流程,水室采用自密封结构。
加热器的壳体和管束在出厂前经过水压试验。
壳体是钢板焊接构件。
为保证其焊接质量,焊缝都经100%无损检查。
壳体和水室是焊接连接。
水室由半球形封头和圆柱形筒身及管板组成。
管板钻有孔,以便插入U形管。
水室组件还包括给水进口管、出口管、排气接管、安全阀、化学清洗接头和引导水流按规定流动的分隔板以及带不锈钢石墨密封圈的人孔盖、人孔座。
U 形管的管子是经焊接和爆炸胀于管板上的。
U 形管进口端加装长度为150mm的专用不锈钢衬管,以防涡流对管端的损害.钢制隔板沿整个长度方向布置,隔板又借助拉杆和定距管固定。
在加热器里装置不锈钢防冲板,可使进入壳侧液体和蒸汽不直接冲击管束,以免管子受冲蚀。
这些板都布置于壳体各进口处。
进入加热器的蒸汽换热过程中,分为三个阶段.即过热蒸汽冷却段,凝结段,疏水冷却段.
主要材质表。
第x篇高压加热器检修工艺规程第一章高压加热器结构概述第一节高压加热器工作原理1.1 概述我厂330MW机组给水系统串联布置了三台高压加热器,该加热器是由青岛青力锅炉辅机有限公司设计并制造的卧式、“U”型管管板式加热器,水室为半球形封头,小开口自紧密封式人孔结构。
高压加热器是配装机容量为330MW机组的回热设备,能有效地提高进入锅炉的给水温度,是汽机回热系统中重要组成部分之一。
其设计合理,运行安全可靠,能大大提高电厂的热效率,降低热耗,节省能源。
1.2 工作原理:高压加热器是一种传热设备,给水经除氧器加热除氧后由给水泵送入上级高加,通过传热管被抽汽加热后,流入本级高加,然后进入下级高加,再送入锅炉。
从汽机来的抽汽是温度较高的过热蒸汽,过热蒸汽从加热器的蒸汽口进入,首先在高加过热蒸汽冷却段完成第一次热传递。
过热段是利用蒸汽的过热度加热即将离开本级高加的给水,使给水出口温度进一步提高。
之后蒸汽进入高加饱和段,在此进行第二次传热。
饱和段是加热器主要的传热区,加热蒸汽在此释放大量的潜热并凝结成饱和疏水,大大提高了给水温度。
饱和疏水聚集在设备下部,并在压差的作用下靠虹吸原理进入疏冷段,在此,饱和疏水再次释放热量,加热刚进入高加的给水,完成第三次传热,最后疏水成为过冷水(低于饱和温度)经由疏水出口离开高加本体。
高压加热器的三段(即过热段、饱和段、疏冷段)均按不同的热交换模式采用先进的结构,并为其完成充分的热传递配置了恰当的传热面积,使加热器的设计更科学、合理,大大提高了电厂热效益。
第二节高压加热器结构组成2.1 结构简介高压加热器是卧式、U形管管板式结构,它的传热区段分为过热蒸汽冷却段、蒸汽凝结段、疏水凝结段三段组成。
2.1.1水室水室为半球形封头加自紧密封人孔结构,水室内部装有二行程的隔板(为不锈钢罩壳)、给水进口端的换热管装有不锈钢防磨套管。
水室封头和管板分别采用SA516Gr.70和20MnMoNb材料,二者用焊接方式联成一体,水室人孔采用高压人孔自紧密封结构,密封可靠,拆卸方便,便于检修。
简述高压维修操作规程高压维修操作规程是指在高压设备的维修和检修过程中,为了保证工作人员的安全和设备的正常运行,所制定的一系列操作规范和流程。
本文将从以下几个方面进行详细介绍:一、高压设备的基本知识1. 高压设备的定义2. 高压设备的分类3. 高压设备的主要构成部分二、高压维修操作规程1. 维修前准备工作2. 维修过程中应注意事项3. 维修后处理工作三、高压设备的安全措施1. 安全防护措施2. 安全用电措施3. 火灾事故应急处理措施四、高压设备维护保养管理1. 日常检查与保养2. 定期检查与保养五、高压设备故障排除方法及技巧1. 故障排除方法概述2. 故障排除技巧六、高压设备维修案例分析一、高压设备的基本知识1. 高压设备的定义:指额定电气电位大于1000V(交流)或1500V (直流)的电气设备。
2. 高压设备的分类:按照用途可以分为发电厂用设备、输配电用设备、工业用设备等;按照结构和工作方式可以分为开关设备、变压器、电缆、绝缘子等。
3. 高压设备的主要构成部分:开关机构、绝缘部件、导电部件和操作机构等。
二、高压维修操作规程1. 维修前准备工作(1)查看维修任务书,了解需要维修的具体内容。
(2)检查维修所需工具和材料是否齐全。
(3)对维修区域进行安全检查,确保没有危险物品或障碍物。
(4)对高压设备进行停电处理,并采取相应的安全措施。
2. 维修过程中应注意事项(1)在进行任何操作之前,必须确认高压设备已经停电并采取相应的安全措施。
(2)在拆卸或更换任何零部件时,必须严格按照规定步骤进行,并使用相应的工具和装置。
(3)在清洗或涂漆时,必须使用符合要求的清洁剂和涂料,并遵守相应的操作规程。
(4)在安装新零部件时,必须进行严格的检查和测试,并确保零部件正确安装。
(5)在维修过程中,必须遵守各项安全操作规程,如穿戴防护用品、使用工具时保持稳定等。
3. 维修后处理工作(1)对维修过程中产生的废弃物和污染物进行分类处理,并妥善存放或处理。
Q/CDT大唐鲁北发电有限责任公司发布目次目次 (1)序简要作业流程图 (2)1范围 (2)1.1本指导书适用范围 (3)1.2指导书质量控制点统计 (3)2 本指导书涉及的文件、技术资料和图纸 (3)3安全提示 (3)3.1准备工作中需要注意的事项 (3)3.2施工过程中需要注意的事项 (3)3.3验收过程中需要注意的事项 (3)3.4检修后交接需要注意的事项 (4)4备品备件准备 (4)5现场准备及工 (4)5.1现场准备 (4)5.2工具 (4)5.3办理相关工作票 (5)6检修工序及质量标准 (5)6.1高加水室检查、找漏 (5)6.2堵漏................................................................................................................................ 错误!未定义书签。
6.3壳体、管子的检修 (5)6.4汽侧安全门的解体检查 (6)6.5检查水位计 (6)6.6清理现场、终结工作票 (6)7检修记录 (7)8、备品备件检验记录 (7)9高压加热器试运记录 (7)10、质量验收评价 (7)11、检修总结 (8)12、对本作业指导书的修订建议 (8)序简要作业流程图1范围1.1本指导书适用范围本作业指导书规定了#2机6、7号高压加热器及6号高加蒸冷器大修工作涉及的技术资料和图纸、安全措施、备品备件、现场准备及工具、工序及质量标准和检修记录等相关的技术标准。
本指导书适用于2号汽机高压加热器的大修工作,检修地点2机汽机房零米至12.6米区域。
大修的项目为对高压加热器进行检修,对附件进行检查、检修,并对已发现的问题进行处理。
1.2指导书质量控制点统计2 本指导书涉及的文件、技术资料和图纸口《鲁北电厂检修工艺规程》口《中华人民共和国工人技术等级标准》(电力企业、火力发电部分)口《高加热器使用说明书》3安全提示3.1准备工作中需要注意的事项口参加检修的人员进行安全教育和技术培训,达到上岗条件。
高压电气设备检修安全技术规范
是指在对高压电气设备进行检修过程中,制定并遵守的一系列安全技术规范。
其目的是确保检修过程安全可靠,防止事故发生,保护人员和设备的安全。
以下是一些常见的高压电气设备检修安全技术规范:
1. 安全警示标志:设备周围应设置相应的安全警示标志,以提醒人员注意高压电、禁止入内等安全事项。
2. 个人防护用具:检修人员应佩戴符合安全要求的个人防护用具,如安全帽、防护眼镜、绝缘手套和绝缘鞋等,确保人身安全。
3. 施工现场管理:施工现场应规范管理,确保无关人员不进入施工现场,防止人员触摸和操作高压设备。
现场应设有明显的警示标志。
4. 使用合适的工具:检修人员应使用合适的工具,不使用损坏或有缺陷的工具,确保操作安全可靠。
5. 遵守操作规程:检修人员应严格遵守高压电设备的操作规程,如分清线路、确认电压、恰当操作等。
6. 开展绝缘测试:在检修前,应对设备进行绝缘测试,确保设备绝缘良好,没有漏电等安全隐患。
7. 通风和排气:在检修过程中,需要保证施工现场的通风和排气良好,以防止有毒气体或可燃气体聚集造成的安全问题。
8. 定期检测设备:定期对高压电气设备进行检测和维修,确保设备的正常运行和安全性。
9. 紧急救援措施:施工现场应配备必要的急救设备和应急救援措施,以应对发生意外事故时的紧急情况。
10. 培训和安全意识:检修人员应接受相关的培训,提高他们的安全意识和应急处理能力,增强对高压电设备的安全管理能力。
总之,高压电气设备检修安全技术规范的制定和遵守对于保障高压设备检修过程的安全至关重要。
只有做好安全技术措施,确保人员和设备的安全,才能有效预防事故的发生。
内蒙古大唐国际托克托发电有限责任公司企业标准Q/CDT-ITKTPC 10402030-2012 呼热高压加热器检修维护技术标准Q/CDT-ITKTPC 10402030-201232内蒙古大唐国际托克托发电有限责任公司发布2013-03-15发布 2013-03-15实施目次1 范围 (5)2 规范性引用文件 (5)3 概述 (5)3.1 水室 (5)3.2 壳体 (6)3.3 隔板 (6)3.4 防冲板 (6)3.5 传热面 (6)3.6 高压加热器三段式布置 (6)4 设备参数 (8)4.1 技术规范 (8)5 零部件清册 (9)6 检修专用工具及备品备件 (10)6.1 常用工器具 (10)6.2 备品备件 (11)7 检修特殊安全措施 (12)8 维护保养 (12)8.1 日常维护 (12)8.2 小修 (12)8.3 大修 (13)9 检修工序及质量标准 (14)9.1 检修工序流程图 (14)9.2 检修工序 (14)10 检修记录 (19)10.1 高加检修记录 (19)10.2 备品备件检验记录 (20)10.3 试运行记录 (20)10.4 完工报告单 (20)10.5 检修不合格项报告单 (22)前言本规程对东方锅炉厂设计并制造的JG-950-1、JG-1050-2、JG-750-3型卧式高压加热器装置设备规范、技术特性作了较详尽的说明,对设备的检修工艺、质量标准等作了规定,它适用于内蒙古大唐国际托克托发电有限责任公司呼热电高压加热器的检修、消缺与维护工作。
本规程主要是依据制造厂家说明书、订货技术协议,同时遵照电力设备检修导则和借鉴其他兄弟电厂的同型设备资料而进行编写的。
在编写过程中结合我公司设备实际状况,力求使有关数据与实际参数相符,确保本规程在设备检修时具有实际指导意义。
在规程的编写过程中编者水平有限,错误和不当之处在所难免,希望各级人员在阅读、使用本规程的的同时予以批评、指正,以便在今后规程修编时得到纠正。
江苏阚山发电有限公司#2机组A级检修作业指导书设备名称:高压加热器KKS编码:20LAD10 AC001批准:审核:编制:刘庆军设备维修部2019年02月目次1.概述及适用范围--------------------------------------------------------22.检修项目及质量控制点-----------------------------------------------33.检修进度-----------------------------------------------------------------44.安全措施-----------------------------------------------------------------45.人员配备-----------------------------------------------------------------56.备品备件及消耗材料--------------------------------------------------57.检修工器具--------------------------------------------------------------68.检修工艺流程-----------------------------------------------------------79. 附录-----------------------------------------------------------------------111概述及适用范围1.1编制依据1.1.1 哈汽厂提供的图纸及说明书1.1.2 《阚山启动运行说明书》1.1.3 《电业安全工作规程》1.2适用范围本作业指导书适用于江苏阚山发电有限公司#2机组高压加热器的检修。
1.3设备概况汽轮机采用一次中间再热系统,设有三级高压加热器、一级除氧器和四级低压加热器组成八级回热系统。
8号机3号高压加热器检修作业指导书1 范围本作业指导书规定了8号机3号高压加热器检修工作涉及的技术资料和图纸、安全措施、备品备件、现场准备及工具、工序及质量标准和检修记录等相关的技术标准。
本指导书适用于8号机3号高压加热器检修工作。
2 本指导书涉及的资料和图纸下列文件中的条款通过本规范的引用而成为本规范的条款。
凡是注日期的引用文件,其随后所有的修改单或修订版均不适用于本规范,然而,鼓励根据本规范达成协议的各方研究是否可使用这些文件的最新版本。
凡是不注日期的引用文件,其最新版本适用于本规范。
GB 26164.1-2010 电业安全工作规程(第1部分:热力和机械)D00.21 SM 高压加热器运行维护说明书Q/ITKTPC 1008-2018 托电四单元集控汽机专业运行系统图Q/CDT-ITKTPC 10602 03-2012 托电四期集控运行规程3 安全措施3.1 严格执行《电业安全工作规程》。
3.2 汽轮机停运,高压加热器汽侧、水侧降压为零。
3.3 清点所有专用工具齐全,检查合适,试验可靠。
3.4 起吊重物前检查起重工具是否符合载荷要求。
3.5 开工前确认系统隔离措施已执行,高压加热器及系统管道内存水已放净,压力已降至0MPa,温度符合安规中开工要求。
3.6 人孔拆开后,所有孔洞及管口必须封堵严密,防止异物进入或人员跌落。
3.7 进入高加水室前,应进行通风,确保高加水室内氧气浓度19.5%-21%。
高加找漏作业时应加强高加内的通风,但严禁直接通入氧气。
3.8 进入容器内作业前应确认温度已降至50℃以下。
3.9 进入容器前,工作负责人应确认工作人员身体状况需良好,与工作无关的物品禁止带入容器内部,进入前需分别在有限空间作业登记本、有限空间登记牌上记录进入时间、进入人员的名字及所携带的工具;3.10 进入容器内部工作时,需保证容器内部照明充足,所用的磁力灯需固定牢固;工作时,需注意脚底,避免滑到摔伤;3.11 容器内使用电焊、角磨机等作业时,工作人员应穿绝缘鞋,正确使用电动工具,防止发生人身触电事故。
高压加热器检修组织措施及技术措施1组织机构现场总协调:技术负责:安全负责:安全监察部:施工人员(或班组):2各岗位主要职责:现场总协调:负责整个施工的具体组织管理工作。
负责审查本施工“三措两案”,检查安全生产保证体系,监督、检查规章制度执行情况,对现场安全和质量进行抽查和指导。
技术质量负责人:负责整个施工的安全技术管理工作。
负责审查本施工“三措两案”,监督、检查规章制度执行情况,检查规章制度执行情况,重点对施工现场的安全和质量进行检查和指导。
安全员:负责建立健全施工安全网组织,负责审查本施工“三措两案”。
督促落实现场安全工器具配备使用符合要求,督促检查班组召开安全技术交底会和班前班后会,深入施工现场检查安全生产和遵章守纪情况,发现问题及时处理。
班组长:负责具体组织工作,召开班组安全技术交底会和班前班后会,监督班组成员正确、安全的进行工作,对违章或违反工序人员加以制止和责令改正。
施工( 班组)人员:认真学习执行电业安规、作业指导书、安全交底内容。
正确、安全进行工作。
技术措施1、停止6号机运行,凝汽器破坏真空到零。
2、本次对6号机高压加热器汽侧打压查漏、对1、2、3号高加人孔用托架拆开,排风降温后检查隔板。
用压缩空气汽测冲压管口查漏、严禁将管口损坏,对查出泄漏管束、用锥度10.6mm*10mm堵头插入泄漏管束(离管板3mm处)氩弧焊封焊处理。
2、关闭1号高加进汽电动门、2号高加进汽电动门、3号高加进汽电动门、1号高加紧急放水一道门、2号高加紧急放水一道门、3号高加紧急放水一道门、1号高加紧急放水电动门、2号高加紧急放水电动门、3号高加紧急放水电动门、1号高加东侧汽侧放水一道门、2号高加东侧汽侧放水一道门、3号高加东侧汽侧放水一道门、1号高加东侧汽侧放水二道门、2号高加东侧汽侧放水二道门、3号高加东侧汽侧放水二道门、1号高加中间汽侧放水一道门、2号高加中间汽侧放水一道门、3号高加中间汽侧放水一道门、1号高加中间汽侧放水二道门、2号高加中间汽侧放水二道门、3号高加中间汽侧放水二道门、1号高加西侧汽侧放水一道门、2号高加西侧汽侧放水一道门、3号高加西侧汽侧放水一道门、1号高加西侧汽侧放水二道门、2号高加西侧汽侧放水二道门、3号高加西侧汽侧放水二道门、1号高加东侧启动排汽一道门、2号高加东侧启动排汽一道门、3号高加东侧启动排汽一道门、1号高加西侧启动排汽一道门、2号高加西侧启动排汽一道门、3号高加西侧启动排汽一道门、1号高加进汽管道放空气门、2号高加进汽管道放空气门、3号高加进汽管道放空气门。
高压加热器检修工艺规范
1.1 设备简介
a)高压加热器是由上海动力设备有限公司设计和制造
的,型式为卧式表面凝结型换热器。
设计留有10%的流
量裕量,即当有10%堵管时,仍能保证高压给水加热器
的性能满足汽轮机组各工况给水加热的要求以及各工
况下加热器疏水端差和给水端差的要求。
高压给水加
热器壳体为全焊接结构,并按全真空与抽汽压力加强,能承受现有管道的推力和力矩。
高压给水加热器汽侧
装设泄压阀,用于管子破损时保护壳体不受损。
高压
给水加热器的管束与管板的连接均采用先焊接、后胀
压的工艺。
高压给水加热器装有自密封型的人孔盖。
为避免高温蒸汽对管板及筒壳的热冲击,过热蒸汽冷
却段需用包壳板、套管和遮热板将该段密封。
所有疏
水与蒸汽入口处,均装设冲击板,以保护管束。
冲击
板、护罩和其它用于防止可能发生的冲蚀的内部零件,其材料为不锈钢。
a)在不要求更换管束和其它主要部件的条件下,能安全、
经济运行30年。
设备使用寿命为30年。
1.2 技术规范见表126
表1高压加热器参数
技术规范单位1号高加2号高加3号高加
类型表面式表面式表面式
型号JG-2050 JG-2250 JG-1650 加热面积m22050 2250 1650
设计表压力(水
MPa 38.5 38.5 38.5
侧)
MPa 8.81 5.72 2.5
设计表压力(汽
侧)
设计温度(水
℃440 280 230
侧)
℃440/310 370/280 510/230 设计温度(汽
侧)
工作表压力(水
MPa 38.5 38.5 38.5
侧)
MPa 8.81 5.72 2.5
工作表压力(汽
侧)
净重kg116113 85
水侧试验表压
MPa 57 57 57
力
MPa 13.228.58 3.75
汽侧试验表压
力
壳体管材SA516Gr70 SA516Gr70 SA516Gr70
管板板材20MnMo 20MnMo20MnMo
U型管管材SA556GrC2 SA556GrC2SA556GrC2
尺寸(长×宽×高)mm 9.8×2.76×
3.1
11.5×2.76
×3.1
10×2.76×
3.1
中心线至高Ⅲ
值
mm +138 +138 +138
中心线至高Ⅱ
值
mm +88 +88 +88
中心线至高Ⅰ
值
mm +38 +38 +38
中心线至正常
值
mm 0 0 0
中心线至低Ⅰ
值
mm -38 -38 -38
中心线至低Ⅱ
值
mm -88 -88 -88
中心线至低Ⅲ
值
mm -138 -138 -138
1.3 结构特性
型式为卧式表面凝结型换热器。
1.4 高加的检修
1.5 高加的检漏:
b)在检修工作开始前,首先检查工作流程、工作状况、
所使用的工器具是否符合安全要求,确认无误后,方
可开始检修工作。
c)将支吊架、钢丝绳套安装到位,并装上手动葫芦(导
链)。
d)在高加人口门盖上装好吊环。
e)将手动葫芦(导链)拉紧后,取下一侧高加人孔门锁
紧螺母。
f)将高加人孔门盖用手动葫芦慢慢放入高加水室。
g)拆下水室隔板人孔盖。
h)拆下汽侧放空气门。
i)将压缩空气从汽侧放空气门打入高加汽侧内部。
j)用准备好的肥皂水对每一根管子进行检漏(上下水室都要检漏,即每一根U形管的两端都要进行检漏,以
免错误判断)。
k)若出现漏点,如条件允许,用专用工具进行堵漏;如现场条件不允许,则加工符合工艺要求的专用丝堵后,与管口(或官板)焊住。
l)堵漏结束后,清理水室遗留物,清点人员、工具、材料,确认无误后方可进行下一步工作。
m)更换水室密封垫后,将小人孔安装到位。
n)更换高加人孔盖密封垫(专用金属缠绕垫)。
o)用手动葫芦将高加人孔盖拉起,并安装到位。
p)装上丝杠和螺母后,将锁母拧紧。
q)关上高加汽侧放空气门,堵漏工作结束。
1.6 壳体、管子的检修
r)壳体的检修参照压力容器的检修规程、检修工艺标准进行。
b)管子的检修参照承压管道的检修规程、检修工艺标准
进行。
c)加热器的传热管须采用无缺陷的管材,凡有缺陷的管
材均不允许修复后采用,也不允许采用环焊缝来接长
管子。
d)高压加热器的焊接必须由持有《锅炉压力容器焊工合
格证书》的人员担任。
所有焊接与修补焊接工艺以及
所采用的焊机均是合格的。
1.7 汽侧安全门的解体检查
s)取下安全门门扳的定位锁。
e)取下安全门的手动支架。
f)松开安全门调节螺母保护帽。
g)松开调节螺母的锁紧螺母,将调节螺母松开,放松弹
簧。
h)松开并取下弹簧壳的固定螺母,将壳取下。
i)将弹簧和压杆取下,取出定位套。
j)将门芯套和门芯取出,检查有无裂纹、变形等情况。
如发现问题,及时更换。
k)重点检查门芯的密封面是否光洁完整、是否有变形。
对于小量的变形、浅小的裂纹,可在车床上车削以后
进行研磨处理,研磨的精度符合压力等级要求。
对于
变形量较大、裂纹大而深的的门芯,应及时更换。
l)检查确无问题后,按照拆卸的相反顺序将安全门的各部件逐一安装到位。
1.8 汽侧安全门的打压试验
t)准备好打压泵等各项打压工具。
u)将安全门的入口与打压泵的出口用相应的管道连接好,管道须符合试验压力下的承压能力。
v)注入清水,开动打压泵,排净系统内的空气后关闭排空气门,缓慢升压。
w)在整个打压过程中如发现有异常情况,须立即停止待查明明原因并消除后方可继续开始工作。
x)打压至6.35MPa,保持十分钟,检查安全门是否渗漏。
若有渗漏须处理后再重新进行打压试验。
y)将压力提升到7.0MPa,安全门应排放。
排放泄压后安全门应回座。
z)如果尚未升压到6.35MPa即排放,拧紧调整螺母增加弹簧紧力以提高排放压力。
如果升压到7.0MPa还排放,拧松调整螺母减小弹簧紧力以降低排放压力。
aa)试验合格后,将安全门回装至高加上(或存放好以备用)。
1.9 大修标准项目
1.10 高加管侧找漏并消除。
1.11 壳体检查,尤其是焊缝的裂纹检查。
1.12 安全门的解体检查并进行打压试验。
1.13 高加汽侧放空气门解体检查。
1.14 高加汽侧水位计检查。
1.15 高加管侧的打压试验。
1.16 水室人孔门自密封垫更换。
1.17 高加上其他所有附件检查。
1.18 安全、健康、环保要求
1.19 安全要求如下:
bb)首先检查安全措施和工作流程符合安全规程的要求之后方可开始工作。
cc)打开高加水侧人孔前须检查确认水室内确无压力,检查疏水门确已打开,存水已被放净。
dd)打开高加人孔盖时,须注意防止被可能积存的蒸汽或热水喷出伤到。
ee)进入高加工作之前须用堵板将进水口封堵好。
ff)高加找漏时须做好防止被高温壳体烫伤的安全措施,如防烫的工作服、手套、工作鞋等。
gg)高加找漏作业时应加强高加内的通风,但严禁直接通入氧气。
hh)充压找漏的工作应使用压缩空气,不得使用各类气体的气瓶进行充压找漏。
ii)高加找漏时须设监护人,监护人不得远离工作地点且不得同时担任其他工作。
jj)在关闭人孔前,工作负责人许清点人员和工具,检查确实没有人员、工具和材料遗留在内,方可关闭人孔盖。
kk)在进行安全门的打压试验时,工作人员应注意防止被可能的泄漏喷出伤人。
ll)在搬运部件时须注意防止被部件砸伤。
mm)高处作业需使用安全带,并搭制符合安全要求的脚手架。
nn)进入高加内工作时须使用不超过12V的照明灯具。
oo)使用电动工具须使用漏电保护器,漏电保护器放置在管道容器外可靠的地方。
1.20 健康要求如下:
pp)在高加找漏时工作人员应轮换工作和休息。
m)在工作中不要用力过猛,防止腰部扭伤。
n)进行打磨工作时使用防尘面具或合格的口罩。
1.21 环保要求如下:
qq)拆下的部件要摆放整齐。
o)不使用铅粉或二硫化钼等污染性材料作为密封垫的防粘连涂料。
p)打磨工作时须注意防止尘埃扩散。
q)工作完毕,清理现场,分类放入垃圾堆。
1.22 反事故措施
1.23 严格按照《电力安全工作规程第1部分:热力和机械》进行工作,不得为了图省事或嫌麻烦而简化作业。
1.24 动火工作前须清理现场易燃物并经过易燃气体检测合
格后方可动火。
1.25 进入高加内检修工作须强制通风降温后再进入,现场专设监护人。
1.26 高加汽侧壳体及其附件定期检查或检修,每两个大修周期内至少进行一次耐压试验。