项目季度检查表最终版
- 格式:xls
- 大小:40.50 KB
- 文档页数:1
贵州省铜仁虓峰建设工程有限公司季度安全检查表项目名称: 思南县城东棚户区改造及生态移民搬迁项目A-01组团1.2.3#楼检查时间:检查人员签字:项目负责人签字:编号:检查项目序号检查内容检查扣分(满分100分) 存在问题的整改措施满分评分得分安全生产施工现场管理1按要求设置外挂施工安全生产警示牌(五牌一图:工程概况牌;管理人员名单及监督电话牌;消防保卫牌;安全生产牌;文明施工牌。
施工现场平面图)、安全生产管理制度的落实。
4 2按照要求隧道洞口有无登记记录或无交接班记录,分部、分项工程施工方案、措施、安全控制过程。
危险性较大工程施工方案安全控落实。
4 3危险区域,爆破物及危险品存放处应划分界限,设明显的安全警示标志和安全防护设施;4 4爆破物品、器材管理人员、涉爆操作人员经培训持证上岗证件,发放、领用、退库手续完整;须符合有关规定;4 5电工是否持证操作;电器设备有无漏电保护器;设置安全警示标志或必要的安全防护设施;布线规范。
4 6进入冬季施工安全措施等特殊季节安全交底;夜间施工照明等作业应有安全的保障措施。
3 7现场施工人员配戴安全帽及防护用品,知晓各自所从事工种的操作规程。
3 8 高空(处)、临边作业周边安全防护设施和安全警示标志; 5 9起重吊装作业应有专人指挥,作业时机械下方严禁人员进入;各种机械应有可靠制动;并设安全警示标志;5 10施工现场内按要求设置排水,防水地面硬化、围栏、变压器等各种工程防护措施;3施工现场管理11高边坡坡面的浮危石及松散物清理,有无挖“神仙土”现象,有无把机械设备停放在滑体、松散体上存在安全隐惠现像;3 12施工干扰地段设立安全警示标志,交叉作业地段设置安全防护网等防护设施,并设置岗哨监视管理;3 13支架.平台.管网设施应具有足够的刚度和安全度,安装及拆除的方法及程序,应符合有关安全规定;314 基坑和围堰支撑,其结构必须坚固牢靠; 215Ⅳ级及以上围岩边墙每循环开挖支护进尺为2榀钢架间距;沉井采用人工挖掘下沉安全防护416 Ⅳ级及以上围岩,仰拱一次性开挖不得超过3m; 417 无虚渣、杂物和积水,超挖部分用同级混凝土回填; 4现场施工管理18隧道洞口安全管理(交接班记录、洞内交通安全设施风机型号规格、风管口距掌子面的距离、满足设计和方案要求等);初期支护背后空洞填塞;锚杆、超前小导管、管棚及注浆等;喷射混凝土厚度、平整度;钢筋网片;仰拱的安全距离;排水盲管间距;洞内路面整洁,无积水、淤泥和杂物;8 19隧道初期支护,二次衬砌、隧道通风、照明、防尘设施:洞内里程标示、警示标志、消防器材标识准确齐全;6 20有瓦斯的隧道安全防范措施,必须设置专职瓦斯检查员;设置通信、监控、报警系统;4 21开挖按围岩级别编制施工、爆破设计方案;隧道应采用地质超前预报,遇有特殊不良地质必要时应进行超前钻孔,探明情况,采取的预防措施;洞内“三管两路”(通风管、供水管、排水管,供电线路、运输道路)敷设平顺,固定牢固;照明保证亮度充足,污水经处理排放;822 架桥机、吊装、拌合站等特种设备检验标定; 423路面拌合站生产区消防器材按要求配备、放置并保持完好状态,设置安全警示标志或必要的安全防护设施;4 24 路基施工时交通管制,临时安全标志、标牌等设置; 4共计100检查结论:得分(满分:100分):被检查项目负责人(签字):附注:1、该检查标准作为公司季度安全检查的依据,在检查过程中按照国家相关的法律法规,标准、规范、规程等要求进行细部检查,每发生一处不符扣0.5,至该项分数扣完为止。
附表1-1建筑施工安全生产标准化工程项目月自评情况汇总表(_年_月)工程项目名称:自评机构检查时间年月日2、本表一式两份,项目部、施工企业各一份,从“工程项目监管系统”中下载打印。
- 0 -附表1-2建筑施工企业施工项目安全生产标准化工作季度检查表(_年第_季度)2、本表一式三份,项目部、施工企业、项目考评主体各一份。
- 1 -附表1—3福建省建筑施工安全生产标准化项目自评表项目名称:项目地点:申请单位: (盖章)提交日期: 年月日福建省住房和城乡建设厅- 0 -- 1 -注:1、本表一式两份:施工企业、项目考评机构各一份,从“工程项目监管系统”中下载打印。
2、提交时间以“工程项目监管系统”确认的时间为准。
附表1-4福建省建筑施工安全生产标准化项目考评申请表项目名称:项目地点:自评单位:(盖章)提交日期:年月日福建省住房和城乡建设厅- 2 -注:1、本表一式两份:施工企业、项目考评主体各一份,从“工程项目监管系统”下载。
2、惩戒情况:包括限期改正及全面或局部停工整改、通报批评和行政处罚等。
3、提交日期以“工程项目监管系统"确认的时间为准。
- 3 -附表1-5福建省建筑施工安全生产标准化项目考评结果公示书(编号:)(责任单位):你单位报送的项目,在你单位自评基础上, 依据“工程项目监管系统”归集的考评有关材料,对项目安全生产标准化工作进行评定,经考评,该项目考评结果为:,现予以公示,公示期为年月日至年月日。
不合格理由:考评单位(公章):年月日注:1、本公示书可从“工程项目监管系统”下载。
2、建筑施工企业对公示的考评结果有异议的应按本《实施细则》第十七条提出异议申请.附表1-6- 4 -福建省建筑施工安全生产标准化项目考评结果告知书(编号: )(责任单位):你单位报送的项目,在你单位自评基础上,依据“工程项目监管系统”归集的考评有关材料,对项目安全生产标准化工作进行评定,经考评(核实、复核),该项目考评结果为: .不合格理由:考评(核实、复核)单位(公章):年月日注:本告知书由建筑施工企业、考评主体从“工程项目监管系统”下载。
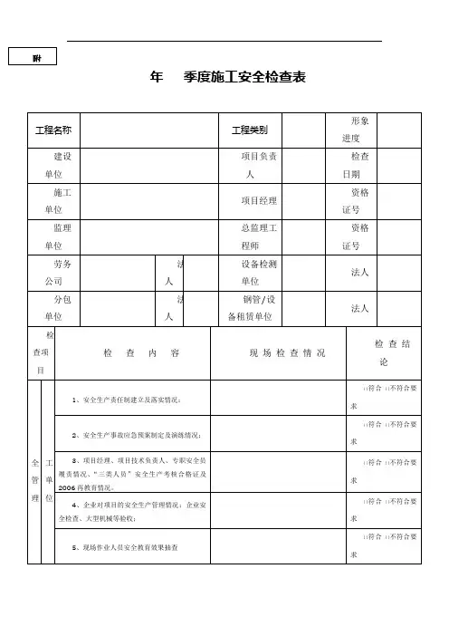
附件:六年季度施工安全检查表工程名称工程类别形象进度建设单位项目负责人检查日期施工单位项目经理资格证号监理单位总监理工程师资格证号劳务公司法人分包单位法人设备检测单位钢管/设备租赁单位法人法人检查项目检查内容现场检查情况检查结论安全管理施工单位1、安全生产责任制建立及落实情况;□符合□不符合要求2、安全生产事故应急预案制定及演练情况;□符合□不符合要求3、项目经理、项目技术负责人、专职安全员履责情况、“三类人员”安全生产考核合格证及2006再教育情况。
□符合□不符合要求4、企业对项目的安全生产管理情况:企业安全检查、大型机械等验收;□符合□不符合要求5、现场作业人员安全教育效果抽查□符合□不符合要求6、劳务公司的安全教育及管理□符合□不符合要求监理1、实施工程监理过程发现和督促消除安全隐患情况;□符合□不符合要求2、监理人员到位情况;□符合□不符合要求分包单位分包工程单位:□符合□不符合要求1、分包单位项目经理、项目技术负责人、专职安全员履责情况、“三类人员”安全生产考核合格证及2006再教育情况。
□符合□不符合要求2、是否有安全生产许可证□符合□不符合要求3、安全教育及管理□符合□不符合要求劳务公司劳务公司:□符合□不符合要求1、是否有安全生产许可证□符合□不符合要求2、安全教育及管理□符合□不符合要求3、现场作业人员安全教育效果抽查□符合□不符合要求安全生产资金保障1、合同是否明确安全文明施工费金额、支付和使用;□符合□不符合要求2、建设方是否按合同支付安全文明施工费;□符合□不符合要求3、施工单位安全文明施工费投入使用情况;□符合□不符合要求施工用电1、工程项目应根据建筑工程特点编制临时用电施工组织设计并经单位技术负责人和总监理工程师审核审批,并按规定组织实施□符合□不符合要求2、施工用电应为TN-S系统,三级配电两级保护供电,确保施工用电安全。
□符合□不符合要求高处1、工程项目应根据建筑工程特点编制预防高处坠落事故的专项施工方案,并组织实施;□符合□不符合要求。
附表1-1建筑施工安全生产标准化工程项目月自评情况汇总表(_年_月)工程项目名称:自评机构检查时间年月日注:1、本表应按《建筑施工安全检查标准》(JGJ59)进行检查,附相应《建筑施工安全分项检查评分表》,如《安全管理检查评分表》等。
- 20 -2、本表一式两份,项目部、施工企业各一份,从“工程项目监管系统”中下载打印。
附表1-2建筑施工企业施工项目安全生产标准化工作季度检查表(_年第_季度)注:1、本表应按《建筑施工安全检查标准》(JGJ59)进行检查,附相应《建筑施工安全分项检查评分表》,如《安全管理检查评分表》等。
- 21 -2、本表一式三份,项目部、施工企业、项目考评主体各一份。
- 22 -附表1-3福建省建筑施工安全生产标准化项目自评表项目名称:项目地点:申请单位:(盖章)提交日期:年月日福建省住房和城乡建设厅- 22 -- 23 -注:1、本表一式两份:施工企业、项目考评机构各一份,从“工程项目监管系统”中下载打印。
- 24 -2、提交时间以“工程项目监管系统”确认的时间为准。
附表1-4福建省建筑施工安全生产标准化项目考评申请表项目名称:项目地点:自评单位:(盖章)提交日期:年月日- 25 -福建省住房和城乡建设厅- 26 -注:1、本表一式两份:施工企业、项目考评主体各一份,从“工程项目监管系统”下载。
2、惩戒情况:包括限期改正及全面或局部停工整改、通报批评和行政处罚等。
3、提交日期以“工程项目监管系统”确认的时间为准。
附表1-5福建省建筑施工安全生产标准化项目考评结果公示书(编号:)(责任单位):你单位报送的项目,在你单位自评基础上,依据“工程项目监管系统”归集的考评有关- 27 -材料,对项目安全生产标准化工作进行评定,经考评,该项目考评结果为:,现予以公示,公示期为年月日至年月日。
不合格理由:考评单位(公章):年月日注:1、本公示书可从“工程项目监管系统”下载。
2、建筑施工企业对公示的考评结果有异议的应按本《实施细则》第十七条提出异议申请。
临时施工用电验收单表A8-3 项目名称:验收时间:序号验收项目验收内容验收结果1 施工用电管理用电设备5台以上或总容量50KW以上应编制临时用电施工组织设计,必须履行编制、审核、审批程序用电设备5台以下或总容量50KW以下应编制用电和电气防火措施并经上级审批各类用电人员应掌握安全用电基本知识,电工必须是经过国家现行标准考核合格后持证上岗安全技术交底、调试记录、电阻参数测定、电工巡视维修记录等安全技术档案收集整理完毕2 外电防护外电架空线路下方应无生活设施、作业棚、堆放材料、施工作业区在建工程(含脚手架)的外电架空线路的边线之间,必须保持安全操作距离起重机的任何部位或被吊物边缘在最大偏斜时与架空线路边线保持安全距离达不到最小安全操作距离时必须采取防护措施,并挂警告标志牌电气设备四周不得存放易燃易爆等危险介质,避免物体和机械损失或设置防护3 配电线路架空线、电杆、横担应符合规定要求。
架空线路与地面距离:施工现场应大于4m,机动车道应大于6m架空线必须在专用电杆上,不得架设在树木、脚手架上电缆埋地敷设方式、深度应符合规范要求。
过路及地下0.2m 至地上2m应穿管保护电缆架空敷设时应用绝缘子固定,高度不应低于2.5m。
建筑物内电缆沿墙水平敷设高度不应低于2m按规定使用五芯电缆PE线颜色是绿/黄双色线,其截面应不小于工作零线的截面室内配线应用绝缘子固定,距地高度不应低于2.5m,排列整齐。
室内配线必须是绝缘导线4 接地与防雷施工现场TN-S系统中,电气设备的外壳必须与保护零线连接,同一供电系统电气设备接地、接零保护要保持一致电机、电器、照明器具、手持电动工具等不带电金属外壳部分应做保护接零TN-S系统中,保护零线每一处重复接地装置的接地电阻不应大于10Ω,在工作接地电阻允许达到10Ω的电力系统中,所有重复接地的等效电阻不应大于10Ω施工现场内的起重机、物料提升机、塔吊、外架等设备及正在施工的金属结构应按要求安装避雷装置5 配电箱配电系统必须满足总配电箱、二级配电箱、开关箱的三级配电三级保护要求(即逐级配电、逐级保护)每台设备必须有专用开关箱配电箱内有总隔离开关及分路隔离开关。