现代STV7电梯门机调试手册
- 格式:pdf
- 大小:2.61 MB
- 文档页数:28
电梯调试说明书1 参数预设在控制柜上电之前,请确保准确安全的电气连接和机械安装。
1.1 基本参数表按下急停开关,在检修状态下参照功能码一览表正确输入以下相关参数:1.2 楼层显示设置举例:E1.01设定值为3417,电梯在底层时楼层显示“B 1”;E1.02设定值为1617,电梯在第2层时楼层显示“ 1 ”(16xx表示低位居中);点阵楼层显示板还支持以“1x”开头、“A”或“B”结尾的3位字符显示,具体设置方法如下表:设定值6162 6465 6768 7071 7374 7677 7980 8283 8586 8889显示字符10A 11A 12A 13A 14A 15A 16A 17A 18A 19A设定值6163 6466 6769 7072 7375 7678 7981 8284 8587 8890显示字符10B 11B 12B 13B 14B 15B 16B 17B 18B 19B1.3 主板逻辑设置主板P1~P4口输入点的常开/常闭逻辑通过H0.00 和H0.01 来设置,常开时对应位为0,常闭时对应位为1。
H0.00表示P2、P1口的逻辑设定值,以16进制数表示,默认为C0FC:H0.01表示P4、P3口的逻辑设定值,以16进制数表示,默认为C038:当低速梯使用的场合,请把没有安装的强迫减速开关对应点设置为常开属性,否则会影响正常的快车运行。
1.4 轿厢控制板逻辑设置前后门轿厢控制板P1~P16输入点的常开/常闭逻辑通过H1.00和H2.00来设置,常开时对应位为0,常闭时对应位为1。
H1.00表示前门轿厢控制板的逻辑设定值,以16 进制数表示,默认为0000:H2.00表示后门轿厢控制板的逻辑设定值,以16 进制数表示,默认为0000:1.5 门布局设置前后门布局/盲层通过H5 组~H7 组来设置,开门有效时对应位为1,无效时为0。
以16进制数表示,默认H5组均为FFFF, H6组均为0000,H7组均为0000。
电梯调试指南范文在新建楼宇中,电梯是一个必不可少的交通工具。
然而,在安装完电梯后,对其进行相关调试是必要的,以确保其能正常运行并符合安全标准。
以下是一份电梯调试指南,以帮助您在调试电梯时了解基本步骤和常见问题。
1.测试楼层识别系统:-确保电梯能够正确识别楼层,包括在门口安装的楼层显示器和电梯内的按键。
-按下每个楼层的按钮,观察显示器上的数字是否与所在楼层相对应,并确保按钮能够从内部和外部正常触发。
2.测试电梯门系统:-检查门的打开和关闭功能是否正常。
门应在乘客进入或离开电梯时自动打开和关闭。
-检查安全门的功能,确保在发生紧急情况时能够迅速打开并停止电梯。
-观察门的闭合过程,确保门能够正确地对齐、闭合并锁定。
3.测试电梯运行系统:-按下指定楼层的按钮,观察电梯是否及时响应并移动到所选楼层。
-检查电梯的平稳性,确保在启动和停止过程中没有明显的抖动或颠簸。
-检查电梯在停止时是否精准停在楼层门口位置。
4.测试安全系统:-检查电梯的重载保护系统,确保在超载时警报能够触发并停止电梯工作。
-检查紧急停止按钮是否正常工作,并能够立即停止电梯的运行。
-检查在电梯出现异常情况时报警系统是否正常工作,例如电梯停在未指定的楼层或电梯停电等。
-检查电梯的防火系统,确保在发生火灾时,电梯能自动到达指定楼层并打开门。
值得注意的是,在调试电梯时存在一些常见问题,包括:-楼层识别故障:可能是因为楼层传感器损坏或连接不良导致的。
-电梯门关闭困难:可能是由于门扇与门框之间的空隙过小或门导向装置不正常导致的。
-电梯运行不平稳:可能是由于导轨不平整或悬挂机构不正常引起的。
-重载保护系统故障:可能是由于电子传感器故障或设置参数不正确导致的。
-消防故障:可能是由于烟雾传感器或火灾探测器故障引起的。
当遇到这些问题时,可以按照以下步骤解决:1.检查电梯安装是否符合标准要求。
2.检查传感器和开关是否连接正确。
3.检查门和导轨是否安装正确,并修复任何损坏的部件。
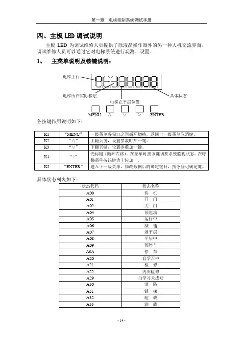
四、主板LED 调试说明主板LED 为调试维修人员提供了除液晶操作器外的另一种人机交流界面。
调试维修人员可以通过它对电梯系统进行观测、设置。
1、 主菜单说明及铵键说明:电梯上行MENU ∧ ∨ > ENTER各按键作用说明如下:2、流程图及参数说明:∧注意:主板LED 的参数修改可参见3.4中的具体介绍。
注意:b04、b05、 b06、b07参数的修改方法与液晶操作器有所差别。
此菜单中的每一位数代表4层楼。
每一位数是16进制。
举例说明:如需设置1层(0001)楼层禁止设置允许,则修改为:举例说明:如需设置1、3层(0101)楼层禁止设置允许,则修改为:举例说明:如需设置1、3、5层(0001 0101)楼层禁止设置允许,则修改为:b04、b05、b06、b07参数的修改方法是相同的。
4、 A4显示参数的设置说明:楼层显示监视菜单(注意:每位数字的右下角圆点位置的变化)这表示电梯在一层时的显示为“1”;如果要把电梯在一层时的显示设置为“-2”,则应进行如下操作:楼层显示监视菜单(注意:每位数字的右下角圆点位置的变化)个位的修改菜单修改成功十位的修改菜单修改成功所设置的数字与显示的对应表:五、常见故障诊断1、运行故障显示(1)在电梯运行中发生的故障,在故障名称列表如右图所示: 电梯在运行中发生故障后,在当前日期和当前时间位置显示当前故障名称 按“ENTER”键消除; 如不能消除,则表示该故障一直存在。
(2)在电梯运行中所处的状态或发生的故障,在LED 主菜单上显示如下:2故障代码表(主板控制屏故障查看时显示)六、系统调试与运行1、通电前的准备(1).按电气原理图检查各部分的连线是否正确。
(2).检查动力线及电机线是否正确。
(3).检查旋转编码器连线是否正确。
(4).检查安全回路、门回路是否通路。
(5).检查各部位接地连线是否符合标准。
2、通电和检查(1).通电后检查测量各回路电压是否正常。
(2).检测安全回路、门回路是否能正常控制。
电梯调试说明书模板一、基准电压的调整1、测量MPU板上MUJ1点调节OCA使电压为5.0 ± 0.05 v2、测量BD(板上TESTUV 4点调节HUV使电压为8.0 ±0.05v3、测量BDC板上TESTOIB 5点调节OVBF使电压为8.0 ±0.05v二、慢车运转的调整1、人为使轿门开关GS闭合。
2、门机电阻箱内15A断开,25A短接。
(SDC上MIC22 及MIC34(FML)不要拔掉)3、F IO板上13号插件的1、2号线短接。
4、操纵箱的[ 灯]、[ 点检灯] 开关转换于[入] 状态。
5、轿内操纵箱的[平常转换于保守] ,即可以在轿箱内操作慢车运转的状态。
6、电梯检修向上、向下点动运行。
三、阶高测定1 、先用检修开至上、下限位两开关动作时,确认轿箱超出平层50mm以外2、检修下行直到下限位动作的位置,保守开关处于正常,点检灯处于专用。
3、资料检索器上操作M0DE1 SET,持续押住START键,直到电梯开始上行运转为止。
4、到达最上层后,确认50B断开。
此时将MPIU勺DIPSW1 转换为ON再等到50B灯亮之后,将DIPSW1转换OFF。
5、阶高测定完后,按MODE RESET复位。
6、最后做一次故障清除。
四、启动舒适感的调整1、60m/min 15人乘以下使用WD0%勺启动补偿调整方法a:先将轿厢下设有20%和110%的微动开关调整精确。
b :载重20%以下,再拨DIP SW1 ON用资料检索器输入MODE33 SET调整启动时的飞出、反转状态。
飞出61B0、61B1调大'向上运转补偿调整.反转61B0、61B1调小」「飞出61B2、61B3调小、向下运转补偿调整反转61B2、61B3调大例: 20%^下下行启动反转补偿调整MODE 33 SET61B2 SETDIP SW切ON**SET(**为修改之值)61B3 SET**SET(**为修改之值)DIP SW1 切OFFMODE RESET注:后面的调整跟范例一样,只是地址码有变化c:20%^上上、下行启动补偿调整:载重20%以上, 再将DIP SW1拨ON用资料检索器输入MODE33 SET调整启动时的飞出、反转状态。
电梯的调试方法电梯安装完成后,需要进行调试和测试,以确保电梯能够正常运行、安全可靠。
以下是电梯调试的一般方法:1. 基本功能测试:- 首先,进行电梯的基本功能测试。
包括检查电梯舱的运行、开关门、停靠等基本功能是否正常运作。
2. 运行测试:- 进行电梯的运行测试,测试电梯的上行、下行、停靠等运行过程是否平稳、流畅。
检查电梯的运行速度是否符合设计要求,以及运行中是否有异常声音或振动。
3. 门系统测试:- 测试电梯的门系统,包括开门、关门、保持门关闭等功能。
检查门的开关动作是否正常,是否能够准确感应乘客的进出。
4. 安全装置测试:- 进行电梯安全装置的测试,包括限速器、超载保护装置、安全触碰板、门锁安全开关等。
测试这些安全装置是否能够在紧急情况下正常触发,并确保电梯能够安全停止或自动触发紧急措施。
5. 电气系统测试:- 测试电梯的电气系统,包括电动机控制器、按钮、指示灯、电气线路等。
检查电气系统的连接是否正确,各个电气部件是否正常工作。
6. 用户界面测试:- 测试电梯的用户界面,包括按钮、指示灯等。
检查用户界面的操作是否灵敏、准确,指示灯是否清晰明确。
7. 紧急情况测试:- 进行紧急情况下的测试,如断电、故障等。
测试电梯是否能够在紧急情况下安全停止,并采取相应的紧急措施。
8. 调整和优化:- 根据测试结果,对电梯进行必要的调整和优化,以确保其运行和功能达到最佳状态。
在进行电梯调试过程中,需要严格遵守相关的安全标准和法规,确保调试过程安全可靠。
如果在调试过程中发现任何问题,应及时进行排查和修复,直至问题完全解决。
完成调试后,需要进行相应的验收和审批,确保电梯符合安全标准并能够正常投入使用。
现代电梯stvf7系统故障维修经验分享!刚接手,现代电梯,stvf7系统,带-2共7层。
故障现象:所有外呼显示三个点,呼梯失效,电梯内选可用,下行没问题,上行层层停,下行至底层-2层时门开一半门机就失电,电梯报故障。
处理过程:电梯在-2层门开一半门机失电,电梯报故障,检修的话电梯可正常开关门,检查门机系统和门信号没有,检修可以运行。
先是怀疑撞弓在-2压换速太少,检查发现没问题。
然后电梯上行快车有,就是层层停,怀疑就是换速的事儿了,先是查了下换速,开关没问题接线没问题。
然后是检查上换速依然没问题,因为刚接手,没有密码,服务器进不去,实在没办法了,照图捋线,在机房呆着下面试开关,依然没问题,这下懵了。
请教高手只说应该是换速问题,让我们查。
没办法,又从开关开始捋线一直到机房,依然没有任何问题,最后实在没办法,倒机房插件板,倒的时候,发现个问题,插件板上一级换速接线的地方甩着一根小线头,不知道是为啥,跟两个小徒弟商量半天,认为是一根封线。
因为线很短最多也就跟旁边接线做个封线,其他地方哪都够不着。
然后根据封线长度所能够到的所有线号一一排除,最后只有一个线号可以短接不会有危险,而这根线竟然是二级换速线一封上,电梯马上运行正常也不层层停了,也不-2故障了tmd一个7层一米梯速的电梯哪儿来的二级换速,只有上行换速有封线,下行换速没有。
最后总结,应该是安装遗留问题,安装的时候八成是把线接错了,一次换速线接到了二级换速信号上,装的时候嫌倒线麻烦直接给并了线到一级换速信号上,反正二级换速信号也没用!靠!电梯正常上下行了。
再说外呼的事儿,所有外呼显示3个点,拆掉其中一块到别的电梯一试正常,怀疑供电电压问题,测量没问题,然后检查通讯信号,也没问题,纠结,是不是其中一块板子有问题影响所有,拆掉所有板子,一块一块装,每一块都照旧。
没办法了,用老一套,捋线!从机房出来开始查,慢车轿顶一直捋到-2没发现有问题。
没办法了,同上,求教高手,高手提示检查通讯信号跟终端,好吧,信号没问题只剩终端了,关键是找了一圈没找到终端……再打电话求教,自己都觉得脸烫。
目录1.注意事项........................................................................... . (2)2.端子名称和线号 (2)3.按键名称和基本操作 (2)4.接线图 (3)5.开关门曲线说明 (4)6.基本调试1 (6)7.基本调试2 (6)8.功能参数表 (8)9.监控和故障显示 (11)1、注意事项1.必须由具有专业资格的人员才能对控制器进行调试、维修或检查。
操作前请仔细阅该使用手册。
2.确认输入电源处于完全断开的情况下,才能进行配线作业。
3.不要把输入端子(L,N)与输出端子(U,V,W) 混淆,否则会损坏控制器。
4.将控制器的接线地端子可靠接地,否则有触电危险。
5.通电情况下,不要用手触摸控制端子,否则有触电危险。
6.在充电指示灯彻底熄灭或正负母线电压在36V以下时进行,否则有触电的危险。
7.防止螺钉,垫片及金属之类的异物掉进变频器内部,否则有火灾及损坏财务的危险。
8.主回路接线用电缆端头的裸露部分,一定要用绝缘胶带包扎好,否则有损坏财物的危险。
、端子定端子名电缆线号(颜色端子功能说L / N / 褐兰黄单相交流电源输入端U / V / U/V/电机接线端1开关门输入公共端COM2开门命令常开输入N23#关门命令常开输入(NO)3--*开门限位常闭输入(NC)4--*关门限位常闭输入(NC)6--*开门换速常闭输入(NC)7--*关门换速常闭输入(NC)C2-C34#到位输出公共端(COM2)A25#开门到位常闭输出(NC)A36#关门到位常闭输出(NC)C备用故障输出公共端(COM3)B1故障常闭输出(NC)A1故障常开输出(NO)注: 1、--*为控制器内部接线,不在6芯控制电缆线内。
2、控制端子第1~7号端子请连接无电压接电信号或开路集电极信号。
信号端电压为+12VDC ,输入公共端8为负。
3、按键名称和基本操作3、1 按键名称3、2 按键基本操作以改变参数P05为15为例:按键次序显示内容4、接线图按键进入参数修改或按或改变参按键确认修改后的参数按模式切换键回到通电显示状态注意: 在配接开关门到位输出电缆线时,要确认门控制器输出的逻辑状态与控制柜接收的逻辑相符,门控制器的出厂状态是常闭输出.用户要根据主控制柜实际情况选择到位输出的逻辑状态.( 端子A2)--开到位常开输出,(端子A3)--关到位常开输出, (端子C2-C3 )--输出公共端5、开关门过程说明5、1 开门过程1、以力矩提升为P05、加减速时间为d28,频率 d15启动,再以加减速时间d29,目标值为d16进入开门起始低速运行。
NC L NC N W NC V U NC2 3 4 5 6 7 8 9 10 11 12 13 14 15 16 17 18 19 20 21图1-3 A1型变频器基本接线示意图NC L NC N W NC V U NC1 2 3 4 5 6 7 8 9 10 11 12 13 14 15 16 17 18 19 20 21 22图1-6 A2型变频器基本接线示意图二、注意事项1、适配编码器A1型变频器可选用三种编码器输入信号——推挽、开路集电极、差分编码器。
A2型变频器可选用两种编码器输入信号——推挽和开路集电极编码器。
A1和A2型门机变频器都必须选用24V电源、小于1024脉冲数的编码器。
2、适配电机类型电梯门机专用变频器适用于三相220V交流电机,110V和380V的电机通过转换也可以使用:(1)380V ‘Y’形接线的电机要换成‘▲’形接线(2)110V的电机有部分可以用:换算关系:50Hz×110V / 电机名牌的额定频率≈UeUe在220V左右的电机也可以用。
3、编码器和U、V、W接线确认编码器A、B相不要接反,监视参数U9:开门过程U9增大,关门过程U9减小。
电机的三相U、V、W相序不要接错,开门指令时,电机进行开门运行,反之关门运行。
4、开、关门力矩调整矢量控制(F03=0)时,调整F51可以调节输出力矩;矢量控制时门机变频器可以根据门的重量自动进行相应的力矩输出。
V/F控制(F03=1/2/3)时,调整F34可以调节输出力矩,调节F64~F71可以降低电机的抖动。
5、开、关门保持力矩调整调整F30、F31可以调节开、关门力矩保持时的力矩大小。
调整F33可以调节开、关门力矩保持时的速度大小。
6、获取门宽数据的方法(1) 通过自学习得到门宽数据;(2) 门机断电,把门推到关门到位位置后,门机上电,慢慢把门拉到开门到位位置,参数U9里面的数据就是门宽数据;(3) 变频器在选用编码器时,将电梯门从关门到位状态运行至开门到位状态,观察编码器大约转了几圈,相应的计算:门的总脉冲数= 编码器转动的圈数×4 ×编码器脉冲数7、端子控制设置(只适用于A2门机)F03=3端子控制时,必须先设定限位端子的常开、常闭状态;端子控制时要注意设置F40和F41。
电梯调试方案调试电梯是确保其安全和正常运行的关键步骤。
下面给出一个电梯调试方案的详细步骤。
1. 安装电梯在开始调试之前,首先需要确保电梯已被正确安装。
安装过程应遵循相关的法规和标准,并由合格的技术人员进行。
确认电梯已被正确连接到电源,并检查所有的电气和机械部件是否被正确安装。
2. 基本功能测试对电梯的基本功能进行测试是调试的第一步。
这包括:- 检查电梯门的打开和关闭操作是否正常。
- 测试电梯的上下运行功能,确保它能在不同层之间运行。
- 确保电梯报警和紧急停止功能正常工作。
3. 电气系统测试在进行电气系统测试之前,需要仔细检查电梯的电气线路,包括控制面板、按钮和传感器。
电气系统测试的步骤包括:- 测试按钮和指示灯,确保它们的操作正常并与电梯的运动一致。
- 检查限位器和门锁传感器,确保它们能够及时检测到门的位置并停止电梯的运动。
- 检查紧急通讯设备,确保它能够与外部联系中心进行通信。
4. 机械系统测试对电梯的机械系统进行测试是确保其正常运行的重要一步。
这包括:- 检查电梯的悬挂系统和导轨,确保它们没有松动或损坏。
- 测试电梯的平衡系统,确保电梯在运行期间保持平衡。
- 检查电梯的刹车系统,确保它们能够及时停止电梯的运动。
5. 安全系统测试安全系统测试是电梯调试的最后一步。
这包括:- 检查电梯的重载保护装置,确保它能够监测电梯的载荷并防止超载。
- 测试门的安全装置,确保它们能够检测到任何障碍物并停止门的关闭。
- 检查紧急救援系统,确保它能够在停电或其他紧急情况下将乘客安全地释放出电梯。
以上是一个电梯调试的基本方案。
调试的详细步骤可能因不同的电梯型号和制造商而有所不同。
在进行调试之前,务必仔细阅读电梯的操作和维护手册,并按照制造商的说明进行操作。
同时,调试过程中应遵循相关的安全标准和法规,确保调试的安全性和合法性。
参考资料:- 王亚东,彭德金,尹明亮,彭军. ELEVATOR与ESCALATOR调试检验技术,电梯与自动扶梯,2015(4):11-14。
目录一、准备工作A.调试时必须具备的条件B.资料准备C.仪表准备二、送电前的检查工作A. 现场机械装配检查及确认B.电气装配检查及确认C.编码器装配的检查三、控制系统、整机送电进行调试A.通电后的检查工作B.电机参数自学习C.慢车系统运行调试D.快车系统运行调试E.机械相关因数的调整F.制动器调整G.各运行部分加油H.安全钳、限速器等试验I.电梯整机性能调试调试过程中的一些常见故障的判断一、准备工作A.调试必须具备的条件1.电梯调试原则:1)必须保证电梯运行的安全性。
电梯运行的安全性包括人身安全和设备安全。
人身安全:必须保证自身安全和他人安全。
设备安全:必须保证电气设备和机械设备安全。
2)必须保证电梯运行的可靠性。
通过调试和检查,消除各种电梯故障隐患,提高电梯运行可靠性。
在保证电梯安全、可靠运行的基础上,兼顾运行效率,将电梯舒适感调试至最佳状态。
与电梯运行舒适感相关的因素主要有:a.机械因素:(导轨垂直度、表面平整度、连接处,导靴松紧度,钢丝绳张力均匀度等)。
b.运行曲线相关参数设置:(加速度,减速度,S曲线弯角时间,起动抱闸延时,停车抱闸延时等)。
c.矢量控制相关PI参数设置。
(比例增益,积分时间等)。
机械系统各方面的工作配合状态是决定电梯运行舒适感的最根本性因素。
b、c两点为电气因素,由PC 机和变频器参数设置调整。
电气参数只能是协调机械系统,对电梯运行舒适感作进一步改善。
如果机械系统方面存在着问题而影响舒适感的话,PC参数和变频器参数也只能是改善舒适感更好一些,而无法根本改变机械缺陷。
这一点要引起我们调试及相关技术人员足够的重视。
我们调试的目的:就是在保证电梯安全性和运行可靠性的前提下,协助电梯安装人员调整好电梯机械系统的各部件工作配合状态的同时,调整好PC机程序相关参数和变频器参数以进一步改善舒适感,使舒适感达到最佳的状态,测试并确认各项功能正常。
2.舒适感的性能指标1)电梯起动舒适感:起动是否平衡,有无台阶感、振动等;2)电梯高速运行中舒适感:高速运行是否平衡,有无振动、晃动等;3)电梯停车舒适感:平层停车是否平衡可靠,有无制动感、振动等;以上三点舒适感须作重点考虑,重点调试。
HIDC-INT2/41门控制装置手册上海现代电梯制造有限公司目录1. 概述 (1)2. 规格 (1)3. 系统原理图 (2)4. 外部接插件 (3)4.1 控制和电源接插件 (3)5. HHT 操作 (4)5.1 HHT 显示和键 (4)5.2 HHT 菜单流程图 (4)5.3 模式选择 (5)5.4 编程模式中的数据设置 (5)5.5 控制菜单复位 (7)5.6 校准 (8)5.7 SPROM 初始化 (9)6. 菜单数据 (11)6.1 监控菜单 (11)6.2 项目菜单 (14)7. 参数说明 (17)7.1 控制菜单 (18)7.2 界面菜单 (21)附件 A. 测试引脚功能使用说明 (23)附件 B. 模拟输出功能使用说明 (24)附件 C. 跳线功能使用说明 (24)基本命名规则HIDC - INT 2 I可配用电动机I: 感应电动机S: 同步电动机D: 直流动电机变频器功率2: 200W 4:400WINT: 综合的产品型号Hyundai 智能门控制器版本M2 3.00版本可用变频器M2: HIDC-INT2IM4: HIDC-INT4I特定序列号W J0301001序列号(月)生产月份(01:1 月)制造年份(03:2003 年)组装公司WJ: WoojinHS: Hansa上海现代电梯制造有限公司1. 概述HIDC-INT2/4I 是配备感应电动机的高级门机变频控制器.此产品采用DSP 实现电机的矢量控制,应用编码器反馈的电机转子位置获得稳定的速度控制.您可以通过HHT-2000 来监测和设置数据参数.由于门机故障将通过HHT-2000 显示出来,所以您可以及时处理这些故障.必要的话,也可通过示波器来观测DAC 输出.2. 规格HIDC-INT2I HIDC-INT4I输入电源单相AC 220 V ±15% / 60 Hz ±5% (输入电压线不能接到接地端 )适用电机3Φ AC220V, 200 W, 6P, 1.2 A3Φ AC220V, 400 W, 4P, 1.9 A 适用编码器2500 ppr,线驱动, 5Vdc控制类型有速度传感器矢量控制控制信号输入开门/关门信号(OP, CL, NUD), 到位信号(OPL, CLL), 复位信号( RST ),编码器信号(A,/A,B,/B)继电器输出 3 种( OPL, CLL, 30B ), 1 常闭触点保护功能欠压, 过压, 过流, 超载, 编码器故障※由于此变频器是现代电梯公司门机系统的高级变频器,不配用其他系统,如果您需要, 请和开发负责人联系 .3. 系统原理图4.外部接插件4.1 控制和电源接插件接口符号名称功能24V 24 V 电源关门限位开关的电源,输出CN13 CM 公共线 ( 0 V ) 关门限位开关的公共线,输出CLL 关门限位信号关门限位开关,输入24V 24 V 电源开门限位开关的电源,输出CN12 CM 公共线 ( 0 V ) 开门限位开关的电源, 输出OPL 开门限位信号开门限位开关,输入OPLB PL B 触点开门限位开关信号常闭触点, 输出OPLC PL C 触点开门限位开关信号常开触点, 输出CLLB LL B 触点关门限位开关信号常闭触点, 输出CLLC LL C 触点关门限位开关信号常开触点, 输出30B 0 B 信号门机变频器故障信号,输出CN10 LDT 载检测信号门机变频器负载检测信号 ,输出OP 门命令门机开门命令,输入CL 关门命令门机关门命令输入NUD 迫关门命令门机强迫关门命令, 输入RST 位命令变频器复位命令输入CM 控制电源公共线 (0V) 控制电源公共线,输入CN9 24V +24 V 电源+ 24 V 电源输入CM 公共线 ( 0 V ) + 24 V 公共线 ( 0 V ), 输入VEN 编码器电源线( 5 V ) 编码器电源 ( 5 V ), 输出0VE 编码器公共线 ( 0 V ) 编码器公共线( 0 V ),输出CN8A A 相 A 相,输入/A /A 相/A 相,输入B B 相 B 相,输入/B /B 相/B 相,输入R AC 220 V 输入门机变频器的输入电源端口S AC 220 V 输入门机变频器的输入电源端口CN1 U 变频器输出, U 相输出端口, 变频器U 相V 变频器输出, V 相输出端口, 变频器V 相W 变频器输出, W 相输出端口, 变频器W 相FG FG 变频器接地门机变频接地5 HHT 操作5.1 HHT 显示和键LCD 显示2 行x 16字符(总共32 字符) - 减少项目数量- 在可编模式增加数据值.UPESC ENT- 移至副菜单在可编模式存储数据DN- 移至上层菜单.- 在可编模式,删除编辑的数值. -增加项目数量.- 在可编模式下减少数据值5.2 HHT 菜单流程图ESCENTESC ESCH Y U N D A I E L E V A T O RD O O R I NVERTER01 M ONITOR 01 B ASICENT ENT01 REF RPM02 FBK RPMUP D N UP D NESC02 I/O0123456789ABCDEFENTUP D NUP D NESC03 E R R O RENTERROR1ERROR2UP D N ESC ESC02 P R O G R A M01 C O N T R O LENT EN T01 OP Start sec02 OP Start SpdUP D N UP D NESC02 I NTERFACEENT01 DAC Ch1 SLT02 DAC Ch1 MaxUP D N UP D N03 F A C T O R YPASSWORDESCENTHIDC 的键盘菜单如图5.2 所示的4 层结构。
欧宾电梯调试方案项目编制:苏新会审核:许金龙批准:黄建平欧宾机电科技(昆山)有限公司年月日电梯调试具体内容1.电梯的调试运行阶段,请务必在井道、轿厢内无人的情况下进行!否则可能发生重大事故!为了便于调试员的调试,以下列出电梯调试时的顺序,在外围回路、机械安装完全到位的情况下方可进行调试。
1.1慢车调试前检查。
电梯进入调试阶段,正确的调试是电梯正常安全运行的保障。
在调试时最少应有两人同时作业。
若出现异常情况应立即切断电源。
1.1.1现场机械、电气接线的检查。
在系统上电前要进行外围接线的检查,确保人身及各部件的安全。
1)检查器件型号是否匹配。
2)安全回路导通。
3)门锁回路导通且要可靠。
4)井道畅通,轿厢无人,并且具备适合电梯运行的条件。
5)接地良好。
6)外围按照厂家图纸正确接线。
7)每个开关工作正常、动作可靠。
8)检查主回路相间阻值,检查是否存在对地短路现象。
9)确认电梯处于检修状态。
10)机械部分安装到位,不会造成设备损坏或人身安全。
1.1.2编码器的检查。
编码器反馈的脉冲信号是系统实现精确控制的重要保证,特别是对同步电机的电梯,其安装不好很可能在慢车调试时出现飞车现象。
所以在调试之前要着重检查.1)检查编码器安装是否稳固,接线可靠。
2)检查编码器信号线与强电回路是否有分槽布置,防止干扰。
3)编码器连线最好直接从编码器连到控制柜,若连线不够长,需要延长时,则延长部分也应该用屏蔽线,与编码器连接处用烙铁焊接。
4)编码器屏蔽层在控制器一端接地可靠。
1.1.3电源检查。
1)系统上电之前要检查用户电源。
其相间电压在380V15%以内,每相不平行度不大于3%。
2)主控板控制器进电24间进电电压为24V.3)检查总进线及开关容量应达到要求。
注意:系统进电电压超出允许值会造成破坏性后果,要着重检查,直流电压应注意正负极。
系统进电处缺相时请不要动车,以免发生事故。
1.1.4接地检查1)检查下列端子与接地端子之间的电阻是否无穷大,如果偏小请立即检查原因。
上海现代电梯制造有限公司目 录1. 概述 (1)2. 规格 (1)3. 系统原理图 (2)4. 外部接插件 (3)4.1 控制和电源接插件 (3)5. HHT操作 (4)5.1 HHT 显示 和键 (4)5.2 HHT 菜单流程图 (4)5.3 模式选择 (5)5.4 编程模式中的数据设置 (5)5.5 控制菜单复位 (7)5.6 校准 (8)5.7 SPROM初始化 (9)6. 菜单数据 (11)6.1 监控菜单 (11)6.2 项目菜单 (14)7. 参数说明 (17)7.1 控制菜单 (18)7.2 界面菜单 (21)附件 A. 测试引脚功能使用说明 (23)附件 B. 模拟输出功能使用说明 (24)附件 C. 跳线功能使用说明 (24)基本命名规则版本特定序列号1. 概述HIDC-INT2/4I 是配备感应电动机的高级门机变频控制器.此产品采用DSP实现电机的矢量控制,应用编码器反馈的电机转子位置获得稳定的速度控制.您可以通过HHT-2000来监测和设置数据参数.由于门机故障将通过HHT-2000显示出来,所以您可以及时处理这些故障.必要的话,也可通过示波器来观测DAC输出.2. 规格HIDC-INT2I HIDC-INT4I输入电源 单相AC 220 V ±15% / 60 Hz ±5% (输入电压线不能接到接地端 )适用电机 3Φ AC220V, 200 W, 6P, 1.2 A3Φ AC220V, 400 W, 4P, 1.9 A 适用编码器 2500 ppr,线驱动, 5Vdc控制类型 有速度传感器矢量控制控制信号输入 开门/关门信号(OP, CL, NUD), 到位信号(OPL, CLL), 复位信号( RST ),编码器信号(A,/A,B,/B)继电器输出 3 种( OPL, CLL, 30B ), 1常闭触点保护功能 欠压, 过压, 过流, 超载, 编码器故障※ 由于此变频器是现代电梯公司门机系统的高级变频器,不配用其他系统,如果您需要,请和开发负责人联系 .3. 系统原理图4.外部接插件4.1 控制和电源接插件接口 符号 名称 功能24V 24 V 电源 关门限位开关的电源,输出 CN13CM 公共线 ( 0 V ) 关门限位开关的公共线,输出CLL 关门限位信号 关门限位开关,输入24V 24 V 电源 开门限位开关的电源,输出 CN12CM 公共线 ( 0 V ) 开门限位开关的电源, 输出OPL 开门限位信号 开门限位开关,输入OPLB PL B 触点 开门限位开关信号 常闭触点, 输出OPLC PL C 触点 开门限位开关信号 常开触点, 输出CLLB LL B触点 关门限位开关信号 常闭触点, 输出CLLC LL C 触点 关门限位开关信号 常开触点, 输出30B 0 B 信号 门机变频器故障信号,输出 CN10LDT 载检测信号 门机变频器负载检测信号 ,输出OP 门命令 门机开门命令,输入CL 关门命令 门机关门命令 输入NUD 迫关门命令 门机强迫关门命令, 输入RST 位命令 变频器复位命令输入CM 控制电源公共线 (0V) 控制电源公共线,输入24V +24 V电源 + 24 V 电源 输入CN9CM 公共线 ( 0 V ) + 24 V 公共线 ( 0 V ), 输入VEN 编码器电源线( 5 V ) 编码器电源 ( 5 V ), 输出0VE 编码器公共线 ( 0 V )编码器公共线( 0 V ),输出A A相 A相,输入CN8/A /A相 /A相,输入B B相 B相,输入/B /B相 /B相,输入R AC 220 V 输入 门机变频器的输入电源端口S AC 220 V 输入 门机变频器的输入电源端口 CN1U 变频器输出, U 相 输出端口, 变频器U相V 变频器输出, V相 输出端口, 变频器V相W 变频器输出, W相 输出端口, 变频器W相 FG FG 变频器接地 门机变频接地5 HHT 操作5.1 HHT 显示和键5.2 HHT菜单流程图HIDC的键盘菜单如图5.2所示的4层结构。
现代电梯操作指南一.机房MCPU板no、cd闪亮(MCPU与轿顶板通信不正常)调整方法:1、2开关拨上1:A0B055ENT5秒2:A0B2AAENT5秒3:A0E200ENT5秒4:A0E000ENT5秒5:清零二.近期故障检查:1开关拨上A0D02。
最近第一次故障4。
最近第二次故障6。
最近第三次故障8。
最近第四次故障………..复位方法:机房检修1、2开关拨上A O A E 0 1 。
ENT 5秒清零三.更换MCPU板芯片后操作方法:1、2开关拨上A20001ENT5秒A05A01ENT5秒清零检查方法:1开关拨上正常正常四.爬行速度的调整方法:1.单层短运行:3开关拨上: :3 13402 1360 (上)1 1380E n s d s 0 1400 (下)1 14202 14403 1460: :2.多层长运行:3、4开关拨上: :3 21402 2160 (上) 1 2180E n L d l 0 2200 (下) 1 22202 22403 2260: :五.机房控制快车运行的方法:1、2开关拨上楼层047C01ENT102EMT204ENT308ENT410ENT520ENT640ENT780ENT8047D01ENT902ENT1004ENT1108ENT1210ENT1320ENT1440ENT1580ENT16047E01ENT1702ENT1804ENT19047E08ENT2010ENT2120ENT2240ENT2380ENT24六.设定电梯是否返基站的方法:1.1、2开关拨上A00001ENT清零2.1、2开关拨上A00C01ENT不返基站A00C00ENT返基站3.检查方法:1开关拨上A00C01不返基站A00C00返基站七、设定错误按钮功能:1、机房检修,1、2开关拨上2、A05A 01 有ENTA05A 00 无 E N I 3、清零关电送电八、投入和取消并联和RMSA002 00 正常A002 01 消除并联A002 02 消除RMSA002 03 消除并联和RMS。
上海现代电梯制造有限公司目 录1. 概述 (1)2. 规格 (1)3. 系统原理图 (2)4. 外部接插件 (3)4.1 控制和电源接插件 (3)5. HHT操作 (4)5.1 HHT 显示 和键 (4)5.2 HHT 菜单流程图 (4)5.3 模式选择 (5)5.4 编程模式中的数据设置 (5)5.5 控制菜单复位 (7)5.6 校准 (8)5.7 SPROM初始化 (9)6. 菜单数据 (11)6.1 监控菜单 (11)6.2 项目菜单 (14)7. 参数说明 (17)7.1 控制菜单 (18)7.2 界面菜单 (21)附件 A. 测试引脚功能使用说明 (23)附件 B. 模拟输出功能使用说明 (24)附件 C. 跳线功能使用说明 (24)基本命名规则版本特定序列号1. 概述HIDC-INT2/4I 是配备感应电动机的高级门机变频控制器.此产品采用DSP实现电机的矢量控制,应用编码器反馈的电机转子位置获得稳定的速度控制.您可以通过HHT-2000来监测和设置数据参数.由于门机故障将通过HHT-2000显示出来,所以您可以及时处理这些故障.必要的话,也可通过示波器来观测DAC输出.2. 规格HIDC-INT2I HIDC-INT4I输入电源 单相AC 220 V ±15% / 60 Hz ±5% (输入电压线不能接到接地端 )适用电机 3Φ AC220V, 200 W, 6P, 1.2 A3Φ AC220V, 400 W, 4P, 1.9 A 适用编码器 2500 ppr,线驱动, 5Vdc控制类型 有速度传感器矢量控制控制信号输入 开门/关门信号(OP, CL, NUD), 到位信号(OPL, CLL), 复位信号( RST ),编码器信号(A,/A,B,/B)继电器输出 3 种( OPL, CLL, 30B ), 1常闭触点保护功能 欠压, 过压, 过流, 超载, 编码器故障※ 由于此变频器是现代电梯公司门机系统的高级变频器,不配用其他系统,如果您需要,请和开发负责人联系 .3. 系统原理图4.外部接插件4.1 控制和电源接插件接口 符号 名称 功能24V 24 V 电源 关门限位开关的电源,输出 CN13CM 公共线 ( 0 V ) 关门限位开关的公共线,输出CLL 关门限位信号 关门限位开关,输入24V 24 V 电源 开门限位开关的电源,输出 CN12CM 公共线 ( 0 V ) 开门限位开关的电源, 输出OPL 开门限位信号 开门限位开关,输入OPLB PL B 触点 开门限位开关信号 常闭触点, 输出OPLC PL C 触点 开门限位开关信号 常开触点, 输出CLLB LL B触点 关门限位开关信号 常闭触点, 输出CLLC LL C 触点 关门限位开关信号 常开触点, 输出30B 0 B 信号 门机变频器故障信号,输出 CN10LDT 载检测信号 门机变频器负载检测信号 ,输出OP 门命令 门机开门命令,输入CL 关门命令 门机关门命令 输入NUD 迫关门命令 门机强迫关门命令, 输入RST 位命令 变频器复位命令输入CM 控制电源公共线 (0V) 控制电源公共线,输入24V +24 V电源 + 24 V 电源 输入CN9CM 公共线 ( 0 V ) + 24 V 公共线 ( 0 V ), 输入VEN 编码器电源线( 5 V ) 编码器电源 ( 5 V ), 输出0VE 编码器公共线 ( 0 V )编码器公共线( 0 V ),输出A A相 A相,输入CN8/A /A相 /A相,输入B B相 B相,输入/B /B相 /B相,输入R AC 220 V 输入 门机变频器的输入电源端口S AC 220 V 输入 门机变频器的输入电源端口 CN1U 变频器输出, U 相 输出端口, 变频器U相V 变频器输出, V相 输出端口, 变频器V相W 变频器输出, W相 输出端口, 变频器W相 FG FG 变频器接地 门机变频接地5 HHT 操作5.1 HHT 显示和键5.2 HHT菜单流程图HIDC的键盘菜单如图5.2所示的4层结构。
第一层菜单, LCD上显示现代门机变频器标志. 第二层菜单,由MONITOR和PROGRAM组成的.第三层菜单, MONITOR是由Basic, I/O, 和 Error组成的; PROGRAM是由CONTROL, INTERFACE,FACTORY组成的. 第四层菜单,为每个参数的设定值. 参数的具体应用将在第6章内列明.5.3 模式选择在LCD上显示的光标表示的是当前模式. 如要进入子菜单,按ENTER键盘,如图5.3-1所示键,如图5.3-2所示.如要移至上层菜单(先前所选菜单),按ESC通过向上和向下来选择所要的编程模式菜单之后,按ENTER键进入数据设置模式.此时,如你同时按UP和DOWN键,光标左右移动.此时当你按UP或DOWN时,该数据将增加或减少,符号更改为(+)或(-).举例说明.如下图所示更改OP START SEC的值.现将其值从0.75(控制菜单第一个数据)改为0.76.1. 移至02_PROGRAM->01_CONTROL->01_OP_Start_sec2. 按ENTER键来进入编辑模式.此时光标位于右边边缘.3. 同时按UP和DOWN键, 当前光标向左移一格;当光标在左边边缘时,如果您同时按UP和DOWN键,光标移至右边边缘.4. 通过使用UP和DOWN键,您可以更改想要的数值.如果更改其他参数值,请从3开始重复操作.5. 在设置完数值后,按ENTER键,当前的数值将被存储,光标移至第一行,如果你按ESC键,数值不被存储,返回原数值.※ 如果门机变频器运行 (控制面板的RUN LED亮 ),修改的参数不能被存储.因此,如果你要修改参数,需将39_CL_0_RUN_USE 改为"OFF[0]"并将门机处于关门状态. 但是,如果参数38_Keypad_Run的设定值为“ON[1]”,那么可以更改参数37_Keypaad_Cmd的值来控制门机运行.完成上述设置后将39_CL_0_RUN_USE改回“ON[1]”.断电之后,重新上电恢复至正常的驱动状态。
5.5 控制菜单复位如果"02_PROGRAM -> 02_INTERFACE -> 14_CTRL_Init" 更改为"ON", "02_PROGRAM -> 01_CONTROL"中所有数据复位为出厂数值 .1. 移至 02_PROGRAM -> 02_INTERFACE -> 14_CTRL_Init2. 按ENTER键,进入编辑模式 .3. 按UP键 将其值改为"ON"4. 按ENTER键确认,控制菜单中的数据更改为出厂数值5. 在数据设置完成之后,此数据值自动的回到"OFF".5.6 校准在首次安装过程中测量整个门宽长度或更改02_CONTROL菜单中3_System_Ratio, 36_Motor_Select或更换了门机变频器.重做门宽测量,便是校准 .※如果门机非标准或马达相序顺序不正常,请校准确认.1. 请确认门机变频器和马达连接正确.当开门时从带轮侧观察,马达的旋转方向应是逆时针的.如果是顺时针,请更换变频器和马达的UVW相序顺序.2. 确认在门机变频器中的测量速度的数值.当门处在开门状态时,如果Monitor -> Basic -> FBK Rpm 的数值为 (+), 请参考附件C 将变频器控制板的跳接CON2连接至1-2 或 2-3.※ 校准前确认1. 检查开门到位开关和关门到位开关是否正常当门机完全打开时,正常情况下OPL LED亮;当门机完全关闭时,正常情况下CLL LED 亮.2. 在完全开门状态下门机仍处于运行状态.因此,参数不能更改,校准无法运行.同理,只有在完全关门状态或中间状态 (OPL LED灭,CLL LED不亮)的情况下,才可进行校准操作.※ 校准的过程必须按照以下程序进行1. 更改 "02_PROGRAM -> 01_CONTROL -> 38_Keypad_Run" 为 ON[1].如果不标准,请从第2条到第5条操作.2. 在"02_PROGRAM -> 01_CONTROL -> 36_Motor_Select"选择安装电机的功率.(200W, 6P = 200IM[0]; 400W, 4P = 400IM[1])3. 在02_PROGRAM -> 01_CONTROL -> 35_Door_Type中选择门机类型.(中分 = CO[0]; 侧开 = SO[1])4. 在02_PROGRAM -> 01_CONTROL -> 34_JJ修改开门宽度(JJ).5. 在 02_PROGRAM -> 01_CONTROL -> 33_System_Ratio修改门系统比率.6. 在02_PROGRAM -> 01_CONTROL ->32_Calibration设定为1, 运行校准.此时,校准的过程和门运行状态不同1. 如果是完全关门状态 ( OPL LED灭, CLL LED亮 )开门至慢行速度 -> CLL LED灭-> 慢行速度 持续一秒->关门至慢行速度 -> CLL LED亮-> 开门至慢行速度 ->OPL LED 亮 -> 关闭至自动模式-> 自动运行状态2. 其他状态 ( OPL LED灭, CLL LED灭或OPL LED亮, CLL LED灭 ) 关门至慢行速度 -> CLL LED亮 -> 开门至爬行速度 -> OPL LED亮 -> 关门至自动模式 -> 自动运行状态.7. 在校准完成之后, 02_PROGRAM -> 01_CONTROL -> 32_Calibration 更改为"2" 和02_PROGRAM -> 01_CONTROL -> 38_Keypad_Run更改为 "0" 且测量的总的门的距离将被记录 在02_PROGRAM ->01_CONTROL-> 31_Total_Length中. 作为自动运行模式,是以运行命进行驱动.8. 如果测量尺寸比JJ尺寸的1/3还短或超过2倍,则被判定为校准错误. 所以02_PROGRAM -> 01_CONTROL -> 32_Calibration 和02_PROGRAM ->01_CONTROL -> 31_Total_Length 依然为 "0". 同样门机不处于自动运行状态的爬行速度.※如果状态没校准,或者存储 '0', 无论在开门或关门时变频器都将停止工作.因此,尽管设了10_OP_Lock_Force 和19_CL_Lock_Force但门仍可以移动.5.7 SPROM 初始化如果将所有的数据都改为出厂设定值或者发生版本错误.必须初始化SPROM .1. 移至 02_PROGRAM -> 02_INTERFACE-> 11_SPROM_Init.2. 按 ENTER 键,进入编辑模式3. 按 UP 键, 更改参数数值为"ON"4. 按 ENTER 键将变频器所有的数据设置为出厂值.5. 当数据修改完成后, 门机变频器自动复位,显示现代门机变频器标识.6. 菜单数据6.1 监测菜单 6.1.1 基础菜单* 你可监测每项的当前状态.项目功能名称 单位 注释01_REF_RPM rpm 显示给定电机转速值 02_FBK_RPM rpm 显示电机转速测量值 03_REF_MMPS mmps 显示门机速度给定值 04_FBK_MMPS mmps 显示门机速度测量值 05_DC_VoltVdc显示直流电压 06_Running_mmmm 显示门机的移动长度 07_Rth - 显示IPM 温度 08_Iu_Offset A 显示U 相补偿电流 09_Iw_Offset A 显示W 相补偿电流10_RMS_Current Arms 显示变频器输出到RMS 电流 11_D-REF_MMPS mmps 显示减速曲线起始段给定速度值 01 BASIC12_D-FBK_MMPSmmps显示减速曲线起始段测量速度值6.1.2 IO 菜单门机变频器的输入/输出信号显示.① - 开门命令, 输入, 当输入"开门"命令, OP LED "亮" ② - 关门命令, 输入, 当输入"关门"命令, CL LED "亮" ③ - 开门到位信号, 输入, 有"开门到位信号"时, OPL LED "亮" ④ - 关门到位信号, 输入, 有"关门到位信号"时, CLL LED "亮" ⑤ - 强制关门信号, 输入, 当输入"强制关门"命令时, NUD LED "亮" ⑥ - 故障复位信号, 输入, 有"故障复位信号"时, RST LED "亮"⑦ - 开门减速命令, 输入, 当输入的命令是 "开门减速", 则 OPD LED "亮" ⑧ - 关门减速命令, 输入, 当输入的命令是"关门减速" , 则CLD LED 亮⑨ - 30B(变频器出错), 继电器输出, 如果变频器错误, 30B 继电器 (U18)失电ⓐ - 看门狗状态,输出,看门狗灯亮 (绿色)ⓑ - 变频器运行状态, 输出, 当变频器运行时, Run LED灯亮(绿色)ⓒ - OC (过流)状态, 输出, 如发生过流现象,OC LED灯亮(黄色)ⓓ - IPM 故障状态, 输出, 如果IPM故障产生, IPM LED灯亮(黄色)ⓔ - OV (过压) 状态, 输出, 如果过压产生, OV LED 灯亮 (黄色)ⓕ - 30B (变频器错误)状态, LED 输出, 如果变频器错误, 30B LED 灯亮(黄色) 6.1.3 故障菜单故障 键区显示 内容无故障 无显示 无故障产生IPM 错误 (硬件) HW IPM门机变频器电源板输出的IPM出错信号( 立即产生 )IPM 错误 (软件) SW IPM门机变频器电源板IPM出错信号连续发生超过设定时间( 设定时间 : 300 usec )过流 SW OC 门机变频器输出电流大于水平值 (水平值 : 400 %, 发生一次 )低压错误 SW UV 直流母线电压持续低于水平值并超过设定时间 (水平值: 65%, 设定时间 : 500 usec )过压错误 SW OV 直流母线电压持续高于水平值并超过设定时间 (水平值: 130%, 设定时间 : 500 usec )SPI 通讯错误 SPI 错误 SPROM 通讯错误( 当问题连续出现2次 )版本错误 版本错误 SPROM 版本和控制板不统一 (立即产生)变频器过热 过热 如果电源板的IPM温度超过设定值并超过设定时间 ( 设定时间 : 60 sec )超载警报1 超载 LV1 如果电流超过设定值1并超过规定时间1 (水平值1:200%, 时间1:5sec)超载警报2 超载 LV2 如果电流超过设定值2并超过规定时间 2 (水平值2:150%, 时间2:30sec)超载警报3 超载LV3 如果电流超过设定值3并超过规定时间3 (水平值3:110%, 时间3:60sec)超速警报 超速 如果马达速度超过规定水准且超过设定时间 (水平值1:110%, 时间1:10msec)未知故障 未知故障 不明故障发生的故障将被存储.共有10个故障记录,最近发生的故障为01 ,之前的故障按次序排列至(02,03,…). 只保留最近10条故障记录。