Mazak伺服主轴定向参数调整.
- 格式:doc
- 大小:553.50 KB
- 文档页数:6
伺服驱动器参数设置方法
伺服驱动器是现代自动化控制系统中的重要组成部分,其参数设置的合理与否直接影响到设备的运行效果和性能稳定性。
下面将介绍一种常见的伺服驱动器参数设置方法,希望对大家有所帮助。
首先,我们需要了解伺服驱动器的基本参数,包括电机型号、轴数、额定电流、额定转速等。
在进行参数设置之前,需要对这些基本参数有一个清晰的认识,这样才能更好地进行参数调整。
其次,根据实际的控制需求,对伺服驱动器的参数进行调整。
通常包括以下几个方面:
1. 速度环参数设置,包括速度环比例增益、速度环积分增益、速度环微分增益等。
这些参数的设置会直接影响到伺服电机的速度响应性能,需要根据实际情况进行合理调整。
2. 位置环参数设置,包括位置环比例增益、位置环积分增益、位置环微分增益等。
这些参数的设置会直接影响到伺服电机的位置精度和稳定性,需要根据实际控制要求进行调整。
3. 负载参数设置,包括负载惯量、负载摩擦力等。
这些参数的设置对于伺服电机的负载能力和动态性能有着重要影响,需要根据实际负载情况进行调整。
最后,进行参数调整后,需要进行系统的稳定性测试和性能验证。
通过对伺服驱动器进行负载试验、速度跟踪试验等,验证参数设置的效果是否符合实际控制要求,如果有需要,还可以进行进一步的参数微调。
总之,伺服驱动器参数设置是一个复杂而又关键的工作,需要结合实际情况进行合理调整,才能达到最佳的控制效果。
希望以上介绍对大家有所帮助,谢谢!
以上就是伺服驱动器参数设置方法的相关内容,希望对大家有所帮助。
伺服驱动器参数设置方法
1. 前期准备
根据伺服驱动器使用说明书来确认系统参数的设置范围,同时要了解所需参数的具体名称和作用。
在设置参数前,先停止伺服系统的运转。
2. 主伺服参数设置
主伺服参数指防护、速度、加速度等参数。
设置前,先按照使用说明书的要求选择相应的参数。
然后进行参数设置。
3. PID参数设置
PID参数设置包括比例系数、积分时间和微分时间三个参数。
一般情况下,这三个参数是配套使用的。
一般情况下,这三个参数都是需要根据实际情况进行调整的。
在设定前,先根据使用说明书选择相应的参数,然后调整PID参数,直到达到理想的运动效果。
4. 位置误差调整
基础参数调整完成后,要进行位置误差调整。
这时,可以手动转动伺服电机,观察位置误差变化。
这个过程中,要根据速度的变化,对位置误差进行调整,直到
达到预期效果。
5. 整机参数调整
完成单个电机的参数设定后,还需要对整个伺服系统进行参数调整。
整机参数包括系统响应速度、整机加速度等。
通过调整整机参数,可以使整个伺服系统的运动更加顺畅。
6. 参数测试
参数设置完成后,还需要对其进行测试,以验证是否满足了伺服系统的设计要求。
在测试过程中,可以根据需要逐步调整参数,以达到最佳效果。
数控机床伺服参数调整方法数控机床伺服参数调整是指根据加工需求和机床运行情况,调整伺服系统的参数,以达到更好的加工效果和稳定性。
下面将介绍一些数控机床伺服参数调整的方法。
需要了解数控机床伺服系统的参数。
数控机床伺服系统通常包括位置控制器、伺服驱动器和伺服电机,每个部分都有一些关键参数。
位置控制器的参数包括位置环增益、速度环增益和加速度环增益;伺服驱动器的参数包括比例增益、积分时间和死区补偿;伺服电机的参数包括电机惯量、电机转矩和电机速度。
根据加工需求和机床运行情况来选择合适的参数。
加工需求包括加工件的大小、形状、材质和精度要求等,机床运行情况包括加工件的负载、加工速度和加工方式。
根据这些因素,将合适的参数值输入到机床控制软件中。
然后,通过试切来验证参数的合适性。
试切是指根据加工要求,进行一次小批量的加工测试,以评估加工效果。
在试切过程中,观察加工件的表面质量、尺寸偏差和工具磨损情况等,根据实际情况进行参数的调整,直到达到最佳的加工效果。
接下来,根据机床的反馈信息进行参数优化。
机床的反馈信息可以通过加工过程中的传感器数据获取,例如位置、速度和加速度等。
根据这些信息,可以分析机床的动态特性和稳定性,并通过调整参数来改善机床的性能。
将参数进行记录和保存。
一旦确定了合适的参数,就应该将其记录下来,并保存到机床控制软件中。
这样,在下次加工相同类型的工件时,可以直接使用这些参数,提高加工的一致性和效率。
数控机床伺服参数的调整是一个持续优化的过程。
通过合适的参数选择、试切验证和反馈信息分析,可以不断改进数控机床的加工性能,提高加工的质量和效率。
数控机床伺服参数调整方法随着数控技术的不断发展,数控机床在工业生产中的应用越来越广泛。
数控机床伺服系统作为数控机床的核心部件之一,其性能和稳定性直接影响到数控机床的加工精度和效率。
合理调整数控机床伺服系统的参数是提高数控机床加工质量和效率的重要手段之一。
本文将介绍数控机床伺服参数调整的方法,希望能对相关人士有所帮助。
1. 调整前的准备在进行数控机床伺服系统参数调整之前,首先需要对数控机床进行全面的检查和维护。
确保数控机床的各个部件处于正常工作状态,特别是伺服系统的传感器、执行器和控制器等部件要进行细致的检查,发现问题及时进行修理或更换,以确保调整参数时能够得到准确的反馈数据。
在进行参数调整之前,需要对数控机床的加工工艺进行详细的分析和了解,包括加工材料、加工工艺、加工精度要求等,这些信息将直接影响到伺服系统参数的选择和调整。
2. 调整方法(1)速度环参数调整伺服系统的速度环参数直接影响到伺服电机的加减速性能,对于需要进行高速加工的数控机床尤为重要。
速度环参数主要包括速度比例增益、速度积分增益、速度微分增益等。
在调整速度环参数时,可以先将速度比例增益调整到一个适中的数值,然后逐步增加速度积分增益和速度微分增益,直到获得令人满意的响应速度和稳定性。
伺服系统的限位参数可以对伺服电机的运动范围进行限制,避免因误操作或其他原因导致的伺服电机超出规定范围的运动。
在调整限位参数时,需要根据实际工艺要求和数控机床的运动范围进行合理设置,以确保伺服电机在安全范围内工作。
3. 调整后的测试在完成伺服系统参数调整之后,需要进行全面的测试,以确保伺服系统参数调整的效果符合实际工艺需求。
测试内容主要包括加速度、速度、位置控制精度、动态响应速度等方面的测试。
通过测试结果可以评估伺服系统参数调整的效果,如果需要进一步调整,则可以根据测试结果进行调整。
数控机床伺服系统参数调整是一项复杂而又重要的工作,需要经验丰富的技术人员来进行。
伺服电机的参数调节方法伺服电机作为一种高精度控制器,其参数的调节方法对其性能具有非常重要的影响。
通过恰当地调节电机的参数,可以使其达到更高的精度和响应速度。
在本文中,我们将介绍伺服电机参数调节的方法。
一、伺服电机参数的意义1. 比例增益(KP)比例增益是电机输出与误差之间的比例系数。
它可以调节电机的灵敏度和控制响应速度。
比例增益越大,控制效果越好,但过大会导致震荡和不稳定。
相反,比例增益过小将导致电机偏差过大,精度和响应速度下降。
2. 积分时间(TI)积分时间是指误差累积对输出的影响时间,是衡量电机回归能力的重要参数。
当电机输出大于误差时,积分时间越长,电机响应越大,误差越小。
相反,积分时间过短会导致电机无法稳定工作。
3. 微分时间(TD)微分时间是误差变化速率对电机输出的影响时间,可以调节电机的“智能度”。
在实际应用中,微分时间通常为0.1倍的积分时间。
当微分时间过大时,将导致电机响应迟缓和不稳定。
二、伺服电机参数的调节方法1. 比例增益(KP)参数调节方法(1)先将积分时间和微分时间调节到最小。
(2)逐渐增加比例增益,直到电机出现震荡或不稳定。
此时再将比例增益减小到震荡停止或不稳定的状态。
(3)再次逐渐增加比例增益,直到电机产生震荡或不稳定,并将比例增益减小到震荡停止或不稳定的状态。
(4)重复步骤(3)直到电机稳定工作。
2. 积分时间(TI)参数调节方法(1)先将比例增益和微分时间调节到最小。
(2)逐渐增加积分时间,直到电机达到最佳位置控制。
(3)增加积分时间将导致大的调节误差,如果电机无法达到最佳位置控制,则缩短积分时间。
(4)重复步骤(3)直到电机达到最佳位置控制。
3. 微分时间(TD)参数调节方法(1)先将比例增益和积分时间调节到最小。
(2)逐渐增加微分时间,直到电机达到最佳位置控制。
(3)如果微分时间太长,则会导致电机对小的误差变化过于敏感,从而降低稳定性。
(4)重复步骤(3)直到电机达到最佳位置控制。
(No:5312)411 伺服报警:n轴超差N轴(攻丝轴1~4)运动时的误差超过设定值(No:5313或5314)413 伺服报警:n轴LSI溢出N轴(攻丝轴1~4)的误差计数器的值超过-231~231,请修改有关位置环的参数。
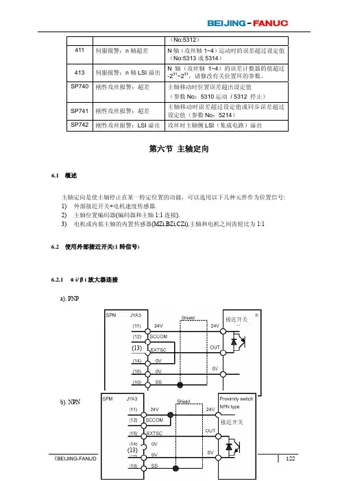
SP740 刚性攻丝报警:超差主轴移动时位置误差超出设定值(参数No:5310运动 / 5312 停止)SP741 刚性攻丝报警:超差主轴移动时误差超过设定值或同步误差超过设定值(参数No:5214)SP742 刚性攻丝报警:LSI溢出攻丝时主轴侧LSI(集成电路)溢出第六节主轴定向6.1 概述主轴定向是使主轴停止在某一特定位置的功能,可以选用以下几种元件作为位置信号:1)外部接近开关+电机速度传感器.2)主轴位置编码器(编码器和主轴1:1连接).3)电机或内装主轴的内置传感器(MZi,BZi,CZi),主轴和电机之间齿轮比为1:16.2 使用外部接近开关(1转信号)6.2.1 αi/βi放大器连接a). PNPb). NPN(13)(13)接近开关接近开关c). 两线NPN6.2.3 参数设定. αi/βi 放大器参数号 设定值 备注4000#0 0/1 主轴和电机的旋转方向相同/相反 4002#3,2,1,00,0,0,1 使用电机的传感器做位置反馈 4004#2 1 使用外部一转信号 4004#3 根据表1设定 外部开关信号类型 4010#2,1,0 0,0,1 设定电机传感器类型 4011#2,1,0 初始化自动设定 电机传感器齿数 4015#0 1 定向有效4056-4059 根据具体配置 电机和主轴的齿轮比 4171-4174 根据具体配置 电机和主轴的齿轮比6.2.4 外部开关类型的参数说明1) 表1,参数4004#3的设定(对于αi/βi 放大器) 开关 检测方式 开关类型 SCCOM 接法(13)设定值 二线 24V(11脚)0 NPN 0V(14脚) 0 常开 PNP 24V(11脚) 1 NPN 0V(14脚) 1 突起 常闭 PNP 24V(11脚) 0 NPN 0V(14脚) 0 常开 PNP 24V(11脚) 1 NPN 0V(14脚) 1 三线凹槽常闭PNP 24V(11脚)接近开关注:检测方式如下图所示:2) 对于主轴电机和主轴之间不是1:1的情况,一定要正确设定齿轮比(参数4056-4059 和4500-4503)。
Mazak 伺服主轴定向参数的调整Mazak 立式数控加工中心(VTC-160和 VCN-410两种型号主轴定向后 Y 轴移动对键块的平行度超过 0.1mm 后需要对伺服主轴定向参数进行调整。
1、执行主轴定向,按机床面板上 MDI 键进入 MDI 模式,在绿色输入框中输入M19,然后按下机床面板上绿色循环启动键。
2、拆除主轴定向键块、对安装基面和键块进行清洁,清洁完毕后重新安装定向键块,注意定向键块安装时刻有 A 字的面朝向主轴锥孔侧。
3、切换到手动模式(按机床面板上 X1000、 X100、 X10、 X1中任意一个键 ,然后按下主轴旋转按钮 ,使用按钮来增加主轴转速,接着按下主轴停止按钮。
最后重复第一步执行主轴定向。
4、用磁力表座和杠杆百分表检查主轴定向后 Y 轴移动对键块的平行度,如果超差,进入下一步参数调整。
5、按屏幕下方左翻页键6、下图中红圈处诊断菜单键进入诊断主画面7、下图中红圈处版本菜单键进入版本画面8、在版本界面,按机床屏幕下方右翻页键9、现在就可以从机床操作面板直接输入密码 1131,如下图所示10、输入 1131后,按机床操作面板上的“ INPUT ”11、进入参数画面,按下图的“ SPINDLE MONITOR”菜单键,在右侧会多出“参数”菜单12、按“参数”菜单,参数菜单会变成红色,屏幕上就会弹出主轴参数设置框13、使用机床操作面板上的翻页键(上翻页、下翻页和方向键来移动光标选择参数 SP7 (VTC-160机型或 SA96(VCN-410B 机型参数。
14、增加当前参数值,则主轴定向逆时针转过一定角度(从电机方向观察 ,根据具体情况对参数进行更改。
15、关闭系统,等待 10秒后开启系统,重复第一步内容执行主轴定向,然后重复第四步检查平行度,如未达到要求范围,请重复以上步骤。
主轴定向参数设定主轴定向角度调整及参数设定:1.确认能够进行主轴定向(8135#4=0、主轴使用mzi传感器)2.将参数3117#1=1(1、2两项设置完毕后需要断电)3.手动旋转主轴使主轴定位块与刀杯定位块(或者机械手定位块)互相重合4.通过诊断参数445确认主轴位置数据5.将诊断参数445中的位置数据输入到参数4077或者4031(任选一个,但是两数相加只和等于诊断参数445中的位置数据)中6.设定参数6071=6(使用M6调用O9001换刀宏程序)7.设定主轴定向速度,参数3732。
注意,在设定第二机械参考点之前要回参考点;在设定主轴定向角度之前需要运行一次主轴然后进行M19定向,看是否有位置数据使用主轴电机内置传感器(mzi传感器)6.3.2参数使用外部一次旋转脉冲信号(接近开关)主轴电机内置传感器为mi或者mzi传感器参数设定4056-4059 根据具体配置电机和主轴的齿轮比4171-4174 根据具体配置电机和主轴的齿轮比外部传感器开关类型的参数说明开关检测方式开关类型SCCOM 接法(13) 设定值二线24V(11 脚) 0突起常开NPN 0V(14 脚) 0 PNP 24V(11 脚) 1三线常闭NPN 0V(14 脚) 1PNP 24V(11 脚) 0凹槽常开NPN 0V(14 脚) 0PNP 24V(11 脚) 1常闭NPN 0V(14 脚) 1PNP 24V(11 脚) 0表1注:检测方式如下图所示:1突起2凹槽对于主轴电机和主轴之间不是1:1的情况,一定要正确设定齿轮比(参数4056-4059和4500-4503)。
根据赛场设备,定向器件为NPN型霍尔元件,主轴为缺口设计,故进行如下操作:1、调整霍尔元件距离,使其与主轴距离在3-5mm,并固定。
2、将霍尔元件插口插到主轴放大器JYA3接口上。
3、进行主轴定向角度调整及参数设定。
4、进行NPN型霍尔元件外部一转信号参数设定,4000#0=0,4002#3.2.1.0=0.0.0.1,4004#2=1,4004#3=1.。
数控机床伺服参数调整方法数控机床是一种通过控制系统控制的机床,它的精度和稳定性取决于伺服系统的参数调整。
伺服系统是控制电机转速和位置的关键部件,正确调整伺服系统的参数可以提高机床的加工精度和生产效率。
本文将介绍一种数控机床伺服参数调整方法。
一、伺服系统的参数数控机床的伺服系统有许多参数,常见的有比例增益、积分时间、微分时间和滤波时间等。
比例增益决定了伺服系统的响应速度和稳定性,积分时间和微分时间分别控制了伺服系统的积分和微分作用,滤波时间用于减小伺服系统的噪声。
不同的机床对参数的要求可能不同,因此需要根据具体机床的要求进行调整。
二、参数调整方法1. 比例增益的调整比例增益是伺服系统的一个重要参数,它决定了伺服系统的响应速度和稳定性。
一般来说,较大的比例增益可以提高系统的动态性能,但过大的比例增益会导致系统震荡和不稳定。
调整比例增益需要在性能和稳定性之间取得平衡。
具体的调整方法如下:(1)增加比例增益,观察系统的响应速度和稳定性,如果出现震荡现象或者系统变得不稳定,说明比例增益过大,需要适当降低。
2. 积分时间的调整(1)增加积分时间,观察系统的稳态误差,如果稳态误差减小,但超调量增大,说明积分时间过大,需要适当减小。
(1)增加滤波时间,观察系统的响应速度和抖动情况,如果系统的响应速度变慢,说明滤波时间过大,需要适当减小。
三、结论通过调整伺服系统的参数,可以有效提高数控机床的加工精度和生产效率。
在进行参数调整时,需要在性能和稳定性之间取得平衡,根据具体机床的要求进行调整。
调整伺服系统参数需要进行逐步试验,观察系统的响应速度和稳定性,在实际加工中进行实验验证,以获得最佳的参数设置。
数控机床伺服参数调整方法数控机床伺服系统是现代工业生产中的重要设备之一,其性能的好坏直接关系到生产效率和产品质量。
伺服系统的性能是由伺服参数决定的,因此,调整伺服参数是提高数控机床加工精度和效率的必要条件之一。
本文将详细介绍数控机床伺服参数调整的方法。
一、伺服参数调整前的准备工作在进行伺服参数调整之前,需要做好以下准备工作:1.对机床的各轴进行精确位置标定,确保各轴回原点后的准确性;2.对于新机床,需要进行调试和保养,确保各部件的性能达到最佳状态;3.根据加工件要求和加工工艺选择合适的切削条件;4.确定数控系统的各项参数设置,保证其稳定运行。
1.速度环参数速度环控制伺服系统的速度,其参数的调整是实现伺服系统性能的关键。
速度环参数主要包括比例增益Kp、积分时间常数Ti、微分时间常数Td和滤波时间常数Tf四个参数。
(1)比例增益Kp比例增益Kp是速度环控制系统最基本的参数,它表征了控制器的增益特性。
增益越大,控制器响应越快,但也容易引起振荡,增益过小显然无法满足加工要求。
因此,Kp的选取需要通过实验确定。
一般情况下,Kp 的取值为 0.1~0.5。
(2)积分时间常数Ti积分时间常数Ti 表示控制器积分作用的时间,其大小关系到伺服系统的静态误差和动态响应。
Ti 增大可以减小静态误差,但过大的Ti 会使系统的动态响应变慢。
Ti 通常取决于伺服电机的转动惯量和摩擦阻力,一般设置在0.02~0.6 秒之间。
微分时间常数Td 是控制器对伺服系统的微分作用时间,其主要作用是抑制振荡。
当Td 增大时,控制器对速度变化的响应越快,但Td 过大会使响应出现颤振或干扰。
因此,Td 的取值要根据实际情况进行调整。
在实际应用中,伺服系统往往会受到噪声的干扰,为了减少噪声的影响,常常在控制信号中添加滤波器。
滤波时间常数Tf 是滤波器的时间常数,其大小与滤波器的带宽有关。
一般情况下,Tf 取0.005~0.03秒之间。
2.位置环参数比例增益Kp 表征控制器的增益特性,其大小决定了系统的静态精度和动态响应性能。
数控机床伺服参数调整方法一、引言数控机床作为现代制造业中常见的一种机床设备,其伺服系统相对于传统机床具有更高的精度和稳定性。
而伺服系统的参数调整是确保数控机床性能稳定和工件加工质量的重要环节。
本文将介绍数控机床伺服参数调整的方法和技巧,希望能够帮助相关行业人员更好地掌握数控机床伺服系统的调整技术。
二、数控机床伺服系统概述数控机床伺服系统是指通过电子设备和控制技术来驱动机床的各种运动件,实现工件的高精度加工。
伺服系统一般包括伺服电机、伺服控制器、位置传感器及其它辅助设备。
伺服系统的性能直接影响了数控机床的加工精度和效率。
伺服参数包括比例增益、积分增益、微分增益、速度前馈增益等,这些参数的设定影响了伺服系统对指令信号的响应速度和定位精度。
准确地调整伺服参数是保证数控机床稳定运行和高精度加工的关键。
三、数控机床伺服参数调整方法1. 确定调整目标在进行伺服参数调整之前,需要首先明确调整的目标,比如提高伺服系统的响应速度、提高运动平稳性、提高定位精度等。
不同的调整目标会对参数调整方案产生不同的影响。
2. 调整比例增益比例增益是用来调整伺服系统对误差信号的响应速度和调整力度的参数,其值越大,伺服系统对误差信号的响应速度越快,调整力度越大。
在进行比例增益调整时,可以先将其值设置为一个较大的初始值,然后通过试加工的方式逐渐调整至合适的数值,使得工件的加工精度能够得到满足。
3. 调整积分增益积分增益是用来调整伺服系统对误差信号积分值的响应速度和调整力度的参数。
在进行积分增益调整时,可以根据前期试加工的结果来确定最佳的数值,以保证伺服系统在工件加工过程中能够得到稳定的运动轨迹。
6. 综合调整在完成上述单项参数的调整之后,还需要进行综合调整,以保证各项参数之间的协调性和稳定性。
参数的调整还需要结合实际加工情况和工件特性,进行多次试加工,不断优化和调整参数,以保证伺服系统能够实现稳定的高精度加工。
四、注意事项1. 参数调整要谨慎在进行伺服系统参数调整时,需要保持谨慎和耐心,不能贪图快速完成调整而忽略了对实际加工结果的观察和分析。
数控机床伺服参数调整方法1. 引言1.1 引言数、岗次等。
数控机床是一种自动化加工设备,其控制系统由伺服系统负责实现精确的位置控制和运动控制。
伺服系统中的参数设置对机床的性能和加工质量有着直接的影响。
正确调整数控机床伺服参数是保证机床正常工作和提高加工精度的重要步骤。
在实际生产中,有时会出现数控机床运行不稳定或加工质量不理想的情况,这时就需要进行伺服参数的调整。
本文将介绍数控机床伺服参数的调整方法,包括调整方法一、调整方法二、调整方法三和调整方法四。
通过本文的学习,读者将能够全面了解数控机床伺服参数的调整原理和方法,从而更好地应对各种生产实际需求,提高加工效率和质量。
2. 正文2.1 数控机床伺服参数调整方法数控机床伺服参数调整方法主要包括四种不同的调整方法,每种方法都有其独特的特点和适用场景。
下面将分别介绍这四种调整方法。
调整方法一:手动调整手动调整是最基础也是最直观的调整方法,操作人员可以通过手动旋钮或按钮来改变伺服参数,实现对机床的控制。
这种方法适用于简单的调整需求,操作简单直观,但需要操作人员对机床进行实时监控,无法实现自动化控制。
调整方法二:自动调整自动调整是通过数控系统自动优化伺服参数,根据预设的算法和规则对参数进行调整。
这种方法可以提高生产效率,减少人工干预,适用于需要大量重复调整的场景。
但需要提前设定好优化算法,以及对数控系统有一定的了解和操作技能。
调整方法三:智能调整智能调整是结合人工智能技术对伺服参数进行智能化调整,通过学习和优化算法,使得机床能够自动适应不同工件的加工要求。
这种方法能够实现个性化定制,提高加工精度和效率,但需要大量的数据支持和复杂的算法设计。
调整方法四:在线优化在线优化是在实际加工过程中根据机床工作状态和负载情况实时调整伺服参数,以达到最佳加工效果。
这种方法可以最大限度地提高加工质量和效率,但需要对机床和加工过程有深入的理解,以及高级的控制算法和技术支持。
综上所述,数控机床伺服参数调整方法有多种选择,操作人员可以根据实际需求和技术水平选择合适的调整方法,以实现最佳的加工效果和效率。
数控机床伺服参数调整方法数控机床在现代工业生产中占据着非常重要的位置,而数控机床的伺服系统则是数控机床的核心部件之一。
伺服系统的参数调整对于数控机床的性能和精度有着非常重要的影响。
掌握伺服系统参数调整的方法对于提高数控机床的加工精度和效率具有非常重要的意义。
伺服系统是一种能够控制机械装置的位置、速度和加速度的系统。
而数控机床的伺服系统又是指能够控制机床轴的位置、速度和加速度的系统。
通过对伺服系统的参数进行调整,可以使数控机床在加工过程中实现更高的精度和效率。
1. 确定调整参数首先需要确定要调整的伺服系统参数,一般涉及的参数包括比例增益、积分时间、微分时间、速度环参数、位置环参数等。
每个参数调整的目的和影响都不同,因此需要根据具体情况来选择调整的参数。
2. 调整比例增益比例增益是伺服系统的一个重要参数,它决定了伺服系统的响应速度和稳定性。
调整比例增益可以改变伺服系统的灵敏度,使机床在加工过程中更加稳定和精确。
调整比例增益的方法一般是先将比例增益设为一个合适的初始值,然后进行试加工,通过观察加工结果和机床的运动情况来逐步调整比例增益的大小,直到达到最佳的加工效果。
3. 调整积分时间和微分时间积分时间和微分时间是影响伺服系统稳定性和抗干扰能力的重要参数。
通过调整积分时间和微分时间可以使伺服系统对扰动和干扰的抵抗能力更强,从而提高加工精度和稳定性。
位置环是伺服系统中最基本的控制环节,通过调整位置环参数可以改变伺服系统的定位精度和稳定性。
调整位置环参数可以使机床在定位和转角控制方面更加精确和稳定。
在进行伺服参数调整的过程中,需要重点考虑机床的加工类型、材料的特性、工件的形状和加工要求等因素,以及连续的试加工过程中不断调整参数,逐步找到最佳的调整方案。
同时还需要注意遵守相关的安全规范和操作规程,确保在调整伺服参数的过程中不影响机床的正常运行和操作人员的安全。
伺服系统参数调整是数控机床加工精度和效率提高的关键。
伺服参数调整方法伺服参数调整是指对伺服系统中的参数进行修正和调整,以达到更好的控制效果和性能。
伺服系统是一种能够精确控制机械位置和速度的调节系统,通过对其参数进行调整,可以实现更准确、更稳定的运动控制。
下面是关于伺服参数调整的一些建议和方法。
首先,了解伺服系统的结构和工作原理非常重要。
伺服系统由控制器、伺服驱动器和电机组成。
控制器根据输入信号生成相应的控制指令,伺服驱动器则根据控制指令控制电机进行运动。
了解伺服系统的结构和工作原理,可以更好地进行参数调整。
其次,根据实际需求选择合适的伺服参数。
伺服参数通常包括增益、速度限制、加速度限制等。
增益是指伺服系统的输出响应与输入信号之间的比例关系。
合适的增益可以使伺服系统的输出更准确、更稳定。
速度限制和加速度限制可以控制伺服系统的最大速度和最大加速度,防止系统过载和损坏。
根据实际需求和控制要求,选择合适的伺服参数非常重要。
然后,进行伺服参数的初步调整。
伺服参数的初步调整可以采用手动调整的方式,也可以利用伺服驱动器提供的自动调整功能。
手动调整时,可以通过调整增益、速度限制和加速度限制等参数,逐步接近最佳参数设置。
自动调整时,可以通过驱动器的自动参数整定功能,自动优化伺服参数。
初步调整可以得到一个较好的初始参数设置,为后续的精确调整打下基础。
接下来,进行伺服参数的精确调整。
伺服参数的精确调整可以通过实验和试运行来完成。
在试运行过程中,通过观察机械的运动状态和响应性能,调整伺服参数,以达到最佳的运动控制效果。
观察机械的运动轨迹、振动情况和静态误差等,可判断是否需要进一步调整参数。
此外,注意保存和备份参数设置。
伺服参数调整的过程是一个不断试错的过程,可能需要多次调整和尝试。
正确保存和备份参数设置可以避免参数丢失和重新调整的麻烦。
最后,随着时间的推移,伺服系统的性能可能会发生变化,因此需要进行定期的参数检查和调整。
定期检查伺服参数可以保持系统的优化性能,避免性能下降和故障发生。
数控机床伺服参数调整方法数控机床的伺服控制是实现机床高精度运动的关键因素之一。
因此,如何调整机床伺服参数是保证机床加工精度和工作效率的重要环节。
以下是数控机床伺服参数调整的方法:一、调整方法前提在进行伺服参数的调整之前,首先需要了解机床运动控制系统的基本结构、控制原理和参数要求,以便能够准确地调整伺服参数,从而保证机床的运动控制性能。
二、参数测量和分析进行伺服参数调整前要先对机床各轴进行运动性能测试,以获取相关伺服参数的参考值。
测试时要根据不同轴的特征和运动形式选择合适的测试方式和测试点,测量相关参数值,并进行数据分析。
主要测量参数包括:位置精度、速度平稳性、加减速度平稳性、负载响应能力等。
1、位置误差增量PI(调整位置误差积分增益和位置误差反馈增益)针对不同的机床和控制系统,可以选用不同的调整方法和调整参数。
调整时要注意以下几点:(1)调整时可将位置误差反馈增益P值设为默认值,然后逐步增加位置误差积分增益I值。
在进行增益的调整时,建议将增益值逐步提高,并且注意待机调整伺服的参数时要不停顿壳面的过程中逐步调整增益值。
(2)当位置误差积分增益I值增加到一定程度后,系统会出现震荡现象,这时可通过逐步降低位置误差积分增益I值来得到合适的增益值。
(3)对于反馈增益和位置误差增益,可根据精度要求和实际情况适当调整,一般默认值即可。
2、速度预测滤波器(SPFF)参数调整调整SPFF参数的目的是提高速度响应特性,使速度更加平滑。
调整时要注意以下几点:(1)一般来说,SPFF的动态特性大于位置控制回路,因此,调整时应该先进行SPFF 参数的调整。
(2)调整SPFF的主要参数包括:带宽、盈满度、谷度等,这些参数都是关键的控制因素,需要根据实际情况进行调整。
(3)在调整过程中,要注意防止过度调整,造成系统不稳定,在调整任何参数时,都必须进行完整的伺服系统测试,以便能够确定各个参数值的正确性。
3、负载响应能力和抗干扰能力参数调整负载响应能力和抗干扰能力都是影响伺服系统运动控制性能的关键参数之一,可以通过调整PID控制器参数来实现调整。
A:工件直径B:材料长度C:产品长度D:手抓长度E:抓取长度(夹紧部分的宽度)F:主轴定向(当F=1时主轴进行定向当F=0时不进行定向)
M:趋近间隙Z
W:取缸时X位置的坐标补偿
X: 取缸时Z位置的坐标补偿
Y: 放料时X位置的坐标补偿
Z: 放料时X位置的坐标补偿
如果抓放位置不合适,可修改主程序中的M 、W、X、Y、Z (其他参数不建议修改)
例如G65 P20000 A107 B141 C139 D140 E126 F1 M155 W1. X-2.5 Z2.
如果抓缸位置左右不合适,也就是说抓料X坐标不合适,需要进行调整,这时只需要修改W 的值(主轴需要往左移动3毫米,就把W的值在原有基础上减去3)
如果抓缸位置上下不合适,也就是说抓料Z坐标不合适,需要进行调整,这时只需要修改X 的值(主轴需要往下移动3毫米,就把X的值在原有基础上减去3)
主轴距离工件很远时是以G0进行位移的,当快挨近工件时以G1进行位移,其中挨近工件的距离可以通过设置不同的M值进行调整!(此距离建议调整为2~4毫米)
例如:快速进给走完了,此时夹具距离工件上端面还有20毫米,而当前M值为155,可以将M设置为130~~133之间。
放料时过程和取料类似,是简化的取料,是以G0直接放到位。
如果通过修改上述参数无法达到预期目的,请进行修改对应的机械参数!!!!
机械参数无相应的权限禁止修改,否则有很大可能出现撞机风险!!!!!
编制:侯东东。
数控机床伺服参数调整方法【摘要】数控机床伺服参数调整方法在数控机床运行中起着重要作用。
本文首先介绍了数控机床伺服系统的基本原理,随后详细描述了数控机床伺服参数的调整步骤和调整工具,以及关键注意事项。
接着通过实例分析和优化方向探讨了数控机床伺服参数调整方法的具体操作技巧。
结论部分总结了数控机床伺服参数调整方法的重要性,并展望了未来的发展趋势和应用前景,强调了其在数控加工领域的重要性和潜力。
通过本文的阐述,读者可以深入了解数控机床伺服参数调整的方法和意义,为相关行业的从业人员提供了实用的参考资料。
【关键词】数控机床、伺服参数、调整方法、重要性、基本原理、步骤、工具、注意事项、实例分析、优化方向、总结、未来发展趋势、应用前景展望。
1. 引言1.1 数控机床伺服参数调整方法的重要性数控机床伺服参数调整方法的重要性不言而喻,它直接关系到数控机床的性能和精度。
在数控机床的运行过程中,伺服参数的调整对于提高加工质量、提高生产效率、延长设备寿命都具有至关重要的意义。
通过科学合理地调整伺服参数,可以确保数控机床在加工过程中保持稳定的运行状态,避免出现因参数设置不当而导致的加工误差或设备运行故障。
这不仅可以确保加工零件的精度和质量,还能有效减少维修和调整设备的时间,提高生产效率。
数控机床伺服系统的性能很大程度上取决于参数的调整情况,通过合理地调整伺服参数,可以优化数控机床的性能,提高加工精度和稳定性。
通过对参数的调整,可以减小系统的响应时间,提高控制精度,实现更加准确的加工。
1.2 数控机床伺服系统的基本原理数控机床伺服系统是数控机床中的关键组成部分,其基本原理是通过伺服电机驱动负载,实现精确的运动控制。
伺服系统包括伺服电机、伺服控制器、编码器等组件。
伺服电机通过反馈信号与控制器进行实时通讯,实现动态闭环控制。
编码器用于实时监测负载位置,将实际位置与期望位置进行对比,调整电机输出使负载精确到达目标位置。
在数控机床中,伺服系统承担着快速高精度的定位和运动控制任务。
Mazak 伺服主轴定向参数的调整
Mazak 立式数控加工中心(VTC-160和 VCN-410两种型号主轴定向后 Y 轴移动对键块的平行度超过 0.1mm 后需要对伺服主轴定向参数进行调整。
1、执行主轴定向,按机床面板上 MDI 键进入 MDI 模式,在绿色输入框中输入M19,然后按下机床面板上绿色循环启动键。
2、拆除主轴定向键块、对安装基面和键块进行清洁,清洁完毕后重新安装定向键块,注意定向键块安装时刻有 A 字的面朝向主轴锥孔侧。
3、切换到手动模式(按机床面板上 X1000、 X100、 X10、 X1中任意一个键 ,然后按下主
轴旋转按钮 ,使用按钮来增加主轴转速,接着按下主轴停止按钮。
最后重复第一步执行主轴定向。
4、用磁力表座和杠杆百分表检查主轴定向后 Y 轴移动对键块的平行度,如果超差,进入下一步参数调整。
5、按屏幕下方左翻页键
6、下图中红圈处诊断菜单键进入诊断主画面
7、下图中红圈处版本菜单键进入版本画面
8、在版本界面,按机床屏幕下方右翻页键
9、现在就可以从机床操作面板直接输入密码 1131,如下图所示
10、输入 1131后,按机床操作面板上的“ INPUT ”
11、进入参数画面,按下图的“ SPINDLE MONITOR”菜单键,在右侧会多出“参数”菜单
12、按“参数”菜单,参数菜单会变成红色,屏幕上就会弹出主轴参数设置框
13、使用机床操作面板上的翻页键(上翻页、下翻页和方向键来移动光标选择参数 SP7 (VTC-160机型或 SA96(VCN-410B 机型参数。
14、增加当前参数值,则主轴定向逆时针转过一定角度(从电机方向观察 ,根据具体情况对参数进行更改。
15、关闭系统,等待 10秒后开启系统,重复第一步内容执行主轴定向,然后重复第四步检查平行度,如未达到要求范围,请重复以上步骤。