13.3—10消火栓系统试射试验记录
- 格式:doc
- 大小:35.50 KB
- 文档页数:1
消火栓试射试验记录中栓口静压要求栓口静压是指消火栓系统中消火栓栓口处所承受的压力。
消火栓试射试验是对消火栓栓口静压进行检测的一种方法,旨在确保消火栓系统在发生火灾时能够正常工作,提供足够的水压供消防人员使用。
本文将围绕栓口静压要求展开,详细介绍消火栓试射试验的目的、方法和注意事项。
一、试验目的消火栓试射试验是为了验证消防栓系统能够提供足够的水压,确保在火灾发生时能够有效地进行灭火。
试验通过测量消火栓栓口处的静压,评估系统的水压是否满足设计要求,并及时发现和解决可能存在的问题,确保消火栓系统的正常运行。
二、试验方法1. 选择试验点:根据设计图纸确定试验点,通常选择距离消火栓出水口最近的位置。
2. 准备试验设备:准备好试验用的消火栓、试验管和试验仪器等设备。
3. 进行试验:打开试验点的消防栓盖板,安装试验管并连接试验仪器。
打开消火栓阀门,充分排除管道中的空气,确保水流畅通。
然后逐渐关闭阀门,记录每个阀门位置对应的静压值。
4. 测量数据:使用合适的试验仪器,测量消火栓栓口处的静压值,并记录下来。
一般情况下,栓口静压要求不应低于0.2 MPa。
三、试验注意事项1. 试验前应检查试验设备的完好性和准确性,确保能够正确测量静压值。
2. 试验过程中要注意安全,严禁在试验点周围进行其他作业或行走。
3. 在试验过程中,应严格按照操作规程进行,确保试验结果的准确性。
4. 试验前应排空管道内的空气,以免影响试验数据的准确性。
5. 注意记录试验过程中的数据,包括阀门位置和对应的静压值。
6. 试验结束后,要及时关闭消火栓阀门,恢复正常供水状态。
7. 试验完成后,对试验设备进行清洗和维护,确保其正常使用。
消火栓试射试验是保障消防栓系统正常运行的重要环节,通过测量栓口静压值可以评估系统的工作状态,及时发现和解决问题,确保系统在火灾发生时能够提供足够的水压。
因此,进行消火栓试射试验是非常必要的,也是消防设施维护与管理的重要一环。
填写《消火栓试验记录》的说明和依据是检查室内消火栓的使用效果。
安装室内消火栓供水系统后,应进行消火栓试验并做好记录。
1,负责部门工程机电部门。
2.提交期限应在消防栓系统安装后进行。
3.填写要点(1)消火栓位置:根据实际试验消防位置填写,例如顶层和一层。
(2)试验前,应检查“消火栓总成,消火栓口的安装,消火栓喷嘴的型号,泵的启动按钮,卷盘的间距和零件”的各项。
如果检查合格,则在“合格”之前的“□”中标记“√”,否则在“不合格”之前的“□”中标记“√”。
(3)试验条件:应根据试验要求详细说明现场试验过程。
(4)试验结论:应明确消火栓试验火是否符合设计要求,施工规范以及是否合格。
2,代号:《建筑给水排水及供热工程施工质量验收规范》(GB 50242)2.有关要求(1)室内消火栓系统安装后,应符合设计要求;高层民用建筑消防设计规范(2005年版)(GB 50045)和建筑给水排水及供热工程施工质量验收规范(GB 50242)应进行消火栓的防火试验并记录。
(2)为了测试室内消火栓的使用效果,不能一一进行防火测试。
因此,选择了三个有代表性的位置:屋顶(或储水箱室内)的消火栓和一楼的两个消火栓被选择进行防火测试。
如果满足设计要求,则防火测试合格。
屋顶上消火栓的燃烧测试可以测量流量和压力(满水柱);一楼的两个消火栓的燃烧测试可以测试两个满水柱同时到达最远消火栓的能力。
(3)消火栓系统的静压,动压和试验要求必须符合《高层民用建筑防火设计规范》(2005版)(GB 50045)的有关规定。
1)适用于建筑物高度小于100m的高层建筑。
①一楼消防栓的测试要求如下:消防栓的泵启动按钮应灵活有效。
消火栓口的静压力应不大于0.80 MPa,出口压力应不大于0.50 MPa。
消火栓的间距应确保两个消火栓的满水柱可以同时到达同一楼层的任何位置;水枪的满水柱应不少于10 m。
②消火栓的静压应不小于消火栓的10 MPa,消火栓应不小于消火栓的10 m。
10室内消火栓试射试验记录时间:xxxx年xx月xx日地点:xx室内参与人员:A、B、C一、目的:测试室内消火栓系统的性能,并确保其在火灾发生时能够正常运行,达到灭火的目的。
二、试验装置:1. xx型室内消火栓系统2.消火栓水泵3.消防水龙带4.实验室设备三、试验步骤:1.准备工作a.确保消火栓系统已经安装完毕,水泵和水龙带均已接通。
b.确保试验现场无人员在场。
c.充分通风,保持试验现场的安全。
2.实验前准备a.检查消火栓系统、水泵和水龙带的连接情况,确保紧固无松动。
b.检查消火栓系统的压力表,确认压力正常。
3.实验开始a.打开室内消火栓系统主阀门,确保系统内的水流通畅。
b.打开水泵电源,启动水泵,并逐渐增加水泵的水压。
c.观察消火栓系统的运行状态,检查消火栓喷头的喷射距离和喷射角度是否符合要求。
d.逐个试射各个消火栓,并记录消火栓的试射距离和试射时间。
e.观察并记录室内消火栓系统的水压变化情况,确保其能够保持稳定的喷射性能。
4.结束实验a.关闭水泵电源,停止水泵的运行。
b.关闭室内消火栓系统主阀门,停止水流。
四、试验结果记录:消火栓编号,试射距离(米),试射时间(秒)----------,--------------,--------------1,25,102,30,123,28,114,26,105,29,126,27,117,24,108,31,129,28,1110,32,13五、结论:根据以上试验结果,室内消火栓系统的喷射距离均在正常范围内,喷射时间也满足要求。
整个系统在试验过程中能够保持稳定的水压,具备灭火的能力。
六、存在问题和建议:1.部分消火栓的喷射距离较短,可能与喷头的清洁情况有关,建议定期清理喷头。
2.建议对消火栓系统的水泵进行定期维护和保养,确保其稳定性和可靠性。
3.对于消火栓系统的水压变化情况需要进一步观察和分析,以确保系统在不同压力下能够正常工作。
七、试验记录人:A、B、C以上为本次室内消火栓试射试验的详细记录,供参考。
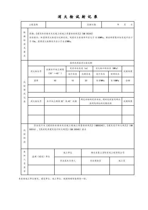
消火栓试射试验记录
工程名称凤凰苑小区1#楼消防工程试射日期年月日
试射消火
栓位置
屋顶、一层启泵按纽 合格消火栓组
件
合格栓口安装 合格
栓口水枪型号 合格卷盘间
距、组件
合格
栓口静压(MPa)屋顶:0.15MPa
一层:0.55MPa
栓口动压
(MPa)
屋顶:0.4MPa
一层:0.45MPa
试验要求:
室内消火栓、消防水带、消防水枪连接后,在0.35MPm水压下,其流量不应小于300L/min,水枪的充实水柱不应小于13m。
试验情况记要:
在0.6MPa压力下,流量为409.7L/min,水枪的充实水柱为13.5m。
检验结论:
流量及水柱长度符合设计及规范要求
年月日
会签栏监理(建设)单位(签章)施工单位(签章)
专业技术
负责人
质检员专业工长
年月日年月日年月日。