室内消防栓系统验收记录表
- 格式:doc
- 大小:51.00 KB
- 文档页数:2
消防工程验收表格
1. 项目概述
此消防工程验收表格旨在记录消防工程的验收情况,确保消防设施和设备的合规性以及安全性。
2. 项目信息
- 项目名称:
- 项目地点:
- 项目经理:
- 施工单位:
- 设计单位:
3. 验收标准
- 国家消防法规的要求
- 相关消防技术标准
- 设计文件和图纸要求
4. 验收内容
4.1 消防设施和设备
- 灭火器的种类、数量及有效期
- 消防水带、消防栓的设置和布局
- 自动喷水灭火系统、自动报警系统的安装情况- 烟雾探测器、火灾报警按钮的设置情况
- 排烟系统和通风设备的安装情况
- 电气消防设备的可靠性和安全性
- 配电箱、电气线路的布局和防火措施
4.2 疏散通道和逃生设施
- 疏散通道的布局、宽度和灯光设置
- 楼梯和走廊的防火门、防滑措施
- 紧急疏散指示标识的设置情况
- 备用疏散通道和紧急出口的设置
4.3 培训和演练
- 消防设备的使用培训情况
- 疏散逃生演练的组织和执行情况
- 灭火方法和逃生技巧的宣传和培训
5. 验收结果
- 验收合格
- 验收存在问题,需整改
- 验收不合格,需要重新验收
6. 验收人员
- 验收人员姓名:
- 验收日期:
- 确认签字:
以上是消防工程验收表格的内容,请根据实际情况填写和记录相关信息。
如有需要,可根据项目要求增加其他验收内容和细节。
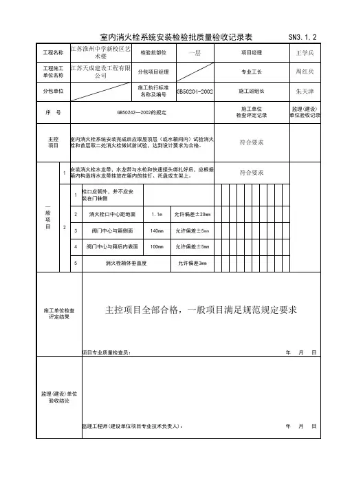
室内消火栓系统安装工程检验批质量验收
记录表.doc
室内消火栓系统安装工程检验批质量验收记录表
工程名称:室内消火栓试射试验
施工单位:______________ 监理单位:______________
验收部位:消火栓箱体安装
设计要求:栓口朝外,中心距地面1.1m允许偏差,阀门中心距箱侧面允许偏差140mm,距箱后内表面100mm允许偏差,消火栓箱体安装的垂直度允许偏差±20mm。
施工执行标准:GB-2002
检查内容:室内消火栓水龙带在箱内安放,消火栓箱体安装是否符合设计要求。
检查结果:消火栓水龙带在箱内安放正确,消火栓箱体安装符合设计要求。
验收结论:该部位验收合格。
美文欣赏:
1、秋天是一个安静祥和的世界,没有繁花似锦,却有硕
果累累。
清风落叶舞秋韵,枝头硕果醉秋容。
秋天是甘美的酒,壮丽的诗,动人的歌。
2、人的一生就是一个储蓄的过程,在人生旅途中,学会
储蓄每一个闪光的瞬间,然后用它们酿成一杯美好的回忆,在四季的变幻与交替之间,散发浓香,珍藏一生!
3、春天来了,让心灵长出北归大雁的翅膀,乘着吹动XXX的熏风,唱着荡漾晨舟的渔歌,回到久别的家乡。
让梦
沐浴灿烂的阳光,长出枝蔓,结下向往已久的真爱的果实。
4、好好享受生活吧,每个人都是幸福的。
人生山一程,
水一程,轻握一份懂得,将牵挂折叠,将幸福尽收,带着明媚,温暖前行,只要心是温润的,再遥远的路也会走得安然。
愿阳光时时明媚,愿生活处处晴好。
表C117室内消火栓系统安装工程检验批质量验收记录表GB50242-2002编号:05-01-C117-1工程名称......和平小区01号分项工程名称室内消火栓系统安装验收部位总承包单位......建筑公司项目经理---专业工长专业承包单位项目经理施工班长施工执行标准名称及编号施工质量验收规范规定施工单位检查评定记录监理(建设)单位验收记录主控项目1室内消火栓试射试验设计要求一般项目1室内消火栓水龙带在箱内安放第4.3.2条2栓口朝外,并不应安装在门轴侧栓口中心距地面1.1m允许偏差±20mm 阀门中心距箱侧面允许偏差140mm距箱后内表面100mm允许偏差±5消火栓箱体安装的垂直度允许偏差3施工单位检查评定结果:质量检查员:年月日监理或建设单位验收结论:监理工程师或建设单位项目专业技术负责人:年月日室内消火栓系统安装工程检验批质量验收记录表一、说明:此表作为《室内消火栓系统安装工程检验批报验申请表》的附件,由施工单位自检合格后填写,报项目监理机构申请验收。
二、规范要点:第4.3.1条:室内消火栓系统安装完成后应取屋顶层(或水箱间内)试验消火栓,首层取二处消火栓做试射试验,达到设计要求为合格。
第4.3.2条:安装消火栓水龙带,水龙带与水枪和快速接头绑扎好后应根据箱内构造将水龙带挂放在箱内的挂钉、托盘或支架上。
第4.3.3条:箱式消火栓安装栓口应朝外,不可安装在门轴侧。
三、监督与检查:1、现场巡视要点:(1)检查所用工程材料等是否符合设计要求。
(2)对消防栓安装试射要进行旁站,并填写旁站记录。
2、对不符合设计要求的项目,通知施工单位整改,直至监理复验合格。
四、质量验收:1、检验方法:检查产品质量合格证和消防栓安装试射记录。
2、验收合格标准:(1)质量控制资料齐全。
(2)主控项目全部合格,一般项目满足规范要求。
402。
消火栓灭火系统施工安装质量记录目录序资料名称编号页数号1消火栓灭火系统质量保证资料核查表C-1 2图纸会审记录1 3设计更改明细表2 4技术交底记录3 5施工技术审定单4 6施工组织设计(方案)5 7动工报告6 8设备资料有关证件汇总表7 9设备开箱检查记录810资料检查记录911消火栓灭火系统阀门抽样试验记录C-212消火栓灭火系统管道安装检查记录C-313消火栓灭火系统管道支架制作安装检查记录C-414消火栓灭火系统管道试压记录C-515消火栓灭火系统管道冲刷记录C-616消火栓灭火系统管道防腐记录C-717消火栓灭火系统管道保温记录C-818消防配电线路敷设检查记录1019消防配电线路隐蔽查收记录1120消火栓灭火系统水源设备安装检查记录C-1021消火栓灭火系统水泵安装检查记录C-1122消火栓灭火系统稳压装置安装检查记录C-1223消火栓灭火系统消火栓箱安装检查记录C-1324消火栓灭火系统水泵试验记录C-1525消火栓灭火系统稳压装置试验记录C-16序资料名称编号页数号26消火栓灭火系统启泵按钮启泵试验记录C-1727消火栓灭火系统屋顶放水试验记录C-1828消火栓灭火系统调试报告C-1929消火栓灭火系统自检报告C-2030完工报告1231设备移交清单13工程名称施工单位类型先期出厂查验隐蔽查收记录施工检查试验记录消火栓灭火系统质量保证资料核查表编号:C-1建设单位核查日期项目份数核查状况图纸会审、技术交底记录1交底完成设计更改、技术审定单1施工组织设计(方案)1已编制动工报告1已编制设备(资料)有关证件汇总表1有关证件齐备设备(资料)检查记录1检查记录齐备管道隐蔽查收记录1记录齐备消防配电线路隐蔽查收记录1记录齐备各种安装检查记录1检查记录齐备各种测试、试验记录1记录齐备调试报告1已调试自检报告1已自检完工报告1已填写设备移交清单1已填写其余核查建议:经检查质量资料齐备切合要求。
陕西省建设工程质量验收技术资料统一用表室内消火栓系统安装检验批质量验收记录陕西省建设工程质量安全监督总站编印编写说明:一、验收依据:1、《建筑给排水及采暖工程施工质量验收规范》GB50242-2002二、规范摘要:4.3 室内消火栓系统安装主控项目4.3.1 室内消火栓系统安装完成后应取屋顶层(或水箱间内)试验消火栓和首层取二处消火栓做试射试验,达到设计要求为合格。
检验方法:实地试射检查。
说明:4.3.1 室内消火栓给水系统在竣工后均应作消火栓试射试验,以检验其使用效果,但不能逐个试射,故选取有代表性的三处:、屋顶(北方一般在屋顶水箱间等室内)试验消火栓和首层取两处消火栓。
屋顶试验消火栓试射可检验两股充实水柱同时到达本消火栓应到达的最远点的能力。
一般项目4.3.2 安装消火栓水龙带,水龙带与水枪和快速接头绑扎好后,应根据箱内构造将水龙带挂放在箱内的挂钉、托盘或支架上。
检查方法:观察检查。
说明:4.3.2 施工单位在竣工时往往不按规定把水龙挂在消火栓箱内挂钉或水龙带卷盘上,而将水龙带卷放在消火栓箱内交工,建设单位接管后必须重新安装,否则失火时会影响使用。
4.3.3 箱式消火栓的安装应符合下列规定:1 栓口应朝外,并不应安装在门轴侧。
2 栓口中心距地面为1.1m,允许偏差±20mm。
3 阀门中心距箱侧面料140mm,距箱后内表面为100mm,允许偏差±5mm。
4 消火栓箱体安装的垂直度允许偏差为3mm.检验方法:观察和尺量检查。
说明:4.3. 箱式消火栓的安装,其栓口朝外并不应安装在门轴侧主要是取用方便;栓口中心距地面为1.1m符合现行防火设计规范规定。
控制阀门中心距侧面及后内表面距离,规定允许偏差,给出箱体安装的垂直度允许偏差均为了确保工程质量和检验方便。