SWP-FA系列经济型单回路数字显示控制器
- 格式:pdf
- 大小:908.43 KB
- 文档页数:18
智能光柱PID调节器|SWP-T805/SWP-ST805SWP-ST805/SWP-T805智能自整定PID光柱调节器性能特点SWP-T805和SWP-ST805系列光柱PID采用了多项国际先进技术,输入采用数字校正及自校准技术,测量精确定,消除了温漂和时漂引起的测量误差。
仪表全面采用了国内外名牌元器件,并采用了稳多重保护和隔离设计,抗干扰能力强、可靠性高。
SWP光柱调节器采用先进的专家PID智能调节算法,控制精度稳定,无超调,具备高精度的自整定功能,仪表输出采用模块化硬件结构设计,可通过更换不同的功能模块实现多种控制方式。
PID控制输出可选4-20mA电流、0-5V、SSR驱动、单/三相SCR过零触发和单相SCR移相触发等多种方式,另有两路报警输出功能,还可选配变送输出,或标准通讯接口(RS485或RS232C)。
SWP-ST805/SWP-T805光柱调节器有手/自动无扰切换功能,PID光柱调节器在手动状态下可修改参数。
SWP光柱调节器具有多类型输入功能,一台仪表可以配接不同的输入信号(热电偶/热电阻/线性电压/线性电流/线性电阻),大大减少了备表的数量。
其适用范围非常广泛,可与各类传感器、变送器配合使用,实现对温度、压力、液位、容量、力等物理量的测量显示,并配合各种执行器对电加热设备和电磁、电动阀门进行PID调节和控制、报警控制、数据采集和记录。
仪表为高亮度双数码显示,可同时显示测量值和控制输出值,仪表数据显示清晰直观。
SWP系列光柱PID还具有零点和满度修正、冷端补偿、数字滤波、传感器故障处理、通讯接口、输出限幅、正反作用控制、开关量输出等功能。
YR-SWP系列智能自整定PID光柱调节器特殊技术参数PWM输出,可控硅触发输出,固态继电器输出,电压/电流输控制输出方式出设定/显示精度+0.5% FS+1位数max。
设定值与显示值匹配,无相对误差比例范围0.0%-100.0%(单位:0.1%)积分(复位)时间0-9,999s(单位:1s)微分(比率)时间0-9,999s(单位:1s)控制周期1、2、4、6、15、30、60、120、240s(单位:1s)采样周期0.5s智能SWP光柱调节器外形及开孔尺寸仪表型号PID光柱仪表外型PID调节器外型尺寸和开孔尺寸YR-SWP-T805-010 YR-SWP-T805-012 YR-SWP-T805-020 YR-SWP-T805-022仪表尺寸:160×80×140mm 开孔尺寸:152×76mm重量:400gYR-SWP-ST805-010 YR-SWP-ST805-012 YR-SWP-ST805-020 YR-SWP-ST805-022仪表尺寸:80×160×140mm 开孔尺寸:76×152mm重量:400gSWP-T805和SWP-ST805系列智能PID光柱调节器接线图YR-SWP系列智能数字PID调节器选型表调节器型号型号代码说明YR-SWP-□□□-□□□-□-□□-□-□新一代自整定PID光柱调节器外形特征STT 横式光柱调节器竖式光柱调节器外形尺寸8160×80mm 80×160mm 控制作用05PID自整定控制仪表输入类型全切换输入只需设定仪表二级参数,即可切换输入多种分度号,可输入分度号如下:通讯方式注2:光柱调节器控制输出为PID控制,调节器变送输出为测量值对应的变送输出。
SWP2005系列仪表SWP 系列干式变压器温度智能控制仪 使用手册★ 全电脑数字自动调校 ★ 全开放内部参数设定★ 强大的网络通讯功能昌晖自动化系统有限公司 C H A R M F A I T H A U T O S Y S T E M C O .,L T D .注意事项▲安装、操作和运行前,请认真阅读本说明书!▲本说明书由最终使用者保留!▲在进行变压器耐压试验前,应先将传感电缆插头与温控仪分离,以免损坏温控仪!!!▲为了让温控器能够正常投运,在搬运、安装时尽可能小心轻放。
▲尽可能将温控器安装在墙面上。
请勿安装在高温、高湿、强腐蚀性、高场强的环境中▲禁止用明火烧烤测温探头,若需要检测温控仪的输出状态,请使用温控仪的模拟检测输出功能。
(操作密码:见P15)▲ 外部接线时,请参照温控仪后侧端子接线图,注意接线端子哪些是有源、哪些是无源,并参考本册中对继电器接点容量的说明。
▲ 故障、超温、跳闸输出触点为无源触点,使用时应另加电源。
风机控制输出为有源触点,接线无需另加电源。
▲ 配接单相风机的温控仪在接通仪表电源后,接线端子上已带电,切勿用手去接触端子,以免出现危险。
▲ 为保证温控仪输入信号质量,请务必拧紧传感总成插头上的连接螺钉。
▲ 温控仪电源应从市电AC220V获得,而不宜直接取自变压器的次级。
▲如果您在阅读本册和使用温控仪时发现一些疑问或错误,很感谢您能及时与我们联系。
电话:0591-********▲ 本说明书若有进一步修订和更改,恕不另行通知。
目录一、功能概述 (1)二、校对指标 (1)三、型号分类与功能说明 (3)四、外形及面板说明 (6)五、使用简介 (11)六、使用说明 (13)七、干式变压器温控仪系列接线图 (25)八、一般的异常现象及处理方法 (40)九、配件清单 (41)十、订货须知 (41)十一、维护与质保 (42)一、功能概述SWP系列干式变压器温度控制器,是保证干式变压器安全运行的控制装置。
一、产品概述1、SWP-D80系列数显表采用微处理器进行控制运算。
2、SWP-D80系列数显表该仪表集数字仪表与模拟仪表于一体,可对温度、压力、液位、速度等测量信号进行数字量显示控制(高亮度LED数码显示)及相对模拟量显示(光柱显示),使测量值的显示更为清晰直观。
3、SWP-D80系列数显表广泛适用于航空、石油、化工、水泥厂、制药厂、制糖厂、造纸厂、自动化安装工程、染色生产设备等行业中。
二、技术参数规格说明使用环境环境温度 0~50℃相对湿度≤85RH 避免强腐蚀气体供电电压常规型 AC220V+10-15%(50Hz±2Hz)特殊型 AC85~260V——开关电源DC24V ±2V——开关电源功耗•≤6W(AC220V 线性电源供电)•≤6W(AC85~260V 开关电源供电)•≤6W(DC24V 开关电源供电)输入信号模拟量热电偶:标准热电偶——B、S、K、E、J、T、WRe3-25等电阻:标准热电阻——Pt10、Pt100.1、Cu50、Cu100 等远传压力电阻等电流:0~10mA、4~20mA、0~20mA等——输入阻抗≤250Ω电压:0~5V、1~5V、mV等——输入阻抗≥250KΩ开关量脉冲信号:波形——矩形、正弦或三角波辐度——大于4V(或根据用户要求任定)范围——0~10KHz(或根据用户要求任定)接点信号:电接点输入信号输出信号模拟量输出 DC 0~10mA(负载电阻≤750Ω) DC 4~20mA(负载电阻≤500Ω)DC 0~5V(负载电阻≥250KΩ) DC 1~5V(负载电阻≥250KΩ)开关量输出继电器控制输出-继电器ON/OFF带回差。
AC 220V/3A DC 24V/5A(阻性负载)可控硅控制输出-SCR(可控硅过零触发脉冲)输出,0.5A/400V固态继电器输出-SSR(固态继电器控制信号)输出,6~24V/30mA(电压不可调)双向可控硅输出-SOT可控硅输出,5A/400V通讯输出接口方式——标准串行双向通讯接口 RS-485、 RS-232 C、RS-422等波特率——300~9600bps 仪表内部自由设定馈电输出 DC 24V 负载≤30mA测量精度±0.2%FS±1字或±0.5%FS±1字分辨率±1字测量范围 -1999~9999字显示方式 -1999~9999字测量值显示 -1999~9999字设定值显示发光二级管工作状态显示方式控制/报警方式为带回差上限或下限报警(用户可自由设定)控制精度±1字温度补偿 0~50℃数字式温度自动补偿打印控制可选择直接配接各型串打印机(如LQ-300K,TPuP系列微打等),打印接口为RS-232C打印精度同仪表精度参数设定面板轻触式按键设定、参数设定值断电后永久保存、参数设定值密码锁定保护方式输入回路断线报警(热电偶或电阻输入时)、断电器输出状态LED指示、输入超/欠量程报警、电源欠压自动复位、工作异常自动复位(Watch Dog)三、产品型号SWP-D80数字显示控制仪1、SWP-D823/821系列双路数字显示控制仪SWP-D823-022-23/23-HL/HL SWP-D823-011-23/23-HL/HLSWP-D823-822-23/23-HL/HL SWP-D823-811-23/23-HL/HLSWP-D823-222-23/23-HL/HL SWP-D823-211-23/23-HL/HLSWP-D823-020-23/23-HL/HL SWP-D823-010-23/23-HL/HLSWP-D823-021-23/23-HL/HL SWP-D823-012-23/23-HL/HLSWP-D823-022-23/12-HL/HL SWP-D823-011-23/12-HL/HLSWP-D823-822-23/12-HL/HL SWP-D823-811-23/12-HL/HLSWP-D823-222-23/12-HL/HL SWP-D823-211-23/12-HL/HLSWP-D823-020-23/12-HL/HL SWP-D823-010-23/12-HL/HLSWP-D823-021-23/12-HL/HL SWP-D823-012-23/12-HL/HLSWP-D823-022-23/08-HL/HL SWP-D823-011-23/08-HL/HLSWP-D823-822-23/08-HL/HL SWP-D823-811-23/08-HL/HLSWP-D823-222-23/08-HL/HL SWP-D823-211-23/08-HL/HLSWP-D823-020-23/08-HL/HL SWP-D823-010-23/08-HL/HLSWP-D823-021-23/08-HL/HL SWP-D823-012-23/08-HL/HLSWP-D821-022-23/23-N SWP-D821-00-23/23-N SWP-D821-822-23/23-N SWP-D821-80-23/23-N SWP-D821-222-23/23-N SWP-D821-20-23/23-N SWP-D821-020-23/23-N SWP-D821-00-23/23-N SWP-D821-022-23/12-N SWP-D821-00-23/12-N SWP-D821-822-23/12-N SWP-D821-80-23/12-N SWP-D821-222-23/12-N SWP-D821-20-23/12-N SWP-D821-020-23/12-N SWP-D821-00-23/12-N SWP-D821-022-23/08-N SWP-D821-00-23/08-N SWP-D821-822-23/08-N SWP-D821-80-23/08-N SWP-D821-222-23/08-N SWP-D821-20-23/08-N SWP-D821-020-23/08-N SWP-D821-00-23/08-N2、SWP-D805系列PID自整定控制仪SWP-D805-020-23-HL SWP-D805-010-23-HL SWP-D805-020-22-HL SWP-D805-010-22-HL SWP-D805-020-21-HL SWP-D805-010-21-HLSWP-D805-020-20-HL SWP-D805-010-20-HL SWP-D805-020-19-HL SWP-D805-010-19-HL SWP-D805-020-18-HL SWP-D805-010-18-HLSWP-D805-020-17-HL SWP-D805-010-17-HL SWP-D805-020-16-HL SWP-D805-010-16-HL SWP-D805-020-15-HL SWP-D805-010-15-HLSWP-D805-020-14-HL SWP-D805-010-14-HL SWP-D805-020-13-HL SWP-D805-010-13-HL SWP-D805-020-12-HL SWP-D805-010-12-HLSWP-D805-020-11-HL SWP-D805-010-11-HL SWP-D805-020-10-HL SWP-D805-010-10-HL SWP-D805-020-09-HL SWP-D805-010-09-HLSWP-D805-020-08-HL SWP-D805-010-08-HL SWP-D805-020-07-HL SWP-D805-010-07-HL SWP-D805-020-06-HL SWP-D805-010-06-HLSWP-D805-020-05-HL SWP-D805-010-05-HL SWP-D805-020-04-HL SWP-D805-010-04-HL SWP-D805-020-03-HL SWP-D805-010-03-HLSWP-D805-020-02-HL SWP-D805-010-02-HLSWP-D805-020-01-HL SWP-D805-010-01-HL3、SWP-D815系列PID外给定控制仪SWP-D815-020-23/12-HL SWP-D815-010-23/12-HL SWP-D815-020-23/08-HLSWP-D815-010-23/08-HL SWP-D815-020-12/12-HL SWP-D815-010-12/12-HLSWP-D815-020-23/22-HL SWP-D815-010-23/22-HL SWP-D815-020-23/21-HLSWP-D815-010-23/21-HL SWP-D815-020-12/20-HL SWP-D815-010-12/20-HLSWP-D815-020-23/19-HL SWP-D815-010-23/19-HL SWP-D815-020-23/18-HLSWP-D815-010-23/18-HL SWP-D815-020-12/17-HL SWP-D815-010-12/17-HLSWP-D815-020-23/16-HL SWP-D815-010-23/16-HL SWP-D815-020-23/15-HLSWP-D815-010-23/15-HL SWP-D815-020-12/14-HL SWP-D815-010-12/14-HL SWP-D815-020-23/13-HL SWP-D815-010-23/13-HL SWP-D815-020-23/11-HL SWP-D815-010-23/11-HL SWP-D815-020-12/10-HL SWP-D815-010-12/10-HL SWP-D815-020-23/09-HL SWP-D815-010-23/09-HL SWP-D815-020-23/07-HL SWP-D815-010-23/07-HL SWP-D815-020-12/06-HL SWP-D815-010-12/06-HL SWP-D815-020-23/05-HL SWP-D815-010-23/05-HL SWP-D815-020-23/04-HL SWP-D815-010-23/04-HL SWP-D815-020-12/03-HL SWP-D815-010-12/03-HL SWP-D815-020-23/02-HL SWP-D815-010-23/02-HLSWP-D815-020-23/01-HL SWP-D815-010-23/01-HL4、SWP-D825系列PID阀位控制仪SWP-D825-020-23/12-HL SWP-D825-010-23/12-HL SWP-D825-020-23/08-HL SWP-D825-010-23/08-HL SWP-D825-020-12/12-HL SWP-D825-010-12/12-HL SWP-D825-020-23/22-HL SWP-D825-010-23/22-HL SWP-D825-020-23/21-HL SWP-D825-010-23/21-HL SWP-D825-020-12/20-HL SWP-D825-010-12/20-HL SWP-D825-020-23/19-HL SWP-D825-010-23/19-HL SWP-D825-020-23/18-HL SWP-D825-010-23/18-HL SWP-D825-020-12/17-HL SWP-D825-010-12/17-HL SWP-D825-020-23/16-HL SWP-D825-010-23/16-HL SWP-D825-020-23/15-HL SWP-D825-010-23/15-HL SWP-D825-020-12/14-HL SWP-D825-010-12/14-HL SWP-D825-020-23/13-HL SWP-D825-010-23/13-HL SWP-D825-020-23/11-HL SWP-D825-010-23/11-HL SWP-D825-020-12/10-HL SWP-D825-010-12/10-HL SWP-D825-020-23/09-HL SWP-D825-010-23/09-HL SWP-D825-020-23/07-HL SWP-D825-010-23/07-HL SWP-D825-020-12/06-HL SWP-D825-010-12/06-HL SWP-D825-020-23/05-HL SWP-D825-010-23/05-HL SWP-D825-020-23/04-HL SWP-D825-010-23/04-HL SWP-D825-020-12/03-HL SWP-D825-010-12/03-HL SWP-D825-020-23/02-HL SWP-D825-010-23/02-HLSWP-D825-020-23/01-HL SWP-D825-010-23/01-HL5、SWP-D835系列手动操作器SWP-D835-020-23/12-HL SWP-D835-010-23/12-HL SWP-D835-020-23/08-HL SWP-D835-010-23/08-HL SWP-D835-020-12/12-HL SWP-D835-010-12/12-HL SWP-D835-020-23/22-HL SWP-D835-010-23/22-HL SWP-D835-020-23/21-HL SWP-D835-010-23/21-HL SWP-D835-020-12/20-HL SWP-D835-010-12/20-HL SWP-D835-020-23/19-HL SWP-D835-010-23/19-HL SWP-D835-020-23/18-HL SWP-D835-010-23/18-HL SWP-D835-020-12/17-HL SWP-D835-010-12/17-HL SWP-D835-020-23/16-HL SWP-D835-010-23/16-HL SWP-D835-020-23/15-HL SWP-D835-010-23/15-HL SWP-D835-020-12/14-HL SWP-D835-010-12/14-HL SWP-D835-020-23/13-HL SWP-D835-010-23/13-HL SWP-D835-020-23/11-HL SWP-D835-010-23/11-HL SWP-D835-020-12/10-HL SWP-D835-010-12/10-HL SWP-D835-020-23/09-HL SWP-D835-010-23/09-HL SWP-D835-020-23/07-HL SWP-D835-010-23/07-HL SWP-D835-020-12/06-HL SWP-D835-010-12/06-HL SWP-D835-020-23/05-HL SWP-D835-010-23/05-HL SWP-D835-020-23/04-HL SWP-D835-010-23/04-HL SWP-D835-020-12/03-HL SWP-D835-010-12/03-HL SWP-D835-020-23/02-HL SWP-D835-010-23/02-HLSWP-D835-020-23/01-HL SWP-D835-010-23/01-HL。
多功能电力仪表使 用 手 册江阴威尔胜仪表制造有限公司 Addres:江阴市富民工业园富园路12号 PC:214400 Email:(请认真仔细阅读本说明书后再使用仪表)WD198E 系列经济型多功能电力仪表用户手册一.概述经济型多功能电力仪表是WD198E 系列产品中增加的新品种,该产品是具有可编程测量、显示、数字通讯和电能脉冲输出功能,能够完成电量测量、电能计量、数据显示、采集及传输,可广泛应用变电站自动化、配电自动化、智能建筑、企业内部电能测量、管理、考核。
测量精度为0.5级,实现LED 现场显示和远程RS-485数字接口通讯、采用MODBUS-RTU 通讯协议。
目前经济型多功能电力仪表有WD198E-2S4G 、WD198E-9S4G 、WD198E-3S4G 三个品种。
二.性能参数性 能参 数网 络三相三线、三相四线额定值 AC100V 、220V 、380V (订货时请说明)过负荷测量:1.2倍 瞬时:2倍/10s功 耗 <0.1VA (每相)阻 抗 >1MΩ电 压精 度 RMS 测量,精度等级0.5 额定值 AC1A 、5A (订货时请说明) 过负荷持续:1.2倍 瞬时:10倍/10s功 耗 <0.4VA (每相) 阻 抗 <20mΩ电 流精 度 RMS 测量,精度等级0.5 频 率 40~65Hz ,分辨力0.02Hz 功 率 三相总有功、无功 精度0.5%电 能 四象限电能计量 有功精度0.5%,无功为1% 输入 测 量 显 示显 示可编程设置、切换、循环3排 LED 显示工作范围 AC 、DC 80V ~270V电 源功 耗≤5VA数字接口 RS-485、MODBUS-RTU 协议 输 出 脉冲输出 2路电能脉冲输出,光耦继电器环 境工作环境-10~55℃储存环境-20~75℃耐 压 输入和电源>2kV ;输入和输出>2kV ;电源和输出>1.5kV安 全绝 缘输入、输出、电源对机壳>5M Ω 尺 寸 96×96×83(长、宽、深)外 形重 量0.4kg三.安装与接线1.安装尺寸:最 小 安 装 距 离总 长 (n )不带插头总 长备 注仪表型号外 形 代 号 外 形 尺 寸(lxh )屏 装 配 合 尺 寸 (axb )开 孔 尺 寸 (sxy )水平垂直42方形 2 120X120 110X110 111X111 120 120 55.5 9方形 9 96X96 90X90 91X91 96 96 75 6方形383X8375X7576X76838375单位(mm )2.安装方法:1).在固定的配电柜上,选择合适的地方开一个SXY 的安装孔。
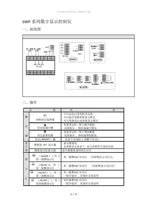
SWP-C80智能数字显示控制仪表
深圳市能易仪器有限公司
香港昌晖SWP-C80数显表介绍
SWP-LED系列数字显示控制仪/光柱显示控制仪采用微处理器进行控制运算,可对各种非线性输入信号进行精度极高的线性矫正测量。
SWP-LED系列光柱显示控制仪集数字仪表与模拟仪表于一体,可对温度、压力、液位、速度等测量信号进行数字量显示控制(高亮度LED数码显示)及相对模拟量显示(光柱显示),使测量值的显示更为清晰直观,并可选择双光柱显示方式
SWP-LED系列数字显示控制仪型谱表
型号代码说明
SWP - □ □ □ □ -□□-□□-□ □ -□ □新系列
★ 输入类型
★ 全切换输入只需设定仪表二级参数,即可切换输入多种分度号,可输入分度号如下:
★ 变送输出方式
★ 通讯方式
★注1:C80系列为0.8英寸LED显示,C90、S80、C70、C40系列为0.56英寸LED显示,C10系列为0.32英寸LED显示。
★注2:四限控制或四限报警输出为四个继电器控制输出,用户可自行修改内部参数以设定需要的控制或报警方式。
(四限控制/报警仅T.C80、S80和C90系列提供,2H代表两个上限控制/报警,2L代表两个下限控制/报警)。
★ 同种分度号,选型代码和仪表编程代码不同,在仪表设定时请注意。
★注3:C70、C10无频率信号输入。
★型号举例:
SWP-C803-21-08-HL-T
测量显示,通讯方式为RS232,输出方式为继电器输出,输入类型为PT100,第一报警为上限报警,第二报警为下限报警,AC90~260V供电。
目 录一、概述二、主要功能及特点三、主要技术指标四、选型表五、仪表面板说明六、功能菜单的操作七、端子接线图八、故障显示代码及意义(2) (2)(2)(3)(4) (4) (7) (7)→← 8、手 自动双向无扰动平滑切换,手、自动状态指示和状态输出(可驳接上位机)。
9、输入过量程及断阻、断偶、断线等故障的告诫提示。
10、伺服功能,取代常规的伺服放大器,直接控制电机正、反转。
11、SSR(固态继电器)电压信号输出,SCR(可控硅)过零(调功型)触发信号输出,继电器报警触点输出。
12、仪表在掉电状态下,参数可以永久保持。
13、90—265VAC宽范围输入的自由电源(开关电源)。
三、主要技术指标1、精度:数显±0.5%FS±1个字或±0.2%FS±1个字,20线光柱±5%FS。
2、模拟量输入:标准热电偶(带冷端自动补偿)标准热电阻(带线路电阻自动补偿:R线≤10Ω,不影响测量精度。
直流电压:mV、0-5V、1-5V直流电流:0-10mA、0-20mA、4-20mA 3、模拟量输出:电压:1-5V(负载RL≥250KΩ) 电流:0-10mADC(负载RL≤750Ω) 4-20mADC(负载RL≤500Ω) 4、报警触点输出:触点容量 200VAC/3A(阻性负载) 5、配电输出:24VDC,30mA6、供电电源:90—265VAC,50Hz±2Hz或24VDC±2V。
7、绝缘强度:公用地—外壳(大地端):大于40mΩ,500VAC/1分 8、工作环境条件:温度:0-50℃;相对湿度:<85%RH;避免强腐蚀气体。
9、仪表外形及开孔尺寸(mm):竖形:80×160×100,开孔尺寸76+1×152+1方形:96×96×120,开孔尺寸91+1×91+1 10、仪表重量:0.5Kg一、概 述HWP系列智能调节器是采用国际上最新数字集成技术和根据国内工业自动控制的实际需求而研制开发的新一代高品质智能化仪表。
实验一ﻩ液位流量过程控制系统一、实验目的1.掌握控制对象动态特性测试的方法.2.熟悉1~2阶单回路控制系统和串级控制系统的组成,调节器参数整定.3. 了解干扰信号加于不同位置对调节质量的影响.4。
掌握P、I、D参数对系统性能的影响。
二、实验内容1。
动态特性测试液位对象的动态特性测试流量对象的动态特性测试2.单回路控制系统液位单回路控制及参数整定流量单回路控制及参数整定3。
串级控制系统串级控制的组成串级控制时调节器的参数整定及系统投运4。
比值控制系统相乘控制方案的实施比值控制时比值系数的设置三、实验用图所有原理框图、接线图均在实验步骤内四、实验预备知识1.了解差压变送器的工作原理和结构。
2. 了解电气调节阀和流量传感器工作原理和信号的传递与控制.3. 掌握PID数字控制仪的接线与操作方法。
五、实验预习1。
了解实验装置,熟悉液位与流量过程控制系统面板图(见附图一).2.根据每个实验的要求和对应实验装置的面板图,完成“实验原理与步骤”中各种实验的原理框图和接线图,以此为依据进行实验。
3。
写出每个实验的操作步骤及调节器的设置。
六、实验装置1.装置介绍a.装置的组成该装置由控制对象和控制台两部分组成.控制对象包括两阶液位对象、水槽、水泵、流体输送管道、空气过滤减压阀、电气转换器以及有关的液位压力检测变送和气动调节阀.在控制屏上安装了数字调节仪表、泵的开停按钮及整个工艺模拟流程图等。
模拟流程图上的有输入输出线插座孔.因此在组成不同控制回路时,只要在这些插孔上进行不同的连接,就能方便组成不同的控制回路.b。
模拟屏模拟屏上的流程图如图4所示。
图中,Ο为插座孔.C1、C2、C3为三个调节器(C1带有通信接线、C2带有外设定功能),C1为主调节器,C2为副调节器,C3为外加干扰;框中的PV、SP、OUT分别表示调节器的测量、外给定、输出;FT1、FT2分别表示内、外容器的流量检测变送值经F/I转换后的标准电流输出信号;V1、V2表示调节阀的输入信号插座孔,接收来自调节器的标准电流输出信号并经电气转换器转换成标准气信号后送到气动调节阀。
2008系列S W P仪表SWP系列数字显示控制仪X80系列闪光报警器★ 八路闪光报警显示★ 全开放内部参数设定★ 开路、闭路报警设定★ 方便的联机打印功能№: 9803 (SWP-B V1.00.001)目录一、主要技术参数---------------------------------------------------------------------------------------1二、操作指南---------------------------------------------------------------------------------------------2(一)、仪表面板------------------------------------------------------------------------------------------------------------2(二)、操作方式------------------------------------------------------------------------------------------------------------31、正确的接线-----------------------------------------------------------------------------------------------------------32、仪表的上电-----------------------------------------------------------------------------------------------------------33、控制参数设定--------------------------------------------------------------------------------------------------------4(三)、返回工作状态----------------------------------------------------------------------------------------------------5(四)、报警工作状态----------------------------------------------------------------------------------------------------51、DIP=0时,仪表工作状态如下:------------------------------------------------------------------------------52、DIP=1时,仪表工作状态如下:------------------------------------------------------------------------------5(五)、消除报警与测试------------------------------------------------------------------------------------------------5三、二级参数设定---------------------------------------------------------------------------------------6四、仪表通讯组成---------------------------------------------------------------------------------------7五、安装与使用------------------------------------------------------------------------------------------7六、接线图------------------------------------------------------------------------------------------------7七、SWP系列闪光报警仪型谱表---------------------------------------------------------------------8承蒙惠购本控制器不胜感激。
SWP2004系列仪表SWP-C80干式变压器温度控制仪★ 全电脑数字自动调校★ 全开放内部参数设定★ 强大的网络通讯功能目 录一、功能概述..................................................................1二、校对指标..................................................................2三、型号分类与功能说明........................................................3四、面板说明..................................................................4五、使用简介..................................................................6六、使用说明..................................................................8七、一般的异常现象及处理方法................................................20八、配件清单................................................................21九、订货须知................................................................21 附录1:传感电缆、通讯电缆、信号线结构图.....................................22 附录2:SWP-C80-T220电气外接线图.............................................25 附录3:SWP-C80-T380电气外接线图.............................................26 维护与质保..................................................................27一、功能概述SWP一C80一T220(380)系列干式变压器温度控制器,是保证干式变压器安全运行的控制装置。
SWP-T30系列智能压力变送器使用说明福州昌晖自动化系统有限公司CHARM FAITH AUTOSYSTEM CO; LTD.目录设计说明SWP-T30系列智能型用户可组态压力变送器 (1)SWP-T30系列直接安装式变送器部件分解图 (2)数据指标工作原理 (3)应用 (3)精确度 (3)输出 (4)量程 (4)电源 (5)重量和包装 (5)防爆认证 (5)安装条件外型尺寸图 (5)压力接口图 (5)安装支架图 (6)电气联接方式 (6)电磁兼容性 (6)外壳保护 (6)材质兼容性 (7)压力极限 (7)温度极限 (7)显示和操作界面 (7)选型说明SWP-T30系列智能压力变送器选型 (8)内置传感器及量程选择表 (9)2300CHARFAITH公司为满足行业的用户需求,推出SWP-300智能功能的压力变送器,用户可以根据实际的要求现场组态,方便易用。
如果你需要远程组态或通讯联网、如果你仍使用4~10mA作为传输信号,并且不想只为压力变送器购买手操器或PC软件,那么可以选择SWP-300系列型产品。
它带背光LCD显示及现场键盘,具有简单友好的用户介面和丰富的功能;采用16位高精度A/D转换,内置温度补偿。
采样精度达0.0125%。
高精度低温漂。
就地用户设定按钮,量程迁移最大30:1,单位、量程就地切换。
现场LCD显示,带0-100%光棒指示。
手操器组态、RS-485通讯PC联网方便易用。
自检、报警功能齐全。
请参考以下性能对比表,选择您所选用的智能功能:用SWP-T30系列智能压力变送器用于测量液体/气体或蒸汽的压力和液位。
具有旋入式直接安装和支架安装两种标准结构。
其中,301,302为 4~20mA输出,通过就地按钮可以实现全部智能化功能303,304为带RS-485通讯和4~20mA输出,可以通过PC H通讯管理软件或手操器进行通讯/设定/监控。
参考条件:室温25℃,相对湿度65%,不带量程迁移,线性输出线 性: SWP-301 0.25%SWP-302,303,304 0.1%重复性:0.05%迟滞:0.05%响应时间:取决于量程及量程0.1~1.6秒,附加的可调节时间常0~32秒长期稳定性: 301/302 ±0.25%F.S/年303/304 ±0.1%F.S/年温度系数: 301/302 ±0.2%F.S/年(在-40~85℃内,零点和量程合计)303/304 ±0.1%F.S/年(在-40~85℃内,零点和量程合计)安装位置影响:对于零点约为350Pa×sin∠°(∠°=与垂直安装位置的角度差可通过就地按钮修正,对量程无影响。