单回路测控仪说明书
- 格式:docx
- 大小:17.09 KB
- 文档页数:7
GR50 单相智能电力监控仪使用及技术说明书1 装置简介1.1概述GR50单相智能电力监控仪采用最现代的微处理器设计而成。
具有测量功能全面、精度高、安装方便等特点,它采用大液晶屏显示数据和运行状态,可以实现单相电路的电量测量、两路开关量监测、一路继电器输出,一路模拟量输出、智能通讯等功能,可用于电厂、变电站、楼宇、石化、市政、厂矿的供配电场所,特别适用于智能变配电监控系统中。
1.2性能特点◎利用直接交流采样技术实现全电量测量,可以测量单相电流、电压、有功/无功功率、功率因素、频率、有功/无功电度等电力参数。
◎采用蓝底白字、高亮度的大液晶屏幕,显示测量数据和运行状态。
◎具有两个开关量输入和一个继电器接点输出;开关量可以接入有源的状态量节点,用于监视外部开关量的变位;继电器接点输出用于实现越限报警和远程控制输出。
(扩展功能)◎可选配4-20mA模拟量变送输出功能,可方便接入DCS 系统中。
(扩展功能)◎具有远方通讯功能,用户可以方便的利用通讯进行系统参数编程、继电器参数设置、遥控,实现自动控制。
2 技术指标2.1环境条件:运行温度: -20℃~ +70℃大气压力: 80Kpa~110Kpa 相对湿度:5%~95%(产品内部不结露,不结冰)2.2 额定参数1)装置工作电源直流:允许范围:DC 100V~300V交流:允许范围:AC 85V~265V2)额定电流输入:5A或1A 变比可设置3)额定电压输入:100V/57.5V 380V/220V 变比可设置4)允许过载能力:1.2倍额定电压/电流,连续工作5)功耗:<5W2.3 机械特性尺寸:面板:95mm(L)×50mm(W)×62mm(H)本体:90mm(L)×45mm(W)×45mm(H) 重量:0.3KG3 测量功能●电流(I)●电压(U)●频率(F)●有功功率(P)●无功功率(Q)●功率因数(η)●有功电能(KWh)●无功电能(KVarh)3.1 通讯功能GR50自带RS-485通讯口,采用标准的MODBUS通讯协议,通过通讯口,可以查询全部的测量监控信息。
单回路测控仪压力调试教程一、准备工作1.确保待测系统处于安全状态,并且压力传感器已经安装完毕。
2.查找并准备好适用的单回路测控仪以及相应的调试软件和电缆。
二、连接设备1.使用合适的电缆将单回路测控仪与待测系统的压力传感器相连。
2.确保电缆连接牢固,并检查连接口的防水性能。
三、设置测控仪参数1.打开调试软件,并根据测控仪的型号和厂家提供的说明书,设置参数。
通常需要设置的参数包括测量范围、采样频率和输出方式等。
2.进行相应的校准,例如零点和满量程校准,以确保测量结果的准确性。
四、实施压力调试1.将待测系统压力逐渐增加至目标值,观察测控仪的显示数值。
2.使用调试软件中的调整功能,根据实际测量数值和预期数值的差异,逐步调整测量范围和输出方式等参数,以提高调试结果的准确性。
3.在调试过程中,注意观察系统的工作状况,如有异常情况及时停止调试并检查原因。
五、记录和分析数据1.记录每次压力调试的参数设置、显示数值和实际数值等数据。
2.使用分析工具,比较不同参数设置下的测量结果,找出合适的参数组合,以提高测控仪的准确性和可靠性。
六、调试完成和报告1.调试完成后,关闭测控仪和待测系统,并断开相应的电缆连接。
2.汇总调试记录和分析结果,编写调试报告,包括调试过程中遇到的问题和解决方案,以备后续参考。
通过以上的单回路测控仪压力调试教程,读者可以了解到该过程的基本步骤和注意事项。
值得注意的是,在实际操作中应根据实际情况进行灵活调整,以确保调试的准确性和安全性。
此外,为保证调试顺利进行,建议在调试前先阅读测控仪和相关设备的使用说明书,以熟悉其功能和操作方法。
DDS33型单相电子式电力仪表(新型导轨式带RS485)使用说明书PA2018E472-331.用途及适用范围DDS33单相多功能电力仪表(以下简称电力仪表)系我公司采用微电子技术计量电能,采用进口专用大规模集成电路应用数字采用处理技术及SMT工艺等先进技术研制开发的新型单相电力仪表。
该电力仪表完全符合GB/T17215.321-2008国家标准及IEC62053国际标准中1级或2级单相电能表的相关技术要求,可直接精确地测量电能计量中正向有功电能;通讯协议符合DL/T645—2007规约,可以通过RS485或红外掌机读取总电量、电压、电流、功率;由7位LCD液晶显示总用电量;具有抄表方便,可靠性高、体积小、重量轻、外表美观、工艺先进、35mmDIN标准导轨方式安装等特点;并具有良好的抗电磁干扰、低工耗节电、高精度、高过载、高稳定性、防窃电。
长寿命。
该电力仪表适用于计量额定频率为50Hz或60Hz的单相交流有功电能、供固定安装在室内使用,适用于环境温度不超过-25℃~+55℃,相对湿度不大于95%,且空气中不含有腐蚀气体及避免尘沙、霉菌、盐雾、凝露、昆虫等影响。
2主要规格及技术参数2.1.电力仪表规格:规格型号准确度额定电压Ub额定电流(A)单相多功能仪表1级220V 1.5(6)A,5(20)A,5(30)A,10(40)A,15(60)A,20(80)A,20(100)A,30(100)A2级注:额定电流栏中,括号前的数值为额定电流值Ib,括号内的数值为额定最大电流值Imax。
2.2.技术参数:2.2.1 误差限电流值功率因数(COSΦ)百分数误差限(%)直接接入经互感器接入1级2级0.05Ib 0.02Ib 1 ±1.5 ±2.50.1Ib 0.05Ib 0.5L ±1.5 ±2.50.8C ±1.5 --- 0.1Ib~Imax 0.05Ib~Imax1 ±1.0 ±2.00.2Ib~Imax 0.1Ib~Imax 0.5L ±1.0 ±2.0 0.8C ±1.0 ---2.2.2 电动在额定电压、额定频率及COSΦ=1的条件下,当电力仪表负载电流为下规定值时,电力仪表起动并连续计量电能。
PMF611A单相可编程电量测控仪技术及使用说明书(Ver1.32)许继智能科技股份有限公司XJ INTELLIGENT TECHNOLOGY CO.,LTD.PMF611A单相可编程电量测控仪应用范围应用于0.4kV~35kV低压系统,广泛适用于各行业供配电场所、能源管理、自动化以及智能化监控系统等。
装置硬件 后插拔方式,易于现场安装和维护。
主要特点可直接替代传统的指针式电压或电流表,进行精确测量。
CT、PT变比可自由设定,CT变比范围:1A规格时为1~9999,5A规格时为1~1999;PT变比范围:1~350,互换性强,有效节省备品备件。
产品1. 装置简介 (1)1.1. 功能配置 (1)2. 技术指标 (1)3. 装置硬件 (1)3.1. 外形和安装尺寸 (1)3.2. PMF611A端子定义说明 (2)4. PMF611A人机接口说明 (4)4.1. 面板说明 (4)4.2. 显示菜单说明 (5)4.3. 查询实时数据步骤 (5)5. PMF611A单相可编程电量测控仪命名规则 (6)6. PMF611A通讯协议 (7)6.1. 通讯协议概述 (7)6.2. 传输方式 (7)6.3. 帧格式 (7)6.4. 通讯报文举例 (7)6.5. PMF611A内部寄存器地址说明 (10)7. 投运说明及注意事项 (12)8. 贮存及保修 (12)9. 供应成套性 (12)10. 订货须知 (12)11. PMF611A典型接线示意图 (13)12. 附录.特殊情况说明 (14)1.装置简介PMF611A单相可编程电量测控仪可实现低压馈线回路的测量功能,主要适用于0.4kV~35kV电力系统。
1.1. 功能配置提供单相电压或单相电流的测量,CT、PT变比可自由设定,CT变比范围:1A规格时为1~9999,5A规格时为1~1999;PT变比范围:1~350,互换性强,有效节省备品备件。
2.技术指标参数 指 标精度等级 0.2级显示数据电流 四位,自动调整小数点位;单位A或kA。
仪表间最小间距W 38 34 38 38 15 32 15H 34 38 38 15 38 32 15仪表背面图(1)在表盘上安装仪表的方法按照不同仪表所需的开孔尺寸在盘面上开好对应尺寸的安装孔,将仪表嵌入到开好的安装孔中,然后在仪表两侧安装固定支架,拧紧螺丝使仪表固定在盘面上,再剥掉显示屏上的保护膜即可。
(如果在同一表盘上安装多台仪表,应参考上图中推荐的仪表间最小间距,以保证必要的散热及装卸空间)(2)从外壳中取出表芯的方法将仪表本体一侧的锁扣向外侧拨开,然后将仪表另一侧的面板与本体之间的卡扣向里顶下,抓住仪表的前面板向外拔,即可使表芯与表壳分离(见右图)。
在回装时,将表芯插入表壳后一定要推紧,并将锁扣锁紧,以保证安装可靠。
(3)安装说明★ 电缆的选择、仪表的安装和电连接必须符合VD0100“1000V以下电路安装的有关规定”或本地的有关规定★ 电连接必须由专业人员进行★ 负载电路应使用保险丝,以保护继电器触点在短路或电流超过继电器最大容量时自动切断电路★ 输入、输出和电源应单独布线,同时相互之间避免平行★ 在仪表的电源端子上不要连接任何其它负载★ 传感器和通讯线应使用屏蔽绞线(4)仪表标准配线说明★ 直流信号输入(过程输入)1、为了减小电气干扰,低压直流信号和传感器输入的连接线应远离强电走线。
如果做不到应采用屏蔽导线,并在一点接地2、在传感器与端子之间接入的任何装置,都有可能由于电阻或漏流而影响测量精度★ 热电偶或高温计输入应采用与热电偶对应的补偿导线作为延长线,应有屏蔽层★ RTD(铂电阻)输入三根导线的电阻值必须相等,每根导线的电阻不能超过15Ω面板卡扣锁扣三、仪表的显示面板和功能键显示测量值;在参数设定状态下, 显示参数符号显示输入分度号、报警值等,可根据要求自行选择显示;在参数设定状态下,显示设定参数值输出指示灯 运行指示灯第一报警指示灯 第二报警指示灯确认键:数字和参数修改后的确认翻页键:参数设置下翻键退出设置键:长按5秒可返回测量画面移位键:按一次数据向左移动一位复位键:长按5秒仪表复位减少键:用于减少数值增加键:用于增加数值PV显示窗SV显示窗确认键移位键减少键增加键报警指示灯OUT RUN AL1AL2显示窗PV显示窗SV显示窗指示灯OUT RUN AL1AL2按键四、选型表五、接线规格尺寸为A、B、C、D、E型接线图注:横竖式仪表后盖接线端子方向不一样,见示意图1图1123456789101112123456789101112A、DB、E二线制变送器接线方法PVIN{OUT {4PmA 5234343123123TCV mARTDYTZ 676767123456789101112Power/D Power/A +-{8910AL1AL2报 警8910AL135配电输出}L N1112RS485+-mAV+-+-+-p+-1112+-{配OHR-A100输出类型(负载电阻RL)无输出4~20mA(RL≤500Ω)1~5V(RL≥250KΩ)0~10mA(RL≤1KΩ)0~5V(RL≥250KΩ)0~20mA(RL≤500Ω)0~10V(RL≥4KΩ)RS485通讯接口(Modbus RTU)代码 X 0 1 2 3 4 5 D1电压范围AC/DC 100~240V(50/60Hz)DC 12~36V代码 A D 分度号(测量范围)热电偶B(400~1800℃)热电偶S(0~1600℃)热电偶K(0~1300℃)热电偶E(0~1000℃)热电偶T(-199.9~400.0℃)热电偶J(0~1200℃)热电偶R(0~1600℃)热电偶N(0~1300℃)F2(700~2000℃)热电偶Wre3-25(0~2300℃)热电偶Wre5-26(0~2300℃)热电阻Cu50(-50.0~150.0℃)热电阻Cu53(-50.0~150.0℃)宽*高*深160*80*110mm(横式)80*160*110mm(竖式)96*96*110mm(方式)96*48*110mm(横式)48*96*110mm(竖式)72*72*110mm(方式)48*48*110mm(方式)代码 A B C D E F H分度号(测量范围)热电阻Cu100(-50.0~150.0℃)热电阻Pt100(-199.9~650.0℃)热电阻BA1(-199.9~600.0℃)热电阻BA2(-199.9~600.0℃)线性电阻0~500Ω(-1999~9999)远传电阻0~350Ω (-1999~9999)远传电阻30~350Ω (-1999~9999)0~20mV (-1999~9999)0~40mV (-1999~9999)0~100mV (-1999~9999)内部保留内部保留0~20mA (-1999~9999)分度号(测量范围)0~10mA (-1999~9999)4~20mA (-1999~9999)0~5V (-1999~9999)1~5V (-1999~9999)内部保留0~10V (-1999~9999)0~10mA开方 (-1999~9999)4~20mA开方 (-1999~9999)0~5V开方 (-1999~9999)1~5V开方 (-1999~9999)全切换代号 13 14 15 16 17 18 19 20 21 22 23 24 25代号 00 01 02 03 04 05 06 07 08 09 10 11 12代号 26 27 28 29 30 31 32 33 34 35 55代码 X 12报警限数无输出1限报警2限报警简易型单回路数字显示控制仪,1℃分辨率OHR-A104简易型单回路数字显示控制仪备注:1、一路继电器(带有常开常闭触点) 触点容量:AC220V/3A、DC30V/5A (阻性负载) 二路继电器(仅一组常开触点) 触点容量:AC220V/3A、DC30V/5A (阻性负载)2、规格尺寸为H的仪表,继电器触点容量:AC125V/0.5A、DC24V/0.5A(阻性负载)代码 X P配电输出(输出电压)无输出配电输出如“P(24)”表示配电输出24V6.1 一级参数设置在工作状态下,按压 键PV显示LOC,SV显示参数字符:按增加、减少键来进行设置。
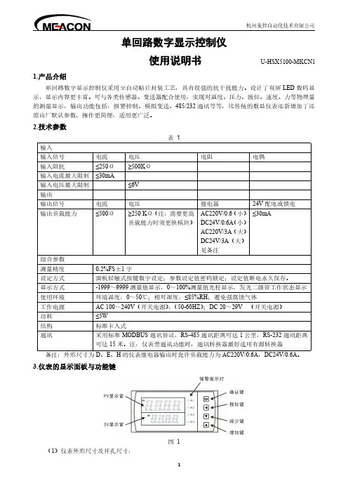
单回路数字显示控制仪使用说明书U-HSX5100-ZXCN1 1.产品介绍单回路数字显示控制仪采用全自动贴片封装工艺,具有很强的抗干扰能力。
设计了双屏LED数码显示,显示内容更丰富。
可与各类传感器、变送器配合使用,实现对温度、压力、液位、速度、力等物理量的测量显示,输出功能包括:报警控制、模拟变送、485/232通讯等等,比传统的数显仪表还新增加了还原出厂默认参数,操作更简便,适用更广泛。
2.技术参数表1输入输入信号电流电压电阻电偶输入阻抗≤250Ω≥500KΩ输入电流最大限制≤30mA输入电压最大限制≤6V输出输出信号电流电压继电器24V配电或馈电输出负载能力≤500Ω≥250KΩ(注:需要更高负载能力时须更换模块)AC220V/0.6(小)DC24V/0.6A(小)AC220V/3A(大)DC24V/3A(大)见备注≤30mA综合参数测量精度0.2%FS±1字设定方式面板轻触式按键数字设定;参数设定值密码锁定;设定值断电永久保存。
显示方式-1999~9999测量值显示,0~100%测量值光柱显示,发光二级管工作状态显示使用环境环境温度:0~50℃;相对湿度:≤85%RH;避免强腐蚀气体工作电源AC100~240V(开关电源),(50-60HZ);DC20~29V(开关电源)功耗≤5W结构标准卡入式通讯采用标准MODBUS通讯协议,RS-485通讯距离可达1公里,RS-232通讯距离可达15米。
注:仪表带通讯功能时,通讯转换器最好选用有源转换器备注:外形尺寸为D、E、H的仪表继电器输出时允许负载能力为AC220V/0.6A,DC24V/0.6A。
3.仪表的显示面板与功能键图1(1)仪表外形尺寸及开孔尺寸:表2外形尺寸/代码开孔尺寸外形尺寸/代码开孔尺寸160*80mm(横式)/A152*76mm72*72mm(方式)/F68*68mm 80*160mm(竖式)/B76*152mm48*48mm(方式)/H45*45mm 96*96mm(方式)/C92*92mm160*80mm(横式光柱)/K152*76mm 96*48mm(横式)/D92*45mm80*160mm(竖式光柱)/L76*152mm 48*96mm(竖式)/E45*92mm96*96mm(方式光柱)/M92*92mm (2)数码管PV显示窗:显示测量值;在参数设定状态下,显示参数符号SV显示窗:显示输入分度号、报警值等,可根据要求自行选择显示;在参数设定状态下,显示设定参数值。
单回路测控仪说明书篇一:单回路数显控制仪说明书篇二:单回路控制系统参数整定课程设计报告( XX-- XX年度第2学期)名称:过程控制系统题目:院系:班级:学号:学生姓名:指导教师:设计周数:第十七周成绩:日期:XX年6月23日《过程控制系统》课程设计任务书一、目的与要求1.掌握单回路控制系统整定方法; 2.掌握PID参数对控制品质影响规律; 3.运用相应软件开发单回路控制系统整定程序。
二、主要内容1.学习基于被控对象模型的单回路控制系统参数整定方法; 2.开发单回路控制系统PID参数整定程序; 3.寻找不同PID参数对控制品质影响规律。
三、进度计划四、设计成果要求1.阐明基于被控对象模型的单回路控制系统参数整定方法的基本原理; 2.完整的、可运行的单回路控制系统PID参数整定程序;3.验证整定的PID参数下的控制效果,给出控制曲线图,同时给出其它PID参数下的控制曲线图,总结不同PID参数对控制品质影响规律。
五、考核方式1.设计报告; 2.设计答辩。
二、设计(实验)正文1.学习基于被控对象模型的单回路控制系统参数整定方法; 1)经验法内容:经验法实际是一种试凑法,是在生产实践中总结出来的参数整定法,该法在现场中得到了广泛的应用。
利用经验法对系统的参数进行整定时,首先根据经验设置一组调节器参数,然后将系统投入闭环运行,待系统稳定后作阶跃扰动试验,观察调节过程;若调节过程不满足要求,则修改调节器参数,再作阶跃扰动试验,观察调节过程;反复上述试验,直到调节过程满意为止。
实验步骤:(1) 首先将调节器的积分时间Ti置最大,微分时间Td 置最小,根据经验设置比例带δ的数值,完成后将系统投入闭环运行,待系统稳定后作阶跃扰动试验,观察调节过程,若过渡过程有希望的衰减率则可,否则改变比例带δ的值,重复上述试验,直到满意为止;(2) 将调节器的积分时间Ti由最大调整到某一值,由于积分作用的引入导致系统的稳定性下降,因而应将比例带适当增大,一般为纯比例作用的1.2倍。
南京铭威智能单回路控制仪说明书南京铭威智能单回路控制仪是一款应用于家庭、商业和工业场所的智能控制设备,通过对电器设备的监测和控制,使用户能够更加智能地管理和利用电力资源。
本说明书将详细介绍该产品的功能、特点、安装和使用方法等内容。
一、功能特点:1.可实现对电灯、插座、厨房电器、暖气等家电设备的智能控制,实现按时、按需自动开关,节省能源。
2.具备远程控制功能,用户可以通过手机APP或者智能家居平台,实时监控和控制设备,随时随地调整设备状态。
3.能够感知环境中的温度、湿度、光照等参数,智能地调整设备的开关状态,增强用户的舒适体验。
4.具备定时开关功能,用户可以根据自己的需求设定不同场景和定时任务,实现自动化控制。
二、安装方法:1.将控制仪与电源连接,确保电源正常供电。
2.将控制仪与待控制的电器设备相连。
4.进入APP,按照提示添加设备,并绑定控制仪。
在绑定设备时,请确保通过蓝牙方式进行配对。
三、使用方法:1.连接Wi-Fi:在APP中,点击设置,然后选择无线网络设置。
输入正确的Wi-Fi密码,点击连接即可。
2.设备控制:在设备列表中,选择需要控制的设备,可以通过开关按钮进行手动控制,也可以通过APP设置定时任务或者场景来实现自动化控制。
3.场景和定时任务:在APP中,可以设置不同的场景,如“回家模式”、“离家模式”,根据不同场景的需求,设定相应的设备开关状态。
同时,也可以设置定时任务,如每天夜间自动关闭所有灯光等。
4.远程控制:用户可以通过手机APP进行远程控制,只要保证手机和设备联网即可。
四、注意事项:1.安装和使用本产品时,请确保遵循国家和地区的相关安全标准和规定,确保使用安全。
2.避免将设备暴露在高温、潮湿或者易碰撞的环境中,以免影响设备的正常使用寿命。
3.在长期不使用时,建议断开电源,以节约能源和保护设备。
4.请勿私自打开产品外壳,以免影响正常使用和保修。
总结:南京铭威智能单回路控制仪是一款功能强大且易于使用的智能设备,它的智能控制和监测功能,可以帮助用户更加智能地管理和利用电力资源。
超大屏幕单回路数字显示控制仪使用手册OPERATING MANUALW I D E PL U S P R E C I S I O N I N S T R U M E N T S C O.,L TD.NO:S105090617上润室上润精密仪器有限公司()独资承蒙惠购本仪表不胜感激,敬请先详阅本“使用手册”,以便于正确使用。
所记载内容因改进将会不经预告予以变更,敬请谅解,本仪表虽然经过严格的品质管理而出厂,但万一遇有发生不正常事项或意外之处,敬请通知本公司业务经办人、技术服务部或附近本公司代理商为感。
******以我们多年的开发生产及系统成套经为客户提验,供及推荐各种有效率而可靠的方法、仪器仪表、测量传感器、执行机构及方案。
我们一直专致于自动配套化控制并率出了多种国内领先的产品:先推智能显示控制仪表、记录仪●智能电力仪表●智能隔离转换模块●隔离安全栅●●压力、差压、液位、流量传感器●超声波、液位、距离传感器自动化工程成套系统等等●★特别说明★1、在正常情况下,仪表不需要特别维护,请注意防潮、防尘。
2、因产品质量引起的故障,在出厂三个月内可更换或退货,在出厂18个月内实行免费保修,在18个月后实行有偿服务,终身维修。
3、公司保留产品改进升级和接线更改的权利,若发现说明书与产品上的接线图不符,以产品所附的接线为准。
若发现产品功能菜单与说明书不符,请与地供货商或本部联系。
图当目录一、产品简介二、主要技术参数三、操作四、安装与五、变送输出信号的更改六、显示、变送量程的校对、维护与质量保证...................................................1.............................................1 (2).............................................2..............................4..............................4 (6)使用................................................7.................................12..............................13七 (13)1、仪表面板说明2、工程参数设定(一级参数)3、用户参数设定(二级参数)4、操作方法外形特征WP -外形尺寸控制作用型号说明CD 4″LED 大屏幕横式显示仪表单屏A 测量显示010304测量显示带上、下控制/报警显示带四限控制/报警(任意组合)外形尺寸:400×20075mm 389189mm×(注1)开孔尺寸:×+1-0+1-00无输出输出方式输入类型第一报警馈电输出第二报警2345678(4~20)mA 输出SCR 可控硅过零触发脉冲输出特殊规格变送输出P(0~10)mA 输出(1~5)V 输出(0~5V 输出)SSR 固态继电器控制信号输出N N H H L L 无报警无报警(可省略)第一报警为上限报警第二报警为上限报警第一报警为下限报警第二报警为下限报警参见“输入类型表”DC24V 馈电输出(无馈电可省略)供电方式AC(90~265)V 开关电源供电安装方式CG 盘装式挂钩式1继电器输出B 壁挂式通讯方式012无通讯接口RS-232C 通讯接口,Modbus 协议RS-485通讯接口,WP 协议87RS-485通讯接口,Modbus 协议RS-232C 通讯接口,WP 协议超大屏幕单回路数字显示控制仪型谱表★注1:特殊尺寸订货时请联系。
单回路测控仪压力调试教程调试单回路测控仪压力的教程如下:步骤1:检查测控仪和测控系统是否正常。
首先,确保测控仪和测控系统已经正确安装,并且没有任何损坏或故障。
检查测控仪的连接线是否牢固,电源是否正常,以及传感器和阀门等元件是否正常工作。
步骤2:设置测控仪的参数。
根据实际的使用需求,设置测控仪的参数,包括单位、量程范围、报警值等。
这些参数应该根据具体的应用场景进行调整,确保测控仪能够准确地监测和控制压力。
步骤3:校准传感器。
使用专业的校准设备,将传感器接入到校准设备上,并进行校准。
校准的目的是确保测控仪能够准确地读取和显示压力数值。
校准过程中,根据校准设备的指示,调整传感器的零点和量程,确保测控仪的读数与标准值一致。
步骤4:连接被测压力系统。
将测控仪与被测压力系统进行连接。
确保连接线路正确,没有松动或漏气现象。
被测压力系统的压力源应该处于稳定状态,以便进行后续的调试。
步骤5:进行零点调整。
在被测压力系统处于不受压力的状态下,进行零点调整。
通过测控仪的操作界面或按键,将测控仪的读数调整为零。
步骤6:进行量程调整。
在被测压力系统进行压力输出时,调整测控仪的量程范围,并确保读数的准确性。
根据被测压力系统的压力值,调整测控仪的量程上限和下限,以便在合适的范围内进行压力监测和报警。
步骤7:进行功能测试。
在正常工作状态下,进行测控仪的功能测试。
通过改变被测压力系统的压力值,检查测控仪的读数和报警功能是否正常。
如果发现异常情况,需要及时调整和修复测控仪的设置和连接。
步骤8:记录和保存数据。
在调试完成后,及时记录和保存测控仪的参数和读数。
这些数据可以作为以后的参考,也可以用于分析和评估测控仪的性能和稳定性。
通过以上步骤的调试,单回路测控仪压力应能正常工作,并能够准确地监测和控制压力。
请注意在调试过程中确保安全,若不确定操作的话,请联系专业的技术人员进行帮助。
使用说明书一、产品简介单相多功能电力仪表,一种具有可编程测量、显示、RS485数字通讯和电能脉冲输出的多功能智能电力仪表,能够完成单相电参量测量(电压、电流、有功功率、无功功率、视在功率、功率因数、频率等)、电能计量、数据显示、采集及传输,可广泛应用变电站自动化、配电自动化、智能建筑、企业内部的电能测量、管理、考核。
测量精度0.5级,实现LCD 或L ED 现场显示和远程RS-485数字接口通讯,采用标准MODBUS-RTU 通讯协议。
扩展功能供选配:2路继电器输出(可作为本地电参量报警或远程遥控输出)、2路开关量输入。
二、技术参数三、安装与接线33.2 安装方法(1) 在固定配电柜开开孔尺寸大小的孔;(2) 取出仪表,松开螺丝,取下固定支架;(3) 仪表由前插入安装孔;(4) 插入仪表固定支架,并拧紧螺丝固定仪表。
3.3 端子接线说明:如与仪表壳体接线图不一致,请以仪表壳体接线图为准!四、编程操作4.1 进入和退出编程状态进入编程状态:在测量显示状态时按住“SET”键约3秒钟,进入密码认证页面,使用“◄”键,“▲”键和“▼”键输入密码(出厂默认用户密码为1111),再按“SET”键就进入编程状态页面。
注意:如果输入密码按“S ET”键后,退出到测量显示状态,则表示输入密码不正确。
退出编程状态:在编程状态,一直按住“SET”键约2秒钟,退出编程状态,会提示用户选择是否保存设置值,“”保存设置值,“”不保存设置值。
4.2 编程操作中按键的使用功能键SET:确认设置值,进入下一项设置或退出设置。
位选键◄:循环选定要设置的数码位,选定的数码位下会有一个下画线指示。
增加键▲:改变选定数码位的数值(数码数值从0到9循环)。
减小键▼:改变选定数码位的数值(数码数值从9到0循环)。
4.3 设置参数说明4.3.1 仪表运行参数设置(长按“SET”键3秒进入)说明:输入进入菜单的密码,只有密码正确才能进入菜单,出厂预设值为PT的倍率,出厂预设为CT的倍率,出厂预设为为固定显示方式,手动切换显示项;说明:仪表地址,多机通信时用于识别本机通讯的波特率,出厂预设值为、、说明:个数据位个停止位、奇校验8个数据位1个停止位、偶校验个停止位、无校验位8电能清说明:0,LCD背光开启时间背光常开;1~9999说明:设置进入菜单的密码,密码预设值为为遥控,其它设置值见继电器操作说明无此功能时无这项菜单显示无此功能时无这项菜单显示无此项功能时无这项菜单显示说明:单位为秒,详细说明见继电器操作说明为遥控,其它设置见继电器操作说明无此功能时无这项菜单无此功能时无这项菜单无此项功能时无这项菜单说明:单位为秒,详细说明见继电器操作说明说明:保存参数修改值,以前参数值不变五、面板说明与测量信息显示5.1 测量信息测量中的电量参数有:U (电压);I (电流);P (有功功率);Q (无功功率);PF (功率因数);S(视在功率);F(频率)以及有功(无功)电能;所有的测量电量参数全部保存仪表内部的电量信息表中,通过仪表的RS485通讯接口可访问采集这些数据。
CTM 系列系列 单回路智能测控仪用户操作快速指南2.操作说明2.1按键操作方法定义按键操作方法定义::短按:按键时间小于3秒 长按:按键时间大于5秒2.2 仪表操作模式的种类与切换方法仪表操作模式的种类与切换方法::LCK 是特殊参数设定模式下的一个参数代码。
如果35秒以上没有按键操作,,仪表自动返回设定 / 监视模式下的PV / SV监视状态。
由软件版本到设定/监视模式的显示均为仪表自动完成,之后系统稳定在设定\监视模式的测量值PV/设定值SV 监视状态2.3 模式内部参数的模式内部参数的切换方法切换方法 设定/监视模式1) 此模式为仪表的常规显示模式,一般为测量值SV \ 设定值PV 显示状态; 2) 此模式下,可以进行常用参数,即控制目标值SV 、低限报警值A*L 、高限报警值A*H 设定。
短按“SET ”键,可以进行设定画面的切换,流程如下:规格中没有的项目,或没有选择适用功能的场合,有的参数不显示。
有关设定数据,请参照《常用参数表》。
特殊参数设定模式1) 此模式下,可以进行PID 相关参数、过程值偏差Pb 及数据锁LCK 等参数的设定。
有关参数的详细说明,请参照《特殊参数表》。
2) 参照2.2流程图进入特殊参数设定模式,该模式下的参数切换流程如下:规格中没有的项目,或没有选择适用功能的场合,有的参数不显示。
工程技术模式1) 此模式下,可以进行与本产品规格有关的内容的设定,如模拟量输入显示范围(Sdo,Sup)、PID 动作方式(PSL)、输出限幅(God, Gou)、报警方式(SL*)、报警回差(AH*)、模拟量输出范围(Ido,Iup)等。
请将各内容设定为与客户使用条件相一致。
有关参数的详细说明,请参照《工程师参数表》。
2) 参照2.2流程图进入工程技术模式,该模式下的参数切换流程如下:3.1 设定/监视模式下监视模式下,,常用参数的设定举例 设定PID 控制目标值SV ,以设定SV=200.0为例为例。
单回路测控仪说明书
篇一:单回路数显控制仪说明书
篇二:单回路控制系统参数整定
课程设计报告
( XX-- XX年度第2学期)
名称:过程控制系统题目:院系:班级:学号:学生姓名:指导教师:
设计周数:第十七周
成绩:
日期:XX年6月23
日
《过程控制系统》课程设计
任务书
一、目的与要求
1.掌握单回路控制系统整定方法; 2.掌握PID参数对控制品质影响规律; 3.运用相应软件开发单回路控制系统整定程序。
二、主要内容
1.学习基于被控对象模型的单回路控制系统参数整定方法; 2.开发单回路控制系统PID参数整定程序; 3.寻找不同PID参数对控制品质影响规律。
三、进度计划
四、设计成果要求
1.阐明基于被控对象模型的单回路控制系统参数整定方法的基本原理; 2.完整的、可运行的单回路控制系统PID参数整定程序;
3.验证整定的PID参数下的控制效果,给出控制曲线图,同时给出其它PID参数下
的控制曲线图,总结不同PID参数对控制品质影响规律。
五、考核方式
1.设计报告; 2.设计答辩。
二、设计(实验)正文
1.学习基于被控对象模型的单回路控制系统参数整定方法; 1)经验法内容:
经验法实际是一种试凑法,是在生产实践中总结出来的参数整定法,该法在现场中得到了广泛的应用。
利用经验法对系统的参数进行整定时,首先根据经验设置一组调节器参数,然后将系统投入闭环运行,待系统稳定后作阶跃扰动试验,观察调节过程;若调节过程不满足要求,则修改调节器参数,再作阶跃扰动试验,观察调节过程;反复上述试验,直到调节过程满意为止。
实验步骤:
(1) 首先将调节器的积分时间Ti置最大,微分时间Td 置最小,根据经验设置比例带δ的数值,完成后将系统投入
闭环运行,待系统稳定后作阶跃扰动试验,观察调节过程,若过渡过程有希望的衰减率则可,否则改变比例带δ的值,重复上述试验,直到满意为止;
(2) 将调节器的积分时间Ti由最大调整到某一值,由于积分作用的引入导致系统的稳定性下降,因而应将比例带适当增大,一般为纯比例作用的1.2倍。
系统投入闭环运行,待系统稳定后,作阶跃扰动试验,观察调节过程,若过渡过程有希望的衰减率则可,否则改变积分时间Ti的值,重复上述试验,直到满意为止;
(3) 将调节器的微分时间由小到大调整到某一数值,系统投入闭环运行,待系统稳
定后,作阶跃扰动试验,观察调节过程,修改微分时间重复试验,直到满意为止;
2)临界比例带法内容:
临界比例带法又称边界稳定法,首先将调节器设置成纯比例调节器,然后系统闭环投入运行,将比例带由大到小改变,观察系统输出,直到系统产生等幅振荡为止。
记下此状态下的比例带数值(即为临界比例带δk)和振荡周期Tk,然后根据经验公式计算调节器的其它参数。
实验步骤:
(1) 将调节器的积分时间Ti置于最大,微分时间Td 置最小,即Ti→∞,Td=0;置比例带δ为一个较大的值;
(2) 系统闭环投入运行,待系统稳(本文来自:小草范文网:单回路测控仪说明书)定后调整比例带δ的数值直到出现等幅振荡。
记录并计算临界状态下临界比例带δcr和振荡周期Tcr,根据表2-1计算调节器的参数;
(3)根据δcr和Tcr,由计算公式求得控制器的各个参数。
(4) 将调节器按计算出的参数设置好,系统闭环投入运行,待系统稳定后作阶跃扰动试验,观察系统的调节过程,适当修改参数,直到满意为止。
临界比例带法计算公式:
3)衰减曲线法内容:
衰减曲线法是在临界比例带法的基础上发展起来的,它既不象经验法那样要经过大量的试凑过程,也不象临界比例带法那样要求系统产生临界振荡过程。
它是利用比例作用下产生的4:1衰减振荡(ψ=0.75)过程时的调节器比例带δ
s及衰减周期Ts,或10:1衰减振荡(ψ=0.9)过程时的调节器比例带δs及过程上升时间tr,根据经验公式确定调节器的参数。
实验步骤:
(1) 置调节器参数Ti→∞,Td=0,比例带δ为一个较大的值,将系统投入闭环运行; (2) 待系统稳定后作阶跃扰动试验,观察控制过程。
若ψ大于要求的数值,则逐步减小比例带δ并重复试验,直到出现ψ=0.75或ψ=0.9的控
制过程为止,并记下此时的比例带δs;
(3) 根据控制过程曲线求取ψ=0.75衰减周期Ts或ψ=0.9时的上升时间tr; (4) 计算调节器的参数δ、Ti、Td。
(5) 按计算结果设置调节器的参数,作阶跃扰动试验,观察调节过程,适当修改调节参数,直到满意为止。
4)响应曲线法内容:
响应曲线法则是根据对象的阶跃响应曲线,求得对象的一组特征参数ε、τ(无自平衡能力的对象)或ε、ρ、τ(有自平衡能力的对象),然后按公式计算调节器的整定参数。
2.采用临界比例带法,开发单回路控制系统PID参数整定程序。
1).PID控制原理
常规PID控制系统主要由PID控制器和被控对象组成。
PID控制器是一种线性控制器,它根据给定值r(t)与实际输出值y(t)构成控制偏差e(t),将偏差按比例、积分和微分通过线性组合构成控制量u(t),对被控对象进行控制。
控制器的输出和输入之间的关系可描述为:
式中,KP 为比例系数,Ti 为积分时间常数,Td为微分时间常数。
2)MATLAB编程实现设被控对象的数学模型为G0(s)?
0.8S3
1
?1.7S2?2S?1
反馈环节为单位负反馈。
(1)置调节器参数Ti→∞,Td=0,比例带δk为一个较大的值,将系统投入闭环运行; (2)系统闭环投入运行,待系统稳定后调整比例带δk的数值直到出现等幅振荡。
记录并计算临界状态下临界比例带δcr和振荡周期Tcr。
被控对象阶跃响应:
G0=tf(1,[0.8,1.7,2,1]); G=feedback(G0,1); step(G)
title('被控对象阶跃响应'); grid on;
篇三:压力变送器与智能单回路控制仪接法及调整方法
1、按上图接线正确的前提下通电进入参数设置。
2、按SET键后,PV显示窗显示PASS,表示需要你在SV 显示窗输入密码XX,按键将光标移动到第一个数字显示窗,这时该字符为-闪烁,然后按调至XX后再按SET键,这时就进入参数设定了。
3、Sn参数设定:此时PV框显示Sn,SV框数字闪烁,按键或键将SV框数字调整到15后(表示选择变送器输入信号源为4-20mA),按一下SET键,Sn参数设定完毕。
4、PUL参数设定:在上一个参数结束后按SET键PV框显示PUL,表示已经进入零点显示值设定状态,若当前SV框
显示0.0则不需调整即可进入下一个参数设定,非0.0则需调至0.0
5、PUH参数设定:再次按SET键即可进入变送器满输入时的对应显示值,变送器最高为25MPa,因此需将此时SV框内的数值调整到25.0即可。
6、保存退出:以上几个参数设定完后即可完成了表头的参数设定,此时按SET键3秒以上便自动保存并返回到实时测量界面。
未尽事宜请参考表头的说明书。