高压电动机检修标准
- 格式:doc
- 大小:61.50 KB
- 文档页数:6
高压电动机标准检修步骤5.1 大修前的准备工作5.1.1 大修前应检查电动机的振动、电流及温度、轴承声音等,根据检查情况和预防性试验记录及检修记录编制大修项目及检修计划。
5.1.2 组织检修人员学习检修工艺规程及措施和有关注意事项,并进行技术交底,明确分工。
5.1.3 按照大修项目准备检修时必须的工器具、材料及检修记录,对起吊工具认真进行检查,必要时做拉力试验。
5.1.4 按《电业安全工作规程》办理工作票手续,做好现场安全措施,并进行安全交底。
5.2 电动机的解体5.2.1 电动机的解体,应根据各电动机的具体结构和现场检修条件正确实施并保证安全,起吊大型电动机一般应有起重工配合5.2.2 大型电动机解体常规步骤5.2.2.1 拆开电缆头,将电缆头三相短路接地,并支撑保护好。
5.2.2.2 拆卸电动机地脚螺丝、对轮螺丝、外壳接地线及冷却装置等。
5.2.2.3 拆卸对轮.5.2.2.4 先拆非负荷侧轴承盖、端盖,再拆负荷侧端盖、轴承盖。
5.2.2.5 安装专用工具,抽出转子。
5.2.3 抽转子的常规方法:5.2.3.1 小电动机由人工直接抽出。
5.2.3.2 用行车双钩接假轴抽转子。
5.2.3.3 在电动机座上固定专用导轨抽转子。
5.2.3.4 用行车或单轨悬臂工具抽转子。
5.2.3.5 用倒链悬臂吊工具加小平车移动定子抽转子。
5.2.4 解体的质量要求:5.2.4.1 拆卸的各部件、地脚垫片应做好记号,拆开的引线做好相序记号,并妥善保管,原拆原装。
5.2.4.2 检查各起吊工具的载荷量。
起吊时钢丝绳与垂直方向的夹角不应大于600。
5.2.4.3 拆卸应用专用工具,正确拆卸。
禁止乱撬乱打,要特别注意止口及各配合面不受损伤。
5.2.4.4 对大电机过紧的靠背轮,可用火烤把加热拆卸,加热应均匀,温度在100 ℃一150℃时即可进行扒拆,加热温度不宜超过200℃。
5.2.4.5 抽转子时应用透光法进行监视,检查定转子铁芯不得摩擦、碰撞,不得伤及定子线圈、风扇、轴颈、笼条等部件。
高压电气设备检修规范与操作标准为规范我矿高压电气设备的检修与操作,提高供电系统安全性、可靠性,现对高压电设备的检修内容、检修周期以及操作标准作如下要求:第一部分:高压电气设备的检修规范一、高压配电开关、高压磁力起动器(一)日检1、检查高压开关的防爆外壳,观察设备的运行温度以及声音。
2、查看显示屏显示情况、分合闸指示。
3、通过观察孔查看动静触头咬合情况。
4、检查高压开关的接地装置。
(二)周检1、对高压开关的漏电、过载、短路保护进行试验。
2、校对整定值以及各类保护投入使用情况。
3、检查试验菜单功能键完好状况。
(三)月检1、真空断路器的检修(1)清扫断路器绝缘子和真空室,用酒精擦拭干净。
(2)检查真空管有无裂纹、破损、变色,绝缘情况。
(3)传动轴转动灵活,各零部件应正常完好,各固定螺钉、开口销等应齐全牢靠。
(4)上下引线铜板固定,无过热、氧化现象。
2、电压互感器的检修(1)清理表面卫生,查看互感器表面,应无裂纹和烧焦以及绝缘击穿现象。
(2)对所有接线进行紧固,并检查有无破损及烧焦的痕迹。
3、电流互感器的检修(1)清理表面卫生,查看互感器表面,应无裂纹和烧焦以及绝缘击穿现象。
(2)接线牢固检查,用扳手或螺丝刀对所有接线进行紧固,并检查有无破损及烧焦的痕迹。
4、压敏电阻的检修(1)用再生布、酒精对压敏电阻表面进行擦拭清理,检查压敏电阻表面,应无裂纹和烧焦以及绝缘击穿现象。
(2)采用2500V兆欧表绝缘电阻测量。
5、二次控制回路检修(1)对二次接线清扫、检查、紧固,对保护器、永磁控制器、航空插头等插接情况进行检查。
(2)对继电器线圈、触点进行检查。
(3)对各操作、试验按钮进行检查,紧固按钮接线。
6、操作机构检修(1)推拉隔离小车,观察隔离小车移动情况。
(2)查看齿轮咬合情况以及隔离小车限位装置是否齐全可靠;检查操动机构应灵活可靠,检查隔离小车到位情况与闭锁跳闸按钮弹出是否保持一致。
(3)检查闭锁跳闸按钮装置、手动分闸装置是否灵敏可靠。
高压电机维修流程及标准一.绕线高压电机按电压等级需要选用双亚胺,单亚胺,单薄双丝等各种规格的丝包扁线,材料齐备后,可在绕线机上绕制制成梭型成圈,一般电机最短线圈直线部分25厘米,最大线圈直线部分1.2米,绕制可单平绕,单立绕,也可双平换位绕,也可双平换位立绕,根据具体要求确定。
利用圆盘中的万能调节也可绕制圆漆包线线圈。
绕线机内置一台调速电机与一台涡轮涡杆减速机,带动绕线机实现0-120转/分的可顺逆可制动的旋转,并可正反计数,一般可绕制1600KW以内的各种电机线圈,另配有简易涨紧器一套,可控制绕制线圈的松紧度,一般的修理厂家选用如上产品即可,如遇到特殊大型规格时,可选择特异型绕制设备。
二.成型前包扎高压电机梭型线圈绕制后,用收缩带,黄蜡绸带等绝缘材料包扎,目的是:保护线圈外绝缘、层间绝缘、匝间绝缘不至于损坏。
在拉型机时免受模具夹具、鼻端销钉等摩擦,防止松动变形。
包扎线圈一般用女工,由于女工心细手巧且干活速度快,一般3-5人包扎供拉型。
也可使用电动包带机。
三.成型成型机、涨型机、拉型机其实是一种机器,它主要目的是把绕线机绕制的立绕梭型线圈或平绕梭型线圈拉成框行线圈,框型线圈以电机定子铁心的内外圆为标准,组成向心式的有角度的线圈,绕制梭型线圈需技工2人即可完成,而拉(涨)型一般需3人。
过去在没有成型机以前,我处有几位老练的师傅可手拉成型,可在15分钟将72只线圈手工拉制成型,但对于较大型线圈拉型显现的有些吃力。
而利用拉型机一般一个小时内3人可规范的拉出72只线圈来,每只成型线圈直线部分最长可调整到1.5米,高度可调整在80公分以内,角度调整范围为0-60度,四只夹具可实现万能锁定。
一般的厂家,如哈尔滨一家电机厂,湘潭电机厂一下属厂等十余家购买到这一手动拉型机以后,总的评价是制作看似简单,但操作灵活、方便,上模块,退模迅速,拉型便利,定位精准,调角调位准确,不失为一种实用产品。
拉型前使用计算机将线圈的形状按照所修电机的实际情况绘制成图并制作成模板用来调整拉型机,不会绘图者一般以旧线圈为模板调整拉型机,拉型机四只夹具有上下左右调整机构,调整夹紧机构锁扣锁定线圈进入拉型程序。
高压电气设备检修检查规定范文第一章总则第一条为了规范高压电气设备的检修和检查工作,确保电气设备的安全运行,提高设备的可靠性和使用寿命,制定本规定。
第二条本规定适用于所有高压电气设备的检修和检查工作。
第三条高压电气设备的检修为定期维护和保养,以保持其正常运行状态。
第四条高压电气设备的检查为定期检测和测试,以评估设备的运行状态和功能性能。
第五条高压电气设备的检修和检查工作必须由具备相应资质证书的专业人员进行。
第二章检修工作第六条高压电气设备的检修工作包括:(一)清洁和除尘:定期清除设备表面的灰尘和污垢,确保设备的正常散热和绝缘性能。
(二)紧固和润滑:检查设备的连接螺栓、螺母和紧固件是否松动,必要时进行拧紧或更换;对设备的轴承、齿轮等部位进行润滑。
(三)绝缘检测:使用绝缘测试仪对设备的绝缘电阻进行测试,检测是否存在绝缘破损或漏电情况。
(四)电气接线:检查设备的电气接线是否正常,是否存在接触不良或短路现象。
(五)设备启停:对设备的启停装置进行测试和检查,确保其可靠性和灵敏度。
第七条高压电气设备的检修工作应按照设备的使用年限和运行状态进行定期检修,通常为每个季度或半年进行一次检修。
第八条高压电气设备的检修工作应在停电状态下进行,必要时应进行封锁和解锁,确保工作安全。
第九条高压电气设备的检修工作应制定相应的检修记录,记录设备的检修时间、工作内容和检修结果,并保存至少3年以上。
第十条高压电气设备的检修工作应严格按照相关的检修标准和规范进行操作,不得随意更改设备的结构和电气参数。
第三章检查工作第十一条高压电气设备的检查工作包括:(一)外观检查:检查设备的外观是否损坏或变形,是否存在露露、磨损和腐蚀现象。
(二)连接检查:检查设备的连接是否松动或脱落,必要时进行拧紧或更换。
(三)绝缘检测:使用绝缘测试仪对设备的绝缘电阻进行测试,检测是否存在绝缘破损或漏电情况。
(四)电气参数测试:使用测试仪器对设备的电流、电压和功率等参数进行测试,检查设备的运行状态和功能性能。
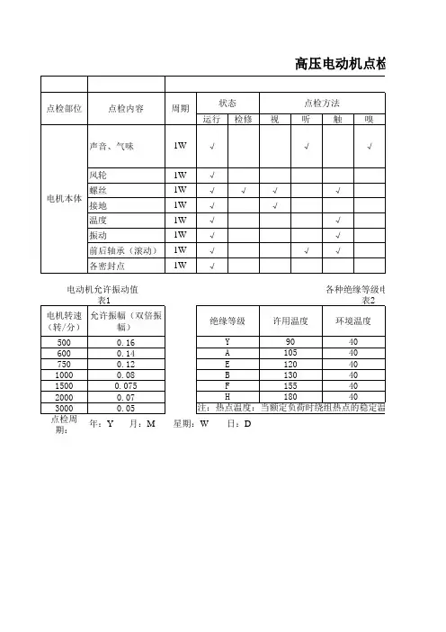
高压电动机检修第一节检修周期一、高压电动机应随机组大修同时进行检修,一般大修周期为四年一次,小修周期为一年四次。
二、装在室内洁净场所的高压电机和全密闭式高压电动机可依据每年的实际运行小时和每年的预防性绝缘试验情况,适当延长或缩短检修周期。
三、当年如遇机组大修,则高压电机不再安排小修。
四、在运行中或在预防试验及小修中发现问题,应视具体情况改为大修。
第二节检修项目一、小修项目1、高压电动机应进行全面吹风清扫,做一般性检查。
2、检查处理绕组局部绝缘损伤,并进行修补工作。
对绕组及引线进行局部加固和包扎等工作。
3、对轴承及轴承室进行检查,必要时清洗轴承、检查轴承、更换新的润滑脂。
4、紧固电机各部所有螺栓和接地装置。
5、调整检查转子风扇、通风沟、风扇罩。
6、带有水冷却全密封高压电机(如给水泵)、必须进行水冷设备的水泄漏检查,进出口水阀是否能正常开启和关闭。
(配合汽机专业检查)。
7、测量定子绝缘电阻是否合乎要求。
8、对滑动轴承,应测量轴承座与底板间的绝缘。
二、大修项目1、包含全部小修项目内容。
2、电动机进行全部解体检查,对电机定子、转子、机座、机脚、接线盒等进行清扫和清洗,清除油垢和积灰。
3、检查清洗电动机前后轴承,更换润滑脂,必要时更换轴承。
4、检查定子绕组,更换局部线圈,加强和修补绕组绝缘。
处理和更换部分松动的槽楔,加强绕组端部及引出线、跨线的绝缘,加固和更换绕组端部的绑扎线。
5、检查、更换转子鼠笼条断裂、松动,开焊等故障,进行加固焊接处理。
6、电机转子做动平衡试验。
(转子进行更换鼠笼条、焊接等工作时)7、电动机直流电阻、绝缘电阻测试以及泄漏电流和交流耐压试验。
8、电动机空载、负载试验。
第三节高压电机检修前准备工作及安全措施。
1、准备好电机检修必需的工器具以及必要的备品材料。
2、联系好该设备退出备用运行的一切停电工作票,并经现场实地检查、核实该电机启动设备确已退出备用。
开关、刀闸已断开,并做好短路接地措施及挂有《有人工作、严禁合闸》警告牌,确认安全措施工作已完善;方能组织检修人员进入现场工作。
高压电机检修工艺及标准高压电机检修工艺在进行高压电机检修之前,应认真准备各项工作,制定检修计划和措施,明确任务和质量要求,安排好进度和准备检修所需材料、工具、备品以及检修场地、搬运道路和车辆等。
在交流电动机拆装检修过程中,需要注意以下工艺和质量要求:工艺:1.拆下电源线接头,检查电源线和引线接头情况,并将电缆接头短接。
质量要求:1.拆线时应做好标志,不损伤导线瓷瓶、电缆头和绝缘,引线盒部件应保管好。
检查电动机及电缆线鼻子应无变形、裂纹,无开焊及过热现象。
引线无断股现象且绝缘完好无过热。
引线和瓷瓶固定可靠,瓷瓶完好清洁无破损,接线柱板应固定牢固无裂纹、过热现象,接线盒及密封圈应完好无损。
2.检查法兰垫应完好无老化,密封应良好,否则应更换密封垫。
3.拆卸时,先在端盖接缝处打上记号,两侧端盖的记号不应相同。
拆下的定位销要做好记号,作到装复时原销原位。
拆端盖及内护板进要用人扶稳,不得伤及线圈及人员。
4.将各地脚螺丝和垫片做好记号,保管好并做好测量记录。
各元件。
5.各点气隙与平均值之差不大于平均值的5%。
6.电机解体前测量线圈绝缘电阻,并记录。
6KV电动机用2500V摇表,低压电机用500V摇表。
7.拆对轮及风扇时不得伤及轴中心孔。
8.抽转子时要监视好定、转子间隙,不得伤及铁心及线圈。
转子抽出后转子下面要垫干净的方木,轴颈要做好防锈处理并用胶皮包好防止伤害轴颈。
在进行电动机维护检修时,需要遵守以下规范:1.电动机各部件质量完好,包括外壳无缺陷,润滑油脂质量符合要求且不漏油,电机内部无积灰和油污,风道畅通。
1.1.4 电动机的外壳具有良好的防护能力和防爆性能,符合出厂标准和周围环境的要求。
1.1.5 定子和转子绕组以及铁芯没有老化、变色或松动现象,槽楔、端部垫块和绑线齐全且牢固。
1.1.6 定子和转子之间的间隙符合要求。
1.1.7 风扇叶片完好,角度适当且固定牢固。
1.1.8 外壳接地线良好且明显。
1.1.9 各部件的螺栓和螺母齐全紧固,符合正规要求。
高压电动机检修规程1 总则1.1主题内容与适用范围1.1.1本规程规定了霍煤鸿骏铝电有限责任公司电力分公司C厂交流电动机的检修项目、程序、工艺标准、验收标准。
1.1.2本规程适用于霍煤鸿骏铝电有限责任公司电力分公司C厂交流电动机检修工作。
1.2引用标准1.2.1《发电厂检修规程》SD230-871.2.2《电气装置安装工程旋转电机施工及验收规范》GB50170-921.2.3《防止电力生产重大事故的二十五项重点要求》1.2.4《火力发电厂安全性评价查评依据》1.2.5《机械设计手册》(化学工业出版社第三版第二卷)1.2.6制造厂家提供的设备说明书、设计图纸、相关资料。
2 设备规范2.1 概述我厂高压电动机为三相交流异步电动机,额定电压等级均为6KV;按照安装形式可分为卧式和立式两大类,按照冷却方式可分为空-空冷和水-空冷两种形式。
3 检修策略3.1检修周期发电机组标准检修周期安排方式为:A-C-C-B-C-C-A,根据设备运行情况,每年可增加一次D级检修,具体检修项目可根据实际情况自行制订。
A级检修发电机停用时间:60-68天B级检修发电机停用时间:30-45天C级检修发电机停用时间:20-26天D级检修发电机停用时间:9-12天根据设备具体运行情况,可对检修周期及标准进行更改,但应提前提出申请。
高压电动机严格按照检修滚动计划进行,一般随机组的A、B、C级定期检修进行,临时性检修视电机的故障情况决定。
高压电动机检修滚动计划的制定遵循以下原则:对起动频繁、环境恶劣、易出故障的电机适当缩短大修周期,如磨煤机电机、送风机电机等;对于运行情况良好,环境干燥清洁,利用小时数比较低的电动机,可酌情延长A级检修周期,但应适当加强B、C级检修维护,以免失修。
3.2标准检修项目3.2.1A级检修定义及标准项目高压电动机的A级检修是指电机在全面解体情况下进行的检修。
高压电动机A级检修标准项目3.2.2B级检修定义及标准项目高压电动机B级检修是指电机部分解体,不抽转子情况下进行的检修。
高压电动机的检修与维护工作
1.1 检修高压电动机和启动装置时,应做好下列安全措施:
1.1.1 断开电源断路器(开关)、隔离开关(刀闸),经验明确无电压后装设接地线或在隔离开关(刀闸)间装绝缘隔板;手车开关应拉至试验或检修位置。
1.1.2 在断路器(开关)、隔离开关(刀闸)操作把手上悬挂“禁止合闸,有人工作!”的标示牌。
1.1.3 拆开后的电缆头应三相短路接地。
1.1.4 做好防止被其带动的机械(如水泵、空气压缩机、引风机等)引起电动机转动的措施,并在阀门(风门)上悬挂“禁止合闸,有人工作!”的标示牌。
1.2禁止在转动着的高压电动机及其附属装置回路上进行工作。
必须在转动着的电动机转子电阻回路上进行工作时,应先提起碳刷或将电阻完全切除。
工作时要戴绝缘手套或使用有绝缘把手的工具,穿绝缘靴或站在绝缘垫上。
1.3 电动机的引出线和电缆头以及外露的转动部分均应装设牢固的遮栏或护罩。
1.4 电动机及启动装置的外壳均应接地。
禁止在转动中的电动机的接地线上进行工作。
1.5 工作尚未全部终结,而需送电试验电动机或启动装置时,应收回全部工作票并通知有关机械部分检修人员后,方可送电。
高压电动机检修方案一、检修前的准备工作1.对电动机进行详细检查,了解其运行状况,包括电流、电压、转速等参数是否正常。
2.准备检修工具,包括扳手、螺丝刀、绝缘棒、万用表等。
3.准备防护用品,如绝缘手套、防护眼镜、防尘口罩等。
4.准备检修所需材料,如绝缘纸、绝缘漆、轴承、润滑脂等。
5.确保检修现场安全,如拉闸停电,设置警示牌等。
二、检修步骤及方法1.拆卸电动机外壳,观察内部结构,检查线圈、铁心等部件是否有异常。
2.使用万用表测量电动机绕组的绝缘电阻,判断绝缘状况。
3.检查轴承磨损情况,如有磨损严重,及时更换。
4.清理电动机内部灰尘,用压缩空气吹净线圈、铁心等部件。
5.检查接线盒内的接线是否牢固,如有松动,重新接线并固定。
6.检查电动机的绝缘漆是否完好,如有破损,及时修补。
7.检查电动机的风扇、散热片等部件,确保其正常工作。
8.对电动机进行试运行,观察运行状态是否正常。
三、检修后验收1.检查电动机各项参数是否恢复正常,如电流、电压、转速等。
2.观察电动机运行是否平稳,有无异常噪音。
3.检查电动机的绝缘电阻是否达到标准要求。
4.检查轴承温度是否正常,润滑脂是否充足。
5.确保电动机外观整洁,无灰尘、油污等。
6.对检修过程进行记录,为下次检修提供参考。
四、注意事项1.检修过程中,务必确保安全,遵守相关安全规定。
2.检修人员应具备一定的电气知识,熟悉电动机的结构原理。
3.检修过程中,如有发现问题,及时记录并报告上级。
4.检修完成后,对电动机进行试运行,确认无异常后方可投入使用。
5.定期对电动机进行检修,确保其正常运行,延长使用寿命。
6.加强对电动机的日常维护,及时发现问题,防止故障扩大。
注意事项:1.安全第一,检修前务必切断电源,避免触电风险。
2.检修工具要齐全,不能马虎,少一样都可能让工作变得麻烦。
3.防护措施要做到位,绝缘手套、防护眼镜这些不是摆设,真用到的时候能救命。
4.检修记录要详细,别小看这一笔一划,回头再看能省去不少麻烦。
高压电气设备检修安全技术规范
是指在对高压电气设备进行检修过程中,制定并遵守的一系列安全技术规范。
其目的是确保检修过程安全可靠,防止事故发生,保护人员和设备的安全。
以下是一些常见的高压电气设备检修安全技术规范:
1. 安全警示标志:设备周围应设置相应的安全警示标志,以提醒人员注意高压电、禁止入内等安全事项。
2. 个人防护用具:检修人员应佩戴符合安全要求的个人防护用具,如安全帽、防护眼镜、绝缘手套和绝缘鞋等,确保人身安全。
3. 施工现场管理:施工现场应规范管理,确保无关人员不进入施工现场,防止人员触摸和操作高压设备。
现场应设有明显的警示标志。
4. 使用合适的工具:检修人员应使用合适的工具,不使用损坏或有缺陷的工具,确保操作安全可靠。
5. 遵守操作规程:检修人员应严格遵守高压电设备的操作规程,如分清线路、确认电压、恰当操作等。
6. 开展绝缘测试:在检修前,应对设备进行绝缘测试,确保设备绝缘良好,没有漏电等安全隐患。
7. 通风和排气:在检修过程中,需要保证施工现场的通风和排气良好,以防止有毒气体或可燃气体聚集造成的安全问题。
8. 定期检测设备:定期对高压电气设备进行检测和维修,确保设备的正常运行和安全性。
9. 紧急救援措施:施工现场应配备必要的急救设备和应急救援措施,以应对发生意外事故时的紧急情况。
10. 培训和安全意识:检修人员应接受相关的培训,提高他们的安全意识和应急处理能力,增强对高压电设备的安全管理能力。
总之,高压电气设备检修安全技术规范的制定和遵守对于保障高压设备检修过程的安全至关重要。
只有做好安全技术措施,确保人员和设备的安全,才能有效预防事故的发生。
高压电机的检修方法
高压电机的检修是非常重要的,因为它涉及到设备的安全和正常运行。
在进行高压电机的检修时,需要遵循一系列步骤和方法。
首先,检修人员需要对高压电机进行全面的检查,包括外部和内部部件。
外部检查包括检查外壳、冷却系统、接线端子和接地装置等,确保没有损坏或者松动的部件。
内部检查则需要拆卸电机外壳,检查定子、转子、绕组、轴承等部件的磨损情况,以及绝缘状况是否良好。
其次,需要对电机的绝缘性能进行测试。
这包括使用绝缘电阻测试仪对绕组的绝缘电阻进行测试,以确保绝缘性能符合要求。
同时还需要进行介质耐压试验,以验证绕组和绝缘材料的绝缘强度。
另外,还需要对电机的轴承进行检查和润滑。
检查轴承是否有异常磨损或者松动现象,必要时需要更换轴承。
润滑则是为了确保轴承在运行过程中不会因为摩擦而过热或损坏,可以使用适当的润滑脂进行润滑。
此外,还需要对电机的接线和绝缘进行检查。
检查电机的接线
是否牢固可靠,绝缘是否完好,以免因为短路或者漏电导致电机故障或者安全事故。
最后,在进行高压电机的检修时,一定要遵循相关的操作规程和安全标准,确保检修过程中的安全性。
同时,还需要对检修后的电机进行试运行,确保其性能和安全性符合要求。
总的来说,高压电机的检修需要全面细致地进行各项检查和测试,确保设备的安全和正常运行。
希望以上回答能够帮助到你。
高压电机的修理有哪些方法和技巧高压电动机可用于驱动各种不同机械之用。
如压缩机、水泵、破碎机、切削机床、运输机械及其它设备,供矿山、机械工业、石油化工工业、发电机等各种工业中作原动机用。
如果高压电机出现了故障应该怎么进行维修呢?以下是店铺为你整理的高压电机修理的方法,希望能帮到你。
高压电机修理的方法1、高压电机经常出现的故障1.1电机绝缘电阻低,绕组绝缘击穿接地及引出线故障由于环境潮湿,使电机绝缘受潮,绝缘电阻值不符合规程要求;由于粉尘较大,有磁性物质落在线圈表面上,产生钻孔现象,导致定子绕组的绝缘被击穿接地;电机引线位置处于铁心背部的热风区,长期运行后绝缘热老化,引出线橡胶绝缘酥脆、变质和剥落,外力和机械震动使瓷瓶破裂或电机引线松动,导致电机引出线接触不良甚至断裂而出现剧烈的弧光放电现象。
1.2电机定子槽楔松动,端部绑扎不良故障电机定子槽楔松动、绕组端部绑扎不良,当电机在启动和运行时产生振动,线圈相对产生位移,电机电磁声大,出现放电现象。
1.3电机转子故障电机频繁启动和过载运行时产生的热效应力、电磁力和机械离心力的作用引起交变应力而造成电机鼠笼转子的短路环与铜条焊接处开焊,转子铜条在槽内松动,运行中定子电流摆动大,电机振动剧烈,电机电磁声增大并出现放电现象。
1.4电机轴承故障轴承安装不正确,配合公差太紧或太松,润滑脂添加不合适。
运行时轴承发热、温升过高、振动大、轴承处声音异常发出很大的响声。
1.5电机振动故障由于制造、使用、维修不当或运行时间长等原因,电机的端盖、轴承、轴承套、转子轴颈、笼条以及定子铁芯等零部件都会发生磨损变形而丧失了应有的形位精度和尺寸精度,使电机在运行中产生振动,当振动值超标时,将影响设备的健康、安全运行。
2、针对高压电机经常出现的故障制定出相应的现场检修方法2.1电机绝缘电阻低、绕组绝缘击穿接地及引出线故障检修方法三相异步电机定子常发生的电气故障,一种是绕组绝缘击穿接地,另一种是匝间绝缘损坏造成匝间短路烧坏绕组。