智能电子拉力试验机的使用方法及原理
- 格式:doc
- 大小:30.50 KB
- 文档页数:2
如何检定电子拉力试验机的正确使用和操作注意事项力试验机操作规程电子拉力试验机也称电子拉力机,适用于塑料薄膜、复合材料、胶粘剂、胶粘带、不干胶、医用贴剂、保护膜、离型纸、背板材料、橡胶、纸张纤维等产品的拉伸、剥离、变形、撕裂、热封、粘合、穿刺力、开启力、低速解卷力等性能测试。
拉力机夹具作为仪器的紧要构成部分,不同的材料需要不同的夹具,也是试验能否顺当进行及试验结果精准度高处与低处的一个紧要因素。
电子拉力试验机电子拉力机的正确使用步骤:1、开机:先打开软件测控系统—再打开电源—选择相应的试验类型;2、试运行:测试电子拉力机升降、速度、确定各系统运行正常;3、新建记录:依据试验的次数—新建—试验记录条数—填入相应的批号、编号、试验环境、试样尺寸等相关数据;4、装放试样:调整试样的位置—装放好试样;5、选择量程:选择合适的试验力和变形的档位(量程);6、清零:将试验力、变形、位移清零;7、试验速度:有标准依标准操作,没有标准先易慢速,据情况自由调整;8、结束条件:依据试样对像选择相应试验条件;9、试验开始:点“试验开始”按钮开始试验。
10、试验结束:试验完成后“试验结束”按钮自动按下;11、试验结果:点“分析”按钮查看相应的试验结果;12、连续试验:点“试验”按钮返回试验操作界面;点“下一个”按钮将是试验记录切换到下一条,重复5—11步进行试验;13、保存数据:假如试验数据需要保存,按“保存”按钮将试验数据保存到数据库,以备查阅;14、打印报表:假如试验结果需要打印,按“输出报表”按钮将试验结果输出到Word文档并打印;15、关机:先关闭试验机电源,再关闭软件测控系统和电脑。
电子拉力试验机工作时要注意的细节:1、超负荷、超速度的工作,只会给拉力试验机带来“致命”的损害,还会给今后试验的结果带来影响,因此我们应当杜绝这样错误的操作;2、在拉力试验机的四周尽量不要放置一些重量大、硬度高的物体,以防硬物碰撞到升降丝杠;3、拉力机的夹具上下移动时要平稳的进行,避开和机器本身的摩擦,每一次试验前确定要检查一下夹具螺丝的松紧情况;4、更换夹具时确定要选择正确的夹具,以防影响试验的结果;5、微机和拉力试验机的连接步骤确定要依照说明书来进行,或者让阅历老套的操作工进行正确的连接;6、拉力试验机得出的结果需要打印的时候,检查打印机是否可用;7、使用完毕之后,卸掉夹具和被测物体,便利下次使用;8、zui后确定要在微机上点击关闭按钮,切记不要直接切断电源开关(和关闭电脑一个道理)。
目 的:建立XLW-智能电子拉力试验机标准操作规程。
依 据:济南兰光仪器厂《智能电子拉力试验机使用说明书》。
范 围:适用于贴膏剂检验的操作。
责 任:QC 主管、QC 检验员。
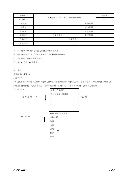
程 序:仪器编号: QZ/H-042 1操作程序1.1接通电源→提示屏→主屏幕→选择试验专案→设置实验参数→返回主屏幕→启动试验待机→装夹试验→启动试验→ 试验完成自动停机→夹头自动复位→显示试验参数、试验结果、试验曲线→统计、打印→关闭电源。
1.2接口显示:按“ 监 控”提示屏按“监 控”主屏幕(主菜单)功能接口:——试验项目————试验编号————试样宽度————试样厚度————夹头距离————拉伸强渡————最大拉断力————抗拉强度————变形率————试验速度————状态提示————试验项目—— ——试验编号—— ——试样宽度—— ——最大力值—— ——热封强渡—— ——试验速度—— ——状态提示————试验项目—— ——试验编号—— ——试样宽度—— ——厚度(与本试验无关)————计算复合长度————过程最大值—— ——剥离强度—— ——平均剥离力—— ——试验速度—— ——状态提示——1.3 首件试样→主屏幕→按“监控”键进入参数设置→按监控键返回主屏幕→按试验键进入功能接口待机状态→按“下 降”“微动”“停止”键装夹试样→再按“试验键实验开始→试验自动完成.自动复位并至待机状态。
1.4 第二件试样当需要成组统计结果时:按“数加”键改变试样编号为2→装夹试样→按“试验”键试验开始→自动返回。
1.5按监控键进入查看→再按“监控”键→屏幕显示试验数据→按“数加”键。
变更试样号;如须观察试验曲线,则按“数 减”键即可。
1.6按监控键进入打印→按“监控”键显示试样件号→按“数加”键,变更试样号→再按“监控”键则打印开始。
2注意事项:在上夹头下降过程中,须认真观察上夹头与试样之间的距离,在该距离小于15mm 时,应讯速按“停止”键 停止下降,否则会造成夹头顶撞,造成仪器严重损坏。
拉力试验机操作规程
一、通电开机
将电源插头插入电源插座,打开测力机头背部的电源开关,数码管显示屏上的数字跳动,各指示灯点亮,机器进入通电自检自校状态,完成后数码管显示屏显示“0”,指示灯“稳定”常亮。
二、试验操作
将需要进行拉力试验的试品上端,用销子连接到测力传感器的U形架上,试品的下端同样使用销子将其连接到机座U形架上。
锁紧液压千斤顶的进油阀,用千斤顶加压杆进行加压,使测力传动臂带动传感器向上运动,注意观察显示屏示值,当示值接近试品额定测试力量值时,缓慢压动千斤顶,并在“稳定”指示灯点亮时读数。
读数完成后,松开液压千斤顶的进油阀,使千斤顶的顶杆下落,数码管显示屏显示力量值为“0”。
抽出上下两端用于连接的销子,取下试品。
三、关机与维护
试验完毕后,关闭机头背部的电源开关,并拔下电源插头。
日常使用中应根据液压千斤顶的顶升情况,适当加注液压油。
清扫设备上的灰尘、油污,保持设备干净整洁。
电子拉力机
一)使用方法:
1.接通电源,打开计算机
2.联机
3.校准
打开菜单“参数设置→传感器校正”。
使用25N、50N的砝码挂于传感器上分别进行校正,观察显示屏的力量值,将力量值记入仪器使用记录(拉力机专用)表单。
力量值与砝码的差值在±0.2%为合格。
4.实验步骤
4.1启动程序
4.2点击菜单栏中的“参数设置→初值设置”,设定初始值为需要的值;
4.3点击菜单栏中的“参数设置→测试材料”,然后在弹出的对话框中选择已编辑好的材料,或可以点击“修改”修改当前选中的材料的信息,或是点击“添加”添加一个新的材料,在弹出的对话矿框中输入要测试的材料的信息后点击“确定”退出;
4.4点击菜单栏中的“参数设置→测试方法”,然后在弹出的对话框中选择已编辑好的测试方法,或可以点击“修改”修改当前选中的测试方法,或是点击“添加”添加一个新的测试方法,在弹出的对话矿框中输入要使用的测试方法后点击“确定”退出;
4.5设定好了材料信息和实验方法后就可以点击“开始”键启动测试了;
4.6测试过程中不要点击任何按钮,直到材料断裂或是达到停机条件自动停机;如果没有达到自动停机条件停机,也可以“测试”或是“停止”按钮结束测试
4.7实验结束后,将弹出是否保存结果对话框,点击“确定”并输入文件名后保存本次测试数据;
4.8测试完成后可点击主界面上的“测试结果﹠定制报表”选项页中的“报表设置”按键设置报表;
4.9设置好报表后如果连接有打印机则可以点击“打印”键将报表打印出来
二)注意事项:
1.保持拉力机的干燥与整洁
2.避免传感器碰撞。
拉力试验机的操作步骤介绍拉力试验机是一种常见的仪器设备,用于测试材料的强度、硬度、韧性、延展性、断裂强度等性能指标。
下面介绍一下拉力试验机的使用步骤。
步骤一:开机准备先打开拉力试验机的电源,待主机启动后,将控制器上的程序选择钮调至“测试”或“试验”模式,然后按下“清零”钮,将上下拉力传感器的受力显示都清零归位。
步骤二:调节测试样品将待测试的样品经过制备、切割加工、去毛刺等处理后,用夹具或其他固定装置夹紧在上下拉力机的夹具头上。
根据测试要求,调整夹具头的间距、角度、压力等参数,确保样品能够被牢固地卡住,不会出现滑动等现象。
步骤三:设置测试参数通过控制器上的按键或旋钮,设置好测试参数,包括样品的尺寸、测试速度、测试时间、测试方式等。
根据不同测试要求,可以选择不同的测试方式,如单向拉伸、双向拉伸、对撞式等。
步骤四:开始测试在确保所有参数已设置好且检查无误后,按下“开始”键,开始进行测试。
测试过程中,控制器会自动记录测试数据,如受力值、位移长度、测试时间等,并以曲线的形式显示在屏幕上。
步骤五:完成测试当测试结束后,按下“停止”键暂停测试,然后移除测试夹具,取出测试样品并进行检验、处理、分析等后续工作。
需要注意的是,在取出样品后,要及时清理测试夹具,以免样品残留物污染下一次测试。
步骤六:关闭机器测试结束后,按下“关机”钮,依次关闭控制器、拉力传感器、电源等机器部件,然后进行日常清洁和检修工作。
综上所述,拉力试验机的操作步骤包括开机准备、调节测试样品、设置测试参数、开始测试、完成测试和关闭机器,操作过程需要仔细并认真地执行每一个步骤,以保证测试数据的准确度和测试样品的安全性。
电子拉力试验机操作规程
编号:HY/WI-0806-056
1、目的
用于材料试验或产品性能测试
2、适用范围
本机适用于橡胶、塑料及编织物等作抗拉强试验,本厂用于成品平面毡、橡胶的拉强强度等试验。
温度要求10~25℃,相对湿度60%±15%。
3、操作方法
3.1接上稳压电器,打开调速装置的电源。
3.2接通电脑主机和显示器、打印机的电源。
3.3电脑进Windows XP桌面后,打开调速装置电源。
在Windows XP
下启动运行桌面上的拉力机程序,双击拉力机程序,输入密码:10011,再按键盘上的回车键,即可进入操作程序。
3.4点“功能设置”——“实验方式”——“材料分类”选定实验,3.5再点击“参数设置”定参数后,点击“返回”
3.6夹上试片后,调整上下限距离后,先点“复位”,再点“试验”
3.6设备开始动作,并有显示试验曲线;试验结束后,设备自动停止,并显示试验数据结果。
3.7点“打印“即试验完成。
4.注意事项
4.1更换零部件,请一定要关闭主机退出程序后,方可更换。
4.2设备不使用时,请务必切断电源。
编制/日期审核/日期批准/日期。
电子拉力试验机是一款高精度、高科技的材料检测设备,它可以用来对金属材料和非金属材料做拉伸、压缩、弯曲、剪切、剥离等力学性能试验。
下面来给大家介绍一下电子拉力试验机的功能特点与使用说明,一起来看看吧。
一、电子拉力试验机的功能特点1、过载保护功能:当负荷超过各档值的3-5%时,自动停机。
2、限位保护功能:具有程控和机械两级限位保护;3、过程实现功能:试验过程、丈量、显示等均由单片机实现;4、自动标定功能:系统可自动实现示值正确度的标定;5、自动停机功能:试样断裂后,移动横梁自动休止;二、电子拉力试验机的使用说明1、以S型传感器为例,当科建仪器传感器受到拉力P的作用时,由于弹性元件表面粘贴有应变片,因为弹性元件的应变与外力P的大小成正比例,故此将应变片接入测量电路中,即可通过测出其输出电压,从而测出力的大小。
对于传感器,一般采用差动全桥测量,即将所粘贴的应变片组成桥路,R1、R2、R3、R4,实际为阻值相等的4片(或8片)应变片,即R1=R2=R3=R4,当传感器受到外力(拉力或压力)作用时,传感器弹性元件产生应变而使各电阻值发生变化,其变化值分别为△R1△、R2、△R3、△R4,结果原来平衡的电桥,现在不平衡了,桥路就有电压输出,设△E 则△E= [R1R2/(R1+R2)2]△R1/R1-△R2/R2+△R3/R3-△R4/R4)U式中U为外电源供给桥路的电压进一步筒化有△E=[R2/4R2](△R1/R-△R2/R+△R3/R-△R4/R)U 将△Ri/Ri=Kεi代上上式则有△E=[UK/4](ε1-ε2+ε3-ε4)2、简单来说,外力P引起科建仪器传感器内应变片的变形,导致电桥的不平衡,从而引起传感器输出电压的变化,我们通过测量输出电压的变化就可以知道力的大小了。
一般来说,传感器的输出信号都是非常微弱的,通常只有几个mV,如果我们直接对此信号进行测量,是非常困难的,并且不能满足高精度测量要求。
电子拉力试验机操作规程范文一、试验机的准备工作1. 在使用电子拉力试验机前,确保试验机的所有零部件完好并正确安装。
2. 检查试验机的电源线是否连接牢固,并确保试验机的电源插头正确接入电源插座。
3. 打开试验机的电源开关,待试验机进入待机状态后,进行下一步操作。
二、试验样品的安装1. 将待测试的样品放置在试验机的夹持装置中,并确保样品与试验机夹持装置的接触面光滑。
2. 调整夹持装置的夹持力,确保样品夹持牢固但不过分变形。
三、试验参数的设置1. 打开试验机的控制面板,选择合适的试验模式,如拉伸试验、压缩试验等。
2. 设定试验机的加载速度,根据样品的特性和试验需求进行合理调整。
3. 根据试验需求设定试验机的负荷上限,确保试验时不超过样品的承载能力。
四、试验过程的操作1. 确保试验现场安全,人员不得靠近试验机和试验样品。
2. 按下试验机的启动按钮,试验机开始进行试验。
3. 注意观察试验过程中的数据变化,确保试验机正常工作并记录数据。
4. 如遇到异常情况,如试验机噪音过大、试验样品突然断裂等,应立即停止试验并检查故障。
五、试验结果的记录和分析1. 试验结束后,关闭试验机的电源开关。
2. 记录试验过程中的各项数据,包括加载力、位移/变形等。
3. 对试验结果进行分析,比较样品的强度、韧性等性能指标,并撰写试验报告。
六、试验机的维护和保养1. 每次使用后,清理试验机的工作台面,并确保试验机内部干净。
2. 定期对试验机进行保养,如加润滑油、紧固零部件等。
3. 如发现试验机存在故障或异常情况,应及时联系维修人员进行检修。
七、员工安全意识培训1. 为保障安全,试验机操作人员必须接受相关安全意识培训。
2. 试验机操作人员应穿戴符合规定的防护装备,如安全鞋、工作手套等。
3. 操作人员应严格遵守操作规程,如不擅自将试验机参数调整到超出样品承载能力的范围。
以上是电子拉力试验机操作规程的范文,希望对您有所帮助。
在使用试验机时,请务必严格遵守操作规程,并确保人员安全。
电子拉力机操作规程电子拉力机是一种常用的实验仪器,用于测量材料的力学性能和力学性质。
为了保证操作的安全和正确性,下面给出电子拉力机的操作规程。
一、安全准备:1. 操作人员应熟悉电子拉力机的结构和性能,并通过培训熟悉拉力机的操作方法。
2. 操作人员必须穿戴安全防护用品,包括安全鞋、手套、护目镜等,并确保没有长发、宽松的衣物或饰品等会妨碍操作的物品。
3. 在操作拉力机前,应仔细检查设备的电源线,保证电源线的接触正常,避免电源线过长或局部断裂。
二、操作步骤:1. 打开电源开关,拉力机正常启动后,仔细检查拉力机的各个部件,确保工作台面清洁、夹具安装牢固。
2. 根据实验需求,选择合适的夹具安装在工作台上。
夹具的选择要考虑到被测材料的特性和尺寸,并且夹具的安装要牢固可靠。
3. 将被测材料夹持在夹具上,注意夹持力要均匀,避免造成夹持处局部过应力。
4. 调整拉力机的各个参数,如拉力速度、拉力范围等,根据实验需求设置合适的数值。
5. 确认操作人员安全后,启动拉力机,开始拉伸实验。
在拉伸过程中,要观察被测材料的破坏状况,及时记录拉力和位移等数据。
6. 在拉伸实验结束后,将拉力机停止运行,归零各个参数,并关闭电源开关。
三、注意事项:1. 拉力机的最大载荷不能超过其额定载荷,以防止设备超负荷运行导致损坏。
2. 在拉伸过程中,应适时调整拉力速度和采样频率,以保证获得准确的实验数据。
3. 在拉伸过程中,严禁超过被测材料的极限强度,以免引发危险事故。
4. 实验结束后,及时关机断电,并对设备进行清洁和维护,保持设备良好的工作状态。
四、维护保养:1. 每次使用后,要及时清洁设备,包括工作台面、夹具和传感器等,确保设备的清洁和卫生。
2. 定期检查设备的连接件和电源线,确保紧固可靠,避免因松动而导致的故障。
3. 定期进行润滑处理,保证设备的正常运转。
4. 长期不使用设备时,应将设备放置在干燥、通风的地方,并加上防尘罩,避免灰尘和湿气侵入设备内部。
电子拉力试验机操作规程(5篇范文)第1篇电子拉力试验机操作规程拉力试验机用于测试各种材料、半成品及成品的抗拉强度、抗压强度及伸长量、延伸率、可做剥离、撕裂、抗弯、抗折、压缩等试验,适合金属、塑胶、橡胶、纺织品、合成化学制品、电线电缆、皮革等行业使用。
电子拉力试验机操作及保养相关注意事项,及操作规程讲解:1、将总开关接通电源,打开试验机电源开关,检查机器各部位运转是否正常,作好试验准备。
2、在试验前应对所做试验的最大荷载有所估计,悬挂相适应的摆砣。
并调整缓冲阀手柄,对准标线。
3、在描绘器的转筒上,卷好记录纸(此项只是需要时才进行)。
4、开动油泵电动机,开启送油阀,关闭回油阀,使油箱内的油进入工作油缸,试台升起,然后,打开回油阀,排除油缸内的空气。
再关闭回油阀,重新开启送油阀使试台上升5—10mm,然后关闭油阀。
如果试台以在升起位置时,则不必先开动油泵送油,仅将回油阀关好即可。
5、将试样一端夹于上钳口,开动油泵调整指针对准零点,再开动下钳口电动机调正下钳口,夹住试件下端。
必须注意使试样铅垂,并在中间位置。
6、将推杆上的描绘笔放下,进入描绘准备状态(需要描绘时才进行)。
7、按试验要求的加荷速度,通过旋扭,调整加荷速度指示盘的旋转速度,缓慢的开启送油阀,并使加荷指针的旋转速度与指示盘的旋转速度一致进行加荷。
加荷速度:屈服前-应力增加速度10mpa/s屈服后-试验机活动夹头在负荷下的移动速度为不大于0.5l/min。
8、试样断裂后,关闭送油阀,并停止油泵电动机。
9、记录所需数值并将描绘笔抬起。
10、打开回油阀,卸荷后将被动针拨回零点。
11、取下断裂后试样,测量伸长值,认真记录,作为计算依据。
12、最后,切断电源,对仪器设备进行擦拭清扫。
13、压缩及弯曲等试验可参照上述各项进行操作。
第2篇电子拉力试验机操作规程注意事项电子拉力试验机操作规程及注意事项拉力试验机用于测试各种材料、半成品及成品的抗拉强度、抗压强度及伸长量、延伸率、可做剥离、撕裂、抗弯、抗折、压缩等试验,适合金属、塑胶、橡胶、纺织品、合成化学制品、电线电缆、皮革等行业使用。
电子拉力试验机操作规程第一章概述1.1 目的和适用范围本操作规程旨在规定电子拉力试验机的操作流程和安全注意事项,以确保试验机的正常运行和用户的安全。
本操作规程适用于所有使用电子拉力试验机的人员。
1.2 术语和缩略语1) 电子拉力试验机:指用于测试材料拉伸、压缩、弯曲、剪切等力学性能的设备。
2) 拉力:指施加在试件上的力,以使其发生拉伸变形。
3) 压力:指施加在试件上的力,以使其发生压缩变形。
4) 弯曲:指试件在受力作用下发生弯曲变形。
5) 剪切:指试件在受力作用下发生剪切变形。
1.3 设备介绍电子拉力试验机是一种用于测试材料力学性能的设备,它包括主机、传感器、控制系统和显示屏等组成部分。
主机:提供试验时所需的力和位移,并通过传感器将其转化为电信号。
传感器:用于检测试件施加的力和变形,并将其转化为电信号输入到控制系统中。
控制系统:用于控制试验机的运行和记录试验数据。
显示屏:用于显示试验机的参数和试验数据。
第二章操作流程2.1 前期准备1) 检查设备是否完好,并确保电源接地良好。
2) 将试验机底座与地面固定。
3) 安装和校准传感器。
2.2 启动试验机1) 按下启动按钮,试验机开始运行。
2) 启动后,检查控制系统和显示屏是否正常工作。
3) 根据试验需求设置试验参数,如试验类型、试验速度等。
2.3 安装试件1) 根据试验要求选择适当的夹具,并将试件安装在夹具上。
2) 确保试件与夹具之间的接触良好,避免试件滑动或偏移。
2.4 进行试验1) 按下启动按钮,试验机开始施加力,并记录试验数据。
2) 在试验过程中,及时检查试件和夹具的状态,确保其正常工作。
3) 如果试件出现异常情况,如变形过大或夹具松动等,应立即停止试验并进行处理。
2.5 结束试验1) 当试验达到预设条件时,按下停止按钮,试验机停止施加力。
2) 检查试件和夹具的状态,确保其安全和完好。
3) 关闭试验机和电源,保持试验环境整洁。
第三章安全注意事项3.1 人员安全1) 试验机的操作应由受过培训的人员进行,未经培训的人员不得擅自操作试验机。
电子拉力试验机操作规程一、试验机前的准备1、试验机的稳定性检查在进行任何试验之前,必须首先确认试验机的工作状态良好,并且能够正常工作。
通常,试验操作员必须检查试验机的底座,确定其基础为稳固的,使得机器能够始终保持平衡的状态,并检查传感器和显示器是否正常工作。
2、试验温度和湿度的监测试验操作员必须确保试验间内的温度和湿度不会影响到测试结果的准确性,所以必须对试验环境进行一定的监测和调节。
3、试验样本的准备在进行试验之前,必须先准备好试验样品,并对其进行细致的检查,以确保试验样品没有任何表面或内部损坏,并且符合试验的规格要求。
二、试验机的操作方法1、打开电源按照试验机厂商的要求打开电源,确认试验机等待开始工作。
2、选择试验类型在试验机的操作面板上,选择适合试验样品的测试类型。
通常,这些选择包括单拉力、双拉力、剪切等模式。
3、安装试验样品根据试验样品的类型和形态,选择产生恰当的夹具和夹具面,安装好试验样品,并使其与试验机的套头一致。
4、开始试验开始测试时,输入试验参数,在试验机控制板上按下开始键,试验机将自动启动并开始数据采集操作。
5、结束测试当试验完成时,测试参数和结果将被记录,相关数据将显示在控制板上,然后试验操作员可以按下结束键,试验机将自动停止运行。
6、数据处理进行数据分析和处理,验证测试结果是否有效,并将测试结果记录下来。
三、试验机的安全操作1、安全操作的意义试验操作员必须意识到试验机的高功率、高速运动和高压力系数,任何操作不当都可能导致意外事故,所以必须严格遵守试验机操作规程。
2、安全操作流程试验操作员必须从试验前开始就认真准备,避免错误和事故发生。
在安装和操作试验机时,必须穿戴好安全装备,遵守相关的操作规定以及医疗和急救计划等规定。
3、应急预案检查和准备好应急预案,如发生紧急情况,应当立即采取措施遏制并通知试验负责人。
四、试验机的维护和保养1、维护设备的清洁定期清洁试验机,并清理样品,样品架和其他附加设备,确保试验设备的正常操作。
电子拉力试验机操作规程电子拉力试验机操作规程一、试验机设备的准备1. 检查试验机设备的电源是否接通,并确认电源正常。
2. 检查试验机设备的背电源开关是否处于开启状态。
3. 检查试验机设备与电源线的连接是否牢固,电源线是否有损坏情况。
二、试验机设备的调整1. 调整试验机设备的拉力传感器,将其与试样连接,并确认连接牢固无松动。
2. 按照试样的尺寸和形状,调整试验机设备的夹具,确保试样能够正确固定在试验机设备上。
3. 检查试验机设备的控制面板,确认各个调节钮处于初始位置,并且功能正常。
三、试验机设备的操作1. 打开试验机设备的电源开关,并等待设备启动。
2. 将试样插入试验机设备,并确保试样与夹具之间的连接牢固。
3. 在试验机设备的控制面板上设置试验参数,包括试验时间、试验速度等。
4. 点击试验机设备控制面板上的开始按钮,开始进行试验。
5. 观察试验过程中试样的变化情况,并根据需要调整试验参数。
6. 在试验结束后,点击试验机设备控制面板上的停止按钮,停止试验。
7. 将试样从试验机设备上取出,并进行相应的观察和测量。
四、试验机设备的维护与保养1. 在试验机设备使用结束后,关闭电源开关。
2. 清理试验机设备的工作台面和夹具,确保无杂物残留。
3. 定期检查试验机设备的各个部件,如拉力传感器、夹具等,确认无损坏情况。
4. 根据试验机设备的规定,定期进行润滑和清洁保养工作。
5. 如发现试验机设备有异常情况或故障,及时联系维修人员进行处理。
五、安全注意事项1. 在操作试验机设备时,应穿戴好劳保用品,如手套、安全眼镜等。
2. 不得将手指或其他物体伸入试验机设备的工作区域。
3. 在试验过程中,避免站在试验机设备的前方或试样的后方。
4. 在试验机设备使用过程中,不得随意更改设备的工作参数,以免引起意外事故。
5. 在试验机设备故障时,应立即停机,并请专业维修人员进行检修。
以上就是电子拉力试验机的操作规程,希望对您有所帮助。
电子拉力试验机的使用方法力试验机操作规程拉力试验机是常用的材料试验机之一,可用于金属、非金属、复合材料等材料的拉伸、压缩、弯曲等试验,是材料开发、质量掌控、质量检测不可缺少的仪器。
电子拉力试验机的使用方法如下。
1.开机:先打开电脑上的软件测控系统,再打开试验机电源。
依据欲进行的试验选择相应的试验类型。
2.试运行:选择适当的速度使试验机升降运行一下,确定各系统运行正常。
3.新建记录:依据要进行的试验的次数,新建出相应的试验记录条数;并填入相应的批号、编号、试验环境、试样尺寸等相关数据。
4.装放试样:调整试验机上装放试样的位置,装放好试样。
5.选择量程:依据试验所需要的试验力和变形的范围,将电子拉力试验机调到合适的试验力和变形的档位(量程)。
6.清零:将试验力、变形、位移清零。
7.试验速度:依据标准上试验过程的要求,设定合适的试验速度;标准上没有速度要求的,设置较合适的速度,速度不要太大,以免影响试验结果。
8.选择结束条件:依据标准上试验过程的要求,假如要将试样破坏掉的(比如拉伸,水泥压缩),选择“破型判定”;假如拉(或压)到某个试验力就结束的,选择“目标”“试验力”;假如拉(或压)到某个变形就结束的,选择“目标”“变形”。
9.试验开始:点“试验开始”按钮开始试验。
10.试验结束:试验完成后“试验结束”按钮自动按下。
点“分析”按钮查看相应的试验结果。
11.保存数据:假如试验数据需要保存,按“保存”按钮将试验数据保存到数据库,以备查阅。
打印报表:假如试验结果需要打印,按“输出报表”按钮将试验结果输出到Word文档并打印。
12.试验机关机:先关闭试验机电源,再关闭软件测控系统和电脑。
电液式压力试验机的操作程序与方法1、依据使用说明书要求接通试验机电源后,试验机进入待工状态:2、确认回油阀,送油阀关闭条件下启动电动机;3、电动机带动油泵对试验机液压系统供油;由于送油阀未打开,因此,油泵输出的液压油经溢流阀返回油箱;4、试验时,保持回油阀关闭,打开送油阀,油泵输出的液压油依据送油阀的掌控一部分进入工作油缸,一部分经溢流阀返回油箱;5、在进入工作油缸的液压油的作用下,工作活塞会向上升起,直至升起5mm~lOmm左右关闭送油阀;6、将试样安置于下压板上,尽量使试样的几何中心线与下压板的受力中心线重合。
拉力试验机使用说明智能电子拉力试验机专业用于测试各种软包装材料拉伸性能等力学特性。
设备适用于塑料薄膜、复合材料、软质包装材料、塑料软管、胶粘剂、胶粘带、不干胶、医用贴剂、保护膜、组合盖、隔膜、无纺布、橡胶等材料的力学性能检测,拉力机可进行拉伸、剥离、变形、撕裂、热封、穿刺力、开启力、低速解卷力、拨开力等项目检测。
为方便普通用户选取优质电子拉力试验机,以下对电子拉力试验机应用做如下说明。
【测试原理】将试样装夹在夹具的两个夹头之间,两夹头做相对运动,通过位于动夹头上的力值传感器和机器内置的位移传感器,采集到试验过程中的力值变化和位移变化,从而计算出试样的各种力学性能指标。
【测试应用】适用于塑料薄膜、复合材料、胶粘剂、胶粘带、医用贴剂、保护膜、离型纸、组合盖、金属箔、背板材料等产品的拉伸性能、90°剥离、180°剥离、变形、撕裂、热封、穿刺力、开启力、低速解卷力、拨开力等性能测试。
广泛应用于食品包装材料生产厂、药品包装材料生产厂、铝箔厂、质检系统、药检系统、第三方检测机构、大中专院校、科研院所。
【试验速度】试验机应能达到以下推荐的试验速度:【夹具】用于夹持式样的夹具与试验机相连,使试样的长轴与通过夹具中心线的拉力方向重合,例如可通过夹具上的对中销来达到。
尽可能防止被夹持试样相对于夹具滑动,最好使用这种类型夹具:当加到试样上的拉力增加时,能保持或增加对试样的夹持力,且不会再夹具处引起试样过早破坏。
【试样检查】试样应无扭曲,相邻的平面间应相互垂直。
表面和边缘应无划痕、空洞、凹陷和毛刺。
【试样数量】试样数量不少于5个。
如果需要精密度更高的平均值,试样数量可多余5个,可用置信区间(95%概率)估算出。
【试验结果】计算试验结果的算数平均值;保留三位有效数字。
【注意事项】智能电子拉力试验机一般不适用于硬质泡沫材料或含有微孔材料的夹层结构材料。
用不同尺寸或在不同条件下制备的试样进行试验,其结果不可比;其他因素,如试验速度和试样的状态调节,也能影响试验结果。
简述拉力试验机的测试原理和测试方法我们身边一切的事物都离不开力,拉力试验机的作用,就是通过检测这些受力值大小,以此作为产品质量提升的参考,使商家生产出更为合格的产品。
由于国家和相关部门比较关注这方面的测试标准,所以智能电子拉力机的应用非常广泛。
在现在企业中,智能电子拉力机一般适用于塑料薄膜、复合材料、软质包装材料、塑料软管、胶粘剂、胶粘带、不干胶、医用贴剂、离型纸、保护膜、组合盖、金属箔、隔膜、背板材料、无纺布、橡胶、纸张纤维等产品的拉伸、剥离、变形、撕裂、热封、粘合、穿刺力、开启力、低速解卷力、拨开力、抗压等性能测试。
智能拉力试验机的测试原理:将试样装夹在夹具的两个夹头之间,两夹头做相对运动,通过力值传感器和机器内置的位移传感器,采集到试验过程中的力值变化和位移变化,从而计算出试样的拉伸、撕裂、变形率等性能指标。
智能拉力试验机的测试方法:01、首先,设置拉伸试验速度,根据塑料拉伸试验标准中规定的试验速度。
一般薄膜速度为5mm/min,50mm/min,100mm/min,200mm/min,300mm/min或500mm/min。
02、安装好塑料薄膜的拉伸夹具,再将试样放到夹具中,要注意将使试样的长轴线与试验机的轴线成一条直线。
03、紧固夹具前稍微绷紧试样,然后平稳而牢固地夹紧夹具,以防止试样滑移。
04、电脑软件设置好拉伸的速度、停机大力值范围等参数。
点击开始试验、等塑料薄膜被拉断试验机停止工作。
05、保存好试验数据或打印数据供生产参考使用。
(推荐济南赛成XLW-H智能电子拉力试验机)该仪器符合多项国家和国际标准:GB/T 13022、GB/T 8808、GB/T 1040、GB/T 4850、GB/T 7753、GB/T 7754、GB/T 453、GB/T 17200、GB/T 16578、GB/T 7122、GB/T 2790、GB/T 2791、GB/T 2792、ASTM E4、ASTM D828、ASTM D882、ASTM D1938、ASTM D3330、ASTM F88、ASTM F904、ISO 37、JIS P8113、QB/T 2358、QB/T 1130、赛成仪器立足济南,服务全球。
拉力试验机的操作步骤介绍及工作原理拉力试验机的操作步骤介绍拉力试验机是测试部门常用一种拉力测试仪器,常用于橡胶行业的测试,可以测试多种测试性能,拉伸强度测试,压缩强度测试,剪切力强度测试,剥离强度测试,撕裂强度测试。
一台机器充分产品测试的要求。
怎么去操作这么很好的拉力试验机,在操作过程中,要注意一些什么问题,下面一一为你讲解。
开机是先要操作的事情,首先是开机的事。
第一步:开机1、在确认设备的电源连线和信号连线连接无误后,依照以下次序开机:试验机→计算机→打印机。
拉力机开完之后又做什么,当然下面实际操作试验过程。
第二步:试验操作过程1、安装夹具,依据试样情况选择好夹具,若夹具已安装到试验机上,则对夹具进行检查,并依据试样的长度及夹具的间距设置好限位装置。
2、打开SANS用户名,进行联机操作3、点击试验部分里的新试验,选择相应的试验方案,输入试样的原始用户参数(如尺寸。
厚度等)4、夹持试样,先将试样夹在接近力传感器一端的夹头上,力清零除去试样自重后再夹持试样的另一端。
5、点击运行命令按钮,设备将依照软件设定的试验方案进行试验。
6、每根样品试验完后屏幕右端将显示试验结果。
再点击“生成报告”按钮将生成试验报告。
拉力试验机开完机确定是关机,这是规定的事。
第三步:关机1.在结束试验工作后,要依照以下次序进行操作:试验机→打印机→计算机。
2.试验结束后罩上仪器的专用外罩。
以上步骤的谙习了,还有一些注意的地方。
第四步:注意事项1、开机时主机和计算机的开机次序会影响计算机的通讯初始化设置,所以务必请用户严格依照上述开机次序进行。
2、每次开机后要预热5分钟,待系统稳定后,才可进行试验工作。
3、假如刚刚开机,需要再开机,至少保证1分钟的间隔时间。
4、在更换夹具后,首先要注意调整好可调挡圈。
5、尤其在用小力值传感器做试验时,确定要调整好可调挡圈的位置,以免操作失误而损坏小力值传感器。
6、大变形在不使用时,请将两夹头放入保护装置内,或将其旋转开,以免移动横梁在移动过程中撞坏夹头。
智能电子拉力试验机的使用方法及原理
适用于塑料薄膜,复合膜,软质包装材料,胶粘剂(特定材料剪切试验),胶粘带,不干胶,橡胶,纸张纤维等产品的拉伸,剥离,变形,撕裂(裤型撕裂),热封,粘合,穿刺力,开启力,低速解卷力,拔开力(需要特制的夹具)等性能测试
特征
主机界面显示数据,结果,曲线
(液晶本身也能显示曲线,很多人不注意,许多客户买了好多年了都不知道这一功能)
标准计量单位,无需人工换算
具有参数设置,打印,查看,清除,标定等多项功能
拉伸,剥离,撕裂,热封等七种独立试验方法
进行成组试样的统计分析运算
菜单式界面,选择试验方便快捷
参数掉电记忆
过载保护,限位保护,试验结束自动回位(过载保护:力值超过传感器量程时,系统会报警并自动停机,所谓限位,顾名思义即限制位置这里是指限制上夹头回位时的最低值以防止上下夹头相撞损坏传感器)
RS232接口(RS-232-C接口(又称EIA-RS-232-C)是目前最常用的一种串行通讯接口。
他是1970年由美国电子工业协会(EIA)联合贝尔系统,调制解调器厂家以及计算机终端生产厂家共同定制的用于串行通讯的标准。
他的全名是“数据终端设备(DTE)和数据通讯设备(DCE)之间串行二进制数据减缓接口技术标准”)
输出试验报告,可编辑试验报告
网络传输接口支持局域网数据集中管理与互连网信息传输
(结合我们的LDS-01试验数据管理软件,可以实现数据的远程传输的监控)
结构原理
本机采用机电一体化设计,主要由测力传感器,微处理器(CPU),负荷驱动机构以及打印机构成。
LCD大液晶显示,PVC操作界面,高精度七档试验速度,台式机型,造型与涂装均充分考虑了现代工业设计,人体工程学之相关原则
操作功能
参数设置:可设置试样长度,宽度,厚度,试验速度,试验时间等
打印:微型打印机打印+计算机打印。
(仪器本身配有打印机接口连接微型打印机)
查看:查看已做过的实验数据
清除:清除试验结果
标定:进行测力系统的校验
通信功能:试验报告的存储。
查询,输出功能
试验功能
抗拉强度及变形率,拉断力与变形率,热封强度,撕裂强度,剪切强度,180°剥离(含T 型),90°剥离
技术指标
规格:100N 200N 500N 行程:600mm 精度:1级(即零至满量程的五分之一时,精确到满量程的0.2%;满量程的五分之一至满量程时,精确到示值的1%)
试验速度:50 100 150 200 250 300 500mm/min 环境要求:温度10°-40°
试验宽度:0-30-50mm(英式夹具50mm,日式30mm)湿度:20%RH-70%RH
外形尺寸:450mm(L)*450mm(B)*980mm(H)电源:AC 220V 50Hz
净重:65Kg
标准
GB13022 ,GB8808,GB1040,GB4850,GB7753,GB7754,GB453,GB/T17200,GB/T16578,GB/T7122,GB/T2790,GB/T2791,GB/T2792,ASTBE4,ASTMD828,ASTMD882,ASTMD1938,ASTMD3330,ASTMF88,ASTMF904,ISO37,JLSP8113,QB/T2358,QB/T1130 配置
标准配置:主机,通用夹具(常规配日式),专业软件,打印线,喷墨打印机
选购件:微型打印机,专用打印线,标准压辊(剥离试验时制样用),实验板(剥离试验用),取样刀,浮辊式夹具(90°剥离),低速解卷装置(胶带),非标夹具。