框架结构柱配筋
- 格式:doc
- 大小:502.50 KB
- 文档页数:17
由于本次实习接触到的工程结构为框架剪力墙结构,应此这一阶段对钢筋混凝土框架结构柱和剪力墙进行总结。
钢筋混凝土框架结构柱配筋构造1 箍筋配筋技术要求钢筋混凝土抗震结构中,加密区柱箍肢距不应大于200mm,每隔一根纵向钢筋都应有两个方向的约束;箍筋应有135度弯钩,弯钩端头平直段长度不小于10d沿框架梁全长箍筋最小配筋率抗震等级混凝土强度等级C20 C25 C30 C35 C40一级0.17 0.20 0.22二级0.10 0.12 0.15三、四级0.08 0.10 0.122 纵向钢筋的锚固(1)框架结构梁的上部纵向钢筋应贯穿中间节点;梁的下部纵向钢筋伸入中间节点的锚固长度不应小于laE,且伸入中心线不应小于5d,如图1所示。
当按一级抗震等级设计时,应在柱轴线附近的上部纵向钢筋上增加附加锚固措施。
框架梁的纵向钢筋在端节点内的锚固长度除应符合规范规定外,并应伸过节点中心线;当纵向钢筋在端节点内的水平锚固长度不够时,沿柱节点外向下弯择,但弯折前的水平锚固长度不应小于0.45laE,弯折后的垂直段不应小于10d,也不应大于22d,如图二所示。
图1 框架结构梁的纵向钢筋中间节点范围内锚固构造形式22d图2框架结构梁的纵向钢筋中间层端节点范围内锚固构造形式(2)0.45laE,即一级抗震等级0.45laE=0.45(la+10d);二级抗震等级0.45laE=(la+5d);三、四级抗震等级0.45laE=0.45la0.45la长度值如下列非焊接接头搭接长度最小规定所示框架梁的顶层端节点的锚固,应使梁顶面钢筋伸至边柱外侧后,弯转向上,并伸过梁底,具体要求如图3所示图3框架梁的顶层端节点的锚固3.框架柱的构造配筋箍筋加密区范围详见图4所示图4 框架柱的构造配筋箍筋加密区范围其中,Hn框架住的净高;H1箍筋加密区长度,取H1≥(矩形截面长边尺寸或圆形截面直径)或H1≥Hn/6或H1=500mm三者中的最大值。
框架柱角筋及纵筋全文共四篇示例,供读者参考第一篇示例:框架柱是建筑结构中非常重要的构件之一,它承担着支撑整个建筑物的重量和提供稳定性的重要功能。
在框架柱的设计和施工中,柱角筋及纵筋是至关重要的一环。
本文将介绍框架柱角筋及纵筋的作用、种类、设计要点以及施工过程等相关内容。
一、框架柱角筋及纵筋的作用1. 角筋:框架柱角筋是指沿柱体四个边角设置的钢筋,其作用是增强柱的抗剪承载能力和抗弯强度。
角筋的设置能有效地提高柱的抗地震性能和整体稳定性。
角筋和纵筋的协同作用能够有效地提高框架柱的整体性能,使其在受力过程中具有更好的承载能力和变形性能。
1. 角筋的种类:根据角筋的截面形式和材质不同,角筋可分为普通角钢筋、L形角钢筋、T形角钢筋等多种类型。
不同类型的角筋适用于不同的柱体结构和受力要求。
在选择角筋和纵筋时,需要根据具体的工程要求和设计规范进行合理的选择和配置,确保柱体的受力性能和稳定性能满足相关标准要求。
1. 角筋的设计:在设计框架柱角筋时,需要考虑柱的截面形状、受力性能和承载要求等因素。
角筋的数量、截面尺寸和布置方式应符合相关规范的要求,保证柱的弯曲和剪切性能满足设计要求。
框架柱角筋及纵筋的设计是整个结构设计中非常重要的一部分,它直接影响着柱体的受力性能和整体稳定性。
合理设计和配置角筋和纵筋,能够提高柱体的抗震性能和承载能力,确保结构的安全可靠。
1. 材料准备:在施工前,需要准备好角筋、纵筋和混凝土等材料,确保质量和数量满足设计要求。
角筋和纵筋的质量要求高,应按照相关标准和规范进行采购和检验。
2. 配筋工作:在开始施工之前,需要按照设计图纸要求进行配筋工作。
首先进行角筋的安装,确保角筋的数量、位置和间距符合设计要求;然后进行纵筋的安装,按照设计要求进行纵筋的布置和连接。
3. 浇筑混凝土:在配筋工作完成后,进行混凝土的浇筑工作。
混凝土应按照设计要求进行振捣和充填,确保混凝土的质量和密实性。
浇筑完成后需要进行养护工作,保持混凝土的湿润和强度发展。
2.框架柱的配筋计算。
在该框架结构设计中,偏心受压柱正截面承载力计算时使用对称配筋的方式,钢筋采用HRB335级,f y= f'y =300N/2mm,采用C30混凝土,轴心抗拉强度设计值fc=14.3N/2mm.箍筋一律采用HPB235级钢筋,mm,轴心抗压强度f t=1.43 N/,2偏心受压的框架柱正截面承载力抗震调整系数γRE取成0.80。
按规范规定当e0/h0>0.55时,计算时应考虑裂缝验算,对于本设计的框架结构,经过计算可知无须做裂缝验算,可以将验算过程忽略。
(1)首先进行框架柱柱子轴压比的验算,为方便起见将其制作成表格如下:各框架柱轴压比的验算表(2)接下来验算框架柱的剪跨比λ,为简便起见将其整理成表格形式如下:(附加说明,在工程上应尽可能避免短柱的出现,即,保证λ>2.0)框架柱剪跨比验算表(3)框架柱的正截面配筋设计将计算过程及结果整理成下面的表格。
(附加说明:经过计算知本设计的各层框架柱的受压情况都是大偏心受压。
框架柱在大偏心受压情况下的计算过程:10c Nf b h ξα=()()2100'''00.5c s s y s N e f b h h A A f h a αξξ--==-如果经过计算得到'02xh aξ=<,须取'2xa=,然后再按下面的公式设计和计算框架柱的纵向受力钢筋:''''0()s s y N eA A f h a ==- 。
)首层1柱的正截面配筋设计、计算表(附注:上表中一般层框架柱的计算长度L=1.25H,底层柱的计算长度1.0H。
e0:截面重心偏心矩,ea:附加偏心距,初始偏心矩:ei=e0+ea。
曲率修正系数ζ1=0.5fcA/N或1.0,长细比影响系数ζ2=1.15-0.01L/h或1.0。
η=1+212)/(/14001ξξ⨯⨯⨯hlheiξb:界限受压区高度,ξ:实际受压区高度,当ξ≤ξb为大偏心受压构件,否则为小偏心受压构件。
框架柱纵筋直径:《砼规》(Ⅰ)柱9.3.1 柱中纵向钢筋的配置应符合下列规定:1 纵向受力钢筋直径不宜小于12mm;全部纵向钢筋的配筋率不宜大于5%;3 偏心受压柱的截面高度不小于600mm时,在柱的侧面上应设置直径不小于10mm 的纵向构造钢筋,并相应设置复合箍筋或拉筋;9.3.3 I形截面柱的翼缘厚度不宜小于120mm,腹板厚度不宜小于100mm。
当腹板开孔时,宜在孔洞周边每边设置2~3根直径不小于8mm的补强钢筋,每个方向补强钢筋的截面面积不宜小于该方向被截断钢筋的截面面积。
腹板开孔的I形截面柱,当孔的横向尺寸小于柱截面高度的一半、孔的竖向尺寸小于相邻两孔之间的净间距时,柱的刚度可按实腹I形截面柱计算,但在计算承载力时应扣除孔洞的削弱部分。
当开孔尺寸超过上述规定时,柱的刚度和承载力应按双肢柱计算。
《抗规》6.3.3 梁的钢筋配置,应符合下列各项要求:1 梁端计入受压钢筋的混凝土受压区高度和有效高度之比,一级不应大于0.25,二、三级不应大于0.35。
2 梁端截面的底面和顶面纵向钢筋配筋量的比值,除按计算确定外,一级不应小于0.5,二、三级不应小于0.3。
6.3.4 梁的钢筋配置,尚应符合下列规定:1 梁端纵向受拉钢筋的配筋率不宜大于2.5%。
沿梁全长顶面、底面的配筋,一、二级不应少于2ф14,且分别不应少于梁顶面、底面两端纵向配筋中较大截面面积的1/4;三、四级不应少于2ф12。
2 一、二、三级框架梁内贯通中柱的每根纵向钢筋直径,对框架结构不应大于矩形截面柱在该方向截面尺寸的1/20,或纵向钢筋所在位置圆形截面柱弦长的1/20;对其他结构类型的框架不宜大于矩形截面柱在该方向截面尺寸的1/20,或纵向钢筋所在位置圆形截面柱弦长的1/20。
间距:《砼规》(Ⅰ)柱9.3.1 柱中纵向钢筋的配置应符合下列规定:2 柱中纵向钢筋的净间距不应小于50mm,且不宜大于300mm;4 圆柱中纵向钢筋不宜少于8根,不应少于6根,且宜沿周边均匀布置;5 在偏心受压柱中,垂直于弯矩作用平面的侧面上的纵向受力钢筋以及轴心受压柱中各边的纵向受力钢筋,其中距不宜大于300mm。
框架柱纵筋直径:《砼规》(Ⅰ)柱9.3.1 柱中纵向钢筋的配置应符合下列规定:1 纵向受力钢筋直径不宜小于12mm;全部纵向钢筋的配筋率不宜大于5%;3 偏心受压柱的截面高度不小于600mm时,在柱的侧面上应设置直径不小于10mm 的纵向构造钢筋,并相应设置复合箍筋或拉筋;9.3.3 I形截面柱的翼缘厚度不宜小于120mm,腹板厚度不宜小于100mm。
当腹板开孔时,宜在孔洞周边每边设置2~3根直径不小于8mm的补强钢筋,每个方向补强钢筋的截面面积不宜小于该方向被截断钢筋的截面面积。
腹板开孔的I形截面柱,当孔的横向尺寸小于柱截面高度的一半、孔的竖向尺寸小于相邻两孔之间的净间距时,柱的刚度可按实腹I形截面柱计算,但在计算承载力时应扣除孔洞的削弱部分。
当开孔尺寸超过上述规定时,柱的刚度与承载力应按双肢柱计算。
《抗规》6.3.3 梁的钢筋配置,应符合下列各项要求:1 梁端计入受压钢筋的混凝土受压区高度与有效高度之比,一级不应大于0、25,二、三级不应大于0、35。
2 梁端截面的底面与顶面纵向钢筋配筋量的比值,除按计算确定外,一级不应小于0、5,二、三级不应小于0、3。
6.3.4 梁的钢筋配置,尚应符合下列规定:1 梁端纵向受拉钢筋的配筋率不宜大于2、5%。
沿梁全长顶面、底面的配筋,一、二级不应少于2ф14,且分别不应少于梁顶面、底面两端纵向配筋中较大截面面积的1/4;三、四级不应少于2ф12。
2 一、二、三级框架梁内贯通中柱的每根纵向钢筋直径,对框架结构不应大于矩形截面柱在该方向截面尺寸的1/20,或纵向钢筋所在位置圆形截面柱弦长的1/20;对其她结构类型的框架不宜大于矩形截面柱在该方向截面尺寸的1/20,或纵向钢筋所在位置圆形截面柱弦长的1/20。
间距:《砼规》(Ⅰ)柱9.3.1 柱中纵向钢筋的配置应符合下列规定:2 柱中纵向钢筋的净间距不应小于50mm,且不宜大于300mm;4 圆柱中纵向钢筋不宜少于8根,不应少于6根,且宜沿周边均匀布置;5 在偏心受压柱中,垂直于弯矩作用平面的侧面上的纵向受力钢筋以及轴心受压柱中各边的纵向受力钢筋,其中距不宜大于300mm。
框架柱构造配筋须满足的规范要求框架柱是建筑物中起支撑作用的主要构件之一,其结构设计和配筋要满足一定的规范要求,以确保其在承受荷载和抗震等方面的安全性能。
下面是框架柱构造配筋需要满足的一些规范要求:1.柱截面的选择:柱截面的选择需要考虑到荷载大小、柱高度、柱间距等因素。
一般来说,柱的截面尺寸要足够大以满足强度和刚度要求。
2.配筋率的确定:配筋率是柱截面中钢筋截面面积与柱截面面积之比,可以衡量柱受力的能力。
根据规范的要求,柱的配筋率一般不得小于0.01、为了保证柱的抗震性能,柱的配筋率一般较高,一般在0.02至0.08之间。
3.钢筋的布置:钢筋的布置应合理、紧凑,以保证柱的受力性能。
钢筋的布置要考虑受力方向和大小,以及抗震性能等因素。
一般来说,柱的钢筋应按照规范要求分布在四周,且纵向钢筋应尽量均匀分布。
4.构件间的连接:柱与其他构件的连接要牢固可靠,以确保整个结构的稳定性和安全性。
常用的连接方式包括焊接、螺栓连接、预埋钢筋等。
5.钢筋的直径和间距:根据不同的荷载和受力情况,柱中的钢筋直径和间距要满足规范的要求。
一般来说,柱顶部和底部的钢筋直径要较大,以增强柱的承载能力。
6.端部处理:柱端部的处理对于柱的抗震性能和整体结构的稳定性有着重要的影响。
柱端部的处理方法可以采用加粗、加密钢筋、设置加固片等措施,以提高柱的抗震性能。
7.钢筋的保护层厚度:为了保护钢筋不受腐蚀和损坏,柱外部应设置一定的混凝土保护层。
保护层的厚度根据规范的要求,一般不得小于柱的最大粗径钢筋直径的2倍。
总之,框架柱的构造配筋需要满足一系列的规范要求,以确保其在承受荷载和抗震等方面的安全性能。
这些规范要求包括柱截面选择、配筋率确定、钢筋布置、构件连接、钢筋直径和间距、端部处理以及保护层厚度等。
只有按照规范要求进行设计和施工,才能保证框架柱的稳定性和安全性。
框架柱纵筋直径:《砼规》(Ⅰ)柱9.3.1 柱中纵向钢筋的配置应符合下列规定:1 纵向受力钢筋直径不宜小于12mm;全部纵向钢筋的配筋率不宜大于5%;3 偏心受压柱的截面高度不小于600mm时,在柱的侧面上应设置直径不小于10mm 的纵向构造钢筋,并相应设置复合箍筋或拉筋;9.3.3 I形截面柱的翼缘厚度不宜小于120mm,腹板厚度不宜小于100mm。
当腹板开孔时,宜在孔洞周边每边设置2~3根直径不小于8mm的补强钢筋,每个方向补强钢筋的截面面积不宜小于该方向被截断钢筋的截面面积。
腹板开孔的I形截面柱,当孔的横向尺寸小于柱截面高度的一半、孔的竖向尺寸小于相邻两孔之间的净间距时,柱的刚度可按实腹I形截面柱计算,但在计算承载力时应扣除孔洞的削弱部分。
当开孔尺寸超过上述规定时,柱的刚度和承载力应按双肢柱计算。
《抗规》6.3.3 梁的钢筋配置,应符合下列各项要求:1 梁端计入受压钢筋的混凝土受压区高度和有效高度之比,一级不应大于0.25,二、三级不应大于0.35。
2 梁端截面的底面和顶面纵向钢筋配筋量的比值,除按计算确定外,一级不应小于0.5,二、三级不应小于0.3。
6.3.4 梁的钢筋配置,尚应符合下列规定:1 梁端纵向受拉钢筋的配筋率不宜大于2.5%。
沿梁全长顶面、底面的配筋,一、二级不应少于2ф14,且分别不应少于梁顶面、底面两端纵向配筋中较大截面面积的1/4;三、四级不应少于2ф12。
2 一、二、三级框架梁内贯通中柱的每根纵向钢筋直径,对框架结构不应大于矩形截面柱在该方向截面尺寸的1/20,或纵向钢筋所在位置圆形截面柱弦长的1/20;对其他结构类型的框架不宜大于矩形截面柱在该方向截面尺寸的1/20,或纵向钢筋所在位置圆形截面柱弦长的1/20。
间距:《砼规》(Ⅰ)柱9.3.1 柱中纵向钢筋的配置应符合下列规定:2 柱中纵向钢筋的净间距不应小于50mm,且不宜大于300mm;4 圆柱中纵向钢筋不宜少于8根,不应少于6根,且宜沿周边均匀布置;5 在偏心受压柱中,垂直于弯矩作用平面的侧面上的纵向受力钢筋以及轴心受压柱中各边的纵向受力钢筋,其中距不宜大于300mm。
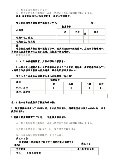
一、柱主筋直径相差小于2级二、柱主筋单侧最小配筋率(混凝土结构设计规范GB50010-2002 第-1条)第条框架柱和框支柱的钢筋配置,应符合下列要求:柱全部纵向受力钢筋最小配筋百分率(%) 表-16.3.7 柱的钢筋配置,应符合下列各项要求:1 柱纵向受力钢筋的最小总配筋率应按表6.3.7-1采用,同时每一侧配筋率不应小于%;对建造于Ⅳ类场地且较高的高层建筑,最小总配筋率应增加%。
注:1 表中括号内数值用于框架结构的柱;2.钢筋强度标准值小于400MPa时,表中数值应增加,钢筋强度标准值为400MPa时,表中数值应增加;3 混凝土强度等级高于C60时,上述数值应相应增加三、柱全部纵筋最小配筋率(混凝土结构设计规范GB50010-2002 第-1条)当混凝土强度等级为C60及以上时,程序对表中数字增加注:Ⅳ类场地较高的高层建筑,应按 %的要求第9.5.1条钢筋混凝土结构构件中纵向受力钢筋的最小配筋百分表9.5.1 率(%)此条仅适用于一级且剪跨比小于2的柱五、柱全部纵筋最大配筋率(混凝土结构设计规范GB50010-2002 第条)第条框架柱和框支柱中全部纵向受力钢筋配筋率不应大于5%。
柱的纵向钢筋宜对称配置。
截面尺寸大于400mm的柱,纵向钢筋的间距不宜大于200mm。
当按一级抗震等级设计,且柱的剪跨比λ≤2时,柱每侧纵向钢筋的配筋率不宜大于%。
抗震规范规定6.3.8 柱的纵向钢筋配置,尚应符合下列规定:1 柱的纵向钢筋宜对称配置。
2 截面边长大于400mm的柱,纵向钢筋间距不宜大于200mm。
3 柱总配筋率不应大于5%;剪跨比不大于2的一级框架的柱,每侧纵向钢筋配筋率不宜大于%。
4 边柱、角柱及抗震墙端柱在小偏心受拉时,柱内,纵筋总截面面积应比计算值增加25%。
5 柱纵向钢筋的绑扎接头应避开柱端的箍筋加密区。
六、柱纵筋间距(混凝土结构设计规范GB50010-2002 第条)(混凝土结构设计规范GB50010-2002第10.3.1条柱中纵向受力钢筋应符合下列规定:1纵向受力钢筋的直径不宜小于12mm,全部纵向钢筋的配筋率不宜大于5%;圆柱中纵向钢筋宜沿周边均匀布置,根数不宜少于8根,且不应少于6根;2当偏心受压柱的截面高度h≥600mm时,在柱的侧面上应设置直径为10-16mm的纵向构造钢筋,并相应设置复合箍筋或拉筋;3柱中纵向受力钢筋的净间距不应小于50mm4在偏心受压柱中,垂直于弯矩作用平面的侧面上的纵向受力钢筋以及轴心受压柱中各边的纵向受力钢筋,其中距不宜大于300mm.抗震设计规范6.3.8 柱的纵向钢筋配置,尚应符合下列规定:1 柱的纵向钢筋宜对称配置。
盛年不重来,一日难再晨。
及时宜自勉,岁月不待人。
框架柱的配筋和尺寸要求:【建筑抗震规范】6.3【混凝土结构设计规范】11.4【高规】6.4 (1):柱纵向受力钢筋的最小总配筋率应按表6.3.7-1采用,同时每一侧配筋率不应小于0.2%;对于建造在Ⅳ类场地且较高的高层建筑,最小总配筋率应增加0.1%。
(2):表6.3.7-1 柱截面纵向钢筋的最小总配筋率(百分率)注:①表中括号内数值用于框架结构的柱。
②钢筋强度标准值为400MPa时,表中数值应增加0.05;钢筋强度标准值小于400MPa时,表中数值应增加0.1。
③混凝土强度等级高于C60时,上述数值应相应增加0.1。
(3):柱总配筋率不应大于5%。
(4):矩形柱截面宽度和高度,四级或不超过2层时不宜小于300mm,一、二、三级且超过2层时不宜小于400mm;圆柱的直径四级或不超过2层时不宜小于350mm,一、二、三级且超过2层时不宜小于450mm。
(5):剪跨比宜大于2(不形成短柱);三级轴压比限值为0.85,二级为0.75;长短边之比不宜大于3;一级框架短柱的每侧纵向钢筋配筋率不宜大于1.2%。
(6)纵筋配置原则:①满足最小(大)配筋率要求②柱纵筋间距不大于200,净间距不小于50。
一般取150-200。
(大于600的柱子,一侧至少配5根钢筋才能满足间距要求,先在pkpm中改看配筋是否满足,再在施工图中进行手改。
)③上下层纵筋的钢筋直径等级差不超过2级。
(柱子,墙等竖向钢筋采用电渣压力焊直径等级差不超过7mm,钢筋焊接及验收规程2012)(7)箍筋配置原则:①柱箍筋加密区的箍筋肢距:一级不宜大于200mm,二、三级不宜大于250mm,四级不宜大于300mm。
②柱箍筋加密范围:1)柱端,取截面高度(圆柱直径)、柱净高的1/6、和500mm的最大值。
2)底层柱的下端不小于柱净高的1/3。
3)刚性地面上下各500mm。
4)剪跨比不大于2的柱(短柱)以及因为设置填充墙等形成的柱净高与柱截面高度比不大于4的柱、框支柱、一级和二级框架的角柱,取全高。
框架柱的配筋和尺寸要求:【建筑抗震规范】【混凝土结构设计规范】【高规】(1):柱纵向受力钢筋的最小总配筋率应按表采用,同时每一侧配筋率不应小于%;对于建造在Ⅳ类场地且较高的高层建筑,最小总配筋率应增加%。
(2):表柱截面纵向钢筋的最小总配筋率(百分率)注:①表中括号内数值用于框架结构的柱。
②钢筋强度标准值为400MPa时,表中数值应增加;钢筋强度标准值小于400MPa时,表中数值应增加。
③混凝土强度等级高于C60时,上述数值应相应增加。
(3):柱总配筋率不应大于5%。
(4):矩形柱截面宽度和高度,四级或不超过2层时不宜小于300mm,一、二、三级且超过2层时不宜小于400mm;圆柱的直径四级或不超过2层时不宜小于350mm,一、二、三级且超过2层时不宜小于450mm。
(5):剪跨比宜大于2(不形成短柱);三级轴压比限值为,二级为;长短边之比不宜大于3;一级框架短柱的每侧纵向钢筋配筋率不宜大于%。
(6)纵筋配置原则: 满足最小(大)配筋率要求 柱纵筋间距不大于200,净间距不小于50。
一般取150-200。
(大于600的柱子,一侧至少配5根钢筋才能满足间距要求,先在pkpm 中改看配筋是否满足,再在施工图中进行手改。
) 上下层纵筋的钢筋直径等级差不超过2级。
(柱子,墙等竖向钢筋采用电渣压力焊直径等级差不超过7mm ,钢筋焊接及验收规程2012)(7)箍筋配置原则:①柱箍筋加密区的箍筋肢距:一级不宜大于200mm ,二、三级不宜大于250mm ,四级不宜大于300mm 。
柱箍筋加密范围:1)柱端,取截面高度(圆柱直径)、柱净高的1/6、和500mm 的最大值。
2)底层柱的下端不小于柱净高的1/3。
3)刚性地面上下各500mm 。
4)剪跨比不大于2的柱(短柱)以及因为设置填充墙等形成的柱净高与柱截面高度比不大于4的柱、框支柱、一级和二级框架的角柱,取全高。
框支柱和剪跨比不大于2的框架柱,箍筋间距不应大于100mm 。
框架柱的配筋和尺寸要求:【建筑抗震规范】6.3【混凝土结构设计规范】11.4【高规】6.4(1):柱纵向受力钢筋的最小总配筋率应按表637-1采用,同时每一侧配筋率不应小于0.2%;对于建造在"类场地且较高的高层建筑,最小总配筋率应增加0.1%。
(2):表6.3.7-1柱截面纵向钢筋的最小总配筋率(百分率)注:①表中括号内数值用于框架结构的柱②钢筋强度标准值为400MPa时,表中数值应增加0.05 ; 钢筋强度标准值小于400MPa寸,表中数值应增加0.1。
③混凝土强度等级高于C60时,上述数值应相应增加0.1。
(3):柱总配筋率不应大于5%(4):矩形柱截面宽度和高度,四级或不超过2层时不宜小于300mm 一、二、三级且超过2层时不宜小于400mm圆柱的直径四级或不超过2层时不宜小于350mm 一、二、三级且超过2层时不宜小于450mm(5):剪跨比宜大于 2 (不形成短柱);三级轴压比限值为0.85 ,二级为0.75 ;长短边之比不宜大于3; 一级框架短柱的每侧纵向钢筋配筋率不宜大于1.2%’(6)纵筋配置原则:满足最小(大)配筋率要求柱纵筋间距不大于200,净间距不小于50。
一般取150-200。
(大于600的柱子,一侧至少配5根钢筋才能满足间距要求,先在pkpm中改看配筋是否满足,再在施工图中进行手改。
)上下层纵筋的钢筋直径等级差不超过2级。
(柱子,墙等竖向钢筋采用电渣压力焊直径等级差不超过7mm钢筋焊接及验收规程2012)(7)箍筋配置原则:①柱箍筋加密区的箍筋肢距:一级不宜大于200mm二、三级不宜大于250mm四级不宜大于300mm柱箍筋加密范围:1)柱端,取截面高度(圆柱直径)、柱净高的1/6、和500mml的最大值。
2)底层柱的下端不小于柱净高的1/3。
3)刚性地面上下各500mm 4)剪跨比不大于2的柱(短柱)以及因为设置填充墙等形成的柱净高与柱截面高度比不大于4的柱、框支柱、一级和二级框架的角柱,取全高。
一、柱主筋直径相差小于2级二、柱主筋单侧最小配筋率(混凝土结构设计规范GB50010-2002第11.4.12-1条)第11.4.12条框架柱和框支柱的钢筋配置,应符合下列要求:1框架柱和框支柱中全部纵向受力钢筋的配筋百分率不应小于表11.4.12-1规定的数值,同时,每一侧的配筋百分率不应小于0.2;对IV类场地上较高的高层建筑,最小配筋百分率应按表中数值增加0.1采用;柱全部纵向受力钢筋最小配筋百分率(%) 表11.4.12-16.3.7 柱的钢筋配置,应符合下列各项要求:1 柱纵向受力钢筋的最小总配筋率应按表6.3.7-1采用,同时每一侧配筋率不应小于0.2%;对建造于Ⅳ类场地且较高的高层建筑,最小总配筋率应增加0.1%。
注:1 表中括号内数值用于框架结构的柱;2.钢筋强度标准值小于400MPa时,表中数值应增加0.1,钢筋强度标准值为400MPa时,表中数值应增加0.05;3 混凝土强度等级高于C60时,上述数值应相应增加0.1三、柱全部纵筋最小配筋率(混凝土结构设计规范GB50010-2002第11.4.12-1条)说明:依表11.4.12-1注,当采用HRB400级钢筋时,本程序对表中数值减小0.1当混凝土强度等级为C60及以上时,程序对表中数字增加0.1计算最小配筋率时按GB50010-2002第9.5.1条注3取全截面面积计算注:Ⅳ类场地较高的高层建筑,应按 0.8%的要求第9.5.1条钢筋混凝土结构构件中纵向受力钢筋的配筋百分率不应小于表9.5.1规定的数值。
钢筋混凝土结构构件中纵向受力钢筋的最小配筋百分表9.5.1率(%)此条仅适用于一级且剪跨比小于2的柱五、柱全部纵筋最大配筋率(混凝土结构设计规范GB50010-2002第11.4.13条)第11.4.13条框架柱和框支柱中全部纵向受力钢筋配筋率不应大于5%。
柱的纵向钢筋宜对称配置。
截面尺寸大于400mm的柱,纵向钢筋的间距不宜大于200mm。
一、柱主筋直径相差小于2级二、柱主筋单侧最小配筋率(混凝土结构设计规XGB50010-2002 第-1条)第条框架柱和框支柱的钢筋配置,应符合下列要求:1框架柱和框支柱中全部纵向受力钢筋的配筋百分率不应小于表11.4.12-1规定的数值,同时,每一侧的配筋百分率不应小于0.2;对IV类场地上较高的高层建筑,最小配筋百分率应按表中数值增加0.1采用;柱全部纵向受力钢筋最小配筋百分率(%) 表-16.3.7 柱的钢筋配置,应符合下列各项要求:1 柱纵向受力钢筋的最小总配筋率应按表6.3.7-1采用,同时每一侧配筋率不应小于0.2%;对建造于Ⅳ类场地且较高的高层建筑,最小总配筋率应增加0.1%。
注:1 表中括号内数值用于框架结构的柱;2.钢筋强度标准值小于400MPa时,表中数值应增加0.1,钢筋强度标准值为400MPa时,表中数值应增加0.05;3 混凝土强度等级高于C60时,上述数值应相应增加0.1三、柱全部纵筋最小配筋率(混凝土结构设计规XGB50010-2002 第-1条)说明:依表11.4.12-1注,当采用HRB400级钢筋时,本程序对表中数值减小0.1当混凝土强度等级为C60与以上时,程序对表中数字增加0.1计算最小配筋率时按GB50010-2002第9.5.1条注3取全截面面积计算注:Ⅳ类场地较高的高层建筑,应按 0.8%的要求第条钢筋混凝土结构构件中纵向受力钢筋的配筋百分率不应小于表9.5.1规定的数值。
钢筋混凝土结构构件中纵向受力钢筋的最小配筋百分表率(%)此条仅适用于一级且剪跨比小于2的柱五、柱全部纵筋最大配筋率(混凝土结构设计规XGB50010-2002 第条)第条框架柱和框支柱中全部纵向受力钢筋配筋率不应大于5%。
柱的纵向钢筋宜对称配置。
截面尺寸大于400mm的柱,纵向钢筋的间距不宜大于200mm。
当按一级抗震等级设计,且柱的剪跨比λ≤2时,柱每侧纵向钢筋的配筋率不宜大于1.2%。
框架柱构造配筋须满足哪些规范要求?2级二、柱主筋单侧最小配筋率(混凝土结构设计规范GB50010-2002 第11.4.12-1条)三、柱全部纵筋最小配筋率(混凝土结构设计规范GB50010-2002 第11.4.12-1条)说明:依表11.4.12-1注,当采用HRB400级钢筋时,本程序对表中数值减小0.1当混凝土强度等级为C60及以上时,程序对表中数字增加0.1计算最小配筋率时按GB50010-2002第9.5.1条注3取全截面面积计算注:Ⅳ类场地较高的高层建筑,应按.8%的要求四、柱单边纵筋最大配筋率(混凝土结构设计规范GB50010-2002 第11.4.13条)此条仅适用于一级且剪跨比小于2的柱五、柱全部纵筋最大配筋率(混凝土结构设计规范GB50010-2002 第11.4.13条)六、柱纵筋间距(混凝土结构设计规范GB50010-2002 第11.4.13条)(混凝土结构设计规范GB50010-2002 第10.3.1条)七、框架柱箍筋最小直径(建筑抗震规范GB50011-2002 第6.3.8-2条)(混凝土结构设计规范GB50010-2002 第10.3.2-4条)八、框架柱箍筋肢距最大间距(建筑抗震规范GB50011-2002 第6.3.5条)同时满足250mm和20倍箍筋直径的较大值的要求九、框架柱加密区箍筋最大间距(建筑抗震规范GB50011-2002 第6.3.8-2条)(高层建筑混凝土结构技术规程JGJ3-2002 6.4.3-2条)1.三级框架柱加密区间距= 100满足150mm和8倍纵筋直径注:三级框架柱根处箍筋加密区间距不应小于100,十、框架柱非加密区箍筋最大间距(建筑抗震规范GB50011-2002 第6.3.10条,6.3.13条)(混凝土结构设计规范GB50010-2002 第10.3.4条)三、四级框架(中、边)柱箍筋非加密区间距满足15倍纵筋直径十一、框架柱加密区箍筋体积配箍率(建筑抗震规范GB50011-2002 第6.3.12条,6.3.14条)(高强混凝土结构抗震设计要求)。
框架柱最大配筋率
框架柱的最大配筋率,是指在一定的构造限制和混凝土强度条件下,柱子所能达到的最大配筋量。
最大配筋率的计算是为了保证框架柱的受力性能和耐久性,以及满足相关设计准则和建筑规范的要求。
最大配筋率的计算方法可以根据不同的设计规范和相关经验公式来确定。
一般来说,最大配筋率考虑了以下几个因素:
1. 现行规范对最大配筋率的要求:各国和地区的建筑规范中通常都对柱子的最大配筋率有规定,这是为了保证结构的安全性和可靠性。
2. 柱子截面尺寸和钢筋布置要求:柱子的截面尺寸和钢筋布置对最大配筋率有一定影响,一般来说,较大的柱子截面和较密集的钢筋布置可能会降低最大配筋率。
3. 混凝土强度和受力性能要求:混凝土的强度和受力性能要求也会对最大配筋率有一定影响,一般来说,强度高的混凝土可以承受更大的荷载,从而允许更高的最大配筋率。
总之,框架柱的最大配筋率是一个比较复杂的问题,需要考虑多个因素来确定。
设计师在进行配筋设计时,需要综合考虑这些因素,并参照相关规范和准则进行计算,以确保柱子的受力性能和耐久性,并符合设计要求。
框架柱纵筋直径:《砼规》(Ⅰ)柱9.3.1 柱中纵向钢筋的配置应符合下列规定:1 纵向受力钢筋直径不宜小于12mm;全部纵向钢筋的配筋率不宜大于5%;3 偏心受压柱的截面高度不小于600mm时,在柱的侧面上应设置直径不小于10mm 的纵向构造钢筋,并相应设置复合箍筋或拉筋;9.3.3 I形截面柱的翼缘厚度不宜小于120mm,腹板厚度不宜小于100mm。
当腹板开孔时,宜在孔洞周边每边设置2~3根直径不小于8mm的补强钢筋,每个方向补强钢筋的截面面积不宜小于该方向被截断钢筋的截面面积。
腹板开孔的I形截面柱,当孔的横向尺寸小于柱截面高度的一半、孔的竖向尺寸小于相邻两孔之间的净间距时,柱的刚度可按实腹I形截面柱计算,但在计算承载力时应扣除孔洞的削弱部分。
当开孔尺寸超过上述规定时,柱的刚度和承载力应按双肢柱计算。
《抗规》6.3.3 梁的钢筋配置,应符合下列各项要求:1 梁端计入受压钢筋的混凝土受压区高度和有效高度之比,一级不应大于0.25,二、三级不应大于0.35。
2 梁端截面的底面和顶面纵向钢筋配筋量的比值,除按计算确定外,一级不应小于0.5,二、三级不应小于0.3。
6.3.4 梁的钢筋配置,尚应符合下列规定:1 梁端纵向受拉钢筋的配筋率不宜大于2.5%。
沿梁全长顶面、底面的配筋,一、二级不应少于2ф14,且分别不应少于梁顶面、底面两端纵向配筋中较大截面面积的1/4;三、四级不应少于2ф12。
2 一、二、三级框架梁内贯通中柱的每根纵向钢筋直径,对框架结构不应大于矩形截面柱在该方向截面尺寸的1/20,或纵向钢筋所在位置圆形截面柱弦长的1/20;对其他结构类型的框架不宜大于矩形截面柱在该方向截面尺寸的1/20,或纵向钢筋所在位置圆形截面柱弦长的1/20。
间距:《砼规》(Ⅰ)柱9.3.1 柱中纵向钢筋的配置应符合下列规定:2 柱中纵向钢筋的净间距不应小于50mm,且不宜大于300mm;4 圆柱中纵向钢筋不宜少于8根,不应少于6根,且宜沿周边均匀布置;5 在偏心受压柱中,垂直于弯矩作用平面的侧面上的纵向受力钢筋以及轴心受压柱中各边的纵向受力钢筋,其中距不宜大于300mm。
注:水平浇筑的预制柱,纵向钢筋的最小净间距可按本规范第9.2.1条关于梁的有关规定取用。
9.3.3 I形截面柱的翼缘厚度不宜小于120mm,腹板厚度不宜小于100mm。
当腹板开孔时,宜在孔洞周边每边设置2~3根直径不小于8mm的补强钢筋,每个方向补强钢筋的截面面积不宜小于该方向被截断钢筋的截面面积。
腹板开孔的I形截面柱,当孔的横向尺寸小于柱截面高度的一半、孔的竖向尺寸小于相邻两孔之间的净间距时,柱的刚度可按实腹I形截面柱计算,但在计算承载力时应扣除孔洞的削弱部分。
当开孔尺寸超过上述规定时,柱的刚度和承载力应按双肢柱计算。
11.4.13 框架边柱、角柱及剪力墙端柱在地震组合下处于小偏心受拉时,柱内纵向受力钢筋总截面面积应比计算值增加25%。
框架柱、框支柱中全部纵向受力钢筋配筋率不应大于5%。
柱的纵向钢筋宜对称配置。
截面尺寸大于400mm的柱,纵向钢筋的间距不宜大于200mm。
当按一级抗震等级设计,且柱的剪跨比不大于2时,柱每侧纵向钢筋的配筋率不宜大于1.2%。
《高规》6.4.4 柱的纵向钢筋配置,尚应满足下列规定:1 抗震设计时,宜采用对称配筋。
2 截面尺寸大于400mm的柱,一、二、三级抗震设计时其纵向钢筋间距不宜大于200mm 抗震等级为四级和非抗震设计时,柱纵向钢筋间距不宜大于300mm;柱纵向钢筋净距均不应小于50mm。
《抗规》6.3.8 柱的纵向钢筋配置,尚应符合下列规定:1 柱的纵向钢筋宜对称配置。
2 截面边长大于400mm的柱,纵向钢筋间距不宜大于200mm。
配筋率:《砼规》(Ⅰ)柱9.3.1 柱中纵向钢筋的配置应符合下列规定:1 纵向受力钢筋直径不宜小于12mm;全部纵向钢筋的配筋率不宜大于5%;4 圆柱中纵向钢筋不宜少于8根,不应少于6根,且宜沿周边均匀布置;9.3.3 I形截面柱的翼缘厚度不宜小于120mm,腹板厚度不宜小于100mm。
当腹板开孔时,宜在孔洞周边每边设置2~3根直径不小于8mm的补强钢筋,每个方向补强钢筋的截面面积不宜小于该方向被截断钢筋的截面面积。
腹板开孔的I形截面柱,当孔的横向尺寸小于柱截面高度的一半、孔的竖向尺寸小于相邻两孔之间的净间距时,柱的刚度可按实腹I形截面柱计算,但在计算承载力时应扣除孔洞的削弱部分。
当开孔尺寸超过上述规定时,柱的刚度和承载力应按双肢柱计算。
9.3.8 顶层端节点处梁上部纵向钢筋的截面面积A S应符合下列规定:梁上部纵向钢筋与柱外侧纵向钢筋在节点角部的弯弧内半径,当钢筋直径不大于25mm时,不宜小于6d;大于25mm时,不宜小于8d。
钢筋弯弧外的混凝土中应配置防裂、防剥落的构造钢筋。
11.4.12 框架柱和框支柱的钢筋配置,应符合下列要求:1 框架柱和框支柱中全部纵向受力钢筋的配筋百分率不应小于表11.4.12—1规定的数值,同时,每一侧的配筋百分率不应小于0.2;对Ⅳ类场地上较高的高层建筑,最小配筋百分率应增加0.1;11.4.13 框架边柱、角柱及剪力墙端柱在地震组合下处于小偏心受拉时,柱内纵向受力钢筋总截面面积应比计算值增加25%。
框架柱、框支柱中全部纵向受力钢筋配筋率不应大于5%。
柱的纵向钢筋宜对称配置。
截面尺寸大于400mm的柱,纵向钢筋的间距不宜大于200mm。
当按一级抗震等级设计,且柱的剪跨比不大于2时,柱每侧纵向钢筋的配筋率不宜大于1.2%。
《高规》6.4.3 柱纵向钢筋和箍筋配置应符合下列要求:1 柱全部纵向钢筋的配筋率,不应小于表6.4.3—1的规定值,且柱截面每一侧纵向钢筋配筋率不应小于0.2%;抗震设计时,对Ⅳ类场地上较高的高层建筑,表中数值应增加0.1。
6.4.4 柱的纵向钢筋配置,尚应满足下列规定:1 抗震设计时,宜采用对称配筋。
3 全部纵向钢筋的配筋率,非抗震设计时不宜大于5%、不应大于6%,抗震设计时不应大于5%。
4 一级且剪跨比不大于2的柱,其单侧纵向受拉钢筋的配筋率不宜大于1.2%。
5 边柱;角柱及剪力墙端柱考虑地震作用组合产生小偏心受拉时,柱内纵筋总截面面积应比计算值增加25%。
《抗规》6.3.3 梁的钢筋配置,应符合下列各项要求:1 梁端计入受压钢筋的混凝土受压区高度和有效高度之比,一级不应大于0.25,二、三级不应大于0.35。
2 梁端截面的底面和顶面纵向钢筋配筋量的比值,除按计算确定外,一级不应小于0.5,二、三级不应小于0.3。
6.3.4 梁的钢筋配置,尚应符合下列规定:1 梁端纵向受拉钢筋的配筋率不宜大于2.5%。
沿梁全长顶面、底面的配筋,一、二级不应少于2ф14,且分别不应少于梁顶面、底面两端纵向配筋中较大截面面积的1/4;三、四级不应少于2ф12。
6.3.7 柱的钢筋配置,应符合下列各项要求:1 柱纵向受力钢筋的最小总配筋率应按表6.3.7-1采用,同时每一侧配筋率不应小于0.2%;对建造于Ⅳ类场地且较高的高层建筑,最小总配筋率应增加0.1%。
6.3.8 柱的纵向钢筋配置,尚应符合下列规定:1 柱的纵向钢筋宜对称配置。
3 柱总配筋率不应大于5%;剪跨比不大于2的一级框架的柱,每侧纵向钢筋配筋率不宜大于1.2%。
4 边柱、角柱及抗震墙端柱在小偏心受拉时,柱内,纵筋总截面面积应比计算值增加25%。
连接和锚固:《砼规》(Ⅱ)梁柱节点9.3.4 梁纵向钢筋在框架中间层端节点的锚固应符合下列要求:1 梁上部纵向钢筋伸入节点的锚固:1)当采用直线锚固形式时,锚固长度不应小于la,且应伸过柱中心线,伸过的长度不宜小于5d,d为梁上部纵向钢筋的直径。
2)当柱截面尺寸不满足直线锚固要求时,梁上部纵向钢筋可采用本规范第8.3,3条钢筋端部加机械锚头的锚固方式。
梁上部纵向钢筋宜伸至柱外侧纵向钢筋内边,包括机械锚头在内的水平投影锚固长度不应小于0.4l ab(图9.3.4a)。
3)梁上部纵向钢筋也可采用90°弯折锚固的方式,此时梁上部纵向钢筋应伸至柱外侧纵向钢筋内边并向节点内弯折,其包含弯弧在内的水平投影长度不应小于0.4l ab,弯折钢筋在弯折平面内包含弯弧段的投影长度不应小于15d(图9.3.4b)。
2 框架梁下部纵向钢筋伸入端节点的锚固:1)当计算中充分利用该钢筋的抗拉强度时,钢筋的锚固方式及长度应与上部钢筋的规定相同。
2)当计算中不利用该钢筋的强度或仅利用该钢筋的抗压强度时,伸入节点的锚固长度应分别符合本规范第9.3.5条中间节点梁下部纵向钢筋锚固的规定。
9.3.5 框架中间层中间节点或连续梁中间支座,梁的上部纵向钢筋应贯穿节点或支座。
梁的下部纵向钢筋宜贯穿节点或支座。
当必须锚固时,应符合下列锚固要求:1 当计算中不利用该钢筋的强度时,其伸入节点或支座的锚固长度对带肋钢筋不小于12d,对光面钢筋不小于15d,d为钢筋的最大直径;2 当计算中充分利用钢筋的抗压强度时,钢筋应按受压钢筋锚固在中间节点或中间支座内,其直线锚固长度不应小于0.7l a;3 当计算中充分利用钢筋的抗拉强度时,钢筋可采用直线方式锚固在节点或支座内,锚固长度不应小于钢筋的受拉锚固长度l a(图9.3.5a);4 当柱截面尺寸不足时,宜按本规范第9.3.4条第1款的规定采用钢筋端部加锚头的机械锚固措施,也可采用90°弯折锚固的方式;5 钢筋可在节点或支座外梁中弯矩较小处设置搭接接头,搭接长度的起始点至节点或支座边缘的距离不应小于1.5h0(图9.3.5b)。
9.3.6 柱纵向钢筋应贯穿中间层的中间节点或端节点,接头应设在节点区以外。
柱纵向钢筋在顶层中节点的锚固应符合下列要求:1 柱纵向钢筋应伸至柱顶,且自梁底算起的锚固长度不应小于l a。
2 当截面尺寸不满足直线锚固要求时,可采用90°弯折锚固措施。
此时,包括弯弧在内的钢筋垂直投影锚固长度不应小于0.5l ab,在弯折平面内包含弯弧段的水平投影长度不宜小于12d(图9.3.6a)。
3 当截面尺寸不足时,也可采用带锚头的机械锚固措施。
此时,包含锚头在内的竖向锚固长度不应小于0.5l ab(图9.3.6b)。
4 当柱顶有现浇楼板且板厚不小于100mm时,柱纵向钢筋也可向外弯折,弯折后的水平投影长度不宜小于12d。
9.3.7 顶层端节点柱外侧纵向钢筋可弯入梁内作梁上部纵向钢筋;也可将梁上部纵向钢筋与柱外侧纵向钢筋在节点及附近部位搭接,搭接可采用下列方式:1 搭接接头可沿顶层端节点外侧及梁端顶部布置,搭接长度不应小于1.5l ab(图9.3.7a)。
其中,伸入梁内的柱外侧钢筋截面面积不宜小于其全部面积的65%;梁宽范围以外的柱外侧钢筋宜沿节点顶部伸至柱内边锚固。