电磁炉的原理与维修
- 格式:docx
- 大小:14.17 KB
- 文档页数:2
电磁炉工作原理及常见故障及检修方法在电磁炉的大电流整流滤波输出部分,市电经过整流桥整流后,输出直流电压。
为了保证输出电压的稳定性,需要进行滤波处理,通过电容C2、C3和电感L2进行滤波,使得输出电压具有较好的稳定性。
同时,为了保护电磁炉电路,还需要添加保险元件,如保险丝和热保护开关等。
在维修时,需要注意保险元件的规格和型号,以确保其正常工作。
线盘高频振荡电路部分线盘高频振荡电路是电磁炉的关键部分,其工作原理是将直流电压通过高频振荡电路转化为高频交流电压,通过线圈产生的磁场感应到锅具底部产生涡流,从而产生大量的热量。
该部分主要由集成电路、晶体管和电容等组成。
在维修时,需要检查集成电路和晶体管是否正常工作,以及电容是否老化或损坏。
开关电源部分开关电源部分主要是为线盘高频振荡电路提供稳定的电压和电流。
该部分由变压器、稳压器和开关管等组成。
在维修时,需要检查变压器和稳压器是否正常工作,以及开关管是否受损。
总之,电磁炉是一种利用电磁感应原理进行加热的设备,其工作原理复杂,由多个功能模块组成。
在维修时,需要了解各个功能模块的工作原理和常见故障及检修方法,以确保设备的正常工作。
同时,需要注意安全问题,如电路维修前需要切断电源,避免触电等意外情况的发生。
市电经过桥式整流器BG1进行整流,然后通过L1和C4滤波,输出300V直流电以供线盘高频振荡使用。
BG1是一个大电流高耐压器件,规格为20A800V。
如果BG1烧坏,不能随意用其他整流器代替,必须使用同型号或更大电流高耐压的整流器进行替换。
L1和C4组成倒L型滤波电路,作用是滤去直流脉动成分,使输出波形更加平滑。
当C4的8uF/400V (DC)电容击穿短路时,保险丝会烧断,整流器也会因电流过大而烧坏。
此外,当C4的容量变小或没有容量时,也会导致IGBT烧坏,维修时需要特别注意。
CN3和CN4连接线盘,与C5和IGBT1组成高频振荡电路,振荡频率一般为20KHz到40KHz之间。
电磁炉的工作原理与维修方法概述:电磁炉是一种利用电磁感应加热物体的厨房电器。
它通过电磁感应原理将电能转化为热能,实现加热食物的目的。
本文将详细介绍电磁炉的工作原理以及常见故障的维修方法。
一、电磁炉的工作原理电磁炉的工作原理基于电磁感应,它由主要的组成部分构成:感应线圈、电子元件和玻璃面板。
1.感应线圈电磁炉的感应线圈位于炉子底部。
当电流通过感应线圈时,会产生强磁场。
这个磁场能够在感应锅底部产生涡流,从而加热锅底。
2.电子元件电子元件是电磁炉的核心部件,用于调控功率和温度。
通过控制电源的开关频率和电流的大小,电子元件可以控制炉子的加热程度。
同时,电子元件还具有过热保护功能,当炉子过热时会自动断开电源。
3.玻璃面板电磁炉的玻璃面板具有触摸控制功能,用户可以通过触摸面板设置炉子的参数,如功率和温度。
触摸面板上还显示了炉子的工作状态和剩余时间。
二、电磁炉的常见故障及维修方法尽管电磁炉是一种相对简单的电器,但在使用过程中仍然可能出现故障。
以下是一些常见的故障及其维修方法:1.电源故障若电磁炉无法开机,首先检查电源插座是否正常工作。
可以尝试使用其他电器设备来确认电源是否正常。
如果电源正常,但电磁炉仍然无法开机,则可能是电源线或电子元件出现故障。
此时建议联系专业维修人员来进行修理。
2.加热问题若电磁炉无法加热或加热效果不佳,首先检查是否放置了合适的磁性锅具。
只有使用磁性材料制成的锅具才能和电磁炉产生磁场相互作用。
如果使用了非磁性材料制成的锅具,电磁炉将无法加热。
3.触摸面板故障若电磁炉的触摸面板无法正常工作,首先检查是否有水或油滴进入面板内部。
可以尝试用干净的湿布轻轻擦拭面板,将水分或油滴清除。
如果问题仍然存在,可能是面板本身的问题,需要联系售后服务或专业维修人员进行更换或修复。
4.过热保护电磁炉的电子元件中通常带有过热保护功能。
如果您发现电磁炉无法正常加热,可能是因为炉子过热导致过热保护触发。
此时应先关闭电磁炉,等待一段时间让其冷却,然后再重新启动。
电磁炉原理及维修方法
电磁炉原理:
电磁炉是一种采用电磁感应原理工作的厨房电器,其中的线圈产生高频电磁场,然后通过磁感应作用在金属锅底产生涡流,产生大量的热量,将食物加热煮熟。
与传统的火炉相比,电磁炉可以更加精准地控制温度,消耗更少的能量,保持热量更长时间,还更加安全和环保。
维修方法:
1.没有发热:检查插座是否良好,插头是否插紧,线路是否正常。
检查电磁炉控制面板是否正常,是否误操作。
检查内部线圈连接是否良好,零部件是否有损坏,及时更换。
2.电磁炉温度异常:检查内部控制器是否正常,有没有自身故障。
检查温度感应器和控制电路是否有错误信号,采用合理的维修方法进行修复。
检查电源电压是否稳定,是否有电源干扰如果有,处理措施应是使用线路滤波器进行处理。
3.按键无响应:检查触控按键是否灵敏,有无尘污、划痕等情况。
如果有就需要进行清洁和更换。
若触控面板过于耗损,则需要更换新的触控面板进行处理。
4.电磁炉噪音过大:检查电磁炉的操作模式是否正常。
如不正常则采用相关的测
试方法进行检查和维修。
检查电源电压是否稳定,排除掉电源干扰。
同时检查磁子的位置是否正常,并固定好。
5.马达转动不顺畅:检查电机轴承是否加油充足,轴承是否磨损损坏有否异响。
如果严重建议马上更换,以免危及着电磁炉整体的运转安全。
电磁炉原理与维修电磁炉是一种利用电磁感应原理进行加热的厨房家电,它通过电磁线圈产生的磁场来加热锅具底部,从而实现加热食物的目的。
电磁炉具有加热快、温度可控、节能环保等优点,因此在现代家庭中得到了广泛的应用。
然而,由于电磁炉涉及到电磁感应、电路控制等复杂的原理,一旦出现故障就需要及时进行维修。
本文将就电磁炉的工作原理和常见故障进行介绍,并提供一些常见故障的维修方法,希望能够帮助大家更好地了解和维护电磁炉。
首先,我们来了解一下电磁炉的工作原理。
电磁炉的核心部件是电磁线圈,当电磁炉通电时,电磁线圈会产生一个交变磁场。
当放置在电磁炉上的锅具底部是磁性材料时,锅具底部会受到磁场的感应而产生涡流,涡流会使锅具底部发热,从而加热食物。
另外,电磁炉还配备了温度传感器和控制电路,可以实现对加热温度的精确控制,确保食物的加热效果。
然而,电磁炉在使用过程中也会出现一些故障,比如无法加热、加热不均匀、显示屏出现故障等。
对于这些故障,我们可以采取一些简单的维修方法来解决。
首先,如果电磁炉无法加热,可以检查电源插座是否正常,电源线是否受损,以及电磁炉的控制面板是否正常。
其次,如果加热不均匀,可以检查锅具底部是否平整,是否与电磁炉接触良好,以及是否存在金属材料的损坏。
最后,如果显示屏出现故障,可以尝试重新插拔电源线,或者联系专业维修人员进行检修。
总的来说,电磁炉是一种非常便利和高效的厨房家电,但是在日常使用中也需要注意保养和维修。
通过了解电磁炉的工作原理和常见故障,并掌握一些简单的维修方法,我们可以更好地使用和维护电磁炉,延长其使用寿命,为我们的生活带来更多的便利。
希望本文对大家有所帮助,谢谢阅读!。
电磁炉的工作原理与维修方法电磁炉是一种利用电磁感应原理加热的厨房电器设备,近年来越来越受到人们的青睐。
它以其高效、安全、节能等特点,逐渐取代了传统的燃气炉,成为家庭和商用厨房中的主要选择。
本文将深入探讨电磁炉的工作原理以及一些常见的维修方法。
首先,让我们了解一下电磁炉的工作原理。
电磁炉的核心部件是一个电磁线圈,该线圈通过交流电源传输电能。
当电流通过线圈时,会在其周围产生一个交变磁场。
当放置在电磁炉上的适配器或磁铁性底座受到这个磁场的影响时,会产生涡流并使盛放在上面的锅具发热。
电磁炉的工作原理可以简单概括为以下几个步骤:首先,将电磁炉连接到电源,通过开关启动电流。
接下来,电流经过电磁线圈产生交变磁场。
然后,锅具中的磁铁反应并产生涡流。
最后,通过涡流的摩擦作用,使锅具中的食物或液体加热煮沸。
虽然电磁炉具有许多优点,但它也可能遇到一些常见的故障。
下面我们将介绍一些常见的电磁炉维修方法。
1. 电磁炉不工作或无法启动:- 检查电源插座是否正常,插头是否插紧。
- 检查电源开关是否打开。
- 检查电磁炉上的控制面板是否正常,是否显示异常信息。
2. 电磁炉加热效果不佳或加热不均匀:- 检查锅具是否平整并与底座接触良好。
- 清洁锅具底部,确保没有灰尘或污垢影响加热效果。
- 检查电磁线圈是否清洁,无杂物或液体进入其中。
3. 电磁炉发出异常声音或异味:- 检查电磁线圈和适配器是否有损坏或破裂。
- 断电后,检查电磁线圈是否有过热迹象,如变色或变形。
- 如果出现烧焦气味,立即断电并将电磁炉送修。
4. 电磁炉漏电或触电事故:- 如果发现电磁炉有触电风险,立即断电并寻求专业人士的帮助。
电磁炉原理及维修方法
电磁炉是一种家用炉具,利用电磁感应原理加热食物。
它主要由电磁线圈、电子控制器和玻璃陶瓷面板组成。
电磁炉的工作原理是利用电磁感应加热食物。
当电磁炉通电时,电流经过线圈产生的磁场会通过玻璃陶瓷面板传导给锅底。
由于锅底是导电材料,磁场就会在锅底内激发出涡电流。
这个涡电流会发生热耗散,导致锅底和食物加热。
由于锅底和食物是接触的,热量也会传导给食物,使其加热。
电磁炉的维修方法主要包括以下几个部分:
1. 电磁线圈检查:检查电磁线圈是否断裂或短路,如果发现问题,需要更换电磁线圈。
2. 电子控制器检查:检查电子控制器是否损坏或接触不良,可以通过检查电子元件和线路是否正常来判断。
如果有问题,需要更换损坏的电子元件或重新焊接线路。
3. 玻璃陶瓷面板检查:检查玻璃陶瓷面板是否破损或变形,如果发现问题,需要更换玻璃陶瓷面板。
4. 清洁和维护:定期清洁电磁炉,特别是玻璃陶瓷面板和锅底。
可以使用软布
和清洁剂进行清洁,但要注意不要用力过大,以免刮伤玻璃陶瓷面板。
5. 注意使用安全:使用电磁炉时要注意避免锅子和电磁炉的金属外壳接触,以免发生短路或触电事故。
同时,也要避免将水或其他液体溅到电磁炉上,以免损坏电子控制器。
总之,电磁炉是一种高效、节能的炉具,但在使用过程中也需要注意安全和维护。
及时发现问题并采取适当的维修措施,可以延长电磁炉的使用寿命,确保其正常运转。
电磁炉的工作原理及维修方法电磁炉的工作原理及维修方法 1电磁炉的加热原理:电磁炉是采用磁场感应涡流原理,它利用高频的电流通过环形线圈,从而产生无数封闭磁场力,当磁场那磁力线通过导磁(如:铁质锅)的底部,既会产生无数小涡流(一种交变电流,家用电磁炉使用的是15-30KHZ的高频电流),使锅体本生自行高速发热,然后再加热锅内食物。
对于电磁炉的发热原理我们可以这样简单的理解:锅和电磁炉内部发热线圈盘组成一个高频变压器,内部线圈是变压器初级,次级是锅。
当内部初级发热线圈盘有交变电压输出后,必然在次级锅体上产生感应电流,感应电流通过锅体自身的电阻发热(所以锅本身也是负载),产生热量。
假如:当内部初级发热盘有交变电压输出,若次级及负载(锅)不存在,则输出功率将非常低。
当然在实际电路中,我们必须要很快的检测到此功率的变化,并将输出到发热线圈盘的交变电流关断。
由于非导磁性材料不能有效汇聚磁力线,几乎不能形成涡流(就像一个普通变压器如果没有硅钢片铁心,而只有两个绕组是不能有效传送能量的),所以基本上不加热;另外,导电能力特别差的磁性材料由于其电阻率太高,产生的涡流电流也很小,也不能很好产生热量。
所以:电磁炉使用的锅体材料是导电性能相对较好,铁磁性材料的金属或者合金以及它们的复合体。
一般采用的锅有:铸铁锅,生铁锅,不锈铁锅。
纯不锈铁锅材料由于其导磁性能非常低,所以在电磁炉上并不能正常工作。
电磁炉是采用磁场感应涡流加热原理,它利用电流通过线圈产生磁场,当磁场内之磁力通过含铁质锅底部时,即会产生无数之小涡流,使锅体本身自行高速发热,然后再加热于锅内食物。
电磁炉工作时产生的电磁波,完全被线圈底部的屏蔽层和顶板上的含铁质锅所吸收,不会泄漏,对人体健康绝对无危害。
适用的锅类容器1、铁系(珐琅、铸锅、不锈铁)锅,不锈钢锅.注:复合底锅必须是电磁炉专用。
2、底部直径12CM以下,根据不同的功能使用,如煎炒烤炸类要离空1CM为最佳蒸煮类平底为最佳。
电磁炉的工作原理与维修及IGBT管型号和要紧参数电磁炉是一种利用电磁感应原理进行加热的厨房电器。
它通过在底部放置一块铁磁性材料,通过电磁感应加热锅底,从而实现加热食物的目的。
本文将详细介绍电磁炉的工作原理、维修方法以及IGBT管的型号和要紧参数。
一、电磁炉的工作原理电磁炉的工作原理基于电磁感应现象。
当电磁炉通电时,内部线圈产生一个交变电流,形成一个交变磁场。
当放置在电磁炉上的铁磁性锅底接触到磁场时,锅底内部的分子开始运动,摩擦产生热能,从而加热锅底和食物。
具体来说,电磁炉的工作原理包括以下几个步骤:1. 电磁炉内部的线圈通电,产生一个交变电流。
2. 交变电流产生一个交变磁场。
3. 放置在电磁炉上的铁磁性锅底接触到交变磁场。
4. 锅底内部的分子开始运动,摩擦产生热能。
5. 热能传导到食物中,使其加热。
通过这种工作原理,电磁炉能够快速、高效地加热食物,相比传统的燃气炉具有更快的加热速度和更高的能量利用率。
二、电磁炉的维修方法1. 电源故障:如果电磁炉无法启动或无法正常工作,首先检查电源是否正常。
可以尝试将电磁炉插入其他插座进行测试,或者检查电源线是否损坏。
如果电源线损坏,应及时更换。
2. 控制板故障:如果电磁炉的控制面板无法正常操作,可能是控制板故障。
可以尝试重新启动电磁炉或者重置控制面板。
如果问题仍然存在,可能需要更换控制板。
3. 加热问题:如果电磁炉无法加热或加热不均匀,可能是加热元件故障。
可以检查加热线圈是否损坏或者松动,如果有问题,需要更换或者重新固定加热线圈。
4. 温度控制问题:如果电磁炉的温度控制不准确,可能是温度传感器故障。
可以检查温度传感器是否正常工作,如果需要更换,应选择与电磁炉型号相匹配的传感器。
5. 其他故障:除了上述常见故障外,电磁炉还可能出现其他问题,如电路板损坏、电源模块故障等。
对于这些故障,建议寻求专业维修人员的帮助进行修复。
三、IGBT管的型号和要紧参数IGBT管(Insulated Gate Bipolar Transistor)是一种常用于电磁炉等高功率电子设备中的功率开关元件。
电磁炉常见故障现象故障现象产品原因维修方法1.不开机(按电源键指示灯不亮。
)(1)按键不良(2)电源线配线松脱(3)电源线不通电(4)保险丝熔断(5)功率晶体IGBT坏(6)共振电容C103坏(7)阴尼二极体(8)变压器坏,没18V输出(9)基板组件坏(1)检查并更换按键板(2)重接(3)重接或换新(4)更换(5)更换(6)更换(7)检查并更换(8)检查并更换(9)更换2.置锅,指示灯亮,但不加热(1)线盘没锁好(2)稳压二极管ZD101坏(3)基板组件坏(1)锁好线盘(2)换稳压二极管ZD101(3)换基板组件3.灯不亮,风扇自转。
(1) LED插槽插线不良(2)稳压二极管ZD2坏(3)基板组件坏(1)重新插接或换LED板(2)换稳压二极管ZD2(3)换基板组件4.加热,但指示灯不亮。
(1) LED二极管坏(2) LED基板组件坏(1)换LED二极管(2)换LED基板组件5.未置锅,指示灯亮,不加热。
(1)热敏电阻配线松动或损坏(2)集成块LM339坏或集成块TA8316坏(3)变压器插接不良(4)基板组件坏(1)重新插接或换热敏电阻组件(2)换LM339或TA8316(3)检查或换主控IC(4)换基板组件6.功率无变化(1)可调电阻(2)加热/定温电阻用错或短路(3)主控IC坏(4)基板组件坏(1)换可调电阻(2)检查加热/定温电阻(3)检查或换主控IC(4)换基板或换基板组件7.蜂鸣器长鸣(1)热开关坏/热敏电阻坏,主控IC坏(2)振荡子坏,变压器坏(3)基板组件坏(1)换/热开关/热敏电阻/主控IC(2)换振荡子,检查或更换变压器(3)检查或更换基板组件8.锅具正常,但闪烁并发出“叮叮”响(1)锅具检测处于临界点(1)更换R104阻值9.置锅,灯闪烁(1)比流器CT坏(2)锅具不对,非标准锅具(3) IC1/IC6/R501可调电阻坏(1)换比流器CT(2)用正确锅具(3)检查对应器件一.电路板烧IGBT或保险丝的维修程序电流保险丝或IGBT烧坏,不能马上换上该零件,必须确认下列其它零件是在正常状态时才能进行更换,否则,IGBT和保险丝又会烧坏。
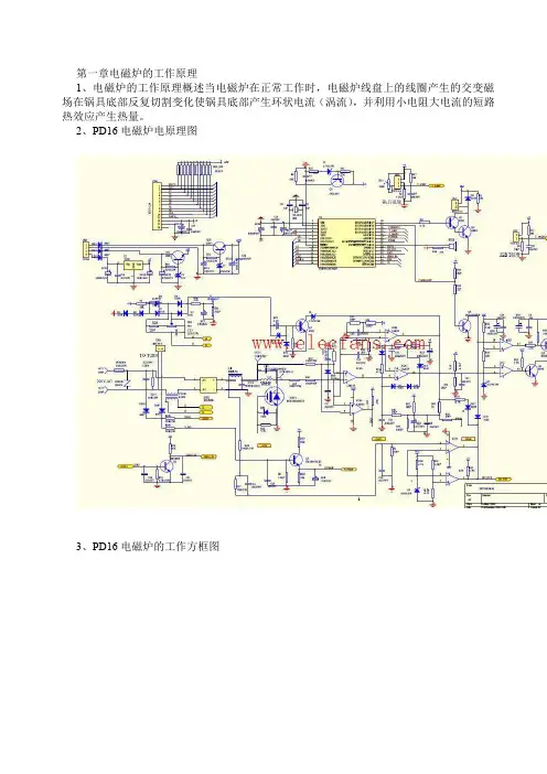
电磁炉的工作原理与检修大全————————————————————————————————作者:————————————————————————————————日期:第一章电磁炉的工作原理1、电磁炉的工作原理概述当电磁炉在正常工作时,电磁炉线盘上的线圈产生的交变磁场在锅具底部反复切割变化使锅具底部产生环状电流(涡流),并利用小电阻大电流的短路热效应产生热量。
2、PD16电磁炉电原理图3、PD16电磁炉的工作方框图第二章电磁炉主要部件功能1、陶瓷板:进口高级耐热晶化陶瓷板。
2、高压主基板:构成主电流回路。
3、低压主基板:电脑控制功能。
4、LED线路板:显示工作状态和传递操作指令。
5、线盘:将高频交变电流转换成交变磁场(PAN)。
6、风扇组件:散热辅助元件(FAN)。
7、IGBT:通过低电流信号、控制大电流的通断(IGBT)。
8、桥式整流块:将交流电源转换为直流电源(BD101)。
9、热敏电阻件:将热量信号传递到控制电路。
10、热开关组件:感应IGBT工作温度,从而保护IGBT由于过热损坏。
第三章电磁炉集成块功能1、C80C49-143A:中央处理器集成快(Ic1)。
2、SN7407N:高压输出缓冲器/驱动器(Ic2)。
3、HD74LS145:四—十线译码器/驱动器(Ic4)。
4、LM339:低功耗、低失调电压比较器(Ic5、IC6)。
5、TA8316S:驱动器(Ic3)。
第四章电磁炉的工作原理(PD16)电磁炉220v工频交流由ACIN插口接入,通过保险丝F101防止内部电路的过载及短路。
V A为并联压敏电路,防止外部供电电压过高,往往为烧毁自身来保护后级电路的安全。
C101为滤波电容,容量为2UF。
C101后级为大功率桥式整流块,可将前级的220v工频交流电整流为脉动直流电,脉动直流电通过扼流圈和C102的平滑滤波,将相对平稳的直流电供向下级PAN电磁线盘,PAN线盘与C103振荡电容组成LC振荡电路,从而在线盘上产生交变磁场。
第一章电磁炉的工作原理1、电磁炉的工作原理概述当电磁炉在正常工作时,电磁炉线盘上的线圈产生的交变磁场在锅具底部反复切割变化使锅具底部产生环状电流(涡流),并利用小电阻大电流的短路热效应产生热量。
2、PD16电磁炉电原理图3、PD16电磁炉的工作方框图第二章电磁炉主要部件功能1、陶瓷板:进口高级耐热晶化陶瓷板。
2、高压主基板:构成主电流回路。
3、低压主基板:电脑控制功能。
4、LED线路板:显示工作状态和传递操作指令。
5、线盘:将高频交变电流转换成交变磁场(PAN)。
6、风扇组件:散热辅助元件(FAN)。
7、IGBT:通过低电流信号、控制大电流的通断(IGBT)。
8、桥式整流块:将交流电源转换为直流电源(BD101)。
9、热敏电阻件:将热量信号传递到控制电路。
10、热开关组件:感应IGBT工作温度,从而保护IGBT由于过热损坏。
第三章电磁炉集成块功能1、C80C49-143A:中央处理器集成快(Ic1)。
2、SN7407N:高压输出缓冲器/驱动器(Ic2)。
3、HD74LS145:四—十线译码器/驱动器(Ic4)。
4、LM339:低功耗、低失调电压比较器(Ic5、IC6)。
5、TA8316S:驱动器(Ic3)。
第四章电磁炉的工作原理(PD16)电磁炉220v工频交流由ACIN插口接入,通过保险丝F101防止内部电路的过载及短路。
V A为并联压敏电路,防止外部供电电压过高,往往为烧毁自身来保护后级电路的安全。
C101为滤波电容,容量为2UF。
C101后级为大功率桥式整流块,可将前级的220v工频交流电整流为脉动直流电,脉动直流电通过扼流圈和C102的平滑滤波,将相对平稳的直流电供向下级PAN电磁线盘,PAN 线盘与C103振荡电容组成LC振荡电路,从而在线盘上产生交变磁场。
PAN电磁线盘的后级为T102电流取样变压器,通过T102次级将电流信号传递给电压比较器LM339进行检测。
T102的后级为高压保护二极D,作用为保护IGBT,防止反向高压击穿IGBT。
电磁炉原理与维修电磁炉是一种利用电磁感应原理加热的厨房电器。
它通过在炉面下方放置一个线圈,通过交变电流在线圈中产生电磁场,而将磁感线束传递到锅底。
锅底由磁性材料制成,因此会感应到磁场,从而产生涡流,使锅底受热,从而加热食物。
电磁炉的工作原理非常简单。
当电源插头插入插座时,电源电压传递到电磁阀上时,由于磁线圈连接在电路上,使电流通过线圈,从而产生交叉磁场。
当锅底与线圈轴向位置连接时,磁感线圈的磁力线线将通过电磁炉,垂直通过锅底。
磁力线的传递中也与锅底接触瓦,磁力线的运动产生涡流。
随着涡流的形成,锅底开始加热。
磁感线沿着锅底的通路传递,通过自然散热和锅底的传热以达到烹饪食物的目的。
磁力线的传递和涡流形成是非常精确的,因此控制温度和烹饪时间也更容易。
维修电磁炉时,首先需要排除可能的电源故障。
检查电源插头是否松动或插座接触不良。
如果发现问题,可以尝试更换插头或更换插座以解决问题。
还应检查电源线是否有损坏。
如果损坏,应及时更换。
当电源没有问题时,需要检查电磁炉的线圈是否存在问题。
可以使用万用表来检查线圈的连接是否完好。
如果线圈断开或损坏,可能需要更换或维修线圈。
此外,还需要检查电磁炉的控制电路。
这可能包括控制开关、温度传感器和电路板等。
检查开关是否正常工作,并使用万用表测量温度传感器的电阻值。
如果发现电路板有问题,可能需要更换或修复电路板。
在维修电磁炉时,还应注意安全。
按照使用手册操作,并确保在拆卸或维修电磁炉时断开电源。
如果不熟悉电器维修,请寻求专业人士的帮助。
总之,电磁炉通过电磁感应原理加热食物。
在维修电磁炉时,需要检查电源连接、线圈运作和控制电路等方面的问题。
必要时,应寻求专业帮助。
一原理简介原理简介电磁炉是应用电磁感应加热原理,利用电流通过线圈产生磁场,该磁场的磁力线通过铁质锅底部的磁条形成闭合回路时会产生无数小涡流,使铁质锅体的铁分子高速运动产生热量,然后加热锅中的食物.二、电磁炉的原理方块图220V/ 50HZ 输入熔断器平衡滤波1:3000互感器桥式整流扼流圈滤波电磁线盘(LC回路)IGBT过欠压检测电流检测反馈锅具材质识别同步检测调整反压抑制驱动回路闭环振荡回路IGBT过热保护PWM输出功率调整主控CPU炉面温度检测控制面板至风机至蜂鸣电压变换整流回路18V至风扇5V到CPU18V至驱动浪涌检测三磁炉工作原理说明1、主回路图中整流桥BI将工频(50HZ)电压变成脉动直流电压,L1为扼流圈,L2是电磁线圈,IGBT 由控制电路发出的矩形脉冲驱动,IGBT导通时,流过L2的电流迅速增加。
IGBT截止时,L2、C21发生串联谐振,IGBT的C极对地产生高压脉冲。
当该脉冲降至为零时,驱动脉冲再次加到IGBT上使之导通。
上述过程周而复始,最终产25KHZ左右的主频电磁波,使陶瓷板上放置的铁质锅底感应出涡流并使锅发热。
串联谐振的频率取之L2、C21的参数。
C5为电源滤波电容。
CNR1为压敏电阻(突波吸收器),当AC电源电压因故突然升高时,瞬间短路,使保险丝迅速熔断,以保护电路。
2、副电源开关电源提供有+5V,+18V两种稳压回路,其中桥式整流后的+18V供IGBT的驱动回路,同步比较IC LM339和风扇驱动回路使用,由三端稳压电路稳压后的+5V供主控MCU使用。
3、冷却风扇当电源接通时主控IC发出风扇驱动信号(FAN),使风扇持续转动,吸入外冷空气至机体内,再从机体后侧排出热空气,以达至机内散热目的,避免零件因高温工作环境造成损坏故障。
当风扇停转或散热不良,IGBT表贴热敏电阻将超温信号传送到CPU,停止加热,实现保护。
通电瞬间CPU会发出一个风扇检测信号,以后整机正常运行时CPU发出风扇驱动信号使其工作。
电磁炉的原理与维修1. 引言电磁炉是现代厨房中常见的一种电磁加热设备,其具有高效、安全、节能等特点,因此受到了广大消费者的欢迎。
本文将介绍电磁炉的原理和常见维修方法,以帮助用户更好地了解和使用电磁炉。
2. 电磁炉的工作原理电磁炉通过电磁感应原理实现加热功能。
其主要由电源模块、控制模块和加热模块组成。
2.1 电源模块电源模块为电磁炉提供所需的电能。
一般情况下,电磁炉采用交流电源,通过整流、滤波等处理,将输入的交流电转换为稳定的直流电。
2.2 控制模块控制模块是电磁炉的核心部件,主要负责控制和调节加热功率。
用户可以通过操作控制模块上的按钮或旋钮,选择合适的加热功率和温度。
控制模块还能监测加热模块的工作状态,并进行相应的保护措施。
2.3 加热模块加热模块是电磁炉实现加热功能的关键部件,它由电磁线圈和玻璃陶瓷面板组成。
当用户选择加热功率后,控制模块会发送相应的信号给加热模块,激活电磁线圈。
电磁线圈会产生变化的磁场,通过铁磁材料反复翻转磁矩,从而产生磁滞损耗,使铁磁材料内部迅速发热。
玻璃陶瓷面板能有效传递热量至锅底,实现加热效果。
3. 电磁炉的常见问题及维修方法虽然电磁炉具有诸多优点,但在使用过程中还是可能遇到一些问题。
以下是一些常见问题以及相应的维修方法。
3.1 电源故障电源故障是电磁炉无法正常工作的主要原因之一。
当电磁炉无法开机或者突然停电时,我们可以首先检查电源插座是否正常,然后检查电源线是否损坏或接触不良。
如果以上都没有问题,可能是电源模块内部出现故障,这时需要请专业技术人员进行检修或更换。
3.2 控制模块故障控制模块故障可能导致电磁炉无法调节加热功率或者温度。
如果控制面板上的按钮或旋钮失灵,我们可以首先尝试重新插拔电源,看是否能恢复正常。
如果问题依旧存在,可能是控制模块本身出现故障,需要请专业技术人员进行维修或更换。
3.3 加热模块故障加热模块故障会导致电磁炉无法正常加热。
当我们选择加热功率后,但加热模块没有发热或者发热效果明显降低时,可能是电磁线圈损坏或者玻璃陶瓷面板出现问题。
电磁炉维修方法手册第一章:电磁炉的基本原理电磁炉是一种利用电磁感应加热的厨房设备,其工作原理是通过电磁场在底部的感应线圈内产生涡流,从而加热锅底,并将热量传递给食物。
在维修电磁炉之前,了解其基本原理是非常重要的。
第二章:常见故障及排除方法2.1 电磁炉不工作若电磁炉完全不工作,首先检查电源插头是否插紧,并检查插座是否通电,确保电源连接正常。
如果电源连接正常,但电磁炉仍未工作,可能是电路板故障。
此时应联系专业技术人员进行修理或更换电路板。
2.2 电磁炉加热不均匀如果电磁炉的加热不均匀,可能是底部线圈接触不良导致的。
此时,可以先将电磁炉放置在平坦的表面上,然后轻轻敲击线圈周围,以确保其与炉底的贴合。
如果问题仍然存在,可能是线圈存在故障,需要更换线圈。
2.3 电磁炉出现漏电情况漏电是电磁炉使用过程中最常见的故障之一,可能会导致触电和火灾等危险。
如果发现电磁炉出现漏电情况,应立即拔掉电源插头,并避免使用。
这种情况应该由专业维修人员来修复,切勿自行拆卸电磁炉。
2.4 电磁炉显示不正常有时,电磁炉的显示屏可能会出现乱码、闪烁或完全不亮等问题。
这可能是由于电磁炉内部的控制电路故障引起的。
在这种情况下,应尽快联系厂家或专业维修人员进行处理。
第三章:日常维护和保养3.1 定期清洁电磁炉电磁炉表面经常会有油污和食物残渣积累,这不仅会影响炉面的美观,还会影响磁场的传导效果。
因此,建议定期使用柔软的湿布清洁电磁炉表面,并避免使用腐蚀性或研磨性的清洁剂。
3.2 防止水分进入电磁炉内部由于电磁炉是电气设备,因此应避免让水分进入其内部,以免引发安全事故。
在清洗电磁炉时,应特别注意不要将水溅到控制面板或插座上。
3.3 避免过载使用为了延长电磁炉的使用寿命,避免过载使用也是非常重要的。
在操作电磁炉时,应遵循电磁炉的额定功率和使用规定,并避免同时使用多个高功率电器。
第四章:安全使用须知4.1 使用电磁炉时保持周围清洁在使用电磁炉时,应保持其周围的空间干净整洁,并远离易燃物品。
电磁炉故障判别方法_电磁炉七大常见故障与维修方法家电产品一、电磁炉原理电磁炉的炉面是耐热陶瓷板,交变电流通过陶瓷板下方的线圈产生磁场,磁场内的磁力线穿过铁锅、不锈钢锅等底部时,产生涡流,令锅底迅速发热,达到加热食品的目的。
灶台台面是一块高强度、耐冲击的陶瓷平板(结晶玻璃),台面下边装有高频感应加热线圈(即励磁线圈)、高频电力转换装置及相应的控制系统,台面的上面放有平底烹饪锅。
其工作过程如下:电流电压经过整流器转换为直流电,又经高频电力转换装置使直流电变为超过音频的高频交流电,将高频交流电加在扁平空心螺旋状的感应加热线圈上,由此产生高频交变磁场,其磁力线穿透灶台的陶瓷台板而作用于金属锅。
在烹饪锅体内因电磁感应就有强大的涡流产生,涡流克服锅体的内阻流动时完成电能向热能的转换,所产生的焦耳热就是烹调的热源。
锅的材质必须为铁质或合金钢,以其高磁导率来加强磁感,从而大大增强涡旋电场及涡流热功率。
其他材质的炊具由于材料电阻率过大或过小,会造成电磁炉负荷异常而启动自动保护,不能正常工作。
同时由于铁对磁场的吸收充分、屏蔽效果也非常好,这样减少了很多的磁辐射,所以铁锅比其他任何材质的炊具也都更加安全。
此外,铁是人体长期需要摄取的必要元素,但人体只能吸收二价铁,铁锅炒菜中含的是三价铁,然而身体中的还原性维生素可将3价铁转换为2价铁以利吸收。
二、电磁炉的特点1、加热快。
电磁炉它的加热速度是非常快速的,它能够在15秒的时间内就将锅底温度加热到300度以上,大大的节约了烹调的时间。
2、节能环保。
电磁炉在使用的过程中不会产生出明火,通过依靠锅体自身发热,减少了热量的损失,因此它的热效率能够达到80%,电磁炉在使用过程中还不会排出废气,因此十分环保。
3、功能多样。
电磁炉的功能是非常多样的,使用电磁炉进行烹饪它能实现对食物的炒、蒸、煮、炖、炸,满足用户各种烹饪需求。
4、清洁方便。
电磁炉在使用的过程中不会有燃气和废气的污染,因此使用了电磁炉之后在电磁炉的面板上通常都是比较干净的,清洁起来也更为方便。
电磁炉的工作原理与维修及IGBT管型号和要紧参数一、电磁炉的工作原理电磁炉是一种利用电磁感应原理加热的厨房电器。
它通过电源提供的交流电产生高频电流,经过电磁线圈产生的高频磁场,使炉具内的铁底锅内部产生涡流,从而达到加热的目的。
具体来说,电磁炉的工作原理如下:1. 电源供电:将电磁炉插入交流电源,电源将交流电转变为高频交流电。
2. 电子控制器:电子控制器接收电源供电的高频交流电,并对其进行处理和控制,以确保电磁炉的正常工作。
3. 高频电路:高频电路是将电源供电的高频交流电转换为高频电流的关键部份。
它由电容器、电感器、电阻器等元件组成,通过电子控制器的控制,将高频交流电转换为高频电流。
4. 电磁线圈:电磁线圈是电磁炉中的核心部件,由大量的铜线绕成。
高频电流通过电磁线圈时,会产生高频磁场。
5. 铁底锅:电磁炉需要使用带有磁性的铁底锅,当铁底锅放在电磁炉上时,高频磁场会在锅底产生涡流。
6. 涡流加热:涡流是一种在导体中产生的环流,当高频磁场与铁底锅接触时,会在锅底产生涡流。
涡流通过电阻产生热量,将热量传递给锅底,使其加热。
二、电磁炉的维修1. 电源故障排除:- 检查电源插座和电源线是否正常连接。
- 检查电源开关是否打开,电源指示灯是否亮。
- 如果电源正常,但电磁炉无法启动,可能是电子控制器故障,需要联系专业维修人员进行检修。
2. 控制器故障排除:- 检查控制面板是否正常显示,按键是否灵敏。
- 检查控制面板上的指示灯是否正常工作。
- 如果控制器无法正常工作,可能是控制电路故障,需要联系专业维修人员进行检修。
3. 高频电路故障排除:- 检查高频电路元件是否损坏,如电容器、电感器等。
- 检查高频电路的连接是否松动。
- 如果高频电路故障,可能导致电磁炉无法产生高频电流,需要联系专业维修人员进行检修。
4. 电磁线圈故障排除:- 检查电磁线圈是否损坏,如有断线或者短路等情况。
- 检查电磁线圈的连接是否松动。
- 如果电磁线圈故障,可能导致电磁炉无法产生高频磁场,需要联系专业维修人员进行检修。
电磁炉的原理与维修
电磁炉的原理:
电磁炉是通过电磁感应原理加热的一种厨房炊具。
它由一
个电磁线圈和上面放置的玻璃陶瓷面板组成。
当电源接通时,电流流过电磁线圈,产生一个交变电磁场。
然后,这
个交变电磁场通过玻璃陶瓷面板传导到锅底,使锅底产生
涡流,产生热量。
这样通过加热锅底,进而加热食物,实
现烹饪。
电磁炉的维修:
1. 无法启动:首先检查电源插头是否插紧,插座是否工作
正常。
还可以检查电磁炉上的电源开关是否正常。
如果以
上都没有问题,可能是电磁炉的控制面板或电路出现故障,需要联系专业维修人员进行检修。
2. 不加热或加热不均衡:检查是否有锅具放置在电磁炉上,锅具是否符合电磁炉的规格要求。
还可以检查锅底与电磁
炉玻璃陶瓷面板之间是否有杂物或污渍影响导热,清理后
再次尝试。
如果上述方法无效,可能是电磁线圈或温度传感器出现故障,需要专业维修人员进行修理。
3. 控制面板故障:如果控制面板上的按键或显示屏出现故障,可能是因为控制面板与电路板之间的连接问题。
可以尝试清洁控制面板上的按键或接触点,确保良好的接触。
如果问题仍然存在,可能需要更换控制面板或维修电路。
请注意,以上维修方法需要注意安全,最好由专业维修人员进行操作。