轻质隔墙板图集
- 格式:doc
- 大小:43.50 KB
- 文档页数:4
《石材发泡轻质墙板构造设计图集》(桂 18J703)介绍摘要:针对传统墙体材料普遍存在破坏耕地、污染环境、高能耗、施工效率低、结构费用高、无法循环使用等弊端,石材发泡轻质墙板作为新一代的绿色环保建筑材料,具有自重轻、强度高、防火阻燃、隔音、保温、防水、防腐、抗冻性能佳、使用寿命长、表面平整等优点,生产安装中产生的废板可以回收循环再利用,可大量减少建筑垃圾的产生,解决了传统墙体材料的各种弊端。
为推广石材发泡轻质墙板在广西区内的应用,全面介绍《石材发泡轻质墙板构造设计图集》(桂18J703)主要内容及特点,希望可以在广西区内装配式建筑项目建设过程中,石材发泡轻质墙板可以作为预制内外墙板使用,发挥其优异的自重轻、保温、防水性能,为促进广西建筑产业现代化发展贡献力量。
关键词:石材发泡轻质墙板;预制内外墙板引言近年来,随着国民经济的高速发展和城镇化进程的加快,我国经济实力和综合国力显著增强,人民生活总体上达到小康水平。
但是,以高消耗、高污染、高浪费、低效益为特征的粗放经济增长方式积累了不少问题,特别是资源能源和环境问题已成为当前制约发展的突出矛盾和最大瓶颈。
如何兼顾高速发展和节能减排在社会各领域都是一个值得思考的问题。
反观建筑行业,传统的建筑方式和使用的墙体材料普遍存在破坏耕地、污染环境、高能耗、施工效率低、结构费用高、无法满足建筑功能、无法循环使用等弊端,在全社会倡导践行循环经济、低碳经济、大力倡导节能减排的今天,推行更先进的材料和新的施工方式已经势在必行。
作为新一代的绿色环保建筑材料,石材发泡轻质墙板具有自重轻、强度高、防火阻燃、隔音、保温、防水、防腐、抗冻性能佳、使用寿命长、表面平整等优点,产品使用中可锯、可钻、可钉、可刨、可凿,粘结牢固、施工简便,环保无污染,生产安装中产生的废板可以回收循环再利用,可大量减少建筑垃圾的产生,解决了传统墙体材料的各种弊端。
石材发泡轻质墙板的使用对推进住宅产业化和推广节能建筑, 是一条有效的途径。
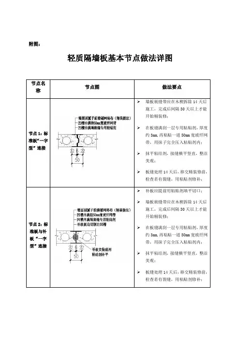
附图:
轻质隔墙板基本节点做法详图
灰结构墙、
节点
13:
接地线管、开关和插座暗埋
做法要点同节点12
节点14:预制内墙板吊挂重物节点
➢ 在深化设计时应明确悬挂重物点的定
位;
➢ 在内墙板吊挂重物一侧,按照确定位
置钻孔,孔径50mm ,深70mm ,用EPS
板或发泡胶封堵孔芯下口,再用1:2水泥砂浆将孔填塞密实,砂浆初凝前按照确定位置插入预埋挂件或按所挂重物标准做法后置挂件;
➢ 本节点做法适用在预制内墙板上悬挂
重物,单点吊挂重量不得大于300N(30kg);孔洞砂浆填塞28天后方可吊挂重物。
(注:可编辑下载,若有不当之处,请指正,谢谢!)。
附图:轻质隔墙板基本节点做法详图节点名称节点图做法要点节点1:标准板“一字型”连接墙板嵌缝带应在木楔拆除14天后施工,完成后间隔30天以上才能开始精装修;在板缝满刮一层专用粘贴剂,厚度约3mm,再粘贴一道50mm宽玻纤网带,用抹子完全压入粘贴剂内;抹平粘结剂,接缝横平竖直,整洁美观;板缝处理14天后,移交精装修前,检查若有裂缝,用粘贴剂修补;节点2:标准板与补板“一字型”连接补板应提前用粘贴剂填平切口;墙板嵌缝带应在木楔拆除14天后施工,完成后间隔30天以上才能开始精装修;在板缝满刮一层专用粘贴剂,厚度约3mm,再粘贴一道50mm宽玻纤网带,用抹子完全压入粘贴剂内;抹平粘结剂,接缝横平竖直,整洁美观;板缝处理14天后,移交精装修前,检查若有裂缝,用粘贴剂修补;节点3:墙板与剪力墙同宽连接剪力墙预留凹槽与梁底留槽交汇,宽50mm,深4mm;墙板嵌缝带应在木楔拆除14天后施工,完成后间隔30天以上才能开始精装修;在板缝满刮一层专用粘贴剂,再粘贴一道100mm宽玻纤网带,用抹子完全压入粘贴剂内;抹平粘结剂,接缝横平竖直,整洁美观;板缝处理14天后,移交精装修前,检查若有裂缝,用粘贴剂修补;节点4:墙板与剪力墙一侧平齐连接墙板与剪力墙平齐一侧连接做法同节点3;另一侧连接做法同节点5。
节点5:墙板与免抹灰结构墙、柱“T字型”连接结构预留凹槽,宽为墙厚每边加30mm,深8mm;墙板嵌缝带应在木楔拆除14天后施工,完成后间隔30天以上才能开始精装修;在板缝满刮一层专用粘贴剂,再粘贴一道50mm宽玻纤网带,用抹子完全压入粘贴剂内;抹平粘结剂,接缝横平竖直,整洁美观;板缝处理14天后,移交精装修前,检查若有裂缝,用粘贴剂修补;节点6:墙板与外墙“T字型”连接外墙砌体施工完成7天后、内保温砂浆施工前安装墙板;内保温砂浆施工时间:墙板安装完成14天后,抹灰层压墙板;抗裂砂浆及网络布向墙板转边25mm,并抹平凹槽。
板缝处理14天后,移交精装修前,检查若有裂缝,用粘贴剂修补;节点7:墙板底与楼板面连接清除楼面墙板安装位置的灰尘并洒水湿润;墙板经安装检验合格后24小时内,用细石混凝土(高度>30mm)或1:2干硬水泥砂浆(高度≤30mm)将墙板底部填塞密实;板缝处理14天后,移交精装修前,检查若有裂缝,用粘贴剂修补;节点8:墙板顶与楼板底连接板底留凹槽宽为墙厚每边加30mm,深8mm;墙板嵌缝带应在木楔拆除14天后施工,完成后间隔30天以上才能开始精装修;在板缝满刮一层专用粘贴剂,再粘贴一道50mm宽玻纤网带,用抹子完全压入粘贴剂内;抹平粘结剂,接缝横平竖直,整洁美观;板缝处理14天后,移交精装修前,检查若有裂缝,用粘贴剂修补;节点9:墙板底与反坎连接反坎采用铝模与主体结构整体浇注,保证尺寸、高度、宽度及定位准确。
............《轻质墙板构造图集》主要指导施工技术和构造做法,提供了各个阶段的施工准备的工作内容,指导施工有条不紊的进行。
本图集通过解说一些新材料、新工艺保证工期、质量、安全符合国标及行标要求的预制墙板技术和构造做法。
一、编制依据本图集根据《建筑用轻质隔墙条板》GB/T23451—2009、《建筑轻型条板隔墙技术规程》JGJ/T157—2008、《建筑隔墙用轻质条板》JG/T169—2005《轻骨料混凝土隔墙板施工技术规程》DB11/T491-2007、《蒸压陶粒混凝土墙板应用技术规程》DBJ/T—15-84-2011、《轻质隔墙条板质量检验评定标准》DBJ01-29、《四川省灰砂混凝土空心隔墙板标准图集》川08J135等标准,并结合本省有关厂家产品进行编制。
二、适用范围本图集适用于抗震设防烈度六级至八级地区的工业与民用建筑的非承重隔墙及框架结构的填充墙。
三、主要内容本图集主要内容分两部分, 第一部分包括预制墙板规格及材料要求、深化设计流程及配板说明、质量验收及成品保护说明。
第二部分是工艺流程及做法说明、墙板安装连接构造节点, 每个构造节点包括: 做法说明、工艺流程、构造做法、管理动作和详图等内容。
四、索引方法当选用部分详图时:当选用部分详图时:五、其他1.本图集所注尺寸均已mm为单位除特别注明外。
2.本图集中未说明的均参照有关规定及规程中的相应条款执行。
3.本图集中未说明的连接节点请参照24页墙板连接形式图。
编制说明图集号页 2............材料说明一、墙板分类墙板按照用途不同分为普通板和异型板两类。
a.普通板:墙板按照截面不同分为空心板和实心板两类。
b.异型板:墙板按照连接方式不同分为L型板和T型板。
二、普通板规格及使用部位系列L Q B H F T 建议使用部位95型板2000~300055 595 95 45 45 单或双隔墙与结构一字连接注:表中L为长度;B为宽度;H为厚度;F为榫头接缝槽;T为榫槽接缝槽;Q为板上部压槽;R为异形板总厚度。
ALC轻质隔墙板的施工ACL轻质隔墙板是一种综合效能优良的墙体材料、本工程用于框架建筑物的内隔墙分隔墙、ALC轻质隔墙板排列见图1,ALC轻质隔墙板节点构造见图2、①将安装ALC轻质隔墙板的建筑地面及顶棚面剔凿修补完毕,并清扫干净、依照设计图纸,在建筑地面及顶棚面上弹出隔墙板位置的两侧边线与门窗框位置的两侧边线。
②将ALC轻质隔墙板面与板两侧企口及板的上下板头杂物等清理干净。
③配制粘结剂、粘结剂重量配合比为水泥:108胶:水=1:0、2:0、3、配制的方法是将水泥用窗纱过筛,以防水泥过期结块成团,然后再把108胶用水溶解,溶解后加入水泥中,拌合均匀至稠状即可使用、拌制的粘结剂一定要适量,使用时间不得超过1h,工具用毕要及时清洗干净。
④安设顶棚上的U型扣件、U型扣件采纳镀锌薄钢板加工而成,板厚1mm,高25mm,长、宽各60mm、依照ALC轻质隔墙板的宽度,将ALC轻质隔墙板与板相拼处的顶棚上安装一个U形扣件,采纳YD27S8射钉,用射钉枪将U形扣件固定。
⑤安装ALC轻质隔墙端头板。
依照放线的位置,在墙上先安装3个U形扣件。
然后将安装的隔墙板顶面与靠墙的侧面上涂抹胶粘剂、安装时1人推挤,1人在下部用宽口撬棍撬起,边顶边挤紧端墙与顶棚面,以有浆液挤出为宜,同时检查垂直度与上下边线的位置,合格后即用2对木楔打紧墙板底部,使之向上顶紧,顶棚面上的U形扣件1/2夹住墙板嵬下撬拽。
用油灰刀将出的胶粘剂刮平补齐,然后将接着安装下一块隔墙板。
⑥安装第二块ALC轻质隔墙板、当ALC轻质隔墙端头板安装完毕后,紧接着安装第二块隔墙板,安装方法同前,板缝隙以5mm为宜,按同样的施工方法一块隔墙板、⑦贴玻璃纤维网格条、第一层采纳60mm宽的玻璃纤维网格条贴,贴剂与拼装胶粘相同,待胶粘剂稍干后,可再贴第二层玻璃纤维网格条、第二层是采纳150mm宽玻璃纤维网络条贴板与板的拼缝,为了使施工后的板缝美观、洁净,板面不污染,在刮涂胶粘剂的板面范围弹出灰线,贴缝的胶粘剂与拼装胶粘剂相同,玻璃纤维网格条贴顺铺平,胶粘剂刮平,表面光滑。
江西标准建筑图集网上能查到的有近百个吧序号图集编号图集名称1 赣01J301 楼地面图集2 赣02J802 内外墙及天棚饰面图集3 赣04J401 阳台栏杆4 赣04J701 室外构配件5 赣04J702 室内构配件6 赣04J101 变形缝7 赣04J602 室内装饰木门8 赣04J906 无障碍设施9 赣04ZJ506 轻钢龙骨石膏板隔墙及吊顶(一)10 赣06J201 屋面建筑构造11 赣06J202(a) 坡屋面建筑构造12 赣06J202(b) 坡屋面建筑构造13 赣06ZJ103 AJ胶粉聚苯颗粒外墙保温建筑构造14 赣06ZJ203 建筑防水构造15 赣06ZJ507 轻钢龙骨布面石膏板隔墙及吊顶16 赣06ZJ704 轻钢龙骨布面石膏板隔墙及吊顶17 赣07ZJ105 AJ膨胀玻化微珠外墙外保温建筑构造18 赣07ZJ106 R.E水泥基聚苯颗粒外墙外保温建筑构造19 赣01J607 彩色涂层钢板门窗图集20 赣02SJ206 TBL卷材、涂膜建筑防水构造图21 赣03J505 加气混凝土砌块墙体建筑构造22 赣03ZJ207 KG卷材、涂膜建筑防水构造图23 赣04ZJ905 住宅集中排气道24 赣06J907 太阳能热水器安装与建筑构造25 赣06ZJ902 ZPS住宅厨房卫生间废气垂直排放系统26 赣99J904 住宅双止回式垂直排气道图集27 赣98J741 木门窗图集28 赣88J201 屋面图集29 赣99J902 ZRF住宅烟气集中排放系统30 赣98J606 硬聚氯乙稀塑料门窗31 赣94J703 建筑构配件(三)32 赣91J301 楼地面图集33 赣90J101 墙身变形缝?烟道?垃圾道34 赣88J202 柔毡防水屋面35 赣98J202 卷材防水屋面图集(增补)36 赣94J203 聚氨脂涂膜防水屋面37 赣96J204 高聚物改性沥青涂膜防水屋面38 赣90J401 阳台39 赣90J402 楼梯栏杆40 赣90J501 轻质隔墙41 赣94J502 轻质吊顶42 赣93J605 实腹钢门窗43 赣90J701 建筑构配件(一)44 赣90J702 建筑构配件(二)45 赣94J802 内外墙面装饰46 赣99J903 住宅厨房卫生间变压式排气道图集47 赣99J904 住宅双止回式垂直排烟气道图集48 赣96JG102 混凝土小型空心砌块砌体构造图49 赣96JG103 粘土多孔砖(KPI型)和空心砖(KMI型)砌体构造图50 赣97G309 混凝土灌注桩图集(合订本)51 赣93G311 现浇钢筋混凝土小构件52 赣97G313 现浇钢筋混凝土板式楼梯赣(合订本)53 赣97G314 现浇钢筋混凝土梁式楼梯(合订本)54 赣97G315 现浇钢筋混凝土矩形屋面水箱55 赣99G316 冷轧带肋钢筋混凝土空心板56 赣93G601 基础57 赣98S401 化粪池图集58 赣90J601 围墙大门图集59 赣97G404 预应力混凝土空心板60 赣06G604 混凝土小型空心砌块砌体结构房屋构造详图61 赣06G602 砖砌体结构房屋构造详图62 赣99G791 预制混凝土小构件63 赣99G316 冷轧带肋钢筋混凝土空心板64 赣97G309 混凝土灌注桩图集65 赣96JG102 混凝土小型空心砌块砌体构造图66 赣94G312 混凝土平板67 赣93G405 预应力混凝土空心板(跨度2.4-4.2M)68 赣04G601(a) 无筋扩展基础及扩展基础69 赣04G601(b) 无筋扩展基础及扩展基础70 赣04G315 现浇钢筋混泥土矩型屋面水箱71 赣04G314 现浇钢筋混泥土梁式楼梯72 赣04G313 现浇钢筋混泥土板式楼梯73 赣02D401 住宅水、电、燃气三表安装74 赣02D501 建筑物防雷装置安装75 赣99S101 硬聚氯乙烯给水管安装图集76 赣98(06)S401 化粪池图集77 赣97S202 硬聚氯乙烯排水管安装图集78 赣97S201 砖砌排水检查井图集79 赣94SJ503 钢丝网架水泥夹芯墙板图集80 赣93SG406 冷轧带肋钢筋混凝土预应力空心板81 赣07ZS403 HFRP系列玻璃钢生物化粪池82 赣05ZS402 BLGH系列玻璃钢整体化粪池83 赣01SJ205 防水卷材构造84 赣02SJ102-1 外墙保温85 赣04J402 楼梯栏杆86 赣04G311 现浇钢筋混泥土小构件87 赣02D504 硅镁空心轻质隔墙板(GM)板88 赣03ZJ903 住宅厨房卫生间变压式Ⅱ型排气道89 赣03J001 建筑做法说明90 赣03G603 村镇居民住宅建筑抗震构造详图2011年元月收集。
······《轻质墙板构造图集》主要指导施工技术和构造做法,提供了各个阶段的施工准备的工作内容,指导施工有条不紊的进行。
本图集通过解说一些新材料、新工艺保证工期、质量、安全符合国标及行标要求的预制墙板技术和构造做法。
一、编制依据本图集根据《建筑用轻质隔墙条板》GB/T23451—2009、《建筑轻型条板隔墙技术规程》JGJ/T157—2008、《建筑隔墙用轻质条板》JG/T169—2005《轻骨料混凝土隔墙板施工技术规程》DB11/T491-2007、《蒸压陶粒混凝土墙板应用技术规程》DBJ/T—15-84-2011、《轻质隔墙条板质量检验评定标准》DBJ01-29、《四川省灰砂混凝土空心隔墙板标准图集》川08J135等标准,并结合本省有关厂家产品进行编制。
二、适用范围本图集适用于抗震设防烈度六级至八级地区的工业与民用建筑的非承重隔墙及框架结构的填充墙。
三、主要内容本图集主要内容分两部分, 第一部分包括预制墙板规格及材料要求、深化设计流程及配板说明、质量验收及成品保护说明。
第二部分是工艺流程及做法说明、墙板安装连接构造节点, 每个构造节点包括: 做法说明、工艺流程、构造做法、管理动作和详图等内容。
四、索引方法当选用部分详图时:当选用部分详图时:五、其他1.本图集所注尺寸均已mm为单位除特别注明外。
2.本图集中未说明的均参照有关规定及规程中的相应条款执行。
3.本图集中未说明的连接节点请参照24页墙板连接形式图。
编制说明图集号页 2···材料说明一、墙板分类墙板按照用途不同分为普通板和异型板两类。
a.普通板:墙板按照截面不同分为空心板和实心板两类。
b.异型板:墙板按照连接方式不同分为L型板和T型板。
二、普通板规格及使用部位系列L Q B H F T 建议使用部位95型板2000~300055 595 95 45 45 单或双隔墙与结构一字连接注:表中L为长度;B为宽度;H为厚度;F为榫头接缝槽;T为榫槽接缝槽;Q为板上部压槽;R为异形板总厚度。
【轻质隔墙板施工方案】轻质隔墙板安装图集轻质条板隔墙施工方案目录1 、工程概况2 、编制依据3 、施工准备4 、施工工艺流程5、主要施工工艺6 、质量要求及质量保证7 、安全、环境及文明施工要求一、工程概况本工程小商铺隔墙为90 厚的轻质隔墙板,走廊边商铺与小商铺之间隔墙为90 厚防火轻质隔墙板,设计修改图纸变更增加的厨房排烟道为90 厚防火轻质隔墙板。
隔墙材料分防火和不防火两种。
二、编制依据1 、建筑二次装修施工图,甲方电子版业态图纸,现场签字认可图纸。
2 、本工程的图纸会审、设计变更和技术核定单。
3 、玻璃幕墙工程技术规范JGJ102-xx 。
4 、塑料门窗工程技术规程JGJ103-xx 5、建筑轻质条板隔墙技术规程JGJ/T157-xx 。
6 、内隔墙建筑构造J111~114。
7 、轻质条板内隔墙03J113。
8 、建筑工程施工质量验收统一标准GB50300-xx 。
三、施工准备1、技术准备a 、工程技术人员认真阅读图纸、图纸会审和技术核定单,核对每道墙体的位置、尺寸,发现疑问及时与设计、监理进行沟通解决并形成记录做到对图纸的透彻理解。
正式施工前由甲方对业态图签字认可后进行。
b 、编制轻质隔墙板施工方案,并报监理等审批。
c 、将技术交底落实到作业班组。
d 、熟悉图纸后,组织工程技术人员进行现场放线。
放线人员要严格按照甲方签字认可的业态图纸或施工图纸进行放线,随放随复核。
放线完毕,请监理进行验收合格后施工。
2 、材料准备(1)、轻质保温复合墙板:620mm*2820*90,轻质实心防火隔板610mm*3000*100。
板面应表面平整、边缘整齐、表面不应有污垢、裂纹、缺角、翘曲等明显的缺陷。
(2)、轻质保温符合墙板、轻质实心防火隔板的材质符合现行国家标准和行业标准的规定。
(3)、使用的相关的辅助材料必须与主材相配套。
(4)、对轻质隔墙板的质量要求如下表轻质隔墙板轻质墙板外观和尺寸允许偏差(5)所有相关材料必须报监理、业主确认后使用,拒绝不合格产品进入工地。
一、国内高品质轻质墙板生产厂家中山建华墙体材料有限公司创建于1999年(原香港建华建筑材料有限公司),公司主要生产、加工、销售“蒸压陶粒混凝土墙板”和“钢筋陶粒混凝土墙板”。
产品完全达到国标、英标及香港特别行政区的标准要求,是国内高品质轻质墙板生产厂家。
二、打造绿色建材,践行标准,追求卓越“建华墙板”已使用在国内及香港、澳门的建筑楼宇中,其防火、防震、防裂、防水、无辐射、隔音、隔热、自重轻、造价廉、施工快捷、增加建筑使用面积等方面的优越性能受到客户的高度赞誉;“建华墙板”可以根据客户的要求将电箱、线管等在工厂内全部预埋好,同时“建华墙板”安装完之后不需要抹灰,大大提高了施工的速度,增加了建筑使用面积,被誉为“绿色环保节能建材”。
自行研发的新型墙体材料—建华墙板,现有57项专利,其中包括先进的配方工艺。
能够减少产品开裂的可能性。
三、专注售后服务,以诚待客,共创荣耀专业的售后服务团队和广泛的售后服务网点,构成了公司系统、完善的售后服务体系。
公司建立了详细的客户档案,并在公司产品覆盖的区域设置业务办事处或服务联络点,从合作洽谈到最后的竣工验收都有专人负责跟进,及时了解工程进度和客户需求,反馈项目信息,最大程度地为广大客户提供优质产品和专业服务。
一、传承建华经典,苦研技术,初展宏图建华墙材创建于1999年,传承了建华管桩优秀的管理模式和生产经验,是以注重质量为企业管理根基,集研发、生产、设计、安装为一体的专业化新型建材企业。
公司秉承“走正道,负责任,心中有别人”的文化理念,坚持“以人为本,无为而治”的管理模式,奉行“用户第一,信誉至上”的企业宗旨和“求实、务实,提高办事效率,参与市场竞争”的企业精神,不断进行技术改造、革新,提高产品质量。
目前已在江苏句容、广东中山、上海、湖北荆州(筹建中)、江苏淮安(筹建中)等地设立了墙材生产基地,并计划在国内建成100-200个墙材生产基地,逐步形成规模化经营。
二、打造绿色建材,践行标准,追求卓越建华墙材生产的蒸压陶粒混凝土墙板(建华墙板),是针对现代建筑、生态住宅的室内空间、户型与结构,而开发生产出来的非承重轻质墙板,具有防火、防震、防裂、防氧化、抗冲击、无辐射、耐酸碱、隔音、隔热、自重轻、造价廉、施工快捷、增加建筑使用面积等优点,企业简介公司简介被誉为“绿色环保节能建材”,完全达到国标、英标及香港特别行政区的标准要求,已在国内及香港、澳门的建筑楼宇中大量使用,深受客户青睐。
恒大城项目一期工程ALC轻质隔墙专项施工方案编制人:审核人:审批人:分包单位:河南德川集成建筑科技有限公司总包单位:江苏南通三建集团股份有限公司年月日目录第一章编制依据 (3)第二章工程概况 (3)第三章施工方法 (3)1、工艺流程 (3)2、施工准备 (4)3、施工方法及技术措施 (4)4、各项施工管理措施 (7)4.1成品保护措施 (7)5、工程验收 (8)6、主要节点做法 (8)第一章编制依据1.1图集手册表1.1-1 施工图集手册表第二章工程概况工程名称:恒大城项目建设单位:焦作御景置业有限公司设计单位:河南省纺织建筑设计院有限公司监理单位:河南省育兴建设工程管理有限公司施工单位:江苏南通三建集团股份有限公司本工程位于河焦作市山阳区碧莲路焦作一中往东200米。
本工程由1#~2#独立商业、3#商业、主入口大门、8#~15#主楼组成。
本工程已规划用地面积为96285.0平方米,规划建筑面积为269598平方米(不含地下室)。
总建筑面积:17864.38平方米、主楼建筑结构形式为剪力墙结构,基础采用CFG桩基筏板基础。
第三章施工方法1、工艺流程固定U型铁件→安装隔墙板→检查、调整→塞木楔→板缝处理1.1固定U型铁件:先依据地面墙线确定顶部U型铁件的位置固定好。
1.2安装隔墙板:先将粘结砂浆抹在公槽内,砂浆必须满铺均匀,确保灰浆饱满。
再将墙板移至安装位置,用撬棍将墙板来回移动,保证墙板上端与侧面板缝粘结密实。
1.3检查、调整:使用靠尺检查墙面的平整度与垂直度,调整到标准范围以内。
1.4塞木楔:调整合格后,在板下端用木楔将墙板楔紧。
1.5板缝处理:板缝及与主体交界处用粘结砂浆填实、刮平,在面层上铺一层7cm宽的耐碱玻纤网格布,表面抹平。
外墙拼缝因采用防水砂浆,墙板上端采用粘结砂浆填实、抹平。
2、施工准备2.1技术准备2.1.1公司技术及施工人员必须熟悉设计施工图纸、设计变更洽商,充分理解设计意图;然后再进行翻样、加工。
ATR J 0901图集ATR复合材料轻质隔墙建筑构造
昆明奥琨装饰工程有限公司
目录
说明····················································································1—2
ATR标准板、规格图 (3)
ATR板立面及剖面图······································································4—6
ATR板与板连接节点 (7)
ATR板与墙、柱、梁板连接节点 (8)
ATR板单、双层排列图 (9)
ATR节点安装构件示意图 (10)
ATR墙上设备安装节点·········································································11—12 ATR附录:板原材料、技术性能、安装要求······················································13—15
说明
1.编制依据
1.1中国建筑标准设计研究所图集 03J113
1.2房屋建筑制图统一标准 GB/T5001-2001
1.3ATR复合材料轻质隔墙板 Q/KAK01-2005
1.4建筑设计防火规范 GBJ16-87
1.5住宅内隔墙轻质条板 JG/T3029-1995
1.6民用建筑节能设计标准 JGJ26-95
1.7民用建筑工程室内环境污染控制规范 GB50325-2001
1.8建筑装饰装修工程质量验收统一标准 GB50201-2001
1.9建筑工程施工质量验收统一标准 GN50300-2001
1.10建筑材料放射性核素限量 GB6566-201
2.概述
2.1本图集ATR复合材料轻质隔墙板具有重量轻、强度高、防火、隔声、防辐射、可加工、施工方使等优点。
2.2 ATR复合材料轻质隔板是以锯未、麦秸、稻草、玉米杆等植物秸杆中的辅助材料,加入以轻烧镁粉、氯化镁、稳定剂、改性剂等为原料配制的粘合剂。
以中碱玻纤为增强材料制成的中空型轻质隔墙板。
3.适用范围
本图集适用于新建、改造、扩建公共建筑和居住建筑工程中的非承重内隔墙、内部隔断;框架结构内填充墙。
4.设计要求
4.1隔声;条板墙体厚度应满足建筑隔声功能要求,分户墙的空气声计权隔声量应≥45dB,宣做双排板的间距一般为10mm —50mm,作为空气隔声层或填入吸声材料,如玻璃棉、岩棉等。
双层条板墙体用于分户墙时,所选用条板的厚度不宜小于60mm。
亦可选用隔声性能符合要求的单层条板、复合条板,其厚度不应小于120mm。
分室墙空气声计权隔声量应≥35dB。
条板用做户内分室隔墙时,其厚度不宜小于90mm。
4.2防火;设计应采用双层板隔墙构造,可按本图集附表中所列条板的防火性能选用。
4.3抗震措施。
在非抗震地区。
条板隔墙与主体结构、顶板和地面连接采用刚性连接方法;在抗震高防烈度8度和8度以下地区采用刚性与柔性结合的方法连接固定。
4.4防潮防水:在潮湿环境下安装条板隔墙,墙体设计应有防潮及防水措施;沿隔墙设计水池、水箱面盆等设备时,墙面应做涂刷防水涂料等防水设计。
4.5电气设计:电气线路可作明线设计,布置于墙面。
亦可作暗线设计,利用隔墙板孔敷设线路,开关及插座可作相应设计或暗装设计。
使用实心条板、双层板时,可开槽设计敷设计敷设管线,但槽深、槽宽不得超过30mm,严禁在墙板两面相同位置同时开槽。
4.6吊挂:隔墙板需要吊挂重物,应根据使用要求设计埋件,设计吊挂点的间距应≥300mm,单点吊挂力应≤1000N。
4,7门窗框板安装;位于门、窗框和顶部的门框板、窗框板、
1
过梁板应为≥30mm实心。
门窗框板可在工厂预制,也可在工地现场制作。
但必须达到养护期才能使用。
4.8保温:根据各地区建筑节能标准的不同,在采暖地区安装户隔墙、楼梯间隔墙时,应设计保温层,可采用贴保温板或抹保温砂浆的做法。
4.9轻质条板的使用与隔墙安装长度相适应。
安装长度超过6米,宜采用钢柱加强或采取其他加强措施。
4.10防盗要求标准高的隔墙,不宜设计轻质条板隔墙。
如使用,应采取防护、加固措施。
5.条板规格及使用要求
工程中用条板的品种、规格应满足设计要求,其外观质量和尺寸允许偏差及技术性能应符合相关国家标准的规定。
5.2.1设计选用产品时,应确认条板产品已通过相关建设主管部门的验收并准许批量生产、应用。
生产企业应出示近期的检测报告,必要时,使用方可要求进行见证取样检测。
条板生产企业应建立完善、有效的质检体系,能够全过程控制原材料采购、生产、墙板安装各个环节。
5.2.2竖向接板安装:条板接板应错缝连接,并根据隔墙的高度采取相应加固措施。
不同厚度条板的选用与墙体接板高度相适应。
轻质条板限制高度为:
104mm厚隔墙≤3.9m
154mm厚隔墙≤4.8m
如需要超过限高安装隔墙。
应由工程设计单位另做加固、抗震设计,安装单位按图施工、验收。
5.2.3安装隔墙前,应根据工程设计及现场条件作好排板图,按图施工、安装。
轻质条板用做端头板、门框板、补板时,板宽根据现场切割。
条板物理力学指标、安装方法、验收要求详见本集附录。
2。