弯矩二次分配法
- 格式:doc
- 大小:109.50 KB
- 文档页数:4
分层法和弯矩二次分配法
分层法和弯矩二次分配法是结构分析中常用的两种方法。
它们的目的都是为了求解结构中的力和位移等参数,以便进行结构设计和评估。
分层法是一种逐层递推的分析方法。
它将结构分成若干层,每层内部视为刚性体,根据其受力情况和支座约束,求解出每层的内力和位移。
然后再根据层与层之间的相互作用,逐渐推导出整个结构的内力和位移。
分层法的优点是计算简单,易于理解和掌握,适用于简单的结构分析。
但是对于复杂的结构,需要分的层数较多,计算量会增加,精度也会受到影响。
弯矩二次分配法是一种逐步逼近的分析方法。
它先假设结构中所有杆件都是直杆,求解出其弯矩分布。
然后再通过逐步调整杆件的长度和角度,使得弯矩分布逐渐趋近于实际情况,最终得到结构的真实弯矩分布。
弯矩二次分配法的优点是精度高,适用于复杂的结构分析。
但是需要较高的数学基础和计算能力,计算过程较为繁琐。
在实际工程中,分层法和弯矩二次分配法可以结合使用,互相补充。
例如,在大跨度桥梁的设计中,可以先使用分层法对桥塔和桥墩进行分析,然后再利用弯矩二次分配法对悬索和主梁进行分析,最终得到整个桥梁的内力和位移分布。
分层法和弯矩二次分配法是结构分析中常用的两种方法。
它们各有
优缺点,适用于不同的结构类型和分析目的。
在实际应用中,需要根据具体情况选择合适的方法,以保证分析结果的准确性和可靠性。
弯矩二次分配法excel弯矩二次分配法(Moment Distribution Method)是结构分析中常用的一种计算方法,适用于解决梁、桁架等结构的弯矩分配问题。
通过多次迭代计算,可以准确地求解结构的内力分布。
在Excel中,可以使用各种函数和公式来实现弯矩二次分配法的计算。
首先,需要建立一个适当的数据表格,包括输入数据和计算结果。
输入数据通常包括结构的几何尺寸、材料性质、荷载大小和位置等。
计算结果包括节点的位移、弯矩和剪力等。
为了进行弯矩二次分配法的计算,首先需要确定结构的支座刚度矩阵。
支座刚度矩阵包括结构的刚度和弯矩分配系数。
可以使用Excel中的数组函数来计算支座刚度矩阵。
然后,根据结构的约束条件,可以得到初始的节点位移。
接下来,需要进行迭代计算,直至收敛。
在每一次迭代中,需要计算每个节点的弯矩分配系数和弯矩修正系数。
可以使用Excel中的循环函数和条件函数来实现这一步骤。
然后,根据弯矩分配系数和弯矩修正系数,可以计算每个节点的弯矩和剪力。
在完成迭代计算后,可以得到结构的最终结果,包括节点的位移、弯矩和剪力。
可以使用Excel中的图表功能来可视化结果,并进行必要的分析和评估。
需要注意的是,弯矩二次分配法是一种近似方法,结果的精度受到迭代次数和初始条件的影响。
因此,在使用Excel进行计算时,需要进行适当的设置和调整,以保证结果的准确性和可靠性。
总之,通过在Excel中使用弯矩二次分配法,可以方便地进行结构的弯矩分析。
这种方法的优点是简单易用,适用于各种结构类型。
然而,对于复杂的结构和边界条件,可能需要借助更为专业的结构分析软件来进行分析和计算。
Excel在框架弯矩二次分配法中的应用PKPM只有计算结果没有计算过程但毕业设计需要有计算过程本人对弯矩二次分配法比较熟练毕业设计中反复用到1个下午就只能算一榀框架的恒荷载的弯矩2次分配如此繁琐的体力活应该可以交给电脑,我们不应该沦为计算的奴隶此文献给做毕业设计的土木人!土木人网在工程界弯矩二次分配法物理概念明确且易于掌握,是设计人员进行手算复核时的常用方法。
对于土木人来讲,由于在进行混凝土结构课程设计和毕业设计时须手算框架在竖向荷载作用下的弯矩,且要求有计算过程,这就意味着要反复利用弯矩二次分配法。
经过分析弯矩二次分配法的基本原理,同时充分利用Excel软件[3,4]中的公式编辑功能,编制了用于竖向荷载作用下框架结构弯矩分配的Excel模板。
该模板不仅能提高计算结果的准确性和计算速度,而且能够弥补结构计算软件只有结果而无过程的不足之处,可当作计算工具使用,避免了繁琐的反复手算过程。
用于不同节点的弯矩分配时,只需根据实际情况改动部分单元格中的数据,就可以准确快速地得到其弯矩分配的具体过程及计算结果,非常实用。
为方便大家使用,下面介绍在Excel界面所建立的通用模板,将表格中的表达式编辑到Excel中,即可进行杆端不平衡弯矩的分配。
表1计算节点2计算原理在进行弯矩分配时,为了简化计算,通常假定某一节点的不平衡弯矩只对与该节点相交的各杆件的远端有影响,而对其余杆件的影响忽略不计。
计算时,先将各节点不平衡弯矩进行第一次分配,并向远端传递(传递系数均取1/2),再将因传递弯矩而产生新的不平衡弯矩进行二次分配。
进行图1所示的框架[5]弯矩分配时,在Excel界面的A1%Q17区域中依次相应输入表1%表5中的相关数据符号信息。
其中!为分配系数;!"为固端弯矩;!!"为分配弯矩,公式编辑过程中已取各杆件的传递系数为1/2,固端弯矩以对节点而言逆时针方向为正,顺时针方向为负。
在使用该工具时,表格中已输入公式的部分不需作任何改动,运算一次能得到一个节点的弯矩二次分配过程及结果,对于不同节点只需调整空白所代表的部分数据即可自动得到相应的正确结果。
分层法和弯矩二次分配法的区别分层法和弯矩二次分配法,这两个名字听起来有点拗口,不过咱们来轻松聊聊它们的区别,别担心,咱不谈复杂的数学公式,咱就用简单易懂的方式来看看这俩玩意儿。
分层法,顾名思义,就是把问题分成层层叠叠的小块,像是一块块切好的蛋糕,每一层都有它自己的“任务”。
想象一下,咱们把一个大房子分成几层,然后再去考虑每一层的受力情况,这样就能清楚地知道每一层该怎么承重,挺有意思吧。
而弯矩二次分配法就有点不同了,简单说就是一群“朋友”聚在一起,把力量分配得更均匀。
就像你和朋友一起搬重物,大家都想出一招,把重物分开,互相帮助,轻松很多。
这个方法关注的是梁的弯矩分配,想想梁像是一根大棍子,它在受力的时候,有些地方会比较吃力,有些地方就轻松了。
弯矩二次分配法就是要把这些“压力”再分配一下,让每个地方的压力都能轻松点,保持整体的和谐。
说到应用,分层法通常适用于一些比较复杂的结构,像大楼、桥梁这种需要分层分析的场景。
比如说,咱们在建高楼的时候,得考虑每一层的承重,不能让顶楼的住户晚上吃饭的时候,下面的楼层就“嗡嗡作响”。
而弯矩二次分配法更像是“救火队员”,在一些特定情况下帮忙平衡受力,常用在已经搭好的结构上,来优化一下。
比如说,某个地方突然加了一点重,那这时候就得用这个方法来调整一下,让整栋建筑别“歪歪扭扭”的。
再说说计算,这俩方法在计算上也有些不同。
分层法是一步一步来,比较像“爬楼梯”,每一步都得仔细,看得见的“台阶”一个一个解决。
弯矩二次分配法则有点像是在打篮球,得把球投给最合适的队友,让每个人都能发挥出自己的长处,能省事不少。
用起来的时候,分层法需要的计算过程较为复杂,得逐层分析。
而弯矩二次分配法就比较灵活了,能快速调整,效率高。
在实际工作中,工程师们就像是在玩一场“游戏”,不同的场景选择不同的策略。
遇到大厦这种庞然大物,分层法就是他们的“好帮手”,能让他们心里有底。
而在一些修补或加固的工作中,弯矩二次分配法就显得尤为重要,能让他们像“魔术师”一样,把旧的结构调整得更加稳固,真是妙啊。
弯矩二次分配法excel弯矩二次分配法是一种常见的结构力学分析方法,通过计算结构不同部位的弯矩,将其进行二次分配,并对不同部位进行设计,从而保证结构的稳定性、安全性和经济性。
在实际工程项目中,弯矩二次分配法被广泛应用于房屋、桥梁、塔架等各种建筑和工程结构的设计与分析。
在使用弯矩二次分配法进行结构分析时,通常需要进行如下步骤:1. 分析结构荷载:首先需要根据实际情况进行结构荷载的分析,包括自重、活载、风荷载、地震荷载等。
2. 计算结构弯矩:根据结构荷载,通过静力学或弹性力学的方法计算出不同位置处的结构弯矩。
3. 进行一次分配:由于结构不同部位承受的荷载和弯矩不同,需要将总弯矩进行一次分配,确定各部位的弯矩大小。
4. 进行二次分配:在确定了各部位的弯矩大小后,需要进行二次分配,将每个部位的弯矩进一步分配到局部构件或构件组上,以便进行设计和计算。
5. 进行设计:在得出各构件或构件组的弯矩大小后,需要进行设计选型,并进行受力分析,以满足结构稳定性和安全性的要求。
在Excel中,可以通过以下步骤进行弯矩二次分配法的计算:1. 输入荷载:选择合适的单元格,输入结构的自重、活载、风荷载、地震荷载等荷载数据。
2. 计算弯矩:通过Excel中的公式,根据荷载及结构条件,计算出不同位置处的结构弯矩,输入到相应的单元格内。
3. 一次分配:通过Excel中的公式,将总弯矩进行一次分配,确定各部位的弯矩大小,并输入到相应的单元格内。
4. 二次分配:根据设计要求和结构特点,将每个部位的弯矩进一步分配到局部构件或构件组上,并输入到相应的单元格内。
5. 设计:根据具体情况和设计规范,选择合适的结构构件,并进行受力分析,以满足结构稳定性和安全性的要求。
需要注意的是,在进行Excel分析时,需要准确输入数据并使用正确的公式,同时也需要严格按照结构设计规范和要求进行计算和设计,以保证分析结果的准确性和可靠性。
总之,弯矩二次分配法是一种重要的结构力学分析方法,在实际工程项目中具有广泛的应用和重要的意义。
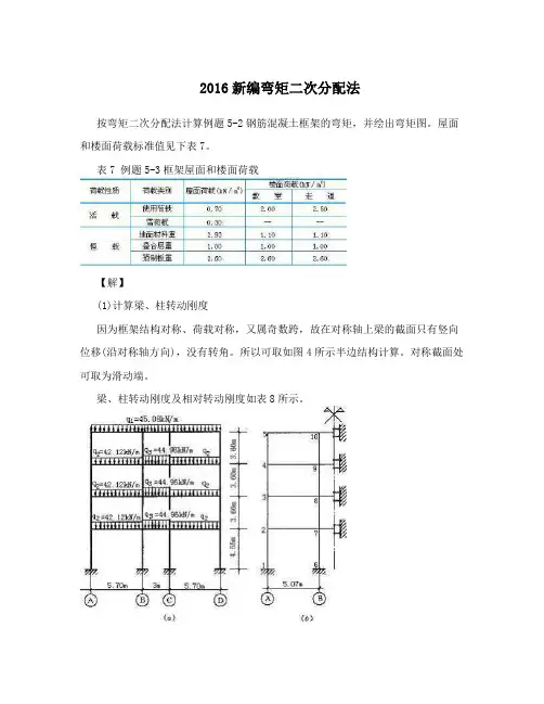
2016新编弯矩二次分配法按弯矩二次分配法计算例题5-2钢筋混凝土框架的弯矩,并绘出弯矩图。
屋面和楼面荷载标准值见下表7。
表7 例题5-3框架屋面和楼面荷载【解】(1)计算梁、柱转动刚度因为框架结构对称、荷载对称,又属奇数跨,故在对称轴上梁的截面只有竖向位移(沿对称轴方向),没有转角。
所以可取如图4所示半边结构计算。
对称截面处可取为滑动端。
梁、柱转动刚度及相对转动刚度如表8所示。
图4 [例题5,3]计算简图表8 粱、柱转动刚度及相对转动刚度(2)计算分配系数分配系数按下式计算:其中各节点杆件分配系数见表9。
表9 分配系数(3)荷载分析1)屋面梁上线荷载设计值?恒载:1.2[(2.93+1.00+2.60) ×4.5+0.25×0.60×25×1.2]=40.67kN/m 活载:(?式中系数1.2为考虑梁挑檐及抹灰重的系数)q=45.08 kN/m 12)楼面梁上线荷载设计值教室恒载:1.2[(1.10+1.00+2.60) ×4.5+0.25×0.60×25×1.2]=30.78kN/m 活载:(?系数0.9为屋面及楼而活荷载折减系数。
)q=42.12 kN/m 2走道恒载:=30.78kN/m活载:q=44.96 kN/m 3(4)梁端固端弯矩M F顶层边跨梁(教室):中跨梁(走道):其他层边跨梁(教室):中跨梁(走道):(5)弯矩分配与传递弯矩分配与传递按图5的方法进行。
首先将各节点的分配系数填在相应方框内;将梁的固端弯矩填写在框架横梁相应位置上。
然后将节点放松,把各节点不平衡弯矩同时进行分配。
假定远端固定进行传递(不向滑动端传递):右(左)梁分配弯矩向左(右)梁传递;上(下)柱分配弯矩向下(上)柱传递(传递系数均为1,2)。
第一次分配弯矩传递后,再进行第二次弯矩分配,然后不再传递。
实际上,弯矩二次分配法,只将不平衡弯矩分配两次,将分配弯矩传递一次。
弯矩二次分配法求杆端弯矩好了,今天咱们聊聊弯矩二次分配法,听起来是不是有点深奥?其实嘛,说白了,这个方法就像是给你一根杆子,然后看它弯成什么样,最后帮你找到杆子各个地方的弯矩。
你说,弯矩听起来不就是一个让东西弯曲的力量吗?没错,就是这么回事。
今天,咱们就把这件看起来复杂的事情,给它拆解开来,一步步讲清楚。
你知道,在工程结构设计中,遇到梁、杆这些东西,弯矩就成了大头。
杆子上哪儿弯了,受了多大的力,这些都是必须得搞清楚的。
所以,弯矩二次分配法就是帮助我们计算这些弯矩的一个小工具。
它不需要咱们做那些复杂的手工计算,反而是通过一种巧妙的分配方式,把这些弯矩从一个地方“传递”到另一个地方。
说起来简单,但要弄明白,确实得下点功夫。
得理解个概念。
咱们常常会在杆子上装几个支座,对吧?这些支座能让杆子稳稳地撑住,防止它掉下来。
但在这些支座之间,杆子可不总是直的。
它会因为外力的作用,变得弯曲。
某个地方受力特别大,弯矩也特别大,结果就可能出现结构不稳定的问题。
所以,我们得精确算出每个支座之间,杆子每个位置的弯矩,才能保证设计不出错。
说到这里,咱们就得用到弯矩二次分配法了。
这方法特别巧妙,像是一个弯弯绕绕的小道理。
简单地说,弯矩二次分配法就是一种“按比例分配”的方法。
什么意思呢?就像你分蛋糕,大家按自己的份额来拿,谁多,谁少。
这个“蛋糕”就是杆子的弯矩,分配的规则就是通过杆子两端支座之间的相互关系来决定。
别小看这个“分配”,它可比蛋糕分配复杂得多。
咱们要先搞清楚杆子上各个支座的反力,然后再来分配弯矩。
就拿一个简单的支撑梁来说,两个支座承受的反力不同,这时候就要根据反力的大小,来决定弯矩在杆子上的分布。
大致上,弯矩会根据这个比例“二次分配”到各个支座和节点上。
就好像你请了一帮朋友来分担家务,有的人擦窗户,有的人扫地,分工明确,每个人都根据自己的情况去做,最后的结果大家都不吃亏。
在这个过程中,你还得小心,不能乱分。
弯矩二次分配法的关键在于要准确计算出每个点的弯矩,并且这些计算得通过迭代的方式一步一步进行。
Excel在框架弯矩二次分配法中的应用
PKPM只有计算结果没有计算过程但毕业设计需要有计算过程本人对弯矩二次分配法比较熟练毕业设计中反复用到1个下午就只能算一榀框架的恒荷载的弯矩2次分配如此繁琐的体力活应该可以交给电脑,我们不应该沦为计算的奴隶此文献给做毕业设计的土木人!土木人网
在工程界弯矩二次分配法物理概念明确且易于掌握,是设计人员进行手算复核时的常用方法。
对于土木人来讲,由于在进行混凝土结构课程设计和毕业设计时须手算框架在竖向荷载作用下的弯矩,且要求有
计算过程,这就意味着要反复利用弯矩二次分配法。
经过分析弯矩二次分配法的基本原理,同时充分利用
Excel软件[3,4]中的公式编辑功能,编制了用于竖向荷载作用下框架结构弯矩分配的Excel 模板。
该模板不仅能提高计算结果的准确性和计算速度,而且能够弥补结构计算软件只有结果而无过程的不足之处,可当作计算工具使用,避免了繁琐的反复手算过程。
用于不同节点的弯矩分配时,只需根据实际情况改动部分单元格中的数据,就可以准确快速地得到其弯矩分配的具体过程及计算结果,非常实用。
为方便大家使用,下面介绍在Excel界面所建立的通用模板,将表格中的表达式编辑到Excel中,即可进行杆端不平衡弯矩的分配。
表1计算节点
2计算原理
在进行弯矩分配时,为了简化计算,通常假定某一节点的不平衡弯矩只对与该节点相交的各杆件的远端有影响,而对其余杆件的影响忽略不计。
计算时,先将各节点不平衡弯矩进行第一次分配,并向远端传递(传递系数均取1/2),再将因传递弯矩而产生新的不平衡弯矩进行二次分配。
进行图1所示的框架[5]弯矩分配时,在
Excel界面的A1%Q17区域中依次相应输入表1%表5中的相关数据符号信息。
其中!为分配系数;!"为固端弯矩;!!"为分配弯矩,公式编辑过程中已取各杆件的传递系数为1/2,固端弯矩以对节点而言逆时针方向为正,
顺时针方向为负。
在使用该工具时,表格中已输入公式的部分不需作任何改动,运算一次能得到一个节点的弯矩二次分配过程及结果,对于不同节点只需调整空白所代表的部分数据即可自动得到相应的正确结果。
由于该公式表格中说明的计算节点与相邻其它节点的数据单元在Excel界面中呈1框架节点示意图
3算例
图1中的框架各节点杆端弯矩分配系数及杆端弯矩[5]如图2所示,下面以节点!、节点"、节点#为例说明该方
法的运用。
图2弯矩分配示意图
解析:(1)中中节点———节点Ⅰ:节点Ⅰ与相邻的其它四个节点呈型,进行该节点的不平衡弯矩分配时,在已编辑的EXCEL模板的空白部分只需输入该节点及相邻四个节点的分配系数和固端弯矩。
对于某些不存在的杆件,将其对应的固端弯矩置为零即可,则能自动生成节点!的分配弯矩、传递弯矩、二次分配弯矩以及各杆端的最后弯矩,部分数据如图2所示。
(2)边中节点———节点!:节点"与相邻的其它节点呈T型,将标准模板右侧节点的相关参数置为零,然后修改其它参数,再进行该节点的弯矩分配。
(3)顶角节点———节点#:节点$与相邻的其它两个节点呈$型,将标准模板左侧及上侧节点的相关参数置为零,再修改其它参数,即可得到该节点的弯矩二次分配的过程及结果。
4结论
(1)本文建立的Excel模板,适用范围广,可用于框架结构在各种竖向荷载作用下+型、$型、T型等多种框架节点的不平衡弯矩分配;且表格形式设计合理,读者可直接引用。
(2)用Excel软件进行节点不平衡弯矩的分配,在其它参数相同的前提下,只需修改固端弯矩,即能准确快速地得到该节点的最后弯矩,且有具体的分配计算过程。
(3)该方法不仅可用于框架结构中的弯矩分配,同样可进行结构力学中连续梁等构件的弯矩分配计算复核。
使用方法:只需在该EXCEL A表格中输入相应的梁柱线刚度系数和固端弯矩即可计算结果EXCEL自动给出
尤其对高层演算效率突出!有计算过程和准确的结果对于更高的楼层只需在本电子表格基础上简单的复制粘贴再将复制的上下柱传递函数改一下即可!也可在此基础上再加几道函数程序对每个结点进行反复循环的分配和传递。
注:本表采用弯矩二次分配法计算,对框架弯矩进行整体分配和传递,底层与各层的柱的线刚度均不乘以0.9,传递系数均取1/2。
本表对力矩分配、传递的过程作了如下改进:(1)将由结点不平衡力矩较大的结点开始计算,改为按结点顺序进行;(2)将由各结点逐一分配、
传递,改为所有结点同时放松,进行分配力矩(只与结点各杆近端有关),再将所有结点同时固定,进行力矩传递(只与各杆远端有关),并计算各结点新的不平衡力矩。
每个结点都进行2次分配和1次传递。