填石路基碾压沉降检测记录表
- 格式:xlsx
- 大小:16.30 KB
- 文档页数:2
路基填筑高程记录表在工程建设中,路基填筑是一项重要的工作,其中高程的控制是关系到工程质量的关键因素。
为了更好地记录和控制路基填筑高程,我们设计了路基填筑高程记录表。
工程名称:填写工程名称,以区分不同的工程项目。
填筑位置:填写填筑的具体位置,如K1+200等。
实际填筑高程:填写实际填筑完成后测量得到的高程。
偏差值:填写实际填筑高程与设计高程之间的偏差值。
备注:对一些特殊情况或者需要说明的问题进行记录。
通过路基填筑高程记录表,我们可以很清晰地了解到每个填筑位置的实际填筑高程和偏差值,从而可以更好地控制填筑质量。
以下是记录表的优点:方便记录和查询:表格的形式使得我们可以快速地记录每个位置的填筑高程和偏差值,同时也方便我们查询历史数据。
提高工程质量:通过与设计高程的比较,我们可以及时发现填筑过程中的问题,并及时采取措施进行修正,从而保证工程质量。
利于数据分析:记录表中的数据可以进行统计分析,以便我们更好地了解整个工程的填筑情况,为后续的工程提供参考。
保证数据准确性:表格的形式可以避免口头传达或者纸质文件容易出现的错误,保证数据的准确性。
方便沟通协作:表格的形式使得各个部门之间的沟通协作更加方便,可以更好地协同工作。
路基填筑高程记录表可以应用于各种类型的工程建设中,如公路、铁路、水利等。
在这些工程中,填筑高程的控制都是至关重要的。
通过记录表的应用,我们可以更好地控制填筑质量,保证工程的安全性和稳定性。
路基填筑高程记录表是一种有效的工具,可以帮助我们更好地记录和控制路基填筑高程。
通过表格的形式,我们可以清晰地了解每个位置的填筑情况,及时发现和解决问题,保证工程质量。
表格的应用也方便了各个部门之间的沟通协作,提高了工作效率。
因此,我们应该在工程建设中广泛应用路基填筑高程记录表,提高工程的质量和安全性。
在建筑工程中,监理工作是确保工程质量的关键环节。
其中,旁站监理作为监理工作的重要组成部分,对于工程质量的控制具有举足轻重的作用。
石方路基填筑压实度检测方法l 填料的物理性能(1)在开山处取代表性大块石料12块加工成50× 50×50mm正方体,测定浸水48h后的饱和抗压强度,实测值为48.2MPa,符合土石很填石料强度大于15MPa的要求。
另外在二次倒运料场取已解小后的代表性土样200kg风干,用四分法缩分至l00kg,因粒径较大先人工筛除大于60mm的粒料并计算占总质量的百分比,是否在25%-70%的范围内,实测值为32%属于土石混填。
余下的试样缩分至5000g 烘干至恒量,剔除大于60mm的32%(1600g)剩余3400g,按照JTJ05l—93中(JTJ115—93)筛分法进行试验并计算通过量,该土属于含细粒土砾(GF)l。
如小于0.074mm的试样大于15%需做土的界限含水量试验。
(2)标准击实。
在《公路路基施工技术规范》的7.8.2节规定,其标准干密度应根据每一种填料的不同含石量的最大干密度作出标准干密度曲线。
但是根据JTJ051—93(T0131—93)中大试筒适用于粒径不大于38mm的土。
另外,当试样中有大于38mm颗粒时,应先取出大于38mm颗粒,并求出百分率。
再对小于38mm部分进行击实试验,对试验所得最大干密度和最佳含水量进行校正。
当大于38mm 颗粒含量大于30%时就不宜用击实方法,也无法进行校正。
(3)根据以上分析,决定采用JTJ058—2000中T0308—2000(粗集料密度及吸水率试验)(广口瓶法)测大于5mm以上试样的毛体积密度。
首先按四分法取5000g大于5mm的试样,把大于广口瓶直径的试样破碎至易于进出广口瓶。
将破碎后的试样放人容器中冲洗干净,浸水24h。
同时用5000ml细口瓶在室温储存l瓶饮用水备用。
如浸水24h后,试样仍不干净,再继续把试样洗干净,直到水清澈为止。
再用5000m1细口瓶中的水浸泡试样2h以上。
将试样装入广口瓶中。
装试样时,广口瓶应倾斜放置缓缓注入饮用水,用玻璃片覆盖瓶口以上下左右摇晃的方法排出气泡。
路基填石试验段施工总结一、工程概况本项目路基填方共为46.3万方,其中路基填石方在40.1万方,为了更好的控制路基填石方的压实质量,现选择本标段的K30+740—K22+930段路基填方段左幅79层作为填石路堤试验段。
二、填石方试验段工作内容及目的选取K30+740-K30+930填方段79层作为填石路堤试验路段,通过现场有效的施工方法使填料达到规定的压实度,试验时记录:压实设备类型、最佳组合方式;碾压遍数及碾压速度、工序;每层材料的松铺厚度、压实厚度、松铺系数等。
通过试验段,确定填石路堤施工正确的压实方法,达到规定的密实度所需压路机的类型、组合方式、压实遍数、松铺厚度、压实厚度、松铺系数等试验参数,形成总结报告上报经监理工程师批准后,作为今后填石路堤施工质量控制的依据。
三、详细方法和工作程序1.施工中所采用的标准中华人民共和国交通部部颁标准《公路路基施工技术规范》.2. 路基填筑施工方案2.1施工准备机械安排: 1、 CAT320D挖掘机1台,用于挖方取土装车。
2、东风自卸车6部,用于运输填料3、山推160推土机1台,用于清表及填筑摊铺4、山推20T压路机1台,用于压实填方检测设备: 1、山推20压路机1台,工作性能为:三档静压8.9km/h,二档弱振5。
1km/h,一档强振1.7km/h2、水准仪 1台3、全站仪: 1台人员安排:唐伟:施工负责人曾祥喜:技术负责人房文江:安全负责人石兴玲:质检工程师王文:负责测量罗学军:试验工程师另配民工9人,4人用于现场试验及测量检测,5人用于边坡码砌和配合机械补平等工作.2.2 场地准备本路段第1~78层为填土路基,路基压实度、宽度、平整度等均符合规范要求.2。
3 测量放样测量人员用由监理工程师确认的导线点放出路线中线及边线,并测量填方位置的中边桩。
2.4 填石路堤试验段施工2.4.1本段路基最大填方高度大于36米,路堤1~78层为填土路基。
填石路堤试验段第79层直接填筑在其上面。
遵义毕节高速公路填石路基试验段成果报告十二标中铁十六局第三工程有限公司遵毕高速公路十二标项目经理部二○一〇年七月二十五日填石路基试验段施工总结我标段于2010年5月5日开始进行石方路基试验段施工,施工段落为K1680+140~K1680+300段落,长160米,试验段于2010年7月25日成功完成。
现将填石路基试验段施工进行总结。
一、工程概况路基宽度:路基宽度采用24.50米,其中:行车道宽2*2*3.75,硬路肩宽2*2.5m(含右侧路缘带),中间带宽3.0m(中央分隔带宽2.0m,路缘带宽2*0.5m),土路肩宽2*0.75m。
二、试验段目的1、验证填筑材料的合适性及室内土工试验数据的准确性。
2、验证填筑材料的最佳含水量。
3、确定填筑层厚度及松铺系数。
4、确定碾压方案及机械最佳组合方案。
5、验证现场施工组织的合理性。
三、试验段施工人员和机械1、施工管理人员配备技术总负责人:朱小坚现场组织总负责人:唐三彩现场技术负责人:陈海巍质检工程师:张奎彬测量负责人:税小峰试验负责人:张邦华专职安全员:王耀明2、施工机械配备振动压路机:2台挖掘机:2台自卸运输车:4辆推土机:1台洒水车:1台四、试验段施工过程1、技术交底:填筑路基试验段施工前,我们于2010年5月5日由现场技术员向工段和班组长进行了书面技术交底,内容包括施工方法、技术数据、质量与安全措施等。
2、测量放样:先对设计单位交出的基桩(导线点、水准点)进行复测,并报请工程师确认无误后,按施工图设计测定出临时水准点,报请工程师确认,作为整个施工过程中的基桩,并妥善固定保护,定期复测,按施工图放出路基中线桩(每20m一个),测出各桩点相应高程,恢复中线并放出边线。
3、清表:清除原地面30cm表土,整平碾压合格至合格标准,局部坑洼不平处分层填筑20cm厚的合格填料进行找平,并将坑穴用砂性土填平夯实,用振动压路机对基底进行碾压,碾压宽度为左右侧护坡道外边缘内。
土石混填路基沉降差检测方法一、观察路基表面情况1.观察路基表面是否出现裂缝、变形、沉降等情况。
这些情况可能会对路基的稳定性和安全性造成影响,需要进行及时的检测和处理。
2.观察路基表面的排水情况,确保排水系统畅通,防止水对路基的侵蚀和破坏。
二、设置观测点并测量初始高程1.使用水准仪等测量仪器,在路基两侧设置观测点,测量初始高程。
观测点的设置应考虑路基的大小和形状,以及可能出现的变形和沉降情况。
2.记录观测点的位置和初始高程,作为后续观测的基础数据。
三、定期观测记录沉降数据1.定期观测记录观测点的沉降数据,计算沉降差。
观测频率应根据路基的特性和实际情况进行设定,一般应至少每周观测一次。
2.记录观测时间和沉降数据,并计算每个观测点的沉降差。
沉降差可以通过计算相邻观测点高程之差得出。
四、整理分析沉降差数据1.将沉降差数据整理成表格,分析沉降差的变化趋势。
通过观察和比较不同观测点之间的沉降差变化,可以了解路基在不同位置的变形和沉降情况。
2.分析沉降差变化趋势,预测未来可能出现的变形和沉降情况,为采取相应措施提供依据。
五、采取相应措施进行处理1.根据沉降差变化情况,采取相应措施进行处理。
如果路基出现较大的沉降差,需要采取加固措施,如打桩、换填等,以提高路基的稳定性和安全性。
2.如果路基表面出现裂缝或变形,需要进行修复处理,以确保路面的平整度和安全性。
3.根据实际情况,调整路基的设计和施工方案,以优化路基的性能和质量。
4.加强路基的养护和管理,定期进行检查和维护,确保路基的正常使用和安全运行。
六、建立沉降观测档案1.对每次观测的结果进行记录,包括观测时间、观测点位置、沉降数据等,建立完整的沉降观测档案。
2.沉降观测档案应保存完好,以备查验和分析。
七、与其他监测手段结合1.在进行沉降差检测的同时,可以结合其他监测手段,如地质钻探、大地测量、GPS监测等,以更全面地了解路基的变形和沉降情况。
2.多种监测手段的结合还可以对路基的性能做出更准确的评估,为采取相应的处理措施提供科学依据。
xxxxxxxxxx清理与掘除现场原始记录承包单位:合同号:注:清理总面积(需注明清理宽度、长度,列出具体计算式)xxxxxxxxxx拆除工程原始记录承包单位:合同号:注:1、拆除工程要有拆除前、中、后的图像反映,不参与评定;2、拆除总面积或方量要画出简图,标注主要结构部位尺寸,并列出计算式,当该表计算图式附不下时,另加附件;xxxxxxxxxx挖除非适用材料原始记录承包单位:合同号:施工现场技术负责人:记录:监理员:日期:DLJ-04xxxxxxxxxx路堤施工原始记录承包单位:合同号:注:1、压实度每100m范围内至少三点;2、每100m路段挖填交界处或施工段分界处为填表段落。
DLJ-05xxxxxxxxxx路基填方分层压实资料汇总表承包单位:合同号:施工现场技术负责人:制表:监理员:日期:xxxxxxxxxx填土(石)路堤现场检查记录承包单位:合同号:施工现场技术负责人:记录:监理员:日期:xxxxxxxxxx路堑施工原始记录承包单位:合同号:注:1、压实度每100m三点;2、每100m路段挖填交界处或施工段分界处为填表段落DLJ-08xxxxx路槽施工原始记录承包单位:合同号:施工现场技术负责人:记录:监理员:日期:DLJ-09xxxxx路基边坡坡度检查原始记录承包单位:中交第二航务工程局有限公司合同号:BDG施工现场技术负责人:记录:复核:监理员:日期:DLJ-10xxxxxxxxxx路基宽度检测原始记录承包单位:合同号:施工现场技术负责人:测量:监理员:日期:DLJ-11xxxxxxxxxx施工期沉降原始记录承包单位:合同号:施工现场技术负责人:记录:监理员:日期:DLJ-12xxxxxxxxxx侧向位移原始记录承包单位:合同号:施工现场技术负责人:记录:监理员:日期:DLJ-13xxxxxxxxxx路基填筑高程、宽度、厚度原始记录承包单位:合同号:施工现场技术负责人:记录:监理员:日期:DLJ-14xxxxxxxxxx回弹弯沉值检测记录承包单位:合同号:施工现场技术负责人:计算:监理员:日期:xxxxxxxxxx路基、路面压实度检测汇总承包单位:合同号:监理单位:编号:注:1、距路槽顶面高度表示方法:路槽以下为负,路槽以上为正;2、检测方式在备注栏中注明。
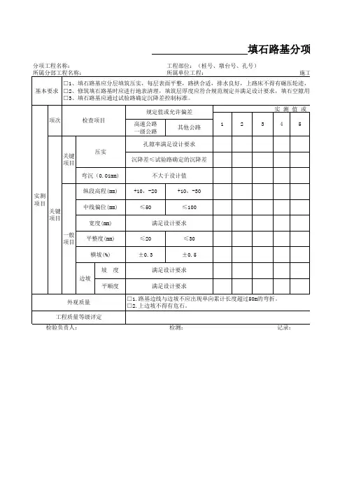
填石路基沉降差观测要求
1、测量方法
沉降差测量方法采用埋置钢球法,压路机静压一遍,将钢球压入填料中,在钢球顶部立尺进行第一次读数,然后振压一遍仍在钢球顶部立尺进行第二次读数,同一钢球两次读数差值即为沉降差。
沉降差不得大于试验段确定的沉降差。
2、测量设备
为保证沉降差观测精度,沉降差测量设备应采用测微器或电子水准仪,测尺采用铟钢尺。
3、检测频率
每40m检测一个断面,每断面检测5-9点,根据检测路段实际情况可适当增加检测频率。
4、碾压设备
测量沉降差采用的压实设备应与该段落填筑时采用的压实设备吨位相同。
第五章路基工程路基工程施工质量验收划分为单位工程、分部工程、分项工程和检验批。
单位工程应按一个完整工程或一个相当规模的施工范围划分,并按下列原则确定:(1)一个区间或一个车站的正线路基为一个单位工程。
(2)一个施工单位担负的路基施工长度为一个单位工程。
(3)特别大型的支挡结构可作为一个单位工程。
分部工程应按一个完整部位或主要结构及施工阶段划分。
分项工程应按工种、工序、材料、施工工艺等划分。
检验批可根据施工及质量控制和验收需要按施工段或部位等划分。
路基工程的分部工程、分项工程和检验批的划分及编号应符合下列各表的规定:路基分部工程、分项工程和检验批的划分及编号(路基单位工程编号0201)原地面平整、碾压检验批质量验收记录表说明主控项目1.设计不作特别处理的地基,经平整、夯压后,其表面应无杂草、树根、腐殖土。
地下水出露处的处理应满足设计要求。
检验数量:施工单位、监理单位全部检查。
检验方法: 观察、核对。
2.当路堤高度小于2.5 m时,其地基压实质量(除块石类混合料外)应采用双指标控制,压实质量标准应符合下表的规定;不同种类地基土的控制指标应符合下列规定:(1)细粒土和黏砂土,应采用压实系数和地基系数;(2)砂类土(黏砂土除外)应采用相对密度和地基系数;(3)砾石类土和碎石类土,应采用孔隙率和地基系数;(4)块石类混合料,应采用地基系数。
路基基床的压实标准注:①K h为重型击实试验的压实系数。
②K30为30 cm直径荷载板试验得出的地基系数,一般取下沉量为0.125 cm时的荷载强度。
检验数量:施工单位每100 m等间距检验4个点。
监理单位每200 m见证检验2个点。
检验方法:根据地基土的种类,按下表规定的方法检验。
压实质量的检测方法一般项目1.地面横坡陡于1∶5时,应按设计在原地面开挖台阶,台阶宽度不小于1 m。
检验数量:施工单位检验9个点。
检验方法:尺量,水准测量。
换填地基检验批质量验收记录表说明主控项目1.换填所用的填料种类、质量、使用范围应符合设计要求。
土石方回填压实检测方案一、工土石方回填压实检测方案(监督编号:BT )1、工程名称:沿河县坝坨片区县城至沙坨主干道工程2、回填土类别:土石比例为2:8回填位置(部位):主干道路基3、回填总面积:S二分密实度(或压实度)设计值:M94%4、回购单位:沿河土家族自治县人民政府4、建设单位:沿河惠得房地产开发有限公司5、地勘单位:6、设计单位:重庆建工集团股份有限公司设计研究院7、施工单位:贵州省凯里路桥工程公司二、检测目的:1、标准击实试验完成后即在施工现场安排碾压试验,碾压试验LI地。
2、核查土石料压实后是否能够达到设计•压实干密度值。
3、选择合理的施工压实参数:铺石厚度、石块限制粒径、含水量的适用范围、压实方法和压实遍数。
4、通过对场坪土石方回填压实采用重型振动压路机分层碾压,最大松铺土石方厚度为30 cm、40 cm、50 cm振动压路机压实,分别进行4遍、6遍、8遍、10遍碾压后观测其沉降量,找出填石场坪回填最经济、压实效果最好的厚度及碾压遍数,指导本项U回填压实场坪施工。
三、试验依据及规范:1、根据场坪土石方回填设计施工图纸及总说明。
2、《建筑地基基础工程施丄质量验收规范》GB 50202-20023、《建筑地基处理技术规范》JGJ 79-20024、《土工试验方法标准》GB/T 50123-1999及其他有关规定。
5、根据沿河县环保部门相关:安全文明施工、环境保护、降尘防尘控制规定。
四、劳动力计划:五、回填总体工艺流程:1、工艺流程如下:场坪基底清理一-检查验收一-回填料选取一-用推土机摊铺一-人工辅助找平一-分层松铺回填一-碾压压实施工操作一-压实度测试一-下道工序回填施工。
六、施工现场碾压试验:1、按30 cm填层现场试验:在处理好的地基上纵向10m,横向5m采用口灰画好方格,在挖方区经放炮松动后用挖掘机装车填料,30T双后桥自卸汽车运输,运至现地后卸料,卸料时每一方格倒一车,待场地卸满后,用推土机进行摊铺,人工辅助整平(控制石料粒径不大于10cm,大于10cm的石料人工打碎)。
西安市二级公路网化工程蓝田安村至周至哑柏公路土方路基工程质量检查表目录西安市二级公路网化工程蓝田安村至周至哑柏公路开工前路线中桩测量记录表合同段西安市二级公路网化工程蓝田安村至周至哑柏公路路基填筑前地面处理检查表合同段西安市二级公路网化工程蓝田安村至周至哑柏公路压实度试验记录表(环刀法)合同段西安市二级公路网化工程蓝田安村至周至哑柏公路压实度试验记录表(灌砂法)合同段装订线西安市二级公路网化工程蓝田安村至周至哑柏公路路基压实度检查汇总表合同段工程名称检查日期起讫桩号要求压压实度检测值(%)实度(%)1 2 3 4 5 6 7 8 9 10 11 12 13 14 15 16 17 18评定计算结果n== S= Kmin= K0= K=-taS/=填表人负责人日期监理工程师意见:签名:年月日装订线西安市二级公路网化工程蓝田安村至周至哑柏公路路基压实度评定表合同段工程名程桩号要求压实度K0测点数n平均值标准差S代表值K最小值Kmin合格率(%)评定得分填表人负责人日期西安市二级公路网化工程蓝田安村至周至哑柏公路冲击压实施工检查表合同段:西安市二级公路网化工程蓝田安村至周至哑柏公路标贯试验记录表合同段:西安市二级公路网化工程蓝田安村至周至哑柏公路强夯施工记录表合同段:西安市二级公路网化工程蓝田安村至周至哑柏公路弯沉测定记录及计算表合同段西安市二级公路网化工程蓝田安村至周至哑柏公路路基、路面弯沉检测结果表合同段西安市二级公路网化工程蓝田安村至周至哑柏公路路基标高检查表合同段:------------------------------------------------------- 装订线 ------------------------------------------------------西安市二级公路网化工程蓝田安村至周至哑柏公路中线(轴线)偏位检查记录表合同段工程名称检查日期检查路段设计坐标实测坐标偏差(mm)实际偏差序号桩号X Y X Y X Y西安市二级公路网化工程蓝田安村至周至哑柏公路路基、横坡度检查表合同段西安市二级公路网化工程蓝田安村至周至哑柏公路路基宽度检查表合同段西安市二级公路网化工程蓝田安村至周至哑柏公路路基平整度检查表合同段西安市二级公路网化工程蓝田安村至周至哑柏公路路基单级边坡度检查表合同段西安市二级公路网化工程蓝田安村至周至哑柏公路路基多级边坡度检查表合同段西安市二级公路网化工程蓝田安村至周至哑柏公路路基填筑分层质量检查表合同段长安区五台街道旅游专线南延伸段工程水准测量记录表工程名称:天气:记录:负责:年月日西安市二级公路网化工程蓝田安村至周至哑柏公路中间交验证书。
探讨填石路基施工质量与沉降检测评价一、引言填石路基是公路施工路基处置的一种常见方式。
其主要原理是通过填筑料对路基填充作业后采用推土机对施工路基段摊铺整平,然后采用压路机对施工段进行压实作业,使填筑料之前的松散接触状态变为咬合状态从而构建新的路基体系。
此种方法的应用能够极大的降低路面沉降系数,最大可能的延长路面使用寿命与公路使用的安全性。
但是,与此种施工方式的成熟所不适应的是,现阶段针对填石路基施工条件的质量控制与沉降检测评价体系研究还很不完善。
少数现有的研究也多集中在实验层面上对其沉降系数的测定等领域。
对于能够指导实践,或者能够直接对于该施工模式提供科学评价依据的标准与方法还没有完全完善,这对于施工方的实际施工以及验收方的实际标准应用提出了挑战。
此外,由于该体系的评价指标缺失,也为后续公路的维护及其相关修缮的科学性制造了客观的障碍。
在这样的背景下,本文对填石路基施工质量与沉降监测评价体系进行了系统的研究,旨在为今后的相关施工提供可参考依据,同时为后续的质量检测与评价体系的建立提供必要的理论与指导基础。
二、填石路基施工质量的控制填石路基的质量控制是指在填石路基施工过程中对其进行质量保障的根本手段,从现阶段的施工实践来看,主要可以分为密度控制以及沉降监测控制两种方式在填石路基修筑中,现有采用干密度、相对沉降量法(或沉降差)以及振动台法和表面振动压实仪法来检测填石路基的压实情况。
填石路基压实干密度尽管和填土路基的测定原理一样,但检测方法仍有差异,例如河南省某高速公路曾采用振动台法和表面振动压实仪法对填石路基进行过检测试验,但在确定填石路基最大干密度时误差较大。
在沉降差检测中,其检测结果有一定的波动,为了控制压实质量,在检测标准中,必须对检测结果的波动范围做出限制。
从全线试验路段观测结果来看,一般6遍后,相对沉降量基本稳定,其标准差一般小于3mm,所以在以相对沉降量作为检测标准时,规定相对沉降量各值不大于5mm,标准差不大于3mm,但对于各条公路,也允许有不同的标准,具体施工工艺数据可依据试验段总结指导施工。