路基沉降观测记录表(沉降板)(精细模板)
- 格式:xls
- 大小:51.00 KB
- 文档页数:2
精品文档,放心下载,放心阅读沉降观测记录工程名称:御品香樟4#楼编号:00-06-B01沉降观测结果表观测精品文档,超值下载点编号第 1 次第 2 次第 3 次第 4 次2013年10月25 日2013年11 月15 日2013年12月 2 日2013年12 月12 日标高(m)沉降量(mm)标高(m)沉降量(mm)标高(m)沉降量(mm)标高(m)沉降量(mm) 本次累计本次累计本次累计本次累计M1 92.674 0 0 92.673 1 1 92.673 0 1 92.672 1 2 M2 92.670 0 0 92.668 2 2 92.668 0 2 92.667 1 3 M3 92.651 0 0 92.651 0 0 92.650 1 1 92.650 0 1 M4 92.660 0 0 92.659 1 1 92.658 1 1 92.658 0 2 M5 92.676 0 0 92.675 1 1 92.675 0 1 92.675 0 1 M6 92.659 0 0 92.659 0 0 92.659 0 0 92.658 1 1 M7 92.665 0 0 92.664 1 1 92.663 1 2 92.662 1 3 M8 92.658 0 0 92.657 1 1 92.657 0 1 92.657 0 1 M9 92.670 0 0 92.670 0 0 92.670 0 0 92.669 1 1 工程状态完成一层柱二层梁板完成三层柱四层梁板完成五层柱六层梁板完成七层柱八层梁板观测者记录者项目专业技术负责人沉降观测记录工程名称:御品香樟4#楼编号:00-06-B02沉降观测结果表观测点编号第 5 次第 6 次第7 次第8 次2013年12 月25 日2014年 1 月9 日2014年 3 月15 日2014年 3 月28 日标高(m)沉降量(mm) 标高(m)沉降量(mm) 标高(m)沉降量(mm) 标高(m)沉降量(mm) 本次累计本次累计本次累计本次累计M1 92.672 0 2 92.671 1 3 92.671 0 3 92.671 0 3 M2 92.667 0 3 92.667 0 3 92.667 0 3 92.667 0 3 M3 92.649 1 2 92.649 0 2 92.649 0 2 92.649 0 2 M4 92.658 0 2 92.658 0 2 92.658 0 2 92.657 1 3 M5 92.675 0 1 92.675 0 1 92.674 1 2 92.674 0 2 M6 92.658 0 1 92.657 1 2 92.657 0 2 92.657 0 2 M7 92.662 0 3 92.662 0 3 92.662 0 3 92.662 0 3 M8 92.657 0 1 92.657 0 1 92.657 0 1 92.656 1 2 M9 92.668 1 2 92.668 0 2 92.668 0 2 92.668 0 2 工程状态完成九层柱十层梁板完成十一层柱十二层梁板完成十三层柱十四层梁板完成十五层柱十六层梁板观测者见证人项目专业技术负责人沉降观测记录工程名称:御品香樟4#楼编号:00-06-B03沉降观测结果表观测点编号第9 次第10 次第11 次第12 次2014年4月22 日2014年 5 月7 日2014年 5 月17 日2014年 6 月24 日标高(m)沉降量(mm) 标高(m)沉降量(mm) 标高(m)沉降量(mm) 标高(m)沉降量(mm) 本次累计本次累计本次累计本次累计M1 92.670 1 4 92.669 1 5 92.669 0 5 92.669 0 5 M2 92.666 1 4 92.666 0 4 92.664 0 4 92.664 0 4 M3 92.649 0 2 92.649 0 2 92.647 2 4 92.647 0 4 M4 92.655 2 5 92.655 0 5 92.655 0 5 92.655 0 5 M5 92.674 0 2 92.672 2 4 92.672 0 4 92.670 2 6 M6 92.657 0 2 92.657 0 2 92.657 0 2 92.657 0 2 M7 92.662 0 3 92.662 0 3 92.662 0 3 92.662 0 3 M8 92.656 0 2 92.655 1 3 92.654 1 4 92.653 1 5 M9 92.667 1 3 92.666 1 4 92.666 0 4 92.665 1 5 工程状态完成十七层柱十八层梁板完成十九层柱二十层梁板完成二十一层柱二十二层梁板完成二十三层柱二十四层梁板记录者见证人项目专业技术负责人沉降观测记录工程名称:御品香樟4#楼编号:00-06-B04沉降观测结果表观测点编号第13 次第14 次第15 次第16 次2014年7 月12 日2014年8 月 4 日2014年8 月26 日2014年9 月30 日标高(m)沉降量(mm) 标高(m)沉降量(mm) 标高(m)沉降量(mm) 标高(m)沉降量(mm) 本次累计本次累计本次累计本次累计M1 92.669 0 5 92.669 0 5 92.669 0 5 92.669 0 5 M2 92.664 0 4 92.664 0 4 92.664 0 4 92.664 0 4 M3 92.647 0 4 92.647 0 4 92.647 0 4 92.647 0 4 M4 92.655 0 5 92.655 0 5 92.655 0 5 92.655 0 5 M5 92.670 0 6 92.670 0 6 92.670 0 6 92.670 0 6 M6 92.656 1 3 92.656 0 3 92.656 0 3 92.655 1 4 M7 92.662 0 3 92.663 1 4 92.663 0 4 92.663 0 4 M8 92.653 0 5 92.653 0 5 92.653 0 5 92.653 0 5 M9 92.665 0 5 92.665 0 5 92.665 0 5 92.665 0 5工程状态完成二十五层柱二十六层梁板完成二十七层柱二十八层梁板完成二十九层柱三十层梁板完成三十一层柱屋面梁板观测者记录者见证人项目专业技术负责人沉降观测记录工程名称:御品香樟4#楼编号:00-06-B05沉降观测结果表观测点编号第17 次第18 次第19 次第20 次2014年10月10日2014年11 月10日2014年12 月 5 日2015年1 月5 日标高(m)沉降量(mm) 标高(m)沉降量(mm)标高(m)沉降量(mm)标高(m)沉降量(mm) 本次累计本次累计本次累计本次累计M1 92.669 0 5 92.668 1 6 92.668 0 6 92.668 0 6 M2 92.664 0 4 92.663 1 5 92.663 0 5 92.663 0 5 M3 92.647 0 4 92.647 0 4 92.645 2 6 92.644 1 7 M4 92.655 0 5 92.655 0 5 92.655 0 5 92.655 0 5 M5 92.670 0 6 92.670 0 6 92.669 1 7 92.669 0 7 M6 92.654 1 5 92.653 1 6 92.653 0 6 92.653 0 6 M7 92.663 0 4 92.663 0 4 92.663 0 4 92.662 1 5 M8 92.653 0 5 92.653 0 5 92.652 1 6 92.652 0 6 M9 92.664 1 6 92.664 0 6 92.664 0 6 92.664 0 6工程状态完成楼梯间电梯机房间柱墙屋面观测者记录者见证人项目专业技术负责人沉降观测示意图沉降观测示意图。
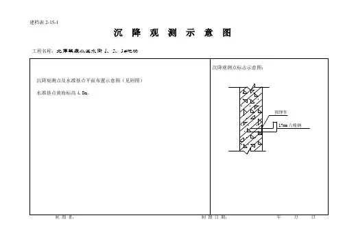
一份详细填写好的沉降观测记录表.doc建档表2-15-1沉降观测示意图工程名称:北岸琴森小区水街1、2、3#地块沉降观测点及水准基点平面布置示意图(见附图)水准基点黄海标高4.0m。
沉降观测点标志示意图:···········预埋件·····17mm六棱钢······制图者:制图日期:年月日建档表2-15-2沉降观测记录工程名称:北岸琴森小区水街 1 #地块沉降观测结果表观测点编号第 1 次第 2 次第 3 次第 4 次 2004年 9 月12 日2004年 10月 26 日2004年 11月 17 日2004年 12月 25 日标高(m)沉降量(mm)标高(m)沉降量(mm)标高(m)沉降量(mm)标高(m)沉降量(mm)本次累计本次累计本次累计本次累计1 4.074 0 0 4.703 1 1 4.703 0 1 4.702 1 22 4.070 0 0 4.068 2 24.0680 2 4.067 1 33 4.051 0 0 4.051 0 04.051 1 4.050 0 14 4.060 0 0 4.059 1 1 4.058 1 2 4.058 0 25 4.076 0 0 4.075 1 1 4.075 0 1 4.075 0 16 4.059 0 0 4.059 0 0 4.059 0 0 4.058 1 1工程状态观测者记录者项目经理签章:承包商质检部门意见:监理单位意见:业主意见:日期:日期:日期:日期:记录人:共()页第()页建档表2-15-2沉降观测记录工程名称:北岸琴森小区水街 1 #地块沉降观测结观测点编号第 5 次第 6 次第 7 次第 8 次 2005年 1 月19 日2005年 2月 27 日2005年 3月 20 日2005年 4月 17 日标高(m)沉降量(mm)标高(m)沉降量(mm)标高(m)沉降量(mm)标高(m)沉降量(mm)果表本次累计本次累计本次累计本次累计1 4.702 0 2 4.701 13 4.701 0 3 4.701 0 32 4.067 03 4.067 0 3 4.067 0 3 4.067 0 33 4.049 1 2 4.049 0 2 4.049 0 2 4.049 0 24 4.058 0 2 4.058 0 2 4.057 1 3 4.057 0 35 4.075 0 1 4.075 0 1 4.075 0 1 4.074 1 26 4.058 0 1 4.057 1 2 4.057 0 2 4.057 0 2工程状态观测者记录者项目经理签章:日期:承包商质检部门意见:日期:监理单位意见:日期:业主意见:日期:记录人:共()页第()页建档表2-15-2沉降观测记录工程名称:北岸琴森小区水街 2 #地块沉降观测结果表观测点编号第 1 次第 2 次第 3 次第 4 次 2004年 9 月12 日2004年 10月 26 日2004年 11月 17 日2004年 12月 25 日标高(m)沉降量(mm)标高(m)沉降量(mm)标高(m)沉降量(mm)标高(m)沉降量(mm)本次累计本次累计本次累计本次累计1 4.048 0 0 4.047 1 1 4.047 0 1 4.047 0 12 4.056 0 0 4.056 0 0 4.056 0 0 4.055 1 13 4.045 0 0 4.043 2 2 4.043 0 2 4.043 0 24 4.053 0 0 4.052 1 1 4.052 0 1 4.051 1 2工程状态观测者记录者项目经理签章:日期:承包商质检部门意见:日期:监理单位意见:日期:业主意见:日期:记录人:共()页第()页建档表2-15-2沉降观测记录工程名称:北岸琴森小区水街 2 #地块沉降观测结果表观测点编号第 5 次第 6 次第 7 次第 8 次 2005年 1 月19 日2005年 2月 27 日2005年 3月 20 日2005年 4月 17 日标高(m)沉降量(mm)标高(m)沉降量(mm)标高(m)沉降量(mm)标高(m)沉降量(mm)本次累计本次累计本次累计本次累计1 4.047 0 1 4.046 12 4.046 0 2 4.046 0 22 4.055 0 1 4.055 0 1 4.054 1 2 4.054 0 23 4.043 0 2 4.043 0 2 4.043 0 2 4.042 1 34 4.051 0 2 4.051 0 2 4.051 0 2 4.051 0 2工程状态观测者记录者项目经理签章:承包商质检部门意见:监理单位意见:业主意见:日期:日期:日期:日期:记录人:共()页第()页建档表2-15-2沉降观测记录工程名称:北岸琴森小区水街 3 #地块沉降观测结果表观测点编号第 1 次第 2 次第 3 次第 4 次 2004年 9 月12 日2004年 10月 26 日2004年 11月 17 日2004年 12月 25 日标高(m)沉降量(mm)标高(m)沉降量(mm)标高(m)沉降量(mm)标高(m)沉降量(mm)本次累计本次累计本次累计本次累计1 4.060 0 0 4.059 1 1 4.059 0 1 4.058 1 22 4.056 0 0 4.054 2 2 4.054 0 2 4.054 0 2工程状态观测者记录者项目经理签章:日期:承包商质检部门意见:日期:监理单位意见:日期:业主意见:日期:记录人:共()页第()页建档表2-15-2沉降观测记录工程名称:北岸琴森小区水街 3 #地块沉降观观测点第 5 次第 6 次第 7 次第 8 次 2005年 1 月19 日2005年 2月 27 日2005年 3月 20 日2005年 4月 17 日测结果表编号标高(m)沉降量(mm)标高(m)沉降量(mm)标高(m)沉降量(mm)标高(m)沉降量(mm)本次累计本次累计本次累计本次累计1 4.058 02 4.057 13 4.057 0 3 4.057 0 32 4.054 0 2 4.054 0 2 4.054 0 2 4.054 0 2工程状态观测者记录者项目经理签章:日期:承包商质检部门意见:日期:监理单位意见:日期:业主意见:日期:记录人:共()页第()页建档2-15-1沉降观测示意图工程名称:北岸琴森小区三期B区1#楼沉降观测点标志示意图:沉降观测点及水准基点平面布置示意图:水准基点黄海标高3.175m。
建档表2-15-1沉降观测示意图工程名称:北岸琴森小区水街1、2、3#地块制图者:制图日期:年月日建档表2-15-2沉降观测记录工程名称:北岸琴森小区水街 1 #地块记录人:共()页第()页建档表2-15-2沉降观测记录工程名称:北岸琴森小区水街 1 #地块记录人:共()页第()页建档表2-15-2沉降观测记录工程名称:北岸琴森小区水街 2 #地块记录人:共()页第()页建档表2-15-2沉降观测记录工程名称:北岸琴森小区水街 2 #地块记录人:共()页第()页建档表2-15-2沉降观测记录工程名称:北岸琴森小区水街 3 #地块记录人:共()页第()页建档表2-15-2沉降观测记录工程名称:北岸琴森小区水街 3 #地块记录人:共()页第()页建档2-15-1沉降观测示意图工程名称:北岸琴森小区三期B区1#楼沉降观测示意图工程名称:北岸琴森小区三期B区2#楼制图者:制图日期:年月日沉降观测示意图工程名称:北岸琴森小区三期B区4#楼沉降观测示意图工程名称:北岸琴森小区三期B区3#楼制图者:制图日期:年月日建档表2-15-2沉降观测记录工程名称:北岸琴森小区三期B区 1 #楼建档表2-15-2沉降观测记录工程名称:北岸琴森小区三期B区 1 #楼记录人:共()页第()页建档表2-15-2沉降观测记录工程名称:北岸琴森小区三期B区 1 #楼建档表2-15-2沉降观测记录工程名称:北岸琴森小区三期B区 1 #楼记录人:共()页第()页建档表2-15-2沉降观测记录工程名称:北岸琴森小区三期B区 1 #楼记录人:共()页第()页建档表2-15-2沉降观测记录工程名称:北岸琴森小区三期B区 2 #楼记录人:共()页第()页建档表2-15-2沉降观测记录工程名称:北岸琴森小区三期B区 2 #楼建档表2-15-2沉降观测记录工程名称:北岸琴森小区三期B区 2 #楼记录人:共()页第()页建档表2-15-2沉降观测记录工程名称:北岸琴森小区三期B区 2 #楼建档表2-15-2沉降观测记录工程名称:北岸琴森小区三期B区 2 #楼记录人:共()页第()页建档表2-15-2沉降观测记录工程名称:北岸琴森小区三期B区 3 #楼建档表2-15-2沉降观测记录工程名称:北岸琴森小区三期B区 3 #楼记录人:共()页第()页建档表2-15-2沉降观测记录工程名称:北岸琴森小区三期B区 3 #楼记录人:共()页第()页建档表2-15-2沉降观测记录工程名称:北岸琴森小区三期B区 4 #楼记录人:共()页第()页建档表2-15-2沉降观测记录工程名称:北岸琴森小区三期B区 4 #楼建档表2-15-2沉降观测记录工程名称:北岸琴森小区三期B区 4 #楼建档表2-15-2沉降观测记录工程名称:北岸琴森小区三期B区 4 #楼建档表1-5-1工程定位测量记录#楼每套住宅接收记录。
建筑物沉降观测测量记录银利财富广场8#楼水准点编号永久水准点水准点高程 22. 53M丄程名称 水准点 所在位置 观测起止 日期 丄程地点 2013.2. 15 始观测性质测量仪器安徽省含山县铜闸镇银利财富广场见证观测观测点编号观测点相对标高(m)第-次2013年2月28日标咼(m)沉降量(mm)本次累计M :-2.2 -2.2 0 0-2. 25-2. 251 1 1 M 3 -2.1 -2・1 0 0 M, -2.3 -2. 301 1 1 M 5 -2.32 -2. 32 0 0 M G-2. 23-2. 23仪器名称:水准仪工程进度 状态架空层层顶梁板施工 单位项目技术负责人施测人监理(建 设)单位监理工程师(建设单位 项目专业技术负责人)银利财富广场8#楼水准点编号 永久水准点水准点高程 22. 53M工程进度 状态一层顶梁板施工 单位项目技术负责人施测人监理(建 设)单位监理工程师(建设单位 项目专业技术负责人)丄程名称 水准点 所在位置 观测起止 日期 丄程地点 2013.2. 15 始观测性质安徽省含山县铜闸镇银利财富广场见证观测观测 点编 号观测点 相对标高(m) 第二次2013年3月30日标高(m)沉降量(mm)本次累计-2・2-2. 201 1 1-2. 25-2. 252 1 2 M 3 -2. 1 -2. 101 1 1 M I -2.3 -2. 302 1 2 M 5-2. 32 -2・ 322 2 2 Ms-2.23-2. 23111仪器名称:水准仪测量仪器银利财富广场8#楼水准点编号永久水准点水准点高程 22. 53M丄程名称 水准点 所在位置 观测起止 日期 丄程地点 2013.2. 15 始观测性质测量仪器安徽省含山县铜闸镇银利财富广场见证观测观测点编号观测点相对标高(m)第二次2013年4月7日标咼(m)沉降量(mm)本次累计M :-2.2 -2. 202 1 2-2. 25-2. 252 0 2 M 3 -2.1 -2. 101 0 1 M, -2.3 -2. 303 1 3 M 5 -2.32 -2. 323 1 3 M G-2. 23-2. 23212仪器名称:水准仪工程进度 状态 二层顶梁板施工 单位项目技术负责人施测人监理(建 设)单位监理工程师(建设单位 项目专业技术负责人)建筑物沉降观测测量记录检验(建)表5・1.7-2 共6页第4页银利财富广场8#楼水准点编号 永久水准点水准点高程 22. 53M丄程名称 水准点 所在位置 观测起止 日期 2013.2. 15 始观测性质丄程地点 测量仪器安徽省含山县铜闸镇银利财富广场见证观测观测点编号观测点相对标高(m)第四次2013年5月10日标咼(m)沉降量(mm)本次累计Mi-2.2 -2. 203 1 3 M 2 -2.25 -2. 253 1 3 M 3 -2. 1 -2. 102 1 2 M I -2.3 -2. 303 0 3 M 5-2.32 -2. 323 0 3 Me-2. 23-2. 23313仪器名称:水准仪MsM BMa工程进度 状态 三层顶梁板施工 单位项目技术负责人 施测人监理(建 设)单位 监理工程师(建设单位 项目专业技术负责人)建筑物沉降观测测量扌艮验申请表日期_____________________建筑物沉降观测测量记录检验(建)表5. 1. 7-2 共页第页。
附件三:附表附表1 工程沉降变形观测准备工作检查记录表新建合肥至福州铁路(闽赣段)工程沉降变形观测准备工作检查记录表注:本表一式4份,施工、设计、监理和建设单位各1份。
附表2 工程沉降变形观测结果评估验收记录表新建合肥至福州铁路(闽赣段)工程沉降变形观测结果评估验收记录表注:本表一式5份,施工、设计、监理、咨询和建设单位各1份。
附表3 路基沉降水准测量记录表水准测量记录表(路基)测量负责人:计算:日期:复核:日期:附表4 路基沉降观测记录表(沉降观测桩)路基沉降观测记录表(沉降观测桩)工程名称:测量单位:测量负责人:复核:监理:年月日附表5 路基观测桩沉降量记录汇总表沉降观测记录表——路基观测桩沉降量记录汇总表断面里程:第页共页55附表6 路基沉降观测记录表(沉降板)路基沉降观测记录表(沉降板)测量:复核:监理:年月日附表7 路基沉降板观测记录汇总表(沉降板)沉降观测记录表——路基沉降板观测记录汇总表断面里程:第页共页单位:整理:复核:年月日57附表8 路基沉降板观测记录表(剖面管)路基沉降观测记录表(剖面管)填表:复核:监理:日期:58附表9 路基分层沉降观测记录表沉降观测记录表——路基分层沉降观测记录表里程段落:观测日期:第页共页2.每次磁环测量均需重复测量两次,并以磁环下部响声为准。
单位:测量:记录:年月日时59附表10 路基分层沉降观测记录汇总表沉降观测记录表——路基分层沉降观测记录汇总表断面里程:第页共页60附表11 路基边桩位移观测记录表沉降观测记录表——路基边桩位移观测记录表里程段落:观测日期:第页共页年月日时附表12 路基边桩位移观测记录汇总表沉降观测记录表——路基边桩位移观测记录汇总表断面里程:第页共页附表13 过渡段沉降量记录汇总表沉降观测记录表——过渡段沉降量记录汇总表第页共页附表14 桥梁墩台沉降观测汇总表桥梁墩(台)沉降观测汇总表桥梁名称_____桥梁起止里程_____填表___复核___附表15 桥梁墩(台)沉降量记录表沉降观测记录表——桥梁墩(台)沉降量记录表桥梁名称:观测日期: 第页共页附表16 桥梁墩(台)沉降量记录汇总表沉降观测记录表——桥梁墩(台)沉降量记录汇总表桥梁名称:墩(台)编号:墩(台)里程:第页共页附表17 涵洞沉降量记录表沉降观测记录表——涵洞沉降量记录表里程段落:观测日期: 第页共页附表18 涵洞沉降量记录汇总表沉降观测记录表——涵洞沉降量记录汇总表涵洞中心里程:涵洞孔径(m):涵长(m):第页共页附表19 隧道沉降量记录表沉降观测记录表——隧道沉降量记录表隧道名称:观测日期:第页共页附表20 隧道沉降量记录汇总表沉降观测记录表——隧道沉降量记录汇总表隧道名称:断面里程:第页共页附表21 横剖面沉降测试记录表横剖面沉降测试记录表填表: 日期: 复核: 日期: 监理: 日期。
建档表2-15-1沉降观测示意图工程名称:北岸琴森小区水街1、2、3#地块制图者:制图日期:年月日建档表2-15-2沉降观测记录工程名称:北岸琴森小区水街 1 #地块记录人:共()页第()页建档表2-15-2沉降观测记录工程名称:北岸琴森小区水街 1 #地块记录人:共()页第()页建档表2-15-2沉降观测记录工程名称:北岸琴森小区水街 2 #地块记录人:共()页第()页建档表2-15-2沉降观测记录工程名称:北岸琴森小区水街 2 #地块记录人:共()页第()页建档表2-15-2沉降观测记录工程名称:北岸琴森小区水街 3 #地块记录人:共()页第()页建档表2-15-2沉降观测记录工程名称:北岸琴森小区水街 3 #地块记录人:共()页第()页建档2-15-1沉降观测示意图工程名称:北岸琴森小区三期B区1#楼沉降观测点及水准基点平面布置示意图:沉降观测点标志示意图:水准基点黄海标高3.175m。
···········预埋件·····17mm六棱钢······沉降观测示意图工程名称:北岸琴森小区三期B区2#楼沉降观测点及水准基点平面布置示意图:沉降观测点标志示意图:水准基点黄海标高3.175m。
···········预埋件·····17mm六棱钢······制图者:制图日期:年月日沉降观测示意图工程名称:北岸琴森小区三期B区4#楼沉降观测点及水准基点平面布置示意图:沉降观测点标志示意图:水准基点黄海标高3.417m。
沉降观测记录表1. 引言沉降观测是土地工程中常用的测量方法,用于监测土地或建筑的沉降情况。
沉降观测记录表是记录沉降观测数据的表格,用于统计和分析土地或建筑物的沉降情况。
本文档将详细介绍沉降观测记录表的格式和填写要求。
2. 沉降观测记录表格式沉降观测记录表通常分为以下几个部分:观测点信息、观测时间、沉降量、备注等。
以下是一个示例的沉降观测记录表的格式:观测点编号观测时间沉降量(mm)备注12020年1月1日 3.222020年1月1日 2.532020年1月1日-1.8………根据具体的沉降观测需求,可以自定义增加或删除表格中的字段。
3. 填写要求观测点编号观测点编号是用来唯一标识不同的观测点,通常以数字形式表示。
观测点的编号顺序应与实际观测点的布设顺序相对应。
观测时间观测时间是指进行沉降观测的日期。
需要按照一定的时间间隔进行观测,并记录每次观测的时间。
观测时间可以按照年、月、日的格式进行记录。
沉降量沉降量是指在观测时间内土地或建筑物发生的沉降量。
沉降量通常以毫米为单位进行记录。
正值表示向下沉降,负值表示上升。
备注备注栏可以额外记录与观测点相关的其他信息,如观测条件、观测仪器等。
4. 填写示例以下是一个填写示例:观测点编号观测时间沉降量(mm)备注12020年1月1日 3.222020年1月1日 2.532020年1月1日-1.812020年2月1日 3.622020年2月1日 2.332020年2月1日-2.1………在填写观测记录表时,应严格按照观测点编号、观测时间和沉降量的顺序进行记录,确保数据的准确性和可靠性。
5. 结论沉降观测记录表是土地工程中重要的数据记录工具,用于统计和分析土地或建筑物的沉降情况。
本文档介绍了沉降观测记录表的格式和填写要求,并提供了填写示例。
在进行沉降观测时,需要认真填写沉降观测记录表,以便进行后续的数据分析和评估工作。
建档表2151之老阳三干创作沉降观测示意图工程名称:北岸琴森小区水街1、2、3#地块制图者:制图日期:年月日建档表2152沉降观测记录工程名称:北岸琴森小区水街 1 #地块共()页第()页建档表2152沉降观测记录工程名称:北岸琴森小区水街 1 #地块共()页第()页建档表2152沉降观测记录工程名称:北岸琴森小区水街 2 #地块共()页第()页建档表2152沉降观测记录工程名称:北岸琴森小区水街2#地块共()页第()页建档表2152沉降观测记录工程名称:北岸琴森小区水街 3 #地块共()页第()页建档表2152沉降观测记录工程名称:北岸琴森小区水街3 #地块记录人:共()页第()页建档2151沉降观测示意图工程名称:北岸琴森小区三期B区1#楼沉降观测点及水准基点平面安插示意图:沉降观测点标记示意图:水准基点黄海标高3.175m。
···········预埋件·····17mm六棱钢······月日沉降观测示意图工程名称:北岸琴森小区三期B区2#楼沉降观测点标记示意图:沉降观测点及水准基点平面安插示意图:水准基点黄海标高3.175m。
···········预埋件·····17mm六棱钢······月日沉降观测示意图工程名称:北岸琴森小区三期B区4#楼沉降观测点标记示意图:沉降观测点及水准基点平面安插示意图:水准基点黄海标高3.417m。
···········预埋件·····17mm六棱钢······制图者:制图日期:年月日沉降观测示意图工程名称:北岸琴森小区三期B区3#楼沉降观测点及水准基点平面安插示意图:沉降观测点标记示意图:水准基点黄海标高3.417m。
沉降变形观测准备工作检查记录表注:本表一式4份,施工、设计、监理和建设单位各1份。
沉降变形观测结果验收记录表注:本表一式6份,施工、设计、监理、咨询、评估和建设单位各1份。
改建铁路南平至龙岩线扩能改造线下工程沉降变形观测结果验收记录表注:本表一式6份,施工、设计、监理、咨询、评估和建设单位各1份。
路基沉降观测记录表(沉降观测桩)工程名称:测量单位:测点编号单位: 测量: 记录: 监理: 年月日单位: 测量: 记录: 监理: 年月日工程名称:测量单位:测点编号单位: 测量: 记录: 监理: 年月日单位: 测量: 记录: 监理: 年月日桥梁墩台沉降观测记录表工程名称:测量单位:测点编号单位: 测量: 记录: 监理: 年月日单位: 测量: 记录: 监理: 年月日隧道沉降观测记录表工程名称:测量单位:测点编号单位: 测量: 记录: 监理: 年月日单位: 测量: 记录: 监理: 年月日涵洞沉降观测记录表工程名称:测量单位:测点编号单位: 测量: 记录: 监理: 年月日单位: 测量: 记录: 监理: 年月日单位: 整理: 复核: 监理:沉降观测记录表路基边桩位移观测记录汇总表断面里程:第页共页路基沉降观测记录表(剖面管)工程名称:测量单位:填表: 复核: 监理: 日期:沉降观测记录表一一路基分层沉降观测记录表2 •每次磁环测量均需重复测量两次,并以磁环下部响声为准。
里程段落:第 页共 页观测日期:注:1每次磁环测量和沉降管管口标高测量均应对准管口固定位置。
沉降观测记录表一一路基分层沉降观测记录表单位: 记录: 监理:沉降观测记录表一一路基分层沉降观测记录汇总表断面里程:第页共页单位: 整理: 复核: 年月日沉降观测记录表一一路基边桩位移观测记录表沉降观测记录表一一路基边桩位移观测记录表断面里程边桩编号边桩位置原始标高(m)上次标高(m)本次标高(m)本次沉降(mm)沉降速率(mm / d)累计总沉降(mm)上次总水平位移(mm)本次水平位移(mm)本次总水平位移(mm)位移速率(mm / d)备注观测日期:年月日时里程段落: 第页共页单位: 记录:桥梁梁部徐变观测数据录入表测量负责人: 复核: 监理: 年月日桥梁梁部徐变观测数据录入表测量负责人: 复核: 监理: 年月日沉降设计值表单位: 填表: 年月曰里程范围:填表:复核: 监理:断链表单位:观测断面与观测点工程属性信息表测量负责人: 复核: 监理:电子水准测量记录手簿测量负责人: 复核: 监理:断咼表里程范围单位断高类型说明:正常:点位没有任何破坏或异常情况。