2017 技能大赛 高职 正式赛卷 飞机发动机拆装调试与维修 查询记录单
- 格式:doc
- 大小:37.50 KB
- 文档页数:2
2017年赣州市职业院校技能大赛电控发动机的拆装竞赛评分表选手号:抽签工位号:竞赛开始时间:时分秒竞赛结束时间:时分秒竞赛用时:时分秒裁判员:裁判长:日期:技术要求:1、在拆装过程中,下列部件不需拆下或进一步解体。
若拆下或解体,不加分;但若出现评分表中所要求扣分的情况时,则需扣分。
①发动机外围附件只需拆下,不需进一步解体。
②发动机气缸盖上的气门组零件不需进一步解体,火花塞不需拆下。
③活塞环不需要拆卸,所有的活塞连杆组不需进一步解体。
④发动机缸体内部的机油泵、集滤器等不需进一步解体。
⑤正时齿轮可不拆下。
2、螺栓拧紧要求(限本次竞赛)①曲轴主轴承盖螺栓:45 N.m;②连杆轴承盖螺栓:25 N.m;③气缸盖螺栓:29 N.m④凸轮轴轴承盖螺栓:13 N.m;⑤其他螺栓:拧到不能松动为止。
注意事项:1、在规定时间内,只完成了拆卸,没有进行任何部件安装的,本项目竞赛以零分计。
2、不可分解或不要求分解的零部件按一个零部件计算。
3、选手在操作过程中不能将工具放在机件及翻转架上以免砸到脚,因拆装工艺或顺序不对造成零部件或工具损坏不能再使用的,情节严重者,取消参赛资格,并酌情进行赔偿。
4、螺栓拧紧要求:有规定扭矩要求的必须先预紧且拧紧到规定扭矩;无规定扭矩要求的,应拧紧到不能松动为止,(平面内拆装注意:1.拆:从外到内按顺序分批次拧松;2.装:从内到外按顺序分批次按标准扭矩拧紧)5、工具选用要求:工具的选用必须逡巡:优先选用套筒扳手,其次选用梅花扳手,再次选用开口扳手,最后选用活动扳手的顺序进行拆装。
6、在装配过程中,裁判员要重点检查螺栓拧紧力矩,正时齿轮记号,曲轴轴承盖、活塞连杆组、凸轮轴轴承盖等不能互换零件的地方。
7、装配质量的检查:在选手开始拆装前,裁判员可先试一试发动机的转动阻力;在选手装配完毕后,再试一试发动机的转动阻力,两者进行对比来判断装配质量。
8、除“装配过程评定”中的“其他要求”项目外,在扣分中,若各项目的扣分总数超过配分,则最高扣分为配分。
2017年发动机气缸盖、气门组拆装检查作业评分表2017年全国职业院校技能大赛汽车运用与维修项目发动机气缸盖、气门组拆装检查作业评分表选手号码。
开始时间。
结束时间。
成绩:作业项目一、维修准备(总分值4分)1.检查发动机翻转架及发动机安装状况。
二、凸轮轴的拆卸(7.5分)1.拆卸第一道凸轮轴轴承盖1)使用合适工具按图示顺序释放分两次拧松1号凸轮轴盖力矩。
2)拆下4颗螺栓后用塑料锤轻敲以松开凸轮轴盖并将其拆下,敲打时用手扶住防止掉落。
2.拆下排气凸轮轴1)确认排气凸轮轴轴承盖标记。
2)使用合适工具以1/2至1圈的增量从内到外螺旋式一次拧松8个排气凸轮轴轴承盖螺栓固定力矩。
3)拆下8个排气凸轮轴轴承盖螺栓,注意螺栓不能互换。
4)从汽缸盖上拆下4个排气凸轮轴轴承盖6至9,并依次摆放至零件盆中。
5)取下排气凸轮轴并摆放零件盆中,注意轻拿轻放。
3.拆下进气凸轮轴1)确认进气凸轮轴轴承盖标记。
2)使用合适工具以1/2至1圈的增量从内到外螺旋式一次拧松8个进气凸轮轴轴承盖螺栓固定力矩。
3)拆下8个进气凸轮轴轴承盖螺栓,注意螺栓不能互换。
4)从汽缸盖上拆下4个进气凸轮轴轴承盖6至9,并依次摆放至零件盆中。
5)取下进气凸轮轴并摆放零件盆中,注意轻拿轻放。
三、气门挺杆拆卸(2分)1.检查气门挺柱标记。
2.使用EN-845抽吸装置(或吸棒)拆下16个气门挺柱。
标注位置可以正确区分进排气侧气门挺柱安装顺序,防止在安装过程中装错。
作业要求及注意事项分值1.检查确认工具、量具、零件及辅料。
扣分说明:未确认检查工具扣1分。
未确认检查量具扣0.5分。
未确认检查零件及辅料扣0.5分。
未检查翻转架状况扣1分。
未检查安装状况扣1分。
未使用合适工具(指针扳手)扣0.5分。
没有按规定的卸力顺序卸力扣1分。
没有分两次拧松螺栓扣1分。
未用塑料锤在规定位置敲击扣0.5分。
During disassembly。
if the order of n of the four exhaust camshaft bearing covers is not confirmed。
---发动机拆装实训报告单一、实训基本信息1. 实训日期:2023年X月X日2. 实训地点:XX汽车工程学院汽车实训中心3. 实训对象:XX级汽车维修专业学生4. 实训指导老师:XXX老师5. 实训设备:汽车发动机、拆装工具、检测仪器等二、实训目的1. 掌握汽车发动机的基本结构、工作原理及拆装工艺。
2. 培养学生的动手操作能力,提高解决实际问题的能力。
3. 增强学生对汽车发动机相关知识的理解,为今后的工作打下坚实基础。
三、实训内容1. 发动机拆卸- 了解发动机各部件的名称、位置和作用。
- 按照正确的顺序和步骤进行发动机拆卸。
- 熟练使用各种拆装工具,如扳手、套筒、扭力扳手等。
- 注意拆卸过程中各部件的放置和标记,以便于后续安装。
2. 发动机分解- 拆卸下的发动机部件进行分解,观察各部件的磨损情况。
- 记录各部件的尺寸、磨损程度等信息,为后续维修提供依据。
- 对发动机各部件进行分类、清洗和检测。
3. 发动机组装- 按照正确的顺序和步骤进行发动机组装。
- 注意各部件的安装位置和紧固程度。
- 使用扭力扳手等工具进行紧固,确保各部件连接牢固。
4. 发动机试车- 对组装完成的发动机进行试车,检查发动机工作情况。
- 记录发动机的运行数据,如转速、油耗等。
- 对试车过程中出现的问题进行分析和解决。
四、实训过程1. 拆卸过程- 学生在老师的指导下,按照拆卸步骤进行操作。
- 注意拆卸过程中各部件的标记和放置,以便于后续组装。
2. 分解过程- 学生对拆卸下的发动机部件进行分解,观察各部件的磨损情况。
- 记录各部件的尺寸、磨损程度等信息。
3. 组装过程- 学生在老师的指导下,按照组装步骤进行操作。
- 注意各部件的安装位置和紧固程度。
4. 试车过程- 学生对组装完成的发动机进行试车,检查发动机工作情况。
- 记录发动机的运行数据。
五、实训收获1. 学生掌握了汽车发动机的基本结构、工作原理及拆装工艺。
2. 提高了学生的动手操作能力和解决实际问题的能力。
陕西正大技师学院汽车工程系第一届汽车维修技能竞赛
评分记录表
项目:发动机气缸盖拆装成绩总分:参赛组员:
技术要点评分记录表
序号项目内容评分规则标准得分
1 工具
选用
选取工具和
使用
多选或少选扣5分
工具选择使用
正确10分
错误使用工具扣5分
2
发动机
解体
解体顺序
方法一处错误扣5分 1.解体过程
正确10分
2.零件摆放分
类、作记号、
有序10分
3.记录准确、
详细及规范
10分
结果一处错误扣5分
零件摆放
凌乱扣5分
摆放顺序不对扣5分
技术要求
未记录相关参数每处扣5分
记录错误每处扣5分
零件清洗
检查
零件清洗和
检查
需要清洗的零件没有清洗或
不干净每件扣5分
拆解后的零件
仔细检查并清
洗干净10分
没有检查每件扣5分
3 发动机
装配
发动机装配
顺序
方法一处错误扣5分
1.装配过程方
法结果正确
10分
2.无漏装零
件、无泄露、
装配过程按规
范执行20分
结果一处错误扣5分
技术要求
未达到相关技术每处扣5分
错误每一处扣5分
装配质量
装配不合格扣5分
有部分零件没有装配扣5分
4 场地清理比赛场地没有清理或不干净扣5分场地干净整齐、工具归还5分
5 小组协作
团结
集体意识
比赛配合分工有序加10分小组配合分工
及组员表现
15分
组员自由散慢扣5分
评委老师:年月日。
2017年全国职业技能大赛风光互补发电系统安装与调试赛项竞赛任务书A2017年5月选手须知:(1)任务书共22页,如出现任务书缺页、字迹不清等问题,请及时向裁判示意,进行任务书的更换。
(2)竞赛时间共4小时,包括系统安装时间、接线时间、程序设计与系统调试时间、测试时间、分析时间、答题时间和提交成果时间等,参赛团队应在4个小时内完成任务书规定内容。
参赛选手在竞赛过程中根据任务书要求,将各系统的运行记录或程序文件存储到指定的计算机的盘目录下,未存储到指定位置的运行记录或程序文件不予给分。
(3)参赛选手提交的试卷不得写上姓名或与身份有关的信息,否则成绩无效。
(4)参赛选手认定竞赛设备的器件有故障可提出更换,器件经现场裁判测定完好属参赛选手误判时,每次扣该参赛队2分。
(5)竞赛过程中,参赛选手要遵守操作规程,确保人身及设备安全,并接受裁判员的监督和警示。
竞赛过程中由于参赛选手人为原因造成的器件损坏,不予更换。
竞赛过程中由于参赛选手人为原因造成贵重器件损坏,停止该队比赛,竞赛成绩作为零分。
(6)在竞赛过程中,参赛选手如有舞弊、不服从裁判判决、扰乱赛场秩序等行为,裁判长按照规定扣减相应分数。
情节严重的取消竞赛资格,竞赛成绩记为零分。
(7)选手应爱惜设备,节约耗材。
选手在竞赛过程中,不得踩踏连接导线、走线槽盖板等材料或工具。
一、竞赛设备描述竞赛设备以“KNT-WP01型风光互补发电实训系统”为载体,该设备由光伏供电装置、光伏供电系统、风力供电装置、风力供电系统、逆变与负载系统和监控系统组成,如图1所示。
(a)(b)(c)(d)(e)(f)图1 KNT-WP01型风光互补发电实训系统外形图(a)光伏供电装置(b)风力供电装置(c)光伏供电系统(d)风力供电系统(e)逆变与负载系统(f)监控系统1.光伏供电装置光伏供电装置主要由光伏电池组件、投射灯、光线传感器、光线传感器控制盒、水平方向和俯仰方向运动机构、摆杆、摆杆减速箱、摆杆支架、单相交流电动机、电容器、直流电动机、接近开关、微动开关、底座支架等设备与器件组成。
2017年全国中等职业学校汽车运用与维修大赛故障诊断(发动机)作业评分表选手参赛号选手姓名裁判签字车辆信息整车型号SGM7146ATC车辆识别代码VIN:LSGPC************ 发动机型号LDE故障描述发动机故障项目作业记录内容配分备注扣分一、前期准备①车辆信息填写②安装座椅、地板、方向盘三件套③安装翼子板布和前格栅布1□车辆信息由一项未填扣1分□三件套少铺或未铺扣1分□翼子板布少铺或未铺扣1分二、安全检查①安装车轮挡块、插尾气抽气管②检查手刹和档位③检查机油、冷却液、制动液、电瓶电压2□未做或缺项扣1分□未做或缺项扣1分□未做或缺项扣1分三、仪器连接①点火开关关闭②正确连接诊断仪器1□未关闭点火开关扣1分□诊断仪器连接或诊断接头选择(通用GM接口)不正确扣1分四、故障现象确认确认故障症状并记录症状现象(根据不同故障范围,进行功能检测,并填写检测结果)①发动机故障灯MIL□正常■不正常②发动机启动及运转状况□正常■不正常③其它(如果有)□正常■不正常起动机不工作无法清除故障码1车辆无法起动□仪表显示状态未确认或未记录扣1分。
□运转状况未确认,扣1分。
□工单填写或判断错误,每项扣1分。
*车辆无法起动,发动机故障灯(MIL)不亮五、故障代码检查正确读取并记录故障码□无DTC■有DTC :P0443*发动机控制系统无通讯修复后,将点火开关置于0M(运行)后出现其他。
其他高速通讯模块内有:1□发动机控制模块,未检查或未记录,扣1分*发动机控制系统无通讯修复后,选手检查有P0443DTC□未记录不得分U0100 DTC (与发动机控制模块失去通信) □未填写U0100 DTC ,不得分*KT600开机界面后选择“普通模式”六、正确读取数据 和清除故障码1、定格数据记录(只记录故障发生时的数据帧内容)包括: 1)基本数据七、确定故障范围根据上述检查进行判断并填写可能故障范围。
GM-LAN 高速通讯线故障 ■ 可能 □ 不可能 发动机控制模块■ 可能 □ 不可能 发动机控制模块电源故障 ■ 可能 □ 不可能 发动机控制模块接地故障 ■ 可能 □ 不可能 其他相关电路故障 ■ 可能 □ 不可能 其他高速通讯模块 ■ 可能 □ 不可能□ 可能 □ 不可能3□判断错误,每项扣2分八、基本检查线路/连接器外观及连接情况 ■ 正常 □ 不正常 零件安装等 ■ 正常 □ 不正常 插头松动,需要恢复 1□无任何检查动作扣1分□检查未记录扣0.5分 *共2项,每缺一项,扣1分九、部件测试<一>工单记录<二>作业内容1.F31UA 7.5A 保险丝-确认B+电路端子(K20/X1/14)和搭铁之间的测试灯亮,(K20/X1/14点亮)正常。
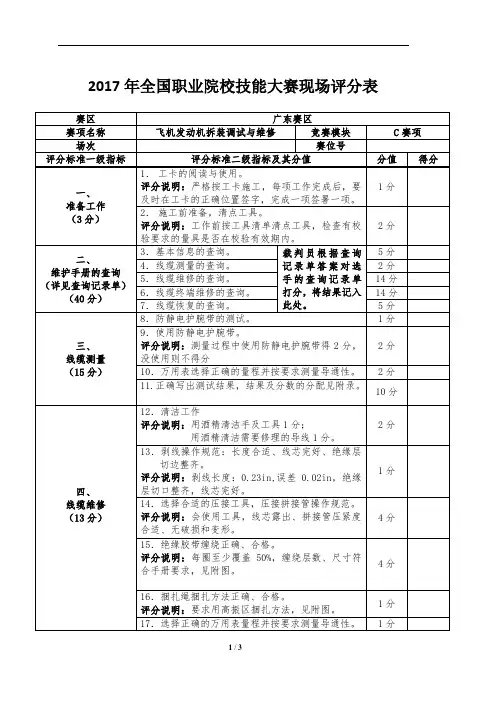
2017年全国职业院校技能大赛高职组“飞机发动机拆装调试与维修”赛项规程一、赛项名称赛项编号:GZ-2017019赛项名称:飞机发动机拆装调试与维修英语翻译:Dismantling, Assembling, Adjustment and Reparation of Plane Engines赛项组别:高职组赛项归属产业:交通运输\装备制造二、竞赛目的通过竞赛,展示高职院校航空维修类专业教学改革成果,检验学生飞机发动机基本维修技能、规范化操作能力以及航空维修职业操守水平,引领和促进航空类高职院校维修专业教学改革,推动提升高职院校航空维修类专业人才培养水平。
三、竞赛内容(一)竞赛内容本赛项基于飞机发动机的可维修性、可考核性与维修标准化等因素,本着公平、公正、公开的原则,确定“飞机发动机拆装调试与维修”为本次比赛项目。
竞赛内容包括:活塞-5型发动机汽缸、活塞和气门组件的拆装与调试;涡桨-5型发动机高压燃油泵拆装;基于CFM56系列发动机的区域标准线路施工三个项目。
1.项目一活塞-5型发动机汽缸、活塞和气门组件的拆装与调试该项目在车间进行,重点考核参赛者拆装、测量、调校的基本技能和操作的规范性。
主要工作包括发动机汽缸活塞组件的拆卸、气门间隙的调整、汽缸活塞组件及气门摇臂组件的测量和装配。
项目一(40%):主要竞赛内容:(1)工卡阅读和工具准备;(2)发动机汽缸活塞组件的拆卸;(3)发动机气门组件的拆卸;(4)发动机汽缸活塞组件、气门摇臂组件的测量;(5)发动机气门摇臂组件、汽缸活塞组件的装配;(6)发动机气门间隙的调整;(7)指定位置紧固件保险。
项目一包含的知识点和技能点:(1)外场和车间的安全防护;(2)安全操作知识,包括工作中用电、滑油等方面的注意事项;(3)常用工具和量具的使用;(4)量具、工具的保养和管理,车间器材的使用;(5)计量器具的有效期及识别;(6)常用手工工具的选择和使用;(7)精密工具的操作和使用;(8)紧固件拆装和保险。
查询记录单
说明:在查询记录单中,需要写出施工程序和查找步骤的部分,标准格式为:
( )手册,章节号( )-( )-( ),段落( )。
如果步骤不止一处,举例如下:SWPM 手册20-xx-xx 的1.c
段落 20-xx-xx
的2.d 段落 20-xx-xx 的2.c 段落;如果是同一个章节的施工步骤,可省略章
节号,举例如下:SWPM 手册20-xx-xx 的1.c 段落 3.a 段落 5.b 段落。
1.查询1号发动机燃油流量传感器的相关信息
(1)此架飞机的有效性代码:
(2)1号发动机燃油流量传感器在飞机的Location Zone :
(3)1号发动机燃油流量传感器断电,需要断开的断路器(跳开关)为:
(4)此导线束的件号为:
(5)防火墙插头INSERT CONFIGURATION 在: 手册 章节 页
2.线缆测量
(1)防静电腕带正常阻值范围:
3.线缆维修
(1)需要修理的线缆线号:
(2)写出线缆修理程序的完整查找步骤(如果需要修理的导线不止一根,用相同施工方法
的导线写一次即可):
(3)此次线缆修理能维持最长时间为(超过这个时间必须更换导线):
(4)一根导线上最多可安装新的连接管数量为:
(5)手册中查找到修理线缆所用绝缘带的宽度为:
4.终端施工
(1)需要更换的插钉在插头的位置:
(2)写出插头修理程序的完整查找步骤:
(3)通过测量防火墙插头尾夹上的垫片内径为0.198in,外径为0.28in,此垫片件号为:
5.线缆恢复
(1)保险丝的直径范围:
(2)剪保险丝长度应为:
(3)打保险应保证每英寸的辫结数为:
(4)飞机振动等级3的区域有:
(5)说明捆扎不同尺寸导线时,First Loop缠绕导线的数量:。