钳工锯割、锉削教案
- 格式:doc
- 大小:795.00 KB
- 文档页数:33
广东省技工学校文化理论课教案(首页)(代号A—3)共4页审阅签名:教学过程:一、导课1、提问钳工的主要任务:加工零件、装配、设备维修、工具的制造和修理。
2、讲述钳工在生产制造过程中发挥的重要作用:机械切削加工半成品钳工手工操作成品二、新课§3-2錾削、锯削与锉削(一)、錾削——用手锤打击錾子对金属工件进行切削加工。
作用:去除毛坯上凸缘、毛刺、分割材料、錾削平面等不便机械加工的操作。
1、錾削工具:手锤和錾子(1)、手锤锤头:碳素工具钢,淬硬处理,HRC45~50,规格大小以重量表示;组成木柄:檀木,葫芦形,截面椭圆形;楔子:铁材料,带倒刺。
(2)錾子①材料:碳素工具钢淬火处理 HRC 56~62头部:锥度,顶端略带球形,工作时锤点集中,不易偏斜;②组成錾身:八棱形,工作时防止转动,錾削顺利准确;切削部分:楔形,有两对称刀面。
③錾子的种类及用途(表3-1)a、扁錾:錾削平面、分割材料、去毛刺;b、尖錾:錾削沟槽、分割曲形板料;c、油槽錾:錾削润滑油槽。
2、錾削角度(錾削原理):——前刀面与后刀面之间的夹角。
(1)楔角β①作用:楔角越小,錾切越省力。
分 过大:錾切费力,錾切表面不平整; 析 过小:刃口薄弱,强度降低,容易崩损。
②角度: 硬材料:60°∼70°; 中等硬度:50°∼60° 软材料:30°∼50°。
(2)后角α0—— 錾子后刀面与切削平面之间的夹角。
①作用:减少錾子后刀面与切削平面之间的磨擦,引导錾切顺利。
分 过大:錾子切入过深,錾切困难; 析 过小:錾子容易滑出工作表面。
②角度:5°∼8°。
(3)前角γ0—— 錾削时錾子前刀面与基面之间的夹角。
①作用:减少錾削时切屑变形,使切削省力。
前角越大,切削越省力。
②角度:γ0= 90°-β0-α0 3、錾切方法 ①正确使用台虎钳;② 保持正确錾削姿势和挥锤速度,做到“稳、准、狠”; ③ 从工件边沿处起錾,向下倾斜,錾出小斜面后正常錾削; ④尽头处掉头錾削。
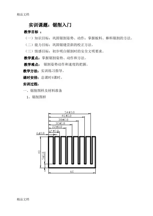
实训课题:锯削入门教学目标:(一)知识目标:巩固锯割姿势、动作;掌握板料、棒料锯割的方法。
(二)能力目标:巩固锯缝歪斜的校正方法。
(三)情感目标:初步明白锯割时的安全文明要求。
教学重点:掌握锯割姿势、动作和方法。
教学难点:锯割姿势动作和速度的把握。
教学方法:实训练习指导。
课时安排:总课时4课时。
(4)锯齿的粗细及锯条正确选用3、锯齿的切削角度和粗细及锯路(1)粗、中、细三种(2)锯齿按一定的规律左右错开,排成一定的形状,有交叉形和波浪形。
作用:使锯缝宽度大于锯条背部厚度,减少锯削过程的磨擦、“夹锯”和锯条折断现象,延长锯条使用寿命。
4、锯削的操作要求及方法(1)姿势正确,压力和速度适当,速度为40次/min。
(2)工件夹持牢靠,同时防止工件装夹变形或夹坏已加工表面。
(3)锯条的安装应正确,松紧要适当。
(4)正确的起锯方法:远起锯和近起锯,为避免锯条卡住或崩裂,应尽量采用远起锯,角度不般不大于15°(5)锯条损坏和工件产生废品的原因分析及预防5、锯割的安全技术和文明生产三、示范操作⒈锯条安装安装锯条时,锯齿要朝前,不能反装。
锯条安装松紧要适当,太松或太紧在锯割过种中锯条都容易折断,太松还会在锯割时锯缝容易歪斜,一般松紧程度以两个手指的力旋紧为止。
⒉锯割姿势与操作方法锯割时的站立位置与錾切基本相似,左脚向前半步,右脚稍微朝后,自然站立,重心偏于右脚,右脚要站稳伸直,左脚膝盖关节应稍微自然弯曲,握锯要自热舒展,右手握柄,左手扶弓,运动时右手施力,左手压力不要太大,主要是协助右手扶正锯弓。
锯割时的姿势有两种:一种是直线往复运动,适用于锯薄形工件和直糟;另一种是摆动式.这种操作方法,两手动作自然.不易疲劳,切削效率高。
锯割时工件应夹在左面,以便操作。
工件要夹紧,以免在锯割过程中产生振动。
⒊圆棒锯割圆棒锯割有两种方注:-种是沿着从上至下锯割,断面质量较好,但较费力;一种是锯下一段截面后转一角度再锯割,这样可避免通过圆棒直径锯割,减少阻力,效率高,但断面质量一般较差。
钳工锯削教案第一篇:钳工锯削教案《锯削》教案教学课时:4学时。
教学目的:1、了解锯削相关知识,掌握锯削过程中的注意事项。
2、培养学生的吃苦耐劳的精神和安全责任意识。
教学重点:1、锯条的安装。
2、锯割过程中的运动方式和用力方法。
教学难点:锯割过程中的锯姿,锯割过程中运动的方式和用力的方法。
教学方法:现场实物教学。
教学过程:【组织教学】1、工具:手锯、港直尺、划针等。
2、材料:旧工件。
3、任务:在旧工件上划线,沿线锯割,断面平面度0.5㎜。
【讲解演练】一、讲解1、手锯的构造。
可调节式、固定式。
2、锯条的选用。
锯条锯齿的粗细应根据材料的性质及形状合理选用。
二、演示1、手锯的握法。
2、锯削姿势、压力及速度。
3、工件的夹持。
4、锯条的安装。
锯齿朝前,张紧度适宜。
5、起锯方法。
方法:近起锯、远起锯。
要领:压力小、行程短、速度慢。
6、锯弓的运动形式。
直线式、摆动式。
三、强调安全注意事项。
1、锯条装得松紧适当,锯削时不要突然用力过猛,以免锯条折断后弹出伤人。
2、工件装夹要牢固,在工件即将被锯断时要用左手扶住工件,以防断料掉下伤脚。
3、工件即将锯断时,应减小压力,避免使工件突然断开,造成身体前冲发生事故。
4、操作时要避免用力过大,以防手碰到工件或台虎钳上受伤。
【巡回指导】学生练习,教师指导、纠正错误。
【检查评分】根据姿势、动作及断面情况评分。
【清理小结】整理现场,小结实习情况,分析存在的问题。
第二篇:钳工锯教案讲授、实习钳工实习锯削掌握正确的锯削姿势和动作,学会锯条的安装、正确的起锯方法,能运用正确的方法进行锯削锯削姿势和动作,锯削方法。
同上锯弓﹑锯片、角尺、钢板尺Ⅰ 组织教学Ⅱ 复习引入Ⅲ 讲授新课及演示锯削Ⅳ 组织练习Ⅴ 巡回指导Ⅵ 小结Ⅰ、组织教学1、整队进入实习场;2、检查出勤情况;3、检查学生着装是否符合要求;Ⅱ、复习引入划线时出现的主要问题Ⅲ、讲授新课及演示一、基础知识用手锯把材料切削开或在工件上锯出沟槽的操作。
钳工基本技能训练任务一:锯、锉、錾的基本操作一、教学内容锯、锉、錾的基本操作中锯削的基本操作二、教学目标1、了解钳工的工作范围及特点。
钳工一般是指工人手持工具对材料进行除层的加工方法。
主要工作包括划线,锯削,锉削,錾削,钻孔,铰孔,攻丝,套丝,刮削,研磨,抛光,装配和修理等。
钳工工具简单,操作灵活,对技术水平要求较高,易学难精,在某些情况下可以完成用机械加工不方便或难于完成的工作。
因钳工劳动强度大,生产效率低,所以常在零件的或小批量生产中采用。
在机械制造和修配工作中,钳工仍占有十分重要的地位。
]2、熟悉钳工工作台和掌握使用台虎钳。
钳工大多数操作是在钳工工作台和台虎钳上进行的。
一般用坚固的木材和钢铁制成,要求牢固平稳,台面高度800——900mm为宜。
为了安全生产,以面正前方常装有防护装置。
台虎钳是钳工夹持工件的主要工具,它有固定式和回转式两种。
台虎钳规格用钳口宽度表示,常用的为100——150mm。
台虎钳夹持工件时,尽可能夹在钳口中部,使钳口受力均匀;夹持工件完工后的表面应用软钳口(软钳口常用铜皮或铝皮制成)加以保护。
3、掌握锯削的基本操作。
三、教学重点掌握锯削这种钳工加工的方法和所用的工具四、教学难点掌握锯削这种钳工加工的方法和所用的工具>五、教学准备准备尽量多的工具图片,以便学生在理论课上能对钳工这个工种中的工具有更多直观的了解。
六、教学内容和过程锯弓架+锯条锯弓架:安装和张紧锯条锯条:锯条用碳素工具钢(T10或T10A)制成,并经过淬火处理。
常用锯条长度300mm,宽12mm,厚0.8mm。
为了适应材料性质和锯割面的宽窄,锯齿分为粗、中、细三种。
粗齿锯条齿距大,容屑空隙大,适用于锯软材料或锯剖面较大的工件。
锯硬材料时,则选用细齿锯条,锯齿的粗细,通常是以每25mm长度内有多少齿来表示。
选择锯条必须根据锯割部分材料的厚薄和软程度综合考虑。
2、锯削的操作$1)锯条的安装锯割前选用合适的锯条,使锯条齿尖朝前,装入夹头的销钉上。
钳工锉削教案范文一、教学目标1.知识目标:学生能够理解钳工锉削的定义和作用,掌握钳工锉削工艺的基本步骤和注意事项。
2.技能目标:学生能够正确使用钳工锉削工具进行锉削操作,熟练掌握不同工件的锉削技巧。
3.过程与方法目标:培养学生的动手能力和观察力,提高学生的问题解决能力和创新思维能力。
二、教学重点与难点1.教学重点:钳工锉削的定义和作用,钳工锉削工艺的基本步骤,不同工件的锉削技巧。
2.教学难点:如何正确使用钳工锉削工具进行锉削操作,掌握锉削的技巧和要领。
三、教学准备1.教学素材:钳工锉削工具、不同形状的工件。
2.教学媒体:多媒体课件、板书、实物展示。
四、教学步骤步骤一:导入(5分钟)通过展示一张钳工锉削工具和一个工件的图片,引出问题:“你们知道什么是钳工锉削吗?它有什么作用?”引导学生思考并回答。
1.介绍钳工锉削的定义和作用。
通过多媒体课件和实物展示,详细讲解钳工锉削的定义和作用,让学生清楚了解钳工锉削在机械加工中的重要性。
2.介绍钳工锉削工艺的基本步骤。
通过多媒体课件和实物展示,分步骤讲解钳工锉削工艺的基本步骤,并结合板书进行总结和梳理。
步骤三:操作演示(30分钟)1.学生观看教师的操作演示。
教师操作一个实际的工件,演示如何正确使用钳工锉削工具进行锉削操作,并重点讲解注意事项。
2.学生跟随教师一起实操。
学生根据演示内容,使用自己准备的工件和钳工锉削工具进行锉削操作,教师逐个辅导和指导。
步骤四:技巧讲解(20分钟)1.讲解不同工件的锉削技巧。
通过多媒体课件,讲解不同形状的工件应如何选择合适的锉削工具,并讲解不同工件的锉削技巧和要领。
2.学生讨论和演示。
学生根据演示内容,结合自己的实际操作经验,讨论和演示不同工件的锉削技巧。
步骤五:练习与巩固(15分钟)1.学生个别练习。
学生根据自己的实际操作经验,选择几个不同形状的工件,进行个别练习,巩固所学的钳工锉削技巧。
2.学生互评与讨论。
学生互相观摩和评价对方的锉削操作,进行互动讨论,提出改进建议和分享经验。
钳工锯削教案范文一、教学目标1.知识目标:了解钳工锯削的基本概念以及其在机械加工中的作用;2.技能目标:掌握正确使用钳工锯削工具的方法和技巧;3.情感目标:培养学生对精细工作的认真、细致和耐心。
二、教学重点1.针对钳工锯削的基本概念进行讲解;2.重点讲解正确使用钳工锯削工具的方法和技巧。
三、教学难点1.学生掌握正确使用钳工锯削工具的技巧;2.培养学生对精细工作的认真、细致和耐心。
四、教学准备1.钳工锯削工具和材料;2.实物和图片资料。
五、教学过程1.导入介绍钳工锯削在机械加工中的重要性,如:钳工锯削是一种重要的机械加工工艺,它可以将工件按照设计要求切割成所需形状和尺寸,并保证切割面的精度和质量。
2.讲解钳工锯削的基本概念通过实物和图片资料讲解钳工锯削的基本概念,如:钳工锯削是指利用机械锯将工件切割成所需形状和尺寸的加工方法。
其主要特点有:切割速度快、切割面光滑、切割加工量大等。
3.讲解正确使用钳工锯削工具的方法和技巧(1)材料准备:将所需要切割的工件固定在工作台上,并注意保持工件的稳定。
(2)选择合适的钳工锯削工具:根据工件的材料和尺寸选择合适的钳工锯削工具,并确保工具的刀齿锋利。
(3)正确操作钳工锯削工具:握住钳工锯削工具的手柄,将工具的刀齿轻轻放置在工件上,并用一定的力量向前推进,使工具能够顺利地切割工件。
在切割过程中要注意保持力度均匀,以免工件断裂。
(4)切割结束后的处理:切割结束后,应注意工件表面的清理和对切割工具的保养。
4.示范操作和学生练习教师进行示范操作,并要求学生按照示范方法进行练习。
(1)示范操作:教师选择一个合适的工件进行示范操作,并在操作过程中重点说明正确的使用方法和技巧。
(2)学生练习:教师要求学生按照示范操作进行练习,并对学生的操作进行指导和纠正。
5.反馈和总结(1)教师对学生的练习进行检查和评价,纠正学生操作中存在的问题。
(2)总结本节课的内容,强调钳工锯削在机械加工中的重要性以及正确使用钳工锯削工具的方法和技巧。
《钳工教案》word版一、教学目标1. 了解钳工的基本概念和作用,知道钳工在工业生产中的重要性。
2. 掌握钳工的基本操作技能,如划线、锯割、锉削、钻孔等。
3. 学会使用钳工工具和设备,并能熟练操作。
4. 能够分析并解决钳工操作过程中遇到的问题。
二、教学内容1. 钳工概述:钳工的定义、分类和应用领域。
2. 钳工基本操作:划线、锯割、锉削、钻孔等。
3. 钳工工具与设备:钳工工具的分类、性能和使用方法;钳工设备的结构、功能和操作方法。
4. 钳工安全操作规程:安全操作注意事项、事故预防及处理方法。
5. 钳工操作实例:典型零件的钳工加工工艺及操作步骤。
三、教学方法1. 采用讲授法,讲解钳工基本概念、原理和操作方法。
2. 采用演示法,展示钳工操作过程和技巧。
3. 采用实践法,让学生亲自动手操作,提高实际操作能力。
4. 采用案例分析法,分析钳工操作实例,培养学生解决实际问题的能力。
四、教学准备1. 教室环境:宽敞、明亮、安全。
2. 教学设备:讲台、黑板、投影仪、钳工工具和设备。
3. 教学材料:教材、课件、案例、作业等。
五、教学评价1. 平时成绩:学生出勤、课堂表现、作业完成情况。
2. 实操考核:学生钳工操作技能的掌握程度。
3. 理论知识考试:钳工相关知识的掌握程度。
4. 综合评价:结合平时成绩、实操考核和理论知识考试,对学生的综合能力进行评价。
六、教学安排1. 课时:共计40课时,其中理论教学20课时,实践教学20课时。
2. 教学计划:第1-10课时进行理论教学,第11-20课时进行实践教学。
3. 实践教学安排:分别进行划线、锯割、锉削、钻孔等基本操作的实践训练。
七、教学注意事项1. 强调钳工安全操作规程,提醒学生注意安全。
2. 关注学生的操作技能,及时纠正错误,保证操作规范。
3. 注重培养学生的动手能力和创新能力,鼓励学生提出问题、解决问题。
4. 关注学生的个体差异,因材施教,使每位学生都能掌握钳工技能。
八、教学案例案例一:某工厂生产一批螺丝,要求学生设计螺丝加工的钳工工艺,并完成操作。
XXXX高级技工学校实习课教案编号:XXXXXX-XX 版本:A/O一、相关工艺锯削用手锯对材料或工件进行切断或切槽的操作称为锯削;1.手锯的结构由锯弓和锯条构成;有可调式和固定式两种2.锯条的选用根据锯齿的牙距大小,有细齿、中齿和粗齿,选用时根据所锯材料的软硬和厚薄来选;锯软材料或低、中碳钢厚度较厚的用粗齿锯条,锯硬或薄材料时用细齿锯条;一般锯削薄材料,锯削截面至少有三个齿能同是时参加工作才能避免被钩齿或崩齿。
3.手锯的握法和锯削姿势、压力及速度1)握法右手满握锯柄,左手轻扶在锯弓前端姿势如图23)运动和速度锯削运动分为直线锯削和摆动锯削,如底面要求平直时一定要用直线锯削,一般我们采用小幅度的摆动式运动,即推出时有意思的,左手往上翘,右手往下压。
回程时,右手往上抬,左手自然跟回锯削。
速度一般控制在40次每分钟,硬材料慢些而软材料应适当快些。
4.锯削操作方法1)工件的装夹工件一般装在左边,以便操作,工件应伸出钳口15mm左右,防振。
锯缝要与钳口侧面垂直保证锯削的质量紧要牢靠,用力要适当,避免将工件夹变形和夹坏加工表面。
2)锯条的安装锯条不要装反,拧紧力要合适,太紧锯条在锯削过程中受力过,容易把据条折断,如果太松也不行,这样锯条容易扭曲也容易折断,而且锯出来的锯缝容易歪斜,锯条安装后,要保证锯条平面与锯弓中心平面平等,如不,锯出的锯缝极易歪斜。
3)起锯的方法起锯质量的好坏直接影响锯削的质量。
起锯有远锯和近起锯两种,我们一般采用远起锯,起锯时母指靠住锯条,使锯条处在正确的位置上。
行程短,压力小,速度要慢。
起锯角在15°左右。
起锯角大,不够平稳易崩齿;起锯角小,接触齿多,不易切入材料。
切入2~3mm松开母接指,正常切削。
5.各种材料的锯削方法:1)棒料的锯削如果据削的断面要求平整,则应从开始连续锯到结束。
若锯也的断面要求不高,可分几个方向锯下,这样,由于锯削面变小而容易锯入,可提高工作效率。
钳工锉削技能教案设计一、教学目标。
1.了解钳工锉削的基本原理和方法;2.掌握钳工锉削的操作技能;3.培养学生的动手能力和观察力;4.提高学生的安全意识和责任意识。
二、教学重点和难点。
重点,掌握钳工锉削的基本原理和方法,掌握操作技能;难点,学生对不同材料的锉削特点的理解,对不同形状的工件进行锉削。
三、教学内容。
1. 钳工锉削的基本原理和方法。
(1)锉削的原理,锉削是利用锉刀的锉面对工件进行切削,将工件表面不平整的部分削平,以达到加工工件的目的。
(2)锉削的方法,持锉刀的正确姿势,正确的锉削方向,锉削的力度和速度等。
2. 钳工锉削的操作技能。
(1)选择合适的锉刀,根据工件的材料和形状选择合适的锉刀。
(2)固定工件,使用钳子或其他工具将工件固定在工作台上,确保工件不会移动。
(3)正确的锉削姿势,保持身体平衡,正确的握持锉刀,正确的锉削方向和力度。
(4)锉削的注意事项,避免锉削过深,避免锉削过快,保持工件表面的平整度。
3. 钳工锉削的实际操作。
(1)对不同材料的工件进行锉削,钢材、铝材、铜材等不同材料的工件需要采用不同的锉削方法。
(2)对不同形状的工件进行锉削,平面、曲面、内孔、外圆等不同形状的工件需要采用不同的锉削方法。
四、教学过程。
1. 钳工锉削的基本原理和方法。
(1)通过教师讲解和示范,让学生了解锉削的原理和方法。
(2)让学生观察教师的示范,并进行模仿练习,熟悉锉削的基本动作。
2. 钳工锉削的操作技能。
(1)教师针对不同材料和形状的工件,进行示范操作,让学生观察并学习。
(2)让学生进行实际操作练习,纠正他们的错误动作,指导他们掌握正确的锉削技能。
3. 钳工锉削的实际操作。
(1)让学生选择不同材料和形状的工件,进行锉削操作练习。
(2)教师进行现场指导和辅导,帮助学生解决实际操作中遇到的问题。
五、教学评价。
1. 学生的实际操作能力,通过观察学生的实际操作,评价他们的锉削技能是否掌握。
2. 学生的理论知识掌握情况,通过答题、讨论等形式,评价学生对锉削原理和方法的理解情况。
钳工锉削技能教案及反思一、教学目标。
1. 掌握钳工锉削的基本方法和技巧;2. 熟练掌握不同类型的锉刀的使用;3. 能够根据不同的工件材料和形状进行合理的锉削操作;4. 培养学生的动手能力和观察力,提高学生的实际操作能力。
二、教学重点和难点。
1. 锉削的基本方法和技巧;2. 不同类型的锉刀的使用;3. 不同工件材料和形状的合理锉削操作。
三、教学内容。
1. 钳工锉削的基本方法和技巧;2. 不同类型的锉刀的使用;3. 不同工件材料和形状的合理锉削操作。
四、教学过程。
1. 理论讲解。
(1)介绍钳工锉削的基本概念和作用;(2)介绍不同类型的锉刀,如平锉、半圆锉、方锉等的使用方法;(3)介绍不同工件材料和形状的合理锉削操作技巧。
2. 操作演示。
老师进行实际操作演示,让学生观摩并理解操作要点和技巧。
3. 学生操作。
学生根据老师的演示,进行实际的锉削操作练习,老师在一旁进行指导和纠正。
4. 操作规范。
学生根据不同的工件材料和形状,进行规范的锉削操作,注意安全和效率。
五、教学反思。
钳工锉削是钳工加工中非常重要的一项技能,掌握好这项技能对于学生以后的职业发展至关重要。
在教学过程中,我们应该注重以下几点:1. 理论和实践相结合。
在教学过程中,要注重理论知识的讲解,同时也要注重实际操作的演示和练习,让学生通过实际操作来加深对知识的理解和掌握。
2. 强调安全意识。
在进行锉削操作时,要求学生严格遵守操作规范,注意安全操作,避免发生意外事故。
3. 注重个性化教学。
针对不同学生的学习能力和水平,要进行个性化教学,及时发现学生的问题并进行针对性的指导和帮助。
4. 激发学生学习兴趣。
针对钳工锉削这一实际操作技能,可以通过举办锉削比赛、制作锉削作品等方式,激发学生的学习兴趣,提高学习积极性。
总之,钳工锉削技能的教学需要综合运用多种教学手段和方法,注重理论和实践相结合,引导学生主动参与,提高学生的实际操作能力和综合素质。
希望通过教师的不懈努力,学生能够掌握好钳工锉削技能,为将来的就业和发展打下坚实的基础。
钳工技能教案
以下是一份关于钳工技能的教案,你可以根据实际情况进行修改和调整。
一、教学目标:
1. 了解钳工的基本概念和应用领域。
2. 掌握钳工工具的使用方法和安全注意事项。
3. 学习钳工的基本操作技能,如锉削、锯割、钻孔等。
4. 培养学生的动手能力和实践操作技能。
二、教学重难点:
1. 重点:钳工工具的使用方法和安全注意事项。
2. 难点:钳工的基本操作技能,如锉削、锯割、钻孔等。
三、教学方法:
1. 讲授法:讲解钳工的基本概念、工具使用方法和安全注意事项。
2. 演示法:通过现场演示,让学生了解钳工的基本操作技能。
3. 实践操作法:让学生亲自动手操作,掌握钳工的基本技能。
4. 小组合作法:通过小组合作,培养学生的团队合作精神和沟通能力。
四、教学过程:
1. 导入新课:通过图片、视频等方式,介绍钳工的基本概念和应用领域。
2. 讲解钳工工具的使用方法和安全注意事项。
3. 现场演示钳工的基本操作技能,如锉削、锯割、钻孔等。
4. 学生分组进行实践操作,教师进行现场指导和纠正。
5. 学生展示自己的作品,教师进行点评和总结。
6. 布置课后作业,让学生在课后进行巩固练习。
五、教学总结:
通过本次教学,学生应该了解了钳工的基本概念和应用领域,掌握了钳工工具的使用方法和安全注意事项,学会了钳工的基本操作技能,如锉削、锯割、钻孔等。
同时,学生的动手能力和实践操作技能也得到了锻炼和提高。
钳工操作实训教案一、实训目的与要求1. 实训目的(1)了解钳工基本操作流程,掌握钳工基本技能。
(2)培养学生的动手能力、观察能力和创新能力。
(3)强化安全意识,提高学生遵守操作规程的能力。
2. 实训要求(1)学生应提前了解钳工基本知识,掌握相关操作流程。
(2)学生必须穿着整齐的实训服,佩戴安全帽、手套等防护用品。
(3)严格遵守实训纪律,听从指导教师安排,不得擅自操作设备。
二、实训内容与步骤1. 实训内容(1)钳工基本操作:锯割、锉削、钻孔、扩孔、铰孔、螺纹加工等。
(2)常用钳工工具的使用与维护。
(3)钳工工艺规程及质量评定。
2. 实训步骤(1)指导教师讲解钳工基本操作流程及注意事项。
(2)学生分组进行实训,每组选定一名组长负责组织纪律和安全管理。
(3)学生按照指导教师的要求,逐步完成各项实训任务。
(4)指导教师对学生的操作进行检查、指导,纠正不当操作。
(5)实训结束,学生清理现场,报告实训成果。
三、实训考核与评价1. 考核内容(1)学生实训过程中的操作技能。
(2)学生对钳工工艺规程的掌握程度。
(3)学生的团队协作能力和安全意识。
2. 评价方法(1)指导教师根据学生实训过程中的表现进行评分。
(2)设置实训成果评分标准,对学生的作品进行评价。
(3)结合学生自评、互评,全面评估学生的实训效果。
四、实训安全与防护1. 安全要求(1)学生必须严格遵守实训纪律,服从指导教师安排。
(2)操作设备时,必须按照规程进行,不得擅自调整设备参数。
(3)实训过程中,不得随意离开工作岗位,如需离开,应向指导教师报告。
2. 防护措施(1)学生应穿戴整齐的实训服,佩戴安全帽、手套等防护用品。
(2)实训现场应保持整洁,通道畅通,避免发生意外事故。
(3)指导教师应随时关注学生实训情况,发现安全隐患及时排除。
五、实训建议与总结1. 建议(1)提前为学生提供充足的实训材料和工具,确保实训顺利进行。
(2)指导教师应具备丰富的实训经验,能够及时解答学生的问题。
授课内容一、锯削的概念及工作范围1.概念:用手锯锯断金属材料或在工件上锯出沟槽的操作称为锯削。
2.工作范围⑴分割各种材料或半成品;⑵锯掉工件上的多余部分;⑶在工件上锯槽。
二、锯削工具1.锯弓:种类(可调式、固定式)。
2.锯条:材料(碳素软钢)规格粗齿、中齿、细齿作用1)锯削软材料(如紫铜、青铜、铝、低碳钢、铸铁、中碳钢等)用粗齿。
2)锯削硬、薄材料(如工具钢、铝合金、各种管子、薄板料、角铁)用细齿。
三、锯割操作1、握法:右手满握锯柄,左手转扶在锯弓前端。
(演示)2、姿势:(演示)1)锯条的安装:锯齿朝前,松紧适当。
2)工件安装:台虎钳夹紧。
3)起锯方法:近起锯、远起锯4)锯削姿势:(1)两腿弓步站稳,重心平稳;(2)双手扶锯,配合用力。
前手作为引导手不用力,只起引导辅助作用;后手作为主动手,负责锯弓的前推后拉运动。
(3)前推用力,后拉不用力。
后拉时锯弓可稍抬起一点。
(4)边锯边观察锯缝是否歪斜。
(5)每分钟运锯40次左右。
四、锯削加工方法1.扁钢、型钢2.圆管、棒料 1)棒料:要求平整可持续锯割,齿面要求不变可分几个方面锯下。
2)管子:可划线并按工件外圆划线滚锯,精加工过的管子用V型槽的木衬夹持。
3.锯薄板:用两木板夹住,连同木板一起锯下,也可用手锯作横向斜推锯。
4.锯深缝:锯缝深度超过锯弓高度,可将锯条转90º重新装夹,锯弓转工件侧。
五、锯削安全操作1.锯条松紧要适度。
2.工件快要锯断时,施给手锯的压力要轻,以防突然断开砸伤人。
六、锯条折断原因1.锯条安装的过紧或过松;2.工件装夹不正确;3.锯缝歪斜过多,强行借正;4.压力太大,速度过快;5.新换的锯条在旧的锯缝中被卡住,而造成折断。
七、锯条崩齿原因1.起锯角度太大;2.起锯用力太大;3.工件钩住锯齿。
八、锯削时的废品分析1.尺寸锯小;2.锯缝歪斜过多,超出要求范围;3.起锯时把工件表面损伤。
九、布置学生工件练习作业1、要求姿势正确、动作规范、力和速度要适当2、锯条选择和安装正确3、要求练习过程循序渐进、锯缝不要扭曲、歪斜。
1.3 锯割1.3.1 . 基本知识锯割是用手锯切断材料或在工件上切槽的操作。
锯割工件的精度较低,需要进一步加工。
1 、手锯弓手锯弓有固定式和可调式两种形式,如图4-18 所示。
固定式锯弓只能安装一种长度规格的锯条。
可调式锯弓的弓架分成两段,前段可沿后段的套内移动,可安装几种长度规格的锯条。
可调式锯弓使用方便,目前应用较广。
2 、锯条及其选用锯条一般由碳素工具钢制成,齿形如图4-19 所示。
为了减少锯条切削时两侧的摩擦。
避免夹紧在锯缝中,锯齿应具有规律地向左右两面倾斜,形成交错式两边排列。
常用的锯条长为300mm ,宽13mm ,厚为0.6mm 。
按齿距的大小,锯条分为粗齿、中齿和细齿三种。
粗齿锯条的齿距约为 1.6mm (每25mm 长度内的齿数为14 ~16 齿),用于锯割低碳钢、铜、铝等有色金属,塑料以及断面尺寸较大的工件。
细齿锯条的齿距为0.8mm (每25mm 长度内32 齿),用于锯割硬材料、薄板和管子等。
中齿锯条的齿锯为 1.2mm ( 每25mm 长度内22 齿) ,用于加工普通钢材、铸铁以及中等厚度的工件。
锯齿粗细的选用对锯割的影响如图4-20 所示。
1.3 锯割1.3.2 基本操作方法1 、锯条的安装要使锯齿齿尖向前,如前图4-18 所示,松紧程度要适当。
一般以两个手指的力旋紧为止。
锯条安装后要检查,不能有歪斜和扭曲。
2 、手锯握法右手握锯柄,左手轻扶弓架前端,如图4-21 所示。
3 、锯割方法锯割时要掌握好起锯、锯割压力、速度和往复长度,如图4-22 所示。
起锯时,锯条应与工件表面倾斜成10 °~15 °的起锯角()。
若起锯角过大,齿容易崩碎;起锯角太小,锯齿不易切入。
为了防止锯条的滑动,可用左手拇指指甲靠稳锯条。
锯割时,往复速度不宜太快。
锯硬材料时,压力应大些,速度慢些。
锯软材料时,压力可以小些,速度加快些。
为了提高锯条的使用寿命,锯割钢材时可加些乳化液,机油等切削液。
4 、锯割操作示例(1 )锯扁钢锯扁钢应从宽面下锯,这样锯缝浅,容易整齐,如图4-23 所示。
(2 )锯圆管锯圆管不可从上到下一次锯断,应当在管壁锯透时,将圆管向着推锯的方向转过一个角度,锯条仍从原锯缝锯下去,不断转动,直到锯断为止,如图4-24 所示。
(3 )锯深缝锯深缝时,应将锯条转90 °安装,锯弓放平推锯,如图4-25 所示。
1.4 锉削1.4.1 基本知识锉削是用锉刀对工件表面进行切削加工的操作。
锉削是钳工的主要操作之一,常安排在机械加工、錾削或锯割之后,在机器与部件装配时还用于修整工件。
锉削的加工准确度可达到0.01mm ,表面粗糙度值Ra 可达3.2 μ m 。
锉削的工作范围有:锉平面、锉曲面、锉内外圆弧以及其他复杂表面等。
1 、锉刀的结构锉刀结构如图4-26 所示。
锉刀的齿纹是交叉排列,形成许多小齿,便于断屑和排屑,并使锉削时省力,锉刀齿形如图4-27 所示。
锉刀的规格是以工作部分的长度表示,有100 、150 、200 、250 、300 、400mm 等七种。
2 、锉刀的种类和选用锉刀的分类方法很多。
按每10mm 长的锉面上齿数多少分为粗齿锉(6 ~14 齿)、中齿锉(9 ~19 齿)、细齿锉(14 ~23 齿)和油光锉(21 ~45 齿)。
按用途不同分为普通锉刀和整形锉刀(什锦锉)两类。
普通锉刀具有长方形、正方形、圆形、半圆形以及三角形等各种形状截面,如图4-28 所示。
什锦锉尺寸很小,形状更多,通常是10 把一组。
锉刀的选择包括选取锉刀的粗细齿和锉刀的形状。
选择锉刀的粗细齿,取决于工件加工余量的大小、加工精度高低和工件材料的性能。
一般粗齿锉刀用于加工软金属、加工余量大(0.5 ~1mm )、精度低和表面粗糙度值较高的工件(精度0.25 ~0 .5mm ,表面粗糙度值Ra25 ~100 μ m );细齿锉刀用于加工硬材料,加工余量小(0.05 ~0 .2mm )、精度较高( 0.01mm ) 和表面粗糙度值(Ra3.2 μ m) 较低的工件;中齿锉刀用于粗锉之后的加工,加工余量为0.2 ~0 .5mm ,精度为0.04 ~0 .2mm ,表面粗糙度值Ra 为 6.3 μm ;油光锉用于精加工,加工精度为0.01mm ,表面粗糙度值Ra 可达1.6 μm 。
锉刀形状的选择取决于工件加工面的形状,如图4-28 中左侧形状的加工面选用不同形状锉刀的示例,其中以平锉应用最广。
1.4 锉削1.4.2 基本操作方法1 、锉刀的握法锉刀的握法如图4-29 所示。
右手握锉柄,左手压锉。
使用不同大小的锉刀有不同的姿势。
2 、锉削力的运用锉刀推进时应保持在水平面内。
两手施力按图4-30 所示变化,返回时不加压力,以减少齿面磨损。
如锉削时两手施力不变,则开始阶段刀柄会下偏,而锉削终了时前端又会下垂,结果将锉成两端低,中间凸起的鼓形表面。
3 、平面锉削方法平面锉削是锉削中最基本的一种,常用顺向锉、交叉锉、推锉三种操作方法,如图4-31 所示。
顺向锉是锉刀始终沿其长度方向锉削,一般用于最后的锉平或锉光。
交叉锉是先沿一个方向锉一层,然后再转90 °锉平。
交叉锉切削效率较高,锉刀也容易掌握,如工件余量较多先用交叉锉法较好。
推锉法的锉刀运动方向与其长度方向垂直。
当工件表面已锉平,余量很小时,为了降低工件表面粗糙度值和修正尺寸,用推锉法较好。
推锉法尤其适用于较窄表面的加工。
工件锉平后,可用各种量具检查尺寸和形状精度,如图4-32 用刀口尺检查平直度的情况。
1.5 钻孔和铰孔1.5.1 基本知识钻孔是用钻头在工件上加工出孔的操作。
钳工的钻孔多用于装配和修理,也是攻螺纹前的准备工作。
钻出的孔精度较低,表面粗糙度值较高。
所以精度要求较高的孔,经钻孔后还需要扩孔和铰孔。
钻孔一般在台式钻床或立式钻床上进行。
若工件笨重且精度要求又不高,或者钻孔部位受到限制时,也常使用手电钻钻孔。
钻孔时,钻头一面旋转作主运动,一面沿轴线移动作进给运动,如图4-33 所示。
1 、麻花钻麻花钻是钻头的主要形式,其结构如图4-34 所示。
它由柄部和工作部分组成。
柄部是被夹持并传递扭矩的部分。
直径小于12mm 的为直柄,大于12mm 的为锥柄工作部分包括导向部分和切削部分。
导向部分的作用是引导并保持钻削方向。
它有对称的两条螺旋槽,作为输送切削液和排屑的通道。
螺旋槽的外缘是较窄的螺旋棱带。
切削时,棱带与工件孔壁相接触,以保持钻孔方向不致偏斜,同时又能减小钻头与工件孔壁的摩擦。
切削部分上的两条切削刃担负着切削工作,其夹角为118 °。
为了保证孔的加工精度,两切削刃的长度及其与轴线的交角应相等。
图4-35 为两切削刃刃磨不正确时钻孔的情况。
2 、台式钻床和立式钻床台式钻床是钻小孔的主要设备,加工工件孔径一般小于12mm . 。
立式钻床适用于中型工件的孔加工,钻孔直径小于50mm 。
大型工件的孔加工可在摇臂钻床或镗床上进行。
台式钻床的外形结构如图4-36 ,a) 所示。
它由主轴架、立柱和底座等部分组成。
主轴架前端装主轴,后端安电动机。
主轴和电动机之间用三角带传动。
主轴是钻床的主要部件。
主轴下端有锥孔,用以安装钻夹头。
钻夹头的结构如图4-37 所示。
主轴的转速可以通过改变三角带在带轮上的位置来调节。
扳转进给手柄,能使主轴向下移动,实现进给运动。
主柱是用以支持主轴架。
松开锁紧螺母,可根据工件孔的位置高低,调整主轴的上下位置。
底座是用以支承钻床所有部件,也是装夹工件的工作台。
立式钻床的外形结构如图4-36 ,b) 所示。
1.5 钻孔和铰孔1.5.2 基本操作方法1 、钻孔前,工件要划线定心。
在工件孔的位置划出孔径圆和检查圆,并在孔径圆上和中心冲出小坑,如图4-38 所示。
根据工件孔径大小和精度要求选择合适的钻头,检查钻头两切削刃是否锋利和对称,如不合要求应认真修磨。
装夹钻头时,先轻轻夹住,开车检查是否偏摆,若有摆动,则停车纠正后再夹紧。
根据工件的大小,选择合适的装夹方法。
一般可用手虎钳、平口钳和台虎钳装夹工件。
在圆柱面上钻孔应放在V 形铁上进行。
较大的工件可用压板螺钉直接装夹在机床工作台上。
各种工件的装夹方法如图4-39 所示。
调整钻床主轴位置,选定主轴转速。
钻大孔时,转速应低些,以免钻头很快磨钝。
钻小孔时转速应高些,但进给可慢些,以免钻头折断。
钻硬材料转速要低些,反之应高些。
2 、钻孔时,先对准样冲眼试钻一浅坑,如有偏位,可用样冲重新冲孔纠正,也可用錾子錾几条槽来加以校正,如图4-40 所示。
钻孔进给速度要均匀,快要钻通时,进给量要减小。
钻韧性材料须加切削液。
钻深孔时,钻头须经常退出,以利于排屑和冷却。
钻削孔径大于30mm 的大孔,应分两次钻。
先钻(0.4 ~0.6 )倍孔径的小孔,第二次再钻至所需要的尺寸。
精度要求高的孔,要留出加工余量,以便精加工。
3 、用钻模钻孔在大批量生产中,为了提高孔的加工精度和生产率,广泛地采用钻模钻孔,如图4-41 所示。
1.5 钻孔和铰孔1.5.3 扩张与铰孔的概念扩孔是将已钻出的孔或铸、锻出的孔扩大孔径的操作,所用的刀具是扩孔钻,如图4-42 所示。
扩孔钻的结构与麻花钻相似,但切削刃较多,有 3 ~ 4 条,切削部分的顶端是平的,螺旋槽较浅,钻体粗大结实,切削时不易变形。
经扩孔后,工件孔的精度可提高到IT10 ,表面粗糙度值Ra 能达 6.3 μ m 。
扩孔可作为孔加工的最后工序,也可作为铰孔前的准备工作。
铰孔是孔的精加工,精度可达IT7 ~8 ,表面粗糙度值Ra 为1.6 μ m ,精铰加工余量只有0.06 ~0.25mm 。
因此铰孔前工件应经过钻孔、扩孔或镗孔等加工。
铰孔所用刀具是铰刀,如图4-43 所示。
铰刀有手用铰刀和机用铰刀两种。
手用铰刀为直柄,工作部分较长。
机用铰刀多为锥柄,可装在钻床、车床上铰孔。
铰刀的工作部分由切削部分和修光部分组成。
切削部分成锥形,担负着切削工作。
修光部分起着导向和修光作用。
铰刀有6 ~12 个切削刃,每个切削刃的负荷较轻。
铰孔时选用的切削速度较低,进给量较小,一般都要使用切削液。
.8 装配知识装配是将合格零件按照规定的技术要求装成部件或机器的生产过程。
装配是制成机器的最后阶段,也是重要的阶段。
装配质量的优劣对机器的性能和使用寿命有很大影响。
装配过程可分为组件装配、部件装配和总装配。
组件装配是将零件联接和固定成为组件的过程。
部件装配是将零件和组件联接和组合成为独立机构(部件)的过程。
总装配就是将零件、组件和部件联接成为整台机器的操作过程。
1.8.1 紧固零件联接紧固零件联接有螺纹联接、键联接、铆接等。
螺纹联接是机器中常用的可拆联接,它装拆调整都很方便。
用于联接的螺栓、螺母各贴合表面要求平整光洁,螺母的端面与螺栓轴线垂直。