三相异步电动机星三角降压启动PLC控制.
- 格式:ppt
- 大小:396.00 KB
- 文档页数:25
实验二三相异步电动机的星/三角换接启动控制一、实验梯形图:
二、实验程序及注释
三、实验结果:
当按下X000即SS时,机器启动,Y001即KM1闭合,间隔1s后Y003即KM3闭合,此时为星形联结启动;按照设定的时间(本组为第九组,按照要求设定从启动到切换为三角形联结启动的时间为9秒),9秒后常闭触点T0断开,KM3断开,再间隔0.5秒后KM2闭合,此时为三角形联结启动。
当按下X001即ST时,机器停车,KM1~KM3的指示灯全部熄灭,电动机停止运作。
当按下X002即FR时,模拟过载情况,断电,情况如按下ST时。
实验结果与仿真结果一致,如图所示。
→
→
→
四、经验总结
①实验注意事项:
在实验过程中,必须连接好线路并确保接线以及程序正确后方可打开电源启动电动机模
块,以防出现触电的情况;如遇到程序错误的问题(此时PLC最下面的红灯会亮起来),先看程序有没有语句缺漏然后再检查语句是否有错误,注意器件名跟软元件名要一一对应。
②关于三相异步电动机的星/三角换接启动:
Y-△降压启动也称为星形-三角形降压启动,简称星三角降压启动。
这一线路的设计思想仍是按时间原则控制启动过程。
所不同的是,在启动时将电动机定子绕组接成星形,每相绕组承受的电压为电源的相电压(220V),减小了启动电流对电网的影响。
而在其启动后期则按预先整定的时间换接成三角形接法,每相绕组承受的电压为电源的线电压(380V),电动机进入正常运行。
凡是正常运行时定子绕组接成三角形的鼠笼式异步电动机,均可以采用这种线路。
目录
(1)星-三角降压启动 (2)
(2)PLC的I/O分配 (3)
(3)运行的程序 (3)
(4)PLC的接线图 (4)
星型启动三角型运行控制电路
(1)星-三角降压启动
三相异步电动机首先要大于3KW,因为只有大于3个千瓦的电动机才使用三角接法,其次用星-三角启动的电动机接的负载一般是启动电流非常大的,比如风机,泵类,用星-三角启动的时候可以降低启动电流,减少对电网的冲击,我们把电动机看做是有3组线圈组成的用电器,也好比是三个电阻,星形启动的时候相当于380V的电压加在2个电阻上,而转到三角的时候相当于380V的电压加到了一个电阻上,当电压不变,电阻加大的时候,电流就小,星-三角启动就是应用这个原理,电动机的控制电路图如下:
注意:
1、采用了自锁和互锁的功能。
2、按钮换锁和继电器换锁电路,启动到了双保护作用。
3、先是星型启动,然后过了几秒就三角型运行。
(2)PLC 的I/O 分配
该电路的输入设备启动按钮SB2、停止按钮SB1、热继电器辅助动断触点FR ,其输出设备有两个,一个是正转接触器线圈KM1,另一个是反转接触器线圈KM2。
现将PLC 的输入/输出继电器分配给上述输入/输出设备,即可列出其用PLC 控制的I/O 分配表,如下图:
(3)运行的程序输入分配
输出分配元件名称
PLC 输入点编号元件名称PLC 输入点编号停止按钮SB1
I0.1主电路KM1Q0.1启动按钮SB2
I0.2三角型KM2Q0.2FR 过载I0.3星型KM3Q0.3
(4)PLC的接线图
注意:
1、热继电器的接线也可以接在线圈的电路上,这样PLC可以节省一个输入点。
实验四三相异步电动机的星/三角换接启动控制在三相异步电动机的星/三角换接启动控制实验区完成本实验注意:(本实验只能在实验台上完成),由于电机正反转换接时,有可能因为电动机容量较大或操作不当等原因,使接触器主触头产生较为严重的起弧现象,如果电弧还未完全熄灭时,反转的接触器就闭合,则会造成电源相间短路。
用PLC来控制电机则可避免这一问题。
一、实验目的1、掌握电机星/三角换接启动主回路的接线。
2、学会用可编程控制器实现电机星/三角换接降压启动过程的编程方法。
二、实验要求合上启动按钮后,电机先作星形连接启动,经延时6秒后自动换接到三角形连接运转。
三、三相异步电动机的星/三角换接启动控制的实验面板图6-3-1上图下框下的SS、ST、FR分别接主机的输入点I0.0、I0.1、I0.2;将KM1、KM2、KM3分别接主机的输出点Q0.1、Q0.2、Q0.3;M端与主机的1L端相连;本实验区的+24V端与主机的L+相连,主机的1M与主机的M相连。
KM1、KM2、KM3的动作用发光二极管来模拟。
实验装置已将三个CJ0-10接触器的触点引出至面板。
学生可按图示的粗线,用专用实验连接导线连接。
380V电压已引至三相开关SQ的U、V、W端。
A、B、C、X、Y、Z与三相异步电动机(400W)的相应六个接线柱相连。
将三相闸刀开关拨向“开”位置,三相380V电即引至U、V、W三端。
注意:接通电源之前,将三相异步电动机的星/三角换接启动实验模块的开关置于“关”位置(开关往下扳)。
因为一旦接通三相电,只要开关置于“开”位置(开关往上扳),这一实验模块中的U、V、W端就已得电。
所以,请在连好的实验接线后,才将这一开关接通,请千万注意人身安全。
四、编制梯形图并写出程序实验参考程序梯形图如下图所示:五、动作过程分析启动:按启动按钮SS,I0.0的动合触点闭合,M10.0线圈得电,M10.0的动合触点闭合,Q0.1线圈得电,即接触器KM1的线圈得电,1秒后Q0.3线圈得电,即接触器KM3的线圈得电,电动机作星形连接启动;同时定时器线圈T37得电,当启动时间累计达6秒时,T37的动断触点断开,Q0.3失电,接触器KM3断电,触头释放,与此同时T37的动合触点闭合,T38得电,经0.5秒后,T38动合触点闭合,Q0.2线圈得电,电动机接成三角形,启动完毕。
班级:姓名:学号:
项目名称基于PLC控制三相异步电动机星/三角换接启动控制
一、目的
1. 熟悉STEP 7 Basic 编程软件的使用。
2. 掌握用PLC控制代替传统继电-接触器系统控制的方法。
3. 可编程控制器实现电机星/三角降压启动过程的编程和调试方法。
二、设备
THPJW-2A型电气PLC综合技能实训装置一台、网线一根、电脑一台、三相异步电动机一台、各种导线若干。
三、任务
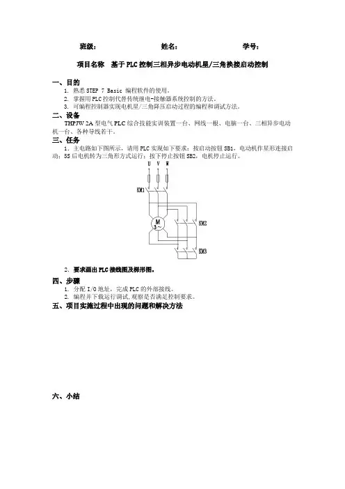
1.主电路如下图所示,请用PLC实现如下要求:按启动按钮SB1,电动机作星形连接启动;5S后电机转为三角形方式运行;按下停止按钮SB2,电机停止运行。
2.要求画出PLC接线图及梯形图。
四、步骤
1. 分配I/O地址,完成PLC的外部接线。
2. 编程并下载运行调试,观察是否满足控制要求。
五、项目实施过程中出现的问题和解决方法
六、小结。
[导读]?三相异步电动机启动时将三相定子绕组接成星形,以降低定子绕组电压,达到减小启动电流的目的。
要求:启动时三相异步电动机接成Y型,经过一段时间自动转化为△型运行,要求Y型断开后△型才能启动,防止Y型未断△型启动造成电源短路。
三相异步电动机Y-△自动降压启动控制电路如图所示:三、设计方案方案一:利用控制电路图和梯形图一一对应的PLC控制通过分析继电交流接触控制电路的动作原理,确定控制对象及控制内容。
现用PLC控制,分以下几步进行:I/O分配表及控制功能1.电路设计PLC接线图和梯形图如下图所示:*2.控制原理按下启动按钮SB1,Y0线圈得电自锁,Y1同时线圈得电,驱动接触器KM、KMY线圈得电,电动机M接成星形连接启动;定时器T0得电延时,10s后常闭触头断开Y1,T0常开触头接通Y2,电动机M由星形连接改接为三角形连接全压运行。
再按一下常闭停止按钮SB2,Y0、Y1、Y2和T0线圈均失电,电动机停转。
方案二:利用堆栈指令MPS、MPD、MPP的PLC控制堆栈指令用于多重输出电路,为编程带来了便利。
MPS指令用于存储该指令处的运算结果(压入堆栈);MRD指令用于读出由MPS指令存储的运算结果(读出堆栈);而MPP指令用于读出和清除MPS指令存储的运算结果(弹出堆栈)。
需要注意的是MPS和MPP必须配对使用。
PLC梯形图如图所示:方案三:利用传送指令的PLC控制传送指令MOV功能是将源数据传送到指定的目标。
当X0为ON时,指令执行,PLC将源数据自动转换成二进制;当X0为OFF时,则指令不执行,数据不变。
PLC梯形图如图所示:控制原理:按下启动按钮SB1,指令执行,PLC先将H3自动转换成二进制011,然后传给Y2~Y0,所以Y0、Y1得电,电动机M接成星形连接启动;定时器T0得电延时,10s后再传送001给Y2~Y0,Y0得电,断开Y1,1s后T1常开触头接通Y2,电动机M由星形连接改接为三角形连接全压运行。
-56-科技论坛基于PLC控制的三相异步电动机星—三角启动顾晓辉(南京铁道职业技术学院苏州校区电子电气工程系,江苏苏州215137引言三相异步电动机直接启动控制线路简单、经济,但受到电源容量的限制。
当电动机容量较大,启动时会产生较大的启动电流,引起电网电压下降,因此必须采用降压启动的方法,限制启动电流。
星一三角降压启动则是常用的限制启动电流的控制线路。
在传统的星一三角启动控制线路中,采用继电一接触器控制系统,该系统采用大量的低压电器,如接触器,时间继电器等,虽然成本较低,但是可靠性很差,查找和排除故障困难,如果产品需要更新、生产工艺需要变化时,控制系统的元件和接线也须作相应的变动,这种变动工作量大,工期长,费用高。
因此,传统的继电一接触器控制已不能适应现代工业自动化的高标准,严要求。
而可编程控制器(PLC则是活跃在现代工业控制领域的生力军。
PLC可靠性高,抗干扰能力强,编程简单易学,功能完善,适用性强,具有很高的性价比。
因此利用PLC控制的星一三角启动能克服传统的继电- 接触器控制的诸多缺点,可靠性、安全性、稳定性和可操作性更强,在现代工业控制领域中具有非常重要的实用价值。
1基于传统的继电一接触器控制的星一三角启动如果正常运行的定子绕组为三角形接法的鼠笼式异步电动机在启动时将定子绕组接成星形,待启动完毕后再接成三角形,就可以降低启动电流,减轻它对电网的冲击。
这样的启动方式称为星一三角启动。
采用星一三角启动时,启动电流只是原来按三角形接法直接启动时的1/3。
电气控制线路中,主电路使用三个接触器KM1、KM Y和KM △,其中KM1和KM Y首先吸合,将定子绕组接成星形,经过一段预先的整定时间后,KM 丫断开,KM1和KM △吸合,定子绕组接成三角形,从而实现了星—三角启动。
传统的继电一接触器控制系统中,控制电路往往采用时间继电器或者其他的低压电器进行三个接触器吸合和断开的切换。
由于低压电器固有的缺点,因此传统的继电一接触器控制系统可靠性、安全性、稳定性都比较差。