乙炔减压阀规格型号标准
- 格式:docx
- 大小:13.20 KB
- 文档页数:1
家用燃气减压阀标准
家用燃气减压阀的标准包括以下几点:
1.减压阀应符合国家或地方有关瓶装燃气设备的标准和规范。
2.减压阀应具有瓶装燃气品牌、型号、规格、批号等标识,并经过严格的质量检查。
3.减压阀应具有良好的耐压性能,并能保证在设计压力范围内正常工作。
4.减压阀应具有良好的流量调节性能,可以根据需要进行调节。
5.减压阀应具有良好的安全性,能够在过流、过压、过温等异常情况下自动切断燃气供应。
6.制造材料应为优质碳钢或不锈钢,以确保产品的强度和耐腐蚀性。
7.调压性能应稳定,压力调节范围在0.035-1.OMPa之间,且任何情况下都不应超过1.5MPa0
8.减压阀在连续使用时应能保证长期稳定工作,不得出现卡壳、漏气等现象。
9.在外观和尺寸方面,也做了相应规定。
以上信息仅供参考,如需了解更具体的信息,建议查阅国家或地方有关瓶装燃气设备的标准和规范,或咨询专业人士。
常用气体阀门的种类和技术规格氧气瓶阀适用介质氧气,公称工作压力 15MPa,公称通径 3mm,出口螺纹φ7夹箍1-φ6定位销,与气瓶连接螺纹 BS3411-1/14直通式截止阀适用介质氧、氢、氮、空,公称工作压力 15MPa,公称通径 4mm,进口连接尺寸内螺纹W22×1/14,出口连接尺寸 W22×1/14天然气瓶阀适用介质天然气,公称工作压力 20MPa,公称通径 5mm,出口螺纹与气瓶连接螺纹 BS341-1,安全装置温度或压力 27±3MPa,100℃±5℃针形式氟利昂气瓶阀适用介质氟利昂,公称工作压力 3MPa,公称通径 7mm,出口螺纹 G3/4,与气瓶连接螺纹 GB8335PZ27.8mm,安全装置温度或压力 70℃+4℃/-2℃活瓣式一氧化二氮气瓶阀适用介质一氧化二氮,公称工作压力 15MPa,公称通径 4mm,出口螺纹 CGA326,与气瓶连接螺纹 GB8335,PZ27.8,安全装置温度或压力 21±1.5活瓣式氢气瓶阀适用介质氧气、氢气、氮气,公称工作压力 15MPa,公称通径 4mm,出口螺纹 CGA350,与气瓶连接螺纹 GB8335,PZ27.8,安全装置温度或压力 21±1.5活瓣式氩气瓶阀适用介质氦、氖、氩、氪、氙,公称工作压力 15MPa,公称通径 4mm,出口螺纹内螺纹CGA580,与气瓶连接螺纹 3/4-14-NGT,安全装置温度或压力 28±2直通式截止阀适用介质氧、氢、氮、空,公称工作压力 20MPa,公称通径 25mm,进口连接尺寸φ38银焊,出口连接尺寸φ38银焊活瓣式二氧化碳气瓶阀适用介质二氧化碳,公称工作压力 15MPa,公称通径 CGA320,出口螺纹3/4-14-NGT,安全装置温度或压力 21±1.5单向止逆阀适用介质氧、氢、氮、空,公称工作压力 20MPa,公称通径 6mm,进口连接尺寸 G5/8,出口连接尺寸 W21.8×1/14-LH天然气充气阀适用介质天然气,公称工作压力 20MPa,公称通径 4mm,出口连接 NPT1/4,M14×1.5进口连接活塞式孔12活瓣式氧气瓶阀适用介质氧气、空气、氮气,公称工作压力 20MPa,公称通径 4mm,内螺纹 G5/8,与气瓶连接螺纹 GB8335PZ27.8mm,安全装置或压力 28±2直通式截止阀适用介质氧、氢、氮、空,公称工作压力 15MPa,公称通径 4mm,进口连接尺寸 G5/8,出口连接尺寸内螺纹G1/2氮气减压器适用介质氮气,公称工作压力进口≤15MPa,出口≤6MPa,公称通径φ3~φ10mm,其它介质产品乙炔、氧、氢、氩,安全装置≤10MPa,进口连接螺纹 G5/8、G3/4,出...直角式截止阀适用介质氧、氢、氮、空,公称工作压力 20MPa,公称通径 15mm,进口连接尺寸内螺纹3/4,出口连接尺寸内螺纹3/4氧气瓶阀适用介质氧气,公称工作压力 15MPa,公称通径 1.5mm,出口螺纹φ7夹箍2-φ4.8定位销,与气瓶连接螺纹 3/4-16-UNF活瓣式氧气瓶阀适用介质氧气、空气、氮气,公称工作压力 15MPa,公称通径 3mm,内螺纹 G5/8,与气瓶连接螺纹 GB8335PZ27.8mm,氧气瓶阀适用介质氧气,公称工作压力 15MPa,公称通径 3mm,出口螺纹φ7夹箍2-φ4.7定位销,与气瓶连接螺纹 3/4-14-NGT天然气截止阀适用介质天然气,公称工作压力 20MPa,公称通径 4mm,出口连接卡套式孔6,进口连接卡套式孔6,直角式截止阀适用介质氧、氢、氮、空,公称工作压力 20MPa,公称通径 8mm,进口连接尺寸 G1/2,出口连接尺寸 G3/4 隔膜式氧气瓶阀适用介质氧气、空气、氮气,公称工作压力 15MPa,公称通径 2mm,出口螺纹 W21.8×1/14,与气瓶连接螺纹 GB8335PZ19.2mm轴联式氟利昂气瓶阀适用介质氟利昂,公称工作压力 12.5MPa,公称通径 4mm,出口螺纹 G3/4,与气瓶连接螺纹 GB8335PZ27.8mm医用小型氧气瓶阀适用介质氧气,公称工作压力 20MPa,公称通径 2mm,出口螺纹 21.8×14牙/寸,与气瓶连接螺纹 M18×1.5联结氧气瓶阀适用介质氧、空、氮,公称工作压力 30MPa,公称通径 2mm,出口螺纹内螺纹G5/8,与气瓶连接螺纹 M18×1.5活瓣式氢气瓶阀适用介质氢气,公称工作压力 15MPa,公称通径 4mm,出口螺纹 W21.8×1/14-LH,与气瓶连接螺纹 GB8335PZ27.8mm一氧化二氮瓶阀适用介质一氧化二氮,公称工作压力 15MPa,公称通径 2.5mm,出口螺纹φ7夹箍2-φ4.7定位销,与气瓶连接螺纹 3/4-14-NGT直通式截止阀使用介质氧、氢、氮、空,公称工作压力≤3MPa,公称通径 12mm,进口连接尺寸内螺纹G1/2,出口连接尺寸内螺纹G1/2轴联式二氧化碳瓶阀适用介质二氧化碳,公称工作压力 15MPa,公称通径 7mm,出口螺纹 G5/8,与气瓶连接螺纹 GB8335PZ27.8mm,安全装置温度或压力 21±1.5MPa直通式截止阀适用介质氧、氢、氮、空,公称工作压力 20MPa,公称通径 10mm,进口连接尺寸内螺纹M33×2,出口连接尺寸内螺纹M33×2直角式单向止逆阀适用介质氧、氢、氮、空,公称工作压力 20MPa,公称通径 10mm,进口连接尺寸内螺纹3/4,出口连接尺寸内螺纹3/4直通式截止阀使用介质氧、氢、氮、空,公称工作压力 3MPa,公称通径 18mm,进口连接尺寸内螺纹G3/4,出口连接尺寸内螺纹G3/4活瓣式氧气瓶阀适用介质氧气、空气、氮气,公称工作压力 15MPa,公称通径 4mm,出口螺纹 CGA540,与气瓶连接螺纹 3/4-14-NGT,安全装置温度或压力 21±1.5活瓣式氦气瓶阀适用介质氦、氖、氩、氪、氙,公称工作压力 15MPa,公称通径 4mm,出口螺纹 CGA580,与气瓶连接螺纹 1-1112-NGT,安全装置温度或压力 21±1.5直角式截止阀适用介质氧、氢、氮、空,公称工作压力 15MPa,公称通径 4mm,进口连接尺寸φ9,出口连接尺寸φ9直角式截止阀适用介质氧、氢、氮、空,公称工作压力 20MPa,公称通径 15mm,进口连接尺寸内螺纹3/4,出口连接尺寸内螺纹3/4天然气瓶阀适用介质天然气,公称工作压力 20MPa,公称通径 4mm,内螺纹 2-NPT1/4,与气瓶连接螺纹 PZ27.8,安全装置温度或压力 33±2MPa,100℃±5℃自动切换氧气汇流排进口压力 15MPa,出口压力 0.5MPa(0~0.5MPa可调),额定流量 30m/h,自动切换压力 0.8±0.1MPa,空瓶报警压力 0.8±0.1MPa,电源电压 220V/50Hz,耗电功率≤15W,...天然气瓶阀(限流装置)适用介质天然气,公称工作压力 20MPa,公称通径 4mm,出口螺纹 NPT1/4,与气瓶连接螺纹 PZ27.8,安全装置温度或压力 33±2MPa,100℃±5℃针型式氯气瓶阀适用介质氯气,公称工作压力 2MPa,公称通径 6mm,出口螺纹 G3/4,与气瓶连接螺纹 GB8335PZ27.8mm乙炔管道截止阀适用介质乙炔,公称工作压力 2.5MPa,公称通径 5mm,进口连接尺寸 M22×1.5,出口连接尺寸内螺纹M16×1.5。
世界各国减压阀规格及图片世界各国减压阀规格及图片1、瑞士Switzerland (CH) :气源有I3+(28-30/37 和I3B/P(50),两种。
接头:减压阀进气接口为W21.8×1/14″-LH,出气接口为G1/4″-LH。
2、匈牙利Hungary (HU): 气源为 I3B/P(30)。
接头:减压阀进气接口为W21.8-1/14″-LH。
匈牙利减压阀:29mbar,1.5kg/h. 进气接口为W21.8-1/14″-LH,带胶垫。
3、克罗地亚Croatia (HR) : 气源为 I3B/P(30)。
4、德国Germany (DE)、奥地利(AT):气源为I3B/P(50)。
进气接口为W21.8×1/14″-LH,出气口为G1/4″LH。
5、英国United Kingdom(GB):气源为I3+(28-30/37)和I3P(37),其减压阀如下图:37mbar-1.5kg/h,Propane.红色,出口为插管,outlet nozzle 10.3mm。
钢瓶接口:快速接口,Ф27mm银白色,进出接口与红色一样。
37mbar,1.5kg/h, Propane6、瑞典Sweden (SE):气源为I3B/P(30),其减压阀为:30mbar,进气为POL接头,1.3kg/h.7、爱尔兰Ireland (IE) :气源与英国一样,为I3+(28-30/37)和I3P(37),其减压阀有两种,见下图片:8、波兰Poland (PL) :气源为I3B/P(37),其减压阀见下图片:37mbar Propane 1.5kg/h,进气接头为:W21.8×1/14″-LH,出气为outlet nozzle 12mm(hose ID10mm)9、西班牙Spain(ES),葡萄牙Portugal(PT)、挪威Norway (NO)、芬兰Finland(FI)、丹麦Denmark (DK)、乌拉圭Uruguay(U:——西班牙、葡萄牙均为I3+(28-30/37)气源,挪威、芬兰、丹麦均为I3B/P (30)气源,乌拉圭为南美,所用减压阀相同,见下图片:29mbarLPG. 其中葡萄牙还有用类似英国的减压阀37mbar 丙烷.2.0kg/h,29mbar LPG. 钢瓶接口减压阀图片10、意大利Italy(IT):气源为I3+(28-30/37)和I3B/P(30),所以目前也有用29mbar和30mbar的减压阀,入口接头为W20*1.814LH-55°.30mbar,1.3kg/h,进气接口为W20*1.814LH-55°,outlet nozzle Ф10mm。
气瓶减压阀接口尺寸
气瓶减压阀接口尺寸是重要参数,主要用于盛放气体的容器,或分配或控制气体流量。
下面介绍常见气瓶减压阀接口尺寸:
1、G1 / 4英寸接口:G1 / 4英寸接口是用于气体压缩机和其他小型压缩设备中应用最多的接口尺寸,外径为14.2mm,孔径为6.5mm。
2、G5 / 8英寸接口:G5 / 8英寸接口是一种常见的接口尺寸,外径为17.7mm,孔径为8.2mm。
3、G3 / 4英寸接口:G3 / 4英寸接口是一种最常见的接口尺寸,外径为20.2mm,孔径为9.7mm,用于主变压器、辅助煤气、原子热发动机和轻型汽油机等。
4、G1英寸接口:G1英寸接口是经常用于中型和大型气体压缩机,外径为25.6mm,孔径为11.7mm,用于汽车和拖拉机等车辆的气瓶以及柴油类的大型发动机。
5、G11 / 4英寸接口:G11 / 4英寸接口是用于适应气瓶规格较大的设备,外径为31mm,孔径为14mm,通常用于柴油机或气动设备。
6、G1 1/2英寸接口:G1 1/2英寸接口是用于高压设备,外径为
35.1mm,孔径为16.6mm,用于柴油发动机和海洋设备的气瓶。
气瓶减压阀接口尺寸的选择是要根据气瓶的用途,详细计算和选择,以确保气瓶结构的安全性。
如果气瓶接口尺寸不正确,甚至可能会引起事故。
因此,必须准确选择和安装气瓶减压阀,以免造成不必要的损失。
减压阀规格“十一五”为能源及石油、化工带来机遇石油业增加值用水量比2005年下降30%,工业用水重复利用率达到90%以上,工业固体废弃物综合利用率达到70%以上,主要污染物排放总量减少10%,并建成一批符合循环经济发展要求的资源节约型、环境友好型先进企业和化工园区。
石油和化工行业的发展趋势将是发展环保型产品,采用先进技术,实现清洁生产,最大限度地降低“三废”排放量。
一批落后的生产工艺势必被逐步淘汰;采用先进工艺技术,降低原材料消耗;增加节水措施,提高水的重复利用率;加快化工废水处理设备、药剂、废气处理设备、排烟设备的系列化、成套化,以提高化工环保产业技术和装备水平。
在“绿色”要求之下,除了上述生物能源和生物化工将会在“十一五”时期进一步受到重视外,作为以传统废弃物为原料进行再加工的产业也会悄然兴起,如废旧轮胎再生、废旧塑料再利用等等。
另外,除了从源头上消除污染,石油化工发展重心向园区化倾斜的速度也会进一步加快。
世界化工园区发展的历史长达百年,一些世界知名的化工区向人们展示了其安全、环保、便利、高效、便于管理监测等特点,给我们提供了很好的范例。
具有代表性的国际化工园区有:比利时安特卫普、德国路德维希港、美国休斯顿、日本鹿儿岛、荷兰鹿特丹等等。
其中巴斯夫总部所在地的路德维希港从1976~一、产品[超大膜片高灵敏度减压阀]的详细资料:产品型号:YD43H产品名称:先导式超大膜片高灵敏度减压阀产品特点:本系列减压阀是本公司参考国外先进产品而研制开发成功的新型先导式超大膜片减压阀,本产品在普通减压阀的基础上做了很大的改进。
膜片采用了新型材料,并大大加工了工作面积,因此阀门上游压力或下游负荷细微的变化都能及时准确的反馈到主阀膜片,来调节主阀的开度,确保下游压力的稳定。
二、主要技术参数和性能指标:公称压力(Mpa) 2.5壳体试验压力(Mpa)* 3.75密封试验压力(Mpa) 2.5最高进口压力(Mpa) 2.5出口压力范围(Mpa) 0.02-1.6压力特性偏差(Mpa)△P2P GB12244-1989流量特性偏差(Mpa)P2G GB12244-1989渗漏量GB12245-1989*:壳体试验不包括膜片、阀盖。
阀门型号规格编码规则
本标准适用于工业管道的闸阀、截止阀、球阀、蝶阀、隔膜阀、止回阀、安全阀、减压阀、疏水阀、旋塞阀、柱塞阀。
1.阀门的型号编制方法如下:
表1
类型代号类型代号
闸阀Z 旋塞阀X
截止阀J 止回阀和底阀H
节流阀L 安全阀 A
球阀Q 减压阀Y
蝶阀 D 疏水阀S
隔膜阀G 柱塞阀U
注:当阀门还具有其他功能作用或带有其他特异结构时,在阀门类型代号前再加注一个汉语拼音字母,按下表的规定。
第二功能作用名称代号第二功能作用名称代号保温型 B 排渣型P
低温型D a快速型Q
防火型 F (阀杆密封)波纹管型W
缓闭型H ——
D a 低温型指允许使用温度低于-46℃以下的阀门。
4.0MPa,1Cr18Ni9Ti (不锈钢,相当于304)阀体材质
7.公称压力数值
按JB74—59《管路附件公称压力,试验压力和工作压力》的规定。
用于电站工业的阀门,当介质最高温度超过530摄氏度时,按JB74-59第5条的规定标注工作压力.。
水用减压阀第一部分1.0概要1.1应用水用减压阀主要应用于降低配水系统中静态与动态(流动)水压。
1.2 适用范围1.21 类型描述本标准中的水用减压阀为独立、直动(直接动作)、单膜片式。
允许内附过滤网,或在减压阀入口处连接一个独立的过滤装置,或者也可以不安装过滤网及过滤装置。
减压阀可以内附旁通阀(by-pass relief valve)装置,也可以不附加旁通阀。
1.22 尺寸范围连接管路通径的范围为 DN15, DN20,DN25,DN32,DN40,DN50,DN65 和DN80。
依据美国国家螺纹管标准ASME B1.20.1,对应的管螺纹为(1/2 NPT,5/8NPT,1-1/4NPT,1-1/2NPT,2NPT,2-1/2NPT 和3NPT)1.23 压力范围水用减压阀最小工作压力为1724 kPa(250 psi)1.24 温度范围水用减压阀设计的最小温度范围为:0.6°C (33°F)至 60°C(140°F)1.3 设计限制1.31 减压阀中的各个部件能够抵抗由特定水压试验产生的应力,不出现永久变形。
并且也可以抵御在水压不平衡的特殊工作条件下,由工作水压力所产生的应力。
见3.6节。
1.32 机械性能1.3.2.1 可修复性(a)减压阀的内部零件或者滤网(如果内附其中)应易于检查、清洗、维修或更换。
做上述检查或维修时,无需从管路中拆卸下减压阀。
(b)减压阀中可更换的零件,必须保证,同型号同尺寸的零件具有可互换性。
1.4 参考标准参考 ANSI、ASTM、ASME 和 ISO最新版本的标准。
第二部分2.0 试样2.1 提交测试的样本每种规格要提供三个样品。
任意挑选其中的一个进行测试。
2.2 样本测试测评机构将选取每一种类型,每一种规格的减压阀,分别进行全部试验。
2.3 图纸装配图和其他必要的数据,以及产品安装图纸,要随样品一起提交给测试机构,保证测试机构可以判断样品是否符合标准。
1、减压稳压阀主要特点:1、DN65口径以上活塞式。
替了膜片提高寿命3倍以上;2、DN50口径以下,用尼龙强化橡胶的平膜片代替了原来的膜片,也提高寿命3倍以上。
适用介质:水、空气。
介质温度:0~90°C。
2、波纹管减压阀本阀用于温度在180C以下的蒸汽、空气及其它无腐蚀性气体的管路上,经过调节,使通过阀内的介质压力减至某一需要的出口压力,并使介质的出口压力保持相对稳定,但进口压力与出口压力之差必须大于或等于0.5bar。
3、支管减压阀一、用途本厂生产的水用减压阀主要用于各种建筑给水系统、消防系统、中央空调系统、采暖系统等。
它用于支管减压,可使供水压力分配更加均衡,避免部分供水超压,优化高层建筑给水分区。
它可代替分区调频变速水泵,在消防给水系统上可代替分区水泵,用于家用给水系统,可保护所有的水龙头和其它水器具。
二、特点采用直接作用隔膜式结构,内部结构非常简单,无卡阻,性能可靠,经久耐用。
耐脏防水垢,不需过滤器,不需旁通管,配管极其简单,能节省大量空间和配管成本。
出口压力精密可调,在一般场合下,可以认为出口压力不受进口压力的影响(出口压力的变化量是△P1的8%)。
极佳的水力特性,压力损失小,减压比可达成10:1以上。
可满足多种减压要求,特别适用于支管减压系统。
三、工作原理出口压力作用在隔膜底面和阀瓣底面,当它超过弹簧设定值时,压缩弹簧,使阀瓣关闭。
只要下游无水流动,出口压力将基本保持在设定值(其变化量仅为入口压力变化量的8%);当下游用水时,出口压力下降,弹簧推开隔膜,打开减压阀。
水流连续流通一阵后,减压阀的开启产生自阻尼效应,使启闭动作趋于平稳。
四、可能的故障原因1.霜冻损坏,在寒冷地区应注意保温。
2.水流方向装错,减压阀变成止回阀,出口压力为0。
3.弹簧拧得太紧,无法关闭,减压阀将直通P2=P1。
4.旁通管漏水,使P2偏离设定值,鉴于本减压阀优越的可靠性和耐久性,建议不安装亮度通管为宜。
减压阀连接方式选型原则减压阀连接方式选型原则减压阀如果按使用介质分为的话可以分为蒸汽减压阀,气体减压阀,水用减压阀等;如果按连接方式的话,可以分为法兰减压阀,内螺纹减压阀,卡套减压阀,卡箍减压阀,焊接减压阀等;常用的是内螺纹减压阀和法兰减压阀;比如的气体减压阀,进口蒸汽减压阀和进口水用减压阀,大口径的都是法兰连接,小口径的都法兰连接和内螺纹连接;减压阀是通过调节,将进口压力减至某一需要的出口压力,并依靠介质本身的能量,使出口压力自动保持稳定的阀门。
比如减压阀,主要有进口蒸汽减压阀,进口水用减压阀,进口气体减压阀,进口气瓶减压阀,一般安装于管道,设备或者钢瓶的减压,那么减压阀的安装连接方式是指阀门和管道或者使用设备如何连接安装的一种形式,一般的阀门连接方式有:法兰,螺纹,焊接,卡箍,卡套等,而参考著名的减压阀的产品,对于进口减压阀的连接方式,笔者认为有以下几种:法兰式减压阀是指采用法兰连接方式的减压阀,口径有DN 15-1000,法兰压力等级有PN16-PN320,150-2500LB, 150PSI-6000PSI;法兰标准有美标,国标,化工部标准,德标,日标等标准。
减压阀产品类别较多,气源减压阀主要作用是将气源的压力减压并稳定到一个值,以便于调节阀能够获得稳定的气源动力用于调节控制。
减压阀在生活给水、消防给水及其他工业给水系统中都有着举足轻重的作用。
减压阀应用范围广,在蒸汽、压缩空气、工业用气、水、油和其他液体介质的设备和管路上均可使用,减压阀连接方式选型原则具体选用说明如下:1、波纹管直接作用式减压阀适用于低压、中小口径的蒸汽、空气等介质;2、薄膜直接作用式减压阀适用于中低压、中小口径的蒸汽或水等介质;3、先导活塞式减压阀,适用于各种压力、各种口径、各种温度的蒸汽、空气和水介质,若用不锈耐酸钢制造,叮适用于各种腐蚀性介质;4、介质工作温度较高的场合,一般选用活塞式减压阀;5、灵敏度要求较高时,可选用弹簧薄膜式减压阀;6、介质为空气或水(液体)的场合,一般选用直接作用薄膜式减压阀或先导薄膜式减压阀。
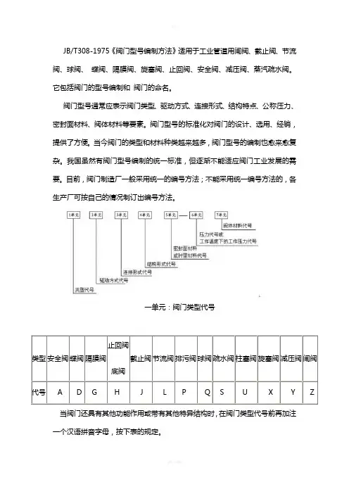
JB/T308-1975《阀门型号编制方法》适用于工业管道用闸阀、截止阀、节流阀、球阀、蝶阀、隔膜阀、旋塞阀、止回阀、安全阀、减压阀、蒸汽疏水阀。
它包括阀门的型号编制和阀门的命名。
阀门型号通常应表示阀门类型、驱动方式、连接形式、结构特点、公称压力、密封面材料、阀体材料等要素。
阀门型号的标准化对阀门的设计、选用、经销,提供了方便。
当今阀门的类型和材料种类越来越多,阀门型号的编制也愈来愈复杂。
我国虽然有阀门型号编制的统一标准,但逐渐不能适应阀门工业发展的需要。
目前,阀门制造厂一般采用统一的编号方法;不能采用统一编号方法的,各生产厂可按自己的情况制订出编号方法。
一单元:阀门类型代号当阀门还具有其他功能作用或带有其他特异结构时,在阀门类型代号前再加注一个汉语拼音字母,按下表的规定。
二单元:传动方式安全阀、减压阀、疏水阀、手轮直接连接阀杆操作结构形式的阀门,本代号省略,不表示;对于气动或液动机构操作的阀门:常开式用6K、7K表示;常闭式用6B、7B表示防爆电动装置的阀门用9B表示。
三单元:连接型式四单元:结构型式阀门结构形式用阿拉伯数字表示,按下表规定闸阀结构形式代号截止阀、节流阀和柱塞阀结构形式代号球阀结构形式代号蝶阀结构形式代号隔膜阀结构形式代号旋塞阀结构形式代号止回阀结构形式代号安全阀结构形式代号减压阀结构形式代号蒸汽疏水阀结构形式代号排污阀结构形式代号五单元: 密封副材料五单元: 密封副材料阀直加当密封副的密封面材料不同时,以硬度低的材料代号表示 六单元:公称压力数值用阿拉伯数字直接表示,它是MPa 的10倍七单元:阀体材料灰铸铁底压阀和钢制中压省略此项灰铸铁底压阀和钢制中压省略此项,举例:Z543H-16C 伞齿轮传动法兰连接平板闸阀,公称压力1.6MPa,阀体材料为碳钢阀门的命名阀门的名称按传动方式、连接形式、结构形式、衬里材料和类型命名。
但下面内容在命名中均予省略:(1) 连接形式中:“法兰”。
减压阀规格“十一五”为能源及石油、化工带来机遇石油业增加值用水量比2005年下降30%,工业用水重复利用率达到90%以上,工业固体废弃物综合利用率达到70%以上,主要污染物排放总量减少10%,并建成一批符合循环经济发展要求的资源节约型、环境友好型先进企业和化工园区。
石油和化工行业的发展趋势将是发展环保型产品,采用先进技术,实现清洁生产,最大限度地降低“三废”排放量。
一批落后的生产工艺势必被逐步淘汰;采用先进工艺技术,降低原材料消耗;增加节水措施,提高水的重复利用率;加快化工废水处理设备、药剂、废气处理设备、排烟设备的系列化、成套化,以提高化工环保产业技术和装备水平。
在“绿色”要求之下,除了上述生物能源和生物化工将会在“十一五”时期进一步受到重视外,作为以传统废弃物为原料进行再加工的产业也会悄然兴起,如废旧轮胎再生、废旧塑料再利用等等。
另外,除了从源头上消除污染,石油化工发展重心向园区化倾斜的速度也会进一步加快。
世界化工园区发展的历史长达百年,一些世界知名的化工区向人们展示了其安全、环保、便利、高效、便于管理监测等特点,给我们提供了很好的范例。
具有代表性的国际化工园区有:比利时安特卫普、德国路德维希港、美国休斯顿、日本鹿儿岛、荷兰鹿特丹等等。
其中巴斯夫总部所在地的路德维希港从1976~一、产品[超大膜片高灵敏度减压阀]的详细资料:产品型号:YD43H产品名称:先导式超大膜片高灵敏度减压阀产品特点:本系列减压阀是本公司参考国外先进产品而研制开发成功的新型先导式超大膜片减压阀,本产品在普通减压阀的基础上做了很大的改进。
膜片采用了新型材料,并大大加工了工作面积,因此阀门上游压力或下游负荷细微的变化都能及时准确的反馈到主阀膜片,来调节主阀的开度,确保下游压力的稳定。
二、主要技术参数和性能指标:公称压力(Mpa) 2.5壳体试验压力(Mpa)* 3.75密封试验压力(Mpa) 2.5最高进口压力(Mpa) 2.5出口压力范围(Mpa) 0.02-1.6压力特性偏差(Mpa)△P2P GB12244-1989流量特性偏差(Mpa)P2G GB12244-1989渗漏量GB12245-1989*:壳体试验不包括膜片、阀盖。
乙炔气瓶减压阀与回火防止器的工作原理一、引言乙炔气是常用的燃烧气体之一,广泛应用于切割、焊接和烧烤等领域。
但是,由于乙炔气的压力非常高,如果不经过减压处理,则在使用过程中可能会产生危险。
因此,在使用乙炔气前,需将其经过减压阀减压至安全范围内,同时还要配备回火防止器,以确保使用过程中不会发生意外。
二、乙炔气瓶减压阀的工作原理乙炔气瓶减压阀是将高压气体减压至所需压力的装置,它的作用是保证瓶内气体的稳定出压。
其工作原理是利用活塞的移动来调节气体压力,其具体过程如下:1.瓶内气体进入减压阀,通过活塞插座进入活塞室。
2.活塞室内气体使活塞产生向下的压力,在活塞上设有调节螺栓,通过调节螺栓可改变活塞初始压力,从而改变减压阀出口压力。
3.减压阀的气缸室上方连接一压缩弹簧,弹簧产生向上的压力,直接作用于活塞上,与活塞下方气体所产生的压力对抗,最终形成所需的稳定压力。
三、回火防止器的工作原理回火防止器是防止乙炔气体回流的装置,一旦乙炔气压力降低至环境压力以下,就需要回火防止器避免气体回流进入高压缩氧气瓶,引发火灾或爆炸。
回火防止器的工作原理如下:1.回火防止器由止回阀和火花塞组成,止回阀设置在乙炔气瓶和减压器之间,防止气体回流;火花塞则设置在止回阀上方,是检测火花、电弧及其它高温源的一种安全装置。
2.当乙炔气体压力高于压缩氧气瓶内压力时,止回阀就会关闭,防止气体倒流;3.当乙炔气体压力降低至一定程度时,止回阀就会打开,回火防止器有效避免气体倒流和火花引发的危险。
四、结论乙炔气瓶减压阀和回火防止器是乙炔气使用过程中必不可少的安全装置。
减压阀的作用是将高压气体减压至所需压力,以保证瓶内气体的稳定出压;回火防止器则是防止气体倒流和火花引发的危险。
当安装并正确使用这两种装置时,乙炔气的使用更加安全可靠。
减压阀标准汇总内容来源自网络标准编号标准中文名称标准英文名称JB/T10367-2002液压减压阀GB/T12245-1989减压阀性能试验方法Methodsofperformancetestforpressurereducingvalves GB/T12246-1989标准编号标准中文名称标准英文名称JB/T10367-2002 液压减压阀GB/T12245-1989减压阀性能试验方法Methods of performance test for pressure reducing valvesGB/T12246-1989先导式减压阀Pilot-operated reducing valves GB/T12244-1989减压阀一般要求General specification for pressure reducing valves GB/T1852-1993船用法兰铸钢蒸汽减压阀Marine steel flanged steam pressure reducing valves GB10868-1989电站减温减压阀技术条件Specification of the steam converting valve for fossil power stations JB/T7376-1994(2005复审)气动空气减压阀技术条件JB/T7310-1994(2005复审)装载机用减压阀式先导阀JB/T53361-1994液压减压阀产品质量分等(试行)JB/T53265-1999先导式减压阀产品质量分等JB/T2205-2000减压阀结构长度NF P43-035-2000建筑阀门.供水减压阀和复合供水减压阀.要求和试验(Building valves - Water pressure reducing valves and combination water pressure reducing valves - Requirements and tests.)NF A84-420-1991气焊设备和有关方法.减压阀入品接头.尺寸(Equipment for gas welding and allied processes. Pressure regulators inlet connections. Dimensions.)NF M88-773-1981商用丁烷容器装置.低压固定调节的家用商品丁烷减压阀(INSTALLATIONS BURNING COMMERCIAL BUTANE. PRESSURE REGULATOR TRIP,LOW-PRESSURE FIXED FLOW,FOR COMMERCIAL BUTANE FOR DOMESTIC USE.)NF M88-775-1990装液态碳氢化合物的钢瓶.可移动部分和半移动部分用高压可调减压阀.功能.标记、试验(LIQUEFIED HYDROCARBONS SYSTEMS IN CYLINDERS. FIXED ADJUSTEMENT,HIGH PRESSURE REGULATOR FOR MOBILE AND SEMI-MOBILE PREMISES. CONSTRUCTION. OPERATIONMARKING,TESTS.)NF M88-737-2003可运输可再填充液化石油气瓶用减压阀(Pressure relief valves for transportable refillable cylinders for Liquefied Petroleum Gas (LPG).)NF E48-423-2001液压传动.减压阀、顺序阀、卸载阀、节流阀和止回阀.装配面(Hydraulic fluid power - Pressure-reducing valvessequence valvesunloading valvesthrottle valves and check valves - Mounting surfaces.)ANSI/ASSE 1003-1995家用供水系统用减压阀(Water Pressure Reducing Valves for Domestic Water Supply Systems)ANSI/ASSE 1046-1990热膨胀减压阀(Thermal Expansion Relief Valve)ANSI Z 21.22a-1999减压阀和真空减压阀(Pressure Relief Valves and Vacuum Relief Valves)ANSI Z 21.22b-2001热水供应系统的减压阀(Relief Valves for Hot Water Supply Systems (same as CSA 4.4b)) ANSI/ASTM F 1508-1997用于蒸汽、气体和液体设备的角型减压阀规范(Specification for Angle StylePressure Relief Valves for SteamGasand Liquid Services)ASME A112.4.1-1993热水器减压阀排水管(Water heater relief valve drain tubes)ASME PTC 25.3-1988安全和减压阀(Safety and relief valves)ASTM E 1008-2003地热和其它高温液体设备用减压阀体的安装、检验及维修用标准实施规范(Standard Practice for InstallationInspectionand Maintenance of Valve-body Pressure-relief Methods for Geothermal and Other High-Temperature Liquid Applications)ASTM F 1795-2000空气或氮气系统用减压阀标准规范(Standard Specification for Pressure-Reducing Valves for Air or Nitrogen Systems)ASTM F 1565-2000蒸汽设备用减压阀标准规范(Standard Specification for Pressure-Reducing Valves for Steam Service) ASTM F 1508-1996用于蒸汽、气体和液体设备的角型减压阀标准规范(Standard Specification for Angle StylePressure Relief Valves for SteamGas and Liquid Services)ASTM F 1370-1992船上给水系统用减压阀(Standard Specification for Pressure-Reducing Valves for Water SystemsShipboard)BS EN 1567-2000建筑物阀门.减压阀和组合减压阀.要求和试验(Building valves - Water pressure reducing valves and combination water reducing valves - Requirements and tests)BS ISO 5781-2000液压传动.减压阀、顺序阀、卸荷阀、节流阀和止回阀.安装面(Hydraulic fluid power - Pressure reducing valvessequence valvesunloadingvalvesthrottle valves and check valves - Mounting surfaces)BS ISO 6264-1998液压传动.减压阀.装配面(Hydraulic fluid power - Pressure-relief valves - Mounting surfaces) prEN 14071-2000液化石油气(LPG)罐的减压阀辅助设备Pressure relief valves for LPG tanks - Ancillary equipmentBS 6283-2-1991热水系统中使用的安全和控制装置.压力范围从1bar到10bar温度减压阀规范(Safety and control devices for use in hot water systems - Specifications for temperature relief valves for pressures from 1 bar to 10 bar)BS 6283-4-1991热水系统中使用的安全和控制装置.第4部分:最大供给压力为12bar,标准尺寸包括DN50的微量绷紧减压阀规范(Safety and control devices for use in hot water systems - Specification for drop-tight pressure reducing valves of nominal size up to and including DN 50 for supply pressures up to and including 12 ba)DIN EN 13953-2003液化石油气(LPG)用可运输的可再充式储气瓶的减压阀(Pressure relief valves for transportable refillable cylinders for Liquefied Petroleum Gas (LPG); German version EN 13953:2003)DIN EN 1567-2000建筑阀门.水减压阀和组合水减压阀.要求和试验(Building valves - Water pressure reducing valves and combination water pressure reducing valves - Requirements and tests; German version EN 1567:1999)JIS B8652-2002比例电动液压减压阀及安全阀的试验方法(Test methods for electro-hydraulic proportional pressure relief valves and electro-hydraulic proportional pressure reducing and relieving valves)JIS F0504-1989船上机械装置用减压阀的应用和压力调节(Application and setting pressure of relief valves for ships' machinery) UL 1478-1995消防泵减压阀(Fire pumps relief valves )UL 1468-1995防火设备用直接控制的减压阀和压力控制阀(Direct acting pressure reducing and pressure restricting valves )JIS B8666-2001液压动力.减压阀.安装表面(Hydraulic fluid power -- Pressure-relief valves -- Mounting surfaces)JIS B8372-1994气动装置用减压阀(PRESSURE REDUCING VALVES FOR PNEUMATIC USE)JIS B8664-2001液压动力.压力控制阀(不包括减压阀)、顺序活门、释荷阀、节流阀和止回阀.安装表面(Hydraulic fluid power -- Pressure-control valves (excluding pressure-relief valves)sequence valvesunloading valvesthrottle valves and check valves -- Mounting surfaces)JIS B8410 AMD 1-2003水管用减压阀(修改件1)(Pressure reducing valves for water works (Amendment 1))JIS B8651-2002比例电动液压减压阀试验方法(Test methods for electro-hydraulic proportional pressure relief valves) JIS B8410-1999水管用减压阀(Pressure reducing valves for water works)ISO 15500-12-2001道路车辆.压缩天然气(CNG)燃料系统元部件.第12部分:减压阀(Road vehicles - Compressed natural gas (CNG) fuel system components - Part 12: Pressure relief valve (PRV))ISO 6264-1998液压传动.减压阀.装配面(Hydraulic fluid power - Pressure-relief valves - Mounting surfaces)ISO 5781-2000液压传动.减压阀、顺序阀、卸荷阀、节流阀和止回阀.装配面(Hydraulic fluid power - Pressure-reducing valvessequence valvesunloading valvesthrottle valves and check valves - Mounting surfaces)GB/T10868-2005电站减温减压阀采购前阀门选型的步骤和依据:在流体管道系统中,阀门是控制元件,其主要作用是隔离设备和管道系统、调节流量、防止回流、调节和排泄压力。
钢瓶气体减压阀选型原则钢瓶气体减压阀选型原则由于气瓶内压力较高,而气焊和气割和使用点所需的压力却较小,所以需要用减压器来把储存在气瓶内的较高压力的气体降为低压气体,并应保证所需的工作压力自始至终保持稳定状态。
总之,减压器是将高压气体降为低压气体、并保持输出气体的压力和流量稳定不变的调整装置。
钢瓶气体减压阀选型原则工作原理两级减压与单级减压的构造基本相像,均由活门顶杆、调压弹簧、弹性薄膜装置、减压门等零部件构成。
第一级减压系统重要用于将高压气体自动降为中压气体,降至压力为2MPa,然后送入第二级减压系统。
在二级减压系统,当旋拧调压螺钉时,通过调压弹簧、弹性薄膜装置及活门顶杆,使减压活门作不同程度的开启和关闭,以用来调整第一减压系统送入的氧气的减压程度或停止供气。
在物理化学试验中,常常要用到氧气、氮气、氢气、氩气等气体。
这些气体一般都是贮存在专用的高压气体钢瓶中。
使用时通过减压阀使气体压力降至试验所需范围,再经过其它掌控阀门细调,使气体输入使用系统。
减压阀为氧气减压阀,简称氧气表。
钢瓶气体减压阀选型原则工作原理减压阀的高压腔与钢瓶连接,低压腔为气体出口,并通往使用系统。
高压表的示值为钢瓶内贮存气体的压力。
低压表的出口压力可由调整螺杆掌控。
使用时先打开钢瓶总开关,然后顺时针转动低压表压力调整螺杆,使其压缩主弹簧并传动薄膜、弹簧垫块和顶杆而将活门打开。
这样进口的高压气体由高压室经节流减压后进入低压室,并经出口通往工作系统。
转动调整螺杆,更改活门开启的高度,从而调整高压气体的通过量并实现所需的压力值。
减压阀都装有安全阀。
它是保护减压阀并使之安全使用的装置,也是减压阀显现故障的信号装置。
假如由于活门垫、活门损坏或由于其它原因,导致出口压力自行上升并超出肯定许可值时,安全阀会自动打开排气。
钢瓶气体减压阀选型原则其它气体减压阀有些气体,例如氮气、空气、氩气等性气体,可以采纳氧气减压阀。
但还有一些气体,如氨等腐蚀性气体,则需要专用减压阀。
乙炔气瓶阀门标准表包括以下方面:
阀门材质:通常采用不锈钢、高强度钢等材料制造,以保证其耐腐蚀性和安全性。
阀门结构:常见的乙炔气瓶阀门结构有球阀、蝶阀和截止阀等,其中球阀较为常见。
阀门密封性:乙炔气瓶阀门的密封性是保障使用安全的重要因素,需经过严格的测试和认证。
阀门操作方式:乙炔气瓶阀门的操作方式有手动和自动两种,其中手动阀门需要人工操作,而自动阀门则会自动开启和关闭。
阀门使用寿命:乙炔气瓶阀门的使用寿命需符合相关标准,一般为数年或更长时间。
综上所述,乙炔气瓶阀门标准表主要涉及阀门材质、结构、密封性、操作方式和使用寿命等方面,以确保乙炔气瓶的使用安全和可靠性。
气体减压阀规格型号概述说明以及解释1. 引言1.1 概述气体减压阀作为控制系统中的关键元件,起着调节和稳定气体流量和压力的重要作用。
它们广泛应用于各个领域,如石油化工、能源、医药等,并扮演着保护设备和人员安全的角色。
1.2 文章结构本文将全面介绍气体减压阀规格型号的相关知识。
首先,在“2. 气体减压阀规格型号概述”部分里,我们将讨论气体减压阀的定义、作用以及不同类型的分类和特点。
其次,在“3. 气体减压阀规格型号解释”部分,我们将解释规格型号的基本概念与表示方法,并指导如何根据使用要求选择合适的规格型号。
最后,在“4. 气体减压阀周边技术与标准要求说明”部分,我们将探讨安装方式、连接方式以及相关技术标准对气体减压阀的要求,并提供常见问题解答与故障排除指南。
1.3 目的本文旨在帮助读者全面了解气体减压阀规格型号的概念、分类与选择方法,增强对其在工业领域中的应用范围和重要性的认知。
通过本文的解读,读者将能够更好地了解如何根据实际需求选择适合的气体减压阀规格型号,并理解其在系统中的作用及相关技术要求。
请注意,以上内容为普通文本格式回答。
2. 气体减压阀规格型号概述2.1 气体减压阀的定义与作用气体减压阀是一种用于降低气体压力的装置,它通过调节进出口之间的压力差来控制气体的流量和压力级别。
它的主要作用是将高压气体降低到所需的工作压力范围,以满足设备或工艺过程所需。
2.2 不同类型气体减压阀的分类和特点气体减压阀根据不同的工作原理和结构形式可以分为多种类型,常见的包括弹簧式减压阀、膜片式减压阀、活塞式减压阀等。
- 弹簧式减压阀:通过设置弹簧预紧力来控制进出口之间的开启和关闭程度,从而达到调节流量和降低气体压力的目的。
它具有结构简单、灵敏度高、稳定性好等特点,常用于一般工业应用中。
- 膜片式减压阀:利用薄膜片受力变形来实现对进出口之间开度的调节,从而达到对流量和压力的控制。
它具有反应速度快、启闭平稳等特点,常用于对流量要求较高的系统中。
乙炔减压阀规格型号标准
一、阀门口径
乙炔减压阀的阀门口径应根据使用场景选择标准口径,常用的口径有DN10、DN20等。
在选择阀门口径时,应考虑气体流量和使用压力范围。
二、公称压力
乙炔减压阀的公称压力应根据乙炔气体输入的压力范围选择,常用的公称压力有0.1MPa、0.5MPa等。
在选择公称压力时,应考虑气体输入压力的变化范围以及管道承受压力的能力。
三、出口压力
乙炔减压阀的出口压力应根据实际工作需要确定,常用的出口压力有0.01MPa、0.1MPa等。
在选择出口压力时,应考虑气体使用设备的压力需求以及管道阻力等因素。
四、使用温度
乙炔减压阀的使用温度一般应符合国际标准,可适应-40℃到+60℃的温度范围。
在选择使用温度时,应考虑气体使用设备的温度需求以及环境温度变化等因素。
五、其他参数
根据实际需要,乙炔减压阀还可以有其他可选参数,如连接方式(螺纹连接、法兰连接等)、流量特性(直线特性、等百分比特性等)等。
在选择其他参数时,应考虑气体使用设备的具体需求以及管道系统的特点等因素。
总之,在选择乙炔减压阀时,应综合考虑使用场景、气体流量和压力、环境温度以及其他特殊需求等因素,选择符合规格型号标准的乙炔减压阀,以确保安全可靠地使用气体。