疏水阀型号编制说明
- 格式:doc
- 大小:69.50 KB
- 文档页数:3
阀门型号编制方法,阀门型号表示方法,标准阀门型号编制说明阀门型号编制方法国家标准化管理委员会日前发布了《阀门型号编制方法》;由中国机械工业联合会提出,按照GB/T1.1-2009给出的规则起草,阀门型号编制方法由全国阀门标准化技术委员会(SAC/TC188)归口。
阀门型号编制方法规定了阀门的型号编制、阀门类型、驱动方式、连接形式、结构形式、密封面材料、压力和阀体材料代号和代号的表示方法。
阀门型号编制方法适用于各类闸阀、截止阀、节流阀、蝶阀、球阀、隔膜阀、旋塞阀、止回阀、排污阀、柱塞阀、减压阀、疏水阀、安全阀的管道阀门产品。
阀门型号表示方法当今阀门的类型和材料种类越来越多,阀门型号的编制也愈来愈复杂; 阀门型号通常应表示阀门类型、驱动方式、连接形式、结构特点、公称压力、密封面材料、阀体材料等要素。
阀门型号的标准化对阀门的设计、选用、经销,提供了方便。
我国虽然有阀门型号编制的统一标准,但逐渐不能适应阀门工业发展的需要;目前,阀门制造厂一般采用统一的编号方法;不能采用统一编号方法的,各生产厂家可按自己的情况制订出编号方法。
一单元、阀门类型(代号):阀门类型代号(表)类型蝶阀安全阀隔膜阀球阀闸阀止回阀旋塞阀减压阀截止阀过滤器放料阀安全阀代号D A G Q Z H X Y J GL FL A二单元、阀门传动方式(代号):三、阀门连接方式(代号):四单元、阀门结构形式(代号):⑤截止阀、节流阀和柱塞阀结构形式代号⑥隔膜阀结构形式代号⑦旋塞阀结构形式代号⑧安全阀结构形式代号⑨减压阀结构形式代号⑩疏水阀结构形式代号排污阀结构形式代号五单元、阀门密封材质(代号):六单元、阀门公称压力数值用阿拉伯数字直接表示(MPa)它是MPa的10倍。
七单元、阀门阀体材料(代号):注:Pg≤16k g f/cm2的灰铸铁阀,Pg≥25kgf/cm2的碳钢阀,省略本代号2 、阀门密封面或衬里材料代号8硬质合金Y9衬胶J10衬铅Q11搪瓷C12渗硼钢P注:1、由阀体直接加工的阀座密封材料代号用“W”表示。
阀门型号编制说明、命名、编号方法、对照表中华人民共和国机械行业标准1 范围本标准规定了通用阀门的型号编制、类型代号、驱动方式代号、连接形式代号、结构形式代号、密封面材料代号、阀体材料代号和压力代号的表示方法。
本标准适用于通用中闸阀、截止阀、节流阀、蝶阀、球阀、隔膜阀、旋塞阀、止回阀、安全阀、减压阀、蒸汽疏水阀、排污阀、柱塞阀的型号编制。
2 规范性引用文件下列文件中的条款通过本标准的引用而成为本标准的条款。
凡是注日期的引用文件,其随后所有的修改单(不包括勘误的内容)或修订版均不适用于本标准,然而,鼓励根据本标准达成协议的各方研究是否可使用这些文件的最新版本。
凡是不注日期的引用文件,其最新版本适用于本标准。
GB/T 1048 管道元件公称压力3 型号编制和代号表示方法3.1 阀门的型号编制方法3.1.1 阀门型号由阀门类型、驱动方式、连接形式、结构形式、密封面材料或衬里材料类型、压力代号或工作温度下的工作压力、阀体材料七部分组成。
3.1.2 编制的顺序按:阀门类型、驱动方式、连接形式、结构形式、密封面材料或衬里材料类型、公称压力代号或工作温度下的工作压力代号、阀体材料。
JB/T 308—20043.2 阀门类型代号3.2.1 阀门类型代号用汉语拼音字母表示,按表l的规定表示。
表 1 阀门类型代号阀门类型代号阀门类型代号弹簧载荷安全阀 A 排污阀P 蝶阀 D 球阀Q隔膜阀G 蒸汽疏水阀S 杠杆式安全阀GA 柱塞阀U止回阀和底阀H 旋塞阀X 截止阀J 减压阀Y节流阀L 闸阀Z3.2.2 当阀门还具有其他功能作用或带有其他特异结构时,在阀门类型代号前再加注一个汉语拼音字母,按表2的规定。
表2 具有其他功能作用或带有其他特异结构的阀门表示代号第二功能作用名称代号第二功能作用名称代号保温型 B 排渣型P低温型D a快速型Q防火型 F (阀杆密封)波纹管型W缓闭型H ——a低温型指允许使用温度低于—46℃以下的阀门。
疏水阀专业术语解释编号名词术语名词解释01最高允许压力在给定温度下疏水阀壳体能够持久承受的最高压力02工作压力在工作条件下疏水阀进口端的压力03最高工作压力在正确动作条件下,疏水阀进口端最高压力,它由制造厂给定04最低工作压力在正确动作情况下,疏水阀进口端最高低工作压力05工作背压在工作条件下疏水阀出口端的压力06最高工作背压在最高工作压力下,能正确动作时疏水阀出口端最高压力07背压率工作背压与工作压力的百分比08最高背压率最高工作背压与最高工作压力的百分比09工作压差工作压力与工作背压的差值10最大压差工作压力与工作背压的最大差值11最小压差工作压力与工作背压的最小差值12工作温度在工作条件下疏水阀进口端的温度13最高工作温度与最高工作压力相对应的饱和温度14最高允许温度在给定温度下疏水阀壳体能够持久承受的最高温度15开阀温度在排水温度试验时,疏水阀开启时的进口温度16关阀温度在排水温度试验时,疏水阀关闭时的进口温度17排水温度疏水阀能连续排放热凝结水的温度18最高排水温度在最高工作压力下疏水阀能连续排放热凝结水的最高温度19过冷度凝结水温度与相应压力下饱和温度之差的绝对值20开阀过冷度开阀温度与相应压力下饱和度之差的绝对值21关阀过冷度关阀温度与相应压力下饱和温度之差的绝对值22最大过冷度开阀过冷度中的最大值23最低过冷度关阀过冷度中的最大值24冷凝结水排量在给定压差和20度条件下疏水阀一小时内能排出凝结水的最大重量25热凝结水排量在给定压差和温度下疏水阀一小时内能排出凝结水的最大重量26漏汽量单位时间内疏水阀漏出新鲜蒸气的量27无负荷漏汽量疏水阀前处于完全饱和蒸气条件下的漏汽量28有负荷漏汽量在给定负荷率下,蒸汽疏水阀的漏汽量29无负荷漏汽率无负荷漏汽量与相应压力下最大热凝结水排量的百分比30有负荷漏汽率有负荷漏汽量与试验时间内实际热凝结水排量的百分比31负荷率试验时间内的实际热凝结水排量与试验压力下最大热凝结水排量的百分比疏水阀选型倍率K参考表序号供热系统使用状况K 1分汽缸下部疏水在各种压力下,能进行快速排除凝结水3 2蒸汽主管疏水每100m或控制阀前,管路拐弯,主管末端等处应设疏水点3 3支管支管长度≥5m处的各种控制的前面设疏水点3 4汽水分离器在汽水分离器的下部疏水35伴热管一般伴热管径DN15,≤50m处设疏水点2 6暖风机压力不变时3 7多路并联盘管加热(液体)3 8烘干室(箱)采用较高压力为PN16 ;压力不变时;压力可调时2 9溴化锂制冷设备蒸汽器单效压力≤1kgf/c㎡双效压力≤10kgf/c㎡2 10浸在液体中的加热盘管压力不变时2 11列管式热交换器压力不变时3 12支套锅必须在支套锅上方设排空气阀3 13单效或多效蒸汽器凝结水量<20t/h ;凝结水量>20t/h3 14消毒柜柜的上方设排空气阀2 15回转干燥圆筒表面线速度V≤10;V ≤80;V ≤100 5.8(请浏览本公司网站:了解更多疏水阀知识)疏水阀型号编制表一表二密封材料代号铜合金T 硬质合金Y 锡基轴承合金B 合金钢H 渗氮钢D 渗硼钢P 尼龙塑料N 含氟塑料F 橡胶X阀体材料代号灰铸铁Z可锻铸铁K球墨铸铁Q铜及铜合金T铬钼钒钢V碳钢C铬钼钢I1Cr18Ni9Ti PCr18Ni12M02Ti R型号说明:例:CS41H-16C-ⅡC-表示采用国际标准S-表示疏水阀代号4-表示连接形式为法兰1-表示自由浮球式疏水阀H-表示密封面材料为合金刚16-表示公称压力为1.6MpaC-表示阀体材料为碳钢Ⅱ-表示2号自由浮球系列注:以国产代替进口的(按国外型号)疏水阀的正确选型疏水阀一定要选用质量最好的产品,要把有限的资金用在刀刃上。
蒸汽疏水阀规格型号大全一、规格型号蒸汽疏水阀的规格型号多样化,根据不同的应用场景和需求,可以选择适合的型号。
以下是一些常见的规格型号:1.DN10-DN15-DN20-DN25-DN32-DN40:这些是蒸汽疏水阀的口径,根据系统的蒸汽管径和设计要求进行选择。
2.材质:铸铁、不锈钢等。
铸铁阀门通常用于低压蒸汽系统,而不锈钢阀门则用于高温高压蒸汽系统。
3.类型:机械型、热动力型等。
机械型蒸汽疏水阀主要依靠机械结构进行动作,而热动力型蒸汽疏水阀则依靠热动力原理进行动作。
4.连接方式:螺纹、法兰等。
螺纹连接适用于小口径的蒸汽疏水阀,而法兰连接适用于大口径的蒸汽疏水阀。
5.流量:小、中、大等。
根据系统的蒸汽流量要求,可以选择不同流量的蒸汽疏水阀。
6.压力等级:低、中、高、超高等。
根据系统的蒸汽压力要求,可以选择不同压力等级的蒸汽疏水阀。
7.使用温度:低温、常温、高温等。
根据系统的蒸汽温度要求,可以选择不同使用温度的蒸汽疏水阀。
8.是否带过滤器:是、否等。
有些蒸汽疏水阀带有过滤器,可以有效去除蒸汽中的杂质,保证系统的正常运行。
9.其他特殊要求:如特殊流量、压力等。
根据特殊的应用需求,可以定制特殊的蒸汽疏水阀。
二、其他信息除了以上常见的规格型号和要求外,还有一些其他的信息需要注意:1.蒸汽疏水阀的选型应根据实际工况进行选择,如蒸汽的温度、压力、流量等参数需符合疏水阀的工作范围。
2.在购买蒸汽疏水阀时,应关注生产厂家和品牌信誉,选择质量可靠的产品。
3.在安装蒸汽疏水阀时,应按照厂家提供的安装说明进行正确安装,避免出现漏汽等问题。
4.在使用蒸汽疏水阀时,应注意定期维护和检查,保证其正常运转和延长使用寿命。
5.在选购蒸汽疏水阀时,除了关注规格型号、材质、类型等基本信息外,还应考虑其性价比和售后服务等因素。
一、阀门型号编制方法、阀门编号说明阀门型号通常应表示阀门类型、驱动方式、连接形式、结构特点、公称压力、密封面材料、阀体材料等要素。
阀门型号的标准化对阀门的设计、选用、经销,提供了方便。
当今阀门的类型和材料种类越来越多,阀门型号的编制也愈来愈复杂。
我国虽然有阀门型号编制的统一标准,但逐渐不能适应阀门工业发展的需要。
目前,阀门制造厂一般采用统一的编号方法;不能采用统一编号方法的,各生产厂可按自己的情况制订出编号方法。
母,按下表的规定。
第二功能作用名称代号第二功能作用名称代号保温型 B 排渣型P低温型D a快速型Q防火型 F (阀杆密封)波纹管型W缓闭型H ——a 低温型指允许使用温度低于-46℃以下的阀门。
对于气动或液动机构操作的阀门:常开式用6K、7K表示;常闭式用6B、7B表示;防爆电动装置的阀门用9B表示。
三单元:连接型式类型安全阀蝶阀隔膜阀止回阀底阀截止阀节流阀排污阀球阀疏水阀柱塞阀旋塞阀减压阀闸阀代号A D G H J L P Q S U X Y Z传动方式电磁动电磁-液动电-液动蜗轮正齿轮伞齿轮气动液动气-液动电动手柄手轮代号0 1 2 3 4 5 6 7 8 9 无代号四单元:结构型式阀门结构形式用阿拉伯数字表示,按下表规定。
闸阀结构形式代号截止阀、节流阀和柱塞阀结构形式代号球阀结构形式代号蝶阀结构形式代号隔膜阀结构形式代号旋塞阀结构形式代号止回阀结构形式代号安全阀结构形式代号减压阀结构形式代号蒸汽疏水阀结构形式代号排污阀结构形式代号五单元:密封副材料六单元:公称压力数值用阿拉伯数字直接表示,它是MPa的10倍举例:Z543H-16C 伞齿轮传动法兰连接平板闸阀,公称压力1.6MPa,阀体材料为碳钢阀门的命名阀门的名称按传动方式、连接形式、结构形式、衬里材料和类型命名。
但下面内容在命名中均予省略:(1) 连接形式中:“法兰”。
(2) 结构形式中:a:闸阀的“明杆”、“弹性”、“刚性”和“单闸板”;b:截止阀和节流阀的“直通式”;c:球阀的“浮动”和“直通式”;d:蝶阀的“垂直板式”;e:隔膜阀的“屋脊式”;f:旋塞阀的“填料”和“直通式”;g:止回阀的“直通式”和“单瓣式”;h:安全阀的“不封闭”。
阀门型号编制说明
阀门的型号编制由7个单元组成,其含意如图所示:公称压力代号用阿拉伯数字表示,其数值是以兆帕(Mpa)为单位的公称压力值的10倍。
用于电站工业的阀门,当介质最高温度超过530℃时,其数值得是以兆帕(Mpa)为单位1Kg/fcm2的>10倍。
第一单元:阀体材料代号第二单元:公称压力代号第三单元:阀座密封面或衬里材料代号
第四单元:结构形式代号第五单元:连接形式代号第六单元:传动方式代号第七单元:
对于手轮、手柄和扳手驱动的阀门,弹簧安全阀、则省去第二单元。
联络方式:
辽宁省铁岭高压阀门厂
厂址:辽宁省铁岭市工人街邮编:112000
电话:0410 - 4845162 4603601 4836791传真: 0410 - 4845168 4845169 E-mail:valve@
开户行:辽宁省铁岭市工商银行银州支行帐号: 0712002009245075389
阀门参考价格:
给排水阀门群:浮球阀减压阀水泵控制阀防污隔断阀比例式减压阀静音式止回。
疏水阀说明书相关统计数字显示,一些地区、行业投资增长过快。
一季度,城镇固定资产投资同比增长29.8%,分地区看,全国投资增幅超过35%的省份有16个;分产业看,第二产业比重继续增加,第三产业比重有所下降;分行业看,制造业30个行业中,投资增幅超过40%的有16个。
在投资加快的同时,部分行业产能过剩的压力继续加大。
从钢铁行业看,虽然产量上升,但一季度钢铁行业销售收入同比仅增长6.3%,利润下降57.1%,亏损企业亏损额同比上升1.3倍。
3月以后钢一、产品[疏水阀]的详细资料:产品名称:钟形浮子式疏水阀产品特点:对凝结水的发生量适应性强.即可间歇排放.叉可连续排放。
无与伦比的SCCV关闭系统,独特设计,具有补偿杠杆机械产生的误差,避免关闭时的钢性碰撞.关闭十分可靠,寿命长久。
二、特点及性能:1、对凝结水的发生量适应性强.即可间歇排放.叉可连续排放。
2、无与伦比的SCCV关闭系统,独特设计,具有补偿杠杆机械产生的误差,避免关闭时的钢性碰撞.关闭十分可靠,寿命长久3、内部零件全部采用不锈钢制造,并且安装在阀盖上,维修保养极为方便。
4、背压率高。
(9 0%)。
5、汽水分离可靠(水汽经u型通道从阀下部进入),阀内始终处于水封状态,有效阻止蒸汽泄漏。
6、敝口形的浮子抗水击。
吊桶上设有溢出排气孔.可有效防止蒸汽汽锁、空气气堵现象。
(非凝结性的高温空气也可排除)。
三、用途:用于蒸汽主管、分汽缸、热交换器、硫化机、热风式干燥机、圆筒式干燥机、蒸馏器、浓缩装置、医院消毒器等。
超小型、重量轻的Es5型最适用于空调机、洗涤机器、染声机等。
全不锈钢的Esu5型专为食品工业、医院用汽设备制造。
四、耐磨损的SCCV关闭方式:SCCV姜.闭系统是自动定心,自动关闭系统(SelfClosing and Cente ring Valve System)的英文缩写.下同。
该关闭方式突破了传统的设计,巧妙地利用凝结水土流出时的吸力和阀内的压力使阀芯关闭。
杠杆浮球式蒸汽疏水阀FT14 \ FT44 系列疏水阀1/6in(DN15)至6in(DN150)安装维修指南设计标准:JB/T9093-1999为了您的正确使用请仔细阅读谢谢1、安全信息.2、产品信息3、安装4、运行环境5、维修6、备件7、安装附图1.安全信息遵守运行说明,由专业合格人员正确安装、调试、维护是该阀门安全运行的唯一保证。
(参见附安全信息第11部分)安装中必须遵守管道线路和工厂建筑安装指南的安装指南,工具的正确使用方法及配备必要的安全设备。
警告:阀门中阀体垫片、密封垫片包括所有薄的支撑环、不锈钢垫片,如果其操作处理不当将导致对人划伤、割伤!隔离:考虑到正在关闭或者已经关闭的阀前的截止阀,可能使管路系统或者其他部分、操作人员处于危险之中,都要进行隔离操作。
危险可能包括通风隔离保护设备、报警装置,确保截止阀逐步关闭,以免系统管路震动。
压力:在进行维修之前,请考虑管道中的物质。
确保对维修的该阀门与压力系统安全隔离,并确保被隔离部分的压力完全排出,不要认为压力表显示为零时,就确定已经无压力,需要打开泄压阀来完全泄压,再进行操作。
温度:对要进行维修的阀门隔离后要冷却至常温,以免烫伤,并且要考虑到穿防护服、防护镜和安全帽。
处理:这些产品可再循环利用。
处理得当不会对生态造成危害。
2、产品信息2.1、简介FT14、FT44浮球式蒸汽疏水阀结构为内置自动排空气装置。
可供型号有FT14、FT44(R-L)(流向从右到左);FT14、FT44(R-L)(流向从左到右);FT14、FT44(V)(流向从上到下),FT14、FT44-C增加一个可手动调节针阀作为破蒸汽气锁装置,以上三种流向型号均可配置这样的装置机构。
2.2、口径和连接口径:从1/2in--6in(DN15-DN150)螺纹连接:GB/T7505(55°) GB/T12716(60°) BSP(英制) NPT(美制)法兰连接:GB/T国标 JB/T机械部 HG化工部 ASME美标 JIS日标压力范围:0.25Mpa--10.0Mpa(2.5bar-100bar) 125Lb--900Lb 10K--20KFT14(R-L)螺纹连接 FT14-C(R-L)螺纹连接1in-6in(DN25-DN150)主阀主件FT44(R-L)法兰连接 FT44-C(R-L)法兰连接2.3、限制条件(执行标准:ISO 6552)项目GB/T、 JB/T、 HG国标、机械部、化工部单位:MpaASME美标单位:LbJIS日标单位:K阀体最大设计压力 1.6 2.5 4.0 6.3 150 300 5 10 PMA 最大允许压力 1.6 2.5 4.0 6.3 150 300 5 10 TMA 最大允许温度:°C 250 250 250 250 250 250 250 250 PMO 最大操作压力 1.4 2.2 3.2 5.0 125 250 3.5 8 TMO 最大操作温度:°C 250 250 250 250 250 250 250 250 冷态测试最大水压 2.4 3.75 6.0 9.5 230 450 8 152.4、运行范围3.安装注:在进行安装操作前仔细阅读第1节的《安全信息》参照安装维修指南、铭牌和技术手册,确定产品符合安装的条件3.1、检查材料、压力和温度的最大值。
标准阀门型号编制及表示方法阀门型号编制方法,阀门型号表示方法,标准阀门型号编制说明阀门型号编制方法国家标准化管理委员会日前发布了《阀门型号编制方法》;由中国机械工业联合会提出,按照GB/T1.1-2009给出的规则起草,阀门型号编制方法由全国阀门标准化技术委员会(SAC/TC188)归口。
阀门型号编制方法规定了阀门的型号编制、阀门类型、驱动方式、连接形式、结构形式、密封面材料、压力和阀体材料代号和代号的表示方法。
阀门型号编制方法适用于各类闸阀、截止阀、节流阀、蝶阀、球阀、隔膜阀、旋塞阀、止回阀、排污阀、柱塞阀、减压阀、疏水阀、安全阀的管道阀门产品。
阀门型号表示方法当今阀门的类型和材料种类越来越多,阀门型号的编制也愈来愈复杂; 阀门型号通常应表示阀门类型、驱动方式、连接形式、结构特点、公称压力、密封面材料、阀体材料等要素。
阀门型号的标准化对阀门的设计、选用、经销,提供了方便。
我国虽然有阀门型号编制的统一标准,但逐渐不能适应阀门工业发展的需要;目前,阀门制造厂一般采用统一的编号方法;不能采用统一编号方法的,各生产厂家可按自己的情况制订出编号方法。
二单元、阀门传动方式(代号):四单元、阀门结构形式(代号):⑤截止阀、节流阀和柱塞阀结构形式代号⑥隔膜阀结构形式代号⑦旋塞阀结构形式代号⑧安全阀结构形式代号⑨减压阀结构形式代号⑩疏水阀结构形式代号排污阀结构形式代号五单元、阀门密封材质(代号):六单元、阀门公称压力数值用阿拉伯数字直接表示(MPa)它是MPa的10倍。
注:Pg≤16k g f/cm2的灰铸铁阀,Pg≥25kgf/cm2的碳钢阀,省略本代号注:1、由阀体直接加工的阀座密封材料代号用“W”表示。
2、当阀座和阀瓣(阀板)密封材料不同时,用低硬度材料代号表示(隔膜阀除外)。
阀门型号和名称编制方法示例a)闸阀型号编制示例:电动、法兰连接、明杆楔式双闸板,阀座密封面材料由阀体直接加工,公称压力PN0.1MPa、阀体材料为灰铸铁的闸阀:Z942W-1电动楔式双闸板闸阀。
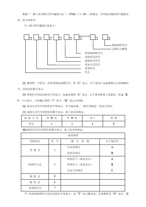
据上海闵高阀门有限公司原上海闵行区高中压阀门厂对疏水阀的型号编制统计:疏水阀类型、驱动方式、连接形式、结构特点、公称压力、密封面材料、阀体材料等要素。
阀门型号的标准化对阀门的设计、选用、经销,提供了方便。
当今阀门的类型和材料种类越来越多,阀门型号的编制也愈来愈复杂。
我国虽然有阀门型号编制的统一标准,但逐渐不能适应阀门工业发展的需要。
目前,阀门制造厂一般采用统一的编号方法;不能采用统一编号方法的,各生产厂可按自己的情况制订出编号方法。
第一单元疏水阀代号:C第二单元减压阀传动代号: 传动 方式 电磁动 电磁-液动 电-液动 蜗轮 正齿轮 伞齿轮 气动 液动 气-液动 电动 手柄手轮 代号 0123456789无代号第三单元减压阀连接方式代号 连接方式 内螺纹 外螺纹 两不同连接法兰 焊接 对夹 卡箍 卡套 代号 12346789第四单元疏水阀结构形式代号结构形式代号结构形式代号浮球式 1 蒸汽压力式或膜盒式 6 浮桶式 3 双金属片式7 液体或固体膨胀式 4 脉冲式8 钟形浮子式 5 圆盘热动力式9第五单元密封副材料:当密封副的密封面材料不同时,以硬度低的材料代号表示。
六单元:公称压力数值用阿拉伯数字直接表示,它是MPa的10倍七单元:阀体材料1. 普通疏水阀:适用于介质温度-40~425℃的阀门。
2. 高温疏水阀:适用于介质温度425~600℃的阀门。
3. 耐热疏水阀:适用于介质温度600℃以上的阀门。
4. 低温疏水阀:适用于介质温度-40~-150℃的阀门。
5. 超低温疏水阀:适用于介质温度-150℃以下的阀门。
按公称通径分,根据阀门的公称通径可分:1. 小口径疏水阀:公称通径DN<40mm的阀门。
2. 中口径疏水阀:公称通径DN50~300mm的阀门。
3. 大口径疏水阀:公称通径DN350~1200mm的阀门。
4. 特大口径疏水阀:公称通径DN≥1400mm的阀门。
JB T308-2004阀门型号编制方法中华人民共和国机械行业标准:阀门型号编制方法1.范围本标准规定了通用阀门的型号编制方法,包括类型代号、驱动方式代号、连接形式代号、结构形式代号、密封面材料代号、阀体材料代号和压力代号的表示方法。
适用于通用的中闸阀、截止阀、节流阀、蝶阀、球阀、隔膜阀、旋塞阀、止回阀、安全阀、减压阀、蒸汽疏水阀、排污阀、柱塞阀的型号编制。
2.规范性引用文件下列文件中的条款通过本标准的引用而成为本标准的条款。
凡是注日期的引用文件,其随后所有的修改单或修订版均不适用于本标准,但鼓励根据本标准达成协议的各方研究是否可使用这些文件的最新版本。
凡是不注日期的引用文件,其最新版本适用于本标准。
GB/T 1048管道元件公称压力。
3.型号编制和代号表示方法3.1阀门的型号编制方法阀门型号由阀门类型、驱动方式、连接形式、结构形式、密封面材料或衬里材料类型、压力代号或工作温度下的工作压力、阀体材料七部分组成。
编制的顺序为:阀门类型、驱动方式、连接形式、结构形式、密封面材料或衬里材料类型、公称压力代号或工作温度下的工作压力代号、阀体材料。
3.2阀门类型代号阀门类型代号用汉语拼音字母表示,按表1的规定表示。
表1 阀门类型代号阀门类型代号弹簧载荷安全阀 A蝶阀 D隔膜阀 G杠杆式安全阀 GA止回阀和底阀 H截止阀 J节流阀 L排污阀 P球阀 Q蒸汽疏水阀 S柱塞阀 U旋塞阀 X减压阀 Y闸阀 Z3.2.2当阀门还具有其他功能作用或带有其他特异结构时,在阀门类型代号前再加注一个汉语拼音字母,按表2的规定。
表2 具有其他功能作用或带有其他特异结构的阀门表示代号第二功能作用名称代号保温型 B低温型 Da防火型 F缓闭型 H排渣型 P快速型 Q阀杆密封)波纹管型 W3 驱动方式代号驱动方式代号用阿拉伯数字表示,按照表3的规定进行。
表3 阀门驱动方式代号驱动方式代号电磁动 1电磁-液动 2电-液动 3蜗轮 4正齿轮 5锥齿轮 6气动 7液动 8气-液动 9注:代号1、代号2及代号8用在阀门启闭时,需有两种动力源同时对阀门进行操作。
阀门型号编制方法
当您询问或定购我们的产品时不必详细了解阀门订货型号编制系统。
只要您能提供了您所选产品的充分描述,我们的销售部门就可以将其编译成相应的阀门型号。
所选阀门的充分描述应该是从阀门类型开始的,接着是阀门口径、压力等级、两端连接形式、密封面材质、介质温度等。
如有高、低温,腐蚀性,颗粒等特殊工况。
请注明。
本标准适用于工业管道的闸阀、截止阀、球阀、蝶阀、隔膜阀、止回阀、安全阀、减压阀、疏水阀、旋塞阀、柱塞阀。
1.阀门的型号编制方法如下:
2.类型代号用汉语拼音字母表示,
3.传动方式代号用阿拉伯数字表示,
4.连接形式代号用阿拉伯数字代号表示。
5.结构形式代号用阿拉伯数字表示,
例如:Z941T-16 表示电动闸阀;明杆法兰连接,铜合金密封面,公称压力,灰铸铁(Z省略)阀体材质
例如:J41H-25C 表示手动(手轮传动省略本代号)截止阀;法兰连接,直通式,合金钢密封面,公称压力,WCB (铸钢)阀体材质
例如:Q641F-40P 表示气动球阀;法兰连接,直通式,氟塑料密封面,公称压力,1Cr18Ni9Ti (不锈钢,相当于304)阀体材质
6.阀座密封面或衬里材料代号用汉语拼音字母表示
7.公称压力数值
按JB74-59《管路附件公称压力,试验压力和工作压力》的规定。
用于电站工业的阀门,当介质最高温度超过530摄氏度时,按JB74-59第5条的规定标注工作压力。
8.阀体材料代号用汉语拼音字母表示。
4.2 疏水阀的规格参数确定4.2.1 排水量的确定a) 凝结水量1) 对于连续操作的用汽设备,计算凝结水量(G cal)应采用工艺计算的最续用汽量;对于间断操作的用汽设备,(G cal)应采用操作周期中的最大用汽量。
2) 当开工时的用汽量大于上述数值时,可按具体情况加大安全系数[见下述第b)条款],或通过排污阀排放凝结水,或再并联一个疏水阀。
3) 蒸汽管道、蒸汽伴热管的疏水量可取正常运行时产生的凝结水量计算值。
如果在开工时产生的凝结水量大于计算值,可通过排污阀排放。
4) 蒸汽管道及阀门在开工时所产生的凝结水量式中G cal——计算的凝结水量,kg/h;W1——钢管和阀门的总重,kg;W2——用于钢管和阀门的保温材料重量,kg;C1——钢管的比热容,kJ/(kg·k)碳素钢C1=0.502合金钢C1=0.486C2——保温材料的比热容,kJ/(kg·k)或取C2=0.837Δt1——管材的升温速度,℃/min一般取△t1=5℃/minΔt2——保温材料的升温速度,℃/min一般取Δt2=Δt1/2i1——工作条件下过热蒸汽的焓或饱和蒸汽的焓,kJ/kg;i2——工作条件下饱和水的焓,kJ/kg。
5) 正常工作时蒸汽管道的凝结水量:式中Q——蒸汽管道散热量,kJ/h;G cal、i1、i2同式(4.2-1)。
6) 表4.2-1 为蒸汽伴管用汽量的经验数值。
b) 安全系数由于疏水阀最大排水能力是按照连续正常排水测得的,计算求得的设备或管道凝结水应乘以安全系数(n)。
安全系数受下列因素影响:1) 疏水阀的操作特性;2) 估计或计算凝结水量的准确性;3) 疏水阀的进出口压力。
如果凝结水量及压力条件可以准确确定,安全系数可以取小一些,以避免选用大尺寸的疏水阀,否则操作效率低,背压不正常,会降低使用寿命。
安全系数(n)的推荐值见表4.2-2。
c) 需要的排水量计算的排水量(G cal)乘以安全系数(n)为需要的排水量(Gr),以此作为选择疏水阀的依据。
阀门型号编制方法1型号编制和代号表示方法1.1阀门的型号编制方法1.1.1阀门型号由阀门类型、驱动方式、连接形式、结构形式、密封面材料或衬里材料类型、压力代号或工作温度下的工作压力、阀体材料七部分组成。
1.1.2编制的顺序按:阀门类型、驱动方式、连接形式、结构形式、密封面材料或衬里材料类型、公称压力代号或工作温度下的工作压力代号、阀体材料。
1.2阀门类型代号1.2.1阀门类型代号用汉语拼音字母表示,按表1的规定表示。
1.2.2当阀门还具有其它功能作用或带有其它特异结构时,在阀门类型代号前再加注一个汉语拼音字母,按表2的规定。
1.3 驱动方式代号1.3.1 驱动方式代号用阿拉伯数字表示,按表3的规定。
1.3.2安全阀、减压阀、疏水阀、手轮直接连接阀杆操作结构形式的阀门,本代号省略,不表示。
1.3.3 对于气动或液动机构操作的阀门:常开式用6K、7K表示;常闭式用6B、7B表示;1.3.4 防爆电动装置的阀门用9B表示;1.4 连接形式代号1.4.1 连接形式代号用阿拉伯数字表示,按表4规定的。
1.4.2 各种连接形式的具体结构、采用标准或方式(如:法兰面形式及密封方式、焊接形式、螺纹形式及标准等),不在连接代号后加符号表示,应在产品的图样、说明书或订货合同等文件中予以详细说明。
1.5 阀门结构形式代号阀门结构形式用阿拉伯数字表示,按表5~15规定。
表5 闸阀结构形式代号表6 截止阀、节流阀和柱塞阀结构形式代号表13 减压阀结构形式代号表15 排污阀结构形式代号1.6密封面或衬里材料代号1.6.1除隔膜阀外,当密封副的密封面材料不同时,以硬度低的材料表示。
阀座密封面或衬里材料代号按表16规定的字母表示。
表16 密封面或衬里材料代号1.6.2 隔膜阀以阀体表面材料代号表示。
1.6.3 阀门密封副材料均为阀门的本体材料时,密封面材料代号用“W”表示。
1.7压力代号1.7.1阀门使用的压力级符合GB/T 1048的规定时,采用GB/T 1048标准10倍的兆帕单位(MPa)数值表示。
疏水阀型号代号的含义(1) 第一单元用汉语拼音字母表示阀件类别,如:闸阀代号为Z截止阀代号为J减压阀代号为Y安全阀代号为A节流阀代号为L球阀代号为Q蝶阀代号为D隔膜阀代号为G旋塞阀代号为X止回阀代号为H疏水阀代号为S等。
(2) 第二单元用一位阿拉伯数字表示驱动方式,但有时要注意阿拉伯数字的脚标。
对手轮、手柄和扳手驱动的闸阀及安全阀、减压阀、疏水阀、则省略本单元。
对于气动或液动的阀门,常闭式用6B、7B表示,常开式用6K、7K表示,气动兼手动的用6S表示,电动防爆的用9B表示。
驱动方式代号:电磁动代号为0电磁-液动代号为1电-液动代号为2蜗轮代号为3正齿轮代号为4圆锥齿轮代号为5气动代号为6液动代号为7气-液动代号为8电动代号为9等。
(3) 第三单元用一位阿拉伯数字表示阀件的连接形式,如内螺纹连接代号为1,外螺纹连接代号为2,法兰连接代号为4焊接连接代号为6(焊接连接包括对焊和承插焊),对夹连接代号为7,卡箍连接代号为8,卡套连接代号为9等。
(4) 第四单元用一位阿拉伯数字表示阀件的结构形式。
(5) 第五单元用汉语拼音字母表示密封面或衬里材料。
如铜合金的代号为T,橡胶的代号为X,尼龙塑料的代号为N,不锈钢的代号为H,硬质合金的代号为Y,衬胶的代号为J,衬搪瓷的代号为C,衬铅的代号为Q等。
由阀体上直接加工出来的密封面材料用W表示,当阀座和阀瓣的密封材料不同时,用低硬质材料代号表示(隔膜阀除外)。
(6) 第六单元用阿拉伯数字表示阀件的公称压力,并以横线“-”与第五单元隔开。
、(7) 第七单元用汉语拼间字母表示阀体材料。
对于低温阀、带加热套的保温阀、带波纹管的阀件和杠杆安全阀,在代号前分别加汉语拼音字母D、B、W和G。
疏水阀型号代号的含义疏水阀型号表示有一定的准则,以CS15H为例,“C”表示国家认可的标准编写型号,“S”表示“疏水阀”的代号。
疏水阀型号如下:自由半浮球式蒸汽疏水阀(CS15H、CS45H)CS45H自由半浮球式疏水阀未开始工作时,自由半浮球式疏水阀半浮球沉落在发射管上.当疏水处于排水状态时.蒸汽经过过滤网和发射管进入阀体.当蒸汽体积增加到一定程度时,浮力使半浮球上浮。
本文内容:阀门编号方法、阀门型号说明、阀门型号举例
一、一般工业用阀门型号编制方法
JB/T308—1975《阀门型号编制方法》适用于工业管道用闸阀、截止阀、节流阀、球阀、蝶阀、隔膜阀、旋塞阀、止回阀、安全阀、减压阀、蒸汽疏水阀。
它包括阀门的型号编制和阀门的命名。
阀门制造厂一般采用统一的编号方法,在不能采用统一编号时可按自己的情况制订编号方法。
二、阀门型号说明
阀门型号由7个单元组成,其含义如下图所示:
(返项)
公称压力(PN)代号值的10倍。
如公称压力为25,即2.5MPa,或25Kg/cm 2。
用于电站工业的阀门,当介质最高温度超过530℃时,其数值是以兆帕(MPa)为单位的工作压力值的10倍。
阀门结构形式代号,常用的阀门类型:(返项)
闸阀,截止阀、柱塞阀和节流阀,球阀、蝶阀、隔膜阀、旋塞阀、止回阀、安全阀、减压阀、蒸汽疏水阀、排污阀、
(返项)
2、Q341F-16C阀门正确解读:
3、SD341X-10阀门正确解读:
4、H44T
5。
据上海闵高阀门有限公司原上海闵行区高中压阀门厂对疏水阀的型号编制统计:
疏水阀类型、驱动方式、连接形式、结构特点、公称压力、密封面材料、阀体材料等要素。
阀门型号的标准化对阀门的设计、选用、经销,提供了方便。
当今阀门的类型和材料种类越来越多,阀门型号的编制也愈来愈复杂。
我国虽然有阀门型号编制的统一标准,但逐渐不能适应阀门工业发展的需要。
目前,阀门制造厂一般采用统一的编号方法;不能采用统一编号方法的,各生产厂可按自己的情况制订出编号方法。
第一单元疏水阀代号:C
第二单元减压阀传动代号: 传动 方式 电磁动 电磁-液动 电-液动 蜗轮 正齿轮 伞齿轮 气动 液动 气-液动 电动 手柄
手轮 代号 0
1
2
3
4
5
6
7
8
9
无代号
第三单元减压阀连接方式代号 连接方式 内螺纹 外螺纹 两不同连接
法兰 焊接 对夹 卡箍 卡套 代号 1
2
3
4
6
7
8
9
第四单元疏水阀结构形式代号
结构形式代号结构形式代号浮球式 1 蒸汽压力式或膜盒式 6 浮桶式 3 双金属片式7 液体或固体膨胀式 4 脉冲式8 钟形浮子式 5 圆盘热动力式9
第五单元密封副材料:
当密封副的密封面材料不同时,以硬度低的材料代号表示。
六单元:公称压力数值用阿拉伯数字直接表示,它是MPa的10倍
七单元:阀体材料
1. 普通疏水阀:适用于介质温度-40~425℃的阀门。
2. 高温疏水阀:适用于介质温度425~600℃的阀门。
3. 耐热疏水阀:适用于介质温度600℃以上的阀门。
4. 低温疏水阀:适用于介质温度-40~-150℃的阀门。
5. 超低温疏水阀:适用于介质温度-150℃以下的阀门。
按公称通径分,根据阀门的公称通径可分:
1. 小口径疏水阀:公称通径DN<40mm的阀门。
2. 中口径疏水阀:公称通径DN50~300mm的阀门。
3. 大口径疏水阀:公称通径DN350~1200mm的阀门。
4. 特大口径疏水阀:公称通径DN≥1400mm的阀门。