标准阀门型号编制方法.pdf
- 格式:pdf
- 大小:99.65 KB
- 文档页数:5
阀门型号编制办法(JB308-75)1. 阀门产品型号由七个单元组成按下列顺序编制。
类型代号传动方式连接形式代号结构形代号阀座密封面或实衬里材料代号公称压力数值阀体材料代号2.类型代号用汉语拼音字母表示,按表 1 的规定。
表 13.传动方式代号用阿拉伯数字表示,按表 2 的规定。
表 2注: (1)手轮、手柄和板手传动以及安全阀、减压阀、疏水阀省略本代号。
(2)对于气动或液动:常开式用 6K 、 7K 表示:常闭式用 6B 、 7B 表示:气动带手动 6S 表示。
防爆电动用“9B ”表示。
(3) 连接形式代号用阿拉伯数字表示,按表 3 的规定。
表 34 .结构形式代号用阿拉伯数字表示,按表 4 - 13 的规定 表 4表 5表 6表 78表表 9表 10表 11注:杠杆式安全阀在类型代号前加“ G ”汉语拼音字母表 136.座密封面或衬里材料代号用汉语拼音字母表示,按表 14 规定表 14注:由阀体直接加工的阀座密封面材料代号“ W ”表示:当阀座和阀瓣(闸板)密封面材料不同时,用低硬度材料代号表示(隔膜阀除外)7.公称压力,按 JB74 -59 “管路附件公称压力,试验压力和工作压力”的规定。
用于电站工业的阀门,当介质最高温度超过530 ℃ 时,按 JB74 - 59 第 5 条规定,标注工作压力 8.阀体材料代号用汉语拼音表示,按表 15 规定.表 15注:P N ≦ 16kgf/cm 2 的灰铸铁阀体和P N ≧ 25kgf/cm 2 的碳素钢阀体,省略本单元。
3.阀门材料阀体、阀座密封面或衬里等材料根据使用介质的组成及特性和最高工作温度、压力来选定。
(参见JB/T5300-91 《通用阀门材料》标准)。
附:各种材料阀门的适用范围4.公称压力(压力等级)公称压力系指阀门在指定温度下允许的工作压力,用 PN 表示。
按 GB1048 或有关标准的规定根据管路设计的工作压力和工作温度及材质并对照压力温度等级标准来选定。
1 范围本标准规定了通用阀门的型号编制、类型代号、驱动方式代号、连接形式代号、结构形式代号、密封面材料代号、阀体材料代号和压力代号的表示方法。
本标准适用于通用中闸阀、截止阀、节流阀、蝶阀、球阀、隔膜阀、旋塞阀、止回阀、安全阀、减压阀、蒸汽疏水阀、排污阀、柱塞阀的型号编制。
2 规范性引用文件下列文件中的条款通过本标准的引用而成为本标准的条款。
凡是注日期的引用文件,其随后所有的修改单(不包括勘误的内容)或修订版均不适用于本标准,然而,鼓励根据本标准达成协议的各方研究是否可使用这些文件的最新版本。
凡是不注日期的引用文件,其最新版本适用于本标准。
GB/T 1048 管道元件公称压力3 型号编制和代号表示方法3.1 阀门的型号编制方法3.1.1 阀门型号由阀门类型、驱动方式、连接形式、结构形式、密封面材料或衬里材料类型、压力代号或工作温度下的工作压力、阀体材料七部分组成。
3.1.2 编制的顺序按:阀门类型、驱动方式、连接形式、结构形式、密封面材料或衬里材料类型、公称压力代号或工作温度下的工作压力代号、阀体材料。
2004–10–20 发布2005–04–01实施中华人民共和国国家发展和改革委员会发布3.2 阀门类型代号3.2.1 阀门类型代号用汉语拼音字母表示,按表l的规定表示。
3.2.2 当阀门还具有其他功能作用或带有其他特异结构时,在阀门类型代号前再加注一个汉语拼音字母,按表2的规定。
表2 具有其他功能作用或带有其他特异结构的阀门表示代号3.3 驱动方式代号3.3.1 驱动方式代号用阿拉伯数字表示,按表3的规定。
表3 阀门驱动方式代号3.3.2 安全阀、减压阀、疏水阀、手轮直接连接阀杆操作结构形式的阀门,本代号省略,不表示。
3.3.3 对于气动或液动机构操作的阀门:常开式用6K、7K表示;常闭式用6B、7B表示;3.3.4 防爆电动装置的阀门用9B表示;3.4 连接形式代号3.4.1 连接形式代号用阿拉伯数字表示,按表4规定的。
阀门型号编制方法,阀门型号表示方法,标准阀门型号编制说明阀门型号编制方法国家标准化管理委员会日前发布了《阀门型号编制方法》;由中国机械工业联合会提出,按照GB/T1.1-2009给出的规则起草,阀门型号编制方法由全国阀门标准化技术委员会(SAC/TC188)归口。
阀门型号编制方法规定了阀门的型号编制、阀门类型、驱动方式、连接形式、结构形式、密封面材料、压力和阀体材料代号和代号的表示方法。
阀门型号编制方法适用于各类闸阀、截止阀、节流阀、蝶阀、球阀、隔膜阀、旋塞阀、止回阀、排污阀、柱塞阀、减压阀、疏水阀、安全阀的管道阀门产品。
阀门型号表示方法当今阀门的类型和材料种类越来越多,阀门型号的编制也愈来愈复杂; 阀门型号通常应表示阀门类型、驱动方式、连接形式、结构特点、公称压力、密封面材料、阀体材料等要素。
阀门型号的标准化对阀门的设计、选用、经销,提供了方便。
我国虽然有阀门型号编制的统一标准,但逐渐不能适应阀门工业发展的需要;目前,阀门制造厂一般采用统一的编号方法;不能采用统一编号方法的,各生产厂家可按自己的情况制订出编号方法。
一单元、阀门类型(代号):阀门类型代号(表)类型蝶阀安全阀隔膜阀球阀闸阀止回阀旋塞阀减压阀截止阀过滤器放料阀安全阀代号D A G Q Z H X Y J GL FL A二单元、阀门传动方式(代号):三、阀门连接方式(代号):四单元、阀门结构形式(代号):⑤截止阀、节流阀和柱塞阀结构形式代号⑥隔膜阀结构形式代号⑦旋塞阀结构形式代号⑧安全阀结构形式代号⑨减压阀结构形式代号⑩疏水阀结构形式代号排污阀结构形式代号五单元、阀门密封材质(代号):六单元、阀门公称压力数值用阿拉伯数字直接表示(MPa)它是MPa的10倍。
七单元、阀门阀体材料(代号):注:Pg≤16k g f/cm2的灰铸铁阀,Pg≥25kgf/cm2的碳钢阀,省略本代号2 、阀门密封面或衬里材料代号8硬质合金Y9衬胶J10衬铅Q11搪瓷C12渗硼钢P注:1、由阀体直接加工的阀座密封材料代号用“W”表示。
标准阀门型号编制方法及示例1.标准阀门型号编制方法如下:2.类型代号用汉语拼音字母表示,按表1的规定。
表1类型代号类型代号闸阀Z 旋塞阀X截止阀J 止回阀和底阀H节流阀L 安全阀 A球阀Q 减压阀Y蝶阀 D 疏水阀S隔膜阀G 柱塞阀U 注:低温(低于零下40摄氏度)、保温(带加热层)和带波纹管的阀门在类型代号前分别加“D”“B”和“W”汉语拼音字母。
3.传动方式代号用阿拉伯数字表示,按表2的规定。
表2传动方式代号传动方式代号电磁动0 伞齿轮 5电磁-液动 1 气动 6电-液动 2 液动7蜗轮 3 气-液动8正齿轮 4 电动9 注:(1)手轮、手枘和板手传动以及安全阀,减压阀,疏水阀省略本代号。
(2)对于气动或液动:常开式用6K、7K表示;常闭式用6B、7B表示;气动带手动用6S表示,防爆电动用“9B”表示。
蜗杆-T形螺母用3T表示。
4.连接形式代号用阿拉伯数字代号表示,按表3的规定。
表35.结构形式代号用阿拉伯数字表示,按表4~13的规定。
表4表5表6表7表8表9表10表11表12表136.阀座密封面或衬里材料代号用汉语拼音字母表示,按表14的规定。
表147.公称压力数值,按JB74-59《管路附件公称压力,试验压力和工作压力》的规定。
用于电站工业的阀门,当介质最高温度超过530摄氏度时,按JB74-59第5条的规定标注工作压力。
8.阀体材料代号用汉语拼音字母表示,按表15的规定。
表15注:PN≤1.6MPa的灰铸铁阀体和PN≥2.5MPa的碳素钢阀体省略本代号。
9.示例:例1:电动传动、法兰连接、明杆楔式双闸板、阀座密封面材料由阀体直接加工、公称压力PN0.1MPa、阀体材料为灰铸铁的闸阀:Z942W-1 直动楔式双闸板闸阀例2:手动、外螺纹连接、浮动直通式、阀座密封面材料为氟塑料、公称压力PN4.0MPa、阀体材料为1Cr18Ni9Ti的球阀:Q21F-40P 外螺纹球阀例3:气动常开式、法兰连接、屋脊式、衬里材料为衬胶、公称压力PN0.6MPa、阀体材料为灰铸铁的隔膜阀:G6k41J-6 气动常开式衬胶隔膜阀例4:液动、法兰连接、垂直板式、阀座密封面材料为铸铜、阀瓣密封面材料为橡胶、公称压力PN0.25MPa、阀体材料为灰铸铁的蝶阀:D741X-2.5 液动蝶阀例5:电动机传动、焊接连接、直通式、阀座密封面材料为堆焊硬质合金、在540℃下的工作压力为17MPa、阀体材料铬钼钒钢的截止阀:J961Y-P54170 电动焊接截止阀。
第一部分:阀门类型的代号阀门的类型代号用字母按(表1)的规定表示。
如果标号的阀门还具有其它功能或带有其它特异结构时,需要在阀门类型代号前面加注一个按(表2)规定表示的字母。
a低温型指允许使用温度低于一46C以下的阀门。
举个例子,我们从表1可以看到普通止回阀的型号H,如果将此阀门特殊化,比如防火止回阀由于具有特殊功能,所以结合表1和表2就该表示为FH o第二部分:驱动方式代号驱动方式用阿拉伯数字按(表3)的规定来表示。
注:L安全阀、减压阀、疏水阀、手轮直接连接阀杆操作结构形式的阀门(如手动蝶阀、手动闸阀、球阀等),阀门驱动方式代号省略,不表示。
2.只有当两种动力源同时对其作用才能控制其启闭时,此时我们用电磁一液动、电一液动、气一液动表示。
3.气动常开阀门用6K表示,气动常闭阀门用6B表示,液动常开阀门用7K表示,液动常闭阀门用7B表示。
4.防爆电动阀门用9B表示。
第三部分连接形式代号阀门的连接形式用数字按(表4)规定的表示。
注:阀门的连接形式用代号表示即可,具体的标准、结构等应在产品图样、说明书或订货合同等文件中予以详细说明。
第四部分结构形式代号阀门的结构形式用用阿拉伯数字按(表5-表15)规定的表示。
道这一部分没有特别要说明的,只要依据阀门的类型、结构形式找到相对应的形式代号就可以。
第五部分:密封面或衬里材料代号阀座密封面或衬里材料代号按(表16)规定的字母表示。
表16密封面或衬里材料代号注:1•除隔膜阀外,阀门的密封面材料不同时哪种材料硬度低即用其表示。
2,密封材料与阀门的本体材质相同时,密封面材料代号用W表示。
第六部分:压力代号L阀门的压力代号用以兆帕为单位的公称压力的值的十倍单位。
比如说某阀门的公称压力为L6MPa,则该阀门的压力代号为16。
2.压力等级采用磅级(Ib)或K级单位的阀门,在型号编制时.,应在压力代号栏后有Ib或K的单位符号。
第七部分:阀体材料代号阀体材料代号用字母按(表17)的规定表示。
国标阀门型号编制方法一、阀门型号的结构组成阀门型号由一系列数字、字母和符号组成,通常包括以下几个部分:产品类型标志、产品形式标志、产品结构标志、产品尺寸标志、产品材质标志、产品压力等级标志以及特殊要求标志等。
各个标志的排列和组合方式有标准规定,下面将详细介绍各部分的编码规则。
1.产品类型标志:用于标识阀门的类型,通常使用大写字母表示,如G表示截止阀、H表示止回阀等。
2.产品形式标志:用于标识阀门的形式,通常使用大写字母表示,如N表示蝶阀、Y表示旋塞阀等。
3.产品结构标志:用于标识阀门的结构形式,通常使用数字和字母组合表示,如1表示直通式、2表示角式、3表示弯道式等。
4.产品尺寸标志:用于标识阀门的口径尺寸,通常使用数字表示,如DN50表示50mm的口径。
5.产品材质标志:用于标识阀门的材质,通常使用大写字母和数字组合表示,如WCB表示碳钢、CF8表示不锈钢等。
6.产品压力等级标志:用于标识阀门的工作压力,通常使用数字表示,如PN16表示16MPa的工作压力。
7.特殊要求标志:用于标识阀门的特殊要求,通常使用大写字母和数字组合表示,如E表示耐高温、F表示耐腐蚀等。
二、编码规则1.编码顺序:阀门型号的编码顺序一般按照产品类型标志、产品形式标志、产品结构标志、产品尺寸标志、产品材质标志、产品压力等级标志和特殊要求标志的顺序进行排列。
2.编码分隔符:各部分之间的编码可以使用特定的分隔符进行分隔,常用的分隔符有"-"、"/"和空格等。
3.编码长度:阀门型号的编码长度没有规定限制,但通常为了方便标识和辨认,长度不会太长。
三、编码方法阀门型号的编码方法是将各个标志的编码按照规定的顺序组合起来。
例如,一个DN50剪刀式截止阀,材质为WCB,工作压力为PN16的阀门的型号可以编写为G-1-1-DN50-WCB-PN16、这个编码表示了该阀门的类型、形式、结构、尺寸、材质和压力等级等信息。
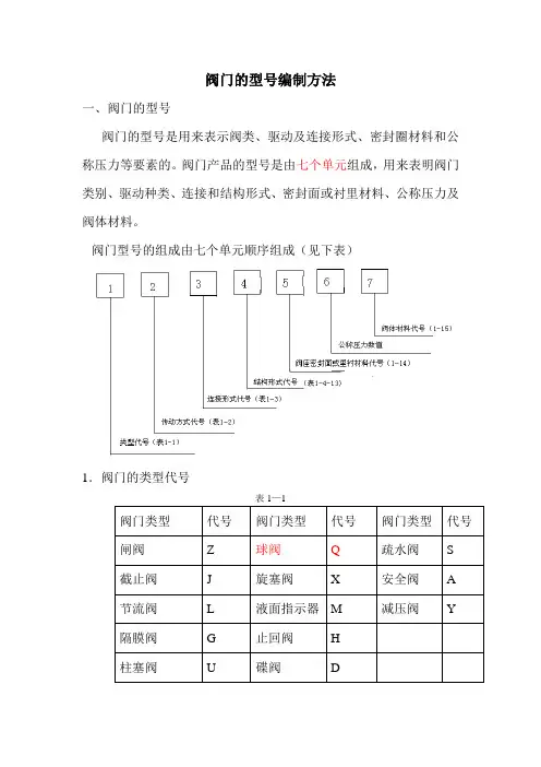
阀门的型号编制方法
一、阀门的型号
阀门的型号是用来表示阀类、驱动及连接形式、密封圈材料和公称压力等要素的。
阀门产品的型号是由七个单元组成,用来表明阀门类别、驱动种类、连接和结构形式、密封面或衬里材料、公称压力及阀体材料。
阀门型号的组成由七个单元顺序组成(见下表)
1.阀门的类型代号
表1—1
阀门类型代号阀门类型代号阀门类型代号闸阀Z 球阀Q 疏水阀S
截止阀J 旋塞阀X 安全阀 A
节流阀L 液面指示器M 减压阀Y
隔膜阀G 止回阀H
柱塞阀U 碟阀 D
2.传动方式代号用阿拉伯数字表示,按表1—2的规定
表1—2
注:①手轮、手柄和扳手传动以及安全阀、减压阀、疏水阀省略本代号。
②对于气动或液动:常开式用6K、7K表示;常闭式用6B、7B表示;气动带手动用6S
表示。
防爆电动用“9B”表示。
.连接形式代号用阿拉伯数字表示,按表1—3的规定
3
4.结构形式代号用阿拉伯数字表示1—4~13
表1—4
表1—5
表1—6
表1—7
表1—8
表1—9
表1—10
表1—11
注:杠杆式安全阀在类型代号前加“G”汉语拼音字母。
表1—12
表
1—13
6
.阀座密封面或衬里材料代号用汉语拼音字母表示,按表1—14的规定。
注:由阀体直接加工的阀座密封面材料代号用“W”表示;当阀座和阀瓣(闸板)密封面材料不同时,
用低硬度材料代号表示(隔膜阀除外)。
8.阀体材料代号用汉语拼音字母表示,按表1—15的规定
表1—15
注:PN≤的灰铸铁阀体和PN≥2.5MPa的碳素钢阀体,省略本代号。
阀门型号编制方法,阀门型号表示方法,标准阀门型号编制说明阀门型号编制方法国家标准化管理委员会日前发布了《阀门型号编制方法》;由中国机械工业联合会提出,按照GB/T1.1-2009给出的规则起草,阀门型号编制方法由全国阀门标准化技术委员会(SAC/TC188)归口。
阀门型号编制方法规定了阀门的型号编制、阀门类型、驱动方式、连接形式、结构形式、密封面材料、压力和阀体材料代号和代号的表示方法。
阀门型号编制方法适用于各类闸阀、截止阀、节流阀、蝶阀、球阀、隔膜阀、旋塞阀、止回阀、排污阀、柱塞阀、减压阀、疏水阀、安全阀的管道阀门产品。
阀门型号表示方法当今阀门的类型和材料种类越来越多,阀门型号的编制也愈来愈复杂; 阀门型号通常应表示阀门类型、驱动方式、连接形式、结构特点、公称压力、密封面材料、阀体材料等要素。
阀门型号的标准化对阀门的设计、选用、经销,提供了方便。
我国虽然有阀门型号编制的统一标准,但逐渐不能适应阀门工业发展的需要;目前,阀门制造厂一般采用统一的编号方法;不能采用统一编号方法的,各生产厂家可按自己的情况制订出编号方法。
阀门类型代号(表)类型蝶阀安全阀隔膜阀球阀闸阀止回阀旋塞阀减压阀截止阀过滤器放料阀安全阀代号D A G Q Z H X Y J GL FL A二单元、阀门传动方式(代号):阀门传动方式代号(表)传动方式电磁动电磁-液动电-液动蜗轮正齿轮伞齿轮气动液动气-液动电动手柄手轮四单元、阀门结构形式(代号):⑤截止阀、节流阀和柱塞阀结构形式代号⑥隔膜阀结构形式代号⑦旋塞阀结构形式代号⑧安全阀结构形式代号⑨减压阀结构形式代号⑩疏水阀结构形式代号排污阀结构形式代号五单元、阀门密封材质(代号):六单元、阀门公称压力数值用阿拉伯数字直接表示(MPa)它是MPa的10倍。
注:Pg≤16k g f/cm2的灰铸铁阀,Pg≥25kgf/cm2的碳钢阀,省略本代号注:1、由阀体直接加工的阀座密封材料代号用“W”表示。
阀门型号的编制及字母代号的含义1.型号的组成阀门型号由阀门类型,驱动方式、连接形式、结构形式、密封面或衬里材料、压力、阀体材料七部门组成。
如图所示1.2.1.1阀门类型代号类型代号类型代号安全阀弹簧载荷式、先导式 A球阀整体球Q 重锤杠杆式GA 半球PQ 蝶阀 D 蒸汽疏水阀S 倒流防止器GH 堵阀(电站用)SD 隔膜阀G 控制阀(调节阀)T 止回阀、底阀H 柱塞阀U 截止阀J 旋塞阀X 节流阀L 减压阀(自力式)Y进排气阀单-进排气阀P 减温减压阀(非自力式)WY 复合型FFP 闸阀Z 排污阀PW 排渣阀PZ2.1.2当阀门又同时具有其他功能作用或带有其他结构时,在阀门类型代号前再加注一个汉语拼音字母、典型功能代号按下表规定。
2.2驱动方式代号驱动方式代号用阿拉伯数字表示,按下表规定。
4.3连接形式代号以阀门进口端的连接形式确定代号,代号用阿拉伯数字表示,按下表规定。
4.4阀门结构形式代号阀门结构形式用阿拉伯数字表示,按下列表规定。
4.4.2截止阀和节流阀结构形式代号4.4.3止回阀结构形式代号4.4.5蝶阀结构形式代号4.4.6旋塞阀结构形式代号4.4.7隔膜阀结构形式代号4.4.8减压阀(自力式)结构形式代号4.4.9控制阀(调节阀)结构形式代号4.4.9减温减压阀(非自力式)结构形式代号4.4.10堵阀结构形式代号4.4.11蒸汽疏水阀结构形式代号4.4.12排污阀结构形式代号4.4.13安全阀结构形式代号4.5密封副或衬里材料代号密封副或衬里材料代号,以两个密封面中起密封作用的密封面材料或衬里材料硬度值较低的材料或腐蚀性较低的材料表示;金属密封面中镶嵌非金属材料的,则表示为非金属/金属。
材料代号按下表规定的字母表示。
4.6压力代号压力级代号采用 PN 后的数字表示。
4.7阀体材料代号。
阀门型号编制方法阀门型号表示方法阀门型号编制/表示方法:阀门型号通常应表示阀门类型、驱动方式、连接形式、结构特点、公称压力、密封面材料、阀体材料等要素。
一单元:阀门型号代号:二单元:传动方式代号:三单元:连接方式代号:四单元:结构形式代号:蝶阀结构形式代号闸阀结构形式代号:球阀结构形式代号:止回阀结构形式代号:五单元:密封材质代号:六单元:公称压力数值用阿拉伯数字直接表示,它是MPa的10倍。
七单元:阀体材料代号:阀门材质与温度对照表阀门材质温度范围WCB碳钢ASTM A216无腐蚀性应用,包括水,油和气,温度范围:-30℃至+425℃;LCB低温碳钢ASTM A352低温应用,温度低至-46℃不能用于温度高于+340℃的场合;LC33.5%镍钢ASTM A352低温应用,温度低至-101℃不能用于温度高于+340℃的场合;WC61.25%铬0.5%钼钢ASTM A217无腐蚀性应用,包括水,油和气,温度范围:-30℃至+593℃;WC92.25铬ASTM A217无腐蚀性应用,包括水,油等级WC9和气,温度范围:-30℃至+593℃;C55%铬0.5%钼ASTM A217轻度腐蚀性或侵蚀性应用及无腐蚀性应用,温度范围:-30℃至+649℃;C129%铬1%钼ASTM A217轻度腐蚀性或侵蚀性应用及无腐蚀性应用,温度范围:-30℃至+649℃;CA6NM(4)12%铬钢ASTM A487腐蚀性应用,温度范围:-30℃至+482℃;CA15(4)12%铬ASTM A217腐蚀性应用,温度范围高达+704℃;CF8M 316不锈钢ASTM A351腐蚀性或超低温或高温无腐蚀性应用,温度范围:-268℃至+649℃,温度+425℃以上要指定碳含量0.04%及以上;CF8C347不锈钢ASTM A351主要用于高温,腐蚀性应用,温度范围:-268℃至+649℃,温度+540℃以上要指定碳含量0.04%及以上; CF8304不锈钢ASTM A351腐蚀性或超低温或高温无腐蚀性应用,温度范围:-268℃至+649℃温度+425℃以上要指定碳含量0.04%及以上;CF3304L不锈钢ASTM A351腐蚀性或无腐蚀性应用,温度范围高达+425℃;CF3M316L不锈钢ASTM A351腐蚀性或无腐蚀性应用,温度范围高达+454℃;CN7M合金钢ASTM A351具有很好的抗热硫酸腐蚀性能,温度高达+425℃;M35-1蒙乃尔ASTM A494可焊接等级。
阀门型号编制方法、阀门编号说明、阀门命名 2009-03-16 16:35阀门型号通常应表示阀门类型、驱动方式、连接形式、结构特点、公称压力、密封面材料、阀体材料等要素。
阀门型号的标准化对阀门的设计、选用、经销,提供了方便。
当今阀门的类型和材料种类越来越多,阀门型号的编制也愈来愈复杂。
我国虽然有阀门型号编制的统一标准,但逐渐不能适应阀门工业发展的需要。
目前,阀门制造厂一般采用统一的编号方法;不能采用统一编号方法的,各生产厂可按自己的情况制订出编号方法。
门还具有其他功能作用或带有其他特异结构时,在阀门类型代号前再加注一个汉语拼音字母,按下表的规定。
类型 安全阀 蝶阀 隔膜阀 止回阀底阀截止阀 节流阀 排污阀 球阀 疏水阀 柱塞阀 旋塞阀 减压阀 闸阀 代号 A D G H J L P Q S U X Y Z安全阀、减压阀、疏水阀、手轮直接连接阀杆操作结构形式的阀门,本代号省略,不表示;对于气动或液动机构操作的阀门:常开式用6K、7K表示;常闭式用6B、7B表示;防爆电动装置的阀门用9B表示。
三单元:连接型式四单元:结构型式阀门结构形式用阿拉伯数字表示,按下表规定。
闸阀结构形式代号截止阀、节流阀和柱塞阀结构形式代号球阀结构形式代号蝶阀结构形式代号隔膜阀结构形式代号旋塞阀结构形式代号止回阀结构形式代号安全阀结构形式代号减压阀结构形式代号蒸汽疏水阀结构形式代号排污阀结构形式代号五单元:密封副材料六单元:公称压力数值用阿拉伯数字直接表示,它是MPa的10倍举例:Z543H-16C 伞齿轮传动法兰连接平板闸阀,公称压力1.6MPa,阀体材料为碳钢阀门的命名阀门的名称按传动方式、连接形式、结构形式、衬里材料和类型命名。
但下面内容在命名中均予省略:(1) 连接形式中:“法兰”。
(2) 结构形式中:a:闸阀的“明杆”、“弹性”、“刚性”和“单闸板”;b:截止阀和节流阀的“直通式”;c:球阀的“浮动”和“直通式”;d:蝶阀的“垂直板式”;e:隔膜阀的“屋脊式”;f:旋塞阀的“填料”和“直通式”;g:止回阀的“直通式”和“单瓣式”;h:安全阀的“不封闭”。
阀门型号编制方法、阀门编号说明阀门型号通常应表示阀门类型、驱动方式、连接形式、结构特点、公称压力、密封面材料、阀体材料等要素。
阀门型号的标准化对阀门的设计、选用、经销,提供了方便。
当今阀门的类型和材料种类越来越多,阀门型号的编制也愈来愈复杂。
我国虽然有阀门型号编制的统一标准,但逐渐不能适应阀门工业发展的需要。
目前,阀门制造厂一般采用统一的编号方法;不能采用统一编号方法的,各生产厂可按自己的情况制订出编号方法。
一单元:阀门类型代号类型安全阀蝶阀隔膜阀止回阀底阀截止阀节流阀排污阀球阀疏水阀柱塞阀旋塞阀减压阀闸阀代号A D G H J L P Q S U X Y Z当阀门还具有其他功能作用或带有其他特异结构时,在阀门类型代号前再加注一个汉语拼音字母,按下表的规定。
第二功能作用名称代号第二功能作用名称代号保温型 B 排渣型P低温型D a快速型Q防火型 F (阀杆密封)波纹管型W缓闭型H ——a低温型指允许使用温度低于-46℃以下的阀门。
二单元:传动方传动方式电磁动电磁-液动电-液动蜗轮正齿轮伞齿轮气动液动气-液动电动手柄手轮代号0 1 2 3 4 5 6 7 8 9 无代号安全阀、减压阀、疏水阀、手轮直接连接阀杆操作结构形式的阀门,本代号省略,不表示;对于气动或液动机构操作的阀门:常开式用6K、7K表示;常闭式用6B、7B表示;防爆电动装置的阀门用9B表示。
三单元:连接型式连接方式内螺纹外螺纹两不同连接法兰焊接对夹卡箍卡套代号 1 2 3 4 6 7 8 9四单元:结构型式阀门结构形式用阿拉伯数字表示,按下表规定。
闸阀结构形式代号结构形式代号阀杆升降式(明杆)楔式闸板弹性闸板0刚性闸板单闸板 1双闸板 2 平行式闸板单闸板 3双闸板 4阀杆非升降式(暗杆)楔式闸板单闸板 5双闸板 6 平行式闸板单闸板7双闸板8截止阀、节流阀和柱塞阀结构形式代号结构形式代号结构形式代号阀瓣非平衡式直通流道 1阀瓣平衡式直通流道 6 Z形流道 2 角式流道7 三通流道 3 ——角式流道 4 ——直流流道 5 ——球阀结构形式代号结构形式代号结构形式代号浮动球直通流道 1固定球直通流道7 Y形三通流道 2 四通流道 6 L形三通流道 4 T形三通流道8 T形三通流道 5 L形三通流道9 ——半球直通0蝶阀结构形式代号结构形式代号结构形式代号密封型单偏心0非密封型单偏心 5 中心垂直板 1 中心垂直板 6 双偏心 2 双偏心7 三偏心 3 三偏心8 连杆机构 4 连杆机构9隔膜阀结构形式代号结构形式代号结构形式代号屋脊流道 1 直通流道 6直流流道 5 Y形角式流道8旋塞阀结构形式代号结构形式代号结构形式代号填料密封直通流道 3油密封直通流道7 T形三通流道 4 T形三通流道8 四通流道 5 ——止回阀结构形式代号结构形式代号结构形式代号升降式阀瓣直通流道 1旋启式阀瓣单瓣结构 4 立式结构 2 多瓣结构 5 角式流道 3 双瓣结构 6———蝶形止回式7 安全阀结构形式代号结构形式代号结构形式代号弹簧载荷弹簧密封结构带散热片全启式弹簧载荷弹簧不封闭且带扳手结构微启式、双联阀 3 微启式 1 微启式7 全启式 2 全启式8 带扳手全启式 4 ——杠杆式单杠杆 2带控制机构全启式6 双杠杆 4 脉冲式92.安全阀的选用由操作压力决定安全阀的公称压力,由操作温度决定安全阀的使用温度范围,由计算出的安全阀的定压值决定弹簧或杠杆的定压范围,再根据使用介质决定安全阀的材质和结构型式,再根据安全阀泄放量计算出安全阀的喉径。
标准阀门型号编制方法
阀门型号编制组合排列形式
类型代号用汉语拼音字母表示如下表
各类阀门型号含义
各类阀门结构形式
电动阀:“B”为防爆电动装置。
“Y”“S”为未注代号的均为普通型电动装置。
阀门型号:首位前加“K”表示抗硫阀;“G”表示配金属棱型垫片及加接法兰,螺栓、螺母。
“G”表示联合设计的截止、节流阀。
“C”表示CVA标准。
“S”表示地下水门。
“W”高中压表示波纹管阀;“W”低压表示卧式安装。
“HD”表示止回蝶阀;“GD”表示高真空截止阀。
“D”表示低温阀。
材质:1)C4 C6表示耐浓硝酸的新钢种。
2)TI表示耐剧腐蚀的工业钝钛。
3)N表示铝铌铜氮钢。
4)RL表示超低碳的不锈钢。
文本仅供参考,感谢下载!
文本仅供参考,感谢下载!
文本仅供参考,感谢下载!。
中国阀门标准Z1—1989-2004年阀门标准编号标准号规格名称代替价格Z1-1 JB/T 106-2004 阀门的标志和涂漆Z1-2 JB/T 308-2004 阀门型号编制方法Z1-3 JB/T6446-2004 真空阀门Z1-4 JB/T 8858-2004 闸阀静压寿命试验规程Z1-5 JB/T 8859-2004 截止阀静压寿命试验规程Z1-6 JB/T 8860-2004 旋塞阀静压寿命试验规程Z1-7 JB/T 8861-2004 球阀静压寿命试验规程Z1-8 JB/T 8863-2004 蝶阀静压寿命试验规程Z1-9 JB/T 8864-2004 阀门气动装置静压寿命试验规程Z1-10 SN/T 1455-2004 出口阀门检验规程Z1-11 GB/T4622.1-2003 缠绕式垫片分类Z1-12 GB/T4622.2-2003 缠绕式垫片管法兰用垫片尺寸Z1-13 GB/T9125-2003 管法兰连接用紧固件Z1-14 GB/T9126-2003 管法兰用非金属平垫片尺寸Z1-15 GB/T9129-2003 管法兰用非金属平垫片技术条件Z1-16 GB/T18984-2003 低温管道用无缝钢管Z1-17 GB/T19066.2-2003 柔性石墨金属波齿复合垫片管法兰用垫片尺寸Z1-18 GB/T19189 -2003 压力容器用调质高强度钢板Z1-19 SH/T 3064-2003 石油化工钢制通用阀门选用、检验及验收Z1-20 CJ/T 179-2003 自力式流量控制阀Z1-21 GB/T 228-2002 金属材料室温拉伸试验方法Z1-22 JB/T 3595-2002 电站阀门一般要求Z1-23 JB/T 6323-2002 减温减压装置Z1-24 JB/T5054.7~10-2001产品图样及设计文件Z1-25 CJ/T 154-2001 给排水用缓闭止回阀通用技术要求Z1-26 GB/T 221-2000 钢铁产品牌号表示方法Z1-27 GB/T 7306-2000 55°密封管螺纹Z1-28 JB/T 5054.1~6-2000 产品图样及设计文件Z1-29 JB/T 4708-2000 钢制压力容器焊接工评定、标准释义Z1-30 JB/T 4709-2000 钢制压力容器焊接规程、标准释义Z1-31 JB/T 4744-2000 钢制压力容器产品焊接试板的力学性能检验、标准释义Z1-32 JB/T 8862-2000 阀门电动装置寿命试验规程Z1-33 JB/T 2203-1999 弹簧式安全阀结构长度Z1-34 JB/T 7927-1999 阀门铸钢件外观质量要求Z1-35 JB/T 7928-1999 通用阀门供货要求Z1-36 JB/T 8219-1999 工业过程测量和控制系统用电动执行机构Z1-37 JB/T 8937-1999 对夹式止回阀Z1-38 JB/T 9081-1999 空气分离设备用低温截止阀和节流阀技术条件Z1-39 JB/T 9092-1999 阀门的检验与试验Z1-40 JB/T 9093-1999 蒸汽疏水阀技术条件Z1-41 JB/T 9094-1999 液化石油气设备用紧急切断阀技术条件Z1-42 JB/T 9624-1999 电站安全阀技术条件Z1-43 JB/T 9625-1999 锅炉管道附件承压铸钢件技术条件Z1-44 GB/T8464-1998 水暖用内螺纹连接阀门Z1-45 JB/T 5299-1998 液控止回蝶阀Z1-46 JB/T 8691-1998 对夹式刀形闸阀Z1-47 JB/T 8692-1998 烟道蝶阀Z1-48 JB/T 9166-1998 工艺文件编号方法Z1-49 GB/T17186-1997 钢制管法兰连接强度计算方法Z1-50 JB/T 8527-1997 金属密封蝶阀Z1-51 JB/T 8528-1997 普通型阀门电动装置技术条件Z1-52 JB/T 8529-1997 隔爆型阀门电动装置技术条件Z1-53 JB/T 8530-1997 阀门电动装置型号编制方法Z1-54 JB/T 8531-1997 阀门手动装置技术条件Z1-55 JB/T 7744-1995 阀门密封面等离子弧堆焊用合金粉末Z1-56 JB/T 7745-1995 管线球阀Z1-57 JB/T 7746-1995 缩径锻钢阀门Z1-58 JB/T 7747-1995 针型截止阀Z1-59 JB/T 7748-1995 阀门清洁度和测定方法Z1-60 JB/T 7749-1995 低温阀门技术条件Z1-61 HG/T20570.18-1995阀门的设计Z1-62 GB/T229-1994 金属夏比缺口冲击试验方法Z1-63 GB/T15185-1994 铁制和铜制球阀Z1-64 GB/T15375-1994 金属铁削机床型号编制方法Z1-65 GB 15382-1994 气瓶阀通用技术条件Z1-66 JB/T 74—1994 管路法兰技术条件Z1-67 JB/T 7245-1994 制冷装置用截止阀Z1-68 JB/T 7248-1994 阀门用低温钢铸件技术条件Z1-69 JB/T 7352-1994 工业过程控制系统用电磁阀Z1-70 JB/T 7376-1994 气动空气减压阀技术条件Z1-71 JB/T 7387-1994 工业过程控制系统用电动控制阀Z1-72 JB/T 7550-1994 空气分离设备用切换蝶阀Z1-73 DL/T 531-1994 电站高温高压截止阀闸阀技术条件Z1-74 GB/T14173-1993 平面钢闸门技术条件Z1-75 JB/T 6899-1993 阀门的耐火试验Z1-76 JB/T 6900-1993 排污阀Z1-77 JB/T 6901-1993 封闭式眼镜阀Z1-78 JB/T 6902-1993 阀门铸钢件液体渗透检查方法Z1-79 JB/T 6903-1993 阀门锻钢件超声波检查方法Z1-80 GB/T4213-1992 气动调节阀Z1-81 GB/T13402-1992 大直径碳钢管法兰Z1-82 GB/T13438-1992 氩气瓶阀Z1-83 GB/T13439-1992 液氯瓶阀Z1-84 GB/T13927-1992 通用阀门压力试验Z1-85 GB/T13932-1992 通用阀门铁制旋启式止回阀Z1-86 JB/T450-1992 PN16.0~32.0MPа锻造角式高压阀门管件紧固件技术条件Z1-87 JB/T 2766-1992PN16.0~32.0MPа锻造高压阀门结构长度Z1-88 JB/T 2768-1992PN16.0~32.0MPа管子、管件、阀门端部尺寸Z1-89 JB/T2769-1992 PN16.0~32.0MPа螺纹法兰Z1-90 JB/T 2770-1992 PN16.0~32.0MPа接头螺母Z1-91 JB/T 2771-1992 PN16.0~32.0MPа接头Z1-92 JB/T 2772-1992 PN16.0~32.0MPа盲板Z1-93 JB/T 2773-1992 PN16.0~32.0MPа双头螺柱Z1-94 JB/T 2774-1992PN16.0~32.0MPа阶端双头螺柱及螺孔尺寸Z1-95 JB/T 2775-1992 PN16.0~32.0MPа螺母Z1-96 JB/T 2776-1992 PN16.0~32.0MPа透镜垫Z1-97 JB/T 2777-1992 PN16.0~32.0MPа无孔透镜垫Z1-98 JB/T 2778-1992 PN16.0~32.0MPа管件和紧固件温度标记Z1-99 JB/T 6438-1992 阀门密封面等离子弧堆焊技术要求Z1-100 JB/T 6439-1992 阀门受压铸钢件磁粉探伤检验Z1-101 JB/T 6440-1992 阀门受压铸钢件射线照相检验Z1-102 JB/T 6441-1992 压缩机用安全阀Z1-103 GB/T12712-1991 蒸汽供热系统凝结水回收及蒸汽疏水阀技术管理要求Z1-104 GB/T13306-1991 标牌Z1-105 JB/T 1092-1991 O型真空用橡胶密封圈Z1-106 JB/T 4079-1991 高真空蝶阀型式与基本参数Z1-107 JB/T 5296-1991 通用阀门流量系数和流阻系数的试验方法Z1-108 JB/T 5298-1991 管线用钢制平板闸阀Z1-109 JB/T 5300-1991 通用阀门材料Z1-110 GB 1048-1990 管道元件公称压力Z1-111 GB 10877-1989 氧气瓶阀Z1-112 GB 10879-1989 溶解乙炔气瓶阀Z1-113 GB/T12220-1989 通用阀门标志Z1-114 GB/T12228-1989 通用阀门碳素钢锻件技术条件Z1-115 GB/T12233-1989 通用阀门铁制截止阀与升降式止回阀Z1-116 GB/T12234-1989 通用阀门法兰和对焊连接钢制闸阀Z1-117 GB/T12235-1989 通用阀门法兰连接钢制截止阀和升降式止回阀Z1-118 GB/T12236-1989 通用阀门钢制旋启式止回阀Z1-119 GB/T12237-1989 通用阀门法兰和对焊连接钢制球阀Z1-120 GB/T12238-1989 通用阀门法兰和对夹连接蝶阀Z1-121 GB/T12239-1989 通用阀门隔膜阀Z1-122 GB/T12240-1989 通用阀门铁制旋塞阀Z1-123 GB/T12244-1989 减压阀一般要求Z1-124 GB/T12245-1989 减压阀性能试验方法Z1-125 GB/T12246-1989 先导式减压阀Z1-126 GB/T12247-1989 蒸汽疏水阀分类Z1-127 JB/T 2765-1981 阀门名词术语Z2—2005版阀门标准编号标准号规格名称代替价格Z2-1 GB/T1047-2005 管道元件DN(公称尺寸)的定义和选用Z2-2 GB/T1048-2005 管道元件PN(公称压力)的定义和选用Z2-3 GB/T5097-2005 无损检测渗透检测和磁粉检测观察条件Z2-4 GB/T5185-2005 焊接及相关工艺方法代号Z2-5 GB/T9445-2005 无损检测人员资格鉴定与认证Z2-6 GB/T10868-2005 电站减温减压阀Z2-7 GB/T12221-2005 金属阀门结构长度Z2-8 GB/T12222-2005 多回转阀门驱动装置的连接Z2-9 GB/T12223-2005 部分回转阀门驱动装置的连接Z2-10 GB/T12224-2005 钢制阀门一般要求Z2-11 GB/T12225-2005 通用阀门铜合金铸件技术条件Z2-12 GB/T12226-2005 通用阀门灰铸铁件技术条件Z2-13 GB/T12227-2005 通用阀门球墨铸铁件技术条件Z2-14 GB/T12229-2005 通用阀门碳素钢铸件技术条件Z2-15 GB/T2230-2005 通用阀门不锈钢铸件技术条件Z2-16 GB/T12232-2005 通用阀门法兰连接铁制闸阀Z2-17 GB/T12241-2005 安全阀一般要求Z2-18 GB/T12242-2005 压力释放装置性能试验规范Z2-19 GB/T12243-2005 弹簧直接载荷安全阀Z2-20 GB/T12250-2005 蒸汽疏水阀结构长度、术语、标志Z2-21 GB/T12251-2005 蒸汽疏水阀试验方法Z2-22 GB/T19672-2005 管线阀门技术条件Z2-23 B/T19805-2005 焊接操作工技能评定Z2-24 GB/T9866-2005 焊接工艺规程及评定的一般原则Z2-25 GB/T19867.1-2005电弧焊焊接工艺规程Z2-26 GB/T19868.1-2005基于试验焊接材料的工艺评定Z2-27 GB/T19868.2-2005基于焊接经验的工艺评定Z2-28 GB/T19868.3-2005基于标准焊接规程的工艺评定Z2-29 GB/T19868.4-2005基于预生产焊接试验的工艺评定Z2-30 GB/T19869.1-200钢、镍及镍合金的焊接工艺评定5 试验Z2-31 JB/T5263-2005 电站阀门铸钢件技术条件Z2-32 JB/T5345-2005 变压器用蝶阀Z2-33 JB/T10507-2005 阀门用金属波纹管Z2-34 JB/T10529-2005 陶瓷密封阀门技术条件Z2-35 JB/T10530-2005 氧气用截止阀Z2-36 DL/T641-2005 电站阀门电动执行机构Z2-37 DL/T922-2005 火力发电用钢制通用阀门订货、验收导规Z2-38 DL/T923-2005 火力发电用止回阀技术条件Z2-39 DL/T959-2005 电站锅炉安全阀应用导规Z2-40 CJ/T216-2005 给排水用软密封闸阀Z2-41 CJ/T217-2005 给水管道复合式高速进排气阀Z2-42 CJ/T219-2005 水力控制阀Z3—2006版阀门标准编号标准号规格名称代替价格Z3-1 GB/T222-2006 钢的成品化学成份允许偏差Z3-2 GB/T700-2006 碳素结构钢Z3-3 GB/T7512-2006 液化石油气瓶阀Z3-4 GB/T7899-2006 焊接、切割及类似工艺用气瓶试压阀Z3-5 GB/T9948-2006 石油裂化用无缝钢管Z3-6 GB/T10044-2006 铸铁焊条及焊丝Z3-7 GB/T12228-2006 通用阀门碳素钢锻件技术条件Z3-8 GB/T12233-2006 通用阀门、铁制截止阀和升降式止回阀Z3-9 GB/T12244-2006 减压阀一般要求Z3-10 GB/T12245-2006 减压阀性能试验方法Z3-11 GB/T12246-2006 先导式减压阀Z3-12 GB/T20066-2006 钢和铁化学成份测定用试棒的取样制样方法Z3-13 GB/T20078-2006 铜和铜合金锻件Z3-14 GB/T20081.1-2006 气动减压阀和过滤减压阀第一部份Z3-15 GB/T20081.2-2006 气动减压阀和过滤减压阀第二部份Z3-16 GB/T20173-2006 石油天然气工业、管道输送系统管道阀门Z3-17 JB/T2750-2006 高纯石墨Z3-18 JB/T6169-2006 金属波纹管Z3-19 JB/T6396-2006 大型合金结构钢锻件技术条件Z3-20 JB/T6397-2006 大型碳素结构钢锻件技术条件Z3-21 JB/T6398-2006 大型不锈耐酸耐热钢锻件Z3-22 JB/T6402-2006 大型低合金钢铸件Z3-23 JB/T6405-2006 大型不锈钢铸件Z3-24 JB/T7746-2006 紧凑型钢制阀门Z3-25 JB/T7757.2-006 机械密封用○型橡胶圈Z3-26 JB/T10606-2006 气动流量控制阀Z3-27 JB/T10648-2006 空调与冷冻设备用制冷剂截止阀Z3-28 JB/T10673-2006 撑开式金属密封阀门Z3-29 JB/T10674-2006 水力控制阀Z3-30 JB/T10675-2006 水用套筒阀Z3-31 JB/T10688-2006 聚四氟乙烯垫片技术条件Z3-32 JB/T10689-2006 膨体聚四氟乙烯密封带技术条件Z3-33 HG/T3157-2006 液化气体罐车用弹簧安全阀Z3-34 HG/T3158-2006 液化气体罐车用紧急切断阀Z3-35 HG/T3235-2006 橡胶机械用气动二位四通滑阀Z3-36 HG/T3236-2006 橡胶机械用气动二位切断阀Z3-37 HG/T3237-2006 橡胶机械用自力式压力调节阀Z3-38 HG/T3912-2006 内置式安全止流底阀技术条件Z3-39 JC/T1001-2006 水泥工业用热风阀Z3-40 QB2759-2006 卫生洁具及暖气管道用直角阀Z4—2007版阀门标准编号标准号规格名称代替价格Z4-1 GB/T77-2007 内六角平端紧定螺钉Z4-2 GB/T78-2007 内六角锥端紧定螺钉Z4-3 GB/T79-2007 内六角圆柱端紧定螺钉Z4-4 GB/T80-2007 内六角凹端紧定螺钉Z4-5 GB/T878-2007 开槽圆头螺钉Z4-6 GB/T1220-2007 不锈钢棒Z4-7 GB/T1221-2007 耐热钢棒Z4-8 GB/T3620.1-2007 钛及钛合金牌号和化学成份Z4-9 GB/T3620.2-2007 钛及钛合金加工产品化学成份允许偏差Z4-10 GB/T3621-2007 钛及钛合金板Z4-11 GB/T3623-2007 钛及钛合金丝Z4-12 GB/T8183-2007 铌及铌合金无缝管Z4-13 GB/T9130-2007 钢制管法兰用金属环垫技术条件Z4-14 GB/T12234-2007 石油、天然气工业用螺栓连接阀盖的钢制闸阀Z4-15 GB/T12235-2007 石油、石化及相关工业用钢制截止阀和升降式止回阀Z4-16 GB/T12237-2007 石油、石化及相关工业用的钢制球阀Z4-17 GB/T15930-2007 建筑通风和排烟系统用防火阀门Z4-18 GB/T20910-2007 热水系统用温度压力安全阀Z4-19 JB/T6658-2007 气动用O形圈橡胶密封圈、沟槽尺寸和公差Z4-20 JB/T6659-2007 气动用O形圈橡胶密封圈、尺寸系统和公差Z4-21 JB/T7485-2007 金属模片Z4-22 JB/T7529-2007 可锻铸铁热处理Z4-23 JB/T7550-2007 空气分离设备用切换蝶阀Z4-24 JB/T7711-2007 灰铸铁件热处理Z4-25 JB/T7712-2007 高温合金热处理Z4-26 JB/T9201-2007 钢铁件的感应淬火回火Z4-27 JB/T10706-2007 机械密封用氟塑料全包覆橡胶O形圈Z4-28 JB/T10730-2007 直流起重电磁铁Z4-29 JB/T10768-2007 空调水系统用电动阀门Z4-30 YB/T4059-2007 金属包覆高温密封圈Z4-31 YB/T4072-2007 高炉热风阀Z4-32 YB/T4156-2007 干熄焦旋转排出阀Z4-33 YB/T4157-2007 高温连杆式切断蝶阀Z4-34 DL/T1068-2007 水轮机进水液动蝶阀选用、试验及验收导则Z4-35 SH/T3074-2007 石化钢制压力容器Z5—2008版阀门标准编号标准号规格名称代替价格Z5-1 GB/T67—2008 开槽盘头螺钉Z5-2 GB/T70.1—2008 内六角圆柱头螺钉Z5-3 GB/T70.2—2008 内六角平圆头螺钉Z5-4 GB/T70.3—2008 内六角沉头螺钉Z5-5 GB/T221—2008 钢铁产品牌号表示方法Z5-6 GB/T584—2008 船用法兰铸钢截止阀Z5-7 GB/T585—2008 船用法兰铸钢截止止回阀Z5-8 GB/T587—2008 船用法兰青铜截止阀Z5-9 GB/T590—2008 船用法兰铸铁截止阀Z5-10 GB/T591—2008 船用法兰铸铁截止止回阀Z5-11 GB/T594—2008 船用外螺纹锻钢截止阀Z5-12 GB/T595—2008 船用外螺纹青铜截止阀Z5-13 GB/T596—2008 船用外螺纹青铜截止止回阀Z5-14 GB/T600—2008 船舶管路阀件通用技术条件Z5-15 GB/T1241—2008 船用外螺纹锻钢截止止回阀Z5-16 GB/T1357—2008 通用机械和重型机械用圆柱齿轮模数Z5-17 GB/T1853—2008 船用法兰铸钢舷侧截止止回阀Z5-18 GB/T1951—2008 船用低压外螺纹青铜截止阀Z5-19 GB/T2029—2008 铸钢吸入通海阀Z5-20 GB/T2030—2008 青铜吸入通海阀Z5-21 GB/T3531—2008 低温压力容器用低合金钢制板Z5-22 GB/T5744—2008 船用快关阀Z5-23 GB/T8163—2008 输送流体用无缝钢管Z5- 24 GB/T8464—2008 铁制和铜制螺纹连接阀门Z5-25 GB/T10869—2008 电站调节阀Z5-26 GB/T12236—2008 石油,化工及相关工业用的钢制旋启式止回阀Z5-27 GB/T12238—2008 法兰和对夹连接弹性密封蝶阀Z5-28 GB/T12239—2008 工业阀门金属隔膜阀Z5-29 GB/T12240—2008 铁制旋塞阀Z5-30 GB/T13403—2008 大直径钢制法兰圆垫片Z5-31 GB/T13404—2008 管法兰用非金属聚四氟乙烯包覆垫片Z5-32 GB/T13927—2008 工业阀门压力试验Z5-33 GB/T14689—2008 技术制图图纸幅面和格式Z5-34 GB/T14692—2008 技术制图投影法Z5-35 GB/T14994—2008 高温合金冷拉棒材Z5-36 GB/T15008—2008 耐腐合金棒Z5-37 GB/T15062—2008 一般用途高温合金管Z5-38 GB/T15530—2008 铜合金法兰Z5- 39 GB/T15558.3—2008燃气用埋地聚乙烯(PE)管道系统第三部分:阀门Z5-40 GB/T16938—2008 紧固件、螺栓、螺钉、螺柱和螺母通用技术条件Z5-41 GB/T17241.6—2008整体铸铁法兰Z5-42 GB/T18248—2008 气瓶用无缝钢管Z5-43 GB/T19001—2008 质量管理体系要求Z5-44 GB/T21384—2008 电热水器用安全阀Z5-45 GB/T21385—2008 金属密封球阀Z5-46 GB/T21386—2008 比例式减压阀Z5-47 GB/T21387—2008 轴流式止回阀Z5-48 GB/T21465—2008 阀门术语Z5-49 GB/T22130—2008 钢制旋塞阀Z5-50 GB/T22652—2008 阀门密封面堆焊工艺评定Z5-51 GB/T22653—2008 液化气体设备用紧急切断阀Z5-52 GB/T22654—2008 蒸汽疏水阀技术条件Z5-53 JB/T93—2008 阀门零部件扳手、手柄和手轮Z5- 54 JB/T450—2008 锻造角式高压阀门技术条件Z5-55 JB/T1700—2008 阀门零部件螺母、螺栓和螺塞Z5-56 JB/T1702—2008 阀门零部件轴承压盖Z5-57 JB/T1703—2008 阀门零部件衬套Z5-58 JB/T1712—2008 阀门零部件填料和填料垫Z5-59 JB/T1718—2008 阀门零部件垫片和止动垫圈Z5-60 JB/T1726—2008 阀门零部件阀瓣盖和对开圆环Z5-61 JB/T1741—2008 阀门零部件顶心Z5-62 JB/T1749—2008 阀门零部件氨阀阀瓣Z5-63 JB/T1754—2008 阀门零部件接头组件Z5-64 JB/T1757—2008 阀门零部件卡套、卡套螺母Z5- 65 JB/T2769—2008 阀门零部件高压螺纹法兰Z5-66 JB/T2772—2008 阀门零部件高压盲板Z5-67 JB/T2778—2008 阀门零部件高压管件和紧固件温度标志Z5-68 JB/T5208—2008 阀门零部件隔环Z5-69 JB/T5211—2008 阀门零部件闸阀阀座Z5-70 JB/T5300—2008 工业用阀门材料选用导则Z5-71 JB/T6439—2008 阀门受压件磁粉探伤检验Z5-72 JB/T6440—2008 阀门受压铸钢件射线照相检验Z5- 73 JB/T6441—2008 压缩机用安全阀Z5-74 JB/T6627—2008 碳(化)纤维浸渍聚四氟乙烯编织填料Z5-75 JB/T6628—2008 柔性石墨复合增强垫Z5-76 JB/T6902—2008 阀门液体渗透检查方法Z5-77 JB/T6903—2008 阀门锻钢件超声波检查方法Z5-78 JB/T7248—2008 阀门用低温钢铸件技术条件Z5-79 JB/T7760—2008 阀门填料密封试验规范Z5-80 JB/T7852—2008 编制填料用聚丙烯腈预氧化纤维技术条件Z5-81 JB/T10830—2008 液压电磁换向座阀Z5-82 CJ/T282—2008 蝶形缓闭止回阀Z5-83 CJ/T283—2008 偏心半球阀。
阀门型号编制方法、阀门编号说明、阀门命名阀门型号通常应表示阀门类型、驱动方式、连接形式、结构特点、公称压力、密封面材料、阀体材料等要素。
阀门型号的标准化对阀门的设计、选用、经销,提供了方便。
当今阀门的类型和材料种类越来越多,阀门型号的编制也愈来愈复杂。
我国虽然有阀门型号编制的统一标准,但逐渐不能适应阀门工业发展的需要。
目前,阀门制造厂一般采用统一的编号方法;不能采用统一编号方法的,各生产厂可按自己的情况制订出编号方法。
一单元:阀门类型代号
当阀门还具有其他功能作用或带有其他特异结构时,在阀门类型代号前再加注一个汉语拼音字母,按下表的规定。
二单元:传动方式
安全阀、减压阀、疏水阀、手轮直接连接阀杆操作结构形式的阀门,本代号省略,不表示;对于气动或液动机构操作的阀门:常开式用6K、7K表示;常闭式用6B、7B表示;防爆电动装置的阀门用9B表示。
三单元:连接型式
截止阀、节流阀和柱塞阀结构形式代号
举例:Z543H-16C 伞齿轮传动法兰连接平板闸阀,公称压力1.6MPa,阀体材料为碳钢
阀门的命名
阀门的名称按传动方式、连接形式、结构形式、衬里材料和类型命名。
但下面内容在命名中均予省略:
(1) 连接形式中:“法兰”。
(2) 结构形式中:
a:闸阀的“明杆”、“弹性”、“刚性”和“单闸板”;
b:截止阀和节流阀的“直通式”;
c:球阀的“浮动”和“直通式”;
d:蝶阀的“垂直板式”;
e:隔膜阀的“屋脊式”;
f:旋塞阀的“填料”和“直通式”;
g:止回阀的“直通式”和“单瓣式”;
h:安全阀的“不封闭”。
(3) 阀座密封面材料中的材料名称。
JBT308-2004阀门--型号编制方法专注服务专业阀门型号编制方法Valves model designation method专注服务专业2004-10-20发布2005-04-01实施中华人民共和国国家发展和改革委员会发布目次前言 (Ⅱ)专注服务专业1 范围 (1)2 规范性引用文件 (1)3 型号编制和代号表示方法 (1)3.1 阀门的型号编制方法 (1)3.2 阀门类型代号 (1)3.3 驱动方式代号 (2)3.4 连接形式代号……………………………………………………专注服务专业 (2)3.5 阀门结构形式代号 (3)3.6 密封面或衬里材料代号 (5)3.7 压力代号 (5)3.8 阀体材料代号 (5)3.9 命名 (6)3.10 型号和名称编制方法示例 (6)表 1 阀门类型代专注服务专业号 (2)表 2 具有其他功能作用或带有其他特异结构的阀门表示代号 (2)表 3 阀门驱动方式代号 (2)表 4 阀门连接端连接形式代号 (3)表 5 闸阀结构形式代号 (3)表 6 截止阀、节流阀和柱塞阀结构形式代号 (3)表7 球阀结构形式代号 (3)表8 蝶阀结构形式代专注服务专业号 (3)表9 隔膜阀结构形式代号 (4)表10 旋塞阀结构形式代号 (4)表11 上回阀结构形式代号 (4)表12 安全阀结构形式代号 (4)表13 减压阀结构形式代号 (4)表14 蒸汽疏水阀结构形式代号 (4)专注服务专业表15 排污阀结构形式代号 (5)表16 密封面或衬里材料代号 (5)表17 阀体材料代号 (5)阀门型号编制方法1 范围本标准规定了通用阀门的型号编制、类型代号、驱动方式代号、结构形式代号、密封面材料代号、阀体材料代号和压力代号的表示方法。
本标准适用于通用中闸阀、截止阀、节流阀、蝶阀、球阀、隔膜阀、旋塞阀、。
阀门型号编制方法,阀门型号表示方法,标准阀门型号编制说明阀门型号编制方法国家标准化管理委员会日前发布了《阀门型号编制方法》由中国机械工业联合会提出,按照GB/T1.1-2009 给出的规则起草,阀门型号编制方法由全国阀门标准化技术委员会(SAC/TC188)归口。
阀门型号编制方法规定了阀门的型号编制、阀门类型、驱动方式、连接形式、结构形式、密封面材料、压力和阀体材料代号和代号的表示方法。
阀门型号编制方法适用于各类闸阀、截止阀、节流阀、蝶阀、球阀、隔膜阀、旋塞阀、止回阀、排污阀、柱塞阀、减压阀、疏水阀、安全阀的管道阀门产品。
阀门型号表示方法当今阀门的类型和材料种类越来越多,阀门型号的编制也愈来愈复杂;阀门型号通常应表示阀门类型、驱动方式、连接形式、结构特点、公称压力、密封面材料、阀体材料等要素。
阀门型号的标准化对阀门的设计、选用、经销,提供了方便。
我国虽然有阀门型号编制的统一标准,但逐渐不能适应阀门工业发展的需要;目前,阀门制造厂一般采用统一的编号方法;不能采用统一编号方法的,各生产厂家可按自己的情况制订岀编号方法。
一单元、阀门类型(代号):二单元、阀门传动方式(代号)四单元、阀门结构形式(代号):双闸板8隔膜阀结构形式代号(表)隔膜阀结构形式隔膜阀代号隔膜阀结构形式隔膜阀代号五单元、阀门密封材质(代号):阀门公称压力数值用阿拉伯数字直接表示(MPa )它是MPa的10倍七单元、阀门阀体材料(代号):阀门阀体材质代号(表)注:Pg W16kgf/cm2的灰铸铁阀,Pg》25kgf/cm2 的碳钢阀,省略本代号2、阀门密封面或衬里材料代号注:1、由阀体直接加工的阀座密封材料代号用“W ”表示。
2、当阀座和阀瓣(阀板)密封材料不同时,用低硬度材料代号表示(隔膜阀除外)。
阀门型号和名称编制方法示例a)闸阀型号编制示例:电动、法兰连接、明杆楔式双闸板,阀座密封面材料由阀体直接加工,公称压力PNO.IMPa、阀体材料为灰铸铁的闸阀:Z942W-1电动楔式双闸板闸阀。