医用分子筛制氧机产品技术要求yian
- 格式:docx
- 大小:22.29 KB
- 文档页数:4
医用分子筛制氧机产品技术要求模板一、产品概述1.1产品名称:医用分子筛制氧机1.2产品型号:(根据实际情况填写)1.3产品用途:为患者提供高纯度氧气1.4产品特点:高效、安全、便携二、技术要求2.1输出氧气流量-正常工作范围:(根据实际情况填写)-最大输出流量:(根据实际情况填写)2.2氧气纯度-氧气纯度标准:≥90%-最高氧气纯度:≥95%2.3压缩空气要求-压缩空气压力:(根据实际情况填写)-压缩空气湿度:≤7RH%-压缩空气温度:(根据实际情况填写)2.4噪音要求-工作噪音:≤60dB(A)-非工作噪音:≤40dB(A)2.5电源要求-输入电压:(根据实际情况填写)-输入频率:(根据实际情况填写)-输入功率:(根据实际情况填写)2.6外观要求-外观材质:(根据实际情况填写)-外观颜色:(根据实际情况填写)-外观尺寸:(根据实际情况填写)-产品重量:(根据实际情况填写)2.7其他要求-开机时间:(根据实际情况填写)-关机时间:(根据实际情况填写)-工作环境温度:(根据实际情况填写)-工作环境湿度:(根据实际情况填写)三、功能要求3.1自动控制功能-可自动检测压缩空气和氧气纯度-可自动调节输出氧气流量和氧气纯度3.2报警功能-压缩空气异常报警功能:压力不稳定、湿度过高等-氧气纯度异常报警功能:氧气纯度低于设定值等-设备故障报警功能:电源故障、压缩机故障等3.3显示功能-显示屏:(根据实际情况填写)-显示内容:压力、流量、纯度等参数-显示方式:(根据实际情况填写)3.4运输和储存功能-储存容量:(根据实际情况填写)-运输方式:(根据实际情况填写)四、质量控制4.1遵守相关标准:符合医疗器械相关标准和法规要求4.2质量保证:提供产品合格证明和质保服务备注:模板仅为参考,具体的技术要求应根据实际情况进行调整和填写。
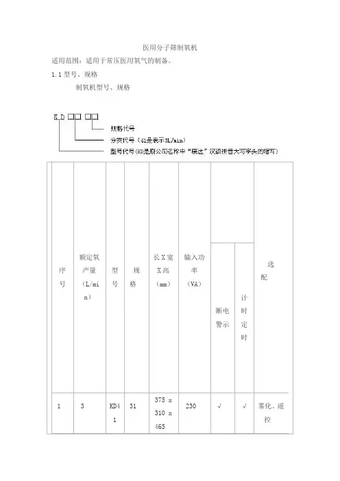
医用分子筛制氧机适用范围:适用于常压医用氧气的制备产品型号/规格及其划分说明1.2 基本组成:由制氧主机、流量计、湿化瓶以及应用部分组成。
应用部分为吸氧管、雾化面罩或雾化咬嘴(带雾化机型),其为外购有医疗器械生产注册证的产品。
1.3本制氧机的不同型号的组成配置要求见表1。
表1 参数表表1性能指标2.1 产品规格参数见表12.2性能2.2.1 外观:制氧机面板上的图形符号和字母准确、清晰、均匀,不得有划痕;外表面涂层应均匀,不得有气泡、脱层或明显划痕;2.2.2 制氧机所制的产品气的理化指标:(1)氧浓度:≥90%(V/V);(2)水分含量:应符合GB8982-2009中表1的规定;;(3)二氧化碳含量:≤0.01%(V/V);(4)一氧化碳含量应符合GB8982-2009中表1的规定;(5)气态酸和碱含量应符合GB8982-2009中表1的规定;(6)臭氧及其他气态氧化物含量应符合GB8982-2009中表1的规定;(7)氧气应无异味;(8)固体物质粒径:≤10μm;(9)固体物质含量:≤0.5mg/m³;(10)总烃含量应符合GB8982-2009中表1的规定。
2.2.3 气密性:所有坚固件连接应牢靠,不得有任何松动,各种管路、管汇及阀门排列应整齐,其连接处不得漏气;2.2.4 噪声:制氧机的噪声不大于60dB(A);2.2.5 制氧机开机后,所有电、气动阀以及压力表、指示灯均应工作正常,并有氧气输出;2.2.6 流量:制氧机应设有流量调节阀,并能在表1中规定的范围内调整出气流量。
在恒定环境条件下,流量的波动不应超过指示值的±10%•。
2.2.7 报警显示和定时控制:制氧机设有故障显示功能(1)当制氧机断电时,使用红灯亮和蜂鸣声向操作人员提示;(2)电压低于180V时,黄灯闪烁;(3)绿灯表示制氧设备启动前的准备工作已完成,或表示制氧设备正处于正常运行状态;2.2.8雾化功能接口雾化控制阀,灵活可靠。
医用分子筛制氧机适用范围:适用于常压医用氧气制备。
1.1 产品类别按医用电气安全分类医用分子筛制氧机(以下简称制氧机)属Ⅱ类设备,带B型应用部分。
1.2 产品型号划分说明制氧机产品型号按如下规定表示:1.3 结构组成制氧机由主机及附件组成。
附件主要为湿化杯、吸氧管、遥控器(适用型号见表1)、雾化杯(适用型号见表1)。
其中与病人接触的应用部分吸氧管、雾化杯、雾化面罩(苏州明基医疗:一次性使用输氧面罩,套装),选用有医疗器械产品注册证的产品。
1.4 基本性能与参数(见下表1,表2 )除表1和表2所列性能和参数外,制氧机还具有氧浓度低提示,低电压提示,断电提示,压缩机故障提示功能。
2.1 工作条件a)工作环境温度范围:5℃~40℃;b)相对湿度范围:≤80﹪;c)大气压力范围:86.0kPa~106.0kPa;d)电源电压:220V;e)电源频率:50Hz.2.2 外观质量表面应平整光洁,色泽均匀,不得有明显的锋棱、划痕和掉漆;设备上的控制和调节件应灵活可靠,安装牢固;设备上的文字、图形、符号和标志应清晰准确。
2.3 技术性能2.3.1氧产量制氧机正常工作时的氧气产量见表2;误差为±0.5L/min。
2.3.2氧流量调节与监测氧产量3L机型:调节及监测范围为0~3L/min,连续可调;标称氧产量下监测误差±0.2 L/min。
氧产量5L机型: 调节及监测范围为0~5L/min,连续可调;标称氧产量下监测误差±0.2 L/min。
2.3.3氧气输出压力制氧机正常工作情况下氧气输出口的静态压力应在0.045MPa—0.08MPa 之间。
2.3.4氧浓度a)制氧机正常工作时的氧浓度符合表2对氧浓度的规定;b)部分型号(见表1)制氧机有氧浓度在线监测功能;c)氧产量:制氧设备开机30分钟其氧产量应达到设计要求,以L/min为单位。
2.3.5氧气理化指标:应符合GB 8982-2009中技术指标要求。
医用分子筛制氧机适用范围:适用于常压医用氧气的制备。
1.1 型号:KR-03A、KR-03C1.2划分说明:1.3结构组成:本设备基本配置由制氧机主机、湿化杯、流量计、电源软电线、一次性鼻氧管、医用雾化器。
注:医用雾化器适用于KR-03C正常工作条件:a) 供电电源:AC220V、50 Hz;b) 环境温度:+5°C ~ +40°C;c) 相对湿度:≤80%;d) 大气压力:86 kPa ~106 kPa;2.1 外观a) 面板上的图形符号和字母文字均应准确、清晰、均匀;b) 注塑外壳表面无气泡及明显划痕。
c) 各部分连接良好,无脱落,无松动,各控制件应操作灵活。
2.2 制氧机所产生的氧气理化指标.氧浓度:≥90%(V/V);O)含量(露点)/℃:≤-43;.水分(H2.二氧化碳(CO)含量(体积分数)/10-6:≤100;2.一氧化碳(CO)含量(体积分数)/10-6:≤5;e)气态酸和碱含量应符合GB8982-2009中3.2的规定;f)臭氧及其他气态氧化物含量应符合GB8982-2009中第3.2的规定;g)氧气应无异味;h)总烃含量(体积分数)/10-6:≤60;I)固体物质粒径:≤10μm;j)固体物质含量:≤0.5mg/m3;2.3 气密性所有连接件的连接应可靠,无任何松动;各管路及控制阀排列有序,连接处无漏气现象。
2.4 噪声产品噪音≤60dB(A)。
2.5 工作状态制氧机开机后,所有电气、控制阀、流量计、指示灯均应正常工作,并有氧气输出。
2.6氧产量及氧浓度a) 最大出氧量3L/min,氧产量误差:±10%;b)制氧机正常工作30min后,氧浓度:≥90%(V/V),氧浓度误差≤±3%;2.7 指示灯及按钮(除以文字数字显示外)的颜色要求和声光信号a) 绿灯亮:接通电源开机后绿灯亮,表示制氧设备正处于正常运行状态;b) 绿灯、黄灯同时亮:表示50%(±3%)≤氧浓度<82%(±3%);c) 红灯亮:当氧浓度<50%(±3%)时,或压缩机开路时,红灯亮并伴有持续的蜂鸣声;d) 持续蜂鸣声:网电源电压中断时,蜂鸣器发出持续的蜂鸣声。
医用分子筛制氧机产品技术要求1.设备结构和材料要求:(1)设备采用紧凑的结构设计,体积小巧、易于携带和存放。
(2)材料应该符合医疗器械的相关标准要求,必须符合无毒、无刺激性、无致敏性和无菌性等标准。
(3)设备应具备防震、防滑和防漏电等安全功能。
2.氧气浓度和流量调节要求:(1)设备应能够提供稳定的高浓度氧气,浓度范围应在90%以上。
(2)氧气流量调节范围应广泛,以满足不同患者的需求,通常在0.5升/分钟到10升/分钟之间。
(3)设备应具备精确的氧气浓度和流量调节功能,在各种工作场景下能够保持稳定的输出。
3.噪音和振动控制要求:(1)设备的噪音水平应低,不应超过45分贝。
(2)设备在工作过程中应尽量减少振动,确保患者的使用舒适度。
4.氧气传输和输送要求:(1)设备应具备高效的分子筛技术,能够有效地将空气中的氧气分离出来。
(2)设备应具备稳定且均匀的氧气输送能力,确保患者能够持续获得所需的氧气支持。
(3)设备的氧气传输管路应具备耐高压、耐腐蚀和耐磨损的特性。
5.温湿度控制要求:(1)设备应具备恒温和湿度控制功能,以防止患者在使用过程中受到过冷或过热的影响。
(2)温湿度传感器应精确可靠,能够实时监测温湿度变化,并能及时进行调节。
6.安全保护要求:(1)设备应具备高温、低温、过压、过流、欠压、漏电等安全保护功能,以确保设备在工作过程中的安全性。
(2)设备应具备故障自诊断和自动报警功能,能够及时发现和处理设备故障。
7.显示和控制功能要求:(1)设备应具备直观清晰的显示屏,能够显示氧气浓度、流量、温度、湿度等关键信息。
(2)设备的控制界面应简洁易用,操作方便,能够满足患者和医护人员的需求。
总之,医用分子筛制氧机的产品技术要求包括设备结构和材料、氧气浓度和流量调节、噪音和振动控制、氧气传输和输送、温湿度控制、安全保护以及显示和控制功能等方面。
通过满足这些技术要求,医用分子筛制氧机能够提供高质量的氧气供应,为病人的康复和治疗提供有效的支持。
医用分子筛中心制氧系统2.性能指标2.1制氧机外观与结构和调节机构2.1.1制氧机外形应端正、表面应光亮整洁、色泽均匀、无伤斑、划痕、裂纹、破损、锋棱、毛刺与变形。
2.1.2制氧机面板应无锈斑、面板上文字标记应准确、清晰、均匀、牢固。
2.1.3各调节机构操作应灵活可靠,无阻滞。
各紧固件应安装牢固,无松动现象。
2.2制氧机所产气体的理化指标2.2.1氧浓度≥90%。
2.2.2水分含量≤0.07g/m³。
2.2.3二氧化碳含量≤0.01%。
2.2.4一氧化碳含量应符合 GB 8982-2009《医用及航空呼吸用氧》中表 1 的规定。
2.2.5气态酸性物质和碱性物质含量应符合 GB 8982-2009《医用及航空呼吸用氧》中表 1 的规定。
2.2.6臭氧及其它气态氧化物含量应符合 GB 8982-2009《医用及航空呼吸用氧》中表 1 的规定。
2.2.7制氧机所产生的气体应无异味。
2.2.8固体物质粒径≤10µm。
2.2.9固体物质含量≤0.5 mg/m³。
2.3气密性所有紧固件连接应牢靠,不得有任何松动,各种管路,管汇及阀门排列应整齐, 其连接处不得漏气。
2.4噪声制氧机的噪音应不大于 85dB(A)。
2.5正常工作制氧机开机后,所有阀门以及压力表,液晶显示屏均应工作正常,并有氧气输出。
2.6制氧机功能2.6.1制氧系统的控制方式有“手动”与“自动”两种。
2.6.2制氧机开机 30min,应有氧气输出,氧气浓度应≥90%,氧气纯度误差率应为±0.5%。
2.6.3各型号机组氧气产量应符合表 1 的规定。
2.7空气压缩机设备应带有空气压缩机,输出压力应能自动控制,最大排气压力、实际出风量应符合制氧系统的要求。
2.8液晶显示屏及工作按钮制氧系统中液晶显示屏及工作按钮功能应正常。
2.9空气储罐、氧气储罐空气储罐、氧气储罐上的铭牌至少应标明生产厂厂名、出厂日期、工作压力,并应提供劳动部门认可的合格的《压力容器质量证明书》。
医用分子筛制氧机适用范围:适用于常压医用氧气的制备。
1.1型号、规格制氧机型号、规格1.2组成医用分子筛制氧机由主机、流量计、湿化瓶、一次性使用吸氧管、一次性使用雾化器(选配)、遥控器(选配)等组成。
2.1 工作条件医用分子筛制氧机正常工作条件a)环境温度:5℃~40℃;b)相对湿度:≤80%;c)大气压力:86kPa~106kPa;d)电源电压:220V±22V;e)电源频率:50Hz±1Hz。
2.2 技术指标2.2.1 氧浓度:≥90%(V/V);2.2.2水分(HO)含量(露点)/℃≤-43;2)含量(体积分数)/10-6≤100;2.2.3二氧化碳(CO22.2.4 一氧化碳(CO)含量(体积分数)/10-6≤5;2.2.5 气态酸性物质和碱性物质含量应符合GB 8982-2009中3.2规定;2.2.6 臭氧及其他气态氧化物应符合GB 8982-2009中3.2的规定;2.2.7气味应无异味;2.2.8 总烃含量(体积分数)10-6≤60;2.2.9 固体物质粒径:≤10μm;固体物质含量:≤0.5mg/m3;2.2.10 二氧化硫:不得超过0.0001%(V/V);2.2.11 氮氧化物:不得超过0.0002%(V/V);2.2.12 油分:不得超过0.1mg/m3。
2.3 噪声医用分子筛制氧机的噪声应不大于50dB(A);2.4 气密性所有紧固件连接应牢靠,不得有任何松动,各种管路、管汇及阀门排列应整齐,其连接处不得漏气。
2.5 氧含量及氧产量:开机30min后,氧产量应达到标称值3L/min,氧浓度≥90%(V/V)。
2.6功能2.6.1 断电报警:当设备正常运行断电时发出蜂鸣警告;2.6.2 雾化功能(选配):在制氧机上加装雾化出口阀,并配备相应的雾化附件(雾化装置以及连接软管等);2.6.3 计时显示功能:计时显示误差应不大于2%。
在制氧机上加装计时器,开机后累计计时器开始计时,关机时停止计时;2.6.4 遥控功能(选配):遥控距离不大于5米;a)遥控功能:在距制氧机前壳平面5米以内的任意位置,遥控器可控制制氧机的开启与关闭;b)定时功能:可用遥控器控制定时,定时范围(0~12)h,定时结束时(允许误差为±5%),制氧机自动关闭。
医用分子筛制氧机产品技术要求模板一、产品概述二、技术参数1.供氧流量:根据不同需求,应具备不同级别的供氧流量可调节性能,可实现低流量至高流量的医用氧气供应。
2.纯度范围:能提供符合医用氧气纯度标准的气体输出,纯度范围为≥93%~≥99%。
3.噪音:运行过程中,噪音应低于一定的标准,确保用户在使用过程中的舒适感。
4.能耗:采用节能设计,确保产品在运行过程中的能源消耗达到较低水平。
5.效果评估:通过多种指标,如出气压力稳定性、纯度稳定性等,评估产品的整体技术水平。
三、结构与设计1.外观设计:产品外观应简洁、美观、易于清洁、防尘、防腐。
2.结构材料:主要材料应使用高强度、防腐蚀、耐高温的工程塑料或不锈钢等。
3.防护措施:应设置过热保护、过压保护、过载保护等安全措施,以确保设备的安全运行。
4.确保通风:产品内部应设有合理的散热结构,保证设备运行时的散热效果,防止过热现象的发生。
四、控制系统1.稳定性:控制系统应具备较高的稳定性,能够稳定地控制供氧流量和维持医用氧气的纯度。
2.操作界面:应设计简单易用的操作界面,便于用户操作。
3.报警功能:设备应具有故障自诊断与报警功能,能够及时发出警告信号,提醒操作人员进行维修。
五、其他要求1.清洁与维护:设备应具备易于清洁、维护的结构设计,便于用户进行保养与维修。
2.操控方式:应支持多种操控方式,如按键、远程控制等,以适应不同使用场所和不同用户的需求。
3.产品寿命:医用分子筛制氧机的设计寿命应达到一定的标准,确保产品能够长时间稳定运行。
4.安全性:产品应具备良好的安全性能,符合国家相关安全标准,确保用户在使用过程中的安全。
六、检测与认证产品应符合相关的国家医疗器械质量管理体系标准,通过国家医疗器械质量监督检查部门的检测和认证。
以上仅为医用分子筛制氧机产品技术要求模板的一部分,具体内容可以根据产品的实际需求、行业标准和用户反馈等进行补充和细化。
医用分子筛制氧机产品技术要求yian
一、产品名称及规格:
医用分子筛制氧机(Molecular Sieving Oxygen Generator),规格
可选:3L/min,5L/min,7L/min,10L/min,15L/min,20L/min,30L/min,50L/min。
二、产品性能及技术要求
1、产品应符合YB/T1049-2004《医用氧气机》安全技术规范的要求;
2、氧机应具有安全有效的电气系统,流量、氧浓度应精确可靠,送
气噪声较低,操作简便,无需繁琐的维护;
3、氧机应配备氧浓度控制系统,具备自动、手动切换功能,并可稳
定控制输出氧浓度;
4、氧机输出氧浓度及流量应符合下列要求:
(1)输出氧浓度要求为>90%V/V;
(2)氧机的输出流量可调范围要求为:5L/min:2-5L/min;7L/min:2-7L/min;10L/min:2-10L/min;15L/min:2-15L/min;20L/min:2-
20L/min;30L/min:2-30L/min;50L/min:2-50L/min;
(3)氧机的设备精度要求为<0.1L/min。
5、氧机应符合现行国家有关机械、电气安全要求,安装和使用时应
按照相关技术规范要求;
6、氧机外观及标识应确保清晰、规范、明了,标识应符合有关标准
要求。
三、运行及使用要求
1、氧机应有操作手册,并对操作人员的使用要求和操作程序作出详细说明;
2、氧机使用前,应按说明书检查各种性能参数,确保设备安全可靠运行;。
医用分子筛制氧机标准0287简介:医用分子筛制氧机是一种专为医疗机构和个人家庭使用而设计的设备,可以通过分子筛技术从空气中提取纯净氧气。
医用分子筛制氧机标准0287是根据相关法规和技术要求,制定出具有可靠性、安全性和有效性的医用分子筛制氧机相关标准。
本标准的实施将有利于确保医用分子筛制氧机的稳定性和安全性,以保障使用者的健康和安全。
标准内容:1.术语和定义本标准中使用的术语和定义符合国家相关标准的要求。
2.产品要求2.1设备外观:医用分子筛制氧机应具有外观整洁、无明显划痕和变形的特点。
2.2操作界面:医用分子筛制氧机应提供清晰、直观的操作界面,易于操作人员使用。
2.3操作响应时间:医用分子筛制氧机应具有快速响应用户输入的操作指令的能力。
2.4噪音:医用分子筛制氧机的运行噪音应低于国家相关要求,不影响使用者的休息和沟通。
2.5过载保护:医用分子筛制氧机应具有过载保护功能,当设备超负荷时能够自动停机或降低功率。
2.6温度控制:医用分子筛制氧机应具备有效的温度控制功能,以确保设备操作在安全温度范围内。
2.7氧浓度:医用分子筛制氧机应提供稳定、可靠的高浓度氧气输出。
3.安全性能3.1绝缘性能:医用分子筛制氧机的绝缘电阻、耐电压和耐电弧能力应符合国家相关标准的要求。
3.2防护等级:医用分子筛制氧机应具备一定的防护等级,以防止外界因素对设备正常运行的影响。
3.3电气安全:医用分子筛制氧机应符合国家相关电气安全标准,如电气设备的绝缘电阻、接地连接等。
4.效能测试4.1输出氧流量:医用分子筛制氧机的输出氧流量应符合产品说明书的要求。
4.2稳定性测试:医用分子筛制氧机在长时间运行和高负荷条件下应保持稳定的氧浓度输出。
4.3故障情况测试:医用分子筛制氧机应具有故障自检和报警功能,能够及时发出报警信号。
5.标志和标签医用分子筛制氧机应具有清晰的标志和标签,包括产品厂家、型号、生产日期等信息。
6.包装和运输医用分子筛制氧机的包装应符合国家相关标准的要求,以确保运输过程中设备的安全性和完整性。
医用分子筛制氧机适用范围:本产品适用于低压氧气的制备1.1 型号命名规则1.2 设备规格表表1 制氧机规格表表2 产品性能1.3 产品组成本产品由2个吸附塔、2个气体缓冲罐、1个控制柜、1个流量计、1个过滤器组成制氧机正常使用条件:a) 环境温度:5℃~ 40℃b) 相对湿度:≤80%;c) 大气压:86kPa~106kPa;d) 无浓蒸气、无灰尘及易燃易爆气体;e) 电源频率:50Hz;f) 电源电压:单相为220V。
2.1 外观及结构2.1.1 面板上的图形符号和字母准确、清晰、均匀,不得有划痕。
2.1.2 制氧设备外表面涂天蓝色油漆,涂层应均匀,不得有气泡、脱层或明显划痕。
2.1.3 所有联接件应联接牢靠,不得有任何松动;各件管路,管汇及阀门应排列整齐,联接处不得漏气。
2.1.4 各调节机构应做到:调整方便,操作灵活,性能可靠。
各仪表应反应灵敏、准确。
2.2 产品气的理化指标表3 氧气理化指标2.3 气密性所有坚固件连接应牢靠,不得有任何松动,各种管路、管汇及阀门排列应整齐,其连接处不得漏气。
2.4 噪声制氧机的噪声声功率,应不大于85dB(A)。
2.5 运行状态制氧机开机后,所有电、气动阀以及压力表、指示灯均应工作正常,并有氧气输出。
2.6 氧产量及氧浓度制氧机开机30min后,其氧产量应达到表1的要求,氧浓度应≥90%。
2.7 指示灯及按钮指示灯及按钮(除以文字数字显示外)的颜色要求应符合YY/T 0298-1998中5.7.1以及5.7.4的颜色要求。
2.8 压力容器应符合YY/T 0298-1998中5.8的要求。
2.9 电气安全性能制氧机的电气安全性能应符合GB9706.1-2007的要求,主要性能见附录A。
2.10 环境试验要求环境试验除应符合GB/T 14710-2009中的气候环境试验Ⅱ组、机械环境试验Ⅰ组的规定外,还应符合表4给出的规定。
表4 环境试验要求补充规定2.11 电磁兼容性能制氧机的电磁兼容性能应符合YY0505-2012《医用电气设备第1-2部分:安全通用要求并列标准:电磁兼容要求和试验》的相应章节的要求。
医用分子筛制氧机适用范围:适用于常压医用氧气的制备。
1.1型号、规格制氧机型号、规格1.2组成医用分子筛制氧机由主机、流量计、湿化瓶、一次性使用吸氧管、一次性使用雾化器(选配)、遥控器(选配)等组成。
2.1 工作条件医用分子筛制氧机正常工作条件a)环境温度:5℃~40℃;b)相对湿度:≤80%;c)大气压力:86kPa~106kPa;d)电源电压:220V±22V;e)电源频率:50Hz±1Hz。
2.2 技术指标2.2.1 氧浓度:≥90%(V/V);O)含量(露点)/℃≤-43;2.2.2水分(H22.2.3二氧化碳(CO)含量(体积分数)/10-6≤100;22.2.4 一氧化碳(CO)含量(体积分数)/10-6≤5;2.2.5 气态酸性物质和碱性物质含量应符合GB 8982-2009中3.2规定;2.2.6 臭氧及其他气态氧化物应符合GB 8982-2009中3.2的规定;2.2.7气味应无异味;2.2.8 总烃含量(体积分数)10-6≤60;2.2.9 固体物质粒径:≤10μm;固体物质含量:≤0.5mg/m3;2.2.10 二氧化硫:不得超过0.0001%(V/V);2.2.11 氮氧化物:不得超过0.0002%(V/V);2.2.12 油分:不得超过0.1mg/m3。
2.3 噪声医用分子筛制氧机的噪声应不大于50dB(A);2.4 气密性所有紧固件连接应牢靠,不得有任何松动,各种管路、管汇及阀门排列应整齐,其连接处不得漏气。
2.5 氧含量及氧产量:开机30min后,氧产量应达到标称值3L/min,氧浓度≥90%(V/V)。
2.6功能2.6.1 断电报警:当设备正常运行断电时发出蜂鸣警告;2.6.2 雾化功能(选配):在制氧机上加装雾化出口阀,并配备相应的雾化附件(雾化装置以及连接软管等);2.6.3 计时显示功能:计时显示误差应不大于2%。
在制氧机上加装计时器,开机后累计计时器开始计时,关机时停止计时;2.6.4 遥控功能(选配):遥控距离不大于5米;a)遥控功能:在距制氧机前壳平面5米以内的任意位置,遥控器可控制制氧机的开启与关闭;b)定时功能:可用遥控器控制定时,定时范围(0~12)h,定时结束时(允许误差为±5%),制氧机自动关闭。
医疗器械产品技术要求编号:医用分子筛制氧系统1. 产品型号/规格及其划分说明1.1 型号规格OKZ-6E-01TM0、OKZ-12E-01TM0、OKZ-24E-01TM0、OKZ-36E-01TM0、OKZ-48E-01TM0、OKZ-60E-01TM0、OKZ-120E-01TM01.2 结构组成本产品由空气压缩机、过滤器、空气储罐、制氧主机(包括吸附塔、氧气缓冲罐、组合阀、控制系统、氧气流量计)、氧气储罐组成。
1.3 适用范围以空气为原料,利用分子筛变压吸附工艺生产富氧空气,氧浓度范围为93%±3%(V/V)。
2.性能指标2.1外观与结构2.1.1制氧系统的所有设备外形应端正,外表面应平整光洁、色泽均匀,应无明显划痕、裂纹、锋棱及毛刺;2.1.2制氧系统的所有设备上的文字、符号标志应清晰、准确、牢固;2.1.3制氧系统的所有控制和调节机构应灵活可靠,紧固件应无松动现象;2.1.4制氧系统的所有设备外表面涂脂抹粉层应均匀,不得有明显划痕;2.1.5制氧系统中液晶显示按钮及显示功能应正常;2.1.6制氧系统各空气,氧气进出口,阀门均应有开关标识。
2.2制氧系统所产气体理化指标2.2.1 氧浓度:≥90% (V/V)。
2.2.2 水分含量:≤0.07 g/m3。
2.2.3 二氧化碳含量:≤0.01%( V/V)。
2.2.4一氧化碳含量:应符合 GB 8982-2009《医用及航空呼吸用氧》中表 1 的规定:一氧化碳含量(体积分数)应≤5*10-6。
2.2.5气态酸和碱含量:应符合 GB 8982-2009 中表 l“气态酸性物质和碱性物质含量”的规定。
2.2.6臭氧及其他气态氧化物含量:应符合 GB 8982-2009 中表l“臭氧及其他气态氧化物”的规定。
2.2.7所产氧气应无气味。
2.2.8固体物质粒径:≤10 µm。
2.2.9固体物质含量:≤0.5 mg/m3。
2.2.10水分:≤0.0067%(ml/ml)。
医用分子筛制氧机产品技术要求yian1.分离效率要求高:医用分子筛制氧机的关键技术是对空气中的氮气进行分离,因此其分离效率要求高。
一般来说,医用分子筛制氧机的分离效率应达到93%以上,即提供给患者的氧气应该含有93%以上的纯度。
2.稳定性要求强:医用分子筛制氧机需要在长时间运行中保持良好的稳定性,以确保患者能够持续获得高质量的氧气。
因此,在设计和制造时需要考虑设备的稳定性,包括对工作温度、压力变化的反应能力,以及分子筛材料的使用寿命等。
3.噪音低:医疗环境要求安静,因此医用分子筛制氧机在运行时应尽量减少噪音。
一般来说,医用分子筛制氧机的噪音要控制在60分贝以下。
4.安全性要求高:医用分子筛制氧机是涉及患者生命健康的设备,因此其安全性要求非常高。
设备应具备完善的安全保护措施,如过压保护、过热保护、漏电保护等,以保证设备运行时的安全。
5.操作方便:医用分子筛制氧机的操作应该简便方便,以便医护人员快速上手使用。
设备应配备直观的显示屏,提供相关的操作指导,同时还要有良好的操作界面和操作按钮。
6.维护简单:医用分子筛制氧机的维护应该简单方便,以保证设备的可靠性和稳定性。
对于分子筛材料的更换、滤网的清洗等常规维护工作应该方便快捷。
除了以上几个关键技术要求,医用分子筛制氧机还应具备其他一些功能和特点,例如具备缺氧报警功能、具备氧气浓度调节功能、具备多种工作模式选择等。
这些功能和特点可以根据实际需求进行选择和设计。
总之,医用分子筛制氧机的产品技术要求较高,需要具备高的分离效率、稳定性和安全性,同时在操作和维护方面也需要方便快捷。
医用分子筛制氧机的设计和制造需要严格按照相关标准和规范进行,以保证设备能够提供高质量氧气给患者使用。
医疗器械产品技术要求编号:医用分子筛制氧机1.产品型号/规格及其划分说明1.1型号规格INN-3AZ、INN-3。
1.2结构组成由主机、湿化瓶和雾化装置(包括雾化杯、送气管和咬嘴)组成。
1.3适用范围以空气为原料,利用分子筛变压吸附工艺生产氧浓度范围为≥90%(V/V)的氧气,供氧疗或缓解各种因缺氧导致的不适。
2.性能指标2.1外观与结构2.1.1制氧机外观应整洁,色泽均匀,无伤痕、划痕、裂纹等缺陷;2.1.2制氧机面板上的文字和标志应清晰可见;2.1.3制氧机塑料件应无气泡、起泡、开裂、变形现象;2.1.4制氧机的控制和调节机构应安装牢固、可靠,紧固部位应无松动。
2.2流量调节在额定流量范围内可调,并准确到所指示流量的±10%或±200mL/min,取大者,流量调节范围见表1。
2.3制氧机所产生气体的理化指标2.3.1氧浓度氧浓度应≥90%(V/V)。
2.3.2水分含量应≤-42.7℃。
2.3.3二氧化碳含量应≤0.01%(V/V)。
2.3.4一氧化碳含量应符合GB8982—2009《医用及航空呼吸用氧》中表1“一氧化碳含量”的规定。
2.3.5气态酸和碱含量应符合GB8982—2009中表l“气态酸性物质和碱性物质含量”的规定。
2.3.6臭氧及其他气态氧化物应符合GB8982—2009中表l“臭氧及其他气态氧化物”的规定。
2.3.7气味制氧机所产氧气应无气味。
2.3.8固体物质含量应≤0.5mg/m 3。
2.3.9固体物质粒径应≤10μm。
2.4气密性所有气路连接件应牢靠,不得漏气。
2.5最大氧产量及氧浓度制氧机开机30min,其氧产量应达到表1的要求,氧浓度应≥90%(V/V)。
2.6噪声a)制氧机正常运行时,在制氧模式下,制氧机噪声值应不大于45dB(A)。
b)制氧机正常运行时,在雾化模式下,制氧机噪声值应不大于60dB(A)。
2.7计时器计时器应能累计制氧机使用的小时数,以小时为单位显示在显示器上。
医用分子筛制氧机产品技术要求凌特在设计和制造医用分子筛制氧机时,需要满足一系列的技术要求,以确保设备的安全运行和高效性能。
以下是医用分子筛制氧机的一些常见的技术要求:1.设备结构和材料要求:医用分子筛制氧机应采用优质的材料制造,具有结构稳定、耐腐蚀、防腐性好等特点,以确保设备的长期稳定运行。
2.操作和安全要求:医用分子筛制氧机应具有简便的操作界面,方便用户进行各项操作,同时设备应具备防过压、过流、过载、过热等安全保护功能,确保设备在异常情况下能够自动停止工作。
3.氧气纯度要求:医用分子筛制氧机应具备高纯度氧气输出功能,一般要求纯度达到90%以上,以满足医疗机构对高纯度氧气的需求。
4.流量和压力要求:医用分子筛制氧机应具备一定的流量和压力调节功能,以适应不同的临床需求。
一般来说,设备应能够提供稳定的氧气流量和压力输出,以满足患者的各种治疗需求。
5.噪音和震动要求:医用分子筛制氧机应具备低噪音和低震动的特点,以确保设备在工作过程中不会对患者产生不良影响。
6.气体湿度和温度要求:医用分子筛制氧机应具备恒温恒湿的功能,以确保输出的氧气在合适的温度和湿度范围内,避免对患者呼吸系统产生刺激。
7.运行稳定性和可靠性要求:医用分子筛制氧机应具备良好的运行稳定性和可靠性,以确保设备在长时间运行中能够保持一致的输出稳定性和性能。
8.设备维护和保养要求:医用分子筛制氧机应具备方便的维护和保养功能,包括定期更换分子筛、清洗和消毒设备等,以确保设备在运行过程中能保持良好的工作状态。
总之,医用分子筛制氧机在设计和制造过程中,应满足设备结构和材料要求、操作和安全要求、氧气纯度要求、流量和压力要求、噪音和震动要求、气体湿度和温度要求、运行稳定性和可靠性要求,以及设备维护和保养要求等一系列的技术要求,以确保设备的性能和安全性能,并满足医疗机构对高纯度氧气的需求。
医用分子筛制氧机产品技术要求baixiang医用分子筛制氧机适用范围:适用于低压医用氧气的制备。
1.1 产品型号本次注册申报的产品型号包括:PSA-15。
1.2 划分说明1.3结构及组成该产品由空气储罐、制氧主机、氧气储罐组成。
1.4产品技术参数:见以下列表1内容表1:产品技术参数2.1 工作条件a) 环境温度: 5℃~40℃; b)相对湿度: ≤80%; c) 大气压: 86~106KPa ;d) 电源电压单相为AC220V ±22V ;频率:50Hz ±1Hz ; e) 周围环境无腐蚀性气体及较强电磁场;f) 制氧设备的空气源进口应位于污染物最少的地方,这些污染源包括:燃烧的废气、麻醉气体排放系统、通风口和抽真空排气口。
2.2 外观质量要求2.2.1制氧机的外表面应平整光洁,不得有明显的划痕、擦伤、凹瘪缺陷。
2.2.2制氧机表面应光亮,不得有剥落、露底、划伤缺陷。
2.2.3制氧机的文字标志应清晰准确, 各控制键灵敏可靠。
2.2.4 制氧设备外表面涂油漆光滑平整,无明显的肉瘤、划痕、脱层缺陷。
2.3 产品气的理化指标表2 产品气理化指标要求2.4 气密性要求所有紧固件连接应牢靠,不得有任何松动,各种管路、阀门及连接处不得漏气。
2.5 噪声要求制氧设备在运行状态下,A计权声功率级噪音不大于85dB。
2.6 氧浓度要求制氧设备开机30min,其氧气产生浓度≥90%。
2.7 空气储罐要求空气储罐应符合《固定式压力容器安全技术监察规程》规定。
2.8 氧气储罐要求氧气储罐应符合《固定式压力容器安全技术监察规程》和规定。
2.9 氧气灭菌器要求氧气灭菌器滤除的细菌LRV分离率>6/cm2(针对0.01um粒径)。
2.10指示灯及按钮在颜色要求:2.10.1 当制氧设备发生故障时,应使用闪烁红灯向操作人员报警。
2.10.2 红灯闪烁表示紧急情况,它要求操作人员立即采取措施。
2.10.3 黄灯闪烁是在需要提醒注意和需要重新检查的情况下使用。
医用分子筛制氧机
适用范围:适用于常压医用氧气的制备。
1. 产品型号/规格及其划分说明
1.1 产品型号
OX3310M,OX3308M,OX3305M,OX3303M。
1.2 型号划分说明
型号定制规则:
基本参数见下表。
表1 医用分子筛制氧机基本参数
1.3产品组成
本产品主要由进气过滤器、空气压缩机、气体控制阀、分子筛吸附塔、除菌过滤器和流量计等组成。
2. 性能指标
2.1 一般要求
.医用分子筛制氧机应符合本技术要求的要求,并按规定程序所批准的图样及文件制造;
.医用分子筛制氧机的零部件,包括与富氧气接触的各种外接件,在各种操作条件下,必须保证无油,所有零部件应考虑抗氧气、水分和其他周围材料的腐蚀;
.医用分子筛制氧机的空气源进口应远离污染源,位于污染物最少的地方;
这些污染源包括:燃烧的废气、麻醉气体排放系统、通风口和抽真空排气口等。
2.2医用分子筛制氧机正常使用条件
•环境温度:+5℃~+40℃;
•相对湿度:≤80%;
•大气压力:86kPa~106kPa;
•输入电源:AC220V;
•电源频率:50Hz。
2.3外观
2.3.1面板上的图形符号和字母准确、清晰、均匀,不得有划痕。
2.3.2外表面涂层应均匀,不得有气泡、脱层或明显划痕。
2.4医用分子筛制氧机所产氧气的理化指标
符合YY/T 0298-1998中5.2的规定:
2.4.1氧浓度:≥90%(V/V)。
2.4.2水分含量:符合GB 8982-2009 中
3.2的规定。
2.4.3二氧化碳含量:符合GB 8982-2009 中
3.2的规定。
2.4.4一氧化碳含量:符合GB 8982-2009 中
3.2的规定。
2.4.5气态酸和碱含量:符合GB 8982-2009 中
3.2的规定。
2.4.6臭氧及其他气态氧化物含量:符合GB 8982-2009中
3.2的规定。
2.4.7气味:通过嗅觉器官测定,氧气应无气味。
2.4.8总烃含量:符合GB 8982-2009中
3.2的规定。
2.4.9固体物质粒径:≤10μm。
2.4.10固体物质含量:≤0.5mg/m3。
2.5气密性
所有紧固件连接应牢靠,不得有任何松动,各种管路、管汇及阀门排列应整
齐,其连接处不得漏气。
2.6噪声
医用分子筛制氧机的噪声要求见表1。
2.7氧产量及氧浓度
医用分子筛制氧机开机30min,其氧产量应达到设计要求,见表1。
氧浓度应≥90%(V/V)。
2.8开机运行
2.8.1电源开关打开并有网电源接入时,开关上绿色指示灯亮。
2.8.2正常开机运行:蜂鸣器鸣叫3秒后停止,设备运行。
2.8.3设备正常运行:指示区域的绿灯常亮,表示氧浓度达到了2.2.2
a)要求值。
2.9指示灯、蜂鸣器声光报警
2.9.1氧浓度低报警:指示区域的黄灯闪烁,伴有蜂鸣器Beep。
Beep。
鸣叫,此时设备运行并持续供氧,但氧浓度低,此时氧浓
度在82%~86%之间。
2.9.2氧浓度异常报警:指示区域的红灯闪烁,伴有蜂鸣器Beep。
Beep。
鸣叫,此时设备运行并持续供氧,但氧浓度异常,此时氧
浓度持续低于82%。
2.9.3网电源失电报警:指示区域的红、黄、绿灯都不亮,设备停机,
蜂鸣器鸣叫持续至少10min。
2.10安全要求
安全要求符合GB 9706.1-2007《医用电气设备第1部分:安全通用要求》、YY 0732-2009《医用氧气浓缩器安全要求》和YY/T 0298-1998 《医用分子筛制氧设备通用技术规范》的要求;产品安全特性见附录A。
(注:本技术要求只要求对医用分子筛制氧机的电气控制部分进行潮湿预处理试验。
)
2.11环境试验要求
应符合GB/T 14710-2009《医用电气设备环境要求及试验方法》表A1及附录B 的规定。
(注:本技术要求只要求对医用分子筛制氧机的电气控制部分进行环境试验。
)
2.12部件及产品气超温要求
2.12.1正常使用中可能无意间与患者接触的设备部件,如设备金属前面板,温度不应超过+50℃,非金属机箱,温度不应超过+60℃。
2.12.2正常运行时,氧气出口处的气体温度,不应超过环境温度6℃以上。
2.13运行时间指示器
配有用小时表示总运行时间的不可归零的时间指示器。
2.14听觉指示器
听觉指示器为蜂鸣器,发出鸣叫的声调,明显不同于产品正常运行期间发出的声音。