某阶梯轴零件的机械加工工艺过程卡片
- 格式:docx
- 大小:57.32 KB
- 文档页数:3
仲恺农业工程学院机械加工工序卡片产品型号零件图号产品名称零件名称阶梯轴共 1 页第 1 页车间工序号工序名称材料牌号金工车削45毛坯种类毛坯外形尺寸每毛坯可制件数每台件数棒料44.5 210。
5设备名称设备型号设备编号同时加工件数普通车床C616夹具编号夹具名称切削液三爪卡盘工位器具编号工位器具名称工序工时(分)准终单件工步号工步内容工艺装备主轴转速切削速度进给量切削深度进给次数工步工时r/min mm/min mm/r mm 机动辅助1 热处理正火2 粗车端面,并钻中心孔毛坯外圆YT15车刀1000 105 0.4 0.75 1 6.03 半精端面YT15车刀1200 105 0.4 0.75 1 6.04 粗车φ25+0.034-0.034YT15车刀1000 105 0.4 1.1 1 6.05 粗车φ30+0.015-0.002YT15车刀1000 105 0.4 1.1 1 6.26 粗车φ400-0.039YT15车刀1000 105 0.4 1.1 1 8.77 粗车φ30+0.015-0.002YT15车刀1000 105 0.4 1.1 1 6.28 粗车φ25+0.034-0.034YT15车刀1000 105 0.4 1.1 1 6.09 热处理调质处理10 钳工修研中心孔11 半精车φ25+0.034-0.034YT15车刀1200 130 0.3 0.325 1 6.012 半精车φ30+0.015-0.002YT15车刀1200 130 0.3 0.65 1 6.2精品文档精品文档。
任务1 阶梯轴类零件加工1、教学目标最终目标:会阶梯轴类零件加工。
促成目标:(1)能分析阶梯轴类零件的工艺与技术要求;(2)会拟定阶梯轴加工工艺;(3)会正确使用游标卡尺、千分尺;(4)牢记安全文明生产规范要求。
2、工作任务按工艺完成图1-1所示阶梯轴加工。
图1-1 阶梯轴 3、相关实践知识 轴类零件是机械结构中用于传递运动和动力的重要零件之一,其加工质量直接影响到机械的使用性能和运动精度。
轴类零件的主要表面是外圆,车削是外圆加工的主要方法。
3.1 选择车刀、车床和工件安装方式3.1.1车刀类型与选用(1)车刀的类型;车刀是金属切削加工中应用最广的一种刀具,它可在各种类型的车床上加工外圆、内孔、倒角、切槽与切断、车螺纹以及其它成形面。
车刀的类型很多,既可按用途可分,也可按刀具材料,还可按结构分。
按用途可大致分:偏刀——以90°偏刀居多,如图1-2a ,用来车削外圆、台阶、端面。
由于主偏角大,,切削时产生的背向切削力小,故很适宜车细长的轴类工件弯头刀——以45°弯头刀最为常见,如图1-2b ,用来车削外圆、端面、倒角。
完成上述技术要求调质处理HBS217~255。
零件名称:传动轴 材料45生产类型:小批加工表面不需转刀架,也不用换刀,可减少辅助时间,提高生产效率。
切断刀(切槽刀)——如图1-2c ,用来切断工件或在工件上加工沟槽。
镗刀——如图1-2d ,用来加工内孔。
圆头刀——如图1-2e ,用来车削工件台阶处的圆角和圆弧槽。
螺纹车刀——如图1-2f ,用来车削螺纹。
除此之外,还有端面车刀、直头外圆车刀和成形车刀等等。
图1-2 车刀种类按材料分:整体式高速钢车刀——如图1-3,这种车刀刃磨方便,刀具磨损后可以多次重磨。
但刀杆也为高速钢材料,造成刀具材料的浪费。
刀杆强度低,当切削力较大时,会造成破坏。
一般用于较复杂成形表面的低速精车。
硬质合金焊接式车刀——如图1-4所示,这种车刀是将一定形状的硬质合金刀片钎焊在刀杆的刀槽内制成的。
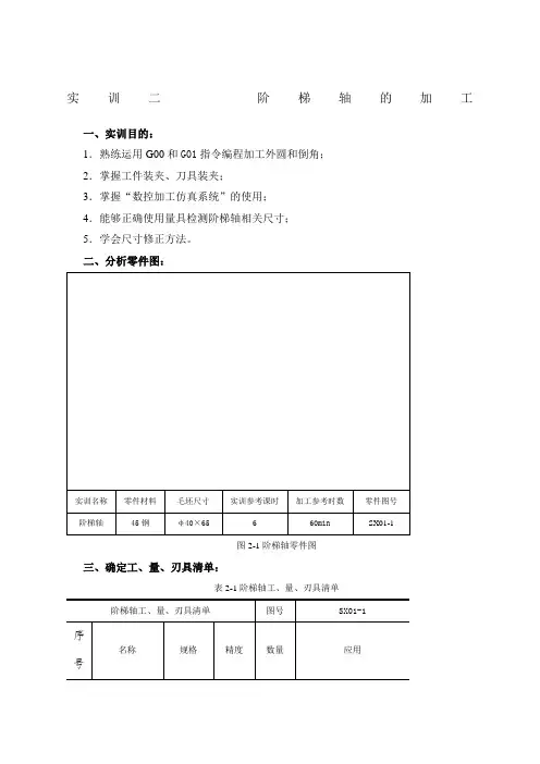
实训二阶梯轴的加工一、实训目的:1.熟练运用G00和G01指令编程加工外圆和倒角;2.掌握工件装夹、刀具装夹;3.掌握“数控加工仿真系统”的使用;4.能够正确使用量具检测阶梯轴相关尺寸;5.学会尺寸修正方法。
二、分析零件图:图2-1阶梯轴零件图三、确定工、量、刃具清单:表2-1阶梯轴工、量、刃具清单四、确定数控加工工艺表2-2阶梯轴数控加工工艺表五、数控加工参考程序单表2-3阶梯轴数控加工参考程序单程序号:O001N380 N390 N400;G00 ;M30;程序结束六、实训步骤1.数控仿真训练(1)开机进入“数控加工仿真系统”①在WINDOWS界面下:“开始/程序/数控加工仿真系统”,进入如图1-2所示界面。
②单击“快速登录”,进入数控加工仿真界面(见图2-3)。
图2-2 仿真软件登录示意图图2-3数控加工仿真界面(2)选择机床①单击下拉菜单“机床/选择机床…”(图2-4),进入“选择机床”对话框(图2-5)图2-4下拉菜单②在“选择机床”对话框中(图2-5)1)控制系统:选择“FANUC”;2)机床类型:选择“车床”;3)厂家及型号:选择“标准(平床身前置刀架)”;4)按“确定”按钮。
进入FANUC-0i系统操作面板界面(图2-6)。
图2-5 选择机床对话框图2-6 FANUC-0i系统操作面板界面(3)机床开机、回参考点①单击启动按钮,机床电机和伺服控制的指示灯变亮。
②检查急停按钮是否松开至状态,若未松开,单击急停按钮,将其松开。
③检查操作面板上回原点指示灯是否亮,若指示灯亮,则已进入回原点模式;若指示灯不亮,则单击按钮,转入回原点模式。
④在回原点模式下:1)单击控制面板上的按钮,使X轴方向移动指示灯变亮,单击,此时X轴将回原点,X轴回原点灯变亮,CRT上的X坐标变为“”。
2)单击Z轴方向移动按钮,使Z轴方向指示灯变亮,单击,此时Z轴将回原点,Z轴回原点灯变亮,。
CRT上的X坐标变为“”此时CRT界面如图1-7所示。
仲恺农业工程学院机械加工工序卡片产品型号零件图号产品名称零件名称阶梯轴共 1 页第 1 页车间工序号工序名称材料牌号金工车削45毛坯种类毛坯外形尺寸每毛坯可制件数每台件数棒料44.5 210。
5设备名称设备型号设备编号同时加工件数普通车床C616夹具编号夹具名称切削液三爪卡盘工位器具编号工位器具名称工序工时(分)准终单件工步号工步内容工艺装备主轴转速切削速度进给量切削深度进给次数工步工时r/min mm/min mm/r mm 机动辅助1 热处理正火2 粗车端面,并钻中心孔毛坯外圆YT15车刀1000 105 0.4 0.75 1 6.03 半精端面YT15车刀1200 105 0.4 0.75 1 6.04 粗车φ25+0.034-0.034YT15车刀1000 105 0.4 1.1 1 6.05 粗车φ30+0.015-0.002YT15车刀1000 105 0.4 1.1 1 6.26 粗车φ400-0.039YT15车刀1000 105 0.4 1.1 1 8.77 粗车φ30+0.015-0.002YT15车刀1000 105 0.4 1.1 1 6.28 粗车φ25+0.034-0.034YT15车刀1000 105 0.4 1.1 1 6.09 热处理调质处理10 钳工修研中心孔11 半精车φ25+0.034-0.034YT15车刀1200 130 0.3 0.325 1 6.012 半精车φ30+0.015-0.002YT15车刀1200 130 0.3 0.65 1 6.2。
阶梯轴加工工艺过程引言阶梯轴在机械工程中起着重要的作用,广泛应用于各种工业领域。
阶梯轴加工工艺过程是指通过一系列的工艺步骤将原料加工成阶梯状的轴,以满足设计要求。
本文将详细介绍阶梯轴加工工艺过程的各个环节,包括材料选择、加工工艺优化、精确测量等。
材料选择在阶梯轴加工工艺过程中,材料选择是非常重要的一步。
材料的性能将直接影响最终产品的质量和使用寿命。
常用的阶梯轴材料包括碳钢、合金钢、不锈钢等。
在选择材料时,需要考虑以下几个方面:1.强度要求:根据设计要求确定所需的材料强度,以确保阶梯轴能够承受预期的载荷。
2.耐磨性:阶梯轴通常会接触到摩擦面,因此需要选择具有良好耐磨性的材料,以延长产品的使用寿命。
3.加工性能:材料的加工性能也是选择的重要考虑因素之一。
需要选择易于切削加工和热处理的材料,以便进行后续工艺步骤。
加工工艺优化加工工艺优化是确保阶梯轴加工质量和效率的关键环节。
通过优化加工工艺,可以减少加工时间、降低成本,提高产品的质量。
以下是一些常用的加工工艺优化方法:1.刀具选择:根据阶梯轴的设计要求和材料特性,选择合适的刀具进行加工。
选用合适的刀具可以降低切削力和切削温度,减少刀具磨损。
2.加工路径规划:通过合理规划加工路径,减少刀具空走时间和重复移动,提高加工效率。
合理的加工路径还能够减少切削震动,提高加工精度。
3.切削参数设置:根据不同材料的性质和加工要求,设置合适的切削参数,如切削速度、进给量和切削深度等。
合适的切削参数可以减少加工时间,并保证加工质量。
4.冷却润滑剂的使用:在加工过程中适当使用冷却润滑剂,可以降低切削温度,减少切削力和切削热,延长刀具寿命。
精确测量精确测量是保证阶梯轴加工质量的关键环节。
通过精确测量,可以确保产品尺寸和几何形状的准确性。
以下是一些常用的精确测量方法:1.比较测量:使用游标卡尺、千分尺等工具进行尺寸的比较测量。
将测量结果与设计要求进行比较,判断是否符合要求。
2.CMM测量:使用三坐标测量机进行精确测量。
典型零件加工工艺(轴类,箱体类,齿轮类等)轴类零件的一. 轴类零件的分类、技术要求轴是机械加工中常见的典型零件之一。
它在机械中主要用于支承齿轮、带轮、凸轮以及连杆等传动件,以传递扭矩。
按结构形式不同,轴可以分为阶梯轴、锥度心轴、光轴、空心轴、曲轴、凸轮轴、偏心轴、各种丝杠等.根据轴类零件的功用和工作条件,其技术要求主要在以下方面:⑴尺寸精度轴类零件的主要表面常为两类:一类是与轴承的内圈配合的外圆轴颈,即支承轴颈,用于确定轴的位置并支承轴,尺寸精度要求较高,通常为IT 5~IT7;另一类为与各类传动件配合的轴颈,即配合轴颈,其精度稍低,常为IT6~IT9。
⑵几何形状精度主要指轴颈表面、外圆锥面、锥孔等重要表面的圆度、圆柱度。
其误差一般应限制在尺寸公差范围内,对于精密轴,需在零件图上另行规定其几何形状精度。
⑶相互位置精度包括内、外表面、重要轴面的同轴度、圆的径向跳动、重要端面对轴心线的垂直度、端面间的平行度等。
⑷表面粗糙度轴的加工表面都有粗糙度的要求,一般根据加工的可能性和经济性来确定。
支承轴颈常为0.2~1.6μm,传动件配合轴颈为0.4~3.2μm。
⑸其他热处理、倒角、倒棱及外观修饰等要求。
二、轴类零件的材料、毛坯及热处理1.轴类零件的材料⑴轴类零件材料常用45钢,精度较高的轴可选用40Cr、轴承钢GCr15、弹簧钢65Mn,也可选用球墨铸铁;对高速、重载的轴,选用20CrMnTi、20Mn2B、20Cr等低碳合金钢或38CrMoAl氮化钢。
⑵轴类毛坯常用圆棒料和锻件;大型轴或结构复杂的轴采用铸件。
毛坯经过加热锻造后,可使金属内部纤维组织沿表面均匀分布,获得较高的抗拉、抗弯及抗扭强度。
2.轴类零件的热处理锻造毛坯在加工前,均需安排正火或退火处理,使钢材内部晶粒细化,消除锻造应力,降低材料硬度,改善切削加工性能。
调质一般安排在粗车之后、半精车之前,以获得良好的物理力学性能。
表面淬火一般安排在精加工之前,这样可以纠正因淬火引起的局部变形。
第一章机械加工工艺规程设计机械加工工艺规程是规定产品或零部件机械加工工艺过程和操作方法等的工艺文件.它体现了生产规模的大小、工艺水平的高低和解决各种工艺问题的方法和手段.第一节基本概念一.机械产品生产过程与机械加工工艺过程(一)生产过程从原材料到机械产品出厂的全部劳动过程。
包括:1)毛坯的制造2)原材料的运输和保存3)生产准备和技术准备4)零件的机械加工及热处理5)产品的装配、检验、试车、油漆、包装等.直接生产过程:被加工对象的尺寸、形状或性能、位置产生一定的变化。
如:零件的机械加工、热处理、装配等。
间接生产过程:不使加工对象产生直接变化.如:工装夹具的制造、工件的运输、设备的维护等。
(二)机械加工工艺过程是生产过程的一部分,是对零件采用各种加工方法,直接用于改变毛坯的形状、尺寸、表面粗糙度以及力学物理性能,使之成为合格零件的全部劳动过程。
工艺:使各种原材料、半成品成为成品的方法和过程工艺过程:在生产过程中,凡是改变生产对象的形状、尺寸、相对位置和性质等,使其成为成品和半成品的过程。
二.机械加工工艺过程的组成1.工序一个或一组工人,在一台机床或一个工作地点对一个或同时对几个工件所连续完成的那一部分工艺过程。
划分工序的主要依据:工作地点是否改变和加工是否连续完成。
同一零件,同样的加工内容可以有不同的工序安排。
如图1—1所示的阶梯轴的加工:加工内容:1.加工小端面2。
小端面钻中心孔图1-1 阶梯轴3.加工大端面4。
大端面钻中心孔5.车大端外圆6。
对大端倒角7.车小端外圆8.对小端倒角9.精车外圆10.铣键槽11。
去毛刺工序方案1:工序1:加工内容1到9--车床工序2:加工内容10、11—-铣床(手工去毛刺)工序方案2:工序1:加工内容1、2、7、8—加工小端工序2:加工内容3、4、5、6—加工大端工序3:加工内容9 工序4:加工内容10、11工序方案3:工序1:加工内容:1、2、3、4—铣两端面打中心孔工序2:加工内容:5、6、7、8—仿形车外圆、倒角工序3:加工内容:9—精车外圆工序4:加工内容:1—铣键槽工序5:加工内容:11—去毛刺2.安装如果在一个工序中要对工件进行几次装夹,则每次装夹下完成的那部分加工内容称为一个安装。
莱芜职业技术学院《机械制造工艺学》综合实训题目:阶梯轴机械加工工艺规程编制系别:机电工程系专业:机电一体化技术班级:13级高职机电3班姓名:学号:指导教师:成绩:2015年6 月《机械制造工艺学》综合实训任务书2014—2015 学年第二学期机电工程系:机电一体化技术专业2013级高职机电3班课程名称:机械制造工艺学设计题目:轴的加工工艺规程的编制一、设计的主要任务如图所示为减速器输出轴,批量500件,材料45钢。
试编制其加工工艺规程。
二、完成期限:自2015年 6 月15 日至2015 年6 月22 日共1 周指导教师(签字):年月日系(教研室)主任(签字):年月日目录序言 (1)一. 零件的分析 (4)1.1 轴的作用 (4)1.2 轴的工艺分析 (4)1.3 轴的零件图 (5)二、工艺规程设计 (6)2.1确定毛坯的制造形式 (6)2.2定位基准的选择 (6)2.3拟定轴的工艺路线 (7)2.4加工工序的设计 (10)2.5确定切削用量及基本工时 (11)三、机床的设备选择 (12)3.1机床设备选择 (12)3.2工艺设备选用 (12)3.3各工序所用机床、夹具、刀具、量具和辅具 (13)参考文献 (16)零件三维图 (16)工艺卡片 (17)工序卡片 (18)设计总结 (19)序言本课程综合实训是学生在学完机械制造工艺学课程的一个综合性和实践性很强的教学环节,通过实训,能综合运用所学基本理论以及在生产实习中学到的实践知识进行工艺及结构设计的基本训练,掌握机械制造过程中的加工方法、加工装备等基本知识,提高学生分析和解决实际工程问题的能力,为后续课程的学习及今后从事科学研究、工程技术工作打下较坚实的基础。
本次机械制造工艺学综合实训不仅仅能帮助我们利用已学的知识进行设计,还培养了我们自己分析,独立思考的能力。
这次综合性的训练,我在以下几方面得到锻炼:(1)提高结构设计能力。
通过设计零件的训练,获得根据被加工零件的加工要求,设计出高效,省力,经济合理而能保证加工质量的零件的能力。
机械零件加工工艺过程的基本知识在制造生产过程中,因为零件的要乞降生产条件等不一样,其制造工艺方案也不同样。
同样的零件采纳不一样的工艺方案生产时,其生产效率、经济效益也是不同样的。
在保证零件质量的前提下,制定拥有优秀的综合技术经济效益、合理可行的工艺方案的过程称为零件的工艺过程设计。
一、生产过程和工艺过程1.生产过程由设计图纸变为产品,要经过一系列的制造过程。
往常将原资料或半成品转变为为产品所经过的所有过程称作生产过程。
生产过程往常包含:(1)技术准备过程包含产品投产前的市场检查、展望、新产品判定、工艺设计、标准化审察等。
(2)或工艺过程指直接改变原资料半成品的尺寸、形状、表面的互相地点、表面粗拙度或性能,使之成为成品的过程。
比如液态成形、塑变为形、焊接、粉末成形、切削加工、热办理、表面办理、装置等,都属于工艺过程。
将合理的工艺过程编写成用以指导生产的技术文件,这份技术文件称作工艺规程。
(3)协助生产过程指为了保证基本生产过程的正常进行所一定的协助生产活动。
(4)生产服务过程指原资料的组织、运输、保存、储藏、供给及产品包装、销售等过程。
2.工艺过程的构成零件的切削加工工艺过程由很多工序组合而成,每个工序又由工位、工步、走刀和安装构成。
(1)工序指在一台机床上或在同一个工作地址对一个或一组工件连续达成的那部分工艺过程。
区分工序的依照是工作地址能否变化和工作能否连续。
图 2-1 所示阶梯轴的加工工艺过程见表2-1。
表 2 一 1 工序的区分,是由一个人在一台车床上连续达成车两头面、钻两顶尖孔后,便换一个工件加工,重复以上内容,则这部分工艺过程为一个工序。
该人又在同一台车床上连续达成粗车各外圆、半精车各外圆、倒角后,便换一个工件加工,重复以上内容,则这部分工艺过程又为一个工序。
假如是由一个人在一台车床上连续达成车两头面、钻两顶尖孔、粗车各外圆、半精车各外圆、倒角后再换第二个工件重复这些内容,则这部分工艺过程是一个工序,而不是两个工序。
毕业设计题目阶梯轴的加工工艺学生姓名李威学号系部机械工程系专业机械制造与自动化班级 1101 导师姓名黄光裕职称完成时间2014年4月摘要通过此次工艺编制让我们对课本上的知识有了深刻的理解,使我们学到了思考的方法。
1、读懂零件图。
只有通过熟悉和了解了该零件的作用或性能才算是真正读了图纸。
2、熟悉机械加工方法。
比如:车、铣、刨、拉、磨(研、珩)、钳、镗、线切割、放电、挤压、铸造以及热处理等等。
作为工艺规程的编制者,必须对所有的加工方式很熟悉。
3、合理使用工序的集中和分散制。
批量产品时,我们通常采用工序分散制,相反,单件生产时通常采用工序集中制。
4、知识更新要快。
就机械加工而言,日本和德国的重工业发展是让世界瞩目的,我们需要向他们学习和鉴监。
由于知识层次结构有限,报告中难免有许多不足和缺点,望老师予以批评指正,我们会在今后的学习中再接再厉,完善我们的知识结构和制作水平。
关键词:零件图;铸造;热处理;机械加工;目录摘要 (2)设计任务 (3)加工工艺图纸分析 (4)结构及技术条件分析 (8)加工工艺过程分析 (8)(1).确定主要表面加工方法和加工方案 (8)(2).划分加工阶段 (8)(3).选择定位基准 (8)(4).热处理工序的安排 (9)(5).加工顺序安排 (10)总结 (11)参考文献 (12)附录 (13)1 设计任务对于阶梯轴加工工艺有很重要的意义,好的加工工艺能够合理的使用和加工零件,所以对于零件的加工工艺分析很重要。
2 阶梯轴加工工艺图纸分析下图为减速箱传动轴工作图样。
下表为该轴加工工艺过程。
生产、批量为小批生产,材料为45热轧圆钢,零件需调质。
3.结构及技术条件分析该轴为没有中心通孔的多阶梯轴。
根据该零件工作图,其轴颈M、N,外圆P,Q及轴肩G、H、I有较高的尺寸精度和形状位置精度,并有较小的表面粗糙度值,该轴有调质热处理要求。
4.加工工艺过程分析1.确定主要表面加工方法和加工方案。
任务1 阶梯轴类零件加工图1-1 阶梯轴 3、相关实践知识 轴类零件是机械结构中用于传递运动和动力的重要零件之一,其加工质量直接影响到机械的使用性能和运动精度。
轴类零件的主要表面是外圆,车削是外圆加工的主3.2 拟定加工工艺(2课时)如图1-1为某传动轴,从结构上看,是一个典型的阶梯轴,工件材料为45,生产纲领为小批或中批生产,调质处理220~350HBS 。
3.2.1分析阶梯轴的结构和技术要求该轴为普通的实心阶梯轴,轴类零件一般只有一个主要视图,主要标注相应的尺寸和技术要求,而其它要素如退刀槽、键槽等尺寸和技术要求标注在相应的剖视图。
轴颈和装传动零件的配合轴颈表面,一般是轴类零件的重要表面,其尺寸精度、形状精度(圆度、圆柱度等)、位置精度(同轴度、与端面的垂直度等)及表面粗糙度要求均较高,是轴类零件机械加工时,应着重保障的要素。
如图1-1所示的传动轴,轴颈M 和N 处是装轴承的,各项精度要求均较高,其尺寸为Ф35js6(±0.008),且是其它表面的基准,因此是主要表面。
配合轴颈Q 和P 处是安装传动零件的,与基准轴颈的径向圆跳动公差为0.02(实际上是与M 、N 的同轴度),公差等级为IT6,轴肩 H 、G 和I 端面为轴向定位面,其要求较高,与基准轴颈的圆跳动公差为0.02(实际上是与M 、N 的轴线的垂直度),也是较重要的表面,同时还有键槽、螺纹等结构要素。
3.2.2明确毛坯状况一般阶梯轴类零件材料常选用45钢;对于中等精度而转速较高的轴可用40Cr ;对于高速、重载荷等条件下工作的轴可选用20Cr 、20CrMnTi 等低碳含金钢进行渗碳淬火,或用38CrMoAIA 氮化钢进行氮化处理。
阶梯轴类零件的毛坯最常用的是圆棒料和锻件。
3.2.3拟定工艺路线;技术要求调质处理HBS217~255。
零件名称:传动轴 材料45生产类型:小批1)确定加工方案轴类在进行外圆加工时,会因切除大量金属后引起残余应力重新分布而变形。
1零件的分析1.1 零件的作用题目给定的零件是阶梯轴。
阶梯轴通过连接两个零件,起到连接、支撑传递动力等一系列作用,在工作中,由于受到弯应力和冲击载荷,因此该零件应具有足够的刚度、强度及韧性。
以适应其工作环境变化。
1.2 零件的工艺分析零件的工艺分析就是通过对零件图纸的分析研究,判断该零件的结构和技术要求是否合理,是否符合工艺性要求。
(1):审查零件图纸通过对该零件图的重新绘制,知原图样的视图正确,完整,尺寸,公差及技术要求齐全。
(2):零件的结构工艺性分析该零件比较简单,没有较复杂的结构和较高的加工要求。
主要的加工有各个外圆表面、端面的车削、磨削等。
各个待加工表面的加工精度和表面粗糙度都不难获得。
零件的材料为45#钢,可锻铸铁生产工艺简单,铸造性能优良,。
该主动阶梯结构比较简单,属典型的轴类零件,为实现其连接与传递动力的功能,加工精度要求较高。
为保证其技术要求,增加耐磨性,对零件进行调质处理,HBS179-229。
1.3 审核阶梯轴的工艺性该零件除主要工作表面加工精度均较低,不需要高精度机床加工,通过车削的粗加工,半精加工,精加工等就可以达到加工要求;而主要工作表面虽然加工精度相对较高,但也可以在正常的生产条件下,采用磨削的方法加工出来。
由此可见,该零件的工艺性较好。
2.确定毛坯并绘制毛坯简图2.1 确定毛坯种类零件材料45#钢,考虑到此零件的工作过程中并有变载荷和冲击性载荷,因此选用锻件,以使金属纤维尽量不被切断,保证零件的工作可靠。
由于生产纲领为中批生产而且零件的尺寸并不很大,且生产类型属大批生产,为提高生产效率和锻件精度,选用模锻方法制造毛坯。
2.2 确定毛坯的尺寸公差和加工余量2.2.1公差等级由于主动阶梯的功用和技术要求,可以确定该零件的公差等级为普通级。
2.2.2锻件质量已知机械加工后阶梯轴的重量为0.8k g,由此可初步估计机械加工前铸件毛坯的重量为1k g。
2.2.3锻件的材质系数由于该主动阶梯材料为45#钢,是碳的质量分数0.42%-0.50%的碳素钢,该铸件的采制系数属M1级。
阶梯轴机械加工工序卡片
工件名称:阶梯轴
工件材料:45#钢
工件尺寸:φ30mm×L120mm
加工要求:表面光洁度Ra0.8,轴径公差±0.01mm,轴长公差±0.5mm
机床:数控车床
刀具:外径切削刀、内径镗刀、车削刀、切断刀
夹具:三弹性夹紧器、圆柱夹紧器
工序:
1. 材料分割
将45#钢材料按工件长度要求分割,并进行精度检查,确保工件长度公差为±0.5mm.
2. 粗加工
将工件夹紧于三弹性夹紧器上,装置于数控车床上,使用车削刀进行粗加工。
粗加工时,应先进行外圆车削,后进行内孔加工,确保工件直径公差为±0.01mm、内孔公差为H7级别。
将工件进行反转,并进行车削刀调整。
使用车削刀加工阶梯轴的肩部。
加工中应保证工件的轴肩公差达到±0.02mm。
5. 精度检验
完成阶梯轴的加工后,进行精度检验。
应检测工件直径、轴长公差是否符合要求。
如若发现不符合要求,在进行调整后,重新进行检验。
6. 抛光处理
将工件进行抛光处理,达到表面光洁度要求Ra0.8。
加工完成后,进行最终检验及包装。
加工中所需注意事项:
1. 数控车床的使用环境应干燥、清洁、避免尘土影响设备正常使用。
2. 加工刀具的保养应定期进行,保证其切削效果及寿命。
3. 夹具的使用应注意夹紧力度是否适当,避免对工件表面造成损伤。
4. 操作人员应熟练运用加工设备及相应技能,保证工件质量。