齿轮机械加工工序卡片
- 格式:doc
- 大小:626.50 KB
- 文档页数:17
机械加工工序卡--模板----419dfce8-7160-11ec-90c9-7cb59b590d7d机械加工工序卡片产品名称:锥齿轮10工序号10工序名称粗车每毛坯可制件数1设备编号1.材料品牌毛坯种类锻件设备名称车床夹具编号每台机器的件数1同时加工的件数16010设备型号CA6140夹具名称三爪卡盘工序工时(分)准终单件工作步骤12工粗车小端端面打孔主轴转速r/min500切削速度m/min15.7进给速度mm/R0 4切削深度mm5.4Step工时移动辅助车刀、游标卡尺设计编号(日期)标记更改文件编号签名日期标记编号更改文件编号签名日期校对(日期)审核(日期)标准化(日期)会签(日期)加工工艺卡产品型号产品名称零件图号零件名称10页第2页材料等级工序名称粗车每毛坯可制件数1设备编号毛坯锻造设备名称车床夹具编号每台件数1同时加工件数16010设备型号ca6140夹具名称操作工时(分钟)准最终件工步号12粗轧机大端面钻孔主轴转速r/min500切割速度M/min 7进给量mm/r0.4切割深度mm3 1工步工时机动辅助游标卡尺车刀设计(日期)标记处数更改文件号签字日期标记处数更改文件号签字日期审核人(日期)审核(日期)标准化(日期)会签(日期)机械加工工序卡片产品型号产品名称零件名称工序号30工序名称粗车第页,共10页材料牌号毛坯锻造设备名称车床夹具编号每毛坯可制件数1设备编号每台机器的件数1同时加工的件数16010设备型号CA6140夹具名称工序工时(分)准终单件粗车削圆柱锥面主轴转速r/min800切割速度M/min 14进给量mm/r0.3切割深度MM1 2工步工时机动辅助设计编号(日期)标记更改文件编号签名日期标记编号更改文件编号签名日期校对(日期)审核(日期)标准化(日期)会签(日期)加工工艺卡产品型号产品名称锥齿轮车间零件图号零件名称工序号40工序名称精车每毛坯可制件数1设备编号每台件数1同时加工件数共10页第4页材料等级坯种类锻件设备名称6010夹具名称切削液操作工时(分钟)准最终件工精车外圆锥面主轴转速r/min800切削速度m/min30.14进给速度mm/R0 1切削深度mm0.1Step工时移动辅助设计(日期)标记处数更改文件号签字日期标记处数更改文件号签字日期审核人(日期)审核(日期)标准化(日期)会签(日期)机械加工工序卡片产品型号产品名称小伞型齿轮车间零件图编号零件名称操作编号50操作名称第5页,共10页材料牌号每件毛坯的工件数量1台设备数量1每套工件数量1同时加工的工件数量1夹具名称切削液毛坯种类锻件设备名称6010工序工时(分)准终单件工作步骤123主轴转速r/min1220800800切割速度M/min38 3120.125.6进给量mm/r0.140.4切割深度mm0玖佰壹拾点五进给次数221Step工时移动辅助粗车ø8外圆粗车ø6外圆粗车ø7.5外圆设计编号(日期)标记更改文件编号签名日期标记编号更改文件编号签名日期校对(日期)审核(日期)标准化(日期)会签(日期)加工工艺卡产品型号产品名称锥齿轮车间零件图号零件名称工序号60工序名称车每毛坯可制件数每台件数共10页第6页材料等级毛坯种类锻件设备名称6010设备型号设备编号同时加工件数夹具名称切削液工序工时(分)准终单件工作步骤12工车退刀槽倒角主轴转速r/min800800切削速度m/min25.620.1进给速度mm/R切削深度mm0.5喂食次数11工步工时机动辅助设计编号(日期)标记更改文件编号签名日期标记编号更改文件编号签名日期校对(日期)审核(日期)标准化(日期)会签(日期)加工工艺卡产品型号产品名称锥齿轮车间零件图号零件名称工序号70工序名称铣每毛坯可制件数1设备编号每台件数1同时加工件数1夹具名称切削液共10页第7页材料等级毛坯种类锻件设备名称6010zbt8216操作工时(分钟)准最终件主轴转速r/min切割速度M/min26九十四进给量mm/r切割深度MM1 7工步工时机动辅助设计编号(日期)标记更改文件编号签名日期标记编号更改文件编号签名日期校对(日期)审核(日期)标准化(日期)会签(日期)加工工艺卡产品型号产品名称零件图号零件名称工艺号80工艺名称每件坯料铣削工件数每套设备工件数1同时加工工件数1夹具名称切削液第8页,共10页材料牌号空白类型锻件设备名称6010铣床夹具编号zbt8216工序工时(分)准终单件主轴转速r/min切削速度m/min进给速度mm/R切削深度mmStep工时移动辅助设计(日期)标记处数更改文件号签字日期标记处数更改文件号签字日期审核人(日期)审核(日期)标准化(日期)会签(日期)机械加工工序卡片产品型号产品名称小伞型齿轮车间零件图号零件名称操作编号90操作名称第9页,共10页材料牌号每个毛坯的工件数量毛坯种类锻件设备名称6010夹具编号夹具名称操作工时(分钟)准最终件主轴转速r/min切割速度M/min进给量mm/r切割深度mm0 1工步工时机动辅助精磨ø8外圆和伞齿轮后平面设计(日期)标记处数更改文件号签字日期标记处数更改文件号签字日期审核人(日期)审核(日期)标准化(日期)会签(日期)机械加工工序卡片产品型号产品名称零件图号零件名称工序号100工序名称共10页第10页材料牌号空白类型每毛坯可制件数1每套的件数16010操作工时(分钟)准最终件主轴转速r/min切割速度M/min进给量mm/r切割深度mm0 1工步工时机动辅助精磨ø6.5外圆及其端面设计(日期)审核人(日期)审核(日期)标准化(日期)会签(日期)标记处数更改文件号签期间标记数更改文件编号。
标记处数更改文件号签字日期标记处数更改文件号签字日期机械加工工序卡片产品型号零件图号A2产品名称减速器零件名称齿轮轴共7 页第 1 页车间工序号工序名称材料牌号1 车45#毛坯种类毛坯外形尺寸每毛坯可制件数每台件数棒料150×Φ42 1 1设备名称设备型号设备编号同时加工件数车床CA6140 1夹具编号夹具名称切削液三爪卡盘乳化液工位器具编号工位器具名称工序工时(分) 准终单件工步号工步容工艺装备主轴转速切削速度进给量切削深度进给次数工步工时r/min m/min mm/r mm 机动辅助用三爪夹盘夹持距工件左端95mm处,车端面见平三爪夹盘,45度偏刀700 50 1 0.5 1打中心孔,用尾架顶尖顶住中心钻、顶尖车倒角45度车刀设计(日期)校对(日期)审核(日期)标准化(日期)会签(日期)标记处数更改文件号签字日期标记处数更改文件号签字日期机械加工工序卡片产品型号零件图号A2产品名称减速器零件名称齿轮轴共7 页第 2 页车间工序号工序名称材料牌号2 车外圆,退刀槽45#毛坯种类毛坯外形尺寸每毛坯可制件数每台件数棒料150×Φ42 1 1设备名称设备型号设备编号同时加工件数车床CA6140 1夹具编号夹具名称切削液三爪卡盘乳化液工位器具编号工位器具名称工序工时(分) 准终单件工步号工步容工艺装备主轴转速切削速度进给量切削深度进给次数工步工时r/min m/min mm/r mm 机动辅助1 粗车外圆至Φ40×590度偏刀700 50 1 1 12 粗车外圆至Φ30×3090度偏刀700 50 1 2 13 粗车外圆至Φ20×3090度偏刀700 50 1 2 14 粗车外圆至Φ15×40 90度偏刀700 50 1 2 15 在28mm处车退刀槽2×2切断刀700 50 1 2 1设计(日期)校对(日期)审核(日期)标准化(日期)会签(日期)标记处数更改文件号签字日期标记处数更改文件号签字日期机械加工工序卡片产品型号零件图号A2产品名称减速器零件名称齿轮轴共7 页第 3 页车间工序号工序名称材料牌号3 换位,钻中心孔45#毛坯种类毛坯外形尺寸每毛坯可制件数每台件数棒料150×Φ42 1 1设备名称设备型号设备编号同时加工件数车床CA6140 1夹具编号夹具名称切削液三爪卡盘工位器具编号工位器具名称工序工时(分) 准终单件工步号工步容工艺装备主轴转速切削速度进给量切削深度进给次数工步工时r/min m/min mm/r mm 机动辅助1 将零件调转,定位夹紧三爪卡盘、顶尖2 车毛坯端面,钻中心孔三爪卡盘、中心钻、45度偏刀700设计(日期)校对(日期)审核(日期)标准化(日期)会签(日期)标记处数更改文件号签字日期标记处数更改文件号签字日期机械加工工序卡片产品型号零件图号A2产品名称减速器零件名称齿轮轴共7 页第 4 页车间工序号工序名称材料牌号4 车外圆,45#毛坯种类毛坯外形尺寸每毛坯可制件数每台件数棒料150×Φ42 1 1设备名称设备型号设备编号同时加工件数车床CA6140 1夹具编号夹具名称切削液三爪卡盘乳化液工位器具编号工位器具名称工序工时(分) 准终单件工步号工步容工艺装备主轴转速切削速度进给量切削深度进给次数工步工时r/min m/min mm/r mm 机动辅助1 粗车外圆至Φ20×3090度偏刀700 50 12 1设计(日期)校对(日期)审核(日期)标准化(日期)会签(日期)标记处数更改文件号签字日期标记处数更改文件号签字日期机械加工工序卡片产品型号零件图号A2产品名称减速器零件名称齿轮轴共7 页第 5 页车间工序号工序名称材料牌号5 铣键槽,45#毛坯种类毛坯外形尺寸每毛坯可制件数每台件数棒料150×Φ42 1 1设备名称设备型号设备编号同时加工件数铣床 1夹具编号夹具名称切削液三爪卡盘乳化液工位器具编号工位器具名称工序工时(分) 准终单件工步号工步容工艺装备主轴转速切削速度进给量切削深度进给次数工步工时r/min m/min mm/r mm 机动辅助1 铣键槽90度偏刀700 50 1 1.5 2设计(日期)校对(日期)审核(日期)标准化(日期)会签(日期)标记处数更改文件号签字日期标记处数更改文件号签字日期机械加工工序卡片产品型号零件图号A2产品名称减速器零件名称齿轮轴共7 页第 6 页车间工序号工序名称材料牌号6 磨,45#毛坯种类毛坯外形尺寸每毛坯可制件数每台件数棒料150×Φ42 1 1设备名称设备型号设备编号同时加工件数磨床 1夹具编号夹具名称切削液顶针乳化液工位器具编号工位器具名称工序工时(分) 准终单件工步号工步容工艺装备主轴转速切削速度进给量切削深度进给次数工步工时r/min m/min mm/r mm 机动辅助1 将车好的阶梯轴用顶尖顶住顶针2 粗磨Φ20轴平行砂轮700 50 1 0.2 13 精磨Φ20轴平行砂轮800 60 1 0.05 1设计(日期)校对(日期)审核(日期)标准化(日期)会签(日期)标记处数更改文件号签字日期标记处数更改文件号签字日期机械加工工序卡片产品型号零件图号A2产品名称减速器零件名称齿轮轴共7 页第7 页车间工序号工序名称材料牌号7 滚齿,45#毛坯种类毛坯外形尺寸每毛坯可制件数每台件数棒料150×Φ42 1 1设备名称设备型号设备编号同时加工件数滚齿机 1夹具编号夹具名称切削液乳化液工位器具编号工位器具名称工序工时(分) 准终单件工步号工步容工艺装备主轴转速切削速度进给量切削深度进给次数工步工时r/min m/min mm/r mm 机动辅助。
工艺过程卡表2 倒档齿轮中批量生产机械加工工艺过程卡片工序过程卡1机械加工工序卡片产品型号零(部)件图号产品名称零(部)件名称倒档齿轮车间工序号工序名称材料牌号3 粗车45#毛坯种类毛坯外形尺寸每毛坯可制件数每台件数锻件 1 1设备名称设备型号设备编号同时加工件数卧式车床CA6140 1夹具编号夹具名称切削液专用夹具工位器具编号工位器具名称工序工时准终单件64工步号工步内容工艺装备主轴转速(r/min)切削速度(m/min)进给量(mm/n)切削深度(mm)进给次数工步工时机动辅助1 粗车Φ76端面高速钢面车刀,麻花钻,扩孔刀450108.60.53 1 22.8描图 2 粗车Φ76外圆柱面及齿厚500 119 0.5 1.5 1 63 粗车Φ40圆柱面1400 159 0.5 1 1 6.5 描校4 粗车Φ105圆柱面及齿厚400 132 0.5 1 1 7.85 粗车Φ105端面320 101.9 0.6 3 2 10 底图卡6 钻Φ18mm孔125 7.85 0.76 100 1437 扩Φ19.8mm孔125 7.7 1.24 100 85 装订号设计日期审核日期标准化日期会签日期标记处数更改文件号签字日期标记处数更改文件号签字日期陈德发07-08 杜道07-08机械加工工序卡片产品型号零(部)件图号产品名称零(部)件名称倒档齿轮1422223机械加工工序卡片产品型号 零(部)件图号产品名称倒档齿轮零(部)件名称 倒档齿轮车 间 工 序 号工序名称 材料牌号 5 半精车 45# 毛坯种类 毛坯外形尺寸每毛坯可制件数每台件数锻件 1 1 设备名称 设备型号 设备编号同时加工件数卧式车床CA61401 夹 具 编 号夹 具 名 称 切 削 液专用夹具 工位器具编号工位器具名称工序工时 准 终 单 件146 工步号 工 步 内 容 工 艺 装 备主轴转速 (r/min ) 切削速度(m/min) 进给量(mm/n) 切削深度(mm) 进给次数工步工时(s )机动辅助1.半精车φ76外圆柱面至φ76mm及齿厚15mmW18C r 4V 车刀,游标卡尺710 185 0.3 0.55 1 4.8 描 图 2. 半精车φ40外圆柱面至φ40mm 1400 197 0.25 0.5 1 13.2 3 半精车φ105外圆柱面至φ105mm 及齿厚15mm 500 159.4 0.3 1 1 6.6s 描校底图卡设计日期审核日期标准化日期会签日期标记处数更改文件号签 字日 期标记处数更改文件号签 字日 期机械加工工序卡片产品型号 零(部)件图号产品名称零(部)件名称 倒档齿轮车 间 工 序 号工序名称 材料牌号 7 滚齿 45# 毛坯种类 毛坯外形尺寸每毛坯可制件数每台件数锻件 1 1 设备名称 设备型号 设备编号同时加工件数齿轮滚床Y32b1 夹 具 编 号夹 具 名 称 切 削 液专用夹具 工位器具编号工位器具名称工序工时 准 终 单 件10 工步号 工 步 内 容工 艺 装 备主轴转速 (r/min ) 切削速度(m/min) 进给量(mm/n) 切削深度(mm)进给次数工步工时机动辅助1.滚齿Z=17,m=4留剃余量Z=0.06mm 滚齿刀50 25 1.5 17 3 30 描 图 2 滚齿Z=19,m=5,剃余量Z=0.1mm6030 1.5 16.5 3 35 描校 底图卡设计日期 审核日期标准化日期会签日期标记处数更改文件号签 字日 期标记 处数 更改文件号签字 日 期2222224。
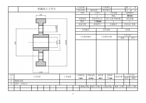
机械加工工序卡产品名称产品图号第 1 页零件名称圆柱齿轮零件图号共13 页车间工序号工序名称材料牌号1 铸造HT200毛坯种类毛坯外形尺寸每个毛坯可制件数每台件数铸件Φ330x108 1 1设备名称设备型号设备编号同时加工件数夹具编号夹具名称工作液工位器具编号工位器具名称工序工时准终单件工步号工步内容工艺装备主轴转速r/min切削速度m/min进给量mm/r切削深度mm进给次数工步工时机动辅助1 铸造毛坯. . . 资料. .2 清沙,去浇注口编制(日期) 校对(日期)审核(日期) 批准(日期)会签(日期)标记处数更改文件号签字日期标记处数更改文件号签字日期机械加工工序卡产品名称产品图号第 3 页零件名称圆柱齿轮零件图号共13页车间工序号工序名称材料牌号3 扩孔HT200毛坯种类毛坯外形尺寸每个毛坯可制件数每台件数铸件Φ330x108 1 1设备名称设备型号设备编号同时加工件数钻床ZK5215 1夹具编号夹具名称工作液工位器具编号工位器具名称工序工时准终单件. . . 资料. .工步号工步内容工艺装备主轴转速r/min切削速度m/min进给量mm/r切削深度mm进给次数工步工时机动辅助1 轮辐孔扩至Φ50mm扩孔刀89 5.6 0.6 1 12 扩中心孔至Φ78mm扩孔刀97 6.3 0.8 1 1编制(日期) 校对(日期)审核(日期) 批准(日期)会签(日期)标记处数更改文件号签字日期标记处数更改文件号签字日期机械加工工序卡产品名称产品图号第 4 页零件名称圆柱齿轮零件图号共13 页车间工序号工序名称材料牌号4 拉孔HT200毛坯种类毛坯外形尺寸每个毛坯可制件数每台件数铸件Φ330x108 1 1设备名称设备型号设备编号同时加工件数拉床LYK6115夹具编号夹具名称工作液工位器具编号工位器具名称工序工时准终单件. . . 资料. .工步号工步内容工艺装备主轴转速r/min切削速度m/min进给量mm/r切削深度mm进给次数工步工时机动辅助1 拉中心孔至Φ80mm 拉刀15 0.32 1编制(日期) 校对(日期)审核(日期) 批准(日期)会签(日期)标记处数更改文件号签字日期标记处数更改文件号签字日期机械加工工序卡产品名称产品图号第 5 页零件名称圆柱齿轮零件图号共13 页车间工序号工序名称材料牌号5 粗车HT200毛坯种类毛坯外形尺寸每个毛坯可制件数每台件数铸件Φ330x108 1 1设备名称设备型号设备编号同时加工件数. . . 资料. .. . . 资料. .零件名称圆柱齿轮零件图号共13页车间工序号工序名称材料牌号6 半精车HT200 毛坯种类毛坯外形尺寸每个毛坯可制件数每台件数锻件Φ330x108 1 1设备名称设备型号设备编号同时加工件数车床CAK6136夹具编号夹具名称工作液工位器具编号工位器具名称工序工时准终单件工步号工步内容工艺装备主轴转速r/min切削速度m/min进给量mm/r切削深度mm进给次数工步工时机动辅助1 半精车外圆至Φ325mm,并倒角YT15车刀600 150 0.3 0.2 5. . . 资料. .编制(日期) 校对(日期)审核(日期) 批准(日期)会签(日期)标记处数更改文件号签字日期标记处数更改文件号签字日期机械加工工序卡产品名称产品图号第7 页零件名称圆柱齿轮零件图号共13 页车间工序号工序名称材料牌号7 滚齿HT200毛坯种类毛坯外形尺寸每个毛坯可制件数每台件数铸件Φ330x108 1 1设备名称设备型号设备编号同时加工件数齿轮滚床YK38夹具编号夹具名称工作液工位器具编号工位器具名称工序工时准终单件工步号工步内容工艺装备主轴转速r/min切削速度m/min进给量mm/r切削深度mm进给次数工步工时机动辅助. . . 资料. .1 滚齿m=5mm,z=63,α=20°滚齿刀50 2.5 1.5 1 3编制(日期) 校对(日期)审核(日期) 批准(日期)会签(日期)标记处数更改文件号签字日期标记处数更改文件号签字日期机械加工工序卡产品名称产品图号第8 页零件名称圆柱齿轮零件图号共13 页车间工序号工序名称材料牌号8 插HT200 毛坯种类毛坯外形尺寸每个毛坯可制件数每台件数铸件Φ330x108 1 1设备名称设备型号设备编号同时加工件数插床夹具编号夹具名称工作液工位器具编号工位器具名称工序工时准终单件. . . 资料. .工步号工步内容工艺装备主轴转速r/min切削速度m/min进给量mm/r切削深度mm进给次数工步工时机动辅助1 插键槽22+0.026插刀100 10 1 1 5编制(日期) 校对(日期)审核(日期) 批准(日期)会签(日期)标记处数更改文件号签字日期标记处数更改文件号签字日期机械加工工序卡产品名称产品图号第12 页零件名称圆柱齿轮零件图号共13 页车间工序号工序名称材料牌号12 倒角HT200毛坯种类毛坯外形尺寸每个毛坯可制件数每台件数铸件Φ330x108 1 1设备名称设备型号设备编号同时加工件数珩齿机YK5714夹具编号夹具名称工作液工位器具编号工位器具名称工序工时准终单件. . . 资料. .工步号工步内容工艺装备主轴转速r/min切削速度m/min进给量mm/r切削深度mm进给次数工步工时机动辅助1 珩齿至IT7图纸要求珩刀300 10 0.2 0.05 2编制(日期) 校对(日期)审核(日期) 批准(日期)会签(日期)标记处数更改文件号签字日期标记处数更改文件号签字日期机械加工工序卡产品名称产品图号第11 页零件名称圆柱齿轮零件图号共13 页车间工序号工序名称材料牌号11 磨孔HT200毛坯种类毛坯外形尺寸每个毛坯可制件数每台件数铸件Φ330x108 1 1设备名称设备型号设备编号同时加工件数钻床ZK5215夹具编号夹具名称工作液工位器具编号工位器具名称工序工时准终单件. . . 资料. .工步号工步内容工艺装备主轴转速r/min切削速度m/min进给量mm/r切削深度mm进给次数工步工时机动辅助1 推中心孔至精度要求IT7推刀600 0.01 1 1 1编制(日期) 校对(日期)审核(日期) 批准(日期)会签(日期)标记处数更改文件号签字日期标记处数更改文件号签字日期机械加工工序卡产品名称产品图号第10 页零件名称圆柱齿轮零件图号共11 页车间工序号工序名称材料牌号10 磨齿HT200毛坯种类毛坯外形尺寸每个毛坯可制件数每台件数铸件Φ330x108 1 1设备名称设备型号设备编号同时加工件数剃齿机YWA4332夹具编号夹具名称工作液工位器具编号工位器具名称工序工时准终单件. . . 资料. .. . . 资料. .机械加工工序卡产品名称产品图号第13 页零件名称圆柱齿轮零件图号共13 页车间工序号工序名称材料牌号13 检验HT200毛坯种类毛坯外形尺寸每个毛坯可制件数每台件数铸件Φ330x108 1 1设备名称设备型号设备编号同时加工件数夹具编号夹具名称工作液工位器具编号工位器具名称工序工时准终单件工步号工步内容工艺装备主轴转速r/min切削速度m/min进给量mm/r切削深度mm进给次数工步工时机动辅助1 按图样检查各部分精度专用量具. . . 资料. .. . . 资料. .. . . 资料. .. . . 资料. .。
机械加工工艺过程卡片机械加工工艺过程卡片产品型号零(部)件图号产品名称旋耕机零(部)件名称犁刀变速齿轮箱体共 1 页第 1 页材料HT200 毛坯种类铸件毛坯外型尺寸177mm×168mm×150mm每毛坯可制件数 1 每个件数 1 备注工序号工序名称工序内容车间工段设备工艺装备工时准终单件1 铸造铸2 时效热3 涂底漆表4 粗铣N面,钻扩铰2-Φ10F9至Φ9F9,孔口倒角1×45°,钻4-Φ13 金工TH6350 铣N面及孔的夹具222 3.6955 粗铣R面及Q面,粗镗2-Φ80孔,空口倒角1×45°金工TH6350 铣R、Q面及孔夹具189 3.1446 精铣N面,精扩铰2-Φ10F9孔,并提高至2-Φ10F7 金工TH6350 铣N面及孔的夹具63 1.0477 精铣R面及Q面,精镗2-Φ80H7孔,钻8-M12螺纹底孔,孔口倒角1×45°,钻扩铰2-Φ8N8,孔口倒角1×45°,攻螺纹8-M12-6H金工TH6350 铣R、Q面及孔夹具515 8.5688 铣凸台面钻Φ20孔,扩铰SΦ30H9球形孔,钻4-M6螺纹底孔,孔口倒角1×45,攻螺纹4-M6-6H金工KT1300V 铣凸台及孔夹具188 3.129 锪4-Φ22平面金工KT1300V 锪平面4—Φ22夹具30 0.49910 检验质检11 入库设计(日期)审核(日期)标准化(日期)会签(日期)标记处数更改文件号签字日期标记处数更改文件号签字日期40机械加工工序卡片机械加工工序卡片产品型号零(部)件图号 1产品名称旋耕机零(部)件名称犁刀变速齿轮箱体共 6 页第 1 页车间工序号工序名称材料金工 4粗铣N面以及钻扩铰其上的孔HT200毛坯种类毛坯外形尺寸每毛坯可制件数每台件数铸件177×168×150 1 1设备名称设备型号设备编号同时加工件数卧式加工中心TH6350 10 1夹具编号夹具名称切削液1 铣N面及孔的夹具乳化液工位器具编号工位器具名称工序工时准终单件1 运转小车222 3.695工步号工步内容工艺装备主轴转速r/min切削速度m/min进给量mm/r切削深度mm进给次数工步工时机动辅助1 粗铣N面160mm的可转位三面刃铣刀150 75.36 0.2 3.5 1 0.64 0.222 钻2-Φ10F9至Φ8.8H9 Φ8.8mm扩孔钻1000 22 0.3 3.5 1 0.1 0.373 扩2-Φ10F9至Φ9F9 Φ9F9孔铰刀400 11 0.3 0.9 1 0.22 0.334 铰2-Φ10F9至Φ9F9,孔口倒角1×45°Φ9F9孔铰刀600 16.9 0.3 0.1 1 0.14 0.635 钻4-Φ13 Φ13锥柄麻花钻600 24.40 0.4 6.5 1 0.44 0.605设计(日期)审核(日期)标准化(日期)会签(日期)标记处更改文件号签字日期标记处数更改文件号签字日期41机械加工工序卡片机械加工工序卡片产品型号零(部)件图号 2产品名称旋耕机零(部)件名称犁刀变速齿轮箱体共 6 页第 2 页车间工序号工序名称材料金工 5粗铣R、Q面以及粗镗2-φ80的孔HT200毛坯种类毛坯外形尺寸每毛坯可制件数每台件数铸件177×168×150 1 1设备名称设备型号设备编号同时加工件数卧式加工中TH6350 10 1夹具编号夹具名称切削液2 铣R、Q面及孔夹具乳化液工位器具编号工位器具名称工序工时准终单件1 运转小车189 3.144工步号工步内容工艺装备主轴转速r/min切削速度m/min进给量mm/r切削深度mm进给次数工步工时机动辅助1 粗铣R面及Q面Φ160mmC类可转位面铣刀118 59.283 0.23 1 1.2 0.242 粗镗2-Φ80孔,空口倒角1×45°镗通孔镗刀2.25mm 96 24 0.2 2.75 1 1.42 0.28设计(日期)审核(日期)标准化(日期)会签(日期)标记处更改文件号签字日期标记处数更改文件签字日期42机械加工工序卡片机械加工工序卡片产品型号零(部)件图号 3产品名称联轴器零(部)件名称犁刀变速齿轮箱体共 6 页第 3 页车间工序号工序名称材料金工 6精铣N面及其表面的孔HT200毛坯种类毛坯尺寸大小每毛坯可制件数每台件数铸件177×168×150 1 1设备名称设备型号设备编号同时加工件数卧式加工中心TH6350 10 1夹具编号夹具名称切削液1 铣N面及孔的夹具乳化液工位器具编号工位器具名称工序工时准终单件1 运转小车63 1.047工步号工步内容工艺装备主轴转速r/min切削速度m/min进给量mm/r切削深度mm进给次数工步工时机动辅助1 精铣N面Φ200可转位面铣刀300 120 0.5 1.5 1 0.107 0.222 精扩2-Φ10F9孔,并提高至2-Φ10F7 Φ10扩孔钻400 11 0.3 0.9 1 0.25 0.053 精铰2-Φ10F9孔,并提高至2-Φ10F7 Φ10F7孔铰刀200 6.28 0.1 0.1 1 0.3 0.12设计(日期)审核(日期)标准化(日期)会签(日期)标记处更改文件号签字日期标记处数更改文件号签字日期43机械加工工序卡片机械加工工序卡片产品型号零(部)件图号 4产品名称联轴器零(部)件名称犁刀变速齿轮箱体共 6 页第 4 页车间工序号工序名称材料金工7精铣R、Q面和精镗2-φ80的孔以及孔外表面的孔HT200毛坯种类毛坯尺寸大小每毛坯可制件数每台件数铸件177×168×150 1 1设备名称设备型号设备编号同时加工件数卧式加工中心TH6350 10 1夹具编号夹具名称切削液2 铣R、Q面及孔夹具乳化液工位器具编号工位器具名称工序工时准终单件1 运转小车515 8.568工步号工步内容工艺装备主轴转速r/min切削速度m/min进给量mm/r切削深度mm进给次数工步工时机动辅助1 精铣R面及Q面专用铣夹具300 111.1 0.5 4 1 0.6 0.122 精镗2-Φ80H7孔Φ160mmC类可转位面铣刀287 72 0.12 0.25 1 1.74 0.3483 钻8-M12螺纹底孔,孔口倒角1×45°专用钻夹具630 20 0.3 5.1 1 0.8 0.164 钻2-Φ8N8 Φ8麻花钻1010 22.2 0.3 3.5 1 1.33 0.2665 扩2-Φ8N8 Φ8扩孔钻450 11.1 0.3 0.45 1 0.9 0.186 铰2-Φ8N8,孔口倒角1×45°Φ8铰孔刀620 15.6 0.3 0.05 1 0.8 0.167 攻螺纹8-M12-6H Φ12丝锥125 4.7 1.75 1 0.72 0.144设计(日期)审核(日期)标准化(日期)会签(日期)标记处更改文件号签字日期标记处数更改文件号签字日期44机械加工工序卡片机械加工工序卡片产品型号零(部)件图号 5产品名称旋耕机零(部)件名称犁刀变速齿轮箱体共 6 页第 5 页车间工序号工序名称材料金工9 凸台面及孔钻,攻螺纹HT200毛坯种类毛坯尺寸大小每毛坯可制件数每台件数铸件177×168×150 1 1设备名称设备型号设备编号同时加工件数立式加工中心KT1300V 20 1夹具编号夹具名称切削液3 铣凸台及孔夹具乳化液工位器具编号工位器具名称工序工时准终单件1 运转小车188 3.12工步号工步内容工艺装备主轴转速r/min切削速度m/min进给量mm/r切削深度mm进给次数工步工时机动辅助1 铣凸台面Φ63莫氏锥柄铣刀440 25.12 0.32 1 0.22 0.0442 扩SΦ30H9球形孔至SΦ29.4H10Φ29.4球形扩孔钻135 12.56 1.1 4.7 1 0.15 0.333 铰SΦ30H9球形孔Φ30H9球形铰孔刀125 11.78 1.5 0.3 1 0.48 0.964 钻4-M6螺纹底孔,孔口倒角1×45 Φ6锥柄麻花钻1800 33.9 0.13 1 0.228 0.0465 攻螺纹Φ6丝锥500 1.9 1 1 0.528 0.156设计(日期)审核(日期)标准化(日期)会签(日期)标记处更改文件号签字日期标记处数更改文件号签字日期45机械加工工序卡片机械加工工序卡片产品型号零(部)件图号 6产品名称旋耕机零(部)件名称犁刀变速齿轮箱体共 6 页第 6 页车间工序号工序名称材料金工10 锪4-φ22平面HT200毛坯种类毛坯尺寸大小每毛坯可制件数每台件数铸件177×168×150 1 1设备名称设备型号设备编号同时加工件数立式加工中心KT1300V20 1夹具编号夹具名称切削液4 锪平面4—Φ22夹具乳化液工位器具编号工位器具名称工序工时准终单件1 运转小车30 0.499工步号工步内容工艺装备主轴转速r/min切削速度m/min进给量mm/r切削深度mm进给次数工步工时机动辅助1 锪4-Φ22平面Φ22可换导柱平底锪孔钻260 18 0.12 4.5 1 0.416 0.083设计(日期)审核(日期)标准化(日期)会签(日期)标记处数更改文件号签字日期标记处数更改文件号签字日期4647。
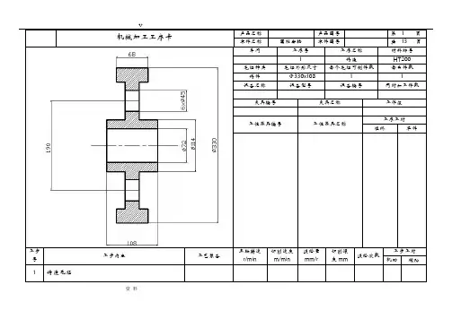
机械加工工序卡产品名称产品图号第 1 页零件名称圆柱齿轮零件图号共13 页车间工序号工序名称材料牌号1 铸造HT200毛坯种类毛坯外形尺寸每个毛坯可制件数每台件数铸件Φ280x80 1 1设备名称设备型号设备编号同时加工件数夹具编号夹具名称工作液工位器具编号工位器具名称工序工时准终单件工步号工步内容工艺装备主轴转速r/min切削速度m/min进给量mm/r切削深度mm进给次数工步工时机动辅助1 铸造毛坯2 清沙,去浇注口编制(日期) 校对(日期)审核(日期) 批准(日期)会签(日期)标记处数更改文件号签字日期标记处数更改文件号签字日期机械加工工序卡产品名称产品图号第 3 页零件名称圆柱齿轮零件图号共13页车间工序号工序名称材料牌号3 扩孔HT200毛坯种类毛坯外形尺寸每个毛坯可制件数每台件数铸件Φ280x80 1 1设备名称设备型号设备编号同时加工件数钻床ZK5215 1夹具编号夹具名称工作液工位器具编号工位器具名称工序工时准终单件工步号工步内容工艺装备主轴转速r/min切削速度m/min进给量mm/r切削深度mm进给次数工步工时机动辅助1 轮辐孔扩至Φ30mm扩孔刀89 5.6 0.6 1 12 扩中心孔至Φ58mm扩孔刀97 6.3 0.8 1 1标记处数更改文件号签字日期标记处数更改文件号签字日期机械加工工序卡产品名称产品图号第 4 页零件名称圆柱齿轮零件图号共13 页车间工序号工序名称材料牌号4 拉孔HT200毛坯种类毛坯外形尺寸每个毛坯可制件数每台件数铸件Φ2800x80 1 1设备名称设备型号设备编号同时加工件数拉床L YK6115夹具编号夹具名称工作液工位器具编号工位器具名称工序工时准终单件工步号工步内容工艺装备主轴转速r/min切削速度m/min进给量mm/r切削深度mm进给次数工步工时机动辅助1 拉中心孔至Φ60mm拉刀15 0.32 1标记处数更改文件号签字日期标记处数更改文件号签字日期机械加工工序卡产品名称产品图号第 5 页零件名称圆柱齿轮零件图号共13 页车间工序号工序名称材料牌号5 粗车HT200毛坯种类毛坯外形尺寸每个毛坯可制件数每台件数铸件Φ280x80 1 1设备名称设备型号设备编号同时加工件数车床CAK6136夹具编号夹具名称工作液工位器具编号工位器具名称工序工时准终单件工步号工步内容工艺装备主轴转速r/min切削速度m/min进给量mm/r切削深度mm进给次数工步工时机动辅助1 粗车齿端侧面至60mm90°车刀250 70 0 10 12 粗车外圆至Φ277mm90°车刀300 80 0.5 2 23 粗车轮辐版侧面至15mm,并倒R8圆角90°车刀300 80 0.5 2 24 粗车中心孔端面至100mm,并倒C2直角90°车刀300 80 0.5 2 2编制(日期) 校对(日期)审核(日期) 批准(日期)会签(日期)标记处数更改文件号签字日期标记处数更改文件号签字日期机械加工工序卡产品名称产品图号第 6 页零件名称圆柱齿轮零件图号共13页车间工序号工序名称材料牌号6 半精车HT200毛坯种类毛坯外形尺寸每个毛坯可制件数每台件数锻件Φ280x80 1 1设备名称设备型号设备编号同时加工件数车床CAK6136夹具编号夹具名称工作液工位器具编号工位器具名称工序工时准终单件号工步内容工艺装备r/min m/min mm/r 度mm 次数机动辅助1 半精车外圆至Φ276mm,并倒角YT15车刀600 150 0.3 0.2 5编制(日期) 校对(日期)审核(日期) 批准(日期)会签(日期)标记处数更改文件号签字日期标记处数更改文件号签字日期机械加工工序卡产品名称产品图号第7 页零件名称圆柱齿轮零件图号共13 页车间工序号工序名称材料牌号7 滚齿HT200毛坯种类毛坯外形尺寸每个毛坯可制件数每台件数铸件Φ280x80 1 1设备名称设备型号设备编号同时加工件数齿轮滚床 YK38夹具编号夹具名称工作液工位器具编号工位器具名称工序工时准终单件号工步内容工艺装备r/min m/min mm/r 度mm 次数机动辅助1 滚齿m=3mm,z=90,α=20°滚齿刀50 2.5 1.5 1 3编制(日期) 校对(日期)审核(日期) 批准(日期)会签(日期)标记处数更改文件号签字日期标记处数更改文件号签字日期机械加工工序卡产品名称产品图号第8 页零件名称圆柱齿轮零件图号共13 页车间工序号工序名称材料牌号8 插HT200 毛坯种类毛坯外形尺寸每个毛坯可制件数每台件数铸件Φ2800x80 1 1设备名称设备型号设备编号同时加工件数插床夹具编号夹具名称工作液工位器具编号工位器具名称工序工时准终单件号工步内容工艺装备r/min m/min mm/r 度mm 次数机动辅助1 插键槽18+0.020插刀100 10 1 1 5编制(日期) 校对(日期)审核(日期) 批准(日期)会签(日期)标记处数更改文件号签字日期标记处数更改文件号签字日期机械加工工序卡产品名称产品图号第12 页零件名称圆柱齿轮零件图号共13 页车间工序号工序名称材料牌号12 倒角HT200毛坯种类毛坯外形尺寸每个毛坯可制件数每台件数铸件Φ280x80 1 1设备名称设备型号设备编号同时加工件数珩齿机YK5714夹具编号夹具名称工作液工位器具编号工位器具名称工序工时准终单件号工步内容工艺装备r/min m/min mm/r 度mm进给次数机动辅助1 珩齿至图纸要求珩刀300 10 0.2 0.05 2编制(日期) 校对(日期)审核(日期) 批准(日期)会签(日期)标记处数更改文件号签字日期标记处数更改文件号签字日期机械加工工序卡产品名称产品图号第11 页零件名称圆柱齿轮零件图号共13 页车间工序号工序名称材料牌号11 磨孔HT200毛坯种类毛坯外形尺寸每个毛坯可制件数每台件数铸件Φ280x80 1 1设备名称设备型号设备编号同时加工件数钻床ZK5215夹具编号夹具名称工作液工位器具编号工位器具名称工序工时准终单件号工步内容工艺装备r/min m/min mm/r 度mm 次数机动辅助1 推中心孔至精度要求推刀600 0.01 1 1 1编制(日期) 校对(日期)审核(日期) 批准(日期)会签(日期)标记处数更改文件号签字日期标记处数更改文件号签字日期机械加工工序卡产品名称产品图号第10 页零件名称圆柱齿轮零件图号共11 页车间工序号工序名称材料牌号10 磨齿HT200毛坯种类毛坯外形尺寸每个毛坯可制件数每台件数铸件Φ2800x80 1 1设备名称设备型号设备编号同时加工件数剃齿机YW A4332夹具编号夹具名称工作液工位器具编号工位器具名称工序工时准终单件机械加工工序卡产品名称产品图号第13 页零件名称圆柱齿轮零件图号共13 页车间工序号工序名称材料牌号13 检验HT200毛坯种类毛坯外形尺寸每个毛坯可制件数每台件数铸件Φ280x80 1 1设备名称设备型号设备编号同时加工件数夹具编号夹具名称工作液工位器具编号工位器具名称工序工时准终单件工步号工步内容工艺装备主轴转速r/min切削速度m/min进给量mm/r切削深度mm进给次数工步工时机动辅助1 按图样检查各部分精度专用量具编制(日期) 校对(日期)审核(日期) 批准(日期)会签(日期)。
16 剃齿剃齿Φ175.814 金工YA4232剃齿机W18剃齿刀,通用夹具17 钻孔钻4个Φ15孔金工Z3050摇臂钻床W18麻花钻Φ15,三爪卡盘18 清洗倒角,去毛刺清洗槽锉刀19 油封入库(用黄油涂抹整个零件表面,用油蜡纸包装,入库)。
设计(日期)校对(日期)审核(日期)标准化(日期)会签(日期)标记处数更改文件号签字日期标记处数更改文件号签字日期佛山科技学院机械加工工序卡片产品型号零件图号产品名称减速器零件名称齿轮共13 页第 2 页车间工序号工序名称材料牌号金工车间Ⅴ钻孔45钢毛坯种类毛胚热处理毛坯外形尺寸每毛坯可制件数锻件 1设备名称设备型号设备编号同时加工件数普通车床CA6140车床车床 1切削液量具名称同时加工件数1夹具名称工序工时(分) 准终单件三爪卡盘工步号工步内容工艺装备主轴转速切削速度进给量背吃刀量进给次数工步工时r/min m/min mm/r mm 机动辅助1 钻孔∅25mm Z3050摇臂钻床191 15.7 0.45 12.5 1标记处数更改文件号签字日期标记处数更改文件号签字日期佛山科技学院机械加工工序卡片产品型号零件图号图一产品名称减速器零件名称齿轮共13 页第 3 页车间工序号工序名称材料牌号金工Ⅵ粗车金工车间45钢毛坯种类毛胚热处理毛坯外形尺寸每毛坯可制件数锻件图二 1设备名称设备型号设备编号同时加工件数普通车床CA6140 1切削液量具名称同时加工件数1夹具名称工序工时(分) 准终单件三爪卡盘工步号工步内容工艺装备主轴转速切削速度进给量背吃刀量进给次数工步工时r/min m/min mm/r mm 机动辅助1 粗车端面CA6140车床204 123.24 1.0 2.0 22 粗车外圆CA6140车床220 129.11 1.0 1.4 1设计(日期)校对(日期)审核(日期)标准化(日期)会签(日期)标记处数更改文件号签字日期标记处数更改文件号签字日期佛山科技学院机械加工工序卡片产品型号零件图号图一产品名称减速器零件名称齿轮共13 页第 4 页车间工序号工序名称材料牌号金工车间Ⅶ45钢毛坯种类毛胚热处理毛坯外形尺寸每毛坯可制件数锻件图二 1设备名称设备型号设备编号同时加工件数普通车床 1切削液量具名称同时加工件数1夹具名称工序工时(分) 准终单件三爪卡盘工步号工步内容工艺装备主轴转速切削速度进给量背吃刀量进给次数工步工时r/min m/min mm/r mm 机动辅助1 粗车另一端面CA6140车床210 123.24 1.0 2.0 2设计(日期)校对(日期)审核(日期)标准化(日期)会签(日期)标记处数更改文件号签字日期标记处数更改文件号签字日期车间工序号工序名称材料牌号Ⅷ扩孔金工车间45钢毛坯种类毛胚热处理毛坯外形尺寸每毛坯可制件数锻件 1设备名称设备型号设备编号同时加工件数普通车床 1 切削液量具名称同时加工件数1夹具名称工序工时(分) 准终单件三爪卡盘工步号工步内容工艺装备主轴转速切削速度进给量背吃刀量进给次数工步工时r/min m/min mm/r mm 机动辅助1 扩孔∅44mm CA6140车床50 6.91 1.2 9.52 扩孔∅47mm CA6140车床50 7.22 1.2 1设计(日期)校对(日期)审核(日期)标准化(日期)会签(日期)标记处数更改文件号签字日期标记处数更改文件号签字日期车间工序号工序名称材料牌号金工车间Ⅸ精车45钢毛坯种类毛胚热处理毛坯外形尺寸每毛坯可制件数锻件图二 1设备名称设备型号设备编号同时加工件数普通车床 1 切削液量具名称同时加工件数1夹具名称工序工时(分) 准终单件三爪卡盘工步号工步内容工艺装备主轴转速切削速度进给量背吃刀量进给次数工步工时r/min m/min mm/r mm 机动辅助1 半精车端面CA6140车床275 127.90 0.3 1.3 12 半精车外圆CA6140车床250 144.53 0.30 0.575 13 倒角CA6140车床250 142.72 0.20 0.75 2设计(日期)校对(日期)审核(日期)标准化(日期)会签(日期)标记处数更改文件号签字日期标记处数更改文件号签字日期车间工序号工序名称材料牌号金工车间Ⅹ精车45钢毛坯种类毛胚热处理毛坯外形尺寸每毛坯可制件数锻件图二 1设备名称设备型号设备编号同时加工件数普通车床 1 切削液量具名称同时加工件数1夹具名称工序工时(分) 准终单件三爪卡盘工步号工步内容工艺装备主轴转速切削速度进给量背吃刀量进给次数工步工时r/min m/min mm/r mm 机动辅助1 半精车另一端面CA6140车床275 127.90 0.3 1.3 12 倒角CA6140车床250 142.72 0.20 0.75 2设计(日期)校对(日期)审核(日期)标准化(日期)会签(日期)标记处数更改文件号签字日期标记处数更改文件号签字日期Ⅺ金工车间45钢毛坯种类毛胚热处理毛坯外形尺寸每毛坯可制件数锻件 1设备名称设备型号设备编号同时加工件数普通车床 1 切削液量具名称同时加工件数1夹具名称工序工时(分) 准终单件三爪卡盘工步号工步内容工艺装备主轴转速切削速度进给量背吃刀量进给次数工步工时r/min m/min mm/r mm 机动辅助1 精车一端面CA6140车床250 142.72 0.20 0.5 22 倒角CA6140车床250 142.72 0.20 0.75 2设计(日期)校对(日期)审核(日期)标准化(日期)会签(日期)标记处数更改文件号签字日期标记处数更改文件号签字日期Ⅻ金工车间45钢毛坯种类毛胚热处理毛坯外形尺寸每毛坯可制件数锻件 1设备名称设备型号设备编号同时加工件数普通车床 1 切削液量具名称同时加工件数1夹具名称工序工时(分) 准终单件三爪卡盘工步号工步内容工艺装备主轴转速切削速度进给量背吃刀量进给次数工步工时r/min m/min mm/r mm 机动辅助1 精车另一端面CA6140车床250 142.72 0.20 0.5 22 倒角CA6140车床250 142.72 0.20 0.75 2设计(日期)校对(日期)审核(日期)标准化(日期)会签(日期)标记处数更改文件号签字日期标记处数更改文件号签字日期佛山科技学院机械加工工序卡片产品型号零件图号图一产品名称减速器零件名称齿轮共13 页第10 页车间工序号工序名称材料牌号ⅩⅢ金工车间45钢毛坯种类毛胚热处理毛坯外形尺寸每毛坯可制件数锻件 1设备名称设备型号设备编号同时加工件数普通车床 1切削液量具名称同时加工件数1夹具名称工序工时(分) 准终单件三爪卡盘工步号工步内容工艺装备主轴转速切削速度进给量背吃刀量进给次数工步工时r/min m/min mm/r mm 机动辅助1 粗铰CA6140车床100 14.76 1.72 0.3 12 精铰CA6140车床100 14.82 1.46 0.1 1设计(日期)校对(日期)审核(日期)标准化(日期)会签(日期)标记处数更改文件号签字日期标记处数更改文件号签字日期佛山科技学院机械加工工序卡片产品型号零件图号图一产品名称减速器零件名称齿轮共13 页第11 页车间工序号工序名称材料牌号ⅩⅣ金工车间45钢毛坯种类毛胚热处理毛坯外形尺寸每毛坯可制件数锻件 1设备名称设备型号设备编号同时加工件数普通车床 1切削液量具名称同时加工件数1夹具名称工序工时(分) 准终单件三爪卡盘工步号工步内容工艺装备主轴转速切削速度进给量背吃刀量进给次数工步工时r/min m/min mm/r mm 机动辅助1 插键槽插床B50200.14 0.23 1 5设计(日期)校对(日期)审核(日期)标准化(日期)会签(日期)标记处数更改文件号签字日期标记处数更改文件号签字日期佛山科技学院机械加工工序卡片产品型号零件图号图一产品名称减速器零件名称齿轮共13 页第12 页车间工序号工序名称材料牌号ⅩⅤ金工车间45钢毛坯种类毛胚热处理毛坯外形尺寸每毛坯可制件数锻件 1设备名称设备型号设备编号同时加工件数普通车床 1切削液量具名称同时加工件数1夹具名称工序工时(分) 准终单件三爪卡盘工步号工步内容工艺装备主轴转速切削速度进给量背吃刀量进给次数工步工时r/min m/min mm/r mm 机动辅助1 滚齿Y3150E滚齿机110 24.34 1.6 1 1设计(日期)校对(日期)审核(日期)标准化(日期)会签(日期)标记处数更改文件号签字日期标记处数更改文件号签字日期佛山科技学院机械加工工序卡片产品型号零件图号图一产品名称减速器零件名称齿轮共13 页第13 页车间工序号工序名称材料牌号ⅩⅥ金工车间45钢毛坯种类毛胚热处理毛坯外形尺寸每毛坯可制件数锻件 1设备名称设备型号设备编号同时加工件数普通车床 1切削液量具名称同时加工件数1夹具名称工序工时(分) 准终单件三爪卡盘工步号工步内容工艺装备主轴转速切削速度进给量背吃刀量进给次数工步工时r/min m/min mm/r mm 机动辅助1 剃齿YA4232剃齿机1100 17.99 0.06 0 1设计(日期)校对(日期)审核(日期)标准化(日期)会签(日期)标记处数更改文件号签字日期标记处数更改文件号签字日期。
机械加工工序卡--模板机械加工工序卡--模板机械加工工序卡片产品名称小伞型齿轮10 工序号 10 工序名称粗车每毛坯可制件数 1 设备编号1 材料牌号毛坯种类锻件设备名称车床夹具编号每台件数 1 同时加工件数 160 10设备型号 CA6140 夹具名称三爪卡盘工序工时 (分) 准终单件工步号 1 2工粗车小端端面打孔主轴转速 r/min 500切削速度 m/min 15.7进给量 mm/r 0.4切削深度 mm 5.4工步工时机动辅助车刀、游标卡尺设计(日期)标记处数更改文件号签字日期标记处数更改文件号签字日期校对(日期)审核(日期)标准化(日期)会签(日期)机械加工工序卡片产品型号产品名称零件图号零件名称共10 页第 2 页材料牌号工序名称粗车每毛坯可制件数 1 设备编号毛坯种类锻件设备名称车床夹具编号每台件数 1 同时加工件数 160 10设备型号 CA6140 夹具名称工序工时 (分) 准终单件工步号 1 2工粗车大端端面打孔主轴转速 r/min 500切削速度 m/min 15.7进给量 mm/r 0.4切削深度 mm 3.1工步工时机动辅助车刀、游标卡尺设计(日期)标记处数更改文件号签字日期标记处数更改文件号签字日期校对(日期)审核(日期)标准化(日期)会签(日期)机械加工工序卡片产品型号产品名称零件名称工序号 30 工序名称粗车共 10 页第材料牌号毛坯种类锻件设备名称车床夹具编号每毛坯可制件数 1 设备编号每台件数 1 同时加工件数 160 10设备型号 CA6140 夹具名称工序工时 (分) 准终单件工粗车外圆锥面主轴转速 r/min 800切削速度 m/min 30.14进给量 mm/r 0.3切削深度 mm 1.2工步工时机动辅助设计(日期)标记处数更改文件号签字日期标记处数更改文件号签字日期校对(日期)审核(日期)标准化(日期)会签(日期)机械加工工序卡片产品型号产品名称小伞型齿轮车间零件图号零件名称工序号 40 工序名称精车每毛坯可制件数 1 设备编号每台件数 1 同时加工件数共 10 页第 4 页材料牌号坯种类锻件设备名称60 10夹具名称切削液工序工时 (分) 准终单件工精车外圆锥面主轴转速 r/min 800切削速度 m/min 30.14进给量 mm/r 0.1切削深度 mm 0.1工步工时机动辅助设计(日期)标记处数更改文件号签字日期标记处数更改文件号签字日期校对(日期)审核(日期)标准化(日期)会签(日期)机械加工工序卡片产品型号产品名称小伞型齿轮车间零件图号零件名称工序号 50 工序名称共 10 页第 5 页材料牌号每毛坯可制件数 1 设备编号每台件数 1 同时加工件数 1 夹具名称切削液毛坯种类锻件设备名称60 10工序工时 (分) 准终单件工步号 1 2 3主轴转速 r/min 1220 800 800切削速度 m/min 38.31 20.1 25.6进给量 mm/r 0.14 0.4切削深度 mm 0.9 1 0.5进给次数 2 2 1工步工时机动辅助粗车Ø8 外圆粗车Ø6 外圆粗车Ø7.5 外圆设计(日期)标记处数更改文件号签字日期标记处数更改文件号签字日期校对(日期)审核(日期)标准化(日期)会签(日期)机械加工工序卡片产品型号产品名称小伞型齿轮车间零件图号零件名称工序号 60 工序名称车每毛坯可制件数每台件数共 10 页第 6 页材料牌号毛坯种类锻件设备名称60 10设备型号设备编号同时加工件数夹具名称切削液工序工时 (分) 准终单件工步号 1 2工车退刀槽倒角主轴转速 r/min 800 800切削速度 m/min 25.6 20.1进给量 mm/r切削深度 mm 0.5进给次数 1 1工步工时机动辅助设计(日期)标记处数更改文件号签字日期标记处数更改文件号签字日期校对(日期)审核(日期)标准化(日期)会签(日期)机械加工工序卡片产品型号产品名称小伞型齿轮车间零件图号零件名称工序号 70 工序名称铣每毛坯可制件数 1 设备编号每台件数 1 同时加工件数 1 夹具名称切削液共 10 页第 7 页材料牌号毛坯种类锻件设备名称60 10ZBT8216工序工时 (分) 准终单件主轴转速 r/min切削速度 m/min 26.94进给量 mm/r切削深度 mm 1.7工步工时机动辅助设计(日期)标记处数更改文件号签字日期标记处数更改文件号签字日期校对(日期)审核(日期)标准化(日期)会签(日期)机械加工工序卡片产品型号产品名称零件图号零件名称工序号 80 工序名称铣每毛坯可制件数 1 设备编号每台件数 1 同时加工件数 1 夹具名称切削液共 10 页第 8 页材料牌号毛坯种类锻件设备名称60 10铣床夹具编号ZBT8216工序工时 (分) 准终单件主轴转速 r/min切削速度 m/min进给量 mm/r切削深度 mm工步工时机动辅助设计(日期)标记处数更改文件号签字日期标记处数更改文件号签字日期校对(日期)审核(日期)标准化(日期)会签(日期)机械加工工序卡片产品型号产品名称小伞型齿轮车间零件图号零件名称工序号 90 工序名称共 10 页第 9 页材料牌号每毛坯可制件数每台件数毛坯种类锻件设备名称60 10夹具编号夹具名称工序工时 (分) 准终单件主轴转速 r/min切削速度 m/min进给量 mm/r切削深度 mm 0.1工步工时机动辅助精磨Ø8 外圆和伞齿轮背平面设计(日期)标记处数更改文件号签字日期标记处数更改文件号签字日期校对(日期)审核(日期)标准化(日期)会签(日期)机械加工工序卡片产品型号产品名称零件图号零件名称工序号 100 工序名称共 10 页第 10 页材料牌号毛坯种类每毛坯可制件数 1每台件数 160 10工序工时 (分) 准终单件主轴转速 r/min切削速度 m/min进给量 mm/r切削深度 mm 0.1工步工时机动辅助精磨Ø6.5 外圆及其端面设计(日期)校对(日期)审核(日期)标准化(日期)会签(日期)标记处数更改文件号签期标记处数更改文件号签。
机械加工工序卡产品名称产品图号第 1页零件名称圆柱齿轮零件图号共13页车间工序号工序名称材料牌号1铸造HT200毛坯种类毛坯外形尺寸每个毛坯可制件数每台件数铸件Φ280x8011设备名称设备型号设备编号同时加工件数夹具编号夹具名称工作液工位器具编号工位器具名称工序工时准终单件工步号工步内容工艺装备主轴转速r/min切削速度m/min进给量mm/r切削深度mm进给次数工步工时机动辅助11铸造毛坯2清沙,去浇注口编制(日期)校对(日期)审核(日期)批准(日期)会签(日期)标记处数更改文件号签字日期标记处数更改文件号签字日期机械加工工序卡产品名称产品图号第 3页零件名称圆柱齿轮零件图号共13页车间工序号工序名称材料牌号3扩孔HT200毛坯种类毛坯外形尺寸每个毛坯可制件数每台件数铸件Φ280x8011设备名称设备型号设备编号同时加工件数钻床ZK52151夹具编号夹具名称工作液工位器具编号工位器具名称工序工时准终单件2工步号工步内容工艺装备主轴转速r/min切削速度m/min进给量mm/r切削深度mm进给次数工步工时机动辅助1轮辐孔扩至Φ30mm扩孔刀89 1 12扩中心孔至Φ58mm扩孔刀97 11编制(日期)校对(日期)审核(日期)批准(日期)会签(日期)标记处数更改文件号签字日期标记处数更改文件号签字日期机械加工工序卡产品名称产品图号第 4页零件名称圆柱齿轮零件图号共13页车间工序号工序名称材料牌号34标记处数更改文件号签字日期标记处数更改文件号签字日期机械加工工序卡产品名称产品图号第 5页零件名称圆柱齿轮零件图号共13页车间工序号工序名称材料牌号5粗车HT200毛坯种类毛坯外形尺寸每个毛坯可制件数每台件数铸件Φ280x8011设备名称设备型号设备编号同时加工件数车床CAK6136夹具编号夹具名称工作液工位器具编号工位器具名称工序工时准终单件工工步内容工艺装备主轴转切削进给切削进工步工时5步号速r/min 速度m/min量mm/r深度mm给次数机动辅助1粗车齿端侧面至60mm 90°车刀 250700101 2粗车外圆至Φ277mm 90°车刀300 8022 3粗车轮辐版侧面至15mm,并倒R8圆角90°车刀30080224粗车中心孔端面至100mm,并倒C2直角90°车刀 3008022编制(日期)校对(日期)审核(日期)批准(日期)会签(日期)标记处数更改文件号签字日期标记处数更改文件号签字日期机械加工工序卡产品名称产品图号第 6页零件名称圆柱齿轮零件图号共13页车间工序号工序名称材料牌号6半精车 HT200毛坯种类毛坯外形尺寸每个毛坯可制件数每台件数锻件Φ280x8011设备名称设备型号设备编号同时加工件数车床 CAK6136夹具编号夹具名称工作液工位器具编号工位器具名称工序工时6准终单件工步号工步内容工艺装备主轴转速r/min切削速度m/min进给量mm/r切削深度mm进给次数工步工时机动辅助1半精车外圆至Φ276mm,并倒角YT15车刀600150 5编制(日期)校对(日期)审核(日期)批准(日期)会签(日期)标记处数更改文件号签字日期标记处数更改文件号签字日期机械加工工序卡产品名称产品图号第7页零件名称圆柱齿轮零件图号共13页车间工序号工序名称材料牌号7滚齿 HT200毛坯种类毛坯外形尺寸每个毛坯可制件数每台件数铸件Φ280x8011设备名称设备型号设备编号同时加工件数齿轮滚床YK38夹具编号夹具名称工作液工位器具编号工位器具名称工序工时准终单件7工步号工步内容工艺装备主轴转速r/min速度m/min进给量mm/r切削深度mm进给次数机动辅助1滚齿m=3mm,z=90,α=20°滚齿刀 50 1 3编制(日期)校对(日期)审核(日期)批准(日期)会签(日期)标记处数更改文件号签字日期标记处数更改文件号签字日期机械加工工序卡产品名称产品图号第 8页零件名称圆柱齿轮零件图号共 13页车间工序号工序名称材料牌号8插 HT200毛坯种类毛坯外形尺寸每个毛坯可制件数每台件数铸件Φ2800x8011设备名称设备型号设备编号同时加工件数插床夹具编号夹具名称工作液工位器具编号工位器具名称工序工时准终单件8工步号工步内容工艺装备主轴转速r/min速度m/min进给量mm/r切削深度mm进给次数机动辅助1插键槽18+插刀 100 10 1 1 5编制(日期)校对(日期)审核(日期)批准(日期)会签(日期)标记处数更改文件号签字日期标记处数更改文件号签字日期机械加工工序卡产品名称产品图号第12页零件名称圆柱齿轮零件图号共13页车间工序号工序名称材料牌号12倒角 HT200毛坯种类毛坯外形尺寸每个毛坯可制件数每台件数铸件Φ280x8011设备名称设备型号设备编号同时加工件数珩齿机YK5714夹具编号夹具名称工作液工位器具编号工位器具名称工序工时准终单件9工步号工步内容工艺装备主轴转速r/min速度m/min进给量mm/r切削深度mm进给次数机动辅助1珩齿至图纸要求珩刀300102编制(日期)校对(日期)审核(日期)批准(日期)会签(日期)标记处数更改文件号签字日期标记处数更改文件号签字日期机械加工工序卡产品名称产品图号第11页零件名称圆柱齿轮零件图号共13页车间工序号工序名称材料牌号11磨孔 HT200毛坯种类毛坯外形尺寸每个毛坯可制件数每台件数铸件Φ280x80 11设备名称设备型号设备编号同时加工件数钻床ZK5215夹具编号夹具名称工作液10工位器具编号工位器具名称工序工时准终单件工步号工步内容工艺装备主轴转速r/min切削速度m/min进给量mm/r切削深度mm进给次数工步工时机动辅助1推中心孔至精度要求推刀600 1 11编制(日期)校对(日期)审核(日期)批准(日期)会签(日期)标记处数更改文件号签字日期标记处数更改文件号签字日期机械加工工序卡产品名称产品图号第 10页零件名称圆柱齿轮零件图号共11页车间工序号工序名称材料牌号10磨齿 HT200毛坯种类毛坯外形尺寸每个毛坯可制件数每台件数铸件Φ2800x8011设备名称设备型号设备编号同时加工件数剃齿机YWA4332夹具编号夹具名称工作液工位器具编号工位器具名称工序工时准终单件1112机械加工工序卡产品名称产品图号第 13页零件名称圆柱齿轮零件图号共 13页车间工序号工序名称材料牌号13检验HT200毛坯种类毛坯外形尺寸每个毛坯可制件数每台件数铸件Φ280x8011设备名称设备型号设备编号同时加工件数夹具编号夹具名称工作液工位器具编号工位器具名称工序工时准终单件工步号工步内容工艺装备主轴转速切削速度进给量切削深度mm进给次数工步工时机辅1314151617。