球阀装配图
- 格式:ppt
- 大小:1.01 MB
- 文档页数:3
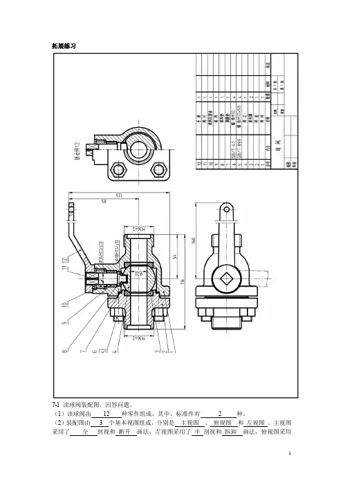
拓展练习7-1 读球阀装配图,回答问题。
(1)该球阀由12 种零件组成,其中,标准件有 2 种。
(2)装配图由 3 个基本视图组成,分别是主视图、俯视图和左视图。
主视图采用了全剖视和断开画法,左视图采用了半剖视和拆卸画法,俯视图采用了假想画法。
(3)件11在剖视图中按不剖切处理,仅画出外形,原因是件11是杆状实心件。
(4)根据视图想象零件形状,分析零件类型。
属于轴套类的有阀芯、阀杆、手柄、填料压紧套,属于盘盖类的有阀盖,属于箱体类的有阀体。
(5)Φ14H11/c11是件11 与件10 的配合尺寸,是基孔制间隙配合。
(6)Φ18H11/c11是件11 与件 1 的配合尺寸,是基孔制间隙配合。
(7)件4由零件11 带动做旋转运动,图中所示该球阀为打开状态。
7-2 读微动机构装配图,画出导杆(件11)的零件图,尺寸从图中按比例量取。
任务要求:(1)合理的视图表达;(2)标注尺寸及公差、表面粗糙度、几何公差;(3)注写技术要求;(4)填写标题栏。
已知条件:(1)Φ20圆柱面:Ra值为1.6;圆柱度为0.01;Φ20f7的上、下极限偏差是-0.020、-0.041。
(2)其余表面:Ra值为3.2或6.3。
(3)倒角为c1。
(4)调质处理:HRB220~250。
工作情况说明:该部件为氩弧焊机的微调装置,系螺纹传动机构。
导杆的右端有一个螺孔是固定焊枪用的。
当转动手轮时,螺杆7做旋转运动,导杆11在导套10内做轴向移动,进行微调。
拓展练习7-3 根据旋塞阀的装配示意图和零件图,用A3图纸按1:1拼画旋塞阀装配图。
拓展练习7-4 根据千斤顶的装配示意图和零件图,应用AutoCAD绘制千斤顶装配图。
Catia结课作业学年学期:2011-2012学年第一学期学院:机械工程学院专业:汽车服务工程学号:姓名:指导教师:本人联系电话:第一部分:选题来源:参考在图书馆借的一本由鲁金忠、罗开玉、卢章平等编著CATIA机械设计实用教程这本书。
第二部分:零件图:一球阀阀盖的设计:1在【零件设计】模块中新建一个Part文件,命名为“阀盖”。
2单击【草图设计】图标,以xy平面为草图设计平面,单击【六边形】图标,绘制一个六边形,并单击【约束】图标,设定六边形的外接圆直径为51mm。
3退出【草图设计】模式,单击【拉伸】图标将上面的草图轮廓拉伸13mm,以特征的上表面为草图设计平面,单击【圆】图标绘制一直径为33mm的圆。
4单击退出【草图设计】模式,单击【拉伸】图标将上一步的圆拉伸24mm。
5单击【倒角】图标,在凸台的端部倒出1.5mm*45度的倒角。
6单击【螺纹】图标生成外螺纹,设置对话框,生成的螺纹在三维实体中没有显示,只有在二维工程图上才有显示。
7以螺栓的端面为草图设计平面,单击【草图设计】图标,建立一个圆,单击【约束】图标设定圆的直径为23mm。
8单击凹槽图标,以上一步建立的圆为轮廓,向下拉伸距离为22mm。
9单击【平面】图标,绘制一与xy平面平行的平面,偏移距离为6mm。
10单击【草图】图标,以上一步建立的平面为草图设计平面,单击【圆】图标绘制一个圆,单击【约束】图标设定圆的直径为90mm。
11退出【草图设计】模式,单击拉伸图标,将圆轮廓拉伸8mm。
12单击【草图】图标,已建立的圆柱体的外端面为草图设计平面,单击【圆】图标,绘制一个圆,圆的直径为65mm。
13退出【草图设计】模式,单击【拉伸】图标,将上一步的草图轮廓拉伸4mm。
14继续【草图】图标,以上一步建立的圆柱体的外端面为草图设计平面,单击【圆】图标,绘制一个圆,圆的直径为68mm。
15退出【草图设计】模式,单击【拉伸】图标,将建立的轮廓拉伸13mm。
常用阀门样式及连接形式一、球阀图1、不锈钢球阀(螺纹连接)图2、铜球阀(螺纹连接)图3、碳钢球阀(法兰连接)图4、不锈钢球阀(法兰连接)图7、高压球阀(法兰连接)涡轮传动开闭图8、塑料球阀(螺纹连接)加药管道用图9、电动球阀(法兰连接)图10、高压不锈钢球阀(螺纹连接)图11、气动球阀(法兰连接)二、浮球阀图5浮球阀(螺纹连接)水箱用图6浮球阀(螺纹连接)图6-1、浮球控制阀(水池用)三、闸阀图12、铜闸阀(螺纹连接)图13、不锈钢闸阀(螺纹连接)图14、不锈钢闸阀(法兰连接)图15、碳钢闸阀(法兰连接)明杆式图16、铸铁闸阀(法兰连接)图17、碳钢电动、手动闸阀(法兰连接)大口径四、截止阀图18、不锈钢截止阀(螺纹连接)图19、铸铁截止阀(螺纹连接)图20、铜截止阀(法兰连接)图21、铜截止阀(法兰连接)图22、碳钢截止阀(法兰连接)图23、碳钢截止阀(法兰连接)电动、手动图24、不锈钢截止阀(法兰连接)五、蝶阀图25、蝶阀(对夹式)图26、涡轮传动蝶阀(法兰连接)图27、电动、手动蝶阀(法兰连接)图28、气动蝶阀(法兰连接)六、止回阀图29、碳钢止回阀(法兰连接)图30、铸铁止回阀(法兰连接)图31、不锈钢钢止回阀(法兰连接)图32、微阻缓闭止回阀(法兰连接)图32、铸铁止回阀(螺纹连接)七、安全阀图33、常见减压阀(法兰连接)图34、常见减压阀(法兰连接)图36、常见减压阀(法兰连接)图37、常见减压阀(法兰连接)图38、常用安全阀(法兰连接)图39、常用安全阀(法兰连接)八、输水阀图40、常用疏水阀(螺纹连接)图41、常用输水阀(法兰连接)图42、常用疏水阀(螺纹连接)图43、常用输水阀(法兰连接)九、平衡阀图44、常用平衡阀(法兰连接)图45、常用平衡阀(法兰连接)。
第10章装配图10.1 装配图概述任何机器都是由若干个零件按一定的装配关系和技术要求装配起来的。
图10-1是球阀的轴测装配图,由13个零件组成。
图10-2是表示球阀的装配图,这种用来表达机器或部件的图样,称为装配图。
10.1.1装配图的作用装配图主要表达机器或部件的结构形状、装配关系、工作原理和技术要求等内容。
设计时,一般先画出装配图,再根据装配图绘制零件图;装配时,则根据装配图把各零件装配成部件或机器;同时,装配图又是安装、调试、操作和检验机器或部件的重要参考资料。
由此可见,装配图是生产中主要的技术文件之一。
图10-1 球阀的轴测装配图1—阀体 2—阀盖 3—密封圈 4—阀芯 5—调整垫 6—螺杆 7—螺母8—填料垫 9—中填料 10—上填料 11—填料压紧套 12—阀杆 13—扳手10.1.2装配图的内容1.一组视图用一组视图表达机器或部件的工作原理、零件间的装配关系、连接方式,以及主要零件的结构形状。
如图10-2球阀装配图中的主视图采用全剖视,表达球阀的工作原理和各主要零件间的装配关系;俯视图表达主要零件的外形,并采用局部剖视表达扳手与阀体的连接关系;左视图采用半剖视,表达阀盖的外形以及阀体、阀杆、阀芯间的装配关系。
2.必要的尺寸用来标注机器或部件的规格尺寸、零件之间的配合或相对位置尺寸、机器或部件的外形尺寸、安装尺寸以及设计时确定的其它重要尺寸等。
3.技术要求说明机器或部件的装配、安装、调试、检验、使用与维护等方面的技术要求,一般用文字写出。
4.序号、明细栏和标题栏在装配图中,为了便于迅速、准确地查找每一零件,对每一零件编写序号,并在明细栏中依次列出零件序号、名称、数量、材料等。
在标题栏中写明装配体的名称、图号、比例以及设计、制图、审核人员的签名和日期等。
图10-2 球阀装配图10.2 装配图的表达方法第九章中介绍的机件的各种表达方法,在装配图的表达中同样适用。
但由于机器或部件是由若干个零件组成,装配图重点表达零件之间的装配关系、零件的主要形状结构、装配体的内外结构形状和工作原理等。
12.装配图1.装配图的内容根据装配图的作用,一张完整的装配图应该包括以下内容:1)一组视图选用一组恰当的视图表达来机器或部件的工作原理,各零件间的装配、连接关系和主要形状等。
2)几类尺寸装配图中的尺寸一般只标注机器或部件的规格尺寸、装配尺寸、安装尺寸、总体尺寸,以及其他主要尺寸。
a.性能(规格)尺寸表示机器和部件性能(规格)的尺寸,在设计时就已确定,也是设计、了解和选用该机器或部件的依据.b.装配尺寸包括保证有关零件间配性质的尺寸,保证零件相对位置的尺寸,装配式进行加工的有关尺寸等。
c.安装尺寸机器或部件安装时所需的尺寸.d.总体尺寸部件外形轮廓的大小,及总长、总宽和总高。
它为包装、运输和安装过程所占的空间大小提供了数据。
e.其他重要尺寸它们是在设计中决定,又不属于上述几类尺寸的一些重要尺寸。
如运动零件的极限尺寸、主题零件的重要尺寸等。
3)技术要求用文字或符号说明机器或部件的性能、装配、调试和使用等方面的要求。
4)零件的序号、明细栏及标题栏序号是将装配图中各组成零件按一定的格式编号。
明细栏是用作填写零件的序号、代号、名称、数量、材料、重量、备注等。
标题栏的内容、格式、尺寸等已经标准化,且与零件图的标题栏完全一样,主要填写机器或部件的名称、代号、比例及有关部门人员的签名等。
序号(代号)的编写规则(GB/T4485.2-1984):1)) 序号由圆点、指引线、水平线、(或园)及数字组成,见图(a)。
指引线和水平线(或园)均为细实线,数字写在水平线上方(或小园内),数字高度应比尺寸数字高度大一号,指引线应从所指零件的可见轮廓内引出,并在末端画一圆点,当所指部分不易画圆点(如很薄的零件或涂黑的剖面)时,可在指引线末端画一箭头以代替圆点,见图(b)。
2)) 指引线应尽量分布均匀,彼此不能相交,当通过剖面线区域时,须避免于剖面线平行。
必要时,指引线可曲折一次,见图(c).3)) 对于一组紧固件(如螺栓、螺母和垫圈)及装配关系清楚的组件允许采用公共指引线,其编写形式见图(d).4))编写图样中的序号时,应按水平或垂直方向整齐排列,可顺时针方向或逆时针方向编号。