药物溶出度仪桨法机械验证方案
- 格式:docx
- 大小:30.38 KB
- 文档页数:23
溶出度检测方法建立及验证标准操作规程溶出度(释放度)检测是药物质量控制中的重要测试之一,用于评估药物的溶出性能。
溶出度测试可以确定药物在固体药物制剂中的药物溶出速率,从而判断药物的口服吸收和生物利用度。
本文将介绍溶出度检测方法的建立及验证标准操作规程。
1.仪器和试剂准备(1)溶出度仪器:常用的溶出度仪包括旋转篮法、磁力驱动法和流动池法等。
根据需求选择适合的仪器。
(2)溶出介质:根据药物特性选择适当的溶出介质,如水、缓冲液、模拟胃肠液等。
(3)试剂:如酸或硷,用于调整溶出介质的pH值。
2.样品制备(1)固体制剂:称取一定重量的固体制剂,放入溶出度仪的样品容器中,加入适量的溶出介质,封闭样品容器。
(2)液体制剂:取一定量的液体制剂,放入溶出度仪的样品容器中,封闭样品容器。
3.溶出度测试条件设定(1)旋转篮法和磁力驱动法:设定速度、旋转篮或磁力驱动子的数量等。
(2)流动池法:设定流速、温度和流动池的体积等。
4.溶出度测试操作(1)样品容器准备:根据所选的溶出度仪器选择适当的样品容器。
(2)样品装载:将样品容器放入溶出度仪器中,根据仪器要求加入预定体积的溶出介质。
(3)测试条件设定:根据所选的溶出度仪器设定相应的测试条件,如速度、温度等。
(4)样品测试:启动溶出度仪器,按照设定条件进行样品测试。
(5)结果记录:根据溶出度仪器的要求,记录样品测试结果。
5.数据处理和结果分析(1)计算溶出度:根据样品测试结果,计算出药物的溶出度或释放度。
(2)结果分析:对溶出度结果进行统计学分析,如平均值、标准偏差等。
二、方法建立1.选择合适的仪器和试剂,根据药物特性和要求选择合适的溶出度仪器和溶出介质。
2.设定溶出度测试条件,包括旋转篮法、磁力驱动法或流动池法的相关参数。
3.开展溶出度测试,根据所选的溶出度仪器和条件进行样品测试。
4.收集测试数据,根据测试结果计算药物的溶出度或释放度。
5.对测试结果进行分析和评估,根据统计学方法验证方法的准确性和可靠性。
溶出度仪验证方案引言溶出度仪在药学和化学领域中被广泛用于评估药物的释放特性。
然而,为了确保溶出度仪的准确性和可靠性,在使用之前需要进行验证。
本文将介绍溶出度仪验证的方案,包括验证目的、操作步骤和验证结果的分析。
验证目的溶出度仪验证的目的是确保该仪器在测量药物溶出度时具有准确性和可靠性。
验证的过程应覆盖仪器的所有关键参数,以便保证所得到的数据可靠可信。
验证方法以下是进行溶出度仪验证的具体操作步骤:步骤一:仪器设备验证1.根据溶出度仪的说明书,检查所有电气设备和连接线路,确保其正常工作。
2.检查温度控制器是否准确,使用温度计校准温度。
3.检查搅拌器的速度控制是否准确,使用万用表测量转速。
4.验证自动取样器的准确性,将一定量的试剂溶解在溶液中进行测试,并与手动操作进行对比。
步骤二:试剂验证1.使用精密天平称量一定量的试剂,记录其质量。
2.将试剂添加到溶剂中,并搅拌一定时间。
3.使用不同的试剂浓度进行多次实验,记录每次试验的实际溶出度。
步骤三:时间验证1.设置合适的时间间隔进行溶出度测量,例如每隔10分钟或每隔30分钟。
2.对同一批溶剂进行多次实验,记录每次实验的溶出度。
3.验证溶出度仪是否在相同的时间间隔内给出相似的结果。
步骤四:温度验证1.设置不同的温度条件进行溶出度测量,例如25℃、37℃和45℃。
2.对相同的溶剂进行多次实验,记录每次实验的溶出度。
3.验证溶出度仪在不同温度条件下给出相似的结果。
验证结果分析对于每个验证步骤,应记录测量结果并进行分析。
以下是对验证结果的常见分析方法:1.试剂验证结果:计算每次实验的平均溶出度并确定其标准偏差。
如果各次实验结果相差较大,则需要重新检查试剂和溶剂的准确性。
2.时间验证结果:比较同一批溶剂在不同时间间隔内测量的溶出度结果。
如果相邻时间间隔内的结果差异较大,则需要重新检查时间控制是否准确。
3.温度验证结果:比较相同溶剂在不同温度条件下测量的溶出度结果。
如果不同温度条件下的结果差异较大,则需要重新检查温度控制是否准确。
溶出度验证方案1. 引言溶出度是评估药物释放率和溶解性的重要参数,对于保证药物的质量和疗效具有重要意义。
为了验证药物的溶出度,我们需要选择适当的方法和条件来进行测试。
本文将介绍溶出度验证的方案和步骤。
2. 实验材料•药物样品:待验证药物样品•溶媒:适量生理盐水、酸性或碱性溶液等•溶出度测试仪:例如DDS-100溶出度仪3. 实验步骤3.1 准备工作•将药物样品按照需要的重量准备好,确保样品的准确性和一致性。
•准备适量的溶媒,根据药物的溶解性及预期的释放时间选择合适的溶媒。
•准备溶出度测试仪,根据仪器说明书进行合适的清洗和校准。
3.2 实验操作1.将药物样品放入溶出度测试仪的试验器中。
确保样品分布均匀,避免样品密度过高或过低。
2.添加适量的溶媒,覆盖样品表面,确保溶媒的温度和pH值稳定。
3.启动溶出度测试仪,设置合适的参数,如温度、转速、采样时间等。
4.根据设定的时间间隔,定期取出样品进行采样。
5.采样后,及时补充相同体积的新溶媒,保持相对稳定的溶媒环境。
6.采样的样品可以通过分析仪器(如高效液相色谱仪)进行药物含量的分析和测定。
3.3 数据处理1.获取每个时间点的溶出度数据,可以通过溶出度测试仪自动记录或手动测量。
2.根据溶出度数据,绘制药物释放曲线图,横轴为时间,纵轴为溶出度百分比或浓度。
3.对药物释放曲线进行统计分析,计算各个时间点的溶出度百分比或浓度的平均值和标准差。
4.比较不同样品或不同条件下的溶出度结果,进行统计学分析,判断是否存在显著差异。
4. 结果与讨论根据实验步骤中的操作,我们可以获得药物样品在不同时间点的溶出度数据。
通过数据处理和分析,我们可以得到药物释放曲线,进一步分析和比较不同样品或条件下的溶出度结果。
在实际应用中,根据不同药物的特点和目的,我们可以进行一系列的溶出度验证实验,包括不同溶媒的选择、不同温度和pH值的设定等。
这些实验可以帮助我们了解药物的释放特性,优化药物的制备工艺和剂型设计。
溶出仪确认验证方案溶出仪是一种用于测定药物溶出度和药物释放速率的仪器,广泛应用于药物研究和制造行业。
为了确保溶出仪的准确性和可靠性,需要进行确认验证。
下面是一份溶出仪确认验证方案,包括其目的、步骤、验收标准等。
一、目的1.确保溶出仪符合相关的法规要求和规范性文件的要求。
2.验证溶出仪的性能和准确性,确保试验结果的可靠性。
3.确保操作人员正确操作溶出仪,以保证试验结果的准确性和可重复性。
二、步骤1.设立验证项目和验收标准a.验证项目包括但不限于仪器精密度、溶出试剂的制备、试剂添加过程、溶出条件等。
b.验收标准参照国家药典或相应的制药规范。
2.准备验证样品a.选择标准品或合适的模拟样品进行验证。
b.样品应具有一定的溶出度和释放速率,并符合相关的药学要求。
3.进行预实验a.预实验的目的是了解仪器性能,确定合适的试验条件。
b.根据预实验结果,调整试验条件,如试剂种类、试剂添加量、试验时间等。
4.正式验证试验a.按照预定的验证项目和试验条件,进行正式验证试验。
b.重复试验,根据试验结果判断溶出度和释放速率是否符合验收标准。
c.记录试验结果,并进行统计分析。
5.数据分析和总结a.对试验数据进行分析,计算测定值的均值和标准偏差。
b.比较测定值和验收标准,评估仪器的准确性和可靠性。
c.根据数据分析结果总结验证试验的结论。
6.编写验证报告a.报告应包括溶出仪的基本信息、验证项目和试验条件、试验结果和数据分析等。
b.报告应详细描述试验过程、数据处理方法和结论。
c.报告需要由相关人员进行审核,并保存备查。
三、验收标准1.验收标准应根据有效法规要求和行业标准制定。
2.验收标准应包括仪器性能指标、试剂制备要求、试验条件要求等。
3.验收标准应具体明确,可量化衡量。
四、设备校准1.溶出仪使用前应进行设备校准,确保仪器的准确性和可靠性。
2.设备校准应参照相关的校准方法和标准物质,对各个参数进行校准。
3.校准日期、结果和质量控制记录需进行记录。
药物溶出度仪机械验证方案仪器名称:____________仪器型号:____________起草人:____________起草日期:___年___月___日审核人:____________审核日期:___年___月___日批准人:____________批批日期:___年___月___日成都天地仁和药物研究有限公司目录1.概述 (3)1.1 仪器概况 (3)1.2 仪器用途 (3)2.目的 (3)3.范围 (3)4.验证小组成员及职责 (4)5.方案执行 (4)6.内容 (4)6.1文件检查 (4)6.1.1 目的 (4)6.1.2程序 (4)6.1.3 可接受标准 (4)6.1.4 原始记录 (5)6.2具体确认步骤 (5)6.2.1 验证前检查 (5)6.2.2 仪器与试剂 (5)6.2.3 运行确认 (5)6.2.4 性能确认 (9)6.3再确认 (11)6.4确认结论 (11)6.5确认报告 (11)7.参考文件 (11)ZRS-8GD型智能溶出试验仪确认记录 (12)ZRS-8GD型智能溶出试验仪确认报告 (20)1.概述ZRS-8GD型智能溶出试验仪为溶出度(释放度)测定常用仪器,为确保该仪器能达到用于测定样品溶出度(释放度)的要求,制定本方案对该仪器进行再确认。
1.1 仪器概况ZRS-8GD型智能溶出试验仪是专门用于检测固体制剂(如片剂、胶囊剂等)溶出度(释放度)的药物试验仪器,它能模拟人体的胃肠消化运动过程,配合紫外-可见分光光度计、高效液相色谱仪、原子吸收分光光度计等可检测药物制剂的溶出度(释放度)。
本仪器由主机、水浴箱、溶出杯、转轴等组成。
仪器主要参数如下:仪器名称仪器型号生产厂家安装位置设备编号出厂编号调温范围调速范围温度分辨率转速分辨率转速误差温控误差外形尺寸1.2 仪器用途该仪器适用于测定样品溶出度(释放度)。
2.目的对该仪器进行运行确认及性能确认,以确定仪器是否仍具有良好的检测性能,是否仍能满足日常分析测试工作的需求。
药物溶出度仪机械验证案仪器名称: ______________________仪器型号:起草人:起草日期:年月日审核人:审核日期:年月日批准人:批批日期: _____ 年 _____ 月 ______ 日天地仁和药物研究有限公司目录1. 概述 (3)1.1仪器概况 (3)1.2仪器用途 (4)2. 目的 (4)3. 围 (4)4. 验证小组成员及职责 (4)5. 案执行 (5)6. 容 (5)6.1 文件检查 (5)6.1.1 目的 (5)6.1.2 程序 (5)6.1.3可接受标准 (6)6.1.4原始记录 (6)6.2 具体确认步骤 (6)6.2.1验证前检查 (6)622仪器与试剂 (6)623运行确认 (7)6.2.4性能确认................................................ .12..6.3 再确认...................................................... 1.5…6.4 确认结论.................................................... 1.5…6.5 确认报告.................................................... 1.5…7. ........................................................................................................................... 参考文件........................................................................ 1.5....ZRS-8GD型智能溶出试验仪确认记录 (16)ZRS-8GD型智能溶出试验仪确认报告 .................................... 26.1.概述ZRS-8GD型智能溶出试验仪为溶出度(释放度)测定常用仪器,为确保该仪器能达到用于测定样品溶出度(释放度)的要求,制定本案对该仪器进行再确认。
文件编号:RC-806药物溶出度仪验证方案设备名称:RC-806药物溶出度仪设备负责人:设备编号:生产厂家及型号:所在部门:质检中心目录1.验证目的和范围2.验证组成人员及职责3.概述4.验证时间安排5.安装确认方案6.运行确认方案7.性能确认方案8.验证周期9.验证结果评价10.附件1.验证目的和范围通过验证,确认该设备的各项性能指标达到要求,符合产品检验的需要。
本验证方案适用于RC-806药物溶出度仪的安装、运行的确认。
2.验证组成人员及职责3.概述RC-806药物溶出度仪是一种实用新型药物溶出度仪,是专门用于检测固体制剂(如片剂、胶囊等)溶出度的药物试验仪器,它能摸拟人体的胃肠消化运动过程,配合紫外分光光度计可检测药物制剂的溶出度。
本仪器由主机、水浴箱、溶出杯、转杆等组成。
验证依据《验证管理程序》、《检验方法验证规程》、《仪器使用说明书》。
4.验证时间安排安装确认时间:运行确认时间:性能确认时间:批准人:年月日5.安装确认5.1确认所供应的仪器整个安装过程是否符合设计规范要求,制定的校正、维护保养、操作SOP并纳入文件管理系统,确认对操作人员进行培训并考核,纳入培训档案。
验证评价:验证人:复核人:日期:6.运行确认6.1在不使用任何试样的前提下,确认该仪器达到设计要求。
检查结果见附表1。
验证评价:验证人:复核人:日期:7.性能确认使用标准供试品以确认仪器性能符合规定要求。
验证评价:验证人:复核人:日期:8.再确认8.1线路检查检查线路、接地。
8.2附件检查工作记录,操作SOP。
8.3检查调速范围:25~20转/分,转速分辨率应为1转/分水浴温度控制:调整范围应为室温~45℃恒温系统:稳定性8.4工作记录每次试验均应有操作者填写的包括日期、结果和相关说明记录。
8.5再确认周期:一年9.验证结果与评价附件1 RC-806药物溶出度仪运行确认。
药物溶出度仪机械验证指导原则2019年2019年78号附件药物溶出度仪机械验证指导原则本指导原则适用于仿制药质量和疗效一致性评价研究工作中,口服固体制剂体外溶出试验所用溶出度仪的机械验证。
一、概述本指导原则中的溶出度仪是指《中华人民共和国药典》(2019年版,以下简称《中国药典》)四部通则〈0931〉溶出度与释放度测定法中第一法和第二法的仪器装置。
为保证体外溶出试验数据的准确性和重现性,所使用的溶出度仪应满足《中国药典》要求,同时还需满足本指导原则规定的各项技术要求。
二、验证前检查目视检查以下部件:(一)溶出杯杯体光滑,无凹陷或凸起,无划痕、裂痕、残渣等缺陷。
(二)篮篮体无锈蚀,无网眼堵塞或网线伸出,无网眼或篮体变形等现象。
(三)篮(桨)轴篮(桨)轴无锈蚀,桨面涂层(Teflon 或其他涂层)光滑、无脱落。
三、测量工具可采用单一测量工具(如倾角仪、百分表、转速表和温度计等),也可采用模块化的集成测量工具。
各种测量工具均应符合相关的计量要求。
四、技术要求对溶出度仪进行机械验证时,应将待测部件置于正常试验位置,按以下方法进行验证。
(一)溶出度仪水平度在溶出杯的水平面板上从两个垂直方向上测量,两次测量的数值均不得超出0.5°。
(二)篮(桨)轴垂直度紧贴篮(桨)轴测量垂直度,再沿篮(桨)轴旋转90°测量,每根篮(桨)轴两次测量的数值均不得超出90.0°±0.5°。
(三)溶出杯垂直度沿溶出杯内壁(避免触及溶出杯底部圆弧部分)测量垂直度,再沿内壁旋转90°测量,每个溶出杯两次测量的数值均不得超出90.0°±1.0°。
(四)溶出杯与篮(桨)轴同轴度可通过在溶出杯圆柱体内的篮(桨)轴上下各取一个点,以篮(桨)轴为中心旋转一周,测量篮(桨)轴与溶出杯内壁距离的变化,来表征溶出杯垂直轴与篮(桨)轴的偏离。
一个测量点位于溶出杯上部靠近溶出杯上缘,另一个测量点位于溶出杯圆柱体内靠近篮(桨叶)上方。
药物溶出度仪机械验证指导原则一、机械验证的目的和重要性机械验证旨在确保药物溶出度仪的性能和准确性,以提供准确、可靠的数据。
机械验证是指对溶出度仪的各项性能指标进行检测和验证,包括传动系统的准确性、速度精确性、温度控制准确性等。
通过机械验证,可以确保药物溶出度仪在正式使用前具备可靠的性能和准确的测量结果,从而保证药品质量的可靠性和稳定性。
二、机械验证的步骤和方法2.检查和维护设备:在机械验证之前,应对药物溶出度仪进行全面检查和维护,确保设备正常工作。
3.选择验证方法:根据验证标准,选择合适的验证方法。
一般可以选择速度准确性验证、温度控制准确性验证、传动系统准确性验证等。
4.进行验证测试:按照验证方法进行测试。
在验证测试中,需要使用合适的标准样品或模拟样品进行测试,测试数据应符合要求,并记录验证结果。
5.数据分析与验证结果:对验证测试的数据进行分析,判断设备是否符合验证标准。
如果设备符合验证标准,即通过机械验证,可以正常使用;如果设备不符合验证标准,需要进行调整、维修或更换设备。
三、验证结果与验证报告验证结果应根据验证标准进行评价,评价内容包括设备的准确度、稳定性和重复性等。
根据验证结果,可以作出是否通过机械验证的判定。
机械验证应编写验证报告,确保验证工作可追溯。
验证报告应包括验证的目的、方法、测试结果和结论等内容。
验证报告应进行归档,并保留一定的时间,以备审计和追溯需要。
四、验证的原则和注意事项1.确保验证的全面性和准确性:验证应对药物溶出度仪的各项性能进行全面的、准确的测试和评价,确保验证结果真实可靠。
2.验证的连续性和周期性:机械验证应定期进行,以确保设备的性能在使用中的稳定性和准确性。
3.验证记录的完整性和保密性:验证记录应完整、准确地记录验证的过程和结果,保护验证数据的完整性和安全性。
4.提前准备验证标准和参考样品:在进行机械验证之前,需要提前准备验证标准和参考样品,以确保验证的准确性和可靠性。
药物制剂中溶出度的快速测定方法溶出度(dissolution)是指药物制剂在给定条件下从固体制剂中溶解出来的量,在制药工业中具有重要的意义。
溶出度测试是一个关键的质量控制参数,可以提供有关药物在体外的释放速率和溶解性能的信息。
本文将介绍几种常用的快速测定药物制剂溶出度的方法。
一、旋转桨溶出仪法旋转桨溶出仪(rotating paddle apparatus)是一种常用的测量制剂溶出度的设备。
其基本原理是将固体制剂置于溶液中,通过旋转桨产生扰动,使药物从固体制剂中溶解出来。
该方法的优点是操作简便,结果稳定可靠。
具体步骤如下:1. 将旋转桨溶出器放入溶剂中,使溶剂和旋转桨完全接触。
2. 加入药物制剂,注意药物的均匀分布。
3. 启动旋转桨溶出仪,设置合适的溶出条件,如转速和温度。
4. 根据溶出曲线,测定药物的溶出度。
二、流通池溶出法流通池溶出法(flow-through cell method)通过在固体制剂表面保持恒定的溶剂流动速度,使溶剂中的药物浓度保持稳定,加快药物的溶出过程。
该方法广泛应用于片剂和软胶囊制剂的溶出度测试。
具体步骤如下:1. 将流通池溶出器装配好,并连接到流速控制泵和溶液采样器。
2. 调整药物制剂的位置,使水平投影面积达到最大。
3. 设置合适的溶剂流速和溶液温度。
4. 开始流通池溶出测试,收集溶出液样品。
5. 根据样品中药物的浓度和时间绘制溶出曲线,并计算溶出度。
三、离线溶出法离线溶出法(offline dissolution method)是通过在不同时间点采集溶出液样品,然后通过适当的分析方法测定样品中药物的含量,从而确定药物的溶出度。
该方法适用于大颗粒和悬浮剂等特殊制剂。
以下是具体步骤:1. 准备溶出器和溶液采样器。
2. 加入药物制剂并设置合适的溶剂和溶液温度。
3. 在预定时间点采集溶液样品,注意样品的取用量和保存方法。
4. 采用适当的分析方法,如高效液相色谱法(HPLC)或紫外吸收法,测定样品中药物的含量。
溶出度的测定方法溶出度是指药物在特定条件下从固体制剂中释放出来的速度和程度,是评价固体制剂释放性能的重要指标之一。
正确的测定溶出度对于评价固体制剂的质量、疗效和生物利用度具有重要意义。
下面将介绍几种常用的药物溶出度测定方法。
1. 固体制剂溶出度测定仪器。
常见的固体制剂溶出度测定仪器有流体循环式溶出度仪、桨式溶出度仪和振荡式溶出度仪。
不同的仪器适用于不同类型的固体制剂,选择合适的仪器对于准确测定溶出度至关重要。
2. 流体循环式溶出度仪测定方法。
流体循环式溶出度仪是一种常用的溶出度测定仪器,适用于片剂、胶囊等固体制剂的溶出度测定。
测定时,将制剂样品放入溶出度仪的样品槽中,加入模拟消化液,通过循环泵将模拟消化液循环流动,模拟体内环境,测定药物的释放速度和程度。
3. 桨式溶出度仪测定方法。
桨式溶出度仪适用于颗粒、颗粒包衣制剂等固体制剂的溶出度测定。
测定时,将制剂样品放入溶出度仪的样品槽中,加入模拟消化液,通过桨的旋转将模拟消化液搅拌,促使药物释放,测定溶出度。
4. 振荡式溶出度仪测定方法。
振荡式溶出度仪适用于颗粒、颗粒包衣制剂等固体制剂的溶出度测定。
测定时,将制剂样品放入溶出度仪的样品槽中,加入模拟消化液,通过振荡器将模拟消化液振荡,促使药物释放,测定溶出度。
5. 溶出度测定方法的注意事项。
在进行溶出度测定时,需要注意以下几点,首先,选择合适的溶出度测定仪器,保证测定的准确性和可靠性;其次,控制好测定条件,包括温度、pH值、搅拌速度等因素,保证测定结果的可比性;最后,进行测定时需注意操作规范,避免人为因素对测定结果产生影响。
总结。
通过上述介绍,我们可以看出,溶出度的测定方法多种多样,选择合适的测定仪器和严格控制测定条件对于准确测定溶出度至关重要。
只有通过科学、规范的测定方法,才能准确评价固体制剂的释放性能,为临床应用提供可靠的依据。
希望本文介绍的内容对于大家有所帮助。
药品检验中篮法和桨法溶出仪机械校验分析摘要:随着我国医疗技术水平的不断提高,人们的药品安全意识也在不断的增强。
在这一背景下,要想保证药品的安全,就要高度重视药品检验工作。
但在具体实践中,由于溶出仪机械的性能会直接影响到药品检验的准确度,因此就要认真做好溶出仪机械的校验工作,以此来保证我国的药品安全。
基于此,本文就药品检验中篮法和桨法溶出仪机械校验展开了详细的分析。
关键词:药品检验;篮法;桨法;溶出仪;机械校验在药品质量检测的过程中,溶出度是一项十分关键的检测指标。
在实际应用中,高灵敏度的溶出度可以对药品的溶出曲线实施有效的监控。
并且可以将药品批间生物不等效的风险降到最低。
但在溶出度的检测过程中,受仪器参数、试验条件、方法以及样品质量等多种因素的影响,检测结果的准确性就会受到较大的影响。
为此,要想进一步提高检测结果的准确性,就要对溶出仪实施机械性能校验,以此来保证其各部件的性能,增强药品检验效果。
1溶出仪校验参数的测定本文主要参照FDA DPA-LOP.002文件中的校验项目内容,对溶出仪校验参数的测定方法展开了如下分析。
1.1传动轴晃动度将摆度表安装在溶出杯顶部,用于晃动度的测定。
其中,探针要对准搅拌桨叶,与旋转状态中的传动轴进行轻触。
若采用的是机械表,在表指针进行读数时,就要稍微大于0。
指针读数最小值与最大值的差即为晃动度,且晃动度不大于1.0mm[1]。
1.2溶出杯的中心度要采用定心工具,对溶出杯的中心度进行测定。
在一般情况下,采用2个定心工具就可以确定溶出杯的中心。
具体操作就是将2个定心工具分别安装在传动轴的不同位置上,将传动轴当做中心,与溶出杯壁保持垂直[2]。
而对于搅拌桨法来讲,就是把1个定心工具安装在搅拌桨叶上方,其底部与搅拌桨叶之间的距离要保持在2mm,同时再将另外1个定心工具夹到传动轴上,其位置高度应该在搅拌桨叶上方的80mm处,这两工具探针要顺着相同的方向指向溶出杯壁。
而转篮法就是在转篮上方安装1个定心工具,其底部与转篮之间的距离应该保持在2mm,并在转篮上方安装另外1个定心工具,其底部与转篮之间的距离要保持在60mm,同样是两工具探针同方向的指向溶出杯壁。
药物溶出度仪机械验证指导原则1.原则概述2.执行人员机械验证应由具备相关技术经验的仪器验证人员或质量控制人员执行。
验证人员应熟悉仪器的使用说明书,并具备验证仪器的相关知识和理论知识。
3.验证计划和程序机械验证应有明确的验证计划和程序,包括验证仪器外观、加热系统、搅拌系统以及位移系统等各个部分,并覆盖仪器的正常操作范围。
验证过程应按照验证计划和程序进行,并记录验证结果。
4.验证参数机械验证应覆盖仪器的关键参数,如温度控制准确性、搅拌速度准确性、位移准确性等。
验证参数应与药物溶出度测定的关键参数相对应。
5.验证设备机械验证需要使用相应的验证设备,如温度计、速度计、位移计等,以准确测量仪器的各项参数。
验证设备应符合测量要求,并经过校准和检验。
6.验证标准和规范机械验证应根据相关的标准和规范进行,如国家药典、美国药典、欧洲药典等。
验证结果应符合相应的标准和规范,并对不合格项进行记录和处理。
7.验证结论和验证报告机械验证应根据验证结果得出验证结论,并编制验证报告。
验证报告应包括验证计划、验证程序、验证参数、验证设备、验证标准和规范、验证结果、验证结论等内容,并签字确认。
8.验证周期机械验证应定期进行,具体周期根据仪器的使用频率和关键参数的变化情况确定。
通常建议每年进行一次全面验证,并在遇到仪器故障、更换关键部件、更换仪器等情况下进行验证。
9.验证记录和验证数据保存机械验证的记录和相关数据应保存一定的时间,并且易于查阅。
验证记录应包括验证计划、验证程序、验证参数、验证设备、验证结果、验证结论等内容。
验证数据应进行备份,并进行适当的数据分析和处理。
10.验证后处理机械验证的结果应对仪器进行相应的调整和维护。
如果发现仪器有不合格的地方,应及时采取措施进行修复或更换相关部件,以确保仪器的正常使用。
总之,药物溶出度仪机械验证的指导原则包括明确验证计划和程序、覆盖关键参数、使用合适的验证设备、符合验证标准和规范、得出验证结论和编制验证报告等。
药物溶出仪机械验证指导原则药物溶出仪机械验证是药物溶出测试方法的关键步骤之一,其目的是验证药物溶出仪的各项性能指标是否符合规定的要求,以保证药物溶出测试结果的准确性和可靠性。
本文将从机械验证的目的、内容、流程、要点等方面进行详细阐述,以提供指导原则。
机械验证的目的是验证药物溶出仪的几种重要的性能指标,包括旋转速度、温度控制、样品轴心位置、样品的均匀性等。
通过机械验证可以确定药物溶出仪的性能是否符合规定的标准,评估其是否能够满足药物溶出测试的要求。
机械验证的内容主要包括以下几个方面:1.旋转速度验证:主要验证药物溶出仪的旋转速度是否符合规定的要求。
可使用标准转速计进行验证,比较计测的旋转速度与设定的值之间的偏差是否在规定的范围内。
2.温度控制验证:验证药物溶出仪的温度控制系统是否稳定可靠。
可使用温度计进行验证,比较计测的温度与设定的值之间的偏差是否在规定的范围内。
3.样品轴心位置验证:验证样品在溶出仪转动过程中是否保持轴心位置稳定。
可在溶出仪转动过程中,通过观察和测量验证样品轴心位置的变化情况。
4.样品均匀性验证:验证样品在溶出仪转动过程中是否均匀受力。
可在溶出仪转动过程中,通过观察样品表面的溶出曲线的变化情况,评估样品在转动过程中的均匀性。
机械验证的流程主要包括以下几个步骤:1.准备验证样品:准备符合相关规定的验证样品,包括旋转速度验证样品、温度控制验证样品等。
2.进行验证测试:按照相关规定,进行旋转速度验证、温度控制验证、样品轴心位置验证、样品均匀性验证等测试。
3.分析验证结果:比较验证结果与规定的要求,评估机械性能是否符合规定的标准,判断药物溶出仪是否能够满足药物溶出测试的要求。
4.记录和汇报:将验证结果进行记录,并报告给相关的质量管理部门或监管机构。
机械验证的要点主要包括以下几个方面:1.选择合适的验证方法和工具,确保验证结果准确可靠。
2.验证过程中应严格遵守验证方案和验证标准,确保验证的全面性和一致性。
药物溶出度仪桨法机械验证方案桨法溶出度仪是一种常见的溶出度测试仪器,其原理是将药物加入溶剂中,并在旋转桨的作用下,使药物均匀分散在溶剂中,并进行溶解。
在一定时间内,通过取样分析溶液中药物的浓度变化,从而得到药物的溶出度。
桨法溶出度仪的机械验证是为了评估仪器的性能是否符合要求,并确保测试结果的准确性和可靠性。
以下是桨法溶出度仪机械验证方案的详细步骤:1.仪器准备:将溶出度仪的主体部分放置在水平台上,确保仪器的稳定性。
安装旋转桨,确保旋转桨与溶剂接触的部分平整和无损坏。
2.仪器校验:使用已校准的标准校验筒,进行初始校验。
将标准校验筒放入溶出度仪中,设定测试参数为标准条件,并运行仪器一定时间,记录产生的溶液浓度变化。
3.校准结果评估:根据校验筒测试结果,分析溶液浓度变化曲线,并计算出校准筒的平均溶出度和标准偏差。
根据仪器的规格和要求,评估校验结果是否符合要求。
4.校正仪器参数:如果校验结果不符合要求,需要根据校验筒的测试结果,校正仪器的参数。
校正可能包括旋转速度、温度、采样时间等参数,确保仪器在测试期间的稳定性和准确性。
5.重复校验:对校正后的仪器进行再次校验,以确认校正效果。
重复上述步骤,直到仪器的校验结果符合要求。
6.校验记录:记录每一次校验的详细步骤和结果,包括使用的校验筒的批号、制造商、校验条件、校验结果和校验人员等信息。
记录应保存至少一年,以备查阅和审查。
在进行桨法溶出度仪机械验证时,需要注意以下几点:1.校验筒的选择:选择能够代表药物样品特性的标准校验筒,通常校验筒的尺寸和药物的尺寸接近,以模拟实际测试情况。
2.校验条件的确定:根据实际药物溶出度测试的条件,设置校验筒的条件。
这些条件可以包括旋转速度、温度、溶剂的类型和浓度等。
3.记录和归档:所有的校验记录都需要详细记录,包括校验日期、校验人员、校验步骤、校验结果等。
这些记录需要保存一段时间,以备将来的验证和参考。
总之,桨法溶出度仪的机械验证是确保仪器测试结果准确性和可靠性的重要步骤。
药物溶出度仪机械验证方案仪器名称: ________________________仪器型号: ________________________起草人: __________________________起草日期: _____ 年_____ 月_______ 日审核人: __________________________审核日期: _____ 年_____ 月_______ 日批准人: __________________________批批日期: _____ 年_____ 月_______ 日成都天地仁和药物研究有限公司1. 概述ZRS-8G型智能溶出试验仪为溶出度(释放度)测定常用仪器,为确保该仪器能达到用于测定样品溶出度(释放度)的要求,制定本方案对该仪器进行再确认。
1.1仪器概况ZRS-8G型智能溶出试验仪是专门用于检测固体制剂(如片剂、胶囊剂等)溶出度(释放度)的药物试验仪器,它能模拟人体的胃肠消化运动过程,配合紫外-可见分光光度计、高效液相色谱仪、原子吸收分光光度计等可检测药物制剂的溶出度(释放度)。
本仪器由主机、水浴箱、溶出杯、转轴等组成。
仪器主要参数如下:该仪器适用于测定样品溶出度(释放度)。
2. 目的对该仪器进行运行确认及性能确认,以确定仪器是否仍具有良好的检测性能,是否仍能满足日常分析测试工作的需求。
3. 范围适用于ZRS-8G型智能溶出试验仪的再确认4. 验证小组成员及职责方案执行所有空白记录都要填写,如果项目不适用,用单线划掉,签名并注明日期。
所有的测试项目都应完成,若未完成应记录,按偏差处理,并说明相关原因和解决的措施。
所有的偏差均要求记录,并用适当的方法评估其影响,并证明采用的纠正措施是可以被接受的。
偏差记录见确认记录中“ 5.偏差处理记录”。
6. 内容6.1 文件检查6.1.1目的确保与本次再确认的相关文件都齐全。
6.1.2程序6.121确定仪器使用说明书等相关原始资料和技术文件齐全。
6.1.2.2相关人员接受了再确认方案及相关操作规程的培训。
6.1.2.3确认方案中涉及的所有仪器均经过校准,并在有效期内,且有必须的相关证书。
6.1.3可接受标准根据确认记录中“ 1.文件检查记录”的要求,核对相关文件,确保文件完整。
相关人员接受了确认方案及相关操作规程的培训。
确保ZRS-8G型智能溶出试验仪及其他仪器经过校准,在有效期内,且有相应的证书。
6.1.4 原始记录检查记录见确认记录“ 1. 文件检查记录”及“ 2. 仪器与试剂”。
6.2 具体确认步骤6.2.1 验证前检查6.2.1.1 溶出杯杯体光滑,无凹陷或凸起,无划痕、裂痕、残渣等缺陷。
6.2.1.2 桨轴桨轴无锈蚀,桨面涂层光滑、无脱落。
6.2.2 仪器与试剂6.2.2.1 要求倾角仪:测量范围0〜90°,分度值0.1 °;温湿度计:湿度范围20〜95%分度值1%秒表:范围0〜5000S,分度值0.1S ;温度计:温度范围0〜50C、分度值0.1C;紫外-可见分光光度计:分析天平:感量为0.01mg;游标卡尺:测量范围0〜20cm ,分度值0.02mm振幅仪:测量范围0〜2mm分度值0.02mm转速仪:测量范围0〜200rpm,分度值0.1rpm ;百分表:测量范围0〜10cm分度值0.1mm水杨酸溶出度标准片:由于包装或运输过程中的碰撞可能会对片子的完整性造成影响,有破损的水杨酸溶出度标准片不能用于试验。
6.2.2.2 具体见确认记录“ 2. 仪器与试剂”。
6.2.3 运行确认6.2.3.1 目的考察ZRS-8G型智能溶出试验仪的各项功能是否仍达到其设计要求,并能顺利运行。
6.2.3.2 程序6.2.3.2.1 运行开始前状态的确认对照使用说明书,确认环境、电源等是否符合要求,具体按确认记录中“3.1 运行确认开始前状态的确认记录”进行。
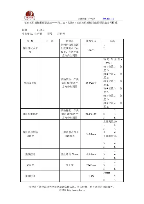
6.2.3.2.2 机械尺寸确认依据《中国药典》2015年版第四部通则0931溶出度与释放度测定法,使用游标卡尺测定溶出杯、转蓝、搅拌桨的规定尺寸,具体按确认记录“ 3.2 机械尺寸确认记录”进行。
6.2.3.2.3 溶出仪水平度确认用倾角仪在溶出杯的水平面板上从两个垂直方向上测量,两次测量的数值均不得超出0.5°表明溶出仪水平放置达到要求。
否则应调整溶出仪,直到符合水平放置的要求。
具体按确认记录“ 3.3溶出仪水平度确认记录”进行。
6.2.3.2.4 桨轴、溶出杯垂直度确认紧贴桨轴测量垂直度,再沿桨轴旋转90°测量,每根桨轴两次测量的数值均不得超出90.0 °±0.5 °。
紧贴溶出杯内壁(避免触及溶出杯底部圆弧部分)测量垂直度,再沿溶出杯内壁旋转90°测量,每个溶出杯两次测量的数值均不得超出90.0 °± 1.0 °。
具体按确认记录“ 3.4 桨轴、溶出杯垂直度确认记录”进行。
6.2.3.2.5 转轴与溶出杯的同轴度确认仪器的每个溶出杯孔旁,有3个偏心轮,用来固定溶出杯,先将仪器所带的测同心圆的盖子放在第一个溶出杯上,将转轴反过来从仪器的上端插入,直到通过同心圆盖上的孔,如位置不对,应调整3个偏心轮的位置,使溶出杯固定于中心位置上,再用同样的方法调整第六个杯的位置,然后再调整其他四个杯的位置(调整后,应将每个溶出杯编号,此后如不移动溶出仪,则不需要每次都调整)在溶出杯内的桨轴上下各取一个点,以桨轴为中心旋转一周,选择夹角为120°的三个点测量桨轴与溶出杯内壁的距离,来表征溶出杯垂直轴与桨轴的偏离。
一个测量点位于溶出杯上部靠近溶出杯上缘,另一个测量点位于溶出杯圆柱体内靠近桨叶上方(两点在同一方向)。
每个溶出杯在2个点测量的最大值与最小值之差均不得超出2.0mm具体按确认记录“ 3.5转轴与溶出杯的同轴度确认记录”进行。
6.2.3.2.6 通电状态级按键确认给仪器通电,观察显示窗、控制面板按键、水浴箱、转轴转动等的国内工作状态,确认仪器的主要按键级功能,具体按确认记录中“ 3.6 通电状态级按键确认记录”进行。
6.2.3.2.7 桨叶深度确认测量每个溶出杯内桨叶下缘与溶出杯底部的距离,均应为25m± 2mm具体按确认记录中“ 3.7 桨深度确认记录”进行。
6.2.3.2.8 转轴摆动幅度的确认确认前使桨叶底部距溶出杯内底部25m± 2mm在桨叶上方约20m处测量,将仪器转速设定为50转/ 分,连续测量15秒,每根桨轴测量值不得超过 1.0mm。
具体按确认记录中“ 3.8 转轴摆动幅度确认记录”进行。
6.2.3.2.9 时间准确度的确认设置运行时间为45分钟并运行,从转杆开始转动,“秒信号指示灯”开始闪亮,用秒表开始计时,当转杆停止运行,“秒信号指示灯”恒亮不闪,秒表计时停止,比较秒表与实际运行时间的时间差。
具体按确认记录中“ 3.9 时间准确度确认记录”进行。
6.2.3.2.10 转轴转速的确认将桨轴的转速设定在每分钟100转,用转速仪连续测定60秒,各桨轴的转速均应在100±4%转范围内。
6个溶出杯中的转动轴,其转速均应一致。
具体按确认记录中“ 3.10 转轴转速确认记录”进行。
6.2.3.2.11 温度均匀性的确认将水浴箱中水位调整刻度线以上,将所规定的溶出介质脱气,并按规定量置于溶出杯中,开启仪器温度显示窗的启停键,使溶出仪处于加热温控状态,当温度达到设定温度(一般应根据室温情况,可稍高于37C(+0.5〜1.0 C),以使溶出杯中溶出介质的温度为37C )半小时后,用0.1分度的温度计,逐一在溶出杯中测量溶出介质的温度,各杯温度均应在37C±0.5 C。
具体按确认记录中“3.1 1温度均匀性确认记录”进行。
6.2.3.2.12 溶出仪振动确认溶出度仪运转时,整套装置应保持平稳,均不应产生明显的晃动或振动(包括所处的环境)。
6.2.3.3 可接受标准运行确认开始前状态:室内清洁,没有存放与试验无关的易燃、易爆和强腐蚀性的物质,无阳光直射,仪器周围没有较大的振动。
环境温度5〜35C;相对湿度w 80%仪器平稳地安置在水平工作台上,在仪器水箱下部垫有橡胶垫。
机械尺寸:符合《中国药典》2015年版第四部通则0931溶出度与释放度测定法要求。
仪器水平:用倾角仪在溶出杯的水平面板上从两个垂直方向上测量,两次测量的数值均不得超出0.5°。
桨轴、溶出杯垂直度:桨轴两次测定结果在90.0°± 0.5°;溶出杯两次测定结果在90.0°± 1.0°转轴与溶出杯的同轴度:每个溶出杯在2个点测量的最大值与最小值之差均w2mm。
通电状态级按键:电源开关开启后数字显示清晰准确,仪器上的主要按键及功能正常。
桨叶深度:桨叶下缘与溶出杯底部的距离,均应为25mm± 2mm。
转轴摆动幅度:每根桨轴测量的最大值与最小值之差不得超过 1.0mm。
时间准确度:误差不大于± 2秒。
转轴转速:在所预设转速的± 4%范围内。
温度均匀性:温度设定37C时,各杯温度均应在37C±0.5 C。
溶出仪振动:无明显的晃动或振动。
6.2.3.4 原始记录运行确认结果见确认记录中“ 3. 运行确认记录”。
6.2.4 性能确认6.2.4.1 目的检查仪器在测试同一药品时是否能得到良好的重现性的溶出数据,满足准确测定溶出度的需要。
6.2.4.2 性能确认开始前状态的确认设备与电源连接正常。
运行确认正常。
6.2.4.3 性能测试(浆法)6.2.4.3.1 溶出介质的制备取磷酸二氢钾6.80g ,加氢氧化钠1.58g,用水稀释至1000ml,即得磷酸盐缓冲液(pH = 7.4 ± 0.05 )。
将配制好的磷酸盐缓冲液加热至约45C,趁热减压过滤(0.45卩n)。
减压条件下电磁搅拌5分钟(最大体积4000ml)。
即得。
或取磷酸二氢钾6.80g,加氢氧化钠1.58g,先用尽量少的水溶解(约50ml), 加煮沸并冷却至约41T的水稀释至1000ml,即得。
也可采用其他等效的脱气方法,溶出介质中的溶解氧应不超过 2.8mg/L 。
6.2.4.3.2 对照品溶液制备取水杨酸对照品约15mg,精密称定,置200ml量瓶中,加溶出介质适量,使水杨酸溶解并稀释至刻度,摇匀。
作为对照品溶液。
为了加快水杨酸的溶解速度,也可先用少量乙醇溶解后再用溶出介质稀释至刻度。
但是乙醇的用量应不超过总体积的1% (对照品溶液应平行制备两份)。
6.243.3 供试品溶液的制备取溶出介质各900ml,分别置各溶出杯内,注意不要将空气带入溶出介质中,不要搅拌,温度平衡后,保持在37±0.5 C,调整转速为100转/分钟。