5.根据配载图及船舶资料计算杂货船稳性、强度及吃水差
- 格式:ppt
- 大小:1.20 MB
- 文档页数:51
货物积载与系固实操评估考卷《一》《一》船舶主要标志辨识及应用一、水尺标志:1、正确读取船舶水尺标志(1分):a) 8.52 m ;b) 4.83 m ;c)8.03 m ;d) 4.93 m ;2、计算船舶平均吃水并正确判断船舶拱垂变形(1+ 1分):某船船长L BP : 107.00m, 测得首吃水为4.44m、4.38 m, 尾吃水为6.33m、6.37m,船中吃水为5.44m、5.48m, 其中X f : -0.25m, 则判断该轮拱垂变形情况。
a) 5.39 m , 中垂;b) 5.38 m,中拱;c) 5.39 m , 中拱;d) 5.38 m , 中垂;二、载重线标志:1、正确识读如下载重线( 2分):a) 夏季淡水载重线,法国船级社监造 。
b) 热带载重线,日本船级社监造 。
c) 夏季载重线,希腊船级社监造 。
d) 热带淡水载重线,挪威船级社监造 。
2、某船航行于使用北大西洋载重线的海区,该水域密度为1.005g/cm3, 则由下图判断该轮最高允许的水线应为?( 2分 )a) 该轮最高允许的水线应为Ab) 该轮最高允许的水线应为Bc) 该轮最高允许的水线应为Cd) 以上都不是三、 其他标志:1、 识别如下船体标志(1分):箭头所示表明何种载重线?a) 船首柱和锚链筒标志 。
b) 船首柱和首侧推器标志 。
c) 船首鼻和锚链筒标志 。
d) 船首鼻和首侧推器标志 。
《二》货物包装和标志辨识及应用一、普通货物包装和标志1、识别如下图中货物包装“A ”箭头所指示标志的含义(1分):a) A 箭头所指表示信用证编号 。
b) A 箭头所指表示货件批号 。
A:箭头所示是何含义B:箭头所示是何含义C : 箭头所示是何含义c) A箭头所指表示产品代码。
d) A箭头所指表示贸易合同编号。
2、识别上图中货物包装“B”箭头所指示标志的含义(1分):a) B箭头所指表示始发港港名。
b) B箭头所指表示原产国名称。
船舶稳性和吃水差计算船舶稳性和吃水差计算Ship stability and trim calculations1.总则General rules保证船舶稳性和强度在任何时候都保持在船级社认可的稳性计算书规定范围内,防止因受载不当,产生应力集中造成船体结构永久性变形或损伤。
Ensure stability and strength of the ship at all times to maintain stability within stability calculations approved by the classification societies in order to prevent due to load improperly resulting in stress concentration which will cause the ship structure permanent deformation or subversion.2.适用范围Sphere of application公司所属和代管船舶的稳性、强度要求To satisfy the requirement of company owned and managed ships stability and strength3.责任Responsibility3.1.大副根据本船《装载手册》或《稳性计算手册》等法定装载资料,负责合理配载或对相关部门提供的预配方案进行核算,确保船舶稳性及强度处于安全允许值范围。
Based on the ship "loading manual" or "stability calculations manual" and other legal loading information, the chief officer is responsible for making reasonable stowage plan or adjust accounts of the pre plan from relevant departments to ensure stability and strength of the ship in a safe range of allowed values.3.2.船长负责审批大副确认的配载方案和稳性计算。
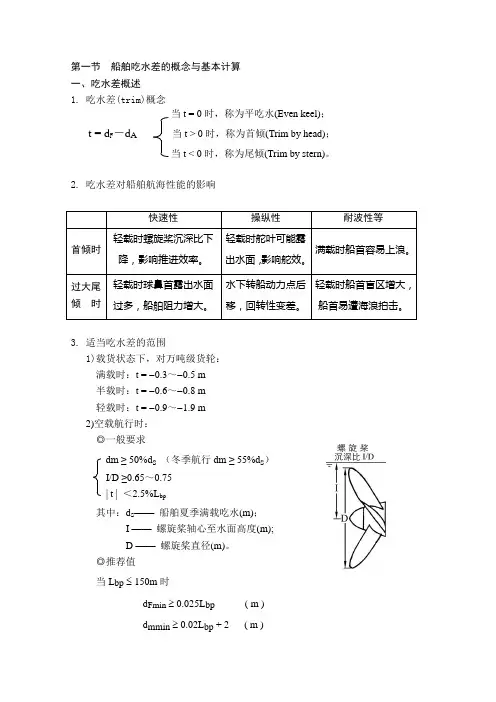
第一节船舶吃水差的概念与基本计算一、吃水差概述1. 吃水差(trim)概念当t = 0时,称为平吃水(Even keel);t = d F-d A当t > 0时,称为首倾(Trim by head);当t < 0时,称为尾倾(Trim by stern)。
2. 吃水差对船舶航海性能的影响快速性操纵性耐波性等首倾时轻载时螺旋桨沉深比下降,影响推进效率。
轻载时舵叶可能露出水面,影响舵效。
满载时船首容易上浪。
过大尾倾时轻载时球鼻首露出水面过多,船舶阻力增大。
水下转船动力点后移,回转性变差。
轻载时船首盲区增大,船首易遭海浪拍击。
3. 适当吃水差的范围1)载货状态下,对万吨级货轮:满载时:t = -0.3~-0.5 m半载时:t = -0.6~-0.8 m轻载时:t = -0.9~-1.9 m2)空载航行时:◎一般要求dm ≥ 50%d s(冬季航行dm ≥ 55%d s)I/D ≥0.65~0.75| t | <2.5%L bp其中:d s——船舶夏季满载吃水(m);I ——螺旋桨轴心至水面高度(m);D ——螺旋桨直径(m)。
◎推荐值当L bp≤ 150m时d Fmin≥ 0.025L bp( m )d mmin ≥ 0.02L bp + 2 ( m )当L bp > 150m 时d Fmin ≥ 0.012L bp + 2 ( m ) d mmin ≥ 0.02L bp + 2 ( m ) 二、吃水差产生的原因1. 纵向上,船舶装载后总重心与正浮时的浮心不共垂线,即g b x x ≠2. g x 的求法 合力矩定理 ()i i g P x x ∑⋅=∆三、吃水差的基本计算 1. 纵向小倾角静稳性理论证明,船舶在小角度纵倾时,其纵倾轴为过初始水线面漂心的横轴,在排水量一定时,纵倾前后相临两浮力作用线的交点L M 为定点,L M 称为纵稳心。
sin tan RL L L L BPt M GM GM GM L ϕϕ=∆⋅⋅≈∆⋅⋅=∆⋅⋅2. 每厘米纵倾力矩MTC :吃水差改变1cm 所需要的纵倾力矩,可由资料查得。
题卡号:编码:题目:编制杂货船的配积载计划评估时间:120分钟评估方式:实操评估项目“货物积载与系固——杂货船配积载”答题卷姓名: 学号:得分:一、核定航次货运任务与船舶载货能力是否相适应1.计算航次净载重量NDW,查取航次装货重量,并判别能否承运?结论:2.查取货物总体积及船舶总舱容,并判别能否承运?结论:3.船舶其他装载能力是否满足要求?结论:二、确定航次货重在各货舱、各层舱的分配控制数各货舱配货重量核算表表 - 1三、确定货物的舱位和货位(货物配舱)货物配舱的基本要求:(供参考,评估员按正式积载图评分)1.为满足稳性、纵强度和吃水差的要求,各舱实配货物重量应在上、下限范围内,上、下层舱配货重量比应保持在30% ~ 35%:65% ~ 70%;2.合理确定不同货物的舱位和货位;3.忌装货物之间应进行妥善隔离;4.无重货压轻货,易碎品受压现象;5.各舱室实际配货体积至少需小于该舱舱容20m3;6.满足装卸顺序要求,先卸港货不被后卸港货堵住;7.各卸港货物的装载左右均衡,船舶无初始横倾角;四、对初配方案进行全面核查各货舱配货容积核查表表 - 3五、离始发港状态下船舶的稳性、纵向受力和吃水差的核查与调整说明:操作级评估仅限于表-5中非*列的计算和查表,以及下列3中稳性校核。
船舶载荷力矩计算表表 - 5续表 - 5从船舶资料中查取:1.计算离港时的吃水差t,(要求t= -0.3 ~ -0.5m,该步仅限于管理级评估做)结论:调整方法:(仅需用文字定性说明)2.核算船舶离港时的纵强度(该步仅限于管理级评估做)查船舶强度曲线图,船舶处于 状态 结论: 调整方法:(仅需用文字定性说明)3.计算船舶离港时GM 值,判别稳性是否符合要求:结论:调整方法:(仅需用文字定性说明)=∆∑=ii g X P X =-∆=MT C100)X X (t b g =∑i i X P 20.0GM GM2.0GM GM KG KM GM GM Z P KG C C f 0f ii 0+=+=δ--==δ=∆∑=六、绘制正式积载图货物积载图船名(M/V)航次(V o y n o.)S T O W A G E P L A N自(F o r m)到(T o)备注Remark19s大副签章(SIGNATURE OF CHIEF OFFICER)20附:积载图草稿 货物积载图S T O W A G E P L A N备Remarks22附录:杂货船“Q”轮船舶资料1.主要参数夏季排水量Δs 19710 t 夏季型吃水d s9.20 m 热带排水量ΔT20205 t 热带型吃水d T9.39 m 冬季排水量Δw19215 t 冬季型吃水d w 9.01 m 空船排水量ΔL 5565 t 空船型吃水d L 3.14 m 垂线间长L bp 148.0 m 型宽B 21.2 m 型深D 12.5 m 龙骨板厚度0.03m 船舶常数220.0 t 设计船速17.5 kn2.静水力性能数据表3.最小许用初稳性高度数据表4.各液体舱自由液面惯性矩注: i x小于10 m4的各油水舱柜均未列入本表。
吃水差和吃水的计算一、吃水差与吃水的计算:1、吃水差:1)大量装卸货物时吃水差t的计算:t=D(Xg-Xb)/(100CTM);(米)Xg -重心到船中的距离Xb -浮心到船中的距离D-排水量;CTM-厘米纵倾力矩2)小量装卸货物时吃水差∆t的计算:∆t=P(Xg-Xf)/(100CTM); (米)∆t-为装卸货物P时的吃水差的变化量;Xf-为漂心距离船中的距离,其值的正负号与Xg和Xb的取法相同。
2、吃水:1)粗略计算:设漂心在船中,即Xf=0TF=TM+t/2 ; TA=TM+t/2装卸货物产生的平均吃水T的增减值∆T=P/(100TPC) (米);装货时P取“+”,卸货时P取“-”;TPC-厘米吃水吨数。
2)精确计算:漂心不在船中,即Xf≠0,Xf的值需要从稳性报告书中查得。
a、大量装卸货物:TF=TM+(Lbp/2-Xf)•t/ Lbp;TA=TM-(Lbp/2+Xf)•t/ Lbp;b、少量装卸货物:TF=TM+∆T+(Lbp/2-Xf)•∆t/ Lbp;TA=TM+∆T-(Lbp/2+Xf)•∆t/ Lbp;∆T-装卸货物的吃水变化量,∆T=P/(100TPC) (米)∆t-装卸货物的吃水差改变量,∆t=P(Xg-Xf)/(100CTM); (米)漂心船中Xf水线∆t •TA Lbp /2 TMLbp二、吃水差比尺:船舶各个货舱少量装卸货物的100吨吃水变化量是由以下两式计算出来的,在船舶水尺调整中普遍使用:∆TF=100/TPC+[( Lbp/2-Xf)/ Lbp×100(Xg-Xf)/CTM]∆TA=100/TPC+[( Lbp/2+Xf)/ Lbp×100(Xg-Xf)/CTM]对船舶吃水和吃水差的要求一、装载情况下除有其他特殊要求外一般应:1、满载:尾倾0.3~0.5m2、半载:尾倾0.6~0.8m3、轻载:尾倾0.9~1.9m但已经证实有的船舶在重载情况下航速最快是在首倾0.3~0.5m左右二、空载航行时的吃水要求1、LBP≤150m:dFmin≥0.025 LBP (我国为dFmin≥0.027 LBP)dMmin≥0.02 LBP+22、LBP>150m:dFmin≥0.012 LBP +2dMmin≥0.02 LBP+2三、空载航行时的吃水差要求吃水差t与船长LBP的比值t/LBP<2.5%, 倾角小于1°.5,但沉深比h/D>50%~60%,因为h/D<40%~50%时,螺旋浆效率明显下降;h-浆轴到水面的距离,D-螺旋浆直径。
评估项目“货物积载与系固——杂货船配积载”参考答案 题 卡 号:O —gen--1 编 号:JF211题 目:编制杂货船的配积载计划 评估时间:180分钟 评估方式:实操一、 核定航次货运任务与船舶载货能力是否相适应?1. 核定航次净载重量NDW ,查取航次装货重量,并判别能否承运?船舶计划于11月1日在上海港装货后开航去厦门,经查船舶使用夏季载重线,满载排水量为:Δs =19710t 。
t C G NDW L 12095220)283221480(556519710=-++--=-∑-∆-∆=本航次装货重量Q=6832t 结论:航次净载重量大于航次装货重量。
2. 查取货物总体积及船舶总舱容,并判别能否承运?查取货物总体积=∑V14116m 3,船舶总舱容ch V ∑=19591m 3。
结论:船舶总舱容大于航次货物总体积。
3. 船舶其他装载能力是否满足要求?本航次货载任务中有一票“S/O1丝绸”为贵重货,其所需舱容为180m 3,“Q ”轮NO5舱中有一贵重舱,共有舱容259m 3,而且无其他特殊货载。
结论:船舶的承运条件满足航次货载的要求,船舶能够承运载货清单上的所有货物。
二、 确定航次货重在各货舱、各层舱的分配控制数 1. 航次货载在各货舱的分配控制数表2.各层舱配货重量核查表三、确定货物的舱位和货位 (不要做)1. 货物在各货舱的实配货物重量如上表,均在允许装货上下限范围。
二层舱分配货重1904t ,底舱分配货重3600t ,分别保持在30%~35%和65%~70%。
应能满足船舶对稳性、纵强度和吃水差要求。
2. 合理确定不同货物的舱位和货位:(1) “S/O3中国茶叶”安排在NO1和NO2货舱,满足远离热源的要求;(2) “S/O2日用品”为普通货物,安排在NO2的二层舱,与“S/O3中国茶叶”同一室;“S/O4棉纺织品”为清洁货物,“S/O6搪瓷制品”为易碎品;“S/O5大豆”为食品,“S/O6搪瓷制品”为易碎品;它们共一舱室时,不会相互作用而发生货损。
1 货舱清洁货舱内务部位应无残留的有害杂质,或易沾污装或货物的污秽物,如盐糖,化肥,霉烂粮谷,易脱落的锈片,对本航主要的就是防止霉烂的糖谷,易脱落锈片,除对于货舱进行清洁外,应根据拟装货物的要求,将货舱冲干净。
2 货舱的干燥要求舱内各部位应无积水,(包括污水沟,污水井的积水)漏水,汗水,漏油及潮湿现象。
除开舱通风干燥外必要时应用人工擦拭烘烤或增加临时的帆布筒以加速干燥3对货舱无异味的要求货舱内应无油漆味,腥味,臭味,和足以影响货物质量的异味,除味方法,进行彻底清扫洗刷,可用菜味咖啡味豆加热进行除残留异味。
4要做到货舱内无害虫舱内应无鼠及其他足以影响货物的害虫,按指定要求对货舱进行熏舱以保证货物质量5对货舱水密及设备的要求货舱的舷壁,舱的设备必须水密,舱内各科护货板从孔盖污水沟和污水井盖板,各种管系必须完成好。
通风设备必须外于良好技术状态,水密和设备如有缺陷,往往会造成很大的货损事故,如货舱和阀门有缺陷,水管迸裂,双层底的孔盖封闭不严,临近淡水层舱或压载舱的货舱壁由于装卸不当造成直接经济损失成的损失,裂纹等,使油水渗入或倒灌进入货舱,以至货物被污染或水淹因此要求负责货运工作的驾驶人员必须对货舱所有设备的现状做到心中有数。
并在装货前细致检查采取必要措施,才能避免这类事故的发生。
此航次所装货物为圆木,所以装货前先进行扫舱把主要大的垃圾及上次装货的残留物给清除掉,然后进行清舱,而后把污水井掏干净,保持货舱干燥,这基本上就可以了。
货舱的准备工作除以上几个要求外,如使用船吊还应包括设备的起落安置和各部件的检查;装货所用的衬垫,隔离物料的选择与准备等。
三船舶配载图实际编绘及船舶性能校核;杂货船的配积载是一项关系到船舶安全及货运质量的繁重复杂细致的工作,因此船上负责货运工作的大副,必须以高度负责的精神,严谨的科学态度,认真塌实的工作作风,迅速圆满的完成各个航次的配积载任务。
首先必须熟悉包括船舶、货物港口航线等的有关情况及资料;作好充分的准备工作。
《船舶原理与配载》课程标准一、课程性质与任务本课程是港口与航运管理专业的一门专业(技能)课程。
按照立德树人根本要求,以“三全育人”为路径,培养学生高尚道德情操和正确价值观。
通过本课程的学习,使学生具备船舶配载的专业技能,使学生能够完成理货员、调度员、配载员、操作员等岗位的基本工作。
前续课程为《航海概论》、《货物学常识与实务》、《集装箱运输业务》;后续课程为《港航综合实训》。
二、课程教学目标(一)知识目标1.熟悉船舶的基本组成与结构;2.掌握船舶营运技术性能,掌握船舶的载货能力、稳性、吃水、强度等原理;3.掌握集装箱船舶的配积载原则、过程、方法和基本要求;4.熟悉杂货船舶配积载的基本知识。
(二)能力目标1.能够合理安排货物保证船舶稳性,并能进行船舶稳性调整;2.能够合理安排货物保证船舶吃水差,并能进行吃水差调整;3.能够合理安排货物重量,保证船舶的各种强度;4.能够编制集装箱船舶预配图;5.能够进行集装箱船舶实配;6.能够编制杂货船配载图。
(三)素质目标1.通过船图制定养成严谨细致的作风和质量意识;2.通过小组学习培养学生的团队合作意识;3.具备较高的分析能力和判断能力。
三、参考学时参考课时:72学时四、课程学分课程学分:4学分六、教学建议(一)教学方法建议在有条件的情况下更多的采用“线上+线下”混合式教学模式,融入移动信息化教学手段。
建议采用“教、学、做”三位一体教学模式,建议运用现代信息技术,建立货物积载实训室采用案例教学,情境模拟、实境教学等多种教学方法,营造开放仿真的教学环境,引导学生带着问题去学习探究,使学生真正成为课堂学习的主体。
建议进行分组教学,项目教学,在教学过程中锻炼学生沟通能力、协作能力、组织领导能力及团队精神。
(二)评价方法引入行业标准和作业规范,建设课程在线题库,实现教考分离。
注重过程考核和能力2.师资条件建议本课程的教师有实际配载经历,或到集装箱码头船公司进行过实践锻炼,除熟悉集装箱码头业务和航运业务外,还要掌握船舶基本原理3.学习资源选用推荐使用数字化教学平台资源;选用与课程相关的多媒体素材(如图形/图像、音频、视频和动画)、数字化教学案例库、虚拟仿真软件、数字教材等数字资源。
5. 船舶吃水差的计算与调整☐5. 船舶吃水差的计算与调整(41期)☐5. 船舶吃水差的计算与调整(42期)☐5. 船舶吃水差的计算与调整(43期)☐5. 船舶吃水差的计算与调整(44期)☐5. 船舶吃水差的计算与调整(45期)5. 船舶吃水差的计算与调整(41期)☐1.某万吨货轮某航次半载出港时吃水差t=-0.7m,则根据经验将会对船舶产生的影响是:☐A. 提高航速☐B. 提高船舶舵效☐C. 减少甲板上浪☐D. A、B、C均有可能⏹参考答案:D5. 船舶吃水差的计算与调整(41期)☐2.通常情况下,船舶空载航行时,其吃水差与船长之比的绝对值应:☐A. 大于2.5%☐B. 大于1.5%☐C. 小于2.5%☐D. 小于1.5%⏹参考答案:C5. 船舶吃水差的计算与调整(41期)☐3.某轮两柱间长为76m,装货后平均吃水为6.02m,漂心距中距离为1.16m ,吃水差为-0.97m,则船尾吃水为______m。
☐A. 6.08☐B. 6.52☐C. 6.68☐D. 6.38⏹参考答案:B5. 船舶吃水差的计算与调整(41期)☐4.船舶纵向移动载荷调整吃水差,已知t=-0.30m,则由前向后移动载荷时,吃水差将:☐A. 增大☐B. 减小☐C. 不变☐D. 变化趋势不定⏹参考答案:A5. 船舶吃水差的计算与调整(41期)☐5.某船尾吃水5.49m,吃水差-0.46m,漂心在船中,查得在某舱加载100吨时首吃水的改变量为-7.38cm,尾吃水的改变量为13.39cm,则在该舱卸货205t后船舶首吃水为______m。
☐A. 5.11☐B. 5.18☐C. 5.26☐D. 5.48⏹参考答案:B5. 船舶吃水差的计算与调整(42期)☐1.船舶装载后,经计算,重心在浮心之前,则船舶______。
☐A. 首倾☐B. 尾倾☐C. 正浮☐D. 浮态不能确定⏹参考答案:A5. 船舶吃水差的计算与调整(42期)☐2.根据经验,万吨级货轮在半载时适宜的吃水差为尾倾______m。
根据配载图及船舶资料计算杂货船稳性强度及吃水差本文将介绍如何根据杂货船的配载图和船舶资料来计算其稳性强度和吃水差。
其中,稳性强度是指船舶的稳定性能,即船体在波浪中不会翻翻滚滚;而吃水差则是指船舶在达到满载状态时比空载状态下要深多少。
这些数据对于船舶的设计和运输都是非常重要的。
稳性强度稳性强度是指船舶在波浪中的稳定性能。
为了计算船体的稳定性能,我们需要了解以下几个参数:•船舶的体积(V)•船舶的重心高度(G)•船舶的物理重量(W)•船舶的成建造型(KB)其中,船舶的成建造型(KB)是指船底与轴线间的距离,是一个重要的参数。
为了计算稳性强度,我们需要计算以下三个要素:1.净稳性力矩(M)2.转动力矩(GZ)3.净上浮力(B)净稳性力矩(M)是指一个船体受到倾斜力后,稳定性中心在倾斜较高侧的力矩。
净稳性力矩越大,说明船体的稳性越好。
转动力矩(GZ)是指在倾斜的船体中,水线不能超过水平线的距离。
转动力矩越大,说明船体的稳性越好。
净上浮力(B)是指一个船体浮力中,在水线下的部分。
净上浮力越大,说明船体的稳性越好。
根据配载图和船舶资料,我们可以计算出上述三个要素的值,并绘制出船体的稳性曲线图。
稳性曲线图可以反映出船体在不同海况下的倾斜角度和稳定性性能。
吃水差吃水差是指船舶在满载状态下和空载状态下的水线差值。
为了计算吃水差,我们需要知道以下参数:•船舶在空载状态下的吃水(T0)•船舶在满载状态下的吃水(T)•船舶在满载状态下的排水体积(D)吃水差可以计算出船舶在满载状态下的最少疏浚深度,这对于港口设施和水路建设都有很大的参考价值。
本文介绍了如何根据配载图和船舶资料来计算杂货船的稳性强度和吃水差。
通过理解稳性强度和吃水差的概念和计算方法,可以帮助船舶设计师和运输业者更好地评估船舶的性能和运输成本,提高船舶的安全性和经济性。
海上货物运输知识点整理-CAL-FENGHAI-(2020YEAR-YICAI)_JINGBIAN海上货物运输知识点整理航海部杨森荣海上货物运输知识点整理航海技术杨森荣第一部分配载常识指引(一)非危险货物的隔离性质互抵的非危险货物,在积载时也应根据它们之间的影响程度进行必要的隔离。
主要应明确货物间互抵性的辨别和相应的隔离要求两方面。
1.货物互抵性辫别辨别,可将这些货物归纳为以下几类,然后确认哪些货物与其不能混装。
1)易引起化学反应的货物主要包括金属制品、棉皮制品、文具纸张、化肥、水泥、茶叶等,它们与酸、碱、盐等有腐蚀性和潮解性的货物混装时,会使货物因腐蚀、中和等作用而降低或丧失使用价值。
2)食品类货物食品类货物如谷物、茶叶、蜂蜜、调味品、果菜、食糖等,不能与气味货、有毒物质混装,对此,应慎重配装。
应该注意的是,因货物成分不同,气味货对食品类货物的影响也不同。
强烈气味货如骨粉、鱼粉等本身气味极强,对食品影响较大;一般气味货如化妆品、香精、生皮类、毛发等,危害较强气味货小些;食品类气味货如烟叶、辣椒干、调料等具有忌装和感味双重性。
3)忌杂质的货物粮食、纸浆、耐火材料、金属矿石、滑石粉、焦炭等均忌混入杂质,它们除在装载前彻底清扫货舱外,尚应注意与扬尘污染货等隔离装载。
4)忌油污或污染的货物棉麻及制品、橡胶及制品均为忌油污货物;清洁货物如丝绸、纸张、滑石粉及食品类均忌污染,配装时应分别与桶装油类、油脂等和水泥、炭黑等扬尘污染货隔离。
5)忌潮湿的货物玻璃、棉花、工艺品、烟叶、茶叶、糖类等均为忌潮湿货物,它们均不能与散发水分的货物(如谷物、果菜、矿石、木材等)混装,应尽可能隔离装载。
2.互抵货物的隔离等级根据货物互抵程度,可分成以下3种隔离等级:1)不同舱性质互抵的货物不能装载在同一货舱,而必须分装在不同的货舱内。
2)不同室即互抵货不能装载在同一舱室,它们可分别装在同一货舱的二层舱和底舱。
3)不相邻即在性质互抵的货物之间用非互抵货隔离,从而使互抵货物不直接相接触。