活塞环三隙及漏光度检检测
- 格式:doc
- 大小:124.50 KB
- 文档页数:2
检测活塞环三隙的实验原理活塞环是一种用来提高发动机压缩比和减小燃油消耗的重要部件,它负责保持气缸墙面及油膜处紧密接触以防止润滑油进入燃烧室。
然而,在使用过程中,由于活塞环受到较大的磨损,长时间使用后就会出现三隙,即上隙、中隙和下隙。
这些隙缝会导致燃烧室内的压缩气体泄漏,因此需要对三隙进行检测,以保证发动机正常运转和有效降低污染排放。
本文将介绍检测活塞环三隙的实验原理。
一、上隙检测原理:上隙是指活塞环与缸墙之间的距离,如图1所示。
检测上隙的方法有很多种,以下是常用的两种方法:方法一:借助摆杆式千分尺靠近缸壁或者磨损部位,将千分尺读数作为上隙。
方法二:利用机内同心度仪或者红外线线探头测量,如图2所示。
将同心度仪或者红外线线探头放置在活塞环顶部上方,由于活塞环有一定的弹性,同心度仪或者红外线线探头会被向外推动,记录下推动量,这个量就是上隙。
二、中隙检测原理:中隙是指活塞环和活塞之间的距离,如图3所示。
检测中隙的方法一般有以下两种:方法一:采用摆杆式千分尺,将其对准活塞环的切向缺口,根据读数确定中隙。
方法二:采用旋转一定角度的偏心盘,展开一个幅度,得出活塞环的弹性和变形量,从而间接得出中隙。
三、下隙检测原理:下隙是指活塞环和缸体之间的距离,如图4所示。
下隙的检测方法和上隙类似,常用的两种方法有:方法一:采用摆杆式千分尺,将千分尺靠近活塞环下方,记录读数,即可测算出下隙。
方法二:采用作用在活塞环下部的恒力盘与千分尺,底部注满胶体测量方法,使活塞环下部发生一定变形,移量计读出滑动量,根据活塞环的变形和滑动量得出下隙。
总之,通过以上检测方法可以测定出活塞环三隙的大小情况,从而判断活塞环是否满足使用要求。
同时,需要提醒的是,为保证检测准确性,请严格按照操作规程进行检测,并定期对活塞环进行检测和更换,保证发动机的正常运转。
活塞环三隙的检测操作步骤活塞环三隙的检测操作步骤,是在活塞环修理时及维修过程中必不可少的一个检测过程,它是为了检验活塞环的预设内外径及其厚度,确保活塞环能够正常工作。
活塞环三隙检测操作步骤如下:一、准备工具和材料准备活塞环检测仪器、活塞环尺寸标准块、活塞环检测支架、活塞环检测表及有关工具和材料。
二、活塞环检测仪器的准备将活塞环检测仪器加电,正确调节活塞环检测仪器的指示灯,调整好活塞环检测仪器的显示屏,并将活塞环检测仪器与活塞环检测支架连接起来。
三、活塞环检测支架的安装将活塞环检测支架安装在活塞环检测仪器上,然后将活塞环放置在活塞环检测支架上,使活塞环的四周完全接触支架。
四、活塞环的检测根据活塞环的内外径大小,选择相应的活塞环尺寸标准块,将其放置在活塞环的内外径上,使活塞环尺寸标准块与活塞环的外径完全接触,并且确保活塞环尺寸标准块不能滑动。
拧紧活塞环检测仪器上的手柄,使活塞环尺寸标准块把活塞环挤压至一定尺寸,挤压后活塞环的内径会发生变化,此时应多次测量活塞环的内外径,直至活塞环的内外径的值满足要求为止。
五、活塞环的调整如果活塞环的内外径的值不满足要求,则应在活塞环上进行调整,例如:如果活塞环的内径过小,则应在活塞环上进行补偿,即用活塞环补偿器将活塞环补偿至规定的尺寸;如果活塞环的外径过大,则应在活塞环上进行调整,即用活塞环调整器将活塞环调整至规定的尺寸。
六、活塞环的检测在活塞环修理完成后,再次检测活塞环的内外径,并将检测结果记录在活塞环检测表上,以判断活塞环是否符合要求。
七、活塞环的清洗在活塞环的检测完成后,应对活塞环进行清洗,以去除活塞环表面的油污、杂物等,确保活塞环的正常工作。
八、活塞环的安装在活塞环清洗完成后,将活塞环放置到活塞环安装位置,然后用活塞环安装器将活塞环紧固到指定位置,以确保活塞环能够正常工作。
总之,活塞环三隙的检测操作步骤是非常重要的,在活塞环修理及维修过程中,必须按照上述步骤进行活塞环的检测,以确保活塞环的正常工作。
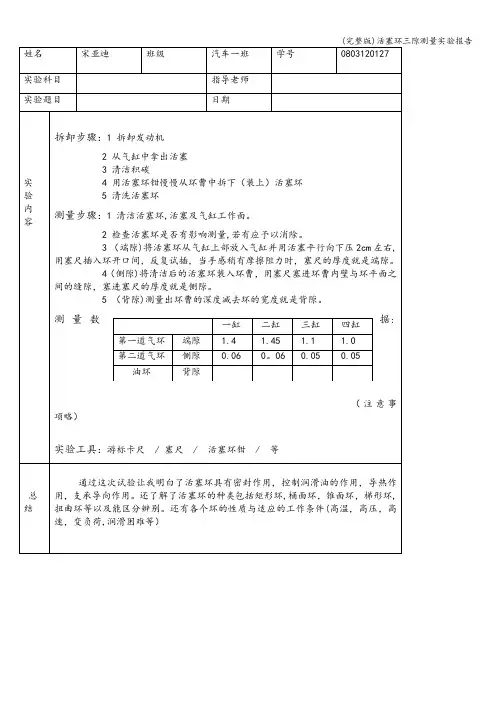
皖北经济技术学校 2017—2018学年第一学期 《汽车发动机构造》导学案 编制:侯哲 审核: 使用时间:班级 : 姓名: 小组: 小组评价: 教师评价:1活塞环三隙的测量【学习目标】1、知识目标:掌握发动机活塞环三隙的测量方法2、能力目标:利用网络、视频等自学,同学之间相互交流3、情感目标:培养专业兴趣,独立思考,合作交流,自我管理的能力【重点难点】1、合理使用工具测量活塞环的三隙【自主学习】回顾内容:1、气环为一带有切口的弹性片圆装环,在自由状态下,气环的外径略气缸的直径 ,当环装入气缸后,产生弹力压紧在气缸壁上,其切口处有一定间隙称为 。
A 、大于 B 、小于 C 、端隙新课内容: 一、活塞环三隙检测1、活塞环端隙检测方法(1)把活塞环装入到气缸内,然后用不带活塞环的活塞将其推到该环处在的上止点位置,用塞尺检查端隙是否符合要求。
(2) 量具用之前应该清洁校准(3)塞尺感觉稍有阻力,即为间隙值。
左图是检测发动机活塞环端隙(4) 测量本组发动机活塞环端隙,正确读出测量气环端隙值为 mm 。
22、活塞环侧隙检测方法将环放在环槽内,围绕环槽滚动一圈,环在槽内应滚动自如,既不松动,又无阻滞现象。
然后用塞尺测量侧隙值,应符合要求。
(1)量具用之前应该清洁校准 (2)塞尺感觉稍有阻力,即为间隙值。
(3)测量活塞侧隙时要将活塞环槽清洁干净。
下图是检测发动机活塞环侧隙测量此发动机活塞环侧隙,正确读出气环侧隙值为 mm 。
3、活塞环背隙检测方法用游标卡尺测量出活塞环槽的深度和活塞环的宽度,两者的差即为背隙,应符合要求。
(1)测量此发动机活塞环背隙,正确读出气环背隙值为 mm 。
【合作探究】1、活塞环三隙过大,会对发动机造成什么影响皖北经济技术学校 2017—2018学年第一学期《汽车发动机构造》导学案编制:侯哲审核:使用时间:班级:姓名:小组:小组评价:教师评价:【自我评估】1、请根据自己任务的完成情况,对自己的学习进行自我评估,并提出改进意见2、你对本次课有何更好的建议,还存在哪些问题?评语:3。
简述活塞环三隙的检测方法
活塞环三隙是热力发动机基础构件,其可靠性直接关系到发动机的可靠运行。
因此,活塞环三隙的检测是保证发动机安全运行的必要手续。
活塞环三隙检测方法主要有以下几种:
一、夹壁式活塞环三隙检测:该方法以夹壁为活塞环表面准确测试三隙宽度,以及夹壁两端与活塞环夹紧面之间的游隙。
通常可以使用测游隙仪和测夹紧仪来实现这种测量方法。
二、锥形式活塞环三隙检测:这种检测方法依靠穿孔安装在活塞环上的特殊锥形检测仪,通过测锥角来确定活塞环的三隙宽度,以及应用力的大小来确定活塞环的夹紧面之间的游隙。
三、拉伸式活塞环三隙检测:拉伸式活塞环三隙检测通过在活塞环两端进行拉伸来获得三隙尺寸,该方法可以检测出活塞环表面和夹紧面之间的游隙。
四、射线式活塞环三隙检测:射线式活塞环三隙检测方法是利用放射线照射活塞环的厚度完成三隙的检测,该检测方法可以有效地检测出活塞环表面和夹紧面之间的游隙,同时也可以测量活塞环内外径。
总之,活塞环三隙检测方法有夹壁式、锥形式、拉伸式以及射线式等几种,各种测量方法各有优劣,需要经过较多测量实践后,再结合实际情况和经济成本,最终选择出合适的测量方法。
另外,为了保证活塞环三隙检测的准确性,应该定期实施活塞环三隙的检测工作,并给出对策措施,以保证热力发动机的可靠运行。
以上就是关于活塞环三隙检测方法的介绍,以帮助大家对活塞环三隙检测更加了解,从而保障发动机的安全运行。
活塞环三隙及漏光度检检测为了确保活塞环与活塞环槽、气缸壁的良好配合,在选配活塞环时,需要进行活塞环的弹力检验、漏光度检验,端隙、侧隙和背隙检验。
1.活塞环的弹力检验,用活塞环弹力检验仪检验。
应符合机型的规定要求。
2.活塞环漏光的检验:活塞环漏光度检验的目的是察看活塞环与气缸壁的贴合情况,漏光度过大,活塞环局部接触面积小,而造成漏光和机油上窜,燃烧积碳,排气管排黑烟,选配活塞环时,必须进行漏光检查。
检测程序:将活塞环平放在气缸内,活塞环置于气缸内,用倒置的活塞将其推平,活塞上面放一块直径略小于活塞环外径的圆形盖板,盖住活塞的内圆,在活塞环的下面放一个发亮的灯,从气缸上部观察活塞与气缸壁的缝隙,确定七漏光情况。
漏光度要求:漏光出的缝隙,应不大于0.3mm;在同一根活塞环的漏光不得多于两处,漏光弧长在圆周上一处不得大于30°;同一环上的漏光弧长总和不得超过60°;在环端口处左右30°范围内不允许有漏光现象。
3.三隙检测(端隙、侧隙及背隙)发动机工作时,活塞环随活塞在气缸内作往复运动时,有径向涨缩变形现象,因此活塞环在气缸内应有开口间隙,与活塞环槽间应有侧隙与背隙。
(1)开口间隙,又称端隙,是活塞冷状态下装入气缸后开口处的间隙。
此间隙是为了防止活塞环受热膨胀卡死在气缸内设置的。
在检查漏光度的同时可检查端隙,用厚薄规测量。
端隙检验:将活塞环置于气缸内,并用倒置的活塞顶部将其推平,然后用厚薄规测量。
若端隙大于规定值,则应重新选配活塞环;若间隙小于规定值,应用细平锉刀对环的端口进行锉修。
锉修注意事项:活塞环要有支点;只能锉修一端环口且应平整;锉刀单方向行刀;四周用力捏紧检验活塞环,两面都要检验。
端隙:解放一道气环0.50~0.70mm,二道气环0.40~0.60mm,油环0.30~0.50mm 东风一道气环0.29~0.49mm,二道气环0.29~0.49mm,油环0.50~0.70mm (2)侧隙,又称边隙,是环高方向上与环槽之间的间隙。
项目课题曲轴的测量授课班级304、305、306 授课课时 3 教学方法讲授与实践操作授课形式新授·理实一体使用教具1、机油少许,活塞连杆组总成若干套。
2、常用工具若干套,维修专用工具若干套。
教学目的1)掌握活塞环的三隙定义。
2)熟练活塞环的拆装工艺。
3)掌握活塞环各零部件间的相互连接关系及其装配关系。
教学重点掌握活塞环的三隙定义。
教学难点掌握活塞环各零部件间的相互连接关系及其装配关系无更新、补充、删节内容学生任务单课外作业教学后记教学内容、过程备注活动一活塞环“三隙”测量活塞环端隙的检验活塞环端隙定义:端隙是活塞环置于气缸内,在环的开口处呈现的间隙(又叫“开口间隙”)。
端隙作用:端隙能防止活塞环受热膨胀而卡死在气缸内。
端隙的大小:与气缸的直径及各环所受温度有关,一般每100毫米缸径,温度最高的第一环的端隙为0.25~0.45毫米,其余各道环温度较低,端隙为0.20~0.40毫米。
检验活塞环端隙的方法是:先将活塞环平整地放在待配的气缸内,用活塞头将活塞环推平(对未加工的气缸应推到磨损最小处),然后用厚薄规插入活塞环开口处进行测量。
活塞环侧隙的检验侧隙定义:活塞环的侧隙是指装入活塞后,活塞环端面与活塞环槽之间的间隙。
侧隙过大,将使活塞环的泵油作用加剧,环易疲劳破碎,加速环的断裂和润滑油消耗增加;侧隙过小,会使活塞环卡死在环槽内,环的弹力极度减弱,冲击应力加剧,不但使气缸密封性能降低,也容易断环。
测量的方法是:将环放在槽内,围绕槽滚动一周,应能自由滚动,既不能松动,又不能有阻滞现象。
活塞环背隙的检验背隙定义:背隙是指活塞与活塞环装入气缸后,在活塞环背部与活塞环槽底之间的间隙,一般为0.5~1毫米。
检测方法:为了测量方便,通常以槽深和环宽之差来表示。
活塞环一般应低于环槽岸边0~0.35毫米,以免在气缸内卡死。
活塞环“三隙”检测活塞环“三隙”检测评分标准考核时限:30分钟序号考核项目配分扣分标准(每项累计扣分不超过配分)扣分记录得分1 工量具的准备5分1、工量具准备错误扣2分。
2、未校验量具扣2分。
3、工量具摆放不整齐扣1分。
2 维修手册使用10分1、不会使用维修手册扣10分。
2、不能熟练使用维修手册扣5分。
3、每查错一个数据或漏查1个数据扣3分。
3 活塞环的拆卸10 1、未使用活塞环拆装钳进行拆卸扣5分。
2、拆卸不熟练扣3分。
3、拆卸顺序错误扣2分。
4 活塞环端隙测量20分1、未能将活塞环放入气缸正确位置扣5分。
2、量具未清洁扣1分,使用不正确扣4分。
3、测量数据不正确扣5分。
4、结果判断不正确扣5分。
5 活塞环侧隙测量20分1、未能将活塞环放入活塞环槽正确位置扣5分。
2、量具未清洁扣1分,使用不正确扣4分。
3、测量数据不正确扣5分。
4、结果判断不正确扣5分。
6 活塞环背隙测量10分1、不能口述测量方法和要领扣10分。
2、口述不清晰扣5分。
7 维修记录5分维修记录的填写不规范、不详细,扣3分。
8 安全文明生产20分1、整理、整顿等5S情况不到位,扣5分;2、不注重安全操作,视情况扣5~20分;3、着装不整齐、言行举止不文明,扣3分;4、造成人身、设备重大事故,此题计0分。
9 合计100分活塞环“三隙”检测操作工单班级:姓名:时间:年月日考核时限:30分钟车型发动机型号一、准备工作情况记录(1)工量具及仪器设备准备(2)维修手册准备(3)被测工件准备二、操作过程校验量具记录:检测活塞环“三隙”检测结果:端隙侧隙第一道气环第二道气环油环三、维修结论:1、查维修手册,该发动机活塞间隙的标准值为端隙、侧隙。
2、根据测量结果,提出维修方案。
活塞环三隙的测量方法及标准活塞环是发动机中的重要部件,它的作用是密封活塞与缸体之间的空隙,防止燃气泄漏,同时也起到润滑作用。
活塞环的质量直接影响发动机的性能和寿命,因此对活塞环的测量十分重要。
本文将介绍活塞环三隙的测量方法及标准。
一、活塞环三隙的定义活塞环三隙是指活塞环与缸体之间的三个间隙,分别为上隙、下隙和侧隙。
上隙是指活塞环与缸体顶部之间的间隙,下隙是指活塞环与缸体底部之间的间隙,侧隙是指活塞环与缸体侧面之间的间隙。
二、活塞环三隙的测量方法1. 上隙的测量方法上隙的测量方法是将活塞环放入缸体中,用一个厚度为0.03mm的塑料片插入活塞环与缸体之间的间隙中,然后用千分尺测量塑料片的厚度,即为上隙的大小。
2. 下隙的测量方法下隙的测量方法是将活塞环放入缸体中,用一个厚度为0.03mm的塑料片插入活塞环与缸体之间的间隙中,然后用千分尺测量塑料片的厚度,再减去塑料片的厚度,即为下隙的大小。
3. 侧隙的测量方法侧隙的测量方法是将活塞环放入缸体中,用一个厚度为0.03mm的塑料片插入活塞环与缸体之间的间隙中,然后用千分尺测量塑料片的厚度,再减去塑料片的厚度,即为侧隙的大小。
三、活塞环三隙的标准活塞环三隙的大小应符合国家标准GB/T 1148-2009的规定。
其中,上隙的标准值为0.03-0.08mm,下隙的标准值为0.03-0.08mm,侧隙的标准值为0.02-0.06mm。
如果活塞环三隙的大小超出标准范围,就需要更换活塞环或调整缸体尺寸。
四、活塞环三隙的影响因素活塞环三隙的大小受到多种因素的影响,主要包括以下几个方面:1. 活塞环材料的选择不同材料的活塞环具有不同的热膨胀系数和硬度,因此对活塞环三隙的大小有一定影响。
2. 活塞环的制造工艺活塞环的制造工艺包括热处理、表面处理等,这些工艺对活塞环三隙的大小也有一定影响。
3. 缸体的尺寸和形状缸体的尺寸和形状对活塞环三隙的大小有直接影响,因此在设计和制造缸体时需要考虑活塞环的尺寸和形状。
活塞环三隙及漏光度检检测
为了确保活塞环与活塞环槽、气缸壁的良好配合,在选配活塞环时,需要进行活塞环的弹力检验、漏光度检验,端隙、侧隙和背隙检验。
1.活塞环的弹力检验,用活塞环弹力检验仪检验。
应符合机型的规定要求。
2.活塞环漏光的检验:活塞环漏光度检验的目的是察看活塞环与气缸壁的贴合情况,漏光度过大,活塞环局部接触面积小,而造成漏光和机油上窜,燃烧积碳,排气管排黑烟,选配活塞环时,必须进行漏光检查。
检测程序:将活塞环平放在气缸内,活塞环置于气缸内,用倒置的活塞将其推平,活塞上面放一块直径略小于活塞环外径的圆形盖板,盖住活塞的内圆,在活塞环的下面放一个发亮的灯,从气缸上部观察活塞与气缸壁的缝隙,确定七漏光情况。
漏光度要求:漏光出的缝隙,应不大于0.3mm;在同一根活塞环的漏光不得多于两处,漏光弧长在圆周上一处不得大于30°;同一环上的漏光弧长总和不得超过60°;在环端口处左右30°范围内不允许有漏光现象。
3.三隙检测(端隙、侧隙及背隙)
发动机工作时,活塞环随活塞在气缸内作往复运动时,有径向涨缩变形现象,因此活塞环在气缸内应有开口间隙,与活塞环槽间应有侧隙与背隙。
(1)开口间隙,又称端隙,是活塞冷状态下装入气缸后开口处的间隙。
此间隙是为了防止活塞环受热膨胀卡死在气缸内设置的。
在检查漏光度的同时可检查端隙,用厚薄规测量。
端隙检验:将活塞环置于气缸内,并用倒置的活塞顶部将其推平,然后用厚薄规测量。
若端隙大于规定值,则应重新选配活塞环;若间隙小于规定值,应用细
平锉刀对环的端口进行锉修。
锉修注意事项:活塞环要有支点;只能锉修一端环口且应平整;锉刀单方向行刀;四周用力捏紧检验活塞环,两面都要检验。
端隙:解放一道气环0.50~0.70mm,二道气环0.40~0.60mm,油环0.30~0.50mm 东风一道气环0.29~0.49mm,二道气环0.29~0.49mm,油环0.50~0.70mm
(2)侧隙,又称边隙,是环高方向上与环槽
之间的间隙。
第一道环因为工作温度过高,一般间隙
比其他环大些,油环侧隙较气环小。
此间隙过大会使
环的气密性下降,间隙过小会导致在高温膨胀时相互
间发生“粘住”的危险。
用厚薄规测量。
侧隙:解放一道气环0.055~0.087,二道气环0.055~0.087,油环0.40~0.80 东风一道气环0.055~0.087,二道气环0.04~0.072,油环0. 09~0.20 (3)背隙:活塞和活塞环装入气缸后,活塞环
背面与环槽底部间的间隙。
为了测量方面,维修中以
环的厚度与环槽的深度差来表示背隙,此数值比实际
背隙要小。
背隙:解放一道未做要求
东风气环0.20~0.90mm,油环0.88~1.335mm
4.使用极限:
气环:端隙2.00~4.00mm,侧隙0.20~0.40mm
油环:端隙2.00~3.00mm,侧隙0.20~0.30mm。